木材干燥规程及质量鉴定标准
- 格式:doc
- 大小:181.00 KB
- 文档页数:7
木材加工质量检验标准导言:木材是一种常见的建筑和家具材料,其质量直接影响到使用效果和使用寿命。
为了确保木材产品的质量和安全性,需要制定一系列的加工质量检验标准。
本文将从木材的来源、加工流程以及质量检验方面进行论述,以期提升木材加工产业的规范化水平。
来源标准:1. 林业管理:木材的质量受到树木种类、生长环境、年龄和采伐方式等因素的影响。
林业管理标准可以确保森林资源的可持续利用,包括合理选树、定期疏伐和采伐等。
2. 采伐标准:木材的采伐需要考虑树木的种植年限、直径和正确的砍伐方式。
采伐标准应明确规定可采伐的树木尺寸和年限,并禁止采伐野生动植物保护区域内的树木。
加工流程标准:1. 原木贮存:原木贮存标准主要包括场地选择、堆放方式和通风要求。
场地应具备干燥、通风和防雨雪的条件,并确保木材堆放的平稳和安全。
2. 木材加工:木材加工过程中涉及到锯切、砂光、磨削等环节,需要制定相应的标准。
例如,锯切标准应规定木材切割的尺寸误差和切割面质量要求;砂光标准应规定砂光的粗细程度和砂纸的使用规范。
3. 防腐处理:为了防止木材被昆虫、真菌等生物侵蚀,需要对木材进行防腐处理。
防腐处理标准应规定使用的防腐剂类型、处理浓度和处理时间,以及处理后木材的质量要求。
质量检验标准:1. 外观质量:外观质量是衡量木材产品质量的重要指标之一。
质量检验标准应规定木材表面的瑕疵、色差、凹凸和翘曲等问题的限制范围和评定方法。
2. 尺寸精度:木材产品的尺寸精度直接关系到其在建筑或家具中的拼接和安装效果。
质量检验标准应规定木材产品的长度、宽度和厚度的允许误差范围,并通过测量工具进行检验。
3. 力学性能:木材产品的力学性能直接关系到其强度和耐久性。
质量检验标准应规定木材产品的弯曲强度、抗拉强度和冲击强度等指标,并通过相应的试验方法进行检验。
4. 湿度含量:湿度是影响木材材料性能的重要因素之一。
质量检验标准应规定木材产品的湿度含量,以及相应的检测方法和标准。
木材行业质量检验标准随着经济的快速发展和人们对可持续发展的重视,木材行业在国民经济中扮演着至关重要的角色。
作为建筑、家具等领域的主要材料之一,木材的质量与安全问题尤为重要。
为了确保木材产品符合相关标准和要求,木材行业制定了一系列的质量检验标准。
本文将从木材的原材料、物理力学性能、化学性能以及环境保护等方面展开论述,并详细介绍相关的质量检验标准。
一、原材料检验标准1. 湿度检验:木材的湿度对其物理性能和使用寿命具有重要影响。
通常使用的方法是测定木材中的水分含量。
水分含量的标准是根据木材的种类和用途来确定的。
例如,一般室内家具的木材水分含量控制在10%以下。
2. 原材料来源检验:原材料的来源与木材的质量直接相关。
需要检验木材的合法性和可持续性。
确保木材来源于合法砍伐和经过合规程序的交易。
二、物理力学性能检验标准1. 弯曲强度和刚性:这是评估木材抗弯曲性能的重要指标。
通过在固定支撑点施加外力,测量木材在弯曲过程中的最大负荷和变形。
2. 抗压性能:用于评估木材在承受压力时的抗压性能。
测量木材在垂直方向上的最大承载能力。
3. 抗拉强度和抗剪强度:这是评估木材在拉伸和剪切力下的抗拉和抗剪性能的指标。
通过在不同方向上施加拉伸和剪切力,测量木材的最大承载能力。
4. 密度检验:密度是评估木材质量和硬度的重要指标。
木材的密度可通过称重和测量体积来确定。
三、化学性能检验标准1. 含水率检验:除了基本的湿度检验外,还需要进一步检验木材中的其他化学成分。
如树脂含量、木质素含量等。
2. 天然毒素检验:检验木材中是否含有对人体健康有害的天然毒素,如有害挥发性有机物、重金属等。
四、环境保护检验标准1. 合规性检验:检验木材生产过程中是否符合环保法律法规的要求,如是否使用有害物质,是否合理利用和处理生产废弃物等。
2. 无公害检验:检验木材是否经过环境友好型的防腐处理,是否符合国家和行业标准的要求。
综上所述,木材行业质量检验标准涵盖了原材料的湿度、来源、物理力学性能、化学性能以及环境保护等方面。
木材的质量标准与检验方法作为一种重要的建筑材料和家具制造原料,木材的质量标准与检验方法对于确保产品的质量和安全具有至关重要的作用。
本文将介绍木材的质量标准与检验方法,以帮助读者更好地了解木材产品的质量保证。
一、木材的质量标准木材的质量标准是根据木材的物理性能、机械性能和外观质量等方面制定的。
下面将分别介绍各方面的标准。
1. 物理性能标准物理性能标准是指木材在不同湿度和温度条件下的膨胀、收缩和翘曲等特性。
常用的物理性能检验项目包括木材的密度、含水率、导热系数和电阻率等。
这些指标能够反映木材的质量和稳定性。
2. 机械性能标准机械性能标准主要包括木材的强度、刚度和耐磨性等。
常用的机械性能检验项目有抗弯强度、抗压强度、抗拉强度和硬度等。
这些指标能够评估木材在受力情况下的抗性能以及在使用过程中的耐久性。
3. 外观质量标准外观质量标准是指木材的表面平整度、色泽均匀性和表观质量等。
常用的外观质量检验项目有木材的脱皮、裂纹和孔洞等。
这些指标能够衡量木材的外观美观度和完整性。
二、木材的检验方法木材的检验方法是根据木材的质量标准制定的。
下面将介绍木材常用的检验方法。
1. 密度检测方法密度是指单位体积的木材质量,通常用于评估木材的质量。
常用的密度检测方法有浸水法和称重法。
浸水法是将一块木材样品完全浸入水中,根据木材的浸水前后的质量变化计算密度。
称重法是通过称重木材样品和已知体积的容器来计算密度。
2. 含水率检测方法含水率是指木材中所含水分的百分比,它能够反映木材的湿度和干燥程度。
常用的含水率检测方法有干燥法和湿度计法。
干燥法是将一定质量的木材样品放入干燥箱中,在一定温度下加热一段时间后,根据木材的质量变化计算含水率。
湿度计法是使用专用的湿度计测量木材的湿度。
3. 强度检测方法强度是指木材在受力情况下的承载能力,常用于评估木材的使用性能。
常用的强度检测方法有三点弯曲法、压缩法和拉伸法。
三点弯曲法是将木材样品固定在两个支撑点上,施加一个垂直于木材长度方向的力,测量木材的抗弯强度。
木材干燥指用天然和人工方法强制对木材中的水分蒸发逸散,使木材的含水率降至符合使用要求的含水率,避免湿材在贮存、运输和使用的过程中受虫菌的侵蚀和木材劈裂、变形,提高木材制品的质量,延长使用寿命。
一:干燥处理1、人工干燥:将木材密封在蒸气干燥室内,借蒸气促进水分蒸发,使木材干燥。
(根据木材的大小、厚薄,如4cm板材烘干时间一般需要一个星期),干燥的程度最高可使木材含水量仅达3%,但经过高温蒸发后的木质发脆失去韧性容易受到损坏而不利于雕刻家具。
通常原木干燥的程度应保持在含水量30%左右。
2、自然干燥:将木材分类放置通风处(板材、方才或圆木),搁置成垛,垛底离地60cm左右,中间留有空隙,使空气流通,带走水分,木材逐渐干燥。
自然干燥一般要经过数年或数月,才能达到一定的干燥要求。
二、木材干燥目的1、防止零部件发生变形和开裂。
木材中的水分在向空气中排除时,就会引起木材体积的收缩。
如果收缩的不均匀,木材就会出现开裂或变形。
若是将木材干燥到与使用环境相适应的程度或使用要求的状态,就能保持木材的体积尺寸的相对稳定,而且是经久耐用。
2、预防木材的变质与腐朽,延长木制品的使用寿命。
湿木材如果长时间堆放在露天空气中,若不采取适当的措施,往往会发生腐朽或遭虫害。
当木材含水率降低到20%以下时,可大大减少菌类和害虫的侵害与破坏。
所以,一般在生产单位,把木材干燥到含水率8-15%左右。
这样不仅保证了木材的固有性质和强度,而且也提高了木材的抗腐蚀能力。
3、提高木材和木制品的力学强度,改善木材的物理性能。
当木材的水份含量在纤维饱和点以下时,木材的物理力学强度会随其减低而增高;同时木材也易于锯割和刨削加工,减少了对木工机械的损失。
4、减轻木材的重量,有利于提高车辆的运载能力。
新砍伐的木材,其含水量甚至超过了本身的重量,经过短期存放、自然干燥后,它的含水量仍然很高。
木材经过室干后,其重量可减轻约30-50%,有利于提高车辆的运载能力。
木材检验步骤与标准
木材检验的步骤及基本标准可归纳为以下几个方面:
1. 外观检验:检查木材的外观是否符合要求,包括颜色、纹理、表面平整度等方面的检查。
2. 尺寸检验:测量木材的长度、宽度、厚度等尺寸,确保其尺
寸符合标准要求。
3. 湿度检验:测量木材的湿度,通常使用湿度计进行测量。
湿
度是衡量木材质量的重要指标之一,一般要求木材湿度低于某一特定值。
4. 强度检验:评估木材的强度指标,包括抗压强度、抗弯强度、抗拉强度等,通过使用专用试验设备进行测试。
5. 密度检验:测量木材的密度,通常使用密度计进行测量。
木
材密度是衡量其质量的重要指标之一。
6. 含杂检验:检查木材中是否含有杂质,如树皮、虫眼、裂纹等,这些杂质可能会影响木材的质量和使用性能。
7. 抗真菌检验:评估木材的抗真菌性能,检测木材是否易受真
菌侵蚀。
木材检验的标准通常参考国家和行业相关的标准。
例如,中国国
家标准《木材外观质量》(GB/T 1937-2009)、《木材湿度标准》
(GB/T 1938-2009)、《木材密度测定方法》(GB/T 1939-2009)等。
同时,行业组织也会制定相关的检验标准,如《木材检验规程》等。
在进行木材检验时,可参照这些标准进行操作和评估。
木材质量评估与检验标准1. 介绍木材是一种常用的建筑材料,对于确保木材质量的评估和检验是至关重要的。
本文将介绍木材质量评估的相关标准和检验方法。
2. 木材质量评估标准2.1 干燥度评估木材的干燥度是衡量其质量的重要指标之一。
常见的评估标准包括湿度、溶质含量等。
相应的检验方法可以采用电子天平测量湿度和溶质含量。
2.2 常见缺陷评估木材常见的缺陷包括裂纹、叉行纹、疤痕等。
评估木材的缺陷需要进行目视检查和手工测试,确保木材无肉眼可见的瑕疵。
2.3 物理性能评估木材的物理性能包括密度、抗拉强度、耐磨性等。
评估木材的物理性能可以采用实验室测试方法,如密度测量、抗拉实验等。
3. 木材检验方法3.1 外观检验通过目视检查来评估木材的外观缺陷,如裂纹、变形等。
确保木材外观光滑平整,无明显瑕疵。
3.2 尺寸检验测量木材的尺寸,包括长度、宽度、厚度等。
确保木材符合规定的尺寸标准。
3.3 密度检验通过测量木材的质量和体积,计算出木材的密度。
确保木材的密度达到要求。
3.4 力学性能检验通过实验室测试来评估木材的力学性能,如抗弯强度、抗拉强度等。
确保木材的力学性能符合相关标准。
3.5 湿度检验使用湿度计或其他相关仪器来测量木材的湿度。
确保木材的湿度达到规定要求。
4. 结论木材质量评估与检验标准是确保木材质量的重要手段。
通过合适的评估标准和检验方法,可以确保木材符合相关质量要求,提高其应用性能和使用寿命。
在购买、使用木材时,应遵循相应的评估标准和检验方法,确保木材的质量问题得到有效解决。
5. 参考文献[1] "木材检验理论与实践". 木材检验. 2019.[2] "木材质量评估与检验标准". 木材科学与技术. 2018.。
木材行业质量检验标准一、引言木材作为重要的建筑材料和生活用品,其质量对于保障用户的安全和满意度至关重要。
为了确保木材产品的质量,需要制定一套科学合理的质量检验标准。
本文将对木材行业质量检验标准进行详细论述,包括木材的外观、尺寸、湿度以及杂质等方面。
二、外观检验标准1. 裂纹:检查木材表面是否有裂纹,以及裂纹的数量和大小。
裂纹严重的木材会影响其强度和美观度,因此需严格控制裂纹的程度。
2. 色泽:根据木材的用途和客户需求,确定木材的色泽标准。
常用的颜色标准包括浅色、中色和深色,可通过取样检测或与样品对比确定色泽。
3. 疤痕:检查木材表面是否有明显的疤痕或坑洞,疤痕过多或过大会影响木材的外观品质。
4. 均匀性:检查木材颜色的均匀程度,要求木材表面颜色的分布均匀,不能出现大片色差。
三、尺寸检验标准1. 长度:根据木材的用途和客户需求,确定木材长度的标准。
通常应控制长度误差在合理范围内,防止浪费和安装不便。
2. 宽度:检查木材宽度是否达到标准要求,宽度误差需控制在合理范围内。
3. 厚度:检查木材厚度是否达到标准要求,厚度误差需控制在合理范围内。
四、湿度检验标准1. 湿度测量:通过专业的仪器进行木材湿度的测量,湿度为木材质量的重要指标之一。
2. 湿度标准:根据木材的用途和客户需求,确定木材湿度的标准。
一般要求木材的湿度在一定范围内,既不能过于湿润,也不能过于干燥。
五、杂质检验标准1. 虫蛀:检查木材是否被虫蛀,虫蛀严重的木材会影响其使用寿命。
2. 树眼:检查木材表面是否有树眼,过多的树眼会影响木材的使用性能。
3. 噪点:检查木材表面是否有明显的噪点,噪点严重的木材会降低其美观度。
4. 污染物:检查木材中是否有污染物,如油污、颜料等,污染物会影响木材的质量和可用性。
六、质量检验方法1. 目测检验:通过人眼对木材进行目测检验,对外观、尺寸和杂质等进行判断和评估。
2. 仪器检验:借助专业的仪器设备,如湿度计、显微镜等对木材进行精确测量和分析,确保质量检验结果准确可靠。
木材质量检验规范引言本文档旨在制定木材质量检验的规范,以确保木材产品的质量和安全性。
木材是一种常见的建筑材料,因此对其质量的严格检测是必要的。
1. 检验标准- 木材外观质量:检查木材表面是否有破损、腐朽或变形等问题。
- 尺寸要求:测量木材的长度、宽度和厚度,确保符合所需尺寸。
- 力学性能:测试木材的抗弯强度、硬度和抗拉强度等力学性能指标。
- 含水率:测定木材中的水分比例,以确保符合标准。
- 杂质检测:使用适当的方法检测木材中的杂质,如铁钉、石头等。
2. 检验方法- 视觉检查:通过观察木材外观来识别任何瑕疵或破损。
- 使用测量工具:使用尺子、卷尺、千分尺等工具来测量木材的尺寸。
- 力学性能测试:使用弯曲试验机、硬度计和拉力试验机等设备来测试木材的力学性能。
- 含水率测试:使用电子称或其他合适的设备来测定木材中的水分含量。
- 杂质检测:使用金属探测器或目视检查来检测木材中的杂质。
3. 检验记录每次进行木材质量检验时,应记录检验日期、检验者、被检木材的批次和检验结果。
检验记录应保存以备查证。
4. 检验频率- 对重要项目使用的木材应进行全面检验。
- 对于批量生产的木材产品,应根据生产计划和需求对每批次的木材进行抽样检验。
5. 检验报告每次木材质量检验完成后,应编制检验报告并记录检验结果。
检验报告应包括木材质量信息、检验方法、检验结果和结论。
结论通过制定木材质量检验规范,可以确保木材产品的质量和安全性。
合格的木材材料能够提供更稳定的性能,同时降低建筑工程的风险和损失。
木材干燥操作规程
《木材干燥操作规程》
一、干燥前预处理
1. 木材的原料处理应保证木材表面无油腻、灰尘等杂质,以便更好地透气和干燥。
2. 对木材进行防腐处理,保证木材干燥后不腐烂。
二、干燥设备选择
1. 确保选择的干燥设备符合木材干燥的要求,如烘箱、烘干室等。
2. 设备应具备良好的密闭性和通风性,确保干燥的有效性。
三、干燥操作
1. 将木材均匀地摆放在干燥设备内,确保空气能够均匀地流通到每个部分。
2. 控制干燥的湿度和温度,确保干燥的效果和速度。
3. 定期检查木材的干燥情况,及时调整操作参数。
四、干燥后处理
1. 干燥结束后,将木材放置在通风良好处,避免再次吸湿。
2. 对木材进行质量检查,确保干燥后木材的质量符合要求。
3. 将木材进行包装、存储等后续处理。
五、注意事项
1. 在干燥过程中,要严格控制设备及周围环境的温度和湿度,防止影响干燥效果。
2. 对于不同种类的木材,需要根据其不同的干燥特性进行相应的调整。
3. 在干燥过程中,要加强设备的维护和保养工作,确保设备的运行稳定。
以上即是《木材干燥操作规程》的相关内容,相信严格按照规程进行木材干燥操作,将会取得良好的干燥效果。
木材的质量标准和检测方法木材作为一种重要的建筑材料,其质量的好坏直接影响到建筑物的稳定性和使用寿命。
因此,确保木材的质量是至关重要的。
本文将介绍木材的质量标准和检测方法,以帮助读者更好地了解和选择优质的木材。
一、木材的质量标准木材的质量标准主要包括以下几个方面:1. 湿度:木材的湿度是衡量其质量的一个重要指标。
通常情况下,木材的湿度应控制在12%以下,否则会出现干缩、开裂、变形等问题。
因此,在购买木材时,应注意检查其湿度是否符合标准要求。
2. 强度:木材的强度是表示其抗弯、抗压、抗拉等能力的指标。
根据不同用途,木材的强度标准也有所不同。
一般来说,建筑结构中使用的木材要求其抗弯强度、抗压强度等指标达到一定标准,以确保建筑的安全性和稳定性。
3. 密度:木材的密度是影响其强度和耐久性的重要因素。
较高的密度通常意味着较好的质量。
因此,在选择木材时,可以简单地用手触摸、比较不同木材的重量来判断其密度。
4. 活性:木材的活性指其对湿度和温度的敏感程度。
较高的活性可能导致木材的干缩、开裂等问题。
因此,在选择木材时,应注意其活性是否符合标准要求。
5. 外观:木材的外观是影响其美观度和触感的重要因素。
一般来说,木材表面应平整、光滑,无明显的疤痕、裂痕等缺陷。
同时,也要注意木材的颜色、纹理等因素,以满足设计和装饰的需要。
二、木材的检测方法为了确保木材的质量,我们需要进行相应的检测。
以下介绍几种常用的木材检测方法:1. 目测检查:目测检查是最简单、常用的木材检测方法之一。
通过肉眼观察木材的外观,如是否有明显的疤痕、裂痕、变形等问题,判断木材的质量。
2. 密度检测:密度是影响木材质量的重要因素之一。
常用的密度检测方法包括称重法、测量体积法等。
可以通过比较不同木材的重量和体积,计算得出其密度。
3. 强度检测:强度是衡量木材质量的重要指标之一。
常用的强度检测方法包括抗弯试验、抗压试验、抗拉试验等。
通过对木材进行一定的力学测试,得出其强度指标,以评估木材的质量。
木材热压干燥质量评估木材热压干燥质量评估木材热压干燥是一种常见的木材加工方法,它可以通过高温和压力减少木材中的水分含量,提高木材的质量和稳定性。
然而,为了确保木材热压干燥的质量,我们需要进行一系列的评估步骤。
第一步是选择合适的木材。
不同类型的木材在热压干燥过程中会有不同的表现,因此我们需要根据具体需求选择合适的木材种类。
一般来说,硬质木材比软质木材更适合热压干燥,因为硬质木材更稳定,并且具有更好的耐久性。
第二步是进行木材的预处理。
在热压干燥之前,木材通常需要进行预处理,以去除可能存在的杂质和污染物。
预处理包括去皮、切割和修整木材,以确保木材表面光滑和一致。
第三步是确定热压干燥的参数。
热压干燥的参数包括温度、压力和时间。
这些参数的选择取决于木材的种类和厚度。
通常情况下,较高的温度和压力可以更有效地减少木材中的水分含量,但过高的温度和压力可能会对木材造成损害。
因此,我们需要根据具体情况进行参数的调整。
第四步是进行热压干燥过程。
在热压干燥过程中,木材被放置在热压干燥设备中,接受高温和压力的处理。
这个过程需要严格控制温度和压力的变化,以确保木材的质量和稳定性。
此外,我们还需要定期检查木材的水分含量,以确保热压干燥的效果。
最后一步是进行质量评估。
在热压干燥结束后,我们需要对木材进行质量评估。
评估的指标包括木材的湿重、干重和水分含量。
湿重是指木材在热压干燥前的重量,干重是指木材在热压干燥后的重量,水分含量是指木材中的水分含量占总重量的比例。
通过对这些指标的测量和比较,我们可以评估热压干燥的效果是否达到预期,并对木材的质量进行判断。
综上所述,木材热压干燥的质量评估需要经过选择木材、预处理、确定参数、进行热压干燥和进行质量评估等多个步骤。
这些步骤的严格执行可以确保木材热压干燥的质量和稳定性,提高木材的使用价值。
木材干燥操作规程(试行)1。
适用范围:本标准适用于针叶锯材以空气为干燥介质的干燥.2。
窑干准备2.1 装窑轨车装堆(改造)容量:52m3,窑长13米,宽6米.进窑板材1600mm×6000mm×45mm×4堆,高度离隔层底梁200mm.2.1.1 材堆装堆要求○1同一窑被干材应树种相同,厚度相同,初含水率基本一致,不允许混装。
错误!材堆两端头的隔条应夹住板端,避免或减轻端裂,隔条间距是板材的18~20倍,隔条上、下必须成一条竖直线,不能错开,并确保每一块锯材都被隔条压紧.○3材堆必须装成一正六面体,不能倾斜。
若锯材的长度不一致或比材堆短,相邻的两块锯材应分别向两端靠齐,把空缺留在堆内,保持端头齐平。
错误!最顶端每条隔条上压10公斤以上的重物,以防止或减轻木材变形.最底层隔条必须压在轨车横梁上。
○5应确保材堆沿窑的长度方向和高度方向装满,不留空挡,以避免气流短路,若备干木料不够装满一窑,可减少材堆的宽度,而不能减少材堆的长度和高度.错误!装窑时,材堆不可占用两侧气道,也不可在气道上随意堆放零星木料,以免影响气流循环效果而引起干燥不均匀和延长干燥时间.2。
1.2 在装堆过程中,须先把6个含水率测试针在材堆的不同位置按均匀分布订上,两针间距2。
5cm,订在板材横纹上,深度为板材的1/3~1/2为宜,距离板材端头50cm以上。
材堆进窑后按顺序位置连接好含水率测试线。
2。
2 检查湿球纱布,确认纱布干净、包扎牢固,吸水良好,湿球水杯装满干净的水,及时更换纱布与水杯中的水.2。
3确认装堆无误后,详细检查设备处于正常待用状态后,即可关闭窑门准备干燥。
2.4拆卸和安装地轨、开启和关闭窑大门必须严格按照《YSZJ—50木材蒸汽干燥窑干燥工安全操作规程》操作。
3.窑干过程控制根据初始含水率不同,确定窑干工艺阶段。
初始含水率<50%时,窑干工艺一般为预热处理阶段-—干燥阶段—-终了处理阶段——干燥阶段——出窑前降温。
木材干燥操作规程木材干燥是指通过适当的加热和通风处理,将木材中的水分含量降低到一定的标准,以提高木材的质量和使用性能。
木材干燥的操作规程对于确保干燥效果和操作安全至关重要。
下面就是一份木材干燥操作规程,详细介绍了操作的流程和注意事项。
一、准备工作1. 确认干燥设备和设施完好无损,通风设备正常运行。
2. 对干燥室内进行清洁,清除杂物和灰尘,确保空气流通畅通。
3. 检查木材是否符合干燥要求,剔除有病虫害和污染的木材。
4. 安排好人员分工,明确各自职责和安全防护措施。
二、操作流程1. 将待干燥木材按规格和木种分类,方便控制干燥程序和时间。
2. 清理木材表面的杂质和污垢,确保干燥效果。
3. 将木材均匀摆放在干燥架上,注意保持间距和通风透气性。
4. 调整干燥室温度和湿度,按照工艺要求设定。
5. 打开通风设备,确保新鲜空气不断进入干燥室内。
6. 启动加热设备,逐渐升温,控制温度在合适范围。
7. 监测木材的湿度变化,定期测量并记录。
8. 根据木材湿度的变化,调整干燥设备的运行状态,保持合适的湿度和温度。
9. 定期检查和维护干燥设备,确保其正常运行。
三、注意事项1. 操作人员必须戴好安全帽、安全鞋和防护手套,确保人身安全。
2. 确保干燥过程中有足够的通风和排气设备,防止积聚的有害气体对人体造成危害。
3. 定期对干燥设备和通风管道进行清洁和维护,预防设备故障和堵塞。
4. 对于发生木材燃烧和爆炸的紧急情况,必须立即停止加热设备并采取相应的灭火和救护措施。
5. 不得在干燥室内存放易燃和易爆物品,避免引发火灾和爆炸事故。
6. 严禁在干燥室内吸烟和使用明火,防止引发火灾。
7. 在操作过程中,要密切监测木材的湿度变化,确保木材达到干燥要求。
8. 木材干燥过程中应注意适时开窗通风,排除室内湿气和甲醛等有害物质。
9. 干燥过程结束后,必须及时关闭加热设备和通风设备,确保设备的安全和节约能源。
综上所述,木材干燥操作规程是确保木材干燥过程质量和安全的关键,操作人员在干燥过程中必须严格按照规程进行操作,并时刻关注木材湿度和设备运行状态。
方氏木材加工厂培训材料一:木材干燥工艺规程(一)、木材堆码要求隔条放置正确,材堆大小适宜,窑内堆放均匀,气流状况良好1、同一个干燥窑内的木材材质与含水率状况相同或相近;2、一个窑的锯材厚度偏差不应过大;当厚度偏差明显时,应使用同一层木板厚度一致,以保证每一块板都能被隔条压住;3、木材两端应涂蜡,以防木材开裂;4、隔条放置正确:(1)隔条间距应适当,以减少板材变形并保证气流通畅;(2)隔条应与材堆长度方向相垂直,各层隔条在高度方向上保持在一条垂直线上,并落在材堆或托盘的支撑横梁上,要保证材堆内的正常通风与气流通道通;(3)隔条侧面离材堆端部的距离应在一个隔条宽度内(30mm内),隔条长度和材堆的宽度一致,隔条的宽度要求均匀;5、窑内堆放时:材堆之间前后间距保持在10cm左右,以保证即使板材之间未对齐,也不会形成阻塞,影响气流循环;在材堆深度方向,材堆侧面与后墙,材堆与大门间要留有足够空间(气道);在高度方向上,材堆顶部或所压重物距顶棚距离控制在10—20cm左右;6、材堆长度方向与气流方向垂直,不允许将才堆长度方向顺着气流方向堆放;7、材堆形状为正六面体,材堆两侧应整齐垂直,当锯材长度不同时,长的最好堆在材堆的下部和两侧,短材应堆在材堆的中间和上部,以保证材堆的稳定性;8、迎风面必须装满材堆,不能出现空档;若材堆尺寸不能与窑体匹配或干燥木材偏少时,可以交叉堆放材堆(合理搭配),以防止气流短路,影响干燥质量。
9、材堆堆放或叠放要整齐、稳定,防止干燥过程中材堆倒塌造成事故;10、在材堆上面的隔条的位置上放置重物(水泥块)压住,为防止材堆上部几层木材发生翘曲。
11、开关窑门,要注意安全,缓慢移动,规范开关窑门。
(二)、含水率检验板的制作(含水率测点选择)一般来说,木材含水率是指木材的绝对含水率。
木材含水率的测量是由位于窑内不同的位置的几组探针来完成。
探针位置应选择无明显可见缺陷,较湿的有代表性的板材上,木材含水率是由插入的板材的控针测出。
木工施工中的木材质量检验与工艺控制标准第一节:引言木工行业作为建筑工程中一个重要的组成部分,其施工质量直接关系到建筑物的稳定性和寿命。
在木工施工过程中,木材质量的检验和工艺控制标准起着至关重要的作用。
本文将探讨木材质量检验的重要性以及一些常用的工艺控制标准。
第二节:木材质量的检验标准木材质量的检验是确保木工施工质量的重要环节。
常用的木材质量检验标准包括外观质量、材质硬度、湿度和尺寸等方面的检测。
外观质量主要包括表面平整度、色泽是否均匀等方面的评估。
材质硬度需要根据不同木材的特性进行测试,以保证其耐用性和承重能力。
湿度的检测是为了确定木材的含水率,保证在施工过程中木材不会因为含水过多而变形。
尺寸的检测也是为了确保木材的精确度和适配性。
第三节:木材质量检验工具和方法木材质量的检验需要借助一些专业的工具和方法。
常见的工具包括刷子、卷尺、湿度计和硬度计等。
刷子可用于检查表面的平整度,卷尺可测量木材的尺寸,湿度计可测定木材的含水率,硬度计则用于测试木材的硬度。
此外,还可以借助目测和触感来评估木材的质量。
第四节:木材质量检验的实际操作在实际的施工工程中,木材质量的检验是必不可少的。
木工施工人员应该熟悉如何使用各种检测工具,并且具备判断木材质量的能力。
在检验过程中,要细心观察木材的外观状况,包括是否有裂纹、洞孔等缺陷,并用手触摸确认表面的平整度。
第五节:工艺控制标准的制定工艺控制标准是指在木工施工过程中规定的一系列标准和程序,以确保木工施工品质稳定、员工安全等目标的达成。
制定工艺控制标准需要充分考虑木材的特性和使用要求,同时结合工程实际情况进行合理设计。
常见的工艺控制标准包括木材的预处理、尺寸加工要求、安装规范等。
第六节:木材预处理工艺控制木材预处理是保证木材使用质量的重要步骤。
预处理包括干燥、防腐等工艺,以提高木材的抗变形性和耐用性。
预处理工艺控制标准应包括干燥时间、温度控制、杀菌剂的选用等。
第七节:尺寸加工工艺控制尺寸加工对于确保木材的精确适配性至关重要。
木材干燥规程及质量鉴定标准
木材干燥
木材干燥可以被形容为通过烘干过程,使木材改变尺寸的艺术。
理想情况是,木材通过干燥,使得含水率变得均衡。
因此,更进一步尺寸的变化将被保持到最少。
木材打堆
湿板:
为避免打堆的湿板出现弯曲,并保证在起烘前和烘干时板材每处的空气流通能够平衡,因此:•所有的小搁条必须严格保证有统一的尺寸:20mmx20mm。
•所有的大垫脚必须严格保证有统一的尺寸:40mmx100mm。
•把大垫脚放于木垛的下方。
在摆放前必须确保地面完全平整。
•小搁条放置在每层板面上。
•每条小搁条或大垫脚之间的距离必须是45cm。
•上下两条小搁条必须在一条直线上。
•左右两侧最外侧的小搁条与板端的距离应不得多与2cm
•同一堆板内,需保证板的长度相同。
如确实无法做到,则需保证较短板在较长板之上。
不得反其道而行之。
•木垛中的缺口必须封闭起来。
以此来保证空气流通时,空气经过的是板而不是缺口。
•待打堆完成后,必须用铁带将木垛捆紧。
烘房
装烘房前,必须保证烘房清洁(不得有树皮和尘土),并且所有设备均能正常工作。
如果不能正常工作,则首先需要修理。
1. 风机
检查风机是否转动流畅,确保风机能正反两个方向旋转。
2. 电磁阀
必须在装烘房前检查电磁阀。
如果不能正常工作,则需立即更换。
3. 测量设备
在装烘房前,保证所有的测量设备必须读数精确。
4. 通风口
通风口必须检测能否达到要求的开或关的位置。
装烘房
所有的木垛需装入烘房,以此来尽可能减少空气在板间流通时的阻力。
空气必须在板间流通而不是围绕木垛流通。
在堆放进烘房过程中一定要做含水率测点。
•测点分布:
在堆放进烘房过程中一定要做含水率测点。
测点必须处于板的背面。
这样喷水
就无法影响到木材湿度的量取。
数量要在4个以上,间距一般为30 到 40mm,
一般情况下,测点深度为板厚的一半,并且垂直木纤维分布(见下图) 。
要求做
含水率试点的板材,板面平整、宽度较大、无节子与开裂。
测点不能穿过板
材。
烘房内不同位置放置测点:
o例如,一个在板垛顶端,一个在中间,另一个则在下层。
o例如,一个放在烘房中间,另外2个放在两侧。
(但是,切记测
点不能放在靠近烘房门和风机的板垛的最外层板上。
)
o把测点放在板的湿度最湿,中等和最干的地方。
•空气循环:
板间的空气流通必须通畅。
因此,必须保证:
1. 木垛的缺口必须封闭,以此来使空气只能在板间流通。
空气只能在板与板间流
通,而不是环绕板垛流通。
2. 木垛摆放需在高度和宽度方向上保持紧凑,木垛间不能有空隙。
3. 每堆木垛必须相同,以此来避免空气流通时的阻力。
4. 一个烘房内只能装入厚度相同的板,这样能够避免空气流通时的阻力。
烘干工艺
1. 预热
温度必须控制得当,升温必须循序渐进。
有必要保证板的表面和中心的温度不能偏差太大。
以此来保证木材内部没有过量的热应力。
烘干程序的起烘温度必须平稳上升。
欧洲柞木的预热时间是3小时/cm。
(例如: 4.5cm的欧洲柞木板,在温度达到预定值后,在保持该状态4.5x3 小时 = 13.5 小时)。
在预热过程中,保持较高的烘房内空气湿度非常重要。
(对于欧洲柞木45mm规格,相对空气湿度= 90% 或者 Ugl = 18 否则会出现过度干燥)。
过度干燥必须避免。
因此,在开始阶段,需要喷淋大量的水,使空气相对湿度达到要求。
预热过程需要空气湿度达到相应要求来避免木材外表湿度大大高于中心湿度。
2. 加热
在这个过程中,木材会被完全地加热。
在预热过程中,木材的外部得到加热,而现在,木材内部也得到加热。
同时,对于欧洲柞木45mm规格,相对空气湿度= 90% 或者 Ugl = 18 否则会出现过度干燥。
加热过程需要6小时,在这6小时里,温度必须保持一致。
3. 烘干
在纤维饱和度临界点以上的烘干过程:
在纤维饱和度临界点以上的烘干过程中,木材主要含有自由水,并且此时,缩水的情况尚未出现。
该过程必须在低温度,高空气相对湿度的环境下进行。
在纤维饱和度临界点以下的烘干过程:
在纤维饱和度临界点以下的烘干过程中,木材中含的水都在细胞壁内。
因此,这样的结果是当木材的含水率降低时,缩水的情况就出现了。
该过程,需要提升温度,降低Ugl。
4. 调温调湿处理
调温调湿处理不仅可以使同一块木板的内,表湿度更加一致,还可以使不同木板的湿度达到近乎统一。
湿度不同可能导致木板弯曲,甚至在随后的生产中,可能导致木材开裂。
当烘房内最干燥的样本的湿度低于平均需求湿度2度时,启动调温调湿处理。
(比如:第一个探头测得的湿度为8%,但是最终平均湿度为10%时,需要启动调温调湿处理。
) 建立一个平衡的均衡湿度,也就是木材最终的湿度。
烘房必须保持平衡处理,一直到最湿的样本(=探头测数)达到最终需求的湿度。
(例如:最终需求的湿度是10%,那么平衡处理必须在最湿的样本达到12%以下才能停止。
)
5. 冷却处理
烘干末阶段时,木材温度还是很高的。
如果不做冷却处理,而把木材直接移出烘房,会导致外界空气在板间流通。
在这样的环境下,板面细裂就会产生。
因此,首先需要停止加热,保持烘房内的环境,并打开风扇,这样,木材会缓慢冷却。
当烘房内外温差在30°C 以内时,烘房的门可以打开,风扇也可以停止运转。
木材干燥质量鉴定标准
窑干是利用人为控制干燥介质的参数,在保证质量的前提下加速排除木材中的水分。
1 干燥的目的:
1.1防止木材变形和开裂。
1.2提高木材的力学强度,改善木材的物理性能(如导电、导热等)。
1.3预防木材腐朽、变质。
1.4减轻木材的重量,对合理利用木材,节约木材有重要意义。
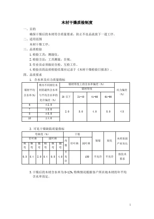
2 为避免不合理的干燥基准,不负责任的盲目操作,确保操作人员和单位的责任心, 维护双方利益,干燥质量以具体指标来衡量: 2.1平均含水率:
指随即抽取板材中的5到9块(来自材堆中的不同位置,上、中、下),每块板中间锯下两个试片,确定其各自的含水率,取试片含水率的算术平均值,代表该批干板的平均终含水率。
计算公式如下:
N
W W k k /∑=
式中k W ---------木材平均终含水率(%)
k
W ---------各试片含水率(%)
N ---------试片数量含水率测定项数
本单位要求干材出窑时的平均含水率值为9%。
2.2干燥均匀度:
指木堆内不同部位木材的最终含水率与平均含水率的允许偏差(%)。
2.3锯材厚度上含水率偏差△
Z W :根据国家二级标准,厚度在2cm 以下,△Z W 允许偏差范
围2.0%,2.1cm —4.0cm 为3.0%,4.1cm —6.0cm 为4.0%,6.1cm —9.0cm 为5.0%。
2.4应力:
应力偏差Y (%) ≤3%
计算方法:Y= (S-S1) *100/2L
S, S1------应力试片锯解前及含水率平衡后的齿宽。
L --------齿的长度。
详见图:
表(一)含水率及应力质量指标
2.5可见干燥缺陷包括:开裂(内裂、外裂)、弯曲、翘曲、皱缩、炭化和变色等。
2.6质量指标由下表第二款(国家二级标准衡量)。
详见图表:
表(二)可见干燥缺陷质量指标
以上指标的指定均根据国家锯材干燥质量二级标准,适用于家具、建筑门窗、车辆船舶、农业机械、文体用品等生产。
3原木锯解质量鉴定:
3.1加工方锯解前,先向被加工方了解所需板材厚度规格,力求锯解板块与要求相箱,不允许出现同一规格内不同板,厚度不一的现象,厚度允许误差±1mm。
3.2板面厚度均匀,严禁出现梭子形、波浪形、楔形等质量问题。
3.3锯解时应根据具体实际进行操作,当原木不通直时,应平行弯曲方向进行锯解;原木有腐
朽、节子时,应避开此缺陷,以提高木材利用率。
每个部门的湿度检验标准。