安全生产组织架构图
- 格式:doc
- 大小:32.50 KB
- 文档页数:1
安全生产组织架构图厂长安全生产职责厂长对企业的安全生产全面负责,具体要做到:1、认真贯彻执行国家安全生产方针、政策、法律、法规,把安全工作列入企业管理的重要议一日程,亲自主持重要的安全生产工作会议,批阅上级有关部门安全方面的文件,签发有关部门安全工作的重大决定。
2、负责落实各级安全生产责任制,督促检查同级副职和所属单位行政正职抓好安全生产工作。
3、健全安全管理机构,充实专职安全生产管理人员,定期听取安全生产管理部门的工作汇报,及时研究解决或审批有关安全生产中的重大问题。
4、组织审定产批准企业安全规章制度、安全技术规程和重大的安全技术措施,解决安措费用。
5、按规定和事故处理的“三不放过”原则,组织对事故的调查处理。
6、加强对各项安全活动的领导,决定安全生产方面的重要奖惩。
厂长签名盖章:201 年月日注册安全主任安全职责企业注册安全主任是企业领导的参谋和助手,应当全面负责安全生产工作,贯彻执行上级的安全生产、劳动保护、有关法律、法规和标准、检查企业有关职能部门执行安全生产制度和规定的情况,督促、协助各职能部门采取整改措施,防止各类事故发生。
1、协助企业领导组织生产中的安全工作,贯彻执行劳动保护法规、制度。
2、组织和协助有关部门制定安全生产制度和技术操作规程,并对其监督执行和检查。
3、经常进行现场检查、协助和解决问题,遇有特别紧急不安全情况时,有权指令先行停止,然后及时报告企业领导处理。
4、对职工进行安全生产的宣传教育。
5、指导各部门、班组的安全生产及宣传教育工作。
6、督促有关部门、班组按有关规定分发劳动护用品。
7、参加伤亡事故的调查、处理工作;分析、统计上报安全生产情况。
安全主任签名盖章:201 年月日部门主管安全生产职责车间主任对本单位安全生产全面负责,副主任对分管业务的安全工作负责,其职责是:1、保证国家安全生产法规和企业规章制度在本车间贯彻执行,把安全生产工作列入议事日程,做到“五同时”;2、组织制定并实施车间安全生产管理规定,安全技术操作规程和安全技术措施计划3、组织对新工人(包括实习、代培人员)进行车间安全教育和班组安全教育,对职工进行经常性的安全思想、安全知识和安全技术教育;开展岗位技术练兵,并定期组织安全技术考核;组织并参加每周一次的班组安全活动日,及时处理工人提出的意见;4、组织车间安全检查,落实隐患整改,保证生产设备、安全装备、消防设施、防护器材和急救器具等处于完好状态,并教育职工加强维护,正确使用;5、及时报告本车间发生的事故、注意保护现场;6、建立本车间安全管理网络,配备合格的安全技术人员,充分发挥车间和班组安全人员的作用.签名盖章:日期:201 年月日组长安全生产职责班组长的安全生产职责是:1、贯彻执行企业和车间对安全生产的规定和要求,全面负责本班组的安全生产。
安全生产组织机构图概述安全生产组织机构图是指在一个组织内部,为保障安全生产而设立的各类职责、权限、机构等的分工、安排和规范化结构体系。
它是安全生产管理中的重要组成部分,在企业的安全生产中发挥着重要的作用。
安全生产组织机构图的作用1. 确定职责和权限安全生产组织机构图是通过规定工作岗位职责和权限划分,明确各级管理层之间的职责分工,使组织权责关系更加明确,从而保障了职责、权限的明确性,掌握责任,进而有利于提高安全生产责任意识,减少安全生产事故的发生和发展。
2. 优化安全生产管理工作流程安全生产组织机构图将职责、权限、工作流程等信息整合于一张图表中,便于管理人员有效的了解管理流程,避免流程冗长,加速工作流程,提高效率。
3. 有利于监督和管理安全生产组织机构图把企业的安全生产的职责分工、权利责任转化为表格或图表,实现明确、规范、科学地安排企业的安全生产职责和权利责任。
4. 有利于纵向协调和横向沟通通过安全生产组织机构图的制定,不同层级的管理人员在企业安全生产管理中保持相应联系,不同部门管理人员之间在工作分工上保持联系,以便横向相互协调彼此的工作,加强沟通,避免难以协调的情况。
安全生产组织机构图的制定安全生产组织机构图应该以企业实际组织架构为基础,针对企业的风险控制和安全生产管理的需要,通过简洁、明了、易于理解、操作的形式,确保制定出符合实际的、运作有效的、可持续发展的安全生产组织机构图。
制定安全生产组织机构图需要遵循以下原则:1. 明确制定标准安全生产组织机构图的制定应当遵循有关法律法规和企业内部管理制度的相关规定,确保该机构与实际工作流程相符,符合企业安全生产管理的实际需求。
2. 按照企业要求确定安全生产组织机构图的结构安全生产组织机构图应该参考企业的要求,根据企业的内部设计,确定合适的组织机构的结构。
3. 确定各级职权和责任安全生产组织机构图应当确定各级职权和责任,明确各个层级之间的职责分工,细致化、规范化、制度化地保障安全生产工作落实。
XX建设工程有限公司
XX项目文件
★
XX建设工程有限公司
XX项目
关于成立“安全生产领导小组”的通知
项目各单位:
为贯彻执行党的“安全第一,预防为主”的安全生产方针,切实加强保护工作,做到安全生产的文明施工,根据国家、上级主管部门及公司有关文件精神和本项目的生产实际,为杜绝重大恶劣伤亡事故的发生,降低—般事故频率,切实保障职工的人身安全和身体健康,发展生产,并推行以安全生产为突破口的施工现场标准化管理,加强落实各级领导部门及职能部门和职工的安全生产责任制,项目决定成立安全生产领导小组:
一、领导小组人员组成:
组长:项目经理
副组长:项目副经理、技术负责人
成员:备案八大员、各班组长
二、项目安全生产领导小组组织机构图 三、安全生产领导小组工作职责 1、贯彻执行国家及行业有关安全生产的法律、法规,落实地方政府有关安全生产的工作指示。
2、审议通过项目部安全生产管理制度,并监督检查执行情况。
3、制定项目部安全生产管理目标及工作计划。
4、每半月或一月召开一次安全工作会议,对各部门、班组安全生产进行总结、评比,部署安全生产工作。
5、研究解决重大安全生产隐患,对整改措施及投资费用的使用情况进行监督检查。
6、对重大安全生产事故组织抢救、调查、处理和汇报。
7、对在安全生产工作中成绩突出的部门和个人实施奖励,对各类违纪现象实施
副组长:
安全员: 施工员: 资料员: 质量员:
班组总负责:
钢筋组长: 木工组长:
外架组长: 砼工组长:
组长:
处理处罚。
8、拟定和修改并完善各种安全管理制度。
安全生产小组架构图安全生产小组是指在一个单位或组织内部建立一个负责协调、监督和推动安全生产工作的组织结构。
下面是一个安全生产小组的架构图。
安全生产小组的架构图如下:应急救援组|----------------| | |一般安全组生产安全组交通安全组| | |---------------- --------------- --------| | |劳动保护组危险化学品组安全设备组| | |------------ ------------| | | |基础劳动保护职业健康管理危化品安全管理安全设备管理安全生产小组一般包括以下几个基本部门:1. 应急救援组:负责应急事件的处置和应对,包括制定应急预案、组织应急演练等工作。
2. 一般安全组:负责日常生产过程中的一般安全工作,包括安全培训、安全巡检、安全宣传等。
3. 生产安全组:负责生产过程中的安全工作,包括生产设备的安全检查、作业安全规范的制定等。
4. 交通安全组:负责交通安全事务的管理和协调,包括车辆的巡检、交通安全教育等。
5. 劳动保护组:负责劳动保护方面的工作,包括职业健康管理、劳动安全培训等。
6. 危险化学品组:负责对危险化学品进行管理和监督,包括危化品的安全使用和储存等。
7. 安全设备组:负责安全设备方面的工作,包括安全设备的维护、检修等。
每个部门下设若干专门岗位,如:1. 基础劳动保护:负责职业健康监测、劳动防护用品的配备等工作。
2. 职业健康管理:负责员工职业健康档案管理、职业病防治等工作。
3. 危化品安全管理:负责危化品储运管理、危险作业审批等工作。
4. 安全设备管理:负责安全设备的检修、保养、更新等工作。
以上是一个典型的安全生产小组的架构图。
根据不同单位的实际情况,安全生产小组的组织结构可以进行适当的调整和变动。
最重要的是根据实际情况确定各个岗位的职责和任务,确保安全生产工作的顺利开展。
安全生产管理组织架构图
注:1、技术部负责技术处理,解决施工中重要技术问题,参加重大技术、质量问题处理;
2、安质部负责制定质量安全管理制度、工程质量和安全监督、管理工作和原始资料及竣工资料的收集整理等;
3、试验室负责各种原材料、砼、砂浆等的检验和实验以及施工质量监督、管理工作;
4、经营财务部负责计量支持、计划统计、预算、财务管理等;
5、设备物资部负责施工设备、材料的组织和现场施工管理,解决施工设备的重要技术问题;
6、各施工队为现场作业层,负责按我局质量体系文件,作业指导书和有关标准、规范、规程施工,是现场各工程项目施工的具体工作
人员,是质量的直接责任人。
企业安全生产管理组织架构图一、总体概述1.1 企业安全生产管理的重要性企业安全生产管理是企业发展的基础,是保障员工生命财产安全、维护生产秩序的重要保障。
建立科学合理的企业安全生产管理组织架构图对于确保企业生产经营的顺利进行具有重要意义。
1.2 组织架构图的编制目的本企业安全生产管理组织架构图的编制旨在明确企业内部安全管理职责、权利及其落实机制,构建高效快速的安全管理体系,最大程度地降低事故风险,保障企业安全生产。
二、组织架构图2.1 企业领导层•CEO•总经理•安全委员会2.2 安全管理部门•安全总监•安全办公室–安全督查室–事故调查室–安全培训组–安全保卫组2.3 生产部门•生产总监•生产运营部•质量管理部•设备维护部2.4 人力资源部门•人力资源总监•培训部•绩效管理部•员工服务部2.5 财务部门•CFO•财务部•成本控制部•资金管理部2.6 采购部门•采购总监•采购管理部•供应商管理部三、安全生产管理流程3.1 安全生产目标确认•制定安全生产目标及指标•安全生产目标分解到各部门3.2 安全风险评估•安全风险评估•制定应对措施3.3 安全管理措施•安全培训•安全督查•事故调查及应急预案3.4 安全绩效评估•安全绩效考核•安全改进措施四、结语建立健全的企业安全生产管理组织架构是企业持续发展的重要保障。
通过明确分工、强化管理、切实推动安全生产管理工作的合理有序开展,可以提高企业整体生产效率,促进企业安全稳定发展。
【800字】。
安全生产组织架构图安全生产组织架构图是企业安全管理的重要工具,用于展示安全职责的分工和层次关系。
一个合理的安全生产组织架构可以帮助企业建立健全的安全管理体系,明确各岗位的职责和权限,提高安全生产管理的效率和效果。
一个典型的安全生产组织架构图包括以下几个部分:1. 高层领导安全生产组织架构图的最上层是企业的高层领导,如董事长、总经理等。
高层领导负责制定安全生产方针和目标,提供资源和支持,对安全生产工作负总责。
2. 安全委员会安全委员会是企业安全管理的决策机构,负责制定和审议安全生产政策、制度和规章制度,提出重大安全决策。
安全委员会由高层领导担任主任,各部门负责人和安全管理人员组成。
3. 安全管理部门安全管理部门是企业安全生产的专责部门,负责组织实施各项安全管理工作。
安全管理部门包括安全管理处、安全技术处、事故应急处等。
安全管理部门的职责包括:制定安全生产计划和目标,编制安全生产方案和流程,组织开展安全教育培训,进行事故调查和分析,提出技术改进和措施建议等。
4. 专项安全管理部门企业根据自身特点和业务需求,可以设立专项安全管理部门,如消防安全部门、生产安全部门等,负责具体领域的安全管理工作。
专项安全管理部门与安全管理部门相互配合,共同推进企业安全生产管理的落实。
5. 生产一线管理人员生产一线管理人员是企业安全生产的基层管理者,负责安全生产的具体组织和实施。
生产一线管理人员需要积极落实安全管理部门的要求和要求,确保工作场所的安全和工人的安全。
6. 全员参与安全管理是全员参与的工作,每个员工都有安全责任和义务。
企业应通过安全教育培训、宣传活动等方式,增强员工的安全意识和安全技能,提高员工对安全风险的识别和应对能力。
以上是一个典型的安全生产组织架构图的主要内容。
企业可以根据自身实际情况,对组织架构进行调整和完善,以确保安全管理工作的有效实施。
同时,企业要不断加强安全管理制度的建设和落实,提高安全文化的塑造,不断改进和提升安全生产管理水平,为员工创造安全和健康的工作环境。
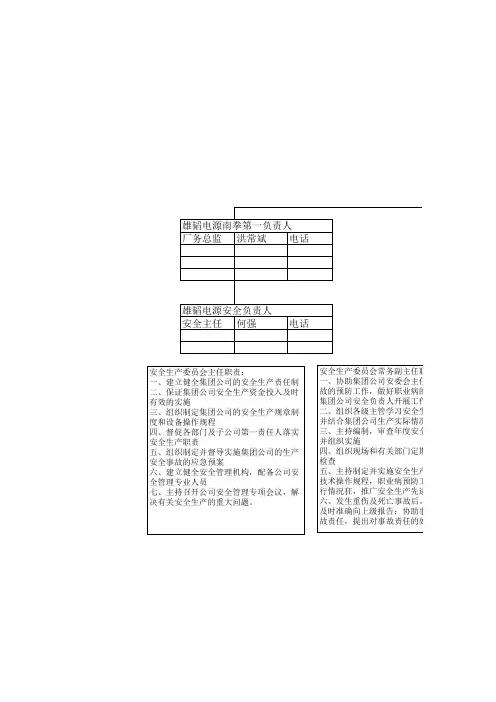
安全生产管理委员会
安全生产委员会(简称安委会),总体组织领导公司的安全生产,安委会应该由公司领导和相关部门的主要负责人组成。
主要职责:全面领导公司的安全生产管理工作。
研究制定安全生产措施和劳动保护计划,检查和监督生产安全,调查处理发生的事故等工作。
各职责部门负责人是本部门第一安全责任人,对人员及日常安全工作负全责。
安委会的日常事务由安全生产委员会办公室负责协调办理,人事行政部负责联络工作。
中安达电气科技股份有限公司
编制日期:2017年8月10日 安全责任人:
林柏阳
专职安全员:
陈尚斌
分管安全负责人:
闵会斌 质量部: 孙克林 生产部: 荚少英
技术部:
周富强 财务部: 朱志军 人事行政部: 苏庆涛 表箱制造部:
李明元 电器制造部: 喻泽隆 金具制造部: 石增盼。