工厂供电毕业设计资料
- 格式:docx
- 大小:43.81 KB
- 文档页数:5
摘要随着科技的不断发展和社会的全面进步,人民生活水平不断提高,电力能源已深入到了人们的日常生活和工作中去,对电力工业的发展极其相关问题的研究层出不穷。
基于目前我国电力工业飞速发展的现状,结合新型工厂发展的实际要求,倡导“安全、高效、节能”的方针,集变电、配电、照明、自动控制与调节、建筑防雷与保护、电脑设备管理于一体的现代化工厂供用电系统。
本设计在充分调查工厂符合设备的情况下,采用需要系数法计算全厂电力负荷,据此与电业部门签订协议,确定供电等级。
按照工厂的实际要求进行系统的无功补偿,确定视在计算负荷,将全厂电力负荷按其工作要求的不同分为不同负荷类别,根据工厂发展和规划要求,选择两台厂用主变压器,互为备用的方式相接,保证供电的可靠性。
绘制系统主接线图,优选厂区电气设备,根据发热和稳定性要求进行校验,最后确定防雷保护和接地措施,保证提高用电可靠性和经济运行。
关键词:供电系统,负荷计算,短路计算,变压器,防雷设计AbstractWith constant development of science and technology and the progressing in an all-round way of the society,the living standards of the people are improving constantly,the electric energy has already got deeply to our daily life and work,the study on extremely relevant problems of development of power industry emerges in an endless stream. It is on the basis of the current situation that the power industry of our country develops at full speed at present to originally design, combine the actual demand for development of new-type factory,advocate the policy of"safe,high-efficient,energy-conservation",collect the switchyard,distribution,illumination,automatically control and regulate,the building defend thunder,protection,computer equipment control and offer the power consuming system in the integrative modern chemical plant.Originally design in case of fully investigating the factory accords with equipment,it needs coefficient law to calculate the whole factory to load electrically to adopt,sign the agreement with electricity industry department in view of the above,confirm the grade of supplying power.Carry on having according to actual demand of factory work compensate,confirm apparent to calculate load systematic, electric load different to divide different load classification into according to job requirements their the whole factory,develop and is it require according to factory,choose two platform factory use the main voltage transformer to plan,both as reserve way and meet,the dependability of guaranteeing to supply power.Draw the main wiring diagram of system,the factory electric equipment of optimum seeking, and the stability demand carry on check-up according to generating heat, confirm finally that defends thunder protection and earth measure, guarantee to improve the dependability and economical operation of power consuming.Keywords:Electric power system,load is calculated,short out and calculate,voltage transformer,defend the thunder to design目录摘要 (I)Abstract (II)1绪言 (1)1.1我国电力工业的发展的过程、现状和未来 (1)1.2工厂供电系统设计的意义 (2)2负荷计算 (3)2.1该工厂负荷情况统计 (3)2.2本系统设计框图 (3)2.3计算方法 (4)2.4绘制最大负荷计算图 (4)2.5负荷计算 (5)2.5.1负荷计算 (5)2.5.2全厂电力负荷的分类 (6)2.5.3绘制负荷等级指示图 (6)2.6确定工厂供电电压等级 (6)2.7无功补偿 (6)2.7.1无功补偿的方式 (6)2.7.2无功补偿容量的计算 (7)3电线、电缆的选择 (9)3.1按载流量选择 (9)3.2按电压损失选择 (9)3.3与线路保护设备相配合选择 (9)3.4热稳定校验 (9)4变压器选择 (11)4.1变压器类型的确定 (11)4.2变压器的过负荷能力 (11)4.2.1正常过负荷能力 (11)4.3变压器数量的确定 (12)4.3.1按负荷等级大小需选择变压器 (12)4.3.2变压器容量的确定 (12)5电气主接线 (15)5.1电气主接线的要求及设计依据 (15)5.2常用的工厂电气接线图的比较 (15)6短路计算 (18)6.1短路的原因 (18)6.2短路对设备及系统的危害 (18)6.3短路电流计算的目的 (18)6.4短路的类型 (18)6.5本系统设计的一般规定和假设 (18)6.6本系统的短路计算 (19)6.6.1短路计算用图 (19)6.6.2三相短路计算 (19)6.6.3单相短路电流计算 (20)6.6.4短路电流的电动力效应 (20)6.6.5短路电流的热效应 (20)7电气设备的选择 (22)7.1正常的工作条件选择 (22)7.1.1按使用环境温度选型 (22)7.1.2按额定电压选择 (22)7.1.3按额定电流选择、 (22)7.2低压电气设备选择 (22)7.2.1低压熔断器的选择计算 (23)7.2.2自动空气断路器的选择 (24)8保护措施与保护装置的选择 (28)8.1变压器保护 (28)8.1.1变压器的瓦斯保护装置 (29)8.1.2变压器的差动保护装置 (29)8.2电动机保护 (30)9接地措施 (31)9.1低压配电系统接地 (31)9.2电气装置接地 (31)9.3防静电接地 (31)9.4接地装置 (32)10防雷措施 (33)10.1总体原则 (33)10.2常用建筑物的防雷措施 (33)10.2.1防直击雷的措施 (33)10.2.2防雷电感应的措施 (34)11总结与展望 (35)致谢 (36)参考文献 (37)附录 (38)1绪言1.1我国电力工业的发展的过程、现状和未来电力工业是生产销售电能为主的为电力客户服务行业,经过发、输、变、配等过程,通过供电设备供给电力用户,电能是经过一次能源转换过来的二次能源,已成为国民经济和人民生活的必须品,各行各业,包括重工业、轻工业、交通运输业、商业和服务性行业以及信息产业无不采用电能作为能源。
前言毕业设计是实现工科学生培养目标的实践性,综合性教学环节。
它对进一步培养学生的分析咨询题,制造性的解决咨询题的能力,全面提高毕业生的素养,使之能较快地适应工程实践的需要起着极重要的作用。
他要紧考察了我们四年来对理论知识的掌握程度,以及对专业技术的实际应用技能。
通过毕业设计能够有利的衡量我们独立考虑,自行分析,理论应用,以及现场实际操作能力。
通过实习和毕业设计把我们所学的理论知识以及实际动手综合起开,如此不但到达了对实际理论知识“温故而知新〞的目的,而且也到达了有理论到实践,有实践到理论的有机结合,使我的理论“更上一层楼〞,是我耐下心来,不急不燥,不断分析和询咨询,解决了许多碰到的实际咨询题,通过如此一次理论与实际结合的检验,使我受益匪浅,给我以后的学习和工作积存了许多经验。
国内电气系统设计开展及应用差不多比立成熟,不管是一次系统依旧二次系统,有关厂家差不多开发出运行可靠、技术先进相关产品。
因此,为满足供电厂厂用电的需要,依据本厂实际情况,对全厂厂用电配电装置进行设计。
本设计共分十一局部,按照供配电设计程序安排章节的顺序,并依据平安、经济、可靠、灵活的主导思想来设计。
要紧内容有:前言、厂用电的概述、厂用电接线、厂用电的负荷计算、厂用电变压器的选择、短路电流的计算、上下压开关柜的选择等。
1、概述供配电的意义和要求供配电技术,确实是根基研究电力的需求及分配的咨询题。
电力,是现代工业生产、民用住宅、及企事业单位的要紧能源和动力,是现代文明的物质技术根底。
没有电力,就没有国民经济的现代化。
现代社会的信息化和网络化,根基上建立在电气化的根底之上的。
因此,电力需求要是陡然中断,那么将对这些用电部门造成严重的和深远的碍事。
故,作好供配电工作,关于保证正常的工作、学习、生活将有十分重要的意义。
1.供配电工作要特别好的为用电部门及整个国民经济效劳,必须到达以下的全然要求:1)平安——在电力的需求、分配及使用中,不发生人身事故和设备事故。
机械工厂供电系统设计摘要:厂供电设计的任务是从电力系统取得电源,经过合理的传输,变换,分配到工厂车间中的每一个用电设备上。
随着工业电气自动化技术的发展,工厂用电量的迅速增长,对电能的质量,供电的可靠行以及技术经济指标等的要求也日益提高。
供电设计是否完善,不仅影响工厂的基本建设投资,运行费用和有色金属的消耗量,而且也反映到工厂供电的可靠性和工厂的安全生产上,他与企业的经济效益,设备和人身安全等是密切相关的。
关键词:工厂供电、变配电、短路电流、高低压设备第一章设计的基础材料及方案论证1.1.1设计总基础资料表:本厂产品及单耗产品类型单位数量(套)单位重量(kg/套)每公斤重耗电量kwh/kg耗电量(kwh)特大型中型小型共计套套套500020万10万200200.51510100万2000万50万2150万(2)负荷类型及大小配电计点名称设备台数n 设备容量/kw计算有功功率/kw计算无功功率/kw计算视在功率/kw计算电流/A一车间70 1419 470 183 506 770 二车间177 2223 612 416 744 1130 三车间37 1755 920 276 957 1452工具,机修车间811289 496 129 510 775空气站煤气站451266 854 168 872 1374全厂总负荷60410463 4087 1659 4485 6811配电计点名称功率因数cosφtgφ平均有功功率/kw平均无功功率/kvar有功功率损耗/kw无功功率损耗/kw变压器容量/(kv·A一车间0.93 0.39 354 138 10 50 630 二车间0.82 0.68 512 348 15 74 800三车间0.96 0.3 632 190 19 96 10000.92 0.26 400 104 10 51 630工具,机修车间0.98 0.5 633 125 17 87 1000空气站煤气站3159 1325 89 447.6 5000全厂总负荷本厂除动力站,房部分设备为二级负荷外,其余均为三级负荷(3)工厂为二班制全年工厂工作小时数为4500小时,最大负荷利用小时数:Tmax=4000小时。
摘要供电系统是变配电技术的重要环节,由电气设备及配电线路按一定的接线方式所组成的;它从电力系统中取得电能,通过其变换、分配、输送与保护等功能,将电能安全、可靠、经济的送到每一个用电设备的装设场所,并利用电气控制设备来决定用电设备的运行状态,最终使电能为国民经济和人民生活发挥巨大的作用。
本次设计是关于中远船务海洋工程有限公司厂区供电系统的设计,要求不但能够很好的按要求规定完成既定的任务,还要在某些方面能够做一些先进的改进或有创新的设计。
此次设计不仅需要具有牢固的专业基础知识,同时在设计过程中也要从经济,安全等各方面因素进行合理布置。
设计中主要涉及了负荷计算,无功补偿,变压器台数和容量的选择,主接线的方案,导线选择,继电保护,防雷接地等内容,基本上涵盖了变配电各个方面,是一个典型的供配电设计实例。
而且在本次的设计过程中,使我们扩大了自己的知识面,加强了个学科之间的联系和沟通,更进一步的提高了我们分析和解决实际问题的能力。
但是在整个设计中也暴露了一些问题,值得重视加以改正。
总之,在本设计中,将会全面而具体地对供电系统的各个方面有一个大体的了解,对供电系统的设计具有一定的参考和指导意义。
关键字:负荷计算,继电保护,无功补偿毕业设计(论文)原创性声明和使用授权说明原创性声明本人郑重承诺:所呈交的毕业设计(论文),是我个人在指导教师的指导下进行的研究工作及取得的成果。
尽我所知,除文中特别加以标注和致谢的地方外,不包含其他人或组织已经发表或公布过的研究成果,也不包含我为获得及其它教育机构的学位或学历而使用过的材料。
对本研究提供过帮助和做出过贡献的个人或集体,均已在文中作了明确的说明并表示了谢意。
作者签名:日期:指导教师签名:日期:使用授权说明本人完全了解大学关于收集、保存、使用毕业设计(论文)的规定,即:按照学校要求提交毕业设计(论文)的印刷本和电子版本;学校有权保存毕业设计(论文)的印刷本和电子版,并提供目录检索与阅览服务;学校可以采用影印、缩印、数字化或其它复制手段保存论文;在不以赢利为目的前提下,学校可以公布论文的部分或全部内容。
工厂供电毕业设计第一篇:工厂供电毕业设计第一章.概述一、工厂供电的意义和要求工厂供电,就是指工厂所需电能的供应和分配,亦称工厂配电。
众所周知,电能是现代工业生产的主要能源和动力。
电能既易于由其它形式的能量转换而来,又易于转换为其它形式的能量以供应用;电能的输送的分配既简单经济,又便于控制、调节和测量,有利于实现生产过程自动化。
因此,电能在现代工业生产及整个国民经济生活中应用极为广泛。
在工厂里,电能虽然是工业生产的主要能源和动力,但是它在产品成本中所占的比重一般很小(除电化工业外)。
电能在工业生产中的重要性,并不在于它在产品成本中或投资总额中所占的比重多少,而在于工业生产实现电气化以后可以大大增加产量,提高产品质量,提高劳动生产率,降低生产成本,减轻工人的劳动强度,改善工人的劳动条件,有利于实现生产过程自动化。
从另一方面来说,如果工厂的电能供应突然中断,则对工业生产可能造成严重的后果。
因此,做好工厂供电工作对于发展工业生产,实现工业现代化,具有十分重要的意义。
由于能源节约是工厂供电工作的一个重要方面,而能源节约对于国家经济建设具有十分重要的战略意义,因此做好工厂供电工作,对于节约能源、支援国家经济建设,也具有重大的作用。
工厂供电工作要很好地为工业生产服务,切实保证工厂生产和生活用电的需要,并做好节能工作,就必须达到以下基本要求:(1)安全在电能的供应、分配和使用中,不应发生人身事故和设备事故。
(2)可靠应满足电能用户对供电可靠性的要求。
(3)优质应满足电能用户对电压和频率等质量的要求(4)经济供电系统的投资要少,运行费用要低,并尽可能地节约电能和减少有色金属的消耗量。
此外,在供电工作中,应合理地处理局部和全局、当前和长远等关系,既要照顾局部的当前的利益,又要有全局观点,能顾全大局,适应发展。
二、工厂供电设计的一般原则按照国家标准GB50052-95 《供配电系统设计规范》、GB50053-94 《10kv及以下设计规范》、GB50054-95 《低压配电设计规范》等的规定,进行工厂供电设计必须遵循以下原则:(1)遵守规程、执行政策;必须遵守国家的有关规定及标准,执行国家的有关方针政策,包括节约能源,节约有色金属等技术经济政策。
本文部分内容来自网络整理,本司不为其真实性负责,如有异议或侵权请及时联系,本司将立即删除!== 本文为word格式,下载后可方便编辑和修改! ==工厂供电毕业设计篇一:某工厂供电系统设计(毕业论文)摘要本毕业设计为工厂变电所设计,对在工厂变电所设计中的若干问题:负荷计算,三相短路分析,短路电流计算,高低压设备的选择与校验,变压器的继电保护,变电所二次回路及自动装置,防雷与接地,变电所的过电压保护,计量,无功补偿等几方面的设计进行了陈述,并对供电主接线的拓扑结构进行了阐述。
该工厂变电所采用10kV单电源进线,采用一台1600kVA的主变压器,最大设备容量1636kW,采用并联电容器进行低压集中补偿,对变压器进行过电流,电流速断,瓦斯保护,按三类防雷建筑物设防,采用强弱电联合接地系统对建筑物进行保护。
在对供电系统短路计算的基础上,进行电力电缆和电气设备的选择设计,同时也对户外平面布置进行了初步的设计。
关键词:工厂供配电,继电保护,防雷与接地,负荷计算ABSTRACTThis graduation project is designed for the factory transformer substation, to certain questions in factory transformer substation design: the load computation, the analysis of three-phase short-circuits, the short-circuit current computation, the choice and verification of high and low pressure equipment, the transformerrelay protection, the secondary circuit of the transformer substation and the automatic device, anti-thunder and the connection to the earth, the transformer substation overvoltage protection, the measurement, the idle work compensated and so on, All the above aspects and the structure of the power supply host wiring topology have been stated.The transformer substation with a 10kV single power source coil in it uses 1600kVA main transformer, the biggest computation shoulders of which is 1636kW.It adopts the shunted capacitor to carry on the lowpressure centralism for compensation and sets protection for the transformer by carring on the electric current to it breaking the speed of the flow gas protection, garrisons accerding to the third kind of anti-thunder buildings,and users the strong and weakelectricity union earth system to carry on the protection to the building.Based on the computation of short-circuits to the power supply system, the project has a choice design of the power cable and the electrical equioment and a preliminary design to the outdoors plane arrangementat the same time.Keywords : the power distribution ,supply in factory,the relay protection目录摘要 .................................................................. ..................................................................... .. IABSTRACT ............................................................ . (II)第一章绪论 .................................................................. . (1)1.1课题设计背景 .................................................................. .. (1)1.2工厂供电设计的一般原则................................................................... (2)1.3工厂供电设计内容及步骤................................................................... (2)第二章负荷计算和功率补偿 .................................................................. (5)2.1负荷计算的内容和目的 .................................................................. (5)2.2负荷计算的方法 .................................................................. .. (5)第三章变压器容量和数量的选择 .................................................................. .. (6)第四章主接线方案的选择................................................................... .. (7)4.1对变电所主结线的一般要求................................................................... . (7)4.2变电所主结线................................................................... . (7)4.2.1单电源进线的变电所主接线 (8)4.2.2双回电源进线变电所主接线 (8)第五章短路电流的计算 .................................................................. (12)5.1短路电流计算的目的及方法................................................................... .. (12)5.2三相短路电流计算................................................................... (12)第六章导线、电缆的选择................................................................... (15)6.1 导线电缆的使用条件................................................................... . (15)6.2 导线电缆的选择................................................................... (15)第七章电气设备的选择 .................................................................. (18)7.1电气设备选择的一般原则................................................................... (18)7.2高压开关电器的选择................................................................... .. (18)7.2.1高压断路器的选择................................................................... . (18)7.2.2高压隔离开关的选择 .................................................................. . (19)7.2.3电流互感器的选择 .................................................................. (19)7.3配电所高压开关柜的选择................................................................... . (20)第八章变压器的继电保护................................................................... (21)8.1概述 .................................................................. (21)。
工厂供电毕业设计工厂供电毕业设计一、设计背景随着社会的发展,工厂的供电需求也在不断增加。
为了保证工厂的正常运转和生产,供电系统的可靠性和稳定性显得尤为重要。
本文旨在设计一个适用于工厂的供电系统,以满足工厂的不同负载需求和提高供电系统的可靠性。
二、设计目标1. 提高供电系统的可靠性和稳定性。
2. 满足工厂的不同负载需求。
3. 减少线路的损耗,提高供电系统的效率。
4. 提高供电系统的安全性。
三、设计内容1. 供电系统的整体架构设计根据工厂的不同用电负载需求,设计一个合理的供电系统架构。
该供电系统应包括主变配电系统、配电房、配电板等,以满足工厂的不同用电负载需求。
2. 供电系统的线路设计根据工厂的用电负载需求和供电系统的整体架构,设计供电系统的线路布置。
对于负载较大的用电设备,可以采用独立的线路供电,以降低线路损耗。
同时,还要考虑线路的安全性和稳定性,合理选择导线材质和截面积,确保供电系统的正常运行。
3. 供电系统的保护设计为了保证供电系统的安全性,需要设计相应的保护措施。
例如,对于主电源线路,需要设置过载保护装置和短路保护装置,以防止电流过大而导致线路短路或设备损坏。
同时,还要安装接地装置,以避免电气意外事故的发生。
4. 供电系统的自动化设计为了提高供电系统的管理和控制效率,可以引入自动化技术进行设计。
例如,可以使用PLC控制系统对供电系统进行监测和控制,实现对供电系统的远程监控和自动控制。
这样可以大大提高供电系统的管理效率和运行稳定性。
四、设计步骤1. 调研工厂的用电负载需求,了解工厂的实际情况。
2. 根据用电负载需求,设计供电系统的整体架构和线路布置。
3. 根据供电系统的整体架构,设计相应的保护措施。
4. 引入自动化技术,设计供电系统的自动化控制。
5. 编制详细的设计方案,并进行模拟和实验验证。
6. 完善设计方案,进行最后的设计优化。
7. 编制设计报告,并进行设计成果的评估和总结。
五、设计成果及意义通过设计一个适用于工厂的供电系统,可以提高供电系统的可靠性和稳定性,满足工厂的不同负载需求,减少线路的损耗,提高供电系统的效率。
某工厂供配电系统毕业设计某工厂供配电系统毕业设计设计目的:工厂供配电系统是一个工厂正常运行的重要支撑系统,它的设计关系到工厂的安全运行,节能降耗以及生产效率的提高。
本文旨在设计一个高效、可靠、安全的工厂供配电系统,满足工厂的用电需求。
设计要求:1. 系统可靠性:确保工厂的供电系统能稳定、持续地为主要设备供电,以避免因供电故障而造成的生产中断。
2. 能效优化:通过有效的电能控制和优化设备的选择,减少电能消耗和线损,提高能效。
3. 安全保障:确保供配电系统的安全运行,防止火灾、电击等事故发生。
4. 灵活性和可扩展性:考虑到工厂的生产发展和设备升级,设计一个灵活可扩展的系统,便于未来对系统进行升级和改造。
设计方案:1. 主配电系统设计:主配电系统是工厂供电系统的核心,主要包括发电机、变压器、开关柜等设备。
在设计上,应采用双回路供电设计,确保供电的可靠性。
同时,根据工厂的用电需求和动力负荷特点,合理选择发电机和变压器容量。
为了提高能效,可以在主配电系统中引入电力电子设备,如变频器、有源滤波器等,通过控制电压和频率来达到能效优化的目的。
此外,还需考虑到主配电系统的安全性,采取过电压、过电流等保护措施,确保系统的安全运行。
2. 照明系统设计:照明系统是工厂供配电系统中的重要部分,它直接关系到工厂的生产效率和员工的工作环境。
在设计上,应根据工厂的使用需求和照明标准,选择适合的照明设备,如LED灯具等。
同时,要合理布置照明设备的位置,确保整个工厂区域都能得到均匀明亮的照明。
3. 控制系统设计:控制系统是供配电系统的智能化管理部分,用于实时监测和控制工厂的电能消耗和设备运行情况。
在设计上,可以采用自动化控制系统,通过传感器和计算机控制设备,实现对供配电系统的远程监控和运行调节。
同时,还应设计系统安全措施,保护控制系统免受网络攻击和恶意软件的侵害。
4. 可扩展性和改造性:为了适应工厂的生产发展和设备升级,供配电系统应具备一定的可扩展性和改造性。
乌海职业技术学院《工厂供电课程设计》课程设计报告课题:机械厂供配电系统设计系别:专业:班级:姓名:学号:指导教师:目录一.前言二.设计题目三.设计要求四.设计依据五.设计任务(一)设计说明书1)负荷计算和无功功率补偿2)变电所位置和型式的选择3)变电所主变压器台数、容量、类型及变电所接线方案的选择4)短路电路的计算5)变电所一次设备的选择校验6)变电所进出线和与邻近单位联络线的选择7)变电所继电保护的整定(二)设计图样六.结束语七.参考文献一、前言众所周知,电能是现代生产的主要能源和动力。
电能既易于由其它形式的能量转换而来,又易于转换为其它形式的能量以供应用;电能的输送的分配既简单,又便于控制、调节和测量,有利于实现生产过程自动化。
因此,电能在现代工业生产及整个国民经济生活中应用极为广泛。
在工厂里,电能虽然是工业生产的主要能源和动力,但是它在产品中所占的比重一般很小(除电化工业外)。
电能在工业生产中的重要性,并不在于它在产品成本中或总额中所占的比重多少,而在于工业生产实现电气化以后可以大大增加产量,提高产品质量,提高劳动生产率,降低生产成本,减轻工人的劳动强度,改善工人的劳动条件,有利于实现生产过程自动化。
从另一方面来说,如果工厂的电能供应突然中断,则对工业生产可能造成严重的后果。
因此,做好工厂供电工作对于发展工业生产,实现工业现代化,具有十分重要的意义。
由于能源节约是工厂供电工作的一个重要方面,而能源节约对于国家经济建设具有十分重要的战略意义,因此做好工厂供电工作,对于节约能源、支援国家经济建设,也具有重大的作用。
工厂供电工作要很好地为工业生产服务,切实保证工厂生产和生活用电的需要,并做好节能工作,就必须达到以下基本要求:(1)安全在电能的供应、分配和使用中,不应发生人身事故和设备事故。
(2)可靠应满足电能用户对供电可靠性的要求。
(3)优质应满足电能用户对电压和频率等质量的要求(4)经济供电系统的投资要少,运行费用要低,并尽可能地节约电能和减少有色金属的消耗量。
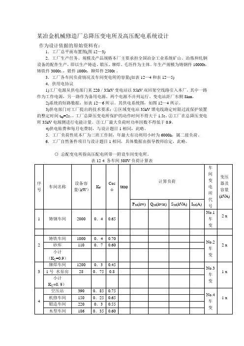
某冶金机械修造厂总降压变电所及高压配电系统设计作为设计依据的原始资料有:1.工厂总平面布置图(图12—3)2.工厂生产任务、规模及产品规格本厂主要承担全国冶金工业系统矿山、冶炼和轧钢设备的配件生产,即以生产铸造、锻压、铆焊、毛坯件为主体。
年生产规模为铸钢件10000t,铸铁件3000t。
,锻件1000t,铆焊件2500t-。
3.工厂各车间负荷情况及车间变电所的容量(如表12—4和表12—5)4.供用电协议1)工厂电源从供电部门某220/35kV变电站以35kV双回架空线路引入本厂,其中一路作为工作电源,另一路作为备用电源。
两个电源不并列运行。
变电站距厂东侧8km。
2)系统的短路数据,如表12—6所示。
其供电系统图,如图12—4所示。
3)供电部门对工厂提出的技术要求:①区域变电站35kV馈电线路定时限过流保护装置的整定时间t op=2s。
,工厂总降压变电所保护的动作时间不得大于1.5s。
②工厂在总降压变电所35kV电源侧进行电能计量。
③工厂最大负荷时功率因数不得低于0.9。
4)供电贴费和每月电费制,与设计题目1相同,此略。
5.工厂负荷性质本厂为三班工作制,年最大有功利用小时为6000h,属二级负荷。
6.工厂自然条件项目与设计题目1相同,具体数据由指导教师给定,此略。
○一总配变电所指高压配电所带一附设车间变电所。
表12-4 各车间380V负荷计算表序号车间名称设备容量(kW)K dCosφtanφ计算负荷车间变电所代号变压器及容量(kV A)P30(kw) Q30(kvar) S30(kV A) I30(A)1 铸钢车间2000 0.4 0.65 No.1车变2 x___2铸铁车间1000 0.4 0.70No.2车变2 x___ 砂库110 0.7 0.60小计(K∑=0.9)3铆焊车间1200 0.3 0.45No.3车变1 x___ 1号水泵房28 0.75 0.8小计K∑=0.9)4空压站390 0.85 0.75No.4车变1 x___ 机修车间150 0.25 0.65锻造车间220 0.3 0.55木型车间186 0.35 0.60制材场20 0.28 0.60 综合楼20 0.9 1小计((K∑=0.9)5锅炉房300 0.75 0.80No.5车变1 x___ 2号水泵房28 0.75 0.80仓库(1、2)88 0.3 0.65污水提升站14 0.65 0.65小计表12-5 各车间6kV高压负荷计算表序号车间名称高压设备名称设备容量(kW)K dCosφtanφ计算负荷1 铸钢车间电弧炉2 x12500.9 0.65 P30(kw) Q30(kvar) S30(kV A) I30(A)2铸铁车间工频炉2 x2000.8 0.703 空压站空压机2 x2500.85小计表12-6区域变电所站35kV母线短路数据系统运行方式系统短路数据系统运行方式系统短路数据系统最大运行方式时S oc·max= 200MV A 系统最小运行方式时S oc·min =175MV A。
工厂供配电毕业设计范文
工厂供配电是一项非常重要的工程,涉及到工厂的生产和运营。
毕业设计中,我们需要设计一个能够满足工厂需求的供配电系统。
设计的过程中需要考虑到以下几个方面:
1.用电负荷计算:根据工厂的用电需求,计算每个设备的功率、电流、电压等参数,以确定工厂的总用电量。
2.变配电设备设计:根据用电负荷计算结果,确定变配电设备的参数,例如变压器的容量、电缆的截面积、开关电源的额定电流等。
3.布线设计:根据变配电设备的参数,设计合理的布线方案,以确保电能的有效传输和安全使用。
4.环境保护设计:为确保供电系统的环保性能,需要考虑如何降低能源的消耗量和减少废气的排放量。
5.安全管理设计:为保障供电系统的安全运行,需要考虑如何确保电气设备的安全性能,以及如何进行维护和管理。
综上所述,工厂供配电的毕业设计需要考虑到多个方面,包括用电负荷计算、变配电设备设计、布线设计、环境保护设计和安全管理设计等。
只有设计出合理的供配电方案,才能确保工厂的生产运营效率和安全。
- 1 -。
工厂供电毕业设计题目(最终定稿)第一篇:工厂供电毕业设计题目1、10KV高压配电所主接线设计(题目编号:1101)主要内容包括:典型工厂10KV高压配电所的主接线设计(包括主接线方案的确定、负荷计算、设备导体的选择、短路计算、设备导体的校验);10KV高压配电所的电力进出线路的设计(包括电力进出线路接线方案的确定、电力进出线路的选择和校验)等。
要求学生写出设计说明书、列出设计表格、画出设计图纸。
通过本设计,使学生初步掌握工厂10KV高压配电所主接线设计的内容、思路、方法和步骤,获得综合运用所学知识、已有能力解决配电系统工程实际问题的技术和能力,实践工程设计的实际锻炼。
2、10KV高压配电所二次回路设计(题目编号:1102)主要内容包括:典型工厂10KV高压配电所的二次回路的配置及总体方案的确定;负荷计算、短路计算;测量回路方案的确定、设备导体的选择;控制回路方案的确定、设备导体的选择;保护回路方案的确定、设备导体的选择、各套保护的整定计算;信号回路方案的确定、设备导体的选择等。
要求学生写出设计说明书、列出设计表格、画出设计图纸。
通过本设计,使学生初步掌握工厂10KV高压配电所二次回路设计的内容、思路、方法和步骤,获得综合运用所学知识解决供配电系统工程实际问题的技术和能力,实践工程设计的实际锻炼。
3、10KV车间变电所及车间低压配电系统设计(题目编号:1103)主要内容包括:典型工厂10KV车间变电所所址和型式的选择;主接线方案的确定;负荷计算和无功补偿计算;主变型式、台数、容量的选择;短路计算;主接线设计(设备导体的选择校验);进出线的设计;二次回路方案的确定、设备导体的选择和保护整定计算;车间配电电压、级数和接线方案的选择;车间配电设备、导体的选择;车间配电线路敷设方案的确定;车间配电保护方案的选择。
要求学生写出设计说明书、列出设计表格、画出设计图纸。
通过本设计,使学生初步掌握工厂10KV车间变电所及车间低压配电系统设计的内容、思路、方法和步骤,获得综合运用所学知识、已有能力解决供配电系统工程实际问题的技术和能力,实践工程设计的实际锻炼。
目录工程概况 (1)电源情况: (1)车间设计原则: (1)1 设计任务及设计方案 (2) (2) (2)2负荷计算及功率补偿 (2) (2) (3) (3) (4) (5)无功功率补偿 (7)3主接线设计 (8) (8) (9) (9)4 短路电流 (9) (10) (10) (10)()的短路电路总电抗及三相短路电流和短路容量 (10)()的短路电路总电抗及三相短路电流和短路容量 (11)5 进出线和与邻近单位联络线的选择 (11)10KV高压进线和引入电缆的选择 (11)380V低压出线的选择 (12)6 继电保护的整定 (12) (12) (13)7 设备的选择 (15)110kV侧设备的选择 (15)380V侧设备的选择 (16)8 防雷与接地 (16)防雷保护的必要性 (16)防雷接地装置部分概念 (16)防雷保护措施 (17)旋转电机的防雷保护 (17)10 kV 配电线路防雷措施 (17)10 kV 配电设备防雷保护 (18)接地装置 (19)接地分类 (19)接地电阻 (19)9 设计心得 (19)致谢 (20)参考文献 (21)工程概况电能是现代工业生产的主要能源和动力。
电能既易于由其它形式的能量转换而来,又易于转换为其它形式的能量以供应用;电能的输送的分配既简单经济,又便于控制、调节和测量,有利于实现生产过程自动化。
因此,电能在现代工业生产及整个国民经济生活中应用极为广泛。
在车间里,电能虽然是工业生产的主要能源和动力,但是它在产品成本中所占的比重一般很小(除电化工业外)。
电能在工业生产中的重要性,并不在于它在产品成本中或投资总额中所占的比重多少,而在于工业生产实现电气化以后可以大大增加产量,提高产品质量,提高劳动生产率,降低生产成本,减轻工人的劳动强度,改善工人的劳动条件,有利于实现生产过程自动化。
从另一方面来说,如果车间的电能供应突然中断,则对工业生产可能造成严重的后果。
[重点]1-毕业设计原始资料-⼯⼚供配电系统设计[重点]1-毕业设计原始资料-⼯⼚供配电系统设计⼯⼚供配电系统设计 1(设计(论⽂)的主要任务及⽬标根据分析原始资料,进⾏⼯⼚负荷计算;确定补偿容量,确定车间变电所的型式、数量;确定车间变压器的数量、容量;进⾏短路电流计算和电⽓设备选择,画出该⼯⼚的电⽓接线图。
通过论⽂设计,加深对⼯⼚供电的认识,能独⽴设计⼯⼚的电⽓主接线,会选择和校验电⽓设备,熟悉运⽤电⽓CAD进⾏电⽓图的绘制。
2(设计(论⽂)的基本要求和内容原始资料分析(⼯⼚平⾯图、⼯⼚的供电电源、⼯⼚的负荷情况)全⼚负荷计算;确定⽆功补偿容量变电所⾼压电器设备选型(主变压器的选择、各个车间变压器的选择、35KV架空线的选择)短路电流计算变电所的设备选择(35KV侧设备的选择和校验、10KV侧的设备选择和校验) 主变压器继电保护装置及整定变电所的设计说明(室内布置、室外布置)画出主接线图3(主要参考⽂献[1] 刘介才.⼯⼚供电[M].北京:机械⼯业出版社,2008.4 [2] 刘介才.供配电技术[M].北京:机械⼯业出版社,2000.8 [3] 付家才.电⽓CAD⼯程实践技术[M].北京:化学⼯业出版社,2009.9[4] 翁双全.供电⼯程[M].北京:机械⼯业出版社,2006.1 [5] 温步瀛.电⼒⼯程基础[M].北京:中国电⼒出版社,2006 [6] 苏⽂成.⼯⼚供电(第2版)[M].北京:机械⼯业出版社,1999. [7] 段建元.⼯⼚配电线路及变电所设计计算[M].北京:机械⼯业出版设,1982:483-498[8] 王兆安.电⼒电⼦设备设计和应⽤⼿册[M].北京:机械⼯业出版社,2009.1…….4(进度安排2013.11 选定论⽂题⽬,搜集信息和资料,开题报告2014.1.10~20141.25 负荷统计、⽆功补偿2014.1.26~2014.3.15 主变压器的选择、各个车间变压器的选择、35KV架空线的2014.3.16~2014.4.5 短路电流计算2014.4.6~2014.4.20 变电所的设备(35kv、10kv)选择继电保护设备的选择和计算 2014.4.21~2014.4.302014.5. 1~2014.5.15 画图,整理毕业论⽂初稿,修改初稿原始资料1.1 ⼯⼚平⾯图⼯⼚平⾯图如图1.1所⽰:图1.1 ⼯⼚平⾯图1-纺炼车间 2-原液车间 3-酸站 4-排毒机房 5-锅炉房 6-仓库 7-试验车间 8-动⼒车间 9-办公⼤楼 10-饭厅 11-技校 12-宿舍 13-扩建年产量500 吨长丝⼯程纺炼车间1.2 ⼯⼚的供电电源按照⼯⼚和当地的供电部门的供电⽤电协议规定,该⼚由距离9KM外有⼀地区变电所,供电部门要求从该变电所以35KV架空线路为本⼚供电。
.言
毕业设计是实现工科学生培养目标的实践性,综合性教学环节。
它对进一步培养学生的分析问题,创造性的解决问题的能力,全面提高毕业生的素质,使之能较快地适应工程实践的需要起着极重要的作用。
他主要考察了我们四年来对理论知识的掌握程度,以及对专业技术的实际应用技能。
通过毕业设计可以有利的衡量我们独立思考,自行分析,理论应用,以及现场实际操作能力。
通过实习和毕业设计把我们所学的理论知识以及实际动手综合起开,这样不但达到了对实际理论
知识“温故而知新”的目的,而且也达到了有理论到实践,有实践到理论的有机结合,使我的理论“更上一层楼”,是我耐下心来,不急不燥,不断分析和询问,解决了很多遇到的实际问题,通过
这样一次理论与实际结合的检验,使我受益匪浅,给我以后的学习和工作积累了很多经验。
国内电气系统设计发展及应用已经比较成熟,无论是一次系统还是二次系统,有关厂家已经开发出运行可靠、技术先进相关产品。
因此,为满足供电厂厂用电的需要,根据本厂实际情况,对全厂厂用电配电装置进行设计。
本设计共分十一部分,按照供配电设计程序安排章节的顺序,并根据安全、经济、可靠、
灵活的主导思想来设计。
主要内容有:前言、厂用电的概述、厂用电接线、厂用电的负荷计算、厂用电变压器的选择、短路电流的计算、高低压开关柜的选择等。
1、概述
供配电的意义和要求供配电技术,就是研究电力的供应及分配的问题。
电力,是现代工业生产、民用住宅、及企事业单位的主要能源和动力,是现代文明的物质技术基础。
没有电力,就没有国民经济的现代化。
现代社会的信息化和网络化,都是建立在电气化的基础之上的。
因此,电力供应如果突然中断,则将对这些用电部门造成严重的和深远的影响。
故,作好供配电工作,对于保证正常的工作、学习、生活将有十分重要的意义。
1.供配电工作要很好的为用电部门及整个国民经济服务,必须达到以下的基本要求:
1)安全——在电力的供应、分配及使用中,不发生人身事故和设备事故。
2)可靠——应满足电力用户对供电可靠性和连续性的要求。
3)优质——应满足电力用户对电压质量和频率质量的要求。
4)经济——应使供配电系统投资少,运行费用低,并尽可能的节约电能和减少有色金属消耗量。
2. 另外,在供配电工作中,还应合理的处理局部和全局,当前与长远的关系,即要照顾局部和当前利益,又要有全局观点,能照顾大局,适应发展。
设计中的工厂供电的步骤及基本情况
1. 既然工厂供电有如此现实的意义,那么我们在实际设计中应该怎么做呢?一般来讲,工厂供电设计是按照国家对工厂规定的产品纲领,根据工艺,公用所提供的资料进行设计的,一般可分为两个阶段,即:扩大初步设计阶段及施工设计阶段。
扩大初步设计的主要内容有:1)按照工艺,公用设计所提供的资料,计算车间及全厂的计算负荷;
2)根据车间环境及计算负荷数字,选择车间变电所位置及变压器容量,数量;
3)根据负荷等级,全厂计算负荷,选定供电电源,电压等级及供电方式;
4)确定提高功率因数的补偿措施;
5)选择总降压变电所位置,变压器台数及容量;
6)确定总降压变电所接线方案和厂区内高压配电方案;
7)选择高压电气设备及配电网路载流量导体的截面,必要时进行短路条件下的动稳定及热稳定的校验;
8)选择继电保护及供电系统的自动化方式,进行参数的整定计算;
9 )提出变电所和工厂建筑物的防雷措施,接地方式;
2. 工厂分四个车间分别是:冷作车间、机械加工车间、装配车间和仓库。
工厂长
为150m宽70m各个车间长为60m宽为24m四个车间中间设计的是个花坛。
8. 唐志平编,供配电技术(第1版), 9. 刘介才编,实用供配电技术手册(第1版),中国水利水电出版社,2002
10. 陈跃编,电气工程专业毕业设计指南.电力系统分册(第1版),北京,中国水利 水电出版,2003
II. 沈培坤 刘顺喜编,防雷与接地装置(第1版),化学工业出版社,2006 业出 版社,2004
12.苏文成编,工厂供电(第2版),机械工业出版社,2003
寸
负.荷的,计算和补偿
-算 丨;I
各车"间负一荷计
』饷-nr^
IT
血IF
根据工艺设计提供的各厂房的负荷清单 需®需用系,瞰
“
房的及全厂的计算负荷 负荷如表:表(2-1) 机械加工车间:
参考文献
I. 刘介才主编, 苏文成主编, 张学成主编, 张学成主编,
2. 3. 4.
工厂供电设计指导,机械工业出版社1998 工厂供电,机械工业出版社2002 工矿企业供电, 工矿企业供电,
煤炭工业出版社2005 中国矿业大学出版社2001
5. 6. 7. 《工厂配电气设计手册》 《工厂常用电气设备手册》
李树伟主编,矿山供电
电子工业出版社,2005 b.. 13
16+5+5+3
03/iia ■谊伽
弟fl
1%如 0
护
.5 $是三级负荷。
算出各厂
,全厂。