水电建筑工程预算定额(2004年版)(EXCEL版)
- 格式:xls
- 大小:3.46 MB
- 文档页数:36
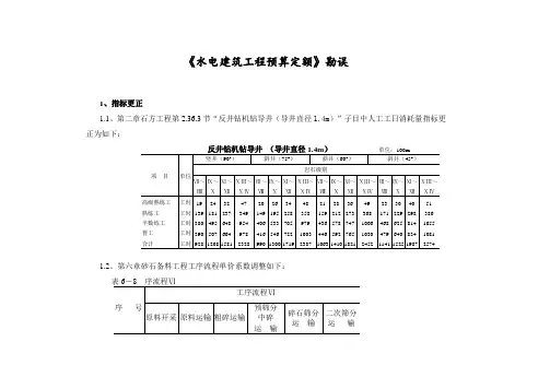
《水电建筑工程预算定额》(2004年版)勘误1、指标更正1.1、第二章石方工程第2.36.3节“反井钻机钻导井(导井直径1.4m)”子目中人工工日消耗量指标更正为如下:1.2、第六章砂石备料工程工序流程单价系数调整如下:1.3、第三章堆砌石工程第3.4节“坝体堆石料开采”子目的定额单位更正为“100m3”自然方。
1.4、第五章锚喷支护工程第5.2.1.1节“钻岩石预应力锚杆、锚索孔(地质钻机钻孔)”的定额单位更正为“100m”。
2、文字说明2.1、第二章章说明九条“各节石方开挖定额均已按施工各部位的不同要求”更正为“地下洞井各节石方开挖定额均已按施工各部位的不同要求”。
2.2、第六章章说明第二条“本章定额的计量单位除注明外均以成品堆方”更正为“本章定额的计量单位除注明外均以成品堆方计”。
2.3、第六章章说明第四-9条“中碎筛分:指将粗碎后的碎石原料进行再次破碎,并经过筛分、冲洗后分级堆放的过程。
”更正为“中碎筛分:指将粗(破)碎后的碎石原料进行再次破碎,并经过筛分、冲洗后分级堆放的过程。
”2.4、第六章章说明第十三-1条“……单价系数按设计的工序流程确定,系数包括下道工序的加工损耗、加工中体积变化、运输损耗和堆存损耗等因素在内。
计算工序单价时除碎石原料开采需考虑爆失损耗和夹泥处理费用外,不需增加任何系数和损耗率。
”修改为“……单价系数按设计的工序流程确定,系数包括下道工序的加工损耗、加工中体积变化、运输损耗和堆存损耗等因素。
计算工序单价时除碎石原料开采工序单价外,不需增加任何系数和损耗率。
碎石原料开采单价计算需考虑无用夹层、夹泥、爆失等废弃料因素,开采定额消耗量应按相应比例调整,并将有关处理工序的费用摊入开采单价中。
”2.5、第六章章说明第十三-2条“单价系数按加工工序流程共分十类。
见表6—3至表6—12。
”修改为“单价系数按加工工序流程共分八类。
见表6—3至表6—10。
”2.6、删除第六章说明第十三-3条“砾石制砂单价=砾石骨料单价×1.175+砾石制砂工序单价(破碎机制砂)”。
湖南省水利水电建筑工程预算定额EXCEL版表I各类水利水电建筑工程预算定额表
项目单位定额
一、淤积河床高程土石方
1、泥沙清理(1)挖泥沙平方米0.40元/m2
(2)运输吨0.50元/t
2、根深土开挖(1)挖淤土平方米3.00元/m2
(2)运输吨0.50元/t
3、泥砂排水平方米0.50元/m2
4、垫基土石方平方米0.30元/m2
5、堤坝挖凿平方米7.00元/m2
6、回采平方米1.40元/m2
二、滑坡堤工程
1、挖淤土平方米3.00元/m2
2、运输吨0.50元/t
3、垫基土石方平方米0.30元/m2
4、管涵冲压平方米5.00元/m2
5、垒砌土石方平方米0.50/m2
6、回采平方米1.40元/m2
三、堰坝工程
1、挖淤土平方米3.00元/m2
2、运输吨0.50元/t
3、垫基土石方平方米0.30元/m2
4、护坡平方米1.00元/m2
5、堰型混凝土平方米6.00元/m2
6、回采平方米1.40元/m2
四、涵洞工程
1、挖淤土平方米3.00元/m2
2、运输吨0.50元/t
3、垫基土石方平方米0.30元/m2
4、施工排水平方米0.50元/m2
5、涵洞砌筑平方米7.00元/m2
6、回采平方米1.40元/m2
五、桥梁工程
1、挖淤土平方米3.00元/m2
2、运输吨0.50元/t
3、垫基土石方平方米0.30元/m2
4、砼桥面层平方米8.00元/m2。
2004年,水电建筑工程预算定额全名(以下简称“2004年水电定额”)发布,这一新的定额标准标志着我国水电建筑工程领域的技术和管理水平迈上了一个新的台阶。
本文将对这一新的定额标准进行全面的介绍和分析,旨在为相关领域的专业人士提供参考和指导。
一、2004年水电定额的背景和意义2004年水电定额的发布,是我国水电建筑工程领域发展的重要里程碑。
在过去的几年中,我国水电建筑工程取得了长足的发展,但由于缺乏统一的规范和标准,导致工程在设计、施工和管理过程中存在诸多问题。
2004年水电定额的发布填补了这一领域的空白,为水电建筑工程领域的规范化和标准化建设奠定了基础。
二、2004年水电定额的主要内容和特点2004年水电定额主要包括工程概况、投资估算、设计依据、主要材料、主要工程量及费用、主要工程量表、定额计算基础、单位工程定额、工程量清单、人工费、材料费等方面的内容。
这些内容充分考虑了水电建筑工程的特点和实际情况,具有很强的实用性和操作性。
而且2004年水电定额在编制过程中,采用了先进的工程测量技术和统计方法,保证了定额的科学性和准确性。
三、2004年水电定额的应用和影响2004年水电定额的发布对水电建筑工程领域的发展产生了深远的影响。
它为水电建筑工程提供了一个统一的计量和计价标准,使得工程实施过程更加规范和透明;它为水电建筑工程的投资估算和预算编制提供了科学依据,有利于合理控制工程成本,提高投资效益;再次,它促进了水电建筑工程领域的技术进步和管理提升,为行业发展注入了新的活力。
四、2004年水电定额的不足和改进方向尽管2004年水电定额在很大程度上促进了水电建筑工程领域的发展,但也存在一些不足之处。
部分定额标准仍然滞后于实际工程需要,需要及时更新和修订;部分定额计算方法和标准存在较大的主观性和不确定性,需要进一步完善和规范;部分定额标准与国际接轨存在一定差距,需要进一步提高国际竞争力。
为了进一步完善2004年水电定额,我们建议从以下几个方面进行改进:一是及时跟踪和吸收国际先进水平,更新和完善定额标准;二是加强与相关领域的交流与合作,共同推动水电建筑工程领域的发展;三是加强对定额标准的宣传与推广,提高行业从业人员的认识和应用水平。
《水电建筑工程预算定额》勘误1、指标更正1.1、第二章石方工程第2.36.3节“反井钻机钻导井(导井直径1.4m)”子目中人工工日消耗量指标更正为如下:1.2、第六章砂石备料工程工序流程单价系数调整如下:注:本表仅用于单独生产人工砂工序单价计算1.3、第三章堆砌石工程第3.4节“坝体堆石料开采”子目的定额单位更正为“100m3”自然方。
1.4、第五章锚喷支护工程第5.2.1.1节“钻岩石预应力锚杆、锚索孔(地质钻机钻孔)”的定额单位更正为“100m”。
2、文字说明2.1、第二章章说明九条“各节石方开挖定额均已按施工各部位的不同要求”更正为“地下洞井各节石方开挖定额均已按施工各部位的不同要求”。
2.2、第六章章说明第二条“本章定额的计量单位除注明外均以成品堆方”更正为“本章定额的计量单位除注明外均以成品堆方计”。
2.3、第六章章说明第四-9条“中碎筛分:指将粗碎后的碎石原料进行再次破碎,并经过筛分、冲洗后分级堆放的过程。
”更正为“中碎筛分:指将粗(破)碎后的碎石原料进行再次破碎,并经过筛分、冲洗后分级堆放的过程。
”2.4、第六章章说明第十三-1条“……单价系数按设计的工序流程确定,系数包括下道工序的加工损耗、加工中体积变化、运输损耗和堆存损耗等因素在内。
计算工序单价时除碎石原料开采需考虑爆失损耗和夹泥处理费用外,不需增加任何系数和损耗率。
”修改为“……单价系数按设计的工序流程确定,系数包括下道工序的加工损耗、加工中体积变化、运输损耗和堆存损耗等因素。
计算工序单价时除碎石原料开采工序单价外,不需增加任何系数和损耗率。
碎石原料开采单价计算需考虑无用夹层、夹泥、爆失等废弃料因素,开采定额消耗量应按相应比例调整,并将有关处理工序的费用摊入开采单价中。
”2.5、第六章章说明第十三-2条“单价系数按加工工序流程共分十类。
见表6—3至表6—12。
”修改为“单价系数按加工工序流程共分八类。
见表6—3至表6—10。
子目节编号项目名称工作内容水电建筑工程预算定额(2004)1土方工程1-1人工挖运土挖松、就地堆放;挖、装、运、卸、空回。
1-2人工挖运砂礓土挖装、运输、卸除、空回。
1-3人工挖运淤泥、流砂挖装、运输、卸除、空回、洗涮工具。
1-4人工打眼松动爆破土方掏眼、装药、填塞、爆破、检查及安全处理。
1-5人工挖土双胶轮车运输挖、装、运、卸、空回。
1-6人工挖土轻轨斗车运输挖土、装车、运输、卸车、空回。
1-7木船运土装船、运输、卸至岸上、空回。
1-8卷扬机牵引双胶轮车运土挂钩、拉运、摘钩、空回、清扫坡道。
1-9卷扬机牵引轻轨斗车运土等装拉、运、卸、空回。
1-10人工挖运及人工打眼松动爆破冻土1-10-1人工挖运及人工打眼松动爆破冻土人工人工开挖:挖撬、打碎、装土、运土、卸除、空1-10-2人工爆破、人工装运冻土人工开挖:挖撬、打碎、装土、运土、卸除、空回。
人工爆破:打眼、装药1-11人工挖柱坑1-11-1人工挖柱坑Ⅰ类土挖土、抛土于坑边。
1-11-2人工挖柱坑Ⅱ类土挖土、抛土于坑边。
1-11-3人工挖柱坑Ⅲ类土挖土、抛土于坑边。
1-11-4人工挖柱坑Ⅳ类土挖土、抛土于坑边。
1-12人工挖沟槽1-12-1人工挖沟槽Ⅰ类土挖土、抛土于槽边、修边。
1-12-2人工挖沟槽Ⅱ类土挖土、抛土于槽边、修边。
1-12-3人工挖沟槽Ⅲ类土挖土、抛土于槽边、修边。
1-12-4人工挖沟槽Ⅳ类土挖土、抛土于槽边、修边。
1-13液压反铲挖掘机挖沟槽机械开挖,人工配合挖保护层、修边、修坡,双1-140.6m³液压反铲挖掘机挖沟槽自卸汽车运土1-14-10.6m³液压反铲挖掘机挖沟槽自卸汽车运土Ⅰ~Ⅱ类土机械挖装汽车运土,人工配合挖保护层、修边、50m以1-14-20.6m³液压反铲挖掘机挖沟槽自卸汽车运土Ⅲ类土机械挖装汽车运土,人工配合挖保护层、修边、50m以1-14-30.6m³液压反铲挖掘机挖沟槽自卸汽车运土Ⅳ类土机械挖装汽车运土,人工配合挖保护层、修边、50m以1-151m³液压反铲挖掘机挖沟槽自卸汽车运土1-15-11m³液压反铲挖掘机挖沟槽自卸汽车运土Ⅰ~Ⅱ类土机械挖装汽车运土,人工配合挖保护层、修边、修坡,双胶轮车运50m以内。
2004水电建筑工程预算定额根据题目要求,我们将按照2004年水电建筑工程预算定额的格式来撰写本文。
1. 前言水电建筑工程预算定额是在工程建设过程中对各项费用进行科学合理估算的重要依据。
2004年的水电建筑工程预算定额是按照国家相关标准和规定制定的,本文将详细阐述该定额的主要内容和要求。
2. 定额分类根据工程项目的具体特点和施工范围,2004年的水电建筑工程预算定额可以分为以下几个大类:- 输电工程预算定额- 水力发电工程预算定额- 电力工程预算定额每个大类下再进行细分,包括不同规模、材料、人工等因素的考虑,以确保预算定额的准确性和科学性。
3. 预算定额编制原则2004年的水电建筑工程预算定额编制遵循以下几个基本原则:- 标准化原则:根据国家相关标准和规定,制定统一的施工工艺和质量标准。
- 系统性原则:将工程项目划分为不同的单位工程,按照统一的指标和方法进行计算。
- 经济性原则:在确保工程质量的前提下,尽量减少成本,提高投资回报率。
- 精确性原则:通过合理的数据收集和计算方法,确保预算定额的准确性和可靠性。
4. 预算定额编制要求在编制2004年水电建筑工程预算定额时,需要满足以下几个要求:- 所有费用要进行科学合理的估算,包括人工费、材料费、设备费等各项费用。
- 预算定额要根据不同的工程项目和施工范围进行分类,确保适用性和针对性。
- 预算定额中的数据要准确可靠,需要建立完善的数据收集和统计体系。
- 预算定额要与实际施工情况相匹配,提供合理的施工方案和工艺要求。
5. 应用与进展2004年的水电建筑工程预算定额在实际工程建设中得到了广泛应用,并逐渐推动了工程造价管理的科学化和规范化发展。
通过对预算定额的不断修订和完善,使得工程项目的预算和估算更加准确和高效。
然而,随着技术的不断进步和市场的不断变化,2004年的水电建筑工程预算定额已逐渐不能满足实际需要。
因此,我们需要根据新的标准和要求,及时对预算定额进行更新和调整,以适应当前社会的发展。
项目编号: 3-3-1项目名称: 覆盖层开挖工作内容:单 价: 19.01 元/m3投标人:葛洲坝集团三峡实业有限公司法定代表人(或委托代理人):2009年3月20日项目编号: 3-4-1项目名称: 石方明挖工作内容:单 价: 53.94 元/m3投标人:葛洲坝集团三峡实业有限公司法定代表人(或委托代理人):2009年3月20日项目编号: 3-4-1项目名称: 石方明挖工作内容:单 价: 53.94 元/m3投标人:葛洲坝集团三峡实业有限公司法定代表人(或委托代理人):2009年3月20日项目编号: 3-8-1项目名称: 砂卵石回填工作内容:单 价: 28.67 元/m3投标人:葛洲坝集团三峡实业有限公司法定代表人(或委托代理人):2009年3月20日项目编号: 3-9-1项目名称: 钢筋制安工作内容:单 价: 6633.19 元/t投标人:葛洲坝集团三峡实业有限公司法定代表人(或委托代理人):2009年3月20日项目编号: 3-9-1项目名称: 钢筋制安工作内容:单 价: 6633.19 元/t投标人:葛洲坝集团三峡实业有限公司法定代表人(或委托代理人):2009年3月20日项目编号: 3-9-2-1项目名称: C20砼防渗墙工作内容:单 价: 2391.91 元/m3投标人:葛洲坝集团三峡实业有限公司法定代表人(或委托代理人):2009年3月20日项目编号: 3-9-2-1项目名称: C20砼防渗墙工作内容:单 价: 2391.91 元/m3投标人:葛洲坝集团三峡实业有限公司法定代表人(或委托代理人):2009年3月20日项目编号: 3-9-2-2项目名称: C20砼储门槽工作内容:单 价: 671.37 元/m3投标人:葛洲坝集团三峡实业有限公司法定代表人(或委托代理人):2009年3月20日项目编号: 3-9-2-2项目名称: C20砼储门槽工作内容:单 价: 671.37 元/m3投标人:葛洲坝集团三峡实业有限公司法定代表人(或委托代理人):2009年3月20日项目编号: 3-9-2-3项目名称: C15砼铺盖工作内容:单 价: 383.11 元/m3投标人:葛洲坝集团三峡实业有限公司法定代表人(或委托代理人):2009年3月20日项目编号: 3-9-2-3项目名称: C15砼铺盖工作内容:单 价: 383.11 元/m3投标人:葛洲坝集团三峡实业有限公司法定代表人(或委托代理人):2009年3月20日项目编号: 3-9-2-4项目名称: C20泄洪闸砼底板工作内容:单 价: 404.01 元/m3投标人:葛洲坝集团三峡实业有限公司法定代表人(或委托代理人):2009年3月20日项目编号: 3-9-2-4项目名称: C20泄洪闸砼底板工作内容:单 价: 404.01 元/m3投标人:葛洲坝集团三峡实业有限公司法定代表人(或委托代理人):2009年3月20日。
2004水电定额中组价一、引言2004年水电定额中的组价是指在水电工程建设中,根据相关规范和标准,对各项工程量进行定额估算,并确定每项工程的造价组成和费用构成。
本文将对2004年水电定额中的组价进行详细介绍,旨在帮助读者更好地了解水电工程的造价计算方法和构成。
二、总体构成水电工程的总体构成包括三个方面,分别是工程直接费、工程间接费和风险费。
1. 工程直接费工程直接费是指与具体施工工序直接相关的费用,包括材料费、施工费、设备费等。
其中,材料费是指工程施工所需的各种材料的费用,施工费是指工人工资、机械使用费等与施工有关的费用,设备费是指工程所需的各种设备的费用。
2. 工程间接费工程间接费是指与工程施工有关但不直接与具体工序相关的费用,包括管理费、监理费、施工机具使用费等。
管理费是指工程管理人员的工资、办公费用等,监理费是指对工程施工过程进行监督和检查的费用。
3. 风险费风险费是指为应对工程建设过程中可能出现的风险而设立的费用,包括工程质量风险、工期风险等。
工程质量风险是指工程建设过程中可能出现的质量问题所造成的费用,工期风险是指工程建设过程中可能出现的工期延误所造成的费用。
三、具体组价根据2004年水电定额,以下是水电工程中一些常见工程项目的具体组价。
1. 混凝土工程混凝土工程主要包括基础、墙体、楼板等部分。
其中,基础工程的组价由基础面积、基础高度、基础类型等因素决定,墙体工程的组价由墙体长度、墙体高度、墙体类型等因素决定,楼板工程的组价由楼板面积、楼板厚度等因素决定。
2. 钢结构工程钢结构工程主要包括钢柱、钢梁、钢框架等部分。
其中,钢柱工程的组价由钢柱数量、钢柱高度、钢柱材料等因素决定,钢梁工程的组价由钢梁数量、钢梁长度、钢梁材料等因素决定,钢框架工程的组价由钢框架面积、钢框架高度、钢框架材料等因素决定。
3. 电气工程电气工程主要包括电缆敷设、电气设备安装等部分。
其中,电缆敷设工程的组价由电缆长度、电缆规格、电缆敷设方式等因素决定,电气设备安装工程的组价由设备数量、设备类型、设备安装方式等因素决定。
子目节编号项目名称工作内容水电建筑工程预算定额(2004)1土方工程1-1人工挖运土挖松、就地堆放;挖、装、运、卸、空回。
1-2人工挖运砂礓土挖装、运输、卸除、空回。
1-3人工挖运淤泥、流砂挖装、运输、卸除、空回、洗涮工具。
1-4人工打眼松动爆破土方掏眼、装药、填塞、爆破、检查及安全处理。
1-5人工挖土双胶轮车运输挖、装、运、卸、空回。
1-6人工挖土轻轨斗车运输挖土、装车、运输、卸车、空回。
1-7木船运土装船、运输、卸至岸上、空回。
1-8卷扬机牵引双胶轮车运土挂钩、拉运、摘钩、空回、清扫坡道。
1-9卷扬机牵引轻轨斗车运土等装拉、运、卸、空回。
1-10人工挖运及人工打眼松动爆破冻土1-10-1人工挖运及人工打眼松动爆破冻土人工人工开挖:挖撬、打碎、装土、运土、卸除、空1-10-2人工爆破、人工装运冻土人工开挖:挖撬、打碎、装土、运土、卸除、空回。
人工爆破:打眼、装药1-11人工挖柱坑1-11-1人工挖柱坑Ⅰ类土挖土、抛土于坑边。
1-11-2人工挖柱坑Ⅱ类土挖土、抛土于坑边。
1-11-3人工挖柱坑Ⅲ类土挖土、抛土于坑边。
1-11-4人工挖柱坑Ⅳ类土挖土、抛土于坑边。
1-12人工挖沟槽1-12-1人工挖沟槽Ⅰ类土挖土、抛土于槽边、修边。
1-12-2人工挖沟槽Ⅱ类土挖土、抛土于槽边、修边。
1-12-3人工挖沟槽Ⅲ类土挖土、抛土于槽边、修边。
1-12-4人工挖沟槽Ⅳ类土挖土、抛土于槽边、修边。
1-13液压反铲挖掘机挖沟槽机械开挖,人工配合挖保护层、修边、修坡,双1-140.6m³液压反铲挖掘机挖沟槽自卸汽车运土1-14-10.6m³液压反铲挖掘机挖沟槽自卸汽车运土Ⅰ~Ⅱ类土机械挖装汽车运土,人工配合挖保护层、修边、50m以1-14-20.6m³液压反铲挖掘机挖沟槽自卸汽车运土Ⅲ类土机械挖装汽车运土,人工配合挖保护层、修边、50m以1-14-30.6m³液压反铲挖掘机挖沟槽自卸汽车运土Ⅳ类土机械挖装汽车运土,人工配合挖保护层、修边、50m以1-151m³液压反铲挖掘机挖沟槽自卸汽车运土1-15-11m³液压反铲挖掘机挖沟槽自卸汽车运土Ⅰ~Ⅱ类土机械挖装汽车运土,人工配合挖保护层、修边、修坡,双胶轮车运50m以内。
使用说明:1、在本贴下载附件(若本贴无附件,是因附件太大超过此处上传文件大小上限无法在本贴上传,因此,请在定额下载总站/s/blog_57d1e84b0100mt64.html下载该定额附件【进入该下载总站后请按该网页操作说明操作】),将下载的附件解压,附件解压后有一个“工程定额电子查阅系统”文件夹。
2、将解压的“工程定额电子查阅系统”文件夹直接放在D盘(不要放在其他文件夹内)。
3、双击D盘“工程定额电子查阅系统”文件夹内的启动文件“工程定额电子查阅系统.exe”进入系统界面。
4、单击“工程定额查阅”按钮,按系统界面指引操作即可查阅定额(请不要直接打开Excel 文件)。
5、本系统在 Windows XP 操作环境下使用,其它操作系统未作测试。
下载后按上述说明进入系统,可引导您实现对定额的海量搜索和查阅。
详见如下介绍:“工程定额电子查阅系统”及建筑、装饰、安装、市政、园林、水电、公路、通信、冶金矿山井巷、城市轨道、抗震加固、人防、地铁工程定额库简介本系统新增功能:选择的定额库加载完成后,若要对当前显示的定额子目作换算,可任意修改“单价”栏或“定额数量”栏窗口的显示值(如工日单价30改为60、工日数量2.3改为3.5等),会立即在项目名称栏显示以修改后的单价或定额数量计算的以上小计(换算)及价差。
本“工程定额电子查阅系统”由工程定额库电子版与工程定额电子查阅程序组成。
目前本系统已含有十八个省或直辖市的建筑、装饰、安装、市政、园林、房屋修缮、市政养护维修、城市环境卫生作业、仿古建筑、抗震加固、人防、地铁工程定额库和水电、公路、通信、冶金矿山井巷、城市轨道专业工程定额库,可实现对定额的海量搜索,对工程造价工作有很大的帮助作用。
“工程定额电子查阅系统”具有强大的搜索功能,特别是能一次性在各省市、各行业全部定额库中搜索所有含查询字的定额,列出搜索结果清单,点取搜索结果清单中的任意条目,可即时查阅所有搜索到的定额;可按查询字在当前定额中搜索子目,也可按定额章节查阅定额。