钻孔灌注桩工程施工过程中质量控制要点Word 文档
- 格式:doc
- 大小:46.50 KB
- 文档页数:11
钻孔灌注桩工程质量控制要点1.施工准备(1)施工范围内的场地应平整,必须处理高空和地下障碍物,周围应保持排水畅通。
沉桩机械所处场地应有足够的承载力,以保证桩架竖直。
(2)定桩基轴线和桩位标志,应从基线开始,量测基线必须与控制平面位置的基线网相联系。
2.明挖地基(1)基坑开挖不得扰动基底土。
如发生超挖,严禁用土回填。
(2)填土经碾压、夯实后不得有翻浆、“弹簧”现场。
(3)填土中不得含有淤泥腐殖土,有机物质不得超过5%。
3.钻孔灌注桩(1)施工准备①钻孔灌注桩施工前,必须试钻孔。
数量不少于两个,以便核对地质资料,检验所选机具设备、施工工艺及技术要求是否适宜。
如测得的孔径、垂直度、孔壁稳定和回淤等现场实测指标不符合设计要求时,应拟定补救技术措施或重新考虑施工工艺。
②护筒顶端高程必须满足孔内水位设置高度的要求。
护筒中心应对准测量标定的桩位中心,应拟定补救技术措施或重新考虑施工工艺。
(2)成孔①钻机安装就位后,底座和顶端应平稳,在钻进过程中不应产生位移和沉陷。
回转钻机顶部的起吊钢索、转盘中心和护筒中心应在同一垂直线上,其偏差不得大于2cm。
②钻孔灌注桩的钻头直径应等于桩的设计直径。
成孔直径必须达到设计桩径,成孔用钻头应有保径装置。
③反循环回转钻机适用于粘性土、砂性土、砂夹卵石层中钻进,但卵石粒径不得超过钻杆内径的2/3,含量不大于30%;钻孔过程中,必须连续不断地补充水量或泥浆,使护筒内水位稳定维持应有的高度。
④成孔施工应一次不间断地完成,不得无故停钻。
因故停钻时,应将钻头提离孔底。
孔内应保持规定的水位,并应采取有效措施,尽快复钻。
⑤严禁施工人员进入没有防护措施的成孔中处理故障。
⑥成孔质量检验除需在施工前按规定进行两个试成孔外,尚应在工程桩中均匀随机抽查成孔径,抽查数量不得少于总数的10%。
(3)清孔①当孔深达到设计标高后,应即进行终孔检查,检查内容包括孔深、孔径和倾斜率,检查验收合格后才能进行清孔工作。
钻孔灌注桩施工质量监理控制要点当前,钻孔灌注桩在水利、公路、铁路桥梁及高层建筑等构筑物基础中得以广泛应用,尤其在深厚软土地区已成为传统的基础桩型。
本文针对钻孔灌注桩施工的隐蔽性及工序的不可逆转性特点介绍了施工准备、施工过程和检测验收三阶段的监理工作控制内容,强调了灌注桩施工的事前、事中、事后控制的要点,以保证钻孔灌注桩的施工质量。
一、事前控制(施工准备控制)在钻孔灌注桩施工开始前,对各项准备工作及影响灌注桩质量的各要素进行控制,是确保钻孔灌注桩施工质量的先决条件。
1、监理工程师首先应熟悉设计资料,包括工程地质、水文资料及施工图纸,充分掌握施工条件和设计意图,并在钻孔灌注桩施工前制定完整的严格的监理实施细则,以指导施工及监理工作的开展。
2、开工申请、开工准备及开工通知通常施工单位在递交《合同项目开工申请表》、监理签发合同项目开工令后,钻孔灌注桩作为一个分部工程,施工单位在钻孔灌注桩施工前还应提交《分部工程开工申请表》。
经监理机构审批通过后签发《分部工程开工通知》后方可进行钻孔灌注桩施工。
监理机构在收到施工单位报送的《钻孔灌注桩分部工程开工申请表》后,应着重施工单位的施工准备情况进行审查,主要内容有:⑴技术交底情况。
包括施工图纸签发、批阅手续情况,技术规范标准齐全,施工技术方案审批情况,施工技术交底记录完备等。
⑵主要机械设备到位情况。
主要是钻机、导管、护筒制作、吊装设备和混凝土拌和系统到位情况。
⑶施工安全和质量保证措施落实情况。
检查相关制度是否完善、培训和交底记录是否齐全、现场措施是否落实到位。
⑷材料、构配件质量及检验情况。
钢筋、水泥、砂石骨料等进场材料自检合格。
⑸现场施工人员安排情况。
人员应满足施工需要。
⑹水、电等必须的辅助生产设施准备情况。
⑺场地平整、交通、泥浆池、沉淀池、排浆沟、临时设施等准备情况。
⑻测量及试验情况检查。
测量监理工程师负责复核施工单位报送的桩位测量资料,包括平面、高程桩及护桩;复核应从路线或桥位控制桩开始;导管检查(试拼及密闭性试验);泥浆配置及性能(相对密度、稠度)测定;混凝土配合比试验报告审定等。
钻孔灌注桩质量控制要点及常见质量通病及预防措施一.钻孔灌注桩成孔质量控制要点:1.钻孔桩施工前应探明和清除桩位处的地下障碍物。
2.为保证桩体不侵入基坑平面,考虑施工误差及桩身变形量,桩位外放10cm。
3.桩位允许偏差为:顺轴线方向±100mm,垂直轴线方向+50mm,每根灌注桩钻孔前应利用提前埋设的护桩复核桩位。
围护桩垂直度控制在3‰以内。
4.成孔深度必须符合设计要求,其允许偏差为+100mm。
5.钻孔桩原材料和混凝土强度必须符合设计要求,每桩制作不少于1组混凝土抗压试件。
6.浇筑水下混凝土前应清底,保证桩底沉渣允许厚度不大于100mm。
7.成孔过程中泥浆比重应能保证不塌孔,清孔后泥浆比重控制在1.15~1.25。
灌后桩顶应高于冠梁底面20~30cm。
(考虑破除桩顶不良混凝土长度20~30cm)。
8.钻进过程中应经常检查钻头直径、磨损程度及钻杆垂直度。
9.围护桩混凝土浇筑采用的导管直径宜为200~250mm,导管使用前应严格清理干净,并进行导管密闭性及通球试验,导管底端距孔底应保持300~500mm。
10.封底混凝土浇筑后导管埋深应不低于1m,根据估算封底混凝土需要3方,混凝土浇筑过程中保持导管埋深2~3m,围护桩混凝土应该具有良好的和易性,配合比应通过实验确定,粗骨料宜采用粒径不大于40mm的卵石或碎石,混凝土塌落度宜控制在160mm~210mm。
11.在拔出最后一节长导管时速度要慢,避免孔内上部泥浆压入桩中。
钢护筒在灌注结束、砼初凝前拔出,起吊护筒时要保持其垂直性。
当桩顶标高很低时砼灌不到地面,砼初凝后回填钻孔。
12.混凝土浇筑应连续,整桩浇筑应在封底混凝土初凝前完成,以保证钢筋笼不上浮。
13.桩身混凝土灌注完成后48小时内应避免重载车辆从桩附近经过,以保护成桩质量。
14.混凝土设计强度等级为C35,混凝土充盈系数不得小于1.1,不宜大于1.15。
15.现场用于质量控制的测量设备要准备要,测绳、泥浆比重计、塌落度筒灯。
钻孔灌注桩施工质量控制要点钻孔灌注桩是一种常用的地基处理方法,广泛应用于建筑工程中。
在施工过程中,合理的质量控制对于保证工程的安全和稳定起着关键作用。
本文将探讨钻孔灌注桩施工质量控制的要点,包括钻孔施工、灌注浆料和桩身质量的控制。
1. 钻孔施工质量控制要点:1.1 钻孔直径和深度的控制:根据设计要求,合理控制钻孔的直径和深度是确保施工质量的关键。
施工人员应根据现场地质条件,合理选择钻孔直径和深度,并确保钻孔的垂直度和平整度。
1.2 钻孔清洁度控制:在进行灌注桩施工之前,必须保证钻孔的清洁度。
施工人员应采取适当的清洁措施,如使用清洗管道和高压水洗等,确保钻孔内无杂物和水分。
2. 灌注浆料质量控制要点:2.1 浆料组成控制:灌注浆料的组成直接影响到灌注桩的质量。
施工人员应严格按照设计要求调配浆料的配比,确保浆料的粘度、强度和流动性等性能指标符合要求。
2.2 浆料的完整性和稳定性控制:施工人员应对灌注浆料的完整性和稳定性进行严格控制。
在搅拌和输送过程中,应避免浆料中出现明显的分层和沉淀现象。
3. 桩身质量控制要点:3.1 随桩检测控制:在灌注桩施工过程中,应进行随桩检测,及时掌握桩身的质量信息。
常用的随桩检测方法包括超声波检测、钢筋探伤和桩身体积测量等。
3.2 力学性能控制:施工人员应对灌注桩的力学性能进行严格控制。
包括桩身的抗压强度、抗剪强度以及抗折等力学性能指标。
3.3 焊接质量控制:对于采用钢筋加固的钻孔灌注桩,施工人员应对焊接质量进行控制。
包括焊接接头的质量、焊缝的牢固性和焊接尺寸的准确性等。
总结:钻孔灌注桩施工质量控制是保障工程质量的重要环节。
通过合理控制钻孔施工质量,严格控制灌注浆料质量,以及确保桩身质量的控制要点,可以有效提高钻孔灌注桩的施工质量,从而保证工程的安全和稳定。
施工人员应在实际施工中严格按照设计要求进行操作,并及时随桩检测和检验,以确保施工质量的合理控制和提高。
文件编号:GD/FS-4444(操作规程范本系列)钻孔灌注桩质量控制要点详细版The Daily Operation Mode, It Includes All The Implementation Items, And Acts To Regulate Individual Actions, Regulate Or Limit All Their Behaviors, And Finally Simplify ManagementProcess.编辑:_________________单位:_________________日期:_________________钻孔灌注桩质量控制要点详细版提示语:本操作规程文件适合使用于日常的规则或运作模式中,包含所有的执行事项,并作用于规范个体行动,规范或限制其所有行为,最终实现简化管理过程,提高管理效率。
,文档所展示内容即为所得,可在下载完成后直接进行编辑。
1 质量控制依据和质量控制目标1.1 质量控制依据钻孔灌注桩施工质量控制依据下列文件进行:①合同文件;②设计图纸及技术要求;③工业与民用建筑灌注桩基础设计与施工规程;④建筑桩基技术规范(JGJ94-94);⑤建筑地基基础设计规范(GBJ7-89和GB50007-2002)。
当某一技术指标在上述各文件中相互不一致时,要确定一种作为工程的执行标准,一般来说,应优先考虑合同文件的规定。
1.2 质量控制目标钻孔灌注桩施工质量控制必须达到以下几个目标:①成桩过程各项指标,包括桩位、桩长、桩径、孔底沉渣、终孔垂直度及成桩材料质量等能满足设计要求;②预留混凝土试块强度满足规范要求;③桩身完整、匀质,连续性好,无夹泥、断桩等缺陷;④桩极限承载力满足规范规定的验收指标。
2 施工工艺流程和施工准备2.1 施工工艺流程钻孔灌注桩由于使用钻孔设备不同施工工艺流程也不一样,现以冲击钻或循环钻机成孔为例来展开讨论。
其主要施工工艺流程为:平整场地→测定孔位→埋设护筒→钻机就位→钻进成孔→提钻→第一次清孔→检孔→制作钢筋笼→吊放钢筋笼→下导管→第二次清孔→水下混凝土灌注→起拔导管→成桩。
钻孔灌注桩质量控制要点范本1. 设备和工具的选择- 使用符合规范要求的钻机、钻头、钢筋和混凝土搅拌设备。
- 确保钻机具有足够的功率和稳定性,能够满足孔径和孔深的要求。
- 钻头应具有良好的刚性和耐磨性,能够迅速而有效地进行钻孔作业。
- 搅拌设备应具备良好的混合效果,确保混凝土的均匀性和流动性。
2. 钻孔作业的控制- 严格按照设计要求进行孔径和孔深的控制,在施工过程中不得超出允许的偏差范围。
- 对于较深的孔深,应采取适当的分层钻孔和停顿时间,避免桩内土体的液化和塌方现象。
- 定期检查和清理钻孔中的杂物和土层,保证钻桩施工的顺利进行。
3. 钢筋的布设和连接- 钢筋的数量、直径和间距应按照设计要求进行布置,确保钻孔灌注桩的承载力和稳定性。
- 钢筋与钻孔壁面之间应保持足够的间距,以确保混凝土能够完全覆盖和包裹钢筋。
- 钢筋的连接应采用可靠的方式,如焊接或机械连接,确保钢筋之间的连接强度和稳定性。
4. 混凝土配合比的控制- 根据设计要求和施工条件,合理确定混凝土的水灰比和骨料粒径分布。
- 在施工过程中,严格按照混凝土配合比进行原材料的配制和混合,确保混凝土的强度、流动性和耐久性。
- 对于大体积的钻孔灌注桩,应采取适当的施工工艺和养护措施,避免混凝土的温度和应力差引起的开裂和变形。
5. 灌注和振捣作业的控制- 在灌注过程中,应保持混凝土的均匀性和流动性,避免出现浆体分层或堵塞的情况。
- 振捣的力度和频率应根据混凝土的流动性和浇注高度进行合理调整,确保混凝土能够充分密实和排出气泡。
- 灌注完成后,应及时对灌注体进行测量和检查,确保孔内混凝土的质量和均匀性。
6. 温度和湿度控制- 在施工过程中,应合理控制环境温度和湿度,避免混凝土的过早干燥或过度保养。
- 对于大体积的钻孔灌注桩,应采取适当的养护措施,如覆盖保温材料或喷水降温,保持混凝土的湿润和温度稳定。
7. 质量检测和记录- 定期对钻孔灌注桩进行质量检测,包括混凝土强度、材料试验和钢筋的质量检查等。
钻孔灌注桩施工质量控制要点1、钻孔灌桩桩施工有两大特点:一是施工工序多且工艺较为复杂,施工过程的控制受人为因素影响较大;二是施工过程隐蔽性较强,待全部施工完成后,如发现存在较大的质量问题,很难作返工处理,故应抓好每道工序的质量控制、检测、验收工作。
2、护筒长度应适应地层的情况且应保证孔口不塌为限,一般为2-4m,深水或软基地层应增加护筒长度;护筒的顶标高应高出地面30cm或水面1.0~2.0m,应高出承压水头2.0m 以上;护筒中心位置偏差应控制在5cm以内,应严格复核护筒顶标高,施工中一般以护筒顶标高作为测量孔深及孔底标高的基准。
水中桩或深水桩施工,搭建施工平台要稳固,有航道地段要设护围桩,确保施工安全。
3、对已经完全就位且对中的钻机进行严格检查,要求钻杆顶吊钩、卡盘中心、钻尖与桩位中心四点成一线;检查、记录钻头高度、直径或冲击钻锤直径;检查钻架有无倾斜、位移,护筒有无位移;4、随时记录钻孔深度的地层变化情况,尤其要检查核实各层界面的标高,以便与图纸地质剖面图相核对。
桥梁工程师必须熟悉桩基所在场地地质分布情况,特别是岩层的分布,以判断嵌岩桩的入岩深度,入岩深度必须达到设计要求;钻进过程中,控制泥浆比重、水头高度和钻进速度,防止塌孔现像,并应有详细记录。
5、钻孔到设计标高清孔完毕后,检查孔深、孔径、孔位偏差、孔倾斜度、泥浆指标(一般包括比重、含砂率、粘度)、沉淀层厚度等,所有检测项均应符合桥质量标准及设计要求。
6、岩溶地质桩长50m以内的优先考虑采用冲击钻机成孔,50m以上桩长为了保证桩的垂直度应考虑大扭距回旋钻,溶洞埋置比较深且串洞较多的孔位钻进过程中要考虑长护筒跟进。
钻至离溶洞顶部1米左右时,准备足够的小片石(直径10~20cm)和粘土,粘土要做成泥球(15~20cm大小),对于半充填和无充填物的溶洞要组织足够的水源。
同时提高冲程,逐渐将洞顶击穿,防止卡钻。
对于空溶洞或半充填的溶洞,在击穿洞顶之前,要有专人密切注意护筒内泥浆面的变化,一旦泥浆面下降,应迅速补水,根据溶洞的大小按1:1的比例回填粘土和片石(掺入部分水泥)冲挤压密实,只有当泥浆漏失现象全部消失后才转入正常钻进。
钻孔灌注桩施工管理和质量控制范本1. 引言本文以钻孔灌注桩的施工管理和质量控制为主题,旨在提供一套完整的范本,以供相关工程的施工管理人员参考和应用。
钻孔灌注桩是一种常用的地基处理和加固措施,其施工质量直接关系到工程的安全性和稳定性。
2. 施工前准备2.1 设计文件根据设计要求,准备施工图纸、技术规范、设计说明等文件,明确施工方案和要求。
2.2 资料准备收集和整理有关材料的资料,包括桩材、混凝土、钢筋等的品质证明和试验报告。
2.3 机械设备核实和检查使用的机械设备的完整性和性能,确保其满足施工需求。
2.4 施工人员和班组确定施工人员和班组,并对其进行培训和指导,确保其具备相关技能和经验。
3. 施工过程管理3.1 现场布置根据设计要求合理布置施工场地,包括临时设施搭建、施工区划和安全区域划定等。
3.2 钻孔施工按照设计要求和施工方案进行钻孔施工,包括钻孔位置标定、孔径和孔深控制、钻孔机械设备的操作规范等。
3.3 灌注施工在钻孔中逐段灌注混凝土,控制灌注速度和压力,确保混凝土的均匀性和密实度。
3.4 桩顶处理处理灌注桩的顶部,包括刷油、灌浆、预留锚杆孔等工序,确保桩顶的平整度和连接性。
4. 施工质量控制4.1 材料检验对桩材、混凝土、钢筋等材料进行抽样检验,检测其物理性能和化学成分,确保符合设计要求。
4.2 管理记录建立施工管理日志和记录表,记录施工过程中的关键参数和操作过程,便于后期审查和分析。
4.3 检测监测对施工现场进行监测和检测,包括孔径和孔深的检测、灌注过程中的压力和流量的监测等,及时掌握施工质量和进度。
4.4 施工验收对钻孔灌注桩的施工质量进行验收,包括外观检查、尺寸测量、特殊检测和试验等,确保其符合设计要求和技术规范。
5. 结论钻孔灌注桩的施工管理和质量控制是确保工程安全和质量的重要环节,本文提供了一套完整的范本,供相关工程的施工管理人员参考和应用。
希望能够帮助施工人员提高施工质量和效率,确保工程的顺利进行。
钻孔灌注桩的施工技术和质量控制范本钻孔灌注桩是一种常见的基础工程施工技术,其施工过程中需要注意质量控制,以确保施工质量。
下面是钻孔灌注桩的施工技术和质量控制的范本:一、施工技术1. 桩位标定:根据设计要求,在地面上确定桩的布设位置,并进行标定。
2. 桩孔开掘:使用石材钻和清洗设备进行开孔,确保孔径与设计要求一致。
3. 桩孔清洗:使用清洗机械或其他工具,将桩孔内的泥土、杂物等清理干净,确保桩孔内部干净无杂质。
4. 钢筋安装:根据设计要求,将钢筋材料按照形状和数量安装到桩孔内。
5. 灌注混凝土:将搅拌好的混凝土均匀地灌注到桩孔内,确保灌注过程中混凝土的均质性和完整性。
6. 振捣:使用振捣器对灌注的混凝土进行振动,确保混凝土充分密实,排除空隙和气泡。
7. 支护结构:根据设计要求,在桩顶安装支护结构,确保桩在施工过程中不发生倾覆或坍塌。
8. 桩顶平整:根据设计要求,修整桩顶表面,保证桩顶的平整度和水平度。
9. 桩头处理:根据需要,对桩头进行处理,例如安装钢板、预埋件等。
二、质量控制1. 桩孔开掘质量控制:- 桩孔开掘完毕后,应进行检查,确保孔径大小符合设计要求。
- 检查桩孔内是否有杂物、泥土等,必要时可进行清洗。
- 使用合适的设备和工具进行开孔,确保孔壁垂直度和孔径误差控制在设计要求范围内。
2. 钢筋安装质量控制:- 确认钢筋的材质、规格和数量是否符合设计要求。
- 采用固定机械、支撑架等装置,保证钢筋的垂直度和位置准确。
- 确保钢筋之间的间距和位置准确,避免相互交叉或者贴合不紧密。
3. 混凝土灌注质量控制:- 确保搅拌好的混凝土质量优良,符合设计要求。
- 确保混凝土灌注过程中的流动性,避免发生堵塞或渗漏现象。
- 注入混凝土的速度应适中,避免过快或过慢引起质量问题。
4. 振捣质量控制:- 确保振捣设备的震动频率和震动力度符合设计要求。
- 确保振捣器的插入深度合适,并对混凝土进行充分振捣。
- 对于大直径桩、深孔灌注桩等特殊桩体,采用多次振捣的方式,确保混凝土的密实性。
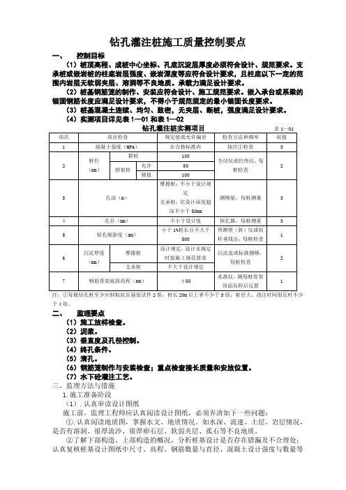
钻孔灌注桩施工质量控制要点一、控制目标(1)桩顶高程、成桩中心坐标、孔底沉淀层厚度必须符合设计、规范要求。
支承桩或嵌岩桩的柱底岩层强度、嵌岩深度等应符合设计要求,且柱底以下一定的范围内岩层无软弱夹层、溶洞等不良地质。
承载力满足设计要求。
(2)桩基钢筋笼的制作、安装应符合设计、施工规范要求。
嵌入承台或系梁的锚固钢筋长度应满足设计要求,不得小于规范规定的最小锚固长度要求。
(3)桩基混凝土连续、均匀、致密,无夹层、断桩,强度满足设计要求。
(4)实测项目详见表1—01和表1—02注:①每根钻孔桩至少应制取抗压强度试件2组,桩长20m以上者不少于3组;桩径大、浇注时间很长时不少于4组。
二、监理要点(1)施工放样检查。
(2)泥浆。
(3)垂直度及孔径控制。
(4)终孔条件。
(5)清孔。
(6)钢筋笼制作与安装检查;重点检查接长质量和安放位置。
(7)水下砼灌注工艺。
三、监理方法与措施1.施工准备阶段(1).认真审读设计图纸施工前,监理工程师应认真阅读设计图纸,必须弄清如下一些问题:①.认真阅读地质图,掌握水文、地质情况。
如水深、流速、土层、岩层情况,是否有溶洞、很厚流沙、很厚卵石层、软弱夹层、孤石等不良地质。
②了解下部构造、上部构造的概况,分析桩基设计是否存在错漏及不合理处;认真复核桩基设计图纸中尺寸、高程、钢筋数量与直径、混凝土设计强度与数量等是否存在错漏之处。
若有,应书面上报业主和设计单位,以提前消除质量隐患。
(2).审批开工报告施工前,必须要求承包人提交分项或分部工程开工报告,监理工程师应认真审查、批复。
审查内容主要包括:①.仔细分析承包人开工报告内的施工工艺方案,特别是成孔方法、成孔机械、水上钻桩施工平台设计方案、溶洞处理方案、清孔工艺、终孔、灌注混凝土方案等是否能适应实际地质水文等情况,是否既能保证桩基质量,又经济,还能节省工期。
②.审查其施工进度安排是否符合总体进度计划要求,施工现场平面布置图是否合理、适用。
钻孔灌注桩工程施工过程中质量控制要点⒈桩孔施工(制孔)①桩位复测验收:轴线与桩位的测量定位必须由专职测量人员测量,平面检查。
桩位允许偏差:直桩,近岸无掩护水域不大于50mm。
②护筒埋设:应准确、稳定。
护筒中心的偏差不得大于5cm,护筒内径应大于钻头直径10cm。
泥浆:泥浆护壁对泥浆性能的指标要严格控制,必须符合规范要求。
清孔过程中应不断置换泥浆,直至浇注混凝土。
浇注混凝土前,泥浆比重应控制在1.15~1.20,废弃的泥浆、渣应按环保的有关规定处理。
③钻机就位必须进行开孔前验收:钻机转盘中心与用于定位的“+”字线点基本重合,误差不得超过5cm,并检查钻机水平,主动钻杆、立轴导管垂直,整体机架周正稳固。
同时要测定机台高度,验测钻具长度,及时记录填表。
④在成孔过程中钻机偏斜,整体塔架晃动,应随时责令施工方矫正垂直度偏差小于1%。
⑤桩径:成孔孔径不得小于设计桩径,要经常检查被磨损的钻头外出刃的大小,防止缩颈。
成桩后的有效桩径不得超差±5cm。
钻头合金遭到破坏应及时更换、修复。
⑥混凝土灌注前监理人员须亲自测定孔底沉渣和泥浆比重。
测定沉渣必须在循环液处于静止状态,在停泵10分钟后进行,否则测量数据无效。
重锤检测时,手感要好,测绳测定计算时孔深要加钻头锥体投影2/3高度,沉渣厚度不得大于10cm。
⑦各施工参数,桩直径、有效桩长、入岩深度(长度)、桩顶标高、混凝土强度等级等严格按设计要求进行质量控制。
端承桩终孔深度以桩端进入持力层的深度及设计桩长双控,摩擦桩终孔深度以设计桩长为主。
2.钢筋笼制作①进场钢筋必须具备质保书或出厂合格证,规格与设计相符并见证取样送检合格方可使用。
焊接长度单面焊为10倍d,双面焊为5倍d,焊点错开距离>35d。
同一截面上焊点不超过50%,钢筋笼规格与设计相符,允许误差为(a)主筋间距:±10mm。
(b)长度:±100mm。
(c)箍筋间距:±20mm。
钻孔灌注桩质量控制要点【一】钻孔灌注桩质量控制要点一、引言钻孔灌注桩是一种常用的地基处理方法,其质量对工程的安全和稳定性起着重要作用。
本文旨在介绍钻孔灌注桩质量控制的要点,工程师和施工人员进行有效的质量管理。
二、设计要求钻孔灌注桩的设计应满足相关技术规范和设计要求,包括孔径、孔深、桩径、桩长、钢筋直径和布置、灌注浆料配方等。
三、质量控制点3.1 钻孔施工前质量控制1) 钻孔位置和定位的准确性;2) 钻孔机械设备的选择和使用;3) 钻孔的方向、直径和深度是否满足设计要求;4) 钻孔孔壁的稳定性和钻孔液的使用。
3.2 钢筋和钢筋笼的质量控制1) 钢筋的材质、直径和强度符合设计要求;2) 钢筋笼的制作和安装符合规范;3) 钢筋笼的悬空长度和纵向连接满足要求。
3.3 灌注浆料的质量控制1) 浆料的材料和配制符合设计要求;2) 浆料的稠度和流动性满足施工要求;3) 浆料的出料速度和稳定性控制。
3.4 桩身质量控制1) 灌注过程中对桩身的质量监控;2) 桩身的灌注进度控制;3) 桩身的灌注密实性和无间隙性检验。
四、质量验收要求4.1 钻孔灌注桩的质量验收应满足设计要求和规范要求。
五、施工记录和报告【二】钻孔灌注桩质量控制要点一、引言钻孔灌注桩是一种常用的地基处理方法,其质量直接关系到工程的安全和稳定性。
本文将着重介绍钻孔灌注桩质量控制的要点,工程师和施工人员进行有效的质量管理。
二、设计与施工要求钻孔灌注桩的设计要求包括孔径、孔深、桩径、桩长、钢筋直径和布置以及灌注浆料配方等。
施工过程中要确保按照设计要求进行施工,并及时调整和纠正。
三、质量控制点3.1 钻孔施工前质量控制在钻孔施工前,应确保钻孔位置和定位准确,钻孔机械设备选择合理,钻孔方向、直径和深度符合设计要求,同时要关注钻孔孔壁的稳定性和钻孔液的使用情况。
3.2 钢筋和钢筋笼的质量控制钢筋的材质、直径和强度应符合设计要求,钢筋笼的制作和安装应符合规范,并注意悬空长度和纵向连接的要求。
钻孔灌注桩施工质量控制措施范本一:一、引言钻孔灌注桩是一种常见的地下工程基础施工方法,用于增加地基的承载能力和稳定性。
为了保证钻孔灌注桩施工质量,必须采取一系列的控制措施。
本文档详细介绍了钻孔灌注桩施工质量控制措施的具体内容。
二、施工前准备1.设计审查:对设计文件进行细致审查,确保施工过程中符合设计要求。
2.现场勘察:对施工地点进行全面勘察,了解地质情况及周围环境,为后续施工提供依据。
3.施工方案编制:制定施工方案,明确施工步骤及要求。
三、施工过程质量控制1.钻孔施工1.1 钻孔设备检查:对钻孔设备进行检查,确保设备完好无损。
1.2 钻孔机操作规范:操作人员必须经过专业培训,熟悉钻孔机的使用方法,并按照操作规范进行作业。
1.3 钻孔记录:记录钻孔深度、直径及钻孔进度等相关数据,确保施工质量可控。
2.清孔及灌注材料准备2.1 清孔作业:清理钻孔中的泥浆、碎石等杂质,保证孔壁洁净。
2.2 灌注材料准备:按照设计要求准备好灌注材料,确保材料质量合格。
3.灌注施工3.1 配置灌注设备:检查灌注设备的完好程度,确保设备正常工作。
3.2 灌注过程控制:严格控制灌注速度和施工压力,避免产生空隙或过度挤压。
3.3 灌注记录:记录灌注过程中的关键参数,如灌注深度、压力等,进行质量控制。
四、施工后质量控制1.灌注桩检测:对灌注完成的桩体进行检测,包括桩身的垂直度、强度等指标。
2.质量验收:对施工过程进行全面验收,确保符合设计要求。
附件:本文档涉及的附件包括:设计文件、施工方案、施工记录等。
法律名词及注释:1.钻孔灌注桩:一种地下工程基础施工方法,通过钻孔灌注混凝土形成桩体,用于增加地基的承载能力和稳定性。
2.质量验收:工程施工结束后进行的一系列检查和评估活动,以判断施工质量是否符合规范和要求。
范本二:一、引言钻孔灌注桩是一种常见的地下工程基础施工方法,用于增加地基的承载能力和稳定性。
为了保证钻孔灌注桩施工质量,必须采取一系列的控制措施。
引言:钻孔灌注桩作为一种常用的地基处理方式,对于工程的稳定性和安全性具有重要的作用。
为了确保钻孔灌注桩的质量,进行有效的质量控制是至关重要的。
本文将从五个方面详细阐述钻孔灌注桩质量控制的要点,包括桩身质量控制、注浆材料质量控制、桩基质量控制、钻孔桩施工过程质量控制以及质量验收要点。
正文:一、桩身质量控制:1.钻孔灌注桩的直径和长度应满足设计要求,应根据土层情况和工程要求进行钻孔灌注桩的设计。
2.钻孔孔径的控制应严格按照设计要求进行,控制在设计直径范围内,避免钻孔过大或过小。
3.钻孔灌注桩的长度应符合设计要求,并且进行必要的测量和控制。
4.检查桩身的直线度和偏差,避免桩身的弯曲和偏移。
5.桩身的钻孔质量应通过必要的检测方法进行控制,确保钻孔的垂直度和平直度。
二、注浆材料质量控制:1.检查注浆材料的供应合格证明和相关质量检测报告,确保注浆材料的质量符合要求。
2.根据设计要求选择合适的注浆材料,包括水泥、砂浆或其他添加剂。
3.对注浆材料进行必要的试验,包括坍落度试验、强度试验等,确保注浆材料的质量稳定。
4.控制注浆材料的用量和注浆速度,避免过量或不足导致灌注桩质量问题。
5.注浆过程中应注意注浆的均匀性和充实度,防止产生空洞或不均匀灌注的问题。
三、桩基质量控制:1.检查桩基的土层情况和承载能力,确保桩基的稳定性和安全性。
2.对桩基进行必要的地质勘察和土壤试验,了解土层特点和承载能力。
3.控制桩基的开挖深度和直径,避免过度开挖或不足开挖导致桩基不稳定。
4.定期检查桩基的沉降和变形情况,及时采取必要的补充措施。
5.对桩基进行必要的检测和试验,包括静载试验、动力触探等,验证桩基的承载能力。
四、钻孔灌注桩施工过程质量控制:1.对施工人员进行必要的培训和技能考核,确保施工人员的素质和能力。
2.按照施工方案进行施工,确保施工过程的顺利进行。
3.控制施工设备的质量和使用情况,确保施工设备的正常运行。
4.对施工现场进行必要的整理和清理,防止施工现场的淤泥、垃圾等对桩身质量造成影响。
钻孔灌注桩施工过程中质量控制要点第一部分钻孔灌注桩施工流程概述 (2)第二部分施工前的准备工作要点 (6)第三部分钻孔过程中的质量控制 (9)第四部分桩身混凝土浇筑质量控制 (12)第五部分桩位偏差与垂直度控制 (15)第六部分成桩后的检测与验收标准 (18)第七部分常见问题及预防措施 (22)第八部分质量控制的持续改进策略 (26)第一部分钻孔灌注桩施工流程概述钻孔灌注桩是一种常见的土木工程基础施工方法,广泛应用于建筑物、桥梁和隧道等基础设施的建设中。
钻孔灌注桩是通过在地基上钻孔,在孔内放置钢筋笼,并向孔内注入混凝土或水泥浆液,最终形成的一种深基础形式。
本文将对钻孔灌注桩施工流程进行概述,探讨其质量控制要点。
一、钻孔灌注桩施工流程1.施工准备在开始钻孔灌注桩施工前,需要对施工现场进行全面的地质勘查和测量工作,以确定钻孔位置和深度,以及地下水位等参数。
同时,还需要制定详细的施工方案和质量控制措施。
2.钻孔根据设计要求,采用合适的钻机进行钻孔作业。
钻孔过程中需要注意控制钻进速度、钻头磨损程度等因素,以保证钻孔质量和钻孔深度的准确性。
3.清孔钻孔完成后,需要对钻孔内部进行清孔处理,以去除钻孔壁上的泥土、砂石等杂质。
清孔过程中的水质、清孔时间和次数等因素需要严格控制,以保证清孔效果。
4.钢筋笼制作与下放在清孔完成后,需要根据设计要求制作钢筋笼,并将其准确地下放到钻孔内。
钢筋笼的制作质量和下放精度直接关系到钻孔灌注桩的承载能力。
5.灌注混凝土或水泥浆液钢筋笼下放完毕后,需要向钻孔内灌注混凝土或水泥浆液。
灌注过程中需要注意控制灌注速度、混凝土坍落度等因素,以保证灌注质量和灌注量的准确性。
6.桩顶处理灌注完成后的钻孔灌注桩需要进行桩顶处理,包括桩顶混凝土面的高度控制、桩顶截面尺寸的检查等。
桩顶处理的质量直接影响到钻孔灌注桩的整体稳定性和承载能力。
二、质量控制要点1.地质勘查与测量地质勘查与测量是钻孔灌注桩施工的前提条件。
钻孔灌注桩施工质量控制技术范本一、引言随着城市建设的快速发展,地下空间的利用也越来越广泛,钻孔灌注桩作为一种常用的深基坑支护结构,具有承载力强、施工周期短等优点,被广泛应用于土木工程领域。
本文旨在介绍钻孔灌注桩施工质量控制的技术范本,通过合理的施工方案、严格的施工操作和细致的质量控制,确保钻孔灌注桩的施工质量。
二、施工前准备1. 工程勘测:根据设计要求,进行钻孔位置的布置和勘测,确认孔径和桩长等参数。
2. 设备准备:提前准备好所需的钻机、泥浆搅拌设备和灌浆设备,并进行检查和试运行,确保设备正常运行。
3. 环境准备:确保施工现场的平整度和通风条件良好,清除障碍物和不良环境。
三、施工方案制定1. 钻孔方案:根据设计要求和现场情况,制定合理的钻孔方案,包括孔径、孔深、孔距等参数,并制定相应的施工步骤。
2. 灌浆方案:根据钻孔灌注桩的使用要求,选择合适的灌浆材料,确定灌浆的时间和方式,并制定相应的施工步骤。
四、施工操作控制1. 钻孔操作控制:a. 确保钻机的稳定性和安全性,调整钻机的转速和钻进速度,避免过快或过慢的钻进速度。
b. 定期检查钻头和钻杆的磨损情况,及时更换。
c. 对于地质情况复杂的区域,可以进行孔壁支护或套管灌注,确保孔壁的稳定性。
2. 灌浆操作控制:a. 搅拌灌浆材料时,严格按照配比要求进行投料,确保灌浆材料的均匀性和稳定性。
b. 灌浆时需注意灌浆的速度和压力,避免灌浆过快或过慢,确保灌浆的完全充填和密实性。
c. 灌浆过程中需对灌浆管进行视觉检查,确保灌浆管没有堵塞或漏浆等情况。
五、施工质量控制1. 钻孔质量检查:a. 对每个钻孔进行钻孔质量检查,包括孔径、孔深、孔侧坚硬程度和孔底承载层情况等。
b. 对钻孔的位置偏差进行测量和记录,确保钻孔位置的准确性。
2. 灌浆质量检查:a. 对灌浆材料的配比比例进行抽样检验,确保灌浆材料的质量。
b. 对灌浆后的桩身进行取样检验,检测桩身的密实性、均匀性和承载力等指标。
一、钻孔灌注桩工程施工过程中质量控制要点㈠钻孔灌注桩(工程桩、抗拔桩、支护桩、立柱桩<下段>)施工过程中质量控制要点⒈桩孔施工(制孔)①桩位复测验收:轴线与桩位的测量定位必须由专职测量人员测量,平面检查。
桩位允许偏差:a、单排条形桩基沿垂直轴线方向和群桩基础边桩的允许偏差为D/6且不大于100;b、条形桩基沿轴线方向和群桩基础中间桩的允许偏差为D/4且不大于150;c、单柱下的单桩允许偏差为D/15;d、相邻两桩不能偏往同一方向。
②护筒埋设:应准确、稳定。
护筒中心的偏差不得大于5cm,护筒内径应大于钻头直径10cm,其高度不宜小于1米。
③泥浆:泥浆护壁对泥浆性能的指标要严格控制,必须符合规范要求。
施工过程中护筒内的泥浆面应高出底下水位1米。
清孔过程中应不断置换泥浆,直至浇注混凝土。
浇注混凝土前,泥浆比重应小于1.15~1.20,废弃的泥浆、渣应按环保的有关规定处理。
④钻机就位必须进行开孔前验收:钻机转盘中心与用于定位的“+”字线点基本重合,误差不得超过5cm,并检查钻机水平,主动钻杆、立轴导管垂直,整体机架周正稳固。
同时要测定机台高度,验测钻具长度,及时记录填表。
⑤在成孔过程中钻机偏斜,整体塔架晃动,应随时责令施工方矫正垂直度偏差小于1%。
⑥桩径:成孔孔径不得小于设计桩径,要经常检查被磨损的钻头外出刃的大小,防止缩颈。
成桩后的有效桩径不得超差±5cm。
钻头合金遭到破坏应及时更换、修复。
⑦混凝土灌注前监理人员须亲自测定孔底沉渣和泥浆比重。
测定沉渣必须在循环液处于静止状态,在停泵10分钟后进行,否则测量数据无效。
重锤检测时,手感要好,测绳测定计算时孔深要加钻头锥体投影2/3高度,沉渣厚度不得大于5cm(端承桩)和10cm(摩擦桩)。
⑧各施工参数,桩直径、有效桩长、入岩深度(长度)、桩顶标高、混凝土强度等级等严格按设计要求进行质量控制。
端承桩终孔深度以桩端进入持力层的深度及设计桩长双控,摩擦桩终孔深度以设计桩长为主。
2.钢筋笼制作①进场钢筋必须具备质保书或出厂合格证,规格与设计相符并见证取样送检合格方可使用。
焊接长度单面焊为10倍d,双面焊为5倍d,焊点错开距离>35d。
同一截面上焊点不超过50%,钢筋笼规格与设计相符,允许误差为(a)主筋间距:±10mm。
(b)长度:±100mm。
(c)箍筋间距:±20mm。
(d)直径:±10mm。
②每2米设一组(4根)耳筋,耳筋高度度不小于6cm。
③下钢筋笼前要测笼长度、检查外观质量,验收合格后方可下井,每节钢筋笼焊接后要进行检查验收,合格后才能下钢筋笼。
④经常抽检:主筋间距、加强筋外径、箍筋间距、直径、焊接长度,要符合设计及规范要求。
⒊钢筋笼放置:设置耳筋,吊直、扶稳、缓下不得碰壁,防止变形弯曲,根据护筒口标高、桩顶标高计算好钢筋笼顶深度和吊筋长度,设置好吊筋,防止跑笼和浮笼。
⒋砼灌注⑴混凝土强度等级一般为C25~C30,坍落度18~20cm。
必须具有配合比验证,混凝土拌合前,首先要把原材料砂、碎石含水量检测,确定施工配合比。
⑵砼试块制作:旁站监理要在现场见证取样,要求每根桩应做一组(3块)试块。
须具代表性、真实性。
⑶导管:直径宜为25~30cm,底管长度不宜小于4米。
密封、同心度要符合要求,使用前在地面接好,通水试压(0.6~1.0Mpa)检查,确认不漏水、不弯曲方可下井使用,底口距井底30~50cm。
⑷起拔导管应缓慢不得刮碰钢筋笼。
⑸要控制好清孔结束至开灌时间的间歇,如时间过长,应重新清孔测沉渣。
⑹首灌时,监理必须在场监督,混凝土首灌量必须满足使导管一次埋入砼面以下0.8米以上,每次减管时应测混凝土浆面,始终保持导管在砼中的埋深不少于2米。
⑺监督连续浇筑,间断时间不得超过45分钟。
⑻最终砼面标高必须高出桩顶标高一倍桩径,等开挖破桩时凿除。
⑼混凝土灌结束时,要测量混凝土面标高,计算实际混凝土方量和理论混凝土方量及充盈系数,并做详细记录。
5.钻孔灌注桩常见病害的成因及防治⑴钻孔灌注桩包括成孔和成桩两大过程,是项工序环节较多,工艺比较复杂,技术要求较高,工作量较大,并需在一个较短时间内快速完成水下灌注混凝土的隐蔽工程。
施工过程控制受人为因素影响较大,稍有疏忽,就难免出现质量病害,造成病桩或断桩等重大质量事故,危及桩基工程的质量。
为此,必须以系统工程的观点,推行全面质量管理,明确工序质量标准,建立严格的施工管理和工序质量检查制度,以工序过程控制,来保证成桩质量。
在完善施工工艺、提高操作技能的基础上,认真分析成孔、成桩过程常见病害的产生原因,总结研究其预防治理措施,以期将施工质量病害的影响减至最低限度,高标准、高质量地完成桩基施工任务。
⑵成孔过程①护筒冒水:护筒外壁冒水,严重的会引起地基下沉、护筒倾斜和位移,造成成孔偏斜,甚至无法施工。
病因分析:埋设护筒时周围填土不密实;或护筒内水位相差太大;或钻头起落时碰撞。
防治措施:埋护筒时,坑底与四周选用最佳含水量的粘土层分层夯实;在护筒适当高度开孔,使护筒内保持有1~1.5m的水头高度;起落钻头时,防止碰撞护筒。
初发现护筒冒水时,可用粘土在四周填实加固,如护筒严重下沉或位移,则应返工重埋。
②钻进极慢或不进尺:如在硬可塑粘土层中钻进极慢,一般都在8~10h,约占单桩钻进时间的60%~70%。
病因分析:钻头选型不当,合金刀具安装角度欠妥,刀具切土过浅,钻头配重过轻,钻头被粘土糊满。
防治措施:更换或改造钻头,重新安排刀具角度、形状、排列方向,加大配重,加强排渣,降低泥浆比重。
③桩孔孔壁坍塌:成孔中或成孔后,孔壁不同程度塌落。
成孔中,排出的泥浆不断出现气泡,有时护筒内的水位突然下降,均为塌孔的兆头。
病因分析:主要是由于土质松散,加之泥浆护壁不好;护筒埋设不好;筒内水位不高;提住钻头钻进,钻头钻速过快,或空钻时间太长,都易引起钻孔下部坍;或成孔后待灌时间和灌注时间过长。
防治措施:在松散易坍土层中适当深埋护筒,密实回填土;使用优质泥浆,提高泥浆比重和粘度;升高护筒,终孔后补给泥浆,保持要求的水头高度;保证钢筋笼制作质量,防止变形;吊放时要对准孔位,吊直扶稳,缓缓下沉,防止碰撞孔壁;成孔后,待灌时间一般不应超过3h,并应尽快灌注速度,缩短灌注时间。
④桩孔局部缩径:指局部孔径小于设计孔径。
病因分析:泥浆性能欠佳,失水量大,引起塑性土层吸水膨胀,或形成疏松、蜂窝状厚层泥皮;邻桩施工间距和时间间隔不当,土层中应力尚未消散,新孔孔壁软土流变;钻头直径磨损过大。
防治措施:采用优质泥浆,控制泥浆比重和粘度,降低失水量;当设计桩距<4米时,应跳隔1~2根桩施工;或新桩孔尽可能在邻桩成桩36h后开钻;选用双导正环保径的笼状钻头;用轻泥浆和足尺寸钻头扫孔;扫通清孔后忙灌注混凝土。
⑤桩孔偏移倾斜:成孔后桩孔出现较大垂直偏差或弯曲。
病因分析:钻机安装不平,或钻台下有虚土产生下均匀沉陷:桩架不稳,钻杆导架不垂直,钻机磨损,部件松动,护筒埋设偏斜,钻杆弯曲,主动钻杆倾斜,遇旧基础或大弧石等地下障碍物.土层软硬不均或基岩倾斜。
防治措施:钻机安装周正、水平、稳固,天车前缘切点、转盘中心和护筒中心三点成一线,护筒不偏斜,钻杆不弯曲,主动钻杆保持垂直.增添导向架,控制提引水龙头,尽可能采用钻铤加压,清除地下障碍物;如在硬塑粘土层中发生偏斜时,用砂、粘土混合物回填至偏斜处以上1~2m,待密实后用平底合金钻头轻压慢转纠斜,在基岩面发生倾斜时。
可投入20~40mm粒径碎石,略高于偏斜处,冲击密实后用平底合金钻头、牙轮滚刀钻头或平底钢粒钻头纠斜。
⑥孔底沉渣过多:孔底沉淤、残留泥砂过厚,或孔壁泥土塌落在孔底,使沉渣超标。
原因分析:泥浆过稀.清孔未净;清孔泥浆比重过小或清水置换;钢筋笼吊放未垂直对中.碰刮孔壁泥土坍落孔底;或清孔后待灌时间过长,泥浆沉淀;或沉渣厚度测量的孔底标高不统一。
防治措施:终孔后,钻头提离孔底1~20cm,保持慢速空转,维持循环清孔时间不少于30min;清孔采用优质泥浆,控制泥浆比重和粘度下要直接用清水置换,钢筋笼垂直缓放入孔.避免碰撞孔壁;清孔完毕立即迅速灌注混凝土;用平底钻头时,沉渣厚度从钻头底部所达到的孔底平面算起;用底部带圆锥的笼头钻头时,沉渣厚度对钻头下端圆锥体高度的中点标高算起。
或采用导管二次清孔,冲孔时间以导管内侧量的孔底沉渣厚度达到规范要求为准;提高混凝土初灌时对孔底的冲击力;导管底端距孔底控制在40~50cm,初灌混凝土量,必须满足导管底端能埋入混凝土中0.8~1.3m的要求,利用隔水塞和混凝土冲刷残留沉渣。
⑶成桩过程①导管堵塞:灌注过程中,混凝土在导管中不能下落,影响灌注工作顺利进行。
病因分析:初灌时隔水塞堵管;粗骨料粒径过大:混凝土坍落度不合要求,和易性、流动性差;拌合不均匀.产生离析;导管连接部位和焊缝不密封,发生漏水,管内形成水塞,当管内混凝上不满而含有空气时,混凝土整斗倾入导管,导致管内形成高压气塞,或气塞挤破管节间密封垫继而导致导管漏水;机械发生故障,导管内混凝土已初凝,增大下落阻力。
防治措施:隔水塞直径应与导管内径匹配,能从管内顺利排出.隔水胶垫应安装在隔水塞的顶面,先灌入0.2~0.3m3水泥砂浆,后灌入混凝土,防止骨料卡阻水塞;选用粒径小于25mm的粗骨料,其最大粒径不大于导管内径和钢筋笼主筋最小净距的1/4;严格控制混凝土配合比,坍落度控制在18~22cm;混凝土拌合均匀.搅拌机拌合时间大于90s,确保导管连接部位焊缝的密封性,导管应在大于0.5~0.77Mpa下试压时间大于15min而下泄漏,以免在导管内形成水塞:在浇灌过程中,混凝土宜徐徐倒入导管,避免在导管内形成高压气塞;确保机械运转正常,必须有备用搅拌机,必要时,可在混凝土中掺加缓凝剂;采用长杆冲捣,强力抖动导管,或在导管上端安装震动器等方法迫使隔水塞或混凝土下落。
如上述方法处理无效,应立即提出导管进行清理,视孔内混凝土情况置新浇灌或接桩处理。
②钢筋笼上浮或下沉:指钢筋笼的位置高于或低于设计位置的现象。
上浮较大时,降低了桩体抗水平剪切能力;下沉过多,给土建施工带来麻烦和损失。
病因分析:钢筋笼放置初始位置过高或过低;混凝土流动性过小,导管在混凝土中埋置深度过大(6m以上)钢筋笼被混凝土顶托上浮;导管掩埋过长,提升时易摇晃,难以对准笼的中心,易发生挂笼现象;导管提升过猛,混凝土下沉太快,瞬时反冲力使钢筋笼上浮;钢筋笼制作质量不佳,或吊装不当而变形;或桩孔倾斜,钢筋笼随之而变形,增加了混凝土上升阻力;笼底钢筋向内弯折沟挂导管;钢筋笼与孔口固定不牢,在自重及受压时将铁丝拉长而下沉;或钢筋笼自重较轻,被混凝土顶起。
防治措施:钢筋笼放置初始位置准确无误,并与孔口固定牢固;为防止铁丝拉长下沉或顶住上升力,可采用吊筋加套管等方法顶住钢筋笼上口;加快浇灌速度,缩短浇灌时间,或添加缓凝剂,防止混凝土顶层进入钢筋笼时流动性变小;混凝上陷近笼底时,控制导管埋深1.5~2m,尽量减少串插导管,改用转动导管密实混凝土;每浇灌一斗混凝土,检查一次埋深,勤测深,勤拆管,直到钢筋笼埋牢后.恢复正常埋置深度;钢筋笼制作平直不变形,主筋底端可适当向外弯折,并增加封底箍筋:导管对中桩孔,导管接头处套装锥形活动护罩或加密焊接防护斜筋;导管正常埋置深度一般控制在2~4m,最大不超过而6m,便于转动移位;钢筋笼上升时,停止浇灌混凝土检查埋管深度,拆除部分导管,保持埋管l.5~2m,导管钩挂钢筋笼时,要下降导管.转动移位脱钩后上提。