建筑工程各部位防水施工技术图集大全
- 格式:pdf
- 大小:11.88 MB
- 文档页数:31
深圳招商房地产有限公司《住宅防水构造标准图集》二0一四年元月目录编制说明------------------------------------------3 第一章、地下室防渗漏------------------------------4 第二章、屋面防渗漏-------------------------------12 第三章、外墙防渗漏-------------------------------25 第四章、外墙门窗防渗漏---------------------------32 第五章、楼地面及厨卫间防渗漏---------------------42编制说明招商地产《深圳公司住宅防水构造图集及做法要求》是深圳招商房地产有限公司2013年对过往已入伙项目防水做法的收集、整理后,以经济、适用、有效的原则进行筛选、优化和适当补充,并根据现行防水规范编制的用于招商地产深圳公司管理范围内的住宅建筑工程的专用图集。
主要包括住宅地下室、屋面、外墙、厨卫间等部位的防水建筑构造做法和施工技术要求。
本住宅防水作为招商地产深圳公司标准图集应优先于其他标准图集,供公司项目部、施工、监理等单位在住宅工程中使用。
1.编制依据:《地下工程防水技术规范》 GB50108-2008《地下防水工程质量验收规范》 GB50208-2002《屋面工程技术规范》 GB50345-2012《屋面工程质量验收收规范》 GB50207-2012《种植屋面工程技术规程》 JGJ155-2007《广东省建筑防水工程技术规程》 DBJ15-2006《深圳市建筑防水技术规范》 SJG19-2010《建筑地面工程施工质量验收规范》 GB50209-20022.适用范围:招商地产深圳公司的新建、改建、扩建的住宅项目,供公司项目部、施工、监理等单位使用。
本图集用于项目操作各个环节,包括但不限于招标文件、合同附件、技术交底、验收标准等。
3.主要内容主要内容为住宅建筑各部分常用的防水、防渗漏构造做法。
(外防内贴)
种植屋面(无保温层)
种植屋面(有保温层)
种植屋面(有保温层)
种植屋面(有保温层)
地下工程防水构造图集号
地下工程细部节点防水构造图集号
审核校对设计页次33
地下工程细部节点防水构造图集号
地下工程细部节点防水构造图集号
审核校对设计页次35
综合管廊防水构造图集号
注:1、管廊变形缝,后浇带,施工缝,穿墙螺杆、阴阳转角等相似部位防水构造参照地下室相应做法。
2、地铁、隧道等市政防水工程相似部位防水构造参照地下室、管廊相应做法。
综合管廊防水构造图集号
审核校对设计页次38
综合管廊防水构造图集号
倒置式屋面工程细部节点防水构造图集号
倒置式屋面工程细部节点防水构造图集号
倒置式屋面工程细部节点防水构造图集号
倒置式屋面工程细部节点防水构造图集号
倒置式屋面工程细部节点防水构造图集号
注:1.当女儿墙高度小于500时,也可将附加防水层提高到女儿墙压顶下沿。
2.立墙卷材保护层施工时应加设钢丝网。
正置式屋面工程细部节点防水构造图集号
审核校对设计页次45
正置式屋面工程细部节点防水构造图集号
正置式屋面工程细部节点防水构造图集号
正置式屋面工程细部节点防水构造图集号。
序号编号GJBT-标准设计号图别标准设计名称1 1147 10SS705 试用图雨水综合利用2 1148 10SS907 试用图村镇住宅常用给水排水设备选用及安装3 1151 10MR604-1 标准图城市道路—人行天桥4 11SG619-4 房屋建筑抗震加固(四)(砌体结构住宅抗震加固)5 1169 11J122 标准图外墙内保温建筑构造6 1170 11J935 标准图幼儿园建筑构造与设施7 1171 11SJ937-1~2 试用图不同地域特色传统村镇住宅图集8 1173 11SJ937-3、11SG620 试用图不同地域特色村镇住宅建筑与结构构造图集 1.建筑构造 2.结构9 1177 11SG102-3 试用图钢吊车梁系统设计图平面表示方法和构造详图10 11J508 建筑玻璃应用构造-栏板隔断地板吊顶水下玻璃挡烟垂壁11 11CJ24 高强度中空采光板门窗12 11CJ25 ZL轻质砂浆内外组合保温建筑构造13 11CJ26、11CG13-1 房屋建筑工程施工工法图示(一)-外墙外保温系统施工工法(国家建筑标准设计参考图)14 11CJ28 无机集料阻燃木塑复合墙板建筑构造15 11SG102-3 钢吊车梁系统设计图平面表示方法和构造详图16 11SG534 带水平段钢斜梯(45°)11SG102-3定价:66.00元内容简介11J508《建筑玻璃应用构造》国家建筑标准设计图集是根据《建筑玻璃应用技术规程》JGJ113-2009的实施,针对目前常用的玻璃栏板、玻璃地板、玻璃隔断和玻璃吊顶节点和构造而编制的一本不仅满足现行规范、而且满足相应产品技术要求、工程设计及施工需要的图集。
本图集适用于非抗震设防和抗震设防烈度为6~8度地区、正常使用环境下的新建、扩建和改建的民用建筑。
图集主要内容:玻璃栏板、玻璃隔断、玻璃地板、玻璃吊顶、水下玻璃、玻璃挡烟垂壁等玻璃部件及构造节点详图。
其中:玻璃栏板包括楼梯玻璃栏板、平台玻璃栏板;玻璃隔断包括卫浴玻璃隔断、玻璃隔断门及U型玻璃隔断等;玻璃地板包括隐框式玻璃地板、点支式玻璃地板、玻璃桥、楼梯玻璃踏步;玻璃吊顶、水下玻璃、挡烟垂壁也给出了平、立、剖面及构造节点详图。
一:适用范围本图集包括混凝土瓦屋面,机平瓦屋面,小平外屋面及琉璃瓦屋面构造。
主要适用于浙江省民用建筑,也可用于工业建筑辅助用房。
本图集中各类屋面均分为混凝土基层及木基层二大类,编制了各类屋面构造及檐口,屋脊,山墙,泛水等节点详图。
二:屋面防水等级及设防要求:1按国标《屋面工程技术规范》(GB50207)中规定,瓦屋面适用于防水等级为2,3,4级的屋面防水。
2屋面瓦,防水涂膜或防水卷材(不包括干铺油毡),现浇钢筋混凝土基层均可作为一道防水设防。
3常用瓦屋面的坡度:材料种类常用瓦屋面坡度混凝土xx15—51机平瓦13---30xx25---35xx25---35注:当屋面坡度超过上表规定的范围时,具体做法按单体设计三:屋面瓦种类及要求(一)混凝土xx:1混凝土瓦质量应符合《混凝土瓦》(JC746-1999)行业标准的规定2混凝土屋面瓦,根据其外形可分为“S”形,小拱波形和大供波形;根据表面处理工艺可分为光滑型,混合型和图层型3混凝土瓦的外观颜色可根据设计要求制定。
常见的有玛瑙红,素烧红,紫罗红,万寿红,金橙黄,叠翠绿,孔雀蓝,纯净蓝,古岩灰,水灰清,珍珠黑等。
双色混合型有高粱红,紫罗兰,印度红等。
4混凝土按铺设部位可分为混凝土屋面瓦和混凝土配件瓦,详见附录5屋面坡度及混凝土瓦的规定:A屋面瓦及主要的固定要求见下表屋面坡度a 主瓦固定要求15<=a<22.5所有的周边瓦用钉子固定22.5<=a<45所有的周边瓦用钉子固定及每隔上下一排的瓦用钉子或搭扣(或称瓦片夹头)固定45<=a<51所有的瓦片至少用1枚钉子或搭扣固定a>51详见单体设计B沿屋脊,屋檐,山墙檐口的每一片瓦均需固定C瓦片的固定材料:圆钢钉,搭扣(由生产厂家配合提供),1:3水泥砂浆(用于座浆),水泥石灰麻刀砂浆,钢丝网水泥砂浆6屋面配件用料及规格:截面尺寸(宽*高)A挂瓦条:30*30(当屋面坡度大于51时,按设计定)当屋面坡度大于22.5时,挂瓦条间距不大于345,以保证瓦与瓦塔接75;当屋面坡度小于22。
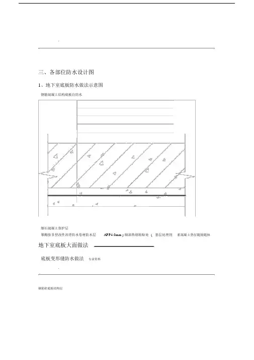
.三、各部位防水设计图1、地下室底板防水做法示意图钢筋混凝土结构底板自防水细石混凝土保护层聚酯胎Ⅱ型改性沥青防水卷材防水层APP4.0mm ) 细部热熔粘贴处(基层处理剂素混凝土垫层随捣随抹地下室底板大面做法底板变形缝防水做法专业资料.钢筋砼底板结构层50 厚 C20细石混凝土保护 APP防水卷材基层处理剂砼垫层, 表面压光填缝材料止水带60PE泡沫棒卷材附加500 底板变形缝处防水做法底板后浇带防水构造做法钢筋混凝土结构底板后浇带预浇钢筋混凝土承压板50 厚细石混凝土保护层4mmAPP改性沥青卷材防水层卷材附加层素混凝土垫层底板后浇带防水做法专业资料.高低跨连接处防水做法防水钢筋混凝土底板结构层细石混凝土保护层4mm厚聚酯胎APP 卷材防水层混凝土垫层原土夯实卷材附加层结构底板高低跨连接处防水节点桩头防水处理采用水泥基渗透结晶型防水涂料+ 改性沥青防水涂料+ 卷材的复合防水做法。
:4mm厚 APP防水卷材改性沥青防水涂料水泥基渗透结晶防水涂料结构混凝土底板结构混凝土底板混凝土灌注桩50 厚 C20细石混凝土保护层4mm厚 SBS防水卷材改性沥青防水涂料素混凝土垫层夯实土专业资料.防水处理工序如下:1.由总承包方凿出桩头至设计标高位置,调整受力钢筋,并切割露出的定位钢筋,并由总承包方用高压水枪冲洗暴露的桩身上的泥土、浮浆、松动的碎石等,并经验收合格。
2.水泥基渗透结晶型防水材料涂刷桩顶表面、暴露的桩身及周圈250mm范围,涂刷参考用量 1.2kg/ ㎡,成膜厚度约 1.0mm ;3.在桩头部位收口卷材采用橡胶沥青防水涂料涂抹。
注意事项:1、桩头防水处理的关键是桩头的清理工序,采用高压水枪冲洗桩顶面混凝土能够有效清除混凝土的浮灰泥皮。
同时,涂料采用硬毛刷搓揉涂刷。
见下图:用高压水枪冲洗过的桩头能够最大限度地保证水泥渗透结晶型涂料的渗透效果水泥渗透结晶型涂料需要用硬毛刷搓揉涂刷,以保证活性物质与混凝土紧密结合2、地下室侧墙防水做法地下室底板防水交接处预留做法专业资料.钢筋混凝土结构底板自防水细石混凝土保护层 2mm聚氨酯防水涂膜防水层 ) 基层处理剂垫层随捣随抹砖砌临保护墙 2mm厚聚氨酯防水涂膜防水层( 细部热熔粘贴处细石混凝土水泥砂浆抹面砖砌永久保护墙地下室底板外墙防水做法地下室侧墙抗渗增强处理方法:混凝土基层的微细裂缝、孔隙得以修复混凝土基层的抗渗性能增强拆除临时保护墙结构基层修复基层抗渗增强处清理干净后的预留卷防水卷4mAP厚聚酯砖砌永久保护侧墙抗渗增强处理技术专业资料.侧壁底板防水接头做法:钢筋混凝土结构侧墙 APP防水卷材卷材覆盖搭接宽度≥150基层处理剂一道50厚聚苯乙烯泡沫板底板预留卷材砖砌永久保护墙临时保护墙拆除后,砂浆抹面修复侧墙底板防水接头大样图地下室侧墙地面收口做法:室内± 0.0 收口压条、射钉固密封胶密室外地回填50厚聚苯泡沫板保护APP防水卷基层处理钢筋混凝土侧防水系统地面收口做法专业资料.穿墙管件防水处理沥青麻丝填充收口卡套穿墙管道穿墙套管穿墙管道放水做法穿墙群管的防水做法专业资料.金属压条辅助机械固定, 螺钉间距 @100组合穿墙套管改性沥青涂膜分三次涂膜密封,总厚3MM专业资料..3、屋面防水做法种植屋面基本做法:绿色植物种植土层土工布过滤层无纺布5mm厚高聚物改性沥青阻根防水卷材20 厚 1:3 水泥砂浆保护层20厚挤塑泡沫板钢筋混凝土顶板种植屋面基本构造上人屋面做法专业资料.面层APP卷材防水层水泥砂浆找平层保温层找平、找坡层屋面结构层普通上人屋面做法出屋面管道防水做法面层构造密封膏密封防水卷材APP防水附加层金属箍紧固砂浆保护堵漏宝处出屋面管道防水大专业资料.4、厨房卫生间防水做法卫生间防水构造做法专业资料.侧墙 JS 防水涂膜, 1.5mm厚8-10厚防滑地砖3-4 厚水泥胶结合层刷素水泥浆一道水泥砂浆保护 1.5mm厚 JS 防水涂水泥砂浆从门口处向地漏找坡1%,最薄10 素水泥浆结合层一道,掺卫生间地面及立面防水做法图5%的 108 建筑无纺布增强处钢筋混凝土楼注明:侧墙墙体四面墙体防水高度均为1800mm。
深圳招商房地产有限公司《住宅防水构造标准图集》二0一四年元月目录编制说明------------------------------------------3 第一章、地下室防渗漏------------------------------4 第二章、屋面防渗漏-------------------------------12 第三章、外墙防渗漏-------------------------------25 第四章、外墙门窗防渗漏---------------------------32 第五章、楼地面及厨卫间防渗漏---------------------42编制说明招商地产《深圳公司住宅防水构造图集及做法要求》是深圳招商房地产有限公司2013年对过往已入伙项目防水做法的收集、整理后,以经济、适用、有效的原则进行筛选、优化和适当补充,并根据现行防水规范编制的用于招商地产深圳公司管理范围内的住宅建筑工程的专用图集。
主要包括住宅地下室、屋面、外墙、厨卫间等部位的防水建筑构造做法和施工技术要求。
本住宅防水作为招商地产深圳公司标准图集应优先于其他标准图集,供公司项目部、施工、监理等单位在住宅工程中使用。
1.编制依据:《地下工程防水技术规范》 GB50108-2008《地下防水工程质量验收规范》 GB50208-2002《屋面工程技术规范》 GB50345-2012《屋面工程质量验收收规范》 GB50207-2012《种植屋面工程技术规程》 JGJ155-2007《广东省建筑防水工程技术规程》 DBJ15-2006《深圳市建筑防水技术规范》 SJG19-2010《建筑地面工程施工质量验收规范》 GB50209-20022.适用范围:招商地产深圳公司的新建、改建、扩建的住宅项目,供公司项目部、施工、监理等单位使用。
本图集用于项目操作各个环节,包括但不限于招标文件、合同附件、技术交底、验收标准等。
3.主要内容主要内容为住宅建筑各部分常用的防水、防渗漏构造做法。
目录一、编制依据 (1)二、工程概况 (2)2。
1总体概况 (2)2.2设计概况 (2)2。
3防水设计要点 (2)2.4施工难点 (2)三、施工部署 (3)3。
1施工任务划分 (3)3。
2施工组织机构 (3)3。
3总体施工顺序 (3)3.4劳动力计划 (4)3.5施工组织与协调 (4)四、施工准备 (5)4.1技术准备 (5)4.2材料、设备进场计划 (5)4。
3现场准备 (6)五、主要施工方法及技术措施 (6)5。
1模板工程 (6)5.2水电专业工程 (7)5.3防水混凝土工程 (7)5.53MM+4MM SBS防水卷材工程 (7)六、主要施工管理措施 (10)6.1质量保证措施 (10)6.2成品保护措施 (11)6。
3安全保证措施 (12)6.4工期保证措施 (12)一、编制依据1。
1《牛驼极品温泉度假酒店施工组织设计》1。
2施工图纸1。
3主要施工规范、规程、标准二、工程概况2.1总体概况2.2设计概况本工程位于河北省廊坊市固安县的南端牛驼镇,总用地面积为106720㎡,总建筑面积为32978.53㎡,地上总建筑面积为24265.34㎡,地下总建筑面积为8713.19㎡,建筑占地面积为17300㎡.由酒店服务区、汤院汤屋区、中心景观区、后勤服务区和温泉水疗区等五部分组成,其中酒店中心、温泉中心和后勤服务楼为筏板基础,全现浇框架(局部剪力墙)结构,地下一层,地上三层建筑,采用框架结构体系;其他单体为汤屋汤院,独立柱基础,无地下室的地上单层建筑,根据使用功能等要求采用框架结构或异形柱框架结构。
2.3防水设计要点地下室防水采用钢筋混凝土结构自防水和3mm+4mmSBS橡胶改性沥青防水卷材相结合的防水措施,底板、地下室外墙防水混凝土抗渗等级为P6,底板后浇带采用膨胀止水条,基础导墙及地下室外墙采用止水钢板,外墙模板采用防水穿墙螺栓.2.4施工难点防水施工需要多专业穿插、配合,在总体施工顺序以及工序间的流水作业方面要求土建施工队、防水分包施工队及水电专业施工队必须做好协调配合工作,以保证总体施工进度、质量及安全;防水施工面积较大,工期紧张防水施工与回填土要穿插进行。
建筑专业图集0类总图及室外工程序号图集号图集名称价格备注103J001围墙大门33.8代替89SJ009(一)、(二);89SJ010;87SJ003(一);96SJ013 2J007-1~2道路(1993年合订本)39.5原93SJ007(一)、(二)改号合订3J007-3~4道路(1993年合订本)72.5原93SJ007(三)、(四)改号合订4J007-5~8道路(1993年合订本)60.3原93SJ007(五)~(八)改号合订504J008挡土墙(重力式、衡重式、悬臂式)57代替95J008-1、00J008-2~3603J012-1环境景观-室外工程细部构造45.4703J012-2环境景观-绿化种植设计37804J012-3环境景观-亭、廊、架之一22910J012-4环境景观-滨水工程551012J003室外工程79替代02J0031类墙体序号图集号图集名称价格备注102J102-2框架结构填充小型空心砌块墙体建筑构造26.8含光盘204J101砖墙建筑构造(烧结多孔砖与普通砖、蒸压砖)23代替96SJ101304J114-2石膏砌块内隔墙17405J102-1混凝土小型空心砌块墙体建筑构造23修编代替J101-1~2(2002年合订本)507J103-826606J106挡雨板及栈台雨篷17706J123墙体节能建筑构造30807J107夹心保温墙建筑构造24908SJ110-2、08SG333预制混凝土外墙挂板311010J121外墙外保温建筑构造58替代02J121-1、99J121-2、99(03)J121-2、06J121-3 1110J113-1内隔墙-轻质条板(一)59替代03J1131211J122外墙内保温建筑构造49替代03J12213J111~114内隔墙建筑构造(2012年合订本)12914蒸压加气混凝土砌块、板材构造822类屋面序号图集号图集名称价格备注103J203平屋面改坡屋面建筑构造29206J204屋面节能建筑构造20307J205玻璃采光顶58409J202-1坡屋面建筑构造(一)62替代00J202-1、00(03)J202-1、01J202-2 512J201平屋面建筑构造69替代99J201-1、99(03)J201-1、03J201-2。
金地集团东北区域公司建筑防水构造标准图集编制总说明1 编制依据1.1 依据国家及企业现有相关标准:1.1.1《屋面工程技术规范》GB50345-20041.1.2《种植屋面工程技术规程》J4J155-20071.1.3《建筑室内防水工程技术规程》CECS196:20061.1.4《建筑地面设计规范》GB50037-961.1.5《地下工程防水技术规程》GB50108-20081.1.6《金地集团北方片区防水技术标准》(北京区域公司20100510)1.1.7《金地集团西安公司防水管理标准》(2010版)1.1.8《金地集团沈阳公司防水工程质量控制作业指导书》(2007版)1.1.9《金地集团工程技术标准》(2010版);1.2 金地集团各项目实践经验总结;1.3 金地集团2006年-2009年客户满意度调查结果;1.4 参照行业内标杆企业相关做法;1.5 中建国际设计公司施工图统一技术措施;2 适用范围:金地集团东北区域公司住宅开发项目3 总则3.1管理要求:3.1.1 金地集团东北区域公司《建筑防水构造标准图集》(以下简称《标准》)为金地集团东北区域公司住宅项目施工图设计依据,由设计管理部负责纳入《初步设计/施工图设计任务书》管理要求中,明确规定各部位防水构造节点设计并应符合本《标准》中的相关技术要求,明确本《标准》中相关构造节点做法与工程做法的施工图引用关系,设计管理部应确保设计院提交的正式施工图(包括建筑施工图、结构施工图、门窗幕墙的二次深化设计等与防水相关的施工图纸)符合本《标准》的指导原则;3.1.2 各项目中心应根据项目应用情况和质量反馈评估结果提出《标准》的修正建议提交东北区域公司工程管理部,由工程管理部负责及时更新《标准》。
3.2技术说明:3.2.1 防水体系的设计与施工方案须贯彻“防排结合,以排为主”、“刚柔相济,简单高效”以及“可靠易行,落实第一”等原则;3.2.2 本《标准》中所示高档及中高档产品定位与金地集团3-5档客户定位相匹配,中档及以下产品定位与金地集团2档及以下客户定位相匹配。
三、各部位防水设计图1、地下室底板防水做法示意图地下室底板大面做法底板变形缝防水做法底板变形缝处防水做法底板后浇带防水构造做法底板后浇带防水做法高低跨连接处防水做法桩头防水处理采用水泥基渗透结晶型防水涂料 +改性沥青防水涂料 +卷材的复合防水做法。
:防水处理工序如下:1.由总承包方凿出桩头至设计标高位置,调整受力钢筋,并切割露出的定位钢筋,并由总承包方用高压水枪冲洗暴露的桩身上的泥土、浮浆、松动的碎石等,并经验收合格。
2.水泥基渗透结晶型防水材料涂刷桩顶表面、暴露的桩身及周圈250mm范围,涂刷参考用量1.2kg/㎡,成膜厚度约1.0mm ;3.在桩头部位收口卷材采用橡胶沥青防水涂料涂抹。
注意事项:1、桩头防水处理的关键是桩头的清理工序,采用高压水枪冲洗桩顶面混凝土能够有效清除混凝土的浮灰泥皮。
同时,涂料采用硬毛刷搓揉涂刷。
见下图:2、地下室侧墙防水做法 地下室底板防水交接处预留做法水泥渗透结晶型涂料需要用硬毛刷搓揉涂刷,以保证活性物质与混凝土紧密结合地下室侧墙抗渗增强处理方法:侧墙抗渗增强处理技术侧壁底板防水接头做法:地下室侧墙地面收口做法:防水系统地面收口做法穿墙管件防水处理穿墙群管的防水做法3、屋面防水做法种植屋面基本做法:种植屋面基本构造上人屋面做法出屋面管道防水做法4、厨房卫生间防水做法卫生间防水构造做法出屋面管道防水大样注明:侧墙墙体四面墙体防水高度均为1800mm。
四、改性沥青防水卷材防水成功案例在我司历年承接施工的防水工程中,所有工程的质量都得到了甲方、监理公司的一致好评,其中采用改性沥青防水卷材的成功案例不在少数,现将其节选如下:五、本设计方案所用产品简介(一)、APP 改性沥青防水卷材产品简介 【产品】“雨虹”牌塑性体(APP ) 改性沥青防水卷材是无规聚丙烯(APP )或聚烯烃类聚合物(APAO 、APO )等改性剂的沥青做浸渍和涂盖材料,上表面覆以聚乙烯膜、细砂、矿物片(粒)料或铝箔、铜箔等隔离材料所制成的可以卷曲的片状防水材料。
编制说明《万科住宅建筑构造图集--- 全现浇混凝土外墙工艺工法》是由万科企业股份有限公司(以下简称万科)编制的用于万科及其下属公司管理的建筑工程专用图集。
为了将系统配模的精度优势扩展到整个外墙,将外墙上及外墙以外的非结构构件,如后砌墙体、构造柱、空调板、外立面竖向薄板等统一为混凝土构件并与主体结构一次浇筑,从而减少工序,提高效率,实现外墙取消抹灰。
本工法是在总结武汉、佛山、深圳、大连、西安、成都、广州、上海、北京等公司应用全现浇混凝土外墙及系统配模经验的基础上,推出试行版。
供设计、施工、监理等单位在万科工程中试用。
1 编制依据《建筑抗震设计规范》 GB50011-2010《混凝土结构设计规范》 GB50010-2011《混凝土结构工程施工质量验收规范》 GB50204-2002(2011版)《高层建筑混凝土结构技术规程》 JGJ3-2010《混凝土建筑接缝用密封胶》 JC/T 881-2001《建筑工程大模板技术规程》 JGJ74-2003《全钢大模板应用技术规程》 DBJ01-89-2004《建筑施工模板安全技术规范》 JGJ162-2008《建筑施工高处作业安全技术规范》 JGJ80-91《建筑工程施工质量验收统一标准》 GB50300-2001《建筑施工安全检查标准》 JGJ59-992 适用范围万科及其下属公司在各地管理的新建及改、扩建的以采用实体混凝土外墙为围护结构的主流住宅项目。
3 主要内容本图集主要介绍全现浇混凝土外墙的具体做法,包括前期准备工作、设计过程中的具体操作办法、施工工艺流程、质量控制点以及结构拉缝、与外墙整体现浇配套的栏杆预留洞、钢副框、滴水线等细部设计处理的工艺节点和构造做法说明。
4 其他:当采用全现浇混凝土外墙结构拉缝的做法时,其材料的防火、防水、保温、隔声及隔震性能应满足规范及设计要求。
应确保水平缝、竖缝等部位满足防潮、防渗水要求。
本图集的做法必须与万科相关工程管理规定和流程配合使用。
三、各部位防水设计图1、地下室底板防水做法示意图地下室底板大面做法底板变形缝防水做法底板变形缝处防水做法底板后浇带防水构造做法底板后浇带防水做法高低跨连接处防水做法高低跨连接处防水节点桩头防水处理采用水泥基渗透结晶型防水涂料 +改性沥青防水涂料 +卷材的复合防水做法。
:防水处理工序如下:1.由总承包方凿出桩头至设计标高位置,调整受力钢筋,并切割露出的定位钢筋,并由总承包方用高压水枪冲洗暴露的桩身上的泥土、浮浆、松动的碎石等,并经验收合格。
2.水泥基渗透结晶型防水材料涂刷桩顶表面、暴露的桩身及周圈250mm 范围,涂刷参考用量1.2kg/㎡,成膜厚度约1.0mm ;3.在桩头部位收口卷材采用橡胶沥青防水涂料涂抹。
注意事项:1、桩头防水处理的关键是桩头的清理工序,采用高压水枪冲洗桩顶面混凝土能够有效清除混凝土的浮灰泥皮。
同时,涂料采用硬毛刷搓揉涂刷。
见下图:水泥渗透结晶型涂料需要用硬毛刷搓揉涂刷,以保证活性物质与混凝土紧密结合2、地下室侧墙防水做法地下室底板防水交接处预留做法基础底板侧壁交接处大样地下室侧墙抗渗增强处理方法:侧壁底板防水接头做法:地下室侧墙地面收口做法:防水系统地面收口做法穿墙管件防水处理穿墙群管的防水做法3、屋面防水做法种植屋面基本做法:种植屋面基本构造上人屋面做法出屋面管道防水做法4、厨房卫生间防水做法卫生间防水构造做法注明:侧墙墙体除淋浴面的墙体防水高度为1800mm外,其余3面墙体防水高度均为300mm。
四、改性沥青防水卷材防水成功案例在我司历年承接施工的防水工程中,所有工程的质量都得到了甲方、监理公司的一致好评,其中采用改性沥青防水卷材的成功案例不在少数,现将其节选如下:五、本设计方案所用产品简介(一)、APP 改性沥青防水卷材产品简介 【产品】“雨虹”牌塑性体(APP ) 改性沥青防水卷材是无规聚丙烯(APP )或聚烯烃类聚合物(APAO 、APO )等改性剂的沥青做浸渍和涂盖材料,上表面覆以聚乙烯膜、细砂、矿物片(粒)料或铝箔、铜箔等隔离材料所制成的可以卷曲的片状防水材料。