一般性楼盖验算计算书汇总
- 格式:doc
- 大小:308.00 KB
- 文档页数:14
一、结构选型及主要构件本工程屋盖结构屋盖由11榀空间门式钢框架组成,跨度82.4m ,中心距8m 。
刚架梁柱均为4肢组合的格构式构件。
其中,格构横梁尺寸为4.0X2.5m (两端及中间3榀为8.0X2.5m ),上下弦一般为φ219-7.5的圆钢管,上下弦间的腹杆、上下弦平面内的斜腹杆及直腹杆一般均为φ83-5圆钢管。
门式刚架的格构柱平面尺寸为4.0X2.8m (两端及中间3榀为8.0X2.8m ),4肢立柱均为φ299-8的钢管混凝土构件,斜向、横向缀条均为φ127-5圆钢管。
两端及中间3榀门式刚架的格构柱外侧两肢设置柱间支撑,并利用门式刚架两侧及马道(两侧1/4跨度)位置4道设纵向支撑,上、下弦平面内及上、下弦间纵向支撑,一般均采用φ83-5圆钢管,提高了屋盖结构的整体性。
门式刚架之间仅由檩条连接,以传递屋面板自重、积雪荷载及竖向风荷载。
屋盖结构详见结构图纸。
二、结构传力模式2.1、竖向荷载传力路线为:屋面板--檩条--格构横梁--格构柱—下部混凝土结构—基础 2.2、横向风荷载传力路线为:山墙—立柱--两端榀格构横梁--两端榀柱间支撑—下部混凝土结构—基础2.3、横向地震作用传力路线为:每榀自重—每榀格构柱—纵向支撑--两端及中间榀柱间支撑—下部混凝土结构—基础三、结构分析及主要计算结果3.1、单榀空间门式钢框架屈曲分析(特征值法) 竖向荷载作用下前4个屈曲模态如下:竖向荷载作用下前6个屈曲模态列表如下:屈曲分析结果表明,单榀空间门式钢框架在竖向荷载作用下,结构稳定有较大的安全度,且该安全度大于材料强度的安全度。
因此,空间门式刚架之间仅由檩条连接,无须另加出平面纵向支撑。
3.2、屋盖结构计算考虑的荷载有结构自重、马道荷载、积雪荷载、各方向风荷载。
各工况荷载作用下,结构主要构件内力及变形详附图附图1-1:框架一(1.0恒载+1.0活载)作用下轴力N 图附图1-2:框架二(1.0恒载+1.0活载)作用下轴力N 图附图1-3:框架三(1.0恒载+1.0活载)作用下轴力N 图附图2-1:框架一(1.0X 方向地震)作用下轴力N 图附图2-2:框架二(1.0X 方向地震)作用下轴力N 图附图2-3:框架三(1.0X 方向地震)作用下轴力N 图附图3-1:框架一(1.0Y 方向地震)作用下轴力N 图附图3-2:框架二(1.0Y 方向地震)作用下轴力N 图附图3-3:框架三(1.0Y 方向地震)作用下轴力N 图附图4-1:框架一(1.0X 方向风载)作用下轴力N 图附图4-2:框架二(1.0X 方向风载)作用下轴力N 图附图4-3:框架三(1.0X 方向风载)作用下轴力N 图附图5-1:框架一(1.0Y 方向风载)作用下轴力N 图附图5-2:框架二(1.0Y 方向风载)作用下轴力N 图附图5-3:框架三(1.0Y 方向风载)作用下轴力N 图附图6-1:框架一(1.0温度荷载)作用下轴力N 图附图6-2:框架二(1.0温度荷载)作用下轴力N 图附图6-3:框架三(1.0温度荷载)作用下轴力N 图附图7-1:框架一(1.0满布雪载)作用下轴力N 图附图7-2:框架二(1.0满布雪载)作用下轴力N 图附图7-3:框架三(1.0满布雪载)作用下轴力N 图附图8-1:框架一(1.0恒载+0.6活载+1.3 X 方向地震)作用下轴力N 图附图8-2:框架二(1.0恒载+0.6活载+1.3 X 方向地震)作用下轴力N 图附图8-3:框架三(1.0恒载+0.6活载+1.3 X 方向地震)作用下轴力N 图附图9-1:框架一(1.0恒载+0.6活载+1.3 Y 方向地震)作用下轴力N 图附图9-2:框架二(1.0恒载+0.6活载+1.3 Y 方向地震)作用下轴力N 图附图9-3:框架三(1.0恒载+0.6活载+1.3 Y 方向地震)作用下轴力N 图附图10-1:框架一(1.2恒载+1.4活载)作用下轴力N 图附图10-2:框架二(1.2恒载+1.4活载)作用下轴力N 图附图10-3:框架三(1.2恒载+1.4活载)作用下轴力N 图附图11-1:框架一(1.2恒载+1.4活载+0.6*1.4温度荷载)作用下轴力N 图附图11-2:框架二(1.2恒载+1.4活载+0.6*1.4温度荷载)作用下轴力N 图附图11-3:框架三(1.2恒载+1.4活载+0.6*1.4温度荷载)作用下轴力N 图附图12-1:框架一(1.2恒载+1.4满布雪载)作用下轴力N 图附图12-2:框架二(1.2恒载+1.4满布雪载)作用下轴力N 图附图12-3:框架三(1.2恒载+1.4满布雪载)作用下轴力N 图附图13-1:框架一(1.2恒载+1.4不平衡雪载)作用下轴力N 图附图13-2:框架二(1.2恒载+1.4不平衡雪载)作用下轴力N 图附图13-3:框架三(1.2恒载+1.4不平衡雪载)作用下轴力N 图附图14-1:框架一(1.0恒载+1.0活载)作用下位移图附图14-2:框架二(1.0恒载+1.0活载)作用下位移图附图14-3:框架三(1.0恒载+1.0活载)作用下位移图附图15-1:(1.0温度荷载)作用下二层平面X 方向楼板应力附图15-2:(1.0温度荷载)作用下二层平面Y 方向楼板应力附图16-1:(1.0温度荷载)作用下三层平面X 方向楼板应力附图16-2:(1.0温度荷载)作用下三层平面Y方向楼板应力。
××建筑多层多功能厅 楼盖结构设计计算书一、设计基本资料(1)建筑平面布置:平面尺寸12×36m 2,四边边柱柱距6000mm ,厅中无柱,楼面标高5.5m 。
建筑平面布置见附图。
(2)结构做法:本工程采用全现浇钢筋混凝土屋盖和框架。
(3)屋面做法:不上人屋面,88J1屋3B (屋面做法重量:3.54kN/m ²)。
(4)不上人屋面活荷载标准值按0.50kN/m ²计算,雪荷载按0.75kN/m ²计算。
(5)本工程所处地区基本风压值为0.75kN/m ²。
(6)本工程不进行抗震设防。
(6)材料选用: 楼板、梁用混凝土均采用C25级,钢筋直径mm 12≤时采用HPB235,直径>12mm 时,选用HRB335钢筋。
(7)构件尺寸:柱截面拟定尺寸为600×600mm 22.荷载计算100mm 钢筋混凝土板 0.1×25=2.5kN/m 288J1楼44 2.3kN/m 2 20mm 厚水泥砂浆抹灰 0.02×20=0.4kN/m 2 恒载标准值 g k =5.2kN/m 2 活载标准值 q k =4.0kN/m 2 荷载设计值 P=1.2×5.2+1.4×4=11.84kN/m 2 3.LB1区格mm l x 28002003000=-=,mm l y 55005006000=-=96.1==xyl l n ,故取26.0=α,2.2=βLB1区格为四边连续板,四周有梁,内力折减系数为0.8()()αβαβ+++-=n n n pl m x x24138.02 ()()m m kN ⋅=⨯++⨯+⨯-⨯⨯⨯⨯=13.22.226.026.02.296.196.124196.138.284.118.02 取9.0=γ,mm h x 800=,mm h y 700=,2210mm N f y =%2.0%272.045.0min >==y t f ρ2min min ,2721001000%272.0mm bh A s =⨯⨯=⨯=ρ4.LB2区格mm l x 26752502002503000=+--=,mm l y 55005006000=-=06.2==xyl l n ,故取24.0=α,0.2=β LB2区格为一长边简支,内力折减系数为1.0LB1和LB2有一个共同的短跨支座,支座配筋在LB1区格计算中已选定,为2314,1608mm -φ故m m kN h f A m y s x ⋅=⨯⨯⨯==75.4809.02103140'γ()αβα2221312'2++--=n nm n pl m xx x()m m kN ⋅=⨯⨯+⨯+⨯⨯--⨯⨯=82.40.224.0224.0206.2275.406.2106.2312675.284.1125.LB3区格mm l x 28002003000=-=,mm l y 562525025006000=--= 01.2==xyl l n ,故取25.0=α,0.2=β LB3区格一短边简支,内力折减系数为1.0LB1和LB3有一个共同的长跨支座,支座配筋在LB1区格计算中已选定,为2279,1808mm -φ故m m kN h f A m y s y ⋅=⨯⨯⨯==69.3709.02102790'γ()βαn n m n pl m yx x 2221312'2++--=()m m kN ⋅=⨯⨯+⨯+⨯--⨯⨯=38.60.225.0225.0201.2269.3101.23128.284.1126.LB4区格mm l x 2675=,mm l y 5625= 10.2==xyl l n ,故取23.0=α,0.2=β LB4区格为角区格(两邻边简支,另两邻边连续),内力折减系数为1.0 LB4和LB2有一个共同的长跨支座,支座配筋在LB1区格计算中已选定,为2279,1808mm -φ故m m kN h f A m y s y ⋅=⨯⨯⨯==69.3709.02102790'γLB4和LB3有一个共同的短跨支座,支座配筋在LB1区格计算中已选定,为2870,13012mm -φ故m m kN h f A m y s x ⋅=⨯⨯⨯==15.13809.02108700'γ()α221312''2+---=n nm m n pl m xy x x()m m kN ⋅=⨯+⨯⨯---⨯⨯=31.123.0210.2215.1310.269.3110.2312675.284.112三、次梁(L 4)计算纵筋HRB335级钢筋,箍筋HPB235级钢筋,C25混凝土,梁高h =400mm ,梁宽b =200mm ,保护层厚度35mm 。
混凝土楼盖课程设计计算书编制人:班级:学号:编制日期:混凝土楼盖课程设计计算书1基础设计资料(1)工业仓库楼盖,外围墙体为砖墙,采用Mu10烧结普通砖,M5混合砂浆砌筑,纵墙厚度370mm, 横墙厚度240mm,平面轴线尺寸如下图所示:(2)内柱为钢筋混凝土柱,截面尺寸400mm*400mm(3)材料:混凝土强度等级C25:f c=11.9N/mm2 , f t=1.27N/mm2 , f tk=1.78N/mm2;板筋、主次梁箍筋为HPB300级(f y=270N/mm2);梁纵筋HRB335级(f y=300N/mm2,ξb=0.55)(4)荷载标准值:楼面活荷载标准值q k=4.0kN/m2;水磨石楼面自重标准值0.65KN/m2;钢筋混凝土自重标准值25kN/m3 ;顶棚水泥砂浆抹灰20mm厚,自重标准值17kN/m32 板的设计(按塑性理论方法)主次梁、板、柱的布置如上图,6000/2200>2,为单向板(1)确定板厚及次梁截面①板厚hh>=l/40=2200/40=55mm,并应不小于民用建筑楼面最小厚度70mm,取h=80mm。
②次梁截面b×h次梁截面高h按(l/18~l/12)初估,h在333~500mm之间,选h=450mm,截面宽b=(1/2~1/3)h,选b=200mm。
(2)板荷载计算楼面面层(水磨石) 0.65kN/m2板自重 0.08×25=2.00kN/m2板底抹灰 0.02×17=0.34kN/m2恒荷载g 1.2×2.99=3.588kN/m2活荷载q 1.3×4.0=5.2kN/m2g+q=3.588+5.2=8.788kN/m2q/g=5.2/3.588=1.45﹤3(3)计算简图取板宽b=1000mm作为计算单元,由板和次梁尺寸可得板的计算简图(实际9跨,可按5跨计算),如下图示。
其中中间跨的计算跨度l o=l n=2200-100*2=2000mm;边跨的计算跨度l o=l n+h/2=1980+80/2=2020mm。
单向板肋梁楼盖设计计算书(参考例题)现浇钢筋混凝⼟单向板肋梁楼盖设计计算书⼀、平⾯结构布置:1、确定主梁的跨度为m 6.6,次梁的跨度为m 0.5,主梁每跨内布置两根次梁,板的跨度为m 2.2。
楼盖结构布置图如下:2、按⾼跨⽐条件,当mm l h 55401=≥时,满⾜刚度要求,可不验算挠度。
对于⼯业建筑的楼盖板,要求mm h 80≥,取板厚mm h 80=3、次梁的截⾯⾼度应满⾜ 121(=h ~278()181=L ~mm )417,取mm h 400= 则21(=b ~133()31=h ~mm )200,取mm b 200=。
4、主梁的截⾯⾼度应该满⾜81(=h ~440()141=L ~mm )660,mm h 400=,则21(=h ~200()31=h ~mm )300,取mm b 250=。
⼆、板的设计(按塑性内⼒重分布计算): 1、荷载计算:板的恒荷载标准值:取1m 宽板带计算:⽔磨⽯⾯层 m kN /65.0165.0=? 80mm 钢筋混凝⼟板 m kN /0.22508.0=? 15mm 板底混合砂浆 m kN /255.017015.0=? 恒载:m kN g k /905.2=活载: m kN q k /919=?=恒荷载分项系数取1.2;因为⼯业建筑楼盖且楼⾯活荷载标准值⼤于m kN /0.4,所以活荷载分项系数取1.3。
于是板的设计值总值: q g +=k k q g 3.12.1+ m kN /186.15= 2、板的计算简图:次梁截⾯为mm mm 400200?,现浇板在墙上的⽀承长度不⼩于100mm ,取板在墙上的⽀承长度为120mm 。
按塑性内⼒重分布设计,板的计算边跨:mm l h l l n n 2030025.1202028012010022002101=≤=+--=+=,取mm l 202001= (mm a 120=)中跨: mm l l n 2000200220002=-==板为多跨连续板,对于跨数超过五跨的等截⾯连续板,其各跨受荷相同,且跨差不超过10%时,均可按五跨等跨度连续板计算。
钢筋混凝土楼盖课程设计计算书1. 设计资料(1)楼面做法:20mm 厚水泥砂浆面层(320/kN m γ=),钢筋混凝土现浇板12mm 厚纸筋灰粉底(316/kN m γ=)。
(2)楼面荷载:楼面均布活荷载标准值6.0KN/m 2(3)材料:混凝土强度等级C25;钢筋强度为HPB235和HRB335。
2. 楼盖的结构平面布置确定主梁的跨度为7.2m ,次梁的跨度为6m ,主梁每跨内布置两根次梁,板跨为2.4m 。
按跨高比条件,对工业建筑的楼盖板,要求h ≥80mm ,取板厚h=80mm 。
次梁截面高度应满足60006000/18/12333.35001812h l l mm mm =-=-=,考虑到楼面活荷载比较大,取h=400mm,截面宽度取为b=200mm. 主梁截面高度应满足72007200/15/104807201510h l l mm mm =-=-=-。
取h=600mm ,截面宽度取为b=300mm 。
3. 板的设计 (1)荷载板的恒荷载标准值:20mm 水泥砂浆面层 20.02200.4kN m ⨯= 80mm 钢筋混凝土板 20.08252kN m ⨯= 12mm 混合纸筋灰粉底 20.012160.192kN m ⨯= 小计 22.592kN m(1)板的活荷载标准值: 26.0/kN m恒荷载分项系数取1.2;因为是工业建筑楼盖且活荷载标准值大于24.0kN m ,所以活荷载分项系数取1.3。
于是板的恒荷载设计值 22.592 1.23.11g kN m =⨯= 活荷载设计值 26.0 1.37.8/q kN m =⨯=荷载总设计值 210.91/g q kN m +=,近似取为210.9g q kN m +=(2)计算简图次梁截面为200400mm mm ⨯,板伸入墙内120mm 。
按内力重分布设计,板的计算跨度:边跨:010200802400120222022402222n a hl l mm l mm =+=--+=+= 所以,012220l mm =中间跨: 0224002002200n l l mm ==-=因跨度相差小于10%,可按等跨连续板计算。
单向板肋梁楼盖设计计算书院系:建筑工程学院班级:土106姓名:凌子健学号:109044525指导老师:于峰1.设计资料:(1)楼面做法:20㎜水磨石面层,20㎜水泥砂浆打底,80㎜钢筋混凝土板,15㎜顶棚抹灰。
(2)材料:混凝土选用C25;梁、板受力钢筋采用HRB400级钢筋,梁箍筋、板构造筋采用HRB335级钢筋。
其中,板、次梁按考虑塑性内力重分布设计,主梁按弹性理论设计。
2.楼盖的结构平面布置主梁沿横向布置,次梁沿纵向布置,主梁的跨度:A —B 、B —C 、C —D 之间均为6900。
根据所给资料选用300㎜×650㎜的截面,主梁每跨内布置两根次梁。
板的跨度为:6900/3=2300,ll 0102=6/2.3=2.61,可按单向板设计,适当增加长跨方向分布钢筋。
按跨高比条件,要求板厚h ;≥2300/40=57.5,对工业建筑楼板盖,h≥70㎜,取板厚h=80㎜。
次梁截面高度应满足h=18l ~12l =6600/18~6600/12=366.67—550㎜。
取h=500㎜。
截面宽度取为b=200㎜。
柱子截面:400㎜×400㎜.楼盖结构平面布置见A2图纸。
3.板的设计轴线①~②、⑤~⑥的板属于端区格单向板;轴线②~⑤的板为中间区格单向板。
(1)荷载计算板的永久荷载标准值水磨石面层及水泥砂浆打底合计 0.65 kN/㎡80㎜厚钢筋混凝土板 0.08×25 =2kN/㎡15㎜厚顶棚抹灰 0.015×17 =0.225 kN/㎡ 小记 2.905 k N/㎡ 板的可变荷载标准值 6 kN/㎡永久荷载分项系数取1.2,因楼面可变荷载标准值大于4.0 kN/㎡,所以取可变荷载分项系数为1.3。
于是板的永久荷载设计值 g=2.905 ×1.2=3.486kN/㎡ 可变荷载设计值 q=6×1.3=7.8 kN/㎡荷载总设计值 g +q=11.286kN/㎡ (2)计算简图次梁截面为200㎜×500㎜,据所给资料,板在墙上的支承长度为120㎜.按塑性内力重分布设计,板的计算跨度:边跨 l 0=l n +h/2=(2300-120-100)+80/2=2120㎜<l n +a/2=2140㎜ 取l 0=2120㎜ 中间跨 l 0=2300-200=2100㎜。
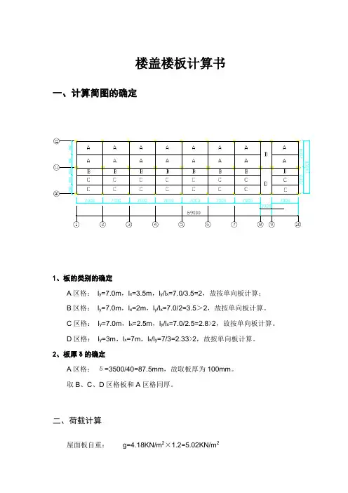
楼盖楼板计算书一、计算简图的确定1、板的类别的确定A区格:l y=7.0m,l x=3.5m,l y/l x=7.0/3.5=2,故按单向板计算;B区格:l y=7.0m,l x=2m,l y/l x=7.0/2=3.5>2,故按单向板计算。
C区格:l y=7.0m,l x=2.5m,l y/l x=7.0/2.5=2.8>2,故按单向板计算。
D区格:l y=3m,l x=7m,l x/l y=7/3=2.33>2,故按单向板计算。
2、板厚δ的确定A区格:δ=3500/40=87.5mm,故取板厚为100mm。
取B、C、D区格板和A区格同厚。
二、荷载计算屋面板自重:g=4.18KN/m2×1.2=5.02KN/m2屋面板上活载: q=0.7KN/m 2×1.4=0.98KN/m 2 楼面板自重: g=4.31KN/m 2×1.2=5.17KN/m 2 楼面板上活载: q=5KN/m 2×1.4=7KN/m 2 ∴屋面: g+2q =5.02+20.98=5.51KN/m 2,2q =0.49KN/m 2,g+q=6 KN/m 2 楼面: g+2q =5.17+72=8.67KN/m 2,2q=3.5KN/m 2,g+q=12.17KN/m 2 三、板的内力计算1.屋盖计算(1)、A,B,C 区格计算 ①、 计算简图取1m 板宽作计算单元,(g+q) 1=6 1=6KN/m ,②、 弯矩计算③、 配筋计算有效高度h 0=h-a s =100-20=80mm截面 A 1 B 2 C 3 D 4 E 5 F Mmax2.775.54 -8.19 3.15 -3.99 0.16 -1.88 1.69 -4.22 2.81 1.41 调幅弯矩(调幅0.2) 2.226.65-6.553.78-3.190.19-1.502.03-3.383.371.13αS 0.021 0.062 0.061 0.035 0.030 0.002 0.014 0.019 0.032 0.032 0.011 ξ0.021 0.064 0.063 0.036 0.030 0.002 0.014 0.019 0.032 0.032 0.011A s93 2862821601358638514314347选配钢筋8@1508@1508@1508@2008@2008@2008@2008@2008@2008@20008@200实配面积335 335335251251251251251251251251(2)、次梁次梁截面为200X400mm①、荷载屋面板传来恒载 4.18 3.5=14.63KN/m次梁自重0.2*0.4*25=2KN/m恒载Σ=16.63KN/m活载0.7 3.5=2.45KN/m总荷载P=1.2g+1.4q=1.2*16.63+1.4*2.45=23.39KN/m②、计算简图l=l n =7.0-0.3/2*2=6.7m③、次梁弯矩计算截面 A 1 B 2 C 3弯矩系数-0.0417 0.0714 -0.0909 0.0625 -0.0714 0.0625弯矩-43.75 75.00 -95.45 65.62 -75.00 65.62④、次梁剪力计算截面 A B左B右C左C右剪力系0.3940 -0.6060 0.5260 -0.4740 0.5000⑤、配筋计算有效高度h0=400-35=365mma、正截面配筋316 218+220 216+218318316316b、斜截面配筋验算截面尺寸:Hw=h0-h’f=365-100=265mm,因hw/b=265/200<4,截面尺寸按下式验算:0.25f c bh 0=0.25*16.7*200*365=304.75KN>Vmax=94.97KN 截面尺寸满足要求 计算所需腹筋: 采用8双肢箍筋,计算支座B 左侧截面。
2.2楼板结构布置选首层结构平面进行设计,楼盖梁板结构布置及构件编号和尺寸见结施图,由于是对称的选其中一部分进行计算,楼面板的布置如下图所示(图中尺寸单位为mm):附图12.3 荷载计算(1)楼面板(不包括卫生间)(100mm)B1.B2.地砖地面 0.55 kN/m220mm厚水泥砂浆抹平 20*0.02=0.40 kN/m2100mm厚现浇钢筋混凝土楼板 25*0.10=2.50 kN/m215mm厚天棚抹灰 17*0.015=0.25kN/m2—————————————————————————————————恒载标准值 = 3.70kN/m2恒载设计值g=3.70*1.2 = 4.44 kN/m2活载设计值 q=2.00*1.4 = 2.80 kN/m2合计 p=g+q=7.24 kN/m2(2)走廊楼面板(80mm)B3.B4地砖地面 0.55 kN/m220mm厚水泥砂浆抹平 20*0.02=0.40 kN/m280mm厚现浇钢筋混凝土楼板 25*0.08=2.00 kN/m215mm 厚天棚抹灰 17*0.015=0.25kN/m 2—————————————————————————————————恒载标准值 = 3.20 kN/m 2恒载设计值 g=3.20*1.2= 3.84 kN/m 2活载设计值 q=2.50*1.4= 3.50 kN/m 2合计 p=g+q=7.34 kN/m 2(3)卫生间楼面板(100mm )B6铺地面砖 0.55 kN/m 220mm 厚1:3水泥砂浆找坡 20*0.02=0.40 kN/m 2100厚现浇钢筋混凝土楼板 25*0.10=2.50 kN/m 2450厚煤渣 0.45*7=3.20 kN/m 215mm 厚天棚抹灰 17*0.015=0.25kN/m 2—————————————————————————————————恒载标准值 = 6.90kN/m 2恒载设计值 g=6.90*1.2= 8.28 kN/m 2活载设计值 q=2.50*1.4= 3.50 kN/m 2合计 p=g+q=11.78 kN/m 21.几何参数简化计算跨度: L x = 3600 mm; L y = 6000 mm板厚: h = 100 mm as = 20 mm h 0=100-20=80mm 2.材料信息混凝土等级: C30 f c =14.3N/mm 2 f t =1.43N/mm 2 f tk =2.0N/mm 2 E c =3.0*104 N/mm 2钢筋种类: HPB300 f y = 270 N/mm 2 E s = 2.0*105 N/mm 2保护层厚度: C = 15mm2.4 板的计算(按弹性理论计算)在求各区格板跨内正弯矩时,按恒荷载均布及活荷载棋盘式布置计算,取荷载为: ⎪⎪⎩⎪⎪⎨⎧+='='22q g g q q 在g '作用下,合内支座均可视为固定,某些区格板跨内最大弯矩不在板的中心点处在q '作用下,各区格板四边均可视为简支,跨内最大弯矩则在中心点处,计算时,可近似去二者之和作为跨内最大正弯矩值。
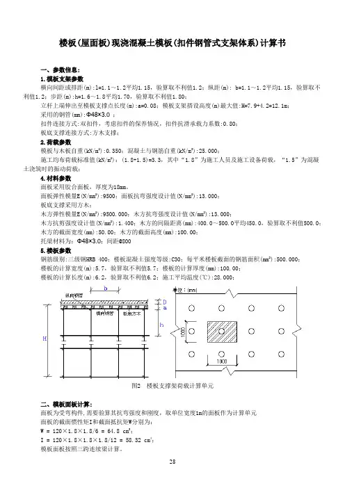
楼板(屋面板)现浇混凝土模板(扣件钢管式支架体系)计算书一、参数信息:1.模板支架参数横向间距或排距(m):l=1.1~1.2平均1.15,验算取不利值1.2;纵距(m): b=1.1~1.2平均1.15,验算取不利值1.2;步距(m):h=1.6~1.8平均1.70,验算取不利值1.80;立杆上端伸出至模板支撑点长度(m):a=0.08;模板支架搭设高度(m)最大值:H=7.9+4.2=12.1m;采用的钢管(mm):Φ48×3.0 ;扣件连接方式:双扣件,考虑扣件的保养情况,扣件抗滑承载力系数:0.80;板底支撑连接方式:方木支撑;2.荷载参数模板与木板自重(kN/m2):0.350;混凝土与钢筋自重(kN/m3):25.000;施工均布荷载标准值(kN/m2):(1.8+1.5)=3.3,其中“1.8”为施工人员及施工设备荷载,“1.5”为混凝土浇筑时的振动荷载;4.材料参数面板采用胶合面板,厚度为18mm。
面板弹性模量E(N/mm2):9500;面板抗弯强度设计值(N/mm2):13.000;板底支撑采用方木;木方弹性模量E(N/mm2):9500.000;木方抗弯强度设计值(N/mm2):13.000;木方抗剪强度设计值(N/mm2):1.400;木方的间隔距离(mm):400.0~500.0平均450.0,验算取不利值500.0;木方的截面宽度(mm):50.00;木方的截面高度(mm):100.00;托梁材料为:Φ48×3.0;间距@8005.楼板参数钢筋级别:三级钢HRB 400;楼板混凝土强度等级:C30;每平米楼板截面的钢筋面积(mm2):500.000;楼板的计算宽度(m):5.7,验算取不利值5.7;楼板的计算厚度(mm):100.00;楼板的计算长度(m):6.2,验算取不利值6.2;施工平均温度(℃):28.000;图2 楼板支撑架荷载计算单元二、模板面板计算:面板为受弯构件,需要验算其抗弯强度和刚度,取单位宽度1m的面板作为计算单元面板的截面惯性矩I和截面抵抗矩W分别为:W = 120×1.8×1.8/6 = 64.8 cm3;I = 120×1.8×1.8×1.8/12 = 58.32 cm4;模板面板按照三跨连续梁计算。
挠度验算计算书一、设计资料构件类型: 屋盖、楼盖及楼梯构件截面类型: 矩形截面截面尺寸:b ×h = 250 mm × 550 mm;h0 = h - a s = 550 - 60 =490 mm挠度系数: S = 5 / 48计算跨度: l0 = 6550 mm受拉区纵筋实配面积: A s = 1884.00 mm2受压区纵筋实配面积: A's = 0.00 mm2混凝土: C25f tk = 1.78N/mm2E c = 2.8 × 104 N/mm2主筋: HRB335(20MnSi)E s = 2.0 × 105 N/mm2按荷载效应的标准组合计算的弯矩值: M k = 170.27 kN·m按荷载效应的准永久值组合计算的弯矩值: M q = 151.45 kN·m250 55二、计算结果1.裂缝间纵向受拉钢筋应变不均匀系数ψ有效受拉混凝土截面面积A te = 0.5bh = 0.5 × 250 × 550 = 68750 mm2按规范公式(8.1.2-4),按有效受拉混凝土截面面积计算,纵向钢筋配筋率ρteρte = A sA te=188468750= 0.027404按规范公式(8.1.3-3),按荷载效应的标准组合计算,钢筋混凝土构件纵向受拉钢筋的应力σsk =M k0.87h0A s=170270000.000.87 × 490 × 1884= 212.00 N/mm2按规范公式(8.1.2-2),得ψ = 1.1 - 0.65f tkρteσsk= 1.1 - 0.65 ×1.780.027404 × 212.00= 0.90082.短期刚度B s钢筋、混凝土弹性模量的比值αE = E sE c=20000028000= 7.143纵向受拉钢筋配筋率ρ = A sbh0=1884250 × 490= 0.015380受压翼缘截面面积与腹板有效截面面积的比值γf' = 0 按规范公式(8.2.3-1),得B s = E s A s h 021.15ψ + 0.2 + 6αE ρ1 + 3.5γf '= 200000 × 1884 × 49021.15 × 0.9008 + 0.2 + 6 × 7.1429 × 0.0153801 + 3.5 × 0.0000 × 10-9 = 47738.70 kN·m 23.长期刚度 B纵向受压钢筋配筋率 ρ' = A's bh 0 = 0250 × 490 = 0.0按规范公式(8.2.5-1),得荷载长期作用对挠度增大的影响系数 θθ = 2.0 - 0.4ρ'ρ = 2.0 - 0.4 × 0.00.015380 = 2.0按规范公式(8.2.2),得 B = M k M q (θ - 1) + M k B s = 170.27151.45 × (2.000 - 1) + 170.27 × 47738.70 = 25265.66 kN·m 24.挠度:挠度f = 548 M k l 02B = 548 × 170.27 × 6550225265.66 × 10-3 = 30.117 mmf l 0 = 30.1176550 = 1217 < 1200该构件挠度满足规范要求!。
结构设计计算书一、梁计算:(一)屋面验算:本设计的钢结构梁均为简支梁,材质为Q345,材料设计标准值为310N/mm²;以最不利构件计算,主梁取F~G轴线/4轴线之间的钢梁GL1,次梁取1~4轴线/F~G 轴线之间的次梁GL3验算。
1.次梁GL3验算HN400×150×8×13(1)永久荷载计算:防水层荷载(两层3mm厚SBS): 2.1×0.006×5000×10=0.63KN/m;防水找平层(20mm厚水泥砂浆): 2.1×0.02×1700×10=0.84KN/m;屋面1:6珍珠岩水泥砂浆找坡层(平均厚度200mm):2.1×0.2×800×10=3.36KN/m;100mm厚挤塑板保温层: 2.1×0.1×40×10=0.084KN/m;150mm厚钢承板C30砼结构板:(2.1×0.074+2.1×0.076÷2)×2500=5.88KN/m HN400×150×8×13钢梁自重:55.8×10=0.558KN/m;合计:11.352KN/m (2)屋面活荷载计算:不上人屋面活荷载标准值:0.5KN/㎡: 2.1×0.5=1.05KN/m;基本雪载:0.35KN/㎡: 2.1×0.35=0.735KN/m;基本风荷载:0.25KN/㎡: 2.1×0.25=0.525KN/m;施工荷载:2.0KN/㎡: 2.1×2.0=4.2KN/m;合计: 6.51KN/m (3).弯矩计算:M=ql²/8=(1.35×11.352+1.4×6.51)×9²÷8=220.887KN.m(4)验算钢梁弯矩值:W=M/f=220.877×1000×1000÷310=712538.7mm³=712.54cm³经过查表得钢梁HN350×175×7×11的W x=782cm³>712.54 cm³2.主梁GL1验算(HN692×300×13×20):11.352×9÷2=45.408次梁传来的集中荷载简图F1 =45.408 F2=45.408 F3=45.408弯矩组合计算:M=1.35×1.66×8.42÷8+45.408×3×4.2×1.35=792.16KN.MW=M/f=964.4103×1000×1000÷295=2685273.559mm³<4980cm³选用HN700×300×13×203.主梁GL2验算:1.主梁验算HN400×150×8×13(1)永久荷载计算:防水层荷载(两层3mm厚SBS): 2.0×0.006×5000×10=0.60KN/m;防水找平层(20mm厚水泥砂浆): 2.0×0.02×1700×10=0.68KN/m;屋面1:6珍珠岩水泥砂浆找坡层(平均厚度200mm):2.0×0.2×800×10=3.2KN/m;100mm厚挤塑板保温层: 2.0×0.1×40×10=0.08KN/m;150mm厚钢承板C30砼结构板:(2.0×0.074+2.0×0.076÷2)×2500=5.6KN/m HN400×150×8×13钢梁自重:55.8×10=0.558KN/m;合计:10.718KN/m (2)屋面活荷载计算:不上人屋面活荷载标准值:0.5KN/㎡: 2.0×0.5=1.0KN/m;基本雪载:0.35KN/㎡: 2.0×0.35=0.70KN/m;基本风荷载:0.25KN/㎡: 2.0×0.25=0.50KN/m;施工荷载:2.0KN/㎡: 2.0×2.0=4.0KN/m;合计: 6.2KN/m(3).弯矩计算:M=ql²/8=(1.35×11.398+1.4×6.2)×8.4²÷8=212.274KN.m(4)验算钢梁弯矩值:W=M/f=212.274×1000×1000÷310=684753.5mm³=684.75cm³经过查表得钢梁HN350×175×7×11的W x=782cm³>827.36 cm³2.主梁GL2验算(HN600×200×11×17):10.718×8.4÷2=47.872次梁传来的集中荷载简图F1 =47.872 F2=47.872 F3=47.872弯矩组合计算:M=1.35×0.896×82÷8+45.016×3×4×1.35=785.2KN.MW=M/f=889.8×1000×1000÷295=2661705.763mm³<3000cm³选用HN600×200×11×17(二)楼面积算:1.次梁GL3验算HN400×150×8×13(1)永久荷载计算:楼面装修材料荷载: 1.20KN/m150mm厚钢承板C30砼结构板:(2.1×0.074+2.1×0.076÷2)×2500=5.88KN/m HN400×150×8×13钢梁自重:55.8×10=0.558KN/m;合计:7.638KN/m (2)屋面活荷载计算:医院楼面活荷载标准值:0.5KN/㎡: 2.5KN/m;施工荷载:2.0KN/㎡: 2.1×2.0=4.2KN/m;合计: 6.7KN/m (3).弯矩计算:M=ql²/8=(1.35×7.638+1.4×6.7)×9²÷8=119.374KN.m(4)验算钢梁弯矩值:W=M/f=119.374×1000×1000÷310=643143.266mm³=643.143cm³经过查表得钢梁HN350×175×7×11的W x=782cm³>643.143 cm³2.主梁GL1验算(HN692×300×13×20):7.638×9÷2=45.408次梁传来的集中荷载简图F1 =34.371 F2=34.371 F3=34.371弯矩组合计算:M=1.35×1.66×8.42÷8+34.371×3×4.2×1.35+6.7×8.42÷8=679.456KN.MW=M/f=679.456×1000×1000÷295=2303.241mm³<4980cm³选用HN700×300×13×203.主梁GL2验算:1.主梁验算HN400×150×8×13(1)永久荷载计算:楼面装修材料荷载: 1.20KN/m150mm厚钢承板C30砼结构板:(2.0×0.074+2.0×0.076÷2)×2500=5.6KN/m HN400×150×8×13钢梁自重:55.8×10=0.558KN/m;合计:7.358KN/m (2)楼面活荷载计算:楼面活荷载标准值: 2.5KN/m;施工荷载:2.0KN/㎡: 2.0×2.0=4.0KN/m;合计: 6.5KN/m (3).弯矩计算:M=ql²/8=(1.35×7.358+1.4×6.5)×8.4²÷8=167.874KN.m (4)验算钢梁弯矩值:W=M/f=167.874×1000×1000÷310=541.528.084mm³=541.528cm³经过查表得钢梁HN350×175×7×11的W x=782cm³>541.528 cm³2.主梁GL2验算(HN600×200×11×17):7.358×8.4÷2=30.904 次梁传来的集中荷载简图F1 =30.904 F2=30.904 F3=30.904弯矩组合计算:M=1.35×0.896×82÷8+30.904×3×4×1.35+6.5×1.4×82÷8=583.115KN.M W=M/f=583.115×1000×1000÷295=1976661.424mm³<3000cm³选用HN600×200×11×17二、单柱荷载计算以F轴线与4轴线交点的柱进行计算:P=47.872×3+45.408×3+34.371×3+30.904×3=475.665KN故单柱承载力为475.665KN单柱强度验算:P÷S=475.665×1000÷12040=39.507N/mm2<215N/mm2单柱稳定性验算:λ=l0/¡,¡=(I/A)1/2=(20500÷120.4)1/2=13.05cmλ=l0/¡=360÷13.05=27.59<150。
(1) 楼面做法:20mm 厚水泥砂浆面层,钢筋混凝土现浇板,20mm 厚水泥砂浆顶棚。
(2) 楼面荷载:均布活荷载标准值4.0KN/m 2。
(3) 材料:混凝土强度等级为C20,梁内受力纵筋为HRB335,其他为HRB235钢筋。
确定主梁的跨度为6.3m,次梁的跨度为6.3m,主梁每跨内布置两根次梁,板的跨度为2.1m,楼盖结构平面布置图见图 SJ-1。
按高跨比的条件,要求h ≥2100/40=53mm 。
对工业建筑的楼盖板,要求h ≥80mm,取板厚h=80mm。
次梁截面高度应满足h=l/18~l/12=6300/18~6300/12=(##~##)mm 。
取h=##mm 。
钢筋混凝土现浇单向板肋型楼盖设计 某轻工厂房的楼盖,拟采用政体式钢筋混凝土单向板肋梁楼盖,其中板、次梁按考虑塑性内力重分布考虑,主梁按弹性理论设计。
2.楼该的结构平面布置 1.设计资料SJ-1楼盖平面截面宽度取为b=##mm 。
主梁截面高度应满足h=l/15~l/10=6300/15~6300/10=(##~##)mm 。
取h=##mm 。
截面宽度取为b=##mm 。
(1) 荷载板的恒荷载标准值:20mm 厚水泥砂浆面层0.02×20=KN/m 280mm 厚钢筋混凝土板0.08×20=KN/m 220mm 厚板底石灰砂浆0.02×17=KN/m 2小计KN/m 2板的活荷载标准值:KN/m 2恒载分项系数取1,活荷载分项系数为1于是板的恒载设计值g=1=KN/m2活载设计值q=1=KN/m 2恒载设计值g+q=KN/m 2(2) 计算简图次梁截面为##mm×##mm,现浇板在墙上的支撑长度不小于100mm ,取板在墙上的支 承长度为##mm 按内力重分布设计,板的计算跨度:边跨:l 01=l n +h/2=2100-100-120+80/2=< 1.025l n =mm,取l 01=mm 中间跨:l02=ln=2100-200= 因跨度相差小于10%,可按等跨连续板计算。
212l 即500mm 232h 即200mm ,取310l即600mm,32h即200300b mm,300mm=。
单向板肋梁楼盖结构平面布置如下图所示:(3).弯矩设计值计算相关数据代入公式后计算结果列入下表中:①②⑤⑥8@200251.0 8@200251.06/8@200196.08@200251.0②⑤6/8@170231.08@200251.06@170166.08@200251.0注:对轴线②⑤(3).内力设计值计算,列入下表中:318 763318 7633144613166036,双肢箍,可得箍筋间距:⨯30056.6(3).内力计算1).弯矩计算弯矩包络图(单位:kN m ⋅)(4).正截面承载力计算 1).确定翼缘宽度主梁跨中按T 型截面计算,翼缘宽度取:边跨:'0358*******f b l mm ===,'3005400=5700f n b b s mm =+=+ 取较小值'1963f b mm =;中跨:'03600032000f b l mm ===,'3005400=5700f n b b s mm =+=+ 取较小值'1963f b mm =。
支座截面仍按矩形截面计算。
222(弯)3181523 322(弯)3161743125(弯)218889.12164028 @250⨯1.27300140.31kN验算最小配筋率:8 @200排,次梁两侧各布置若不设吊筋,则14,主梁边支座下需设置梁垫,计算从略。
s s s第五章施工图的绘制5.1施工图绘制按照国家制图标准《房屋建筑制图统一标准》和《建筑结构制图标准》绘制施工图,合理图面布置,正确表达,文字规范,线条清楚,达到施工图设计深度要求。
5.2 结构平面布置图绘制结构平面布置图如图二,注意哪些用实线表示,哪些用虚线表示。
给板、主梁和次梁编号,尺寸标注要求清楚、完整。
5.3 板的配筋图板的钢筋负弯矩筋画在上边(左边),正弯矩筋画在下边(右边)。
图上标注的受力钢筋直径和间距与计算书上计算出来的要相对应。
沿墙四周、单向板的非受力方向和横向主梁上设计构造钢筋。
所有钢筋注明直径和间距,受力负筋和构造负筋注明尺寸。
所有钢筋均编号,编号相同的钢筋只需在一处注明钢筋直径、间距和尺寸。
钢筋用粗线表示,其他用细线表示。
5.4主、次梁的配筋图画出梁的纵断面图和每跨的跨中和支座处的横断面图见图纸。
主梁钢筋截断点和起弯点应根据弯矩包络图确定,钢筋在支座的锚固长度应根据构造要求确定。
在梁的纵断面图上标注钢筋的编号和断点位置。
除开计算得到的纵向受力钢筋和箍筋以外,还要设计构造钢筋:边支座的构造负筋和架力钢筋。
横断面图上应将钢筋的根数、钢筋位置、钢筋直径、钢筋编号表示清楚。
在一个横断面图上应标注断面宽度和高度。
横断面图上的钢筋编号与纵断面图应一致,且纵横断面图上的受力钢筋直径与根数与计算书上计算得到的应一致。
箍筋的直径与间距应与计算书上一致。
画抽筋图时应将梁上部钢筋画在上边,下部钢筋画在下边;钢筋的长短与纵断面图上的钢筋对应。
注意同一张图上,断面编号只能出现一次,如只能有一个1-1断面。
钢筋用粗线表示,其他均用细线。
Ⅱ级钢筋的断点用短斜线表示,Ⅰ级钢筋端头本身带有圆弯钩。
直径、长短和形状完全相同的钢筋用同样的编号。
3课程设计体会如果说理论学习和社会实践之间是一条河,那么课程设计是跨越河流,实现两岸连通的桥梁。
此次课程设计虽然只持续了一周时间,然而,却为我深入认识自己提供了一个平台,同时也使自己的理论学习与社会实践有了一次小小的结合,因此受益匪浅。
现浇单向板肋梁楼盖课程设计计算书姓名:班级:学号:现浇单向板肋梁楼盖设计计算书楼盖平面图如下:1、设计资料:1)楼盖平面尺寸如上图所示2)楼面活荷标准值6.5KN/m23) 仓库四周外墙均为承重砖墙,内设钢筋混凝土柱,其截面尺寸为:350mm×350mm4) 构造层做法:水磨石面层,底板20mm厚混合砂浆天棚抹灰。
楼面面层水磨石地面γ=0.65KN/m2;钢筋混凝土容重γ=25KN/m3;混合砂浆容重γ=17KN/m3 。
5)材料:混凝土强度等级采用C20或C25,主梁及次梁受力筋用HRB335级钢筋,板内及梁内的其他钢筋可以采用HPB235级钢筋。
2、结构平面布置:1) 根据楼盖的平面尺寸及主梁、次梁、板跨度的一般规定,本单向板肋梁楼盖的相关跨度取值为:单向板跨度2.2m、次梁跨度5.4m、主梁跨度6.6m。
板的厚度根据最小允许厚度及h≥1/40L,h=100mm2)主、次梁截面尺寸次梁:h=(1/12~1/18)×5400=300mm~450mm 取h=450mmb=(1/3~1/2)h=150mm~225mm 取b=200mm 主梁:h2=(1/14~1/8)×6600=471mm~825mm 取h2=650mmb2=(1/3~1/2)h=216mm~325mm 取b2=250mm3)梁板结构平面布置图详见〖CAD 1号图〗附页13、单向板肋梁楼盖得板的设计:(按塑性理论计算)1>荷载计算板的荷载设计值计算如下: 恒载:水磨石地面 ————————— 1.2×0.65=0. 78KN /m 2 100mm 厚结构层——————— 1.2×0.1×25=3KN /m 2 20mm 厚混合砂浆顶棚抹灰层——1.2×0.02×17=0.408KN /m 2 恒载总和—— g=4.188KN /m 2活载:因为活载标准值为6.5KN /m 2, 活载系数为1.3 所以 q=1.3×6.5=8.45KN /m 2 荷载总和— g +q=12.638KN /m 22>计算简图取1m 宽板带作为计算单元,各跨的计算跨度如下: (a=120mm,h=100mm ) 边跨:L 0=L n +min 错误!未指定书签。
模板支架对混凝土楼盖影响分析计算书计算依据:
1、《建筑施工模板安全技术规范》JGJ162-2008
2、《混凝土结构设计规范》GB50010-2010
3、《建筑结构荷载规范》GB 50009-2012
一、工程属性
结构模型立面图
结构模型平面图
三、荷载参数
当前施工层每根立杆传递荷载(kN) 7 施工荷载(kN/m 2
) 4 振捣荷载(kN/m 2
) 2 钢筋混凝土自重(kN/m 3
)
25.1
模板自重(kN/m 2)
0.3
四、各楼层荷载计算
1、第3层荷载计算
模板类型
胶合板 本层砼的龄期(天)
7 砼的实测抗压强度f c (N/mm 2
) 8.294 砼的实测抗拉强度f tk (N/mm 2
)
0.829
砼的弹性模量实测值E(MPa)
22800
立杆传递荷载组合值:P 3=7kN
楼盖自重荷载标准值:g 3=h 3/1000×25.1=2.51kN/m 2 2、第2层荷载计算
模板类型胶合板本层砼的龄期(天) 14
砼的实测抗压强度f c(N/mm2) 11.154 砼的实测抗拉强度f tk(N/mm2) 1.115 砼的弹性模量实测值E(MPa) 27600
立杆传递荷载标准值:q2=0.528kN/m
楼盖自重荷载标准值:g2=h2/1000×25.1=2.51kN/m2
3、第1层荷载计算
模板类型胶合板本层砼的龄期(天) 21
砼的实测抗压强度f c(N/mm2) 12.87 砼的实测抗拉强度f tk(N/mm2) 1.287 砼的弹性模量实测值E(MPa) 29400
立杆传递荷载标准值:q1=0.66kN/m
楼盖自重荷载标准值:g1=h1/1000×25.1=2.51kN/m2
4、各楼层荷载分配:
假设层间支架刚度无穷大,则有各层挠度变形相等,即:
P1/(E1h13)=P2/(E2h23)=P3/(E3h33)...则有:P i'=(E i h i3∑F i)/(∑(E i h i3))
根据此假设,各层楼盖承受荷载经模板支架分配后的设计值为:
楼层各楼层混凝土
弹性模量
E i(MP a)
各楼层板厚
h i(mm)
楼盖自重荷载
标准值
g i(kN/m2)
立杆传递荷载
标准值
q i(kN/m2)
分配后各楼层
恒载的设计值
G i(kN/m2)
分配后各楼层活
载的设计值
Q i(kN/m2)
3 22800 100 2.51 5.785 2.582 2.789 2 27600 100 2.51 0.528 3.125 3.376
1 29400 100 2.51 0.66 3.329 3.596
G i=1.2×[E ci h ci3/(E ci h ci3+E ci-1h ci-13+E ci-2h ci-23)]×(g i+g i-1+g i-2)
Q i=1.4×[E ci h ci3/(E ci h ci3+E ci-1h ci-13+E ci-2h ci-23)]×(q i+q i-1+q i-2)
五、板单元内力计算
1、第3层内力计算
第3层配筋图第3层板单元内力计算
依据《工程结构设计原理》板的正截面极限计算公式为:
A s(mm2) f y(N/mm2) b(mm) h0=h-20(mm) fcm(N/mm2) ζ251.327 300 1000 80 8.294 0.114 785.398 300 1000 80 8.294 0.355 备注ζ=A s f y/bh0fcm
第2层配筋图第2层板单元内力计算
矩形截面受压区高度
A s(mm2
) f y(N/mm2
)
h0=h-20(
mm)
α1f c(Mpa) b(mm)
f y'(N/mm
2
)
A s'(mm2) χ(mm) αs' 比较
785.398 300 80 1 11.154 1000 300 785.398 0 20 χ<2αs'矩形截面相对受压区高度
A s(mm2) f y(N/mm2) b(mm) h0=h-20(mm) fcm(N/mm2) ζ
251.327 300 1000 80 11.154 0.084
785.398 300 1000 80 11.154 0.264
备注ζ=A s f y/bh0fcm
第1层配筋图第1层板单元内力计算
矩形截面受压区高度
A s(mm2
) f y(N/mm2
)
h0=h-20(
mm)
α1f c(Mpa) b(mm)
f y'(N/mm
2
)
A s'(mm2) χ(mm) αs' 比较
785.398 300 80 1 12.87 1000 300 785.398 0 20 χ<2αs'
矩形截面相对受压区高度
A s(mm2) f y(N/mm2) b(mm) h0=h-20(mm) fcm(N/mm2) ζ251.327 300 1000 80 12.87 0.073 785.398 300 1000 80 12.87 0.229 备注ζ=A s f y/bh0fcm
1、本结构按压弯构件进行计算
根据《混凝土结构设计规范(GB50010)》规定,受冲切承载力应满足下式。