Lust变桨系统调试相关事项说明_更新
- 格式:doc
- 大小:47.00 KB
- 文档页数:4
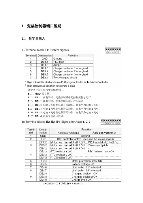
1变桨控制器端口说明1.1数字量输入其中各个端子信号中文解释如下:E1.1:GND 数字地。
E1.2:DE1.1 高电平时,变桨控制器中的控制流程才运行。
E1.3:DE1.2 高电平时,变桨控制程序才产生驱动。
E1.4:DE1.3 电池1充电继电器开关动作,高电平为电池1充电。
E1.5:DE1.4 电池2充电继电器开关动作,高电平为电池2充电。
E1.6:DE1.5 电池3充电继电器开关动作,高电平为电池3充电。
E1.7:DE1.6 电池充电测试信号。
其中各个端子信号中文解释如下(由于目前变桨系统为版本3,这里只对版本3的信号作解释):E2.1~4.1:GND 数字地。
E2.2~4.2:DE2.1~4.1 高电平对应电机驱动器工作正常。
如该电平从高变低,变桨控制器不会停止整个变桨系统,只停止该故障电机。
E2.3:DE2.2 高电平对应电机风扇1~3全部处于启动状态。
E3.3:DE3.2 变桨超速信号,来自WP2039超速模块(测试发电机转速),低电平对应发生超速状态。
E4.3:DE4.2 保留。
E2.4:DE2.3 高电平对应电机1~3热敏电阻正常,即电机没有超温(没有超过150度)。
E3.4~4.4:DE3.3~4.3 保留。
E2.5~4.5:DE2.4~4.4 高电平分别表示电机1~3转子正常,即没有过流。
E2.6~4.6:DE2.5~4.5 高电平对应电池1~3电压正常。
E2.7~4.7:DE2.6~4.6 高电平表示桨叶1~3 91度限位被触发。
E2.8~4.8:DE2.7~4.7 高电平表示桨叶1~3 95度限位被触发。
E2.9~3.9:DE2.8~3.8 高电平表示充电设备1~2正常。
E4.9:DE4.8 高电平表示充环路正常。
1.2模拟量输入其中各个端子信号中文解释如下:E5.1:/AE1.4 电机1温度信号PT100输入。
E5.2:/AE1.4 电机1温度信号PT100输入。
E5.3:/AE1.5 电机2温度信号PT100输入。
Lust变桨系统调试说明1、操作说明:为确保系统调试安全,必须预先进行以下措施:①现场调试人员必须佩戴好安全帽;②400V电源的三相线、零线和地线必须可靠连接,避免缺相或漏接;③上电前确认主控箱和轴控箱的开关处于断开状态;④所有连接电缆连接正确(电机后面的编码器电缆号是S1、S2和S3;冗余编码器的电缆号是T1、T2和T3,若反接,会出现飞车故障);⑤上电前将电机的轴键拆除或利用扎带将其捆扎牢固;⑥上电前确认电机与底座是否可靠固定;⑦电池箱箱盖闭合(完成检查);2、系统紧急顺桨:①Profibus通信故障(或者不正常);②Pitch Master故障;③电机侧编码器故障;④安全链信号输入无+24V(硬输入点);⑤未提供+24COM(硬输入点);⑥Emergency mode位为1;3、手动模式手动模式用于机械调零和现场安装调整用,转动速度为2.5度/秒。
手动模式前提条件:①手动模式信号为1(硬输入点),并观察主控箱的9A1的第8通道的灯是否点亮;②Profibus通信正常,或者短接17K7的13、14引脚;③Normal Operation Mode设置为0;④Emergency Mode位为0;⑤转动任一个桨叶时,另外两个桨叶为91度位置(或者通过关闭轴箱的电源模拟);⑥轴箱电池开关处于断开状态;⑦手动旋钮的通道选择的0、1、2和3分别对应空档、轴控箱1、轴控箱2和轴控箱3;转动方向旋钮控制的是电机的正传和反转;4、自动模式自动模式必须满足以下条件:①先闭合主控箱的400V电源;②Profibus通信正常;③将Fault Reset置位1,然后置0;④闭合轴箱的电池开关和电源开关前确保通信的Emerge Mode(读)为0和Normal Operation Mode(写)为0;硬接点的Safety Signal(为高电平)、+24V和0V有正常连接,Manual Operation为0。
否则会出现飞车现象;⑤轴控箱上电顺序:先闭合电池开关(5Q1),然后闭合电源开关(6S1)。
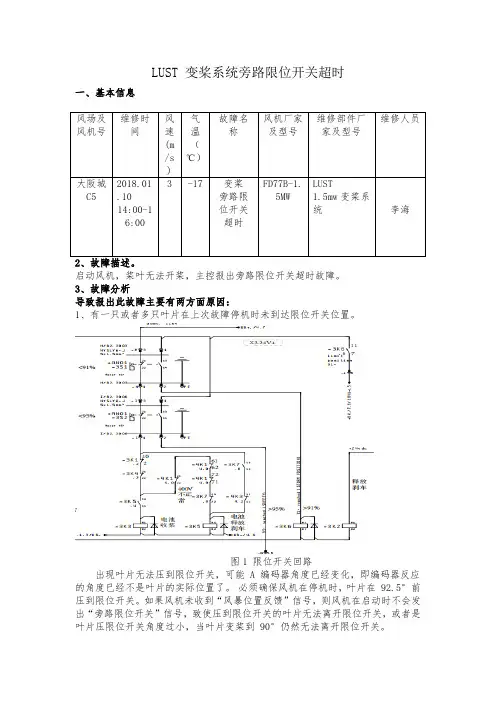
LUST 变桨系统旁路限位开关超时一、基本信息启动风机,桨叶无法开桨,主控报出旁路限位开关超时故障。
3、故障分析导致报出此故障主要有两方面原因:1、有一只或者多只叶片在上次故障停机时未到达限位开关位置。
图1 限位开关回路出现叶片无法压到限位开关,可能 A 编码器角度已经变化,即编码器反应的角度已经不是叶片的实际位置了。
必须确保风机在停机时,叶片在 92.5°前压到限位开关。
如果风机未收到“风暴位置反馈”信号,则风机在启动时不会发出“旁路限位开关”信号,致使压到限位开关的叶片无法离开限位开关,或者是叶片压限位开关角度过小,当叶片变桨到 90°仍然无法离开限位开关。
2、有一只或者多只叶片无法变桨。
图2 驱动回路主控给变桨的三个信号异常:A、正常变桨信号(主电源 OK 信号、MITA 等系统的 103 信号):当此信号=0 时,将开始电池收桨。
故障表现有:启机时,叶片脱开限位开关后,马上收桨;正常运行时,报错桨角不一致、跟踪设定值超速等;B、旁路限位开关信号:风机启动时,此信号将=1,其他时间均等于 0。
故障表现有:启机时,若=0,风机无法变桨;正常运行时,若=1(进行了短接),叶片无法启动电池收桨;禁止将此信号常置为一(短接),后果严重。
C、Rpm OK 正常信号:风机快速收桨时,此信号将=0,其他时间均等于 1。
故障表现有:启机时,若=0,叶片达到 90°后不再动作;正常运行时,若=0,叶片开始快速收桨。
4、处理方法1、检查编码器数值未跳变,三面限位开关已经压在挡板上,并且查看变桨控制器显示叶片压限位开关角度在 91.6±0.3°内,属于为最佳位置。
所以排除第一种可能。
2、在主控柜打上人工维护开关,进入轮毂用变桨控制器变桨,但无法变桨。
根据前面分析我们分别测量图2中正常变桨信号、旁路限位开关信号和Rpm OK 信号(在变桨控制器DE3.3端口处)是否为24V,在测量时发现旁路限位开关信号为0V,有图3可知道打上维护开关时24V已经通过105端子送出,如果电压为零很可能是哪里接地了,于是我们从末端脱开线测量电压,也就是如图2中脱开3K1线圈上端的旁路限位开关信号线进行测量,发现有24V 电压。
我公司风力发电机组分别采用SSB和LUST公司生产的电动式变桨系统,分别对其进行介绍。
1 SSB变桨系统的调试1.1 系统上电在机舱闭合机舱柜中的开关202Q1(变压器690/400V,向轮毂供电)、203Q1(变桨的400V供电)和203F4(变桨的230V供电)。
在闭合开关之前,需要先在开关的上侧测量电源是否正常,如电压值是否正常,是否有缺相的情况等。
进入轮毂,打开变桨主控柜,确认电源是否已经供进来了,可以在1F2的上侧(2,4,6)检查400V,在2F5的5和1端子检查230V。
如果供电顺利供入主控柜,然后手动吸合2K1。
在主控柜中闭合开关1F2(向轴柜1供400V)、1F3(向轴柜2供400V)和1F4(向轴柜3供400V)。
依次闭合3个轴柜上的开关1Q1(向柜内供400V)。
1.2 系统校零在机舱柜中将24V接入EFC端子,在轮毂主控柜中的X6的2端子上检查24V是否进来。
EFC是在安全链闭合的情况下从机舱柜通过滑环给变桨系统的24V信号。
只有在EFC信号为高的情况下,变桨系统才能够进行变桨。
将24V 直接接入EFC端子,使变桨系统能够在安全链不闭合的情况下也能进行变桨。
对变桨系统进行校零,需要通信接口CIF 60-PB卡和调试程序Pitch Visu。
通信接口CIF 60-PB卡如图1所示。
图1 通信接口CIF 60-PB卡把Profibus的接线端子打到“ON”的状态,如图2所示。
图2 Profibus的接线端子将CIF 60-PB卡接出的红绿两根线接入主控柜中8F1的7和11端子,红线接入7端子,绿线接入11端子。
将CIF 60-PB卡插入笔记本电脑,找到驱动并安装。
找到Pitch Visu的安装文件SetupPitchVisu_FB_V20.exe并安装。
打开Pitch Visu,首先要选择控制器GEL 8230的Profibus从站地址,如图3所示。
图3 选择从站地址SSB变桨系统需要选择3。
下载温馨提示:该文档是我店铺精心编制而成,希望大家下载以后,能够帮助大家解决实际的问题。
文档下载后可定制随意修改,请根据实际需要进行相应的调整和使用,谢谢!并且,本店铺为大家提供各种各样类型的实用资料,如教育随笔、日记赏析、句子摘抄、古诗大全、经典美文、话题作文、工作总结、词语解析、文案摘录、其他资料等等,如想了解不同资料格式和写法,敬请关注!Download tips: This document is carefully compiled by theeditor. I hope that after you download them,they can help yousolve practical problems. The document can be customized andmodified after downloading,please adjust and use it according toactual needs, thank you!In addition, our shop provides you with various types ofpractical materials,such as educational essays, diaryappreciation,sentence excerpts,ancient poems,classic articles,topic composition,work summary,word parsing,copy excerpts,other materials and so on,want to know different data formats andwriting methods,please pay attention!变桨安装调试系统是一种用于风力发电机变桨系统安装和调试的工具。
风力发电机的变桨系统是控制叶片角度以适应风力变化的重要组成部分。
变桨系统调试说明1.校零操作变桨到风场首次调试时需要进行校零操作,操作步骤如下:(1)变桨系统正常上电,与风机主控通讯正常后,将轴箱全切为手动模式(6S1)。
(2)以太网连接上PLC,打开Internet Explorer 浏览器,输入IP 地址http://192.168.10.30 进入变桨系统调试界面Pitch system,页面上可以看到当前桨叶角度反馈。
(3)在另外两个桨叶在安全位置的前提下,将本桨叶手动操作至机械零位(叶片角度刻度尺指示在零度)。
(4)短接10X1 的7、8 端子,观察当前Pitch system 上桨叶角度值是否变为0,如果是则校零成功,此时当前零位值会保存在码盘中。
(5)将本轴箱操作回89°,观察95°撞铁滑块是否在90°传感器附近。
(6)重复以上操作将另外两个桨叶校零。
注意:由于零位值记录在码盘中,调试校零后,运行维护过程中,不需重新校零。
电机码盘损坏的情况下,更换码盘后电机对应的桨叶需要按上述步骤重新校零。
2.Teach 操作变桨系统装有两个磁感应位置传感器,一个装在3°-5°附近,另一个装在90°附近。
轮毂轴内侧安装的95°撞铁上有一突起的滑块,轮毂轴转动带动叶片转动的同时,滑块随之转动,当其接近传感器时因磁感应而输出闭合信号至PLC,离开后该信号断开。
Teach 过程中,滑块接近传感器使其动作输出闭合信号时,PLC 会记录此时的码盘值Switch on,滑块继续运行经过传感器离开,传感器输出的闭合信号消失时PLC 会记录此时的值为Switch off,Teach 成功后,正常运行过程中,当码盘值处于(Switch on-0.2,Switch off+0.2)区间时,若一直检测不到传感器动作,则报相应的传感器故障。
每次码盘校零后必须重新Teach,具体步骤如下:(1)将变桨系统三个轴箱都切为手动,以太网连接上PLC,打开InternetExplorer 浏览器,输入IP 地址http://192.168.10.30 进入变桨系统调试界面,点击进入Initialization 界面(详见调试界面说明):(2)点击Position teach drive 右侧软按钮后,变桨先带动叶片转至92°,然后由92°开桨至-2°,在此过程中PLC 分别记录90°和3-5°传感器对应的Switch on 和Switch off 值。
变桨系统的基本操作变桨系统是一种高效利用风能的技术工具,它能够根据风速和风向的变化,自动调整桨叶的角度和转速,以使风能被最大程度地转化为电能。
下面将介绍变桨系统的基本操作。
一、变桨系统的概述变桨系统主要由变桨控制器、变桨驱动机构和变桨机构组成。
变桨控制器负责监测风速和风向,根据设定的参数控制变桨驱动机构的动作,进而调整桨叶的角度。
变桨驱动机构根据控制器的指令,通过液压或电动机等手段实现桨叶的转动。
变桨机构则是桨叶和驱动机构的连接部分,它能够使桨叶绕轴心转动。
二、变桨系统的基本操作步骤1.初始化:启动变桨系统前,需要对系统进行初始化。
包括检查并确保变桨控制器和驱动机构的工作状态良好,检查桨叶和机构的连接是否牢固,以及确认各通信线路是否连接正确。
2.监测环境:变桨系统需要实时监测环境中的风速和风向,通常会配备风速风向传感器。
传感器将风速和风向信息传递给变桨控制器。
3.判断风速:变桨控制器接收到风速信息后,根据预设的参数判断当前风速是否超过了设定值。
如果风速低于设定值,则不需要调整桨叶的角度;如果风速高于设定值,则需要根据参数设定的规则调整桨叶的角度。
4.调整桨叶角度:当风速超过设定值时,变桨控制器会通过信号传递给变桨驱动机构。
驱动机构根据控制器的指令,调整桨叶的角度。
如果风速过大,驱动机构会将桨叶的角度调整为最佳状态,以减小风对桨叶的影响,保证风能的最大利用率。
如果风速逐渐减小,则桨叶的角度也会随之调整。
5.监测桨叶状态:变桨系统还需要监测桨叶的工作状态,包括桨叶的转速、角度以及叶片表面的磨损程度等。
如果发现桨叶存在异常情况,如转速过高、角度偏差过大或磨损过度等,需要及时修复或更换。
同时,系统也应该随时准备好进行维护和保养。
6.停止系统:当风力不足或需要对系统进行检修时,可以选择停止变桨系统的运行。
这时,变桨控制器会发送停止信号给变桨驱动机构,桨叶会被固定在一些角度上,不再调整。
三、变桨系统的注意事项1.变桨系统的操作和维护需要由专业人员进行。
华锐风电科技有限公司风力发电机组培训教材变桨部分1.变桨控制系统简介变桨控制系统包括三个主要部件,驱动装置-电机,齿轮箱和变桨轴承。
从额定功率起,通过控制系统将叶片以精细的变桨角度向顺桨方向转动,实现风机的功率控制。
如果一个驱动器发生故障,另两个驱动器可以安全地使风机停机。
变桨控制系统是通过改变叶片迎角,实现功率变化来进行调节的。
通过在叶片和轮毂之间安装的变桨驱动电机带动回转轴承转动从而改变叶片迎角,由此控制叶片的升力,以达到控制作用在风轮叶片上的扭矩和功率的目的。
在90度迎角时是叶片的工作位置。
在风力发电机组正常运行时,叶片向小迎角方向变化而达到限制功率。
一般变桨角度范围为0~86度。
采用变桨矩调节,风机的启动性好、刹车机构简单,叶片顺桨后风轮转速可以逐渐下降、额定点以前的功率输出饱满、额定点以的输出功率平滑、风轮叶根承受的动、静载荷小。
变桨系统作为基本制动系统,可以在额定功率范围内对风机速度进行控制。
变桨控制系统有四个主要任务:1. 通过调整叶片角把风机的电力速度控制在规定风速之上的一个恒定速度。
2. 当安全链被打开时,使用转子作为空气动力制动装置把叶子转回到羽状位置(安全运行)。
3. 调整叶片角以规定的最低风速从风中获得适当的电力。
4. 通过衰减风转交互作用引起的震动使风机上的机械载荷极小化。
2.变桨轴承2.1安装位置变桨轴承安装在轮毂上,通过外圈螺栓把紧。
其内齿圈与变桨驱动装置啮合运动,并与叶片联接2.2工作原理当风向发生变化时,通过变桨驱动电机带动变桨轴承转动从而改变叶片对风向地迎角,使叶片保持最佳的迎风状态,由此控制叶片的升力,以达到控制作用在叶片上的扭矩和功率的目的。
2.3变桨轴承的剖面图从剖面图可以看出,变桨轴承采用深沟球轴承深沟球轴承主要承受纯径向载荷,也可承受轴向载荷。
承受纯径向载荷时,接触角为零。
位置1:变桨轴承外圈螺栓孔,与轮毂联接。
位置2:变桨轴承内圈螺栓孔,与叶片联接。
变桨系统的基本操作变桨系统是一种船上用于控制和操作船桨的装置。
通过变桨系统,船员可以方便地改变船的方向和速度,而无需进行繁琐的手动操作。
在本文中,我们将讨论变桨系统的基本操作,包括操作原理、组件功能和操作流程。
变桨系统的操作原理是基于船桨的变桨机构。
这个机构可以调整船桨的位置和角度,从而改变船的推进力。
变桨系统的核心是一个电动或液压驱动的变桨机构,通过电动机或液压系统提供的能量,可以使船桨在不同的角度上移动。
变桨系统通常由以下几个主要组件组成:1.变桨机构:变桨机构是变桨系统的核心部件,由电动机或液压驱动。
它可以通过齿轮、传动杆和连杆等装置使船桨在水中转动,从而改变船的方向和速度。
2.控制阀:控制阀是变桨系统中起关键作用的组件之一、它可以控制液压系统中的液压流向,从而控制船桨的移动。
通过操作控制阀,船员可以根据需要控制船桨的角度和位置。
3.控制器:控制器是变桨系统的核心控制单元,它可以接收并处理船员的指令,并将相应的指令发送给变桨机构和控制阀。
通过控制器,船员可以调整船桨的角度和位置,以实现船舶的操纵。
基本的变桨系统操作流程如下:1.启动变桨系统:首先,船员需要启动变桨系统,这可以通过启动变桨机构的电动机或液压系统来完成。
一旦变桨系统启动,船员可以进一步操作系统。
2.设定船桨角度:在航行中,船员可能需要根据需要改变船桨的角度。
为了实现这一点,船员可以通过操纵控制器来设定所需的船桨角度。
船员可以将船桨角度调整到适当的位置,以实现船舶的操纵。
3.调整船桨位置:在一些情况下,船员可能需要调整船桨的位置,以改变船舶的运动方向和速度。
这可以通过操作控制器,将所需的指令发送给变桨机构来完成。
变桨机构将接收到的指令转化为相应的动作,从而调整船桨的位置。
4.停止变桨系统:在完成船舶操纵后,船员可以选择停止变桨系统的运行。
这可以通过关闭变桨机构的电动机或液压系统来实现。
一旦变桨系统停止,船舶将恢复到停止操作状态。
变桨调试操作范文在进行变桨调试操作时,我们需要确保风力发电机的叶片能够正确地旋转并转化风能为电能。
下面将介绍变桨调试操作的步骤和注意事项。
步骤:1.准备工作:在进行任何调试操作之前,确认风力发电机、控制系统和测量设备的工作状态是否良好。
检查电力和机械连接是否正确,以及是否满足电气工程和安全规定。
2.风速监测:在进行变桨调试操作之前,需先测量并记录当前的风速情况。
可以使用风速仪或其他合适的设备进行测量。
3.风向确认:风向对于风力发电机的运行非常重要。
确保风力发电机朝向风的方向,以最大程度地获取风能。
4.调整桨叶角度:根据测量到的风速,通过控制系统调整桨叶的角度。
通常,当风速较低时,应使桨叶的角度较大。
而当风速增加时,可以适当减小桨叶的角度,以确保发电机的安全运行。
5.桨叶平衡:在桨叶调整过程中,需要注意将各桨叶之间的角度保持平衡。
如果角度过于不平衡,可能会增加发电机的负荷或降低其发电效率。
6.测量功率曲线:在调整桨叶角度的过程中,可以通过测量发电机的输出功率来绘制功率曲线。
根据这些数据,可以进一步优化桨叶的角度,以达到最大的发电效率。
7.监测和调整:在完成初始调试后,需要定期监测风力发电机的运行情况,特别是桨叶的角度和输出功率。
如有需要,可以进行进一步的调整。
注意事项:1.安全第一:在进行任何调试操作之前,务必遵守安全规定。
确保人员和设备的安全,尽量避免发生事故。
2.正确使用测量设备:确保对使用的测量设备进行正确操作,并校准好相关参数。
这样可以确保测量数据的准确性。
3.仔细记录数据:在调试过程中,要及时记录相关数据,如风速、功率等。
这些数据将有助于对风力发电机的性能进行分析和优化。
4.注意风力变化:在调试过程中,要随时关注风力的变化。
及时调整桨叶的角度,以适应不同的风速。
5.定期检查和维护:风力发电机是长期运行的设备,因此需要定期进行检查和维护。
定期检查桨叶、控制系统和机械连接等部件,确保其正常运行。
1.5MW风力发电机组变桨系统原理及维护国电联合动力技术有限公司培训中心(内部资料严禁外泄)UP77/82 风电机组变桨控制及维护目录1、变桨系统控制原理2、变桨系统简介3、变桨系统故障及处理4、LUST与SSB变桨系统的异同5、变桨系统维护定桨失速风机与变桨变速风机之比较定桨失速型风电机组发电量随着风速的提高而增长,在额定风速下达到满发,但风速若再增加,机组出力反而下降很快,叶片呈现失速特性。
优点:机械结构简单,易于制造;控制原理简单,运行可靠性高。
缺点:额定风速高,风轮转换效率低;电能质量差,对电网影响大;叶片复杂,重量大,不适合制造大风机变桨变速型风电机组风机的每个叶片可跟随风速变化独立同步的变化桨距角,控制机组在任何转速下始终工作在最佳状态,额定风速得以有效降低,提高了低风速下机组的发电能力;当风速继续提高时,功率曲线能够维持恒定,有效地提高了风轮的转换效率。
优点:发电效率高,超出定桨机组10%以上;电能质量提高,电网兼容性好;高风速时停机并顺桨,降低载荷,保护机组安全;叶片相对简单,重量轻,利于制造大型兆瓦级风机缺点:变桨机械、电气和控制系统复杂,运行维护难度大。
变桨距双馈变速恒频风力发电机组成为当前国内兆瓦级风力发电机组的主流。
变桨系统组成部分简介变桨控制系统简介✓主控制柜✓轴柜✓蓄电池柜✓驱动电机✓减速齿轮箱✓变桨轴承✓限位开关✓编码器▪变桨主控柜▪变桨轴柜▪蓄电池柜▪电机编码器GM 400绝对值编码器共10根线,引入变桨控制柜,需按线号及颜色接入变桨控制柜端子排上。
▪限位开关变桨系统工作流程:●机组主控通过滑环传输的控制指令;●将变桨命令分配至三个轴柜;●轴柜通过各自独立整流装置同步变换直流来驱动电机;●通过减速齿轮箱传递扭矩至变桨齿轮带动每个叶片旋转至精准的角度;●将该叶片角度值反馈至机组主控系统变桨系统控制原理风机不同运行状态下的变桨控制1、静止——起动状态2、起动——加速状态3、加速——风机并网状态3.1、低于额定功率下发电运行3.2 达到额定功率后维持满发状态运行4、运行——停机状态1、静止——起动状态下的变桨调节➢桨距角调节至50°迎风;➢开桨速度不能超过2 °/s;➢顺桨速度不能超过5°/s;➢变桨加速度不能超过20 °/s²;➢目标:叶轮转速升至3 r/s(低速轴)2、起动——加速状态下的变桨调节➢桨距角在(50 °,0°)范围内调节迎风;➢开桨速度不能超过2 °/s;➢顺桨速度不能超过5°/s;➢变桨加速度不能超过20 °/s²;➢目标:叶轮转速升至10 r/s(低速轴)3、加速——并网发电状态下的变桨调节3.1 低于额定功率下的变桨调节➢桨距角在维持0°迎风;➢开桨速度不能超过2 °/s;➢顺桨速度不能超过5°/s;➢变桨加速度不能超过20 °/s²;➢变频系统通过转矩控制达到最大风能利用系数,➢目标:叶轮转速升至17.5 r/s(低速轴)3.2 达到额定功率后维持满发状态运行➢桨距角在(90 °,0°)范围内调节;➢开桨速度不能超过5 °/s;➢顺桨速度不能超过5°/s;➢变桨加速度不能超过20 °/s²;➢通过变桨控制使机组保持额定输出功率不变,➢目标:叶轮转速保持17.5 r/s(低速轴)4、运行——停机状态4.1 正常停机➢叶片正常顺桨至89°;➢变桨主控柜的顺桨命令通过轴柜执行;➢顺桨速度控制为5°/s;➢叶轮空转,机械刹车不动作;4.2 快速停机➢叶片快速顺桨至89°;➢变桨主控柜的顺桨命令通过轴柜执行;➢顺桨速度控制为7°/s;➢叶轮空转,机械刹车不动作;4.3 紧急停机➢叶片紧急顺桨至91°或96 °限位开关;➢紧急顺桨命令通过蓄电池柜执行;➢顺桨速度不受控制;➢叶轮转速低于5 r/s后,液压机械刹车抱闸,将叶轮转速降至为零;独立变桨:三个叶片通过各自的轴柜和蓄电池柜实现开桨和顺桨的同步调节;如果某一个驱动器发生故障,另两个驱动器依然可以安全地使风机顺桨并安全停机。
Lust变桨系统调试说明
1、操作说明:
为确保系统调试安全,必须预先进行以下措施:
①现场调试人员必须佩戴好安全帽;
②400V电源的三相线、零线和地线必须可靠连接,避免缺相或漏接;
③上电前确认主控箱和轴控箱的开关处于断开状态;
④所有连接电缆连接正确(电机后面的编码器电缆号是S1、S2和S3;冗
余编码器的电缆号是T1、T2和T3,若反接,会出现飞车故障);
⑤上电前将电机的轴键拆除或利用扎带将其捆扎牢固;
⑥上电前确认电机与底座是否可靠固定;
⑦电池箱箱盖闭合(完成检查);
2、系统紧急顺桨:
①Profibus通信故障(或者不正常);
②Pitch Master故障;
③电机侧编码器故障;
④安全链信号输入无+24V(硬输入点);
⑤未提供+24COM(硬输入点);
⑥Emergency mode位为1;
3、手动模式
手动模式用于机械调零和现场安装调整用,转动速度为2.5度/秒。
手动模式前提条件:
①手动模式信号为1(硬输入点),并观察主控箱的9A1的第8通道的灯是
否点亮;
②Profibus通信正常,或者短接17K7的13、14引脚;
③Normal Operation Mode设置为0;
④Emergency Mode位为0;
⑤转动任一个桨叶时,另外两个桨叶为91度位置(或者通过关闭轴箱的电
源模拟);
⑥轴箱电池开关处于断开状态;
⑦手动旋钮的通道选择的0、1、2和3分别对应空档、轴控箱1、轴控箱2
和轴控箱3;转动方向旋钮控制的是电机的正传和反转;
4、自动模式
自动模式必须满足以下条件:
①先闭合主控箱的400V电源;
②Profibus通信正常;
③将Fault Reset置位1,然后置0;
④闭合轴箱的电池开关和电源开关前确保通信的Emerge Mode(读)为0
和Normal Operation Mode(写)为0;硬接点的Safety Signal(为高电平)、+24V和0V有正常连接,Manual Operation为0。
否则会出现飞车现象;
⑤轴控箱上电顺序:先闭合电池开关(5Q1),然后闭合电源开关(6S1)。
正常状态下电机会由于内部的电路的控制不会出现转动;
⑥自动控制是通过通信软件控制,先设置好控制桨叶的目标角度、转速(建
议为3度/秒以下)和加速度(建议0.5~2度/秒2),然后将Normal Operation Mode置1,启动自动模式;若要中途停止,只能通过以下任一方式:将Normal Operation Mode置0、将对应的91度限位开关触发和关闭轴控箱电源(6S1);
5、限位开关
91度限位开关用于控制Pitch Master(主控变频器)的输出控制,当触发了该限位开关后,7K6复位,然后电机会停止,相对而言动作比较缓慢;
96度限位开关用于控制电机和Ptich Master的ENPO信号,当触发了该限位开关后,6K2和6K3复位,然后电机立即停止,相对而言动作比较迅速。
6、Bypass
Bypass信号是用于旁通2个限位开关触发了以后继续启动电机转动,有硬信号和软信号之分。
Bypass软信号是对应91度限位开关。
当91度触发了以后,利用通信将对应桨叶的Bypass信号置1,然后电机才可以往96度方向转动;而需要往0度方向转动不需要将对应桨叶的Bypass信号置1(实际上该Bypass信号用途不大);
Bypass硬信号是对应96度限位开关,当96度触发了以后,利用硬结点的Bypass信号置1,然后电机只可以往0度方向转动;
7、温度预处理说明
根据通信中的所有温度值,需要在控制当中进行预处理,其温度的预处理值建议如下(根据Lust技术人员的建议):
①Pitch Master停机温度值为80度;
②电机停机温度值为110度;
③电池极限温度值为60度;
④Heat Sink AX(X为1、2、3)极限温度值为90度;
8、参数比率说明
所有通信中读取参数的比率如下:
角度实际值=读取值/100.0
速度实际值=读取值/100.0
驱动电流实际值=读取值/100.0
所有温度实际值=读取值/100.0
所有通信中写入参数的比率如下:
角度写入值=角度实际值×100.0
速度写入值=速度实际值×100.0
加速度写入值=加速度实际值×100.0
9、通信说明
主控系统与Lust变桨系统是基于Profibus总线进行通信。
由于Lust的通信模块是EL6731-0010,属于倍福的标准Profibus从站模块,所以建议主站采用倍福的EL6731主站模块。
通信参数:站号11或者30;波特率建议在1.5Mbps以下;GSD配置直接引用倍福的标准Beckhoff Automation GmbH下的EL6731-0010;读取96字节;写入28字节。
通信过程中需要注意的问题:
①Lust变桨系统的主控箱上电通信成功后的初始20秒读取的值存在大量的
错误情况,建议先屏蔽这些值;
②部分参数,例如电机角度、驱动电流和温度等参数出现“零飘”现象非常
严重,必须进行阀值设置,建议是小于0xFDE8(65000);
③通信中建议在写入帧的18.0位(HeartBeat)进行方波输出(周期为0.5
秒,占空比为50%),然后对读取帧中的58.0位(HeartBeat)进行判断,以确认通信是否正常(正常时返回的方波与输出一致);
④通信的写入帧的18.6位(Reset Charger)不能写入,置为低电平;
⑤通信的写入帧的26.0、26.1和26.2位(分别为3组编码器的角度设置位)
不能长时间置高电平,建议持续时间短于0.5秒;
⑥若断电前任何一个轴控箱的2个编码器的角度值差值大于2度,那么重
新上电后将写入帧的18.5(Fault Reset)置高电平后复位,其2个编码
器同时置0度;
⑦2个限位开关与通信读取帧当中的信号不一定对应;
⑧每个轴控箱的2个编码器读取的值以电机后端的编码器为主。
10、其它情况说明
正常通信后,会出现电机内的温度稍高,属于正常现象。
Lust变桨系统没有照明控制电路,需要在主控柜内添加空气开关,提供230VAC连接至滑环供电。
然后引到变桨的主控箱内,添加6位接线端子,分别供三组230V的L、N线。
目前(截至2008-8-21)的Lust提供的电气原理图与实际的硬件存在相异之处,据说是版本未更新所致。
目前的Lust提供的4套变桨系统,当中的Pitch Master软件版本过高,与主控箱的CX9000通信过程中会出现若干问题,所以在安装和调试前必须要更改该软件版本和设置减速箱的比率(2级:191:1和139:15,所以设置为26549:15)。