实验三74ls139译码器实验
- 格式:doc
- 大小:588.50 KB
- 文档页数:3
实验三译码器及其应用一、实验目的(1) 掌握中规模集成译码器的逻辑功能和使用方法;(2) 熟悉掌握集成译码器的应用;(3) 掌握集成译码器的扩展方法。
二、实验设备数字电路实验箱,电脑一台,74LS20,74LS138。
三、实验内容(1)利用3-8译码器74LS138和与非门74LS20实现函数:四输入与非门74LS20的管脚图如下:对函数表达式进行化简:按Figure 1所示的电路连接。
并用Multisim进行仿真,将结果对比。
Figure 1(2) 用两片74LS138组成4-16线译码器。
因为要用两片3-8实现4-16译码器,输出端子数目刚好够用。
而输入端只有三个,故要另用使能端进行片选使两片138译码器进行分时工作。
而实验台上的小灯泡不够用,故只用一个灯泡,而用连接灯泡的导线测试,在各端子上移动即可。
在multisim中仿真电路连接如Figure 2所示(实验台上的电路没有接下面的两个8灯LED):Figure 2四、实验结果(1) 利用3-8译码器74LS138和与非门74LS20实现函数。
输入,由可知,小灯应该亮。
测试结果如Figure 1所示。
输入,分析知小灯应该灭,测试结果如Figure 2所示。
输入,分析知小灯应该亮,测试结果如Figure 3所示。
Figure 4Figure 5Figure 6同理测试,得到结果列为下面的真值表:A B C Y0 0 0 10 0 1 10 1 0 00 1 1 01 0 0 11 0 1 01 1 0 01 1 1 1与所要实现的逻辑功能相一致。
(2) 用两片74LS138组成4-16线译码器。
G1A B C1 0 0 0 0 1 1 1 1 1 1 1 1 1 1 1 1 1 1 1 1 0 0 1 1 0 1 1 1 1 1 1 1 1 1 1 1 1 1 1 1 0 1 0 1 1 0 1 1 1 1 1 1 1 1 1 1 1 1 1 1 0 1 1 1 1 1 0 1 1 1 1 1 1 1 1 1 1 1 1 1 1 0 0 1 1 1 1 0 1 1 1 1 1 1 1 1 1 1 1 1 1 0 1 1 1 1 1 1 0 1 1 1 1 1 1 1 1 1 1 1 1 1 0 1 1 1 1 1 1 0 1 1 1 1 1 1 1 1 1 1 1 1 1 1 1 1 1 1 1 1 0 1 1 1 1 1 1 1 1 0 0 0 0 1 1 1 1 1 1 1 1 0 1 1 1 1 1 1 1 0 0 0 1 1 1 1 1 1 1 1 1 1 0 1 1 1 1 1 1 0 0 1 0 1 1 1 1 1 1 1 1 1 1 0 1 1 1 1 1 0 0 1 1 1 1 1 1 1 1 1 1 1 1 1 0 1 1 1 10 1 0 0 1 1 1 1 1 1 1 1 1 1 1 1 0 1 1 1 0 1 0 1 1 1 1 1 1 1 1 1 1 1 1 1 1 0 1 1 0 1 1 0 1 1 1 1 1 1 1 1 1 1 1 1 1 1 0 1 0 1 1 1 1 1 1 1 1 1 1 1 1 1 1 1 1 1 1 0在Multisim中测试,分别取和,如下面的所示Figure 7、Figure 8所示:Figure 9此仿真结果与实验台结果相一致。
输入 输出使能 选择 G B A Y0 Y1 Y2 Y3H X XL L L LL H L H L LHH电子通信与软件工程系20四.20典学年第匕学期08级《数字电路与逻辑设计实验》期末实验报告班级:08电子2班 姓名:刘良哲 学号:082021056 成绩:一、 实验名称:译码器和数据选择器二、 实验目的:1. 熟悉集成译码器。
2. 了解集成译码器应用。
(补充)实验仪器及材料1 •双踪示波器2.器件74LS139 2-4线译码器 1片 74LS153 双4选1数据选择器1片74LS00二输入端四与非门1片三、实验内容:1. 译码器功能测试将74LS139译码器按图7.1接线,按表7.1输入电平分别置位、填输出状态表2. 译码器转换将双2 — 4线译码器转换为3-8线译码器。
(1) 画出转换电路图。
(2) 在学习机上接线并验证设计是否正确。
(3) 引设计并填写该3 — S 线译码器功能表,画出输入、输出波形。
图7。
1表7.13.数据选择器的测试及应用(1)将双4选1数据选择器7LS153参照图7. 2接线.测试其功能并填写功能表(2)将学习机脉冲信号源中固定连续脉冲4个不同频率的信号接到数据选择器4个输入端,将选择端置位,使输出端可分别观察到4种不同频率脉冲信号. (3).分析上述实验结果并总结数据选择器作用。
图7.2表7.21.译码器功能测试实验过程:1)实验步骤:将74LS139译码器按图7.1接线,按表7.1输入电平分别置位、填输出状态表2)仿真调试:V74LS139D3)实验调试:按要求拨动电平开关,注意插线的松紧适度。
4)数据记录:(数据、图表、波形图等)同表7.1 (1表示输出灯亮,0表示灯不亮,下面数据通用)输入输出使能选择G B A Y0Y1Y2Y3H X X1111L L L0111L L H1011L H L1101L H H11102.译码器转换实验过程I)实验步骤:将双2 — 4线译码器转换为3—8线译码器。
74ls139译码器实验报告74LS139译码器实验报告引言:译码器是数字电路中常用的一种组合逻辑电路,它将输入的二进制信号转换为对应的输出信号。
本次实验中,我们选用了74LS139译码器进行实验,旨在通过实际操作了解译码器的工作原理及应用。
一、实验目的1. 了解74LS139译码器的内部结构和工作原理;2. 掌握74LS139译码器的真值表及逻辑功能;3. 熟悉使用译码器实现多路选择和编码转换的方法;4. 理解译码器在数字系统中的应用。
二、实验器材1. 74LS139译码器芯片;2. 示波器;3. 电压源;4. 开关;5. 连线材料。
三、实验步骤1. 连接电路:将74LS139译码器芯片与其他器件按照实验电路图进行连接,确保连接正确可靠;2. 设置输入信号:通过开关设置输入信号的二进制数值,观察输出信号的变化;3. 测量输出信号:使用示波器测量输出信号的电平变化,并记录数据;4. 分析实验结果:根据测得的数据,分析74LS139译码器的逻辑功能及输出特点。
四、实验结果与分析经过实验操作和数据记录,我们得到了以下结果:1. 输入信号为0000时,输出信号为Y0;2. 输入信号为0001时,输出信号为Y1;3. 输入信号为0010时,输出信号为Y2;4. 输入信号为0011时,输出信号为Y3;5. 输入信号为0100时,输出信号为Y4;6. 输入信号为0101时,输出信号为Y5;7. 输入信号为0110时,输出信号为Y6;8. 输入信号为0111时,输出信号为Y7;9. 输入信号为1000时,输出信号为Y8;10. 输入信号为1001时,输出信号为Y9;11. 输入信号为1010时,输出信号为Y10;12. 输入信号为1011时,输出信号为Y11;13. 输入信号为1100时,输出信号为Y12;14. 输入信号为1101时,输出信号为Y13;15. 输入信号为1110时,输出信号为Y14;16. 输入信号为1111时,输出信号为Y15。
实验十译码器和数据选择器一、实验目的1、熟悉集成译码器。
2、了解集成译码器应用。
二、实验原理译码器是将给定代码译成相应状态的电路。
双2-4线集成变量译码器74LS139如图10-1所示。
每个2-4线译码器有两个输入端(A、B)和四个输出端(Y0、Y1、Y2、Y3)。
两个输入端可以输入四种数码,即00、01、10、11,对应的四种输出状态是0111、1011、1101、1110。
G为使能端,当G=0时,译码器能正常工作,当G=1时,不能工作,输出端全部为高电平(即“1”)。
数据选择器有多个输入,一个输出。
其功能类似单刀多掷开关,故又称多路开关(MUX)。
在控制端的作用下可从多路并行数据中选择一路送输出端。
双4选1数据选择器74LS153如图10-2所示。
以其中的一个数据选择器为例,C0、C1、C2、C3为输入端,可同时输入四种不同的数据(信号),Y为被选中的数据的输出端,G为使能端(低电平时工作),A、B为选择控制端。
设四个输入端的输入信号分别为C0、C1、C2、C3则其功能如表10-1所示。
三、实验仪器及材料1、双踪示波器2、器件74LS139 双2—4线译码器 1片74LS153 双4选1数据器 1片74LS00 二输入端四与非门 1片四、实验预习要求1、复习有关译码器和数据选择器的原理。
2、根据实验任务,画出所需的实验线路及记录表格。
五、实验内容及步骤1、译码器功能测试将74LS139译码器按图10-1,接线,按表10-2输入电平分别置位,填写输出状态表图10-1 74LS139译码器表10-22、译码器转换将双2—4线译码器转换为3—8线译码器。
(1)画出转换电路图。
(2)在实验仪上接线并验证设计是否正确。
(3)设计并填写该3—8线译码器功能表,画出输入、输出波形。
3、数据选择器的测试及应用将双4选1数据选择器74LS153参照图10-2接线,测试其功能并填写功能表。
(1)将选择端1(G)、2(B)、14(A)脚接逻辑电平开关;(2)将实验仪脉冲信号源中固定连续脉冲4个不同频率的信号接到数据选择器4个输入端:3(250KHz)、4(100KHz)、5(10KHz)、6(1KHz);将选择端置位,使输出端7(1Y)接示波器,可分别观察到4种不同频率脉冲信号。
实验三译码器和数据选择器一、实验目的1.熟悉中规模集成译码器电路的原理及功能;2.掌握中规模集成译码器的使用方法及功能测试方法;3.了解集成译码器的应用。
二、实验预习要求1.复习译码器电路工作原理;2.预习中规模集成电路译码器74LS138的逻辑功能及使用方法;3.仔细阅读实验原理与实验内容,设计相应的电路和数据表格。
三、实验原理译码器是一个多输入、多输出的组合逻辑电路,其功能是将每个输入的二进制代码译成对应的输出高、低电平的信号,它是编码的反操作。
译码器在数字系统中的用途比较广泛,它不仅常用于代码的转换,终端的数字显示,还用于数据分配、脉冲分配、存储器寻址和组合逻辑信号的产生等场合。
常用的译码器电路有二进制译码器、二-十进制译码器、显示译码器等种类,不同的功能需求可选用不同种类的译码器来实现。
本实验采用TTL中规模集成译码电路74LS138译码器,其管脚分布图见附录,表实验3.1为其功能真值表。
鉴于74LS138有三个附加的控制端G1、G2A、G2B,可利用其片选的作用可以级联扩展译码器的功能,也可以利用其控制功能构成一个完整的数据分配器。
1. 用74LS138实现组合逻辑功能由于二进制译码器的每一个输出均是输入代码的最小项函数,因此,配以适当的门电路,利用74LS138可以实现任意自变量数不超过三个的组合逻辑函数。
如图实验3.1逻辑图所示,用一个74LS138和一个四输入与非门可以实现逻辑函数。
∑=)7,4,2,1(m F 。
2. 用74LS138实现一个数据分配器数据分配器也称多路分配器,其功能是,在数据传输过程中,将某一路数据分配到不同的数据通道上。
数据分配器是单输入、多输出组合逻辑电路。
带控制输入端的译码器也是一个完整的数据分配器。
如图实验3.1所示,如果把G1作为数据输入端(同时令G2A =G2B =0),将C 、B 、A 作为地址输入端,则从G1送来的数据只能通过由 CBA 所指定的一根数据线上送出去,实现数据的反码分配输出。
电学实验报告模板实验原理1. 译码器(1)2线-4线译码器图1 2线-4线译码器及其逻辑图1所示为2线-4线译码器及其逻辑。
与4线-2线编码器相比较,可以把“译码”视为“编码”的逆过程。
该译码器的特点是:对于任何一个输入二进制码,四个输出端中,只有一个为“1”,其它输出端均为“0”。
每一个输入二进制码,都与一个特定的输出端相对应。
不同的输入码各对应不同的输出端。
译码器的逻辑功能也可以理解为把每一个输入二进制码翻译成另外一个代码。
具体到图1所示2线-4线译码器,则是把每一个输入二进制码翻译成另外一种四位码,每一个四位码中都只有一个“1”。
由图1(b)可得到编码器逻辑函数式为(2)3线-8线译码器74LS138图2 3线-8线编码器74LS138及其逻辑图2所示为集成电路芯片3线-8线编码器74LS138及其逻辑。
和是译码输入端,是译码输出端。
和为译码使能控制端。
当,时,译码器处于正常译码工作状态;否则,译码器被禁止,此时,所有的输出端全部为“1”,无任何输出端为“0”。
这3个使能控制端,也称为“片选”输入端,利用其“片选”作用可以将多片译码器连接起来,以扩展译码功能。
当,时,译码器的逻辑函数式为(3)七段显示译码器图3 七段显示译码器及其逻辑图3所示为七段显示译码器。
和是输入的BCD代码,表示输出的7位二进制代码。
输出代码中的“1”表示所对应的数码管线段点亮,“0”则表示熄灭。
图3(b)列出了BCD码“0000~1001”十种状态与之间的对应关系,还列出了输入码“1010~1111”六种状态与之间的对应关系及所显示的字形。
由图3(b)可得到该编码器逻辑函数式为实验内容及步骤1. 测试2线-4线译码器(1)集成电路芯片74LS139引脚图74LS139是双2线-4线译码器,芯片内部包含两个独立的2线-4线译码器。
图5所示为引脚图。
与图1的2线-4线译码器相比,74LS139的每一个2线-4线译码器都设置了一个使能控制端。
实验十九译码器显示器和数据显示器
一实验目的
熟悉集成译码器和数据选择器了解集成译码器的应用
二实验仪器及材料
DICE-3数字逻辑实验系统万用表74LS00 74LS138 74LS139 74LS247
三芯片内部电路及引脚功能
四实验内容及步骤
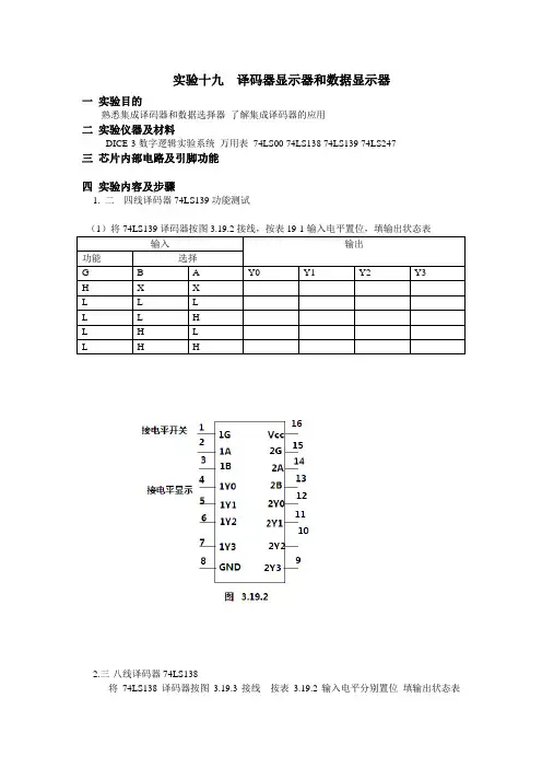
1. 二---四线译码器74LS139功能测试
2.三-八线译码器74LS138
将74LS138译码器按图3.19.3接线按表3.19.2输入电平分别置位填输出状态表
3. 设计电路测试数据选择器74LS151逻辑功能
4. 设计电路二四线译码器转换为三八线译码器并验证设计是否正确
5. 测试BCD---七段译码器74LS247的逻辑功能
(1)将74LS247插入DIC-3数字电路实验箱面板上IC座,按图3.19.4 输入信号端D C B A 分别接逻辑开关,由四个逻辑开关提供逻辑电平。
LT使用时候接0,RBO和RBI端接逻辑开关。
当使用RBO时候,RI/RBO端接a b c d e f g输出端,分别接七个电平显示的输入。
检查线路无误,再开启电源。
图3、19.4
(2)测试译码器的LT RBI RI/RBO的逻辑功能
RBO功能测试,应将RBO端接LED 按表3.19.4要求,输入信号将结果填入表
(3)按表3.195要求测试74LS47的译码LT PBI RI/RBO端都悬空或接1 然后根据BCD 码要求输入实验箱面板上的译码器显示输入孔D C B A将数码管的显示结果填入表3.19.5
表3.19.5。
实 验 报 告一、实验目的1、熟悉集成译码器、数据选择器逻辑功能和应用。
2、了解中规模数字集成电路的性能和使用方法。
二、实验基本原理组合逻辑电路的逻辑功能 三、实验设备及器件74LS139、74LS153、电阻若干、LED 灯若干 四、操作方法和实验步骤1、74LS139(双2-4线译码器)功能测试图4-1 74LS139引脚图图4-1中,G 端为使能端,低电平有效;A0A1地址选择端;Y0~Y3是输出端(低电平有效)将G 、A1、A0端接逻辑电平开关,改变电平输入,观察74LS139译码输出的状态并填入表4-1中。
使能端 地址选择端 输出端 G ’ A1 A0 Y0 Y1 Y2 Y3 0 0 0 0 1 1 1 0 0 1 1 1 0 1 0 1 0 1 0 1 1 0 1 1 1 1 1 0 1**1111实验课程名称 数字电子技术实验 实验项目名称 译码器和数据选择器专业、班级 电子信息类四班实验日期 2020-06-01姓名、学号 同 组 人 教师签名成 绩实验报告包含以下7项内容:一、实验目的 二、实验基本原理三、主要仪器及设备 四、操作方法和实验步骤五、实验原始数据记录 六、数据处理过程及结果、结论 七、问题和讨论A 2Y04B 3Y15Y26E 1Y37U2:A74LS139(注:G' 表示低电平有效,Y0' 表示输出低电平有效)A2Y04B3Y15Y26E1Y37U2:A74LS13911AB1ED1LED-GREEND2LED-GREEND3LED-GREEND4LED-GREENR2220R3220R4220R5220Y 输出低电平有效,Y端为低电平时,LED灯亮图4-1 74LS139译码器功能测试图(注:电阻的元件名称:res ,通过修改res属性来修改电阻值)2、译码器转换。
将74LS139(双2-4线译码器)转换为3-8线译码器(1)画出转换电路图。
实验三译码器和编码器一实验目的1.掌握译码器、编码器的工作原理和特点。
2.熟悉常用译码器、编码器的逻辑功能和它们的典型应用。
二、实验原理和电路按照逻辑功能的不同特点,常把数字电路分两大类:一类叫做组合逻辑电路,另一类称为时序逻辑电路。
组合逻辑电路在任何时刻其输出的稳态值,仅决定于该时刻各个输入信号取值组合的电路。
在这种电路中,输入信号作用以前电路所处的状态对输出信号无影响。
通常,组合逻辑电路由门电路组成。
组合逻辑电路的分析方法:根据逻辑图进行二步工作:a.根据逻辑图,逐级写出函数表达式。
b.进行化简:用公式法、图形法或真值表进行化简、归纳。
组合逻辑电路的设计方法:就是从给定逻辑要求出发,求出逻辑图。
一般分四步进行。
a.分析要求;将问题分析清楚,理清哪些是输入变量,哪些是输出函数。
b.列真值表。
c.进行化简:变量比较少时,用图形法。
变量多时,可用公式化简。
d.画逻辑图:按函数要求画逻辑图。
进行前四步工作,设计已基本完成,但还需选择元件——集成电路,进行实验论证。
值得注意的是,这些步骤并不是固定不变的程序,实际设计时,应根据具体情况和问题难易程度进行取舍。
1.译码器译码器是组合电路的一部分,所谓译码,就是把代码的特定含义“翻译”出来的过程,而实现译码操作的电路称为译码器。
译码器分成三类:a.二进制译码器:如中规模2—4线译码器74LS139。
,3—8线译码器74LS138等。
b.二—十进制译码器:实现各种代码之间的转换,如BCD码—十进制译码器74LS145等。
c.显示译码器:用来驱动各种数字显示器,如共阴数码管译码驱动74LS48,(74LS248),共阳数码管译码驱动74LS47(74LS247)等。
2.编码器编码器也是组合电路的一部分。
编码器就是实现编码操作的电路,编码实际上是译码相反的过程。
按照被编码信号的不同特点和要求,编码器也分成三类:a.二进制编码器:如用门电路构成的4—2线,8—3线编码器等。
实验三组合逻辑电路的设计(一)一、实验目的1.掌握用SSI器件设计组合逻辑电路的方法;2.熟悉各种常用MSI组合逻辑电路的功能与使用方法;3.掌握多片MSI组合逻辑电路的级联、功能扩展;4.学会使用MSI逻辑器件设计组合电路;5.培养查找和排除数字电路常见故障的初步能力。
二、实验器件1.74LS00 四二输入与非门74LS20 双四输入与非门2.74LS138 三线—八线译码器74LS139 双二线—四线译码器三、实验原理组合逻辑电路是最常见的逻辑电路,其特点是在任何时刻电路的输出信号仅取决于该时刻的输入信号,而与信号作用前电路原来所处的状态无关。
组合逻辑电路的设计,就是如何根据逻辑功能的要求及器件资源情况,设计出实现该功能的最佳电路。
在采用小规模器件(SSI)进行设计时,通常将函数化简成最简与—或表达式,使其包含的乘积项最少,且每个乘积项所包含的因子数也最少。
最后根据所采用的器件的类型进行适当的函数表达式变换,如变换成与非—与非表达式﹑或非—或非表达式﹑与或非表达式及异或表达式等。
在数字系统中,常用的中规模集成器件(MSI)产品有编码器﹑译码器﹑全加器﹑数据选择/分配器﹑数值比较器等。
用这些功能器件实现组合逻辑函数,基本采用逻辑函数对比方法。
因为每一种中规模集成器件都具有某种确定的逻辑功能,都可以写出其输出和输入关系的逻辑函数表达式。
在进行设计时,可以将要实现的逻辑函数表达式进行变换,尽可能变换成与某些中规模集成器件的逻辑函数表达式类似的形式。
下来我们介绍一下使用中小规模器件设计组合逻辑电路的一般方法。
四、组合电路设计原则及其步骤组合电路的设计是由给定的的逻辑功能要求,设计出实现该功能的逻辑电路,设计过程大致按下列步骤进行:(1)分析设计要求,把用文字描述的形式的设计要求抽象成输入、输出变量的逻辑关系;(2)根据分析出的逻辑关系,通过真值表或其他方式列出逻辑函数表达式;(3)根据题目提供给你的芯片,将逻辑函数化简到所需要的函数式;(4)画出逻辑电路图或电路原理图;对于MSI组合逻辑电路的设计是以所用MSI个数最少、品种最少,同时MSI间的连线也最少作为最基本的原则。
实验三译码器一、实验目的:1.掌握译码器电路的功能、特点及其测试方法。
2.掌握3线—8线译码器的应用方法及测试。
3.组合逻辑电路的设计二、实验仪器、设备、元器件:1.数字电子线路实验箱 1台2.双2-4译码器74LS139芯片 1片3.3-8译码器74LS138芯片 1片7.四2输入与非门74LS32芯片1片8.示波器或万用表9.导线若干三、预习要求:1.预习译码器的基本原理及功能;2.熟悉实验用芯片的引脚排布和功能;四、实验内容和步骤:1. 译码器功能测试:74LS139双2线—4线译码器如图3.1所示。
图3.1(a)为原理图,图3.1(b)为实验测试连线图。
输入端D0、D1接逻辑开关A、B,输出Y0~ Y3接电平指示器。
改变输入信号D0、D1的状态,观察输出,写出Y0~ Y3的数值(表3.1)及其表达式。
图3.1表3.1 功能表Y3 = ___________ Y2 = ______________ Y1 = ____________ Y0 =____________2. 3线--8线译码器的应用:用一片3线—8线译码器74LS138构成一位全减器电路。
全减器真值如表7.5所示,画出电路连线图,并检验其功能。
Di= _______________________ Ci= ___________________3. 请设计一个电路,完成三个开关控制一盏灯的电路4. 请用3线--8线译码器完成第3题5. 现有4台设备,由2台发电机组供电,每台设备用电均为10KW,4台设备的工作情况是:4台设备不可能同时工作,但可能是任意3台、2台同时工作,至少是任意1台进行工作。
若X发电机组功率为10KW,Y发电机组功率为20K W。
试设计一个供电控制电路,以达到节省能源的目的。
实验三译码器及其应用一、实验目的(1) 掌握中规模集成译码器的逻辑功能和使用方法;(2) 熟悉掌握集成译码器的应用;(3) 掌握集成译码器的扩展方法。
二、实验设备数字电路实验箱,电脑一台,74LS20,74LS138。
三、实验内容(1)利用3-8译码器74LS138和与非门74LS20实现函数:四输入与非门74LS20的管脚图如下:对函数表达式进行化简:按Figure 1所示的电路连接。
并用Multisim进行仿真,将结果对比。
Figure 1(2) 用两片74LS138组成4-16线译码器。
因为要用两片3-8实现4-16译码器,输出端子数目刚好够用。
而输入端只有三个,故要另用使能端进行片选使两片138译码器进行分时工作。
而实验台上的小灯泡不够用,故只用一个灯泡,而用连接灯泡的导线测试,在各端子上移动即可。
在multisim中仿真电路连接如Figure 2所示(实验台上的电路没有接下面的两个8灯LED):Figure 2四、实验结果(1) 利用3-8译码器74LS138和与非门74LS20实现函数。
输入,由可知,小灯应该亮。
测试结果如Figure 7所示。
输入,分析知小灯应该灭,测试结果如Figure 8所示。
输入,分析知小灯应该亮,测试结果如Figure 9所示。
Figure 7Figure 8Figure 9同理测试,得到结果列为下面的真值表:A B C Y0 0 0 1 0 0 1 1 0 1 0 0 0 1 1 01 0 0 11 0 1 01 1 0 01 1 1 1与所要实现的逻辑功能相一致。
(2) 用两片74LS138组成4-16线译码器。
进行测试,得到的结果列为真值表如下:G1A B C1 0 0 0 0 1 1 1 1 1 1 1 1 1 1 1 1 1 1 1 1 0 0 1 1 0 1 1 1 1 1 1 1 1 1 1 1 1 1 1 1 0 1 0 1 1 0 1 1 1 1 1 1 1 1 1 1 1 1 1 1 0 1 1 1 1 1 0 1 1 1 1 1 1 1 1 1 1 1 1 1 1 0 0 1 1 1 1 0 1 1 1 1 1 1 1 1 1 1 1 1 1 0 1 1 1 1 1 1 0 1 1 1 1 1 1 1 1 1 1 1 1 1 0 1 1 1 1 1 1 0 1 1 1 1 1 1 1 1 1 1 1 1 1 1 1 1 1 1 1 1 0 1 1 1 1 1 1 1 1 0 0 0 0 1 1 1 1 1 1 1 1 0 1 1 1 1 1 1 1 0 0 0 1 1 1 1 1 1 1 1 1 1 0 1 1 1 1 1 1 0 0 1 0 1 1 1 1 1 1 1 1 1 1 0 1 1 1 1 1 0 0 1 1 1 1 1 1 1 1 1 1 1 1 1 0 1 1 1 1 0 1 0 0 1 1 1 1 1 1 1 1 1 1 1 1 0 1 1 1 0 1 0 1 1 1 1 1 1 1 1 1 1 1 1 1 1 0 1 10 1 1 0 1 1 1 1 1 1 1 1 1 1 1 1 1 1 0 1 0 1 1 1 1 1 1 1 1 1 1 1 1 1 1 1 1 1 1 0在Multisim中测试,分别取和,如下面的所示Figure 10、Figure 11所示:Figure 10此仿真结果与实验台结果相一致。
实验三译码器实验一、实验目的1、掌握中规模集成电路译码器的工作原理及逻辑功能。
2、学习译码器的灵活应用。
二、实验设备1、SAC-DS4数字逻辑电路实验箱 1个2、74LS138 3-8线译码器2片3、74LS20 双四输入与非门 1片三、实验内容与步骤(一)测试74LS139的逻辑功能。
图1 74LS139集成电路引脚图实验步骤:1).接线:按图1的引脚接线,测试单个2—4译码器的功能(只接74LS139芯片中的一个译码器),1B、1A 、1E输入端接逻辑电平信号,1Y0、1Y1 、1Y2、1Y3输出端接指示灯。
2).测试:当E=1时,看四个输出信号的逻辑电平是否全“1”。
当E=0时,2—4译码器进入正常工作状态,给1B、1A选择信号端加不同组合逻辑电平,观察输出端1Y0、1Y1 、1Y2、1Y3所接指示灯的变化,灯亮表示“1”电平,不亮表示“0”电平,请将观测的最后结果记录如下表。
表1 2—4译码器逻辑功能表输入输出E B A Y0 Y1 Y2 Y3输出逻辑关系式1 ΧΧ00 00 0 10 1 00 1 13).利用74LS139译码器实现“同或”门电路Y =30Y Y •=30Y Y +=B A B A •+•=A ⊙B如下图2所示连接电路,将实验结果填入表中,验证其逻辑关系。
是否符合“同或”逻辑门电路的逻辑关系。
图2 用74LS139译码器实现“同或”逻辑门电路接线图和真值4).利用74LS139译码器实现“异或”门电路 Y =21Y Y •=21Y Y +=B A B A •+•=A B如下图3所示连接电路,将实验结果填入表中,验证其逻辑关系。
是否符合“异或”逻辑门电路的逻辑关系。
Y图3 用74LS139译码器实现“异或”逻辑门电路接线图和真值二、用74LS139集成电路将2—4译码器扩展成3—8译码器。
1).接线:扩展的3—8译码器逻辑电路如图3—4所示。
按图3—4连线,A 、B 、C 输入端接实验板电平信号,Y 0 ~Y 7接到指示灯。
实验三 译码器实验
一、实验目的
1、掌握中规模集成电路译码器的工作原理及逻辑功能。
2、学习译码器的灵活应用。
二、实验设备
1、SAC-DS4数字逻辑电路实验箱 1个
2、74LS138 3-8线译码器 2片
3、74LS20 双四输入与非门 1片 三、实验内容与步骤
(一)测试74LS139的逻辑功能。
图1 74LS139集成电路引脚图
实验步骤:
1). 接线:按图1的引脚接线,测试单个2—4译码器的功能(只接74LS139芯片中的一个译码器), 1B 、1A 、1E 输入端接逻辑电平信号,1Y 0、1Y 1 、1Y 2 、1Y 3输出端接指示灯。
2).测试:当E=1时,看四个输出信号的逻辑电平是否全“1”。
当E=0时,2—4译码器进入正常
工作状态,给1B 、1A 选择信号端加不同组合逻辑电平,观察输出端1Y 0、1Y 1 、1Y 2 、1Y 3所接指示灯的变化,灯亮表示“1”电平,不亮表示“0”电平,请将观测的最后结果记录如下表。
表1 2—4译码器逻辑功能表
输 入 输 出 E
B A
Y 0 Y 1 Y 2 Y 3 输出逻辑关系式
1 Χ Χ
0 0 0 0 0 1 0 1 0
0 1 1
3).利用74LS139译码器实现“同或”门电路
Y =30
Y Y •=30Y Y +=B A B A •+•=A ⊙B
如下图2所示连接电路,将实验结果填入表中,验证其逻辑关系。
是否符合“同或”逻辑门电路的逻辑关系。
图2 用74LS139译码器实现“同或”逻辑门电路接线图和真值
Y o Y 174LS139
Y 2
Y 3
&
V cc
E A B G
Y
4).利用74LS139译码器实现“异或”门电路 Y =21
Y Y •=2
1Y Y +=
B A B A •+•=A B
如下图3所示连接电路,将实验结果填入表中,验证其逻辑关系。
是否符合“异或”逻辑门电路的逻辑关系。
Y
图3 用74LS139译码器实现“异或”逻辑门电路接线图和真值
二、用74LS139集成电路将2—4译码器扩展成3—8译码器。
1).接线:扩展的3—8译码器逻辑电路如图3—4所示。
按图3—4连线,A 、B 、C 输入端接实验板电平信号,Y 0 ~Y 7接到指示灯。
图4 用74LS139集成电路将2—4译码器扩展成3—8译码器电路图
2).测试:按真值表4给扩展的3—8译码器输入端送入不同组合的逻辑电平,将输出端显示的逻辑电平填入表中,灯亮表示“1”电平,灯灭表示“0”电平。
表4 3—8译码器真值表
输 入 输 出
C B A Y 0 Y 1 Y 2 Y 3 Y 4 Y 5 Y 6 Y 7 0 0 0 0 0 1 0 1 0 0 1 1 1 0 0 1 0 1 1 1 0 1 1 1
3). 写出3—8译码器输出逻辑关系式:
Y 0= Y 1= Y 2= Y 3= Y 4= Y 5= Y 6= Y 7=
4).利用3—8译码器实现3输入多数表决器。
要求3个输入A 、B 、C 中有2个和3个为1时,输出Y 为高电平,否则Y 为低电平。
根据3输入多数表决器的要求,可以有两种方案来实现。
Y o
Y 174LS139
Y 2
Y 3
&
V cc
E
A B G
Y 0 Y 1 Y 2 Y 3
74LS139(A ) 1A 1B 1E
Y 4
Y 5 Y 6 Y 7
74LS139(B) 2A 2B 2E
&
45671112109
2
3
1
14
13
15
A
B
C
a.采用“与非”门来实现。
图 5 多数表决器 表5
从3—8译码器输出逻辑关系式可以得到表决器的输出为:Y=7653Y Y Y Y •••如图5所示,根据不同的输
入值获得相应的Y 把结果记录如下表5
b.采用“或”门来实现,从3—8译码器输出逻辑关系式可以得到表决器的输出为: Y=7653
Y Y Y Y +++
①写出函数的标准与或表达式,并变换为与非-与非形式。
②画出用二进制译码器和与非门实现这些函数的接线图。
图6多数表决器逻辑电路图 表6
根据不同的输入值获得相应的Y 把结果记录如下表6
74LS139(A)
74LS139(B)
2
1A 2B 1B 2A
2E
Y o Y 1Y 2Y 3
Y 4Y 5Y 6Y
Y 7
3
1
15
14
134567
9
1011
12
A
B C
&
Y o
11Y 1
2Y 12Y o
1Y 21Y 3
2Y 3
2Y 2&
E
1⎪⎩⎪⎨⎧====∑∑--7
653174211)7,6,5,3(),,()7,4,2,1(),,(m m m m m C B A C m m m m m C B A S i i i i i i i i。