平垫内外径厚度标准
- 格式:pdf
- 大小:191.32 KB
- 文档页数:1
平垫英标尺寸表摘要:1.平垫英标尺寸表的概述2.平垫英标尺寸表的具体内容a.英标平垫的种类b.英标平垫的尺寸规格c.英标平垫的材质d.英标平垫的应用领域3.平垫英标尺寸表的优点和局限性4.平垫英标尺寸表在我国的使用情况及前景正文:英标平垫尺寸表是一种用于工程和建筑领域的英制尺寸参考标准,它详细列出了各种类型的英标平垫的尺寸规格。
平垫主要用于管道、阀门、泵等设备的连接和密封,以确保流体或气体在管道中的顺畅流动。
英标平垫尺寸表包括以下内容:a.英标平垫的种类:英标平垫主要分为金属平垫、非金属平垫等,不同类型的平垫适用于不同的工况和材料连接。
b.英标平垫的尺寸规格:英标平垫的尺寸规格包括宽度、厚度、直径等,这些尺寸应根据实际应用需求进行选择。
英标平垫尺寸表提供了各种尺寸的平垫,方便用户根据实际需求选用。
c.英标平垫的材质:英标平垫的材质主要有不锈钢、碳钢、铜、铝等,不同材质的平垫具有不同的性能特点,如耐腐蚀性、耐磨性等。
用户应根据实际工况选择合适的材质。
d.英标平垫的应用领域:英标平垫广泛应用于石油、化工、冶金、制药、食品等行业的管道系统,以及建筑、市政给排水等领域。
平垫英标尺寸表的优点在于为用户提供了一种统一的尺寸参考标准,方便用户在设计和采购平垫时进行选择。
然而,这种尺寸表也存在一定的局限性,例如对于某些特殊应用领域,可能需要根据实际需求定制特殊尺寸的平垫。
在我国,平垫英标尺寸表在许多工程和建筑项目中得到了广泛应用。
随着我国与国际标准的不断接轨,英标平垫尺寸表在我国的使用将更加普及。
同时,我国也在制定自己的平垫尺寸标准,以满足国内市场的需求。
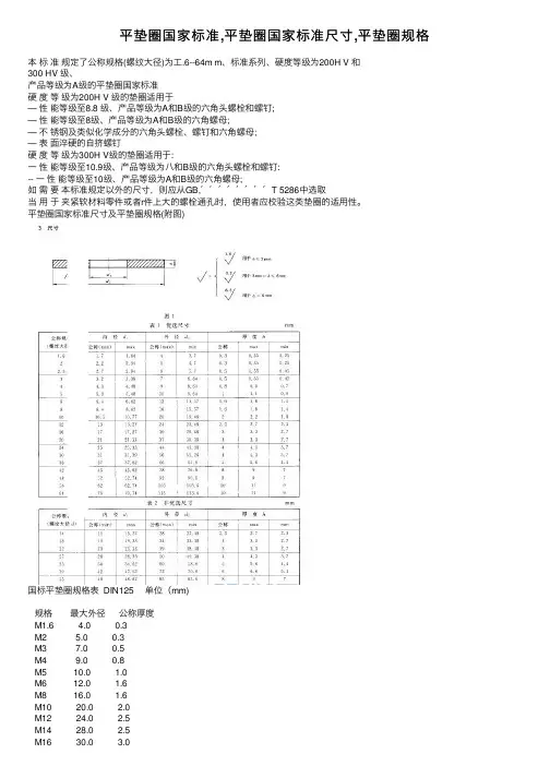
平垫圈国家标准尺寸平垫圈规格尺寸型号有哪些?平垫圈是垫圈的一种,通常是各种形状的薄件,用于减少摩擦、防止泄漏、隔离、防止松脱或分散压力的五金配件,尺寸大小有多种的,那么平垫圈国家标准尺寸是什么?平垫圈规格尺寸型号有哪些?下面就来为大家讲解一番,一起来看看吧。
平垫圈国家标准尺寸:本标准规定了公称规格(螺纹大径)为工.6--64m m、标准系列、硬度等级为200H V 和300 HV 级、产品等级为A级的平垫圈国家标准硬度等级为200H V 级的垫圈适用于—性能等级至8.8 级、产品等级为A和B级的六角头螺栓和螺钉;—性能等级至8级、产品等级为A和B级的六角螺母;—不锈钢及类似化学成分的六角头螺栓、螺钉和六角螺母;—表面淬硬的自挤螺钉硬度等级为300H V级的垫圈适用于:一性能等级至10.9级、产品等级为八和B级的六角头螺栓和螺钉:-- 一性能等级至10级、产品等级为A和B级的六角螺母;如需要本标准规定以外的尺寸,则应从GB,''''''''T 5286中选取当用于夹紧软材料零件或者r件上大的螺栓通孔时,使用者应校验这类垫圈的适用性。
国标平垫圈规格表 DIN125 单位(mm)规格最大外径公称厚度M1.6 4.0 0.3M2 5.0 0.3M3 7.0 0.5M4 9.0 0.8M5 10.0 1.0M6 12.0 1.6M8 16.0 1.6M10 20.0 2.0M12 24.0 2.5M14 28.0 2.5M16 30.0 3.0M18 34.0 3.0M20 37.0 3.0M22 39.0 3.0M24 44.0 4.0M27 50.0 4.0M30 56.0 4.0M33 60.0 5.0M36 66.0 5.0M42 78.0 7.0《gb/t 97.3-2000 销轴用平垫圈》本标准规定了公称规格为3~100mm、性能等级为160hv、产品等级为a级、用于gb/t 880带孔销和gb/t 822销轴的平垫圈。
平垫圈国家标准,平垫圈国家标准尺⼨,平垫圈规格本标准规定了公称规格(螺纹⼤径)为⼯.6--64m m、标准系列、硬度等级为200H V 和300 HV 级、产品等级为A级的平垫圈国家标准硬度等级为200H V 级的垫圈适⽤于— 性能等级⾄8.8 级、产品等级为A和B级的六⾓头螺栓和螺钉;— 性能等级⾄8级、产品等级为A和B级的六⾓螺母;— 不锈钢及类似化学成分的六⾓头螺栓、螺钉和六⾓螺母;— 表⾯淬硬的⾃挤螺钉硬度等级为300H V级的垫圈适⽤于:⼀性能等级⾄10.9级、产品等级为⼋和B级的六⾓头螺栓和螺钉:-- ⼀性能等级⾄10级、产品等级为A和B级的六⾓螺母;如需要本标准规定以外的尺⼨,则应从GB,''''''''T 5286中选取当⽤于夹紧软材料零件或者r件上⼤的螺栓通孔时,使⽤者应校验这类垫圈的适⽤性。
平垫圈国家标准尺⼨及平垫圈规格(附图)国标平垫圈规格表 DIN125 单位(mm)规格最⼤外径公称厚度M1.6 4.0 0.3M2 5.0 0.3M3 7.0 0.5M4 9.0 0.8M5 10.0 1.0M6 12.0 1.6M8 16.0 1.6M10 20.0 2.0M12 24.0 2.5M14 28.0 2.5M16 30.0 3.0M18 34.0 3.0M20 37.0 3.0M22 39.0 3.0M24 44.0 4.0M27 50.0 4.0M30 56.0 4.0M33 60.0 5.0M36 66.0 5.0M42 78.0 7.0《gb/t 97.3-2000 销轴⽤平垫圈》本标准规定了公称规格为3~100mm、性能等级为160hv、产品等级为a级、⽤于gb/t 880带孔销和gb/t 822销轴的平垫圈。
公称尺⼨(螺纹规格 d)1.62 2.5345681012141620243036d1GB848-851.72.22.73.24.35.36.48.410.513151721253137 GB97.1-85GB97.2-85-----d2GB848-853.54.5568911151820242834395060 GB97.1-85456791012162024283037445666GB97.2-85-----h GB848-850.30.30.50.50.51 1.61.61.62 2.52.53445GB97.1-850.82 2.53GB97.2-85-----⼩系列(或标准系列)、公称尺⼨d=8mm、性能等级为140HV级、不经表⾯处理的⼩垫圈(或平垫圈、或倒⾓型平垫圈)的标记:垫圈 GB848-85-8-140HV(或GB97.1—85-8-140HV)。
平垫圈规格尺寸表详细说明与参考标题:平垫圈规格尺寸表详细说明与参考介绍:平垫圈是一种常见的机械密封零件,广泛应用于工业领域。
本文将深入探讨平垫圈的规格尺寸表,包括其详细说明与参考,帮助读者更好地理解和应用平垫圈。
一、平垫圈的基本概念与应用1. 平垫圈的定义:平垫圈是一种圆形环形零件,通常由金属或非金属材料制成。
它主要用于填充或填补机械装配中的空隙,以实现密封或防止松动。
2. 平垫圈的分类:根据材料不同,平垫圈可以分为金属平垫圈和非金属平垫圈。
金属平垫圈通常由钢或铜制成,而非金属平垫圈可以使用橡胶、塑料或纺织材料制成。
3. 平垫圈的应用领域:平垫圈广泛应用于汽车制造、机械制造、航空航天、电子设备等行业。
它们常常用于密封连接、减震缓冲、防松防漏等方面。
二、平垫圈规格尺寸表的组成与说明1. 规格尺寸表的基本构成:平垫圈规格尺寸表一般由标题、材料选型、尺寸和公差、图样及标记等部分组成。
每个部分都包含着重要的信息,有助于用户正确选择和使用平垫圈。
2. 材料选型:平垫圈的选择应根据具体应用环境、工作条件和要求来确定。
材料的选择对于平垫圈的密封性、耐用性和抗腐蚀性有着重要的影响。
3. 尺寸和公差:平垫圈规格尺寸表中的尺寸部分列出了平垫圈的内径、外径和厚度等关键参数。
公差则指明了尺寸允许的误差范围,确保平垫圈能够正确配合和工作。
4. 图样及标记:平垫圈规格尺寸表中的图样提供了平垫圈的形状和结构图示,便于用户直观地了解和辨识不同类型的平垫圈。
标记则用于标识规格型号、材料等重要信息。
三、平垫圈规格尺寸表的参考与使用1. 参考标准:平垫圈规格尺寸的制定通常需要遵守相关国际标准或行业规范。
常见的平垫圈标准包括DIN、ISO、ASME等,用户可根据具体需求选择合适的标准进行参考。
2. 规格尺寸表的使用注意事项:在使用平垫圈规格尺寸表时,用户应注意根据实际需求选择合适的平垫圈类型、材料和尺寸。
同时,要遵循标准的安装和使用要求,以确保平垫圈的效果和可靠性。
螺丝垫片标准尺寸详解一、引言螺丝垫片,也称为垫圈,是紧固件中的重要组成部分。
它们的主要功能是分散螺丝或其他紧固件在紧固过程中产生的压力,从而保护被连接材料免受损伤。
本文将详细介绍螺丝垫片的标准尺寸及其相关知识。
二、螺丝垫片类型1. 平垫圈:主要用于增大接触面积,减小压力,防止松动,保护连接件的表面。
2. 弹簧垫圈:在螺栓紧固后能够给螺栓一个预紧力,提高螺栓的防松效果,但是弹簧垫圈只能使用一次。
3. 锁紧垫圈:一种有锥度的垫圈,主要用于防止螺栓松动。
4. 止动垫圈:用于防止因振动而引起的螺栓松动。
三、螺丝垫片标准尺寸螺丝垫片的尺寸通常根据其内径、外径和厚度进行描述。
以下是一些常见的螺丝垫片标准尺寸:1. M3螺丝垫片标准尺寸:内径2.5mm,外径6mm,厚度0.5mm。
2. M4螺丝垫片标准尺寸:内径3.3mm,外径7.3mm,厚度0.8mm。
3. M5螺丝垫片标准尺寸:内径4.2mm,外径8.5mm,厚度1.0mm。
4. M6螺丝垫片标准尺寸:内径5.0mm,外径10mm,厚度1.2mm。
请注意,这些尺寸可能因不同的制造商和用途而有所差异。
为确保正确的选择和应用,请参考相关的国家或国际标准。
四、影响螺丝垫片选择的因素在选择适合的螺丝垫片时,需要考虑以下因素:1. 被连接材料的类型和厚度。
2. 预期的紧固力。
3. 工作环境的温度、湿度和腐蚀性。
4. 垫片的材料和涂层。
5. 螺栓或螺钉的规格和性能等级。
五、螺丝垫片材料常见的螺丝垫片材料包括钢、不锈钢、铜、铝和塑料等。
各种材料具有不同的特性,如强度、耐腐蚀性和导电性等。
在选择材料时,需要考虑应用的具体需求和成本效益。
六、安装注意事项在安装螺丝垫片时,请遵循以下建议:1. 确保垫片和螺栓或螺钉的尺寸匹配。
2. 检查垫片的表面是否有损坏或污染。
如有需要,请进行清洁或更换。
3. 使用正确的紧固扭矩,以避免过度紧固或紧固不足。
4. 在高温或高湿度环境中工作时,请使用适合的润滑剂和防腐剂。
国标平垫规格表如下:1、平垫规格标注方法:用直径表示规格,所配螺母和直径一致,如果只是单纯的标注,一个阿拉伯数字,没有螺纹公称直径前面的螺纹特征代号"M"。
2、根据平垫圈性能等级,推荐使用材料:100HV级的选用ST12、ST13及Q235、Q215、Q195等等,表面硬度可达到110HV左右;140HV级的选用08F、08Al及10、10F等等,表面硬度可达到140HV左右;扩展资料:平垫的作用:1、加大螺丝与机器的接触面积。
2、消除弹簧垫在卸螺丝的时候对机器表面的损害。
使用时必须是一弹簧垫一平垫,平垫挨着机器表面,弹簧垫在平垫和螺帽之间。
特点:平垫片虽然有很多种材质,但是关于平垫片是这种比较特殊的零件,它的特点主要就是比较柔软,因为在螺母与器械之间的拧紧的过程出现较大的压力,都会出现各样的情况,就比如时间用久了,零件与零件之间出现了松弛的现象,那么整个器材可能就会出现未知的损坏,所以它就是介于二者之间,并且能够保护器材表面不会被磨伤。
主要是它的使用范围特别的广,可以这么说需要组装的设备上面都有可能会使用到,只是说使用的材质和形状的不同而已。
原料:可膨胀石墨(柔性石墨)由纯天然石墨经过化学处理和1000℃的高温处理而成,这种材料提供出色的耐热性和化学耐性,能很好的使垫片具有高弹性和低延展性特征。
应用:用于各种工业上的管道法兰,换热器,阀盖等,以及液面计、水准仪上的特殊形状法兰。
石墨垫片以石墨线为材料,经编织整形而成。
石墨垫片适用于高温、高压、强腐蚀性介质下工作的各类阀门、泵、反应釜等设备的填料函密封。
定义:平垫圈通常是各种形状的薄件,用于减少摩擦、防止泄漏、隔离、防止松脱或分散压力。
许多材料和结构中都有这种部件,用于履行各类相似的功效。
受螺纹紧固件的材料与工艺限制,螺栓等紧固件的支承面不大,因此为减小承压面的压应力保护被连接件的表面,其采用垫圈。
为防止连接副的松动采用防松的弹簧垫圈和多齿形锁紧垫圈、圆螺母止动垫圈以及鞍形、波形、锥形弹性垫圈。
垫片规格尺寸表国标参考如下:
1. 0.6~
2.5mm的钢制盘垫,常用的厚度有:1.5、2.0、2.5等规格。
2. 4~8mm的钢制平垫片,常用的厚度有:4、5、8、10、12等。
3. 10~40mm的钢制波形垫片,常用的厚度有:10、20、30、40等。
4. 钢制管法兰(平面)垫片尺寸表:A型(0.2-2.5)B型(可塑性好的材料)C型(韧性好)D型(耐高温,耐腐蚀)E型(无石棉)E异同。
举例来讲,比如6分(DN20管)连接用8毫米(B型)石棉垫片。
金属垫片类型很多,比如85钢制预缠垫片、平面石墨盘根垫、齿形石墨盘根垫、柔性石墨填料环及四氟垫片等多种类型。
垫片尺寸的选择应考虑以下几个因素:工作压力、工作温度、密封介质、垫片材料的性能(如弹性、塑性、耐腐蚀性等)、安装维修方便等。
以上信息仅供参考,如果还有疑问,建议访问专业网站或咨询专业人士。
不锈钢平垫片标准尺寸嘿,你知道吗?在工业的神秘世界里,就像魔法师要有精准的魔法配方一样,不锈钢平垫片也有它的“标准尺码秘籍”,要是搞不清,小心机器这个“大家伙”闹脾气哦!**一、“小小垫片,大大乾坤:尺寸精准是王道”**在不锈钢平垫片的领域里,尺寸精准可绝非是闹着玩的!“别把尺寸不当回事儿,不然垫片就成了捣乱的‘小调皮’。
”想象一下,机器的各个零件就像是在跳一场精密的舞蹈,而不锈钢平垫片就是其中关键的舞步节拍。
如果尺寸不精准,就好比让芭蕾舞演员穿着不合脚的舞鞋上台,那还不得摔个大跟头?比如说,在汽车发动机里,要是平垫片的尺寸大了一点或者小了一点,都可能导致密封不严,机油泄漏,这可不是闹着玩的!发动机可能就会发脾气,直接罢工啦。
就像我们盖房子,每一块砖头都要恰到好处,不锈钢平垫片的尺寸也必须分毫不差。
只有这样,才能确保机器这个“大家伙”稳定高效地运转。
**二、“厚度之谜:薄厚之间有玄机”**“垫片的厚度,可别小瞧,它就像一层神秘的面纱!”不锈钢平垫片的厚度,那可是有着大学问。
薄了,可能密封效果不佳;厚了,又会影响安装和部件的配合。
这就好比给人穿衣服,太薄不保暖,太厚又行动不便。
比如在一些高精度的仪器中,垫片厚度的细微差别,都可能影响到测量的准确性和仪器的性能。
那可真是“失之毫厘,谬以千里”呀!**三、“直径魔法:大小合适才完美”**“直径的选择,就像选鞋子,合脚才能跑得稳!”直径的大小直接关系到垫片能否在相应的位置发挥作用。
如果直径不合适,就像给大象穿了双小鞋子,或者给小猫咪套了双大靴子,都不合适呀!在管道连接中,垫片的直径要是不对,就会出现漏水、漏气的情况,这麻烦可就大了!好啦,不锈钢平垫片标准尺寸就像是一道道神奇的密码,掌握它们,你就能让机器这个“大块头”乖乖听话,避免因为尺寸不对而引发的“工业灾难”啦!朝着这些标准尺寸努力吧,让自己成为工业领域的“尺寸达人”,闪瞎那些不重视标准的“小眼睛”!相信只要我们严格遵循这些标准尺寸,就能在工业的海洋中乘风破浪,勇往直前!。
平垫片标准件编制规定
1. 平垫片编号用12位数表示
2. 填写规定 从左面开始
① 第一、二框格:平垫片类别表示:
—— 05 第三、四位表示整数,第五位表示第一位小数
② 第三、四、五框格:平垫片内径:
例如:内径φ
内径φ
③ 第六、七框格:平垫片厚度
s
第六位表示整数,第七位表示第一位小数 例如:厚度 2.2mm
厚度 0.8mm
④
第八、九、十框格:平垫片外径D
第八、九位表示整数,第十位表示第一位小数 例如:外径φ
15.5
外径φ
⑤
未做任何处理
只淬火未做任何加工
表面处理
平垫片外径
平垫片厚度
平垫片内径
热处理
1 2 3 4 5 6 7 8 9 12
10 11 平垫片类别
)
)
)
)
例如:要求淬火后
⑥
表面发黑——1 表面镀铬——2 表面镀镍——3 表面镀锌——4 表面光饰处理——5 例如:要求表面镀锌
3. 填写举例
①内径φ6.3、厚度1.5、外径φ12.5、淬火HV500、两面平行0.02、表面发黑的平垫片
②内径φ4.3、厚度0.9、外径φ9、表面镀锌的平垫片。
平垫圈规格尺寸表平垫圈是一种常见的紧固件,用于分散紧固件的压力,防止松动和损坏。
平垫圈有不同的规格和尺寸,下面是一个平垫圈规格尺寸表,提供了一些常见的尺寸和规格供您参考。
尺寸(内径 x 外径 x 厚度)单位(毫米)M1.6 x 3 x 0.3M2 x 4 x 0.3M2.5 x 5 x 0.5M3 x 6 x 0.5M4 x 8 x 0.8M5 x 10 x 1M6 x 12 x 1.5M8 x 16 x 1.5M10 x 20 x 2M12 x 24 x 2M16 x 30 x 3M20 x 37 x 3请注意,上述尺寸仅供参考,具体的规格和尺寸可能因制造商和使用情况而有所变化。
在选择平垫圈时,应根据您的具体需求和应用场景,选择合适的尺寸。
平垫圈的作用和用途平垫圈的作用是在螺栓或螺母与连接件表面之间提供一个平均的压力分布,从而减少紧固件对连接件的损害。
它们通常用于以下几个方面:1.防止松动:平垫圈可以提供额外的摩擦力,帮助紧固件保持稳定,防止松动。
这在需要长时间保持紧固件固定的应用中特别重要。
2.减少压力集中:平垫圈能够均匀分散紧固件对连接件的压力,从而减少压力在局部区域的集中,降低连接件变形和损坏的风险。
3.增加紧固力:通过增加紧固件的摩擦力和表面积,平垫圈可以增加紧固力,使连接更加牢固和可靠。
4.填补间隙:有时候,在连接两个部件时可能存在一些间隙或不平坦的表面。
平垫圈可以填补这些间隙,使紧固件能够均匀地分布在连接部件上。
如何选择适合的平垫圈尺寸选择适合的平垫圈尺寸非常重要,因为错误的尺寸可能导致紧固件松动或连接件受损。
下面是一些选择平垫圈尺寸的要点:1.符合标准:平垫圈有一些国际标准,如ISO 7089和DIN 125。
确保所选平垫圈符合适用的标准,以保证质量和可靠性。
2.内径和外径:选择平垫圈时,要根据连接件的尺寸来确定内径和外径。
内径应与螺栓或螺母的直径相匹配,外径应适合连接部件的表面。