标准电线平方数和直径一览表
- 格式:docx
- 大小:13.41 KB
- 文档页数:1
国标电线平方数和直径一览表文件管理序列号:[K8UY-K9IO69-O6M243-OL889-F88688]换算方法:知道电线的平方,计算电线的半径用求圆形面积的公式计算:电线平方数(平方毫米)=圆周率(3.14)×电线半径(毫米)的平方知道电线的平方,计算线直径也是这样,如:2.5方电线的线直径是:2.5÷3.14 = 0.8,再开方得出0.9毫米,因此2.5方线的线直径是:2×0.9毫米=1.8毫米。
知道电线的直径,计算电线的平方也用求圆形面积的公式来计算:电线的平方=圆周率(3.14)×线直径的平方/4电缆大小也用平方标称,多股线就是每根导线截面积之和。
电缆截面积的计算公式:0.7854 × 电线半径(毫米)的平方× 股数如48股(每股电线半径0.2毫米)1.5平方的线:0.785 ×(0.2 × 0.2)× 48 = 1.5平方电缆线国家标准技术参数表0.3MM平方 16 0.15MM 6A0.4MM平方 23 0.15MM0.5MM平方 28 0.15MM0.75MM平方 42 0.15MM 14A1.5MM平方 48 0.2MM 25A2.5MM平方 19 0.41MM 34A标称截面积铜丝根数单根直径参数截流0.3MM平方 160.15MM 6A0.4MM平方 230.15MM0.5MM平方 280.15MM0.75MM平方 420.15MM 14A1.5MM平方48 0.2MM 25A2.5MM平方19 0.41MM 34A标称截面积计算方法:标称截面积=单根铜线半径的平方*3.14(圆周率)*铜线根数换算方法:知道电线的平方,计算电线的半径用求圆形面积的公式计算:电线平方数(平方毫米)=圆周率(3.14)×电线半径(毫米)的平方知道电线的平方,计算线直径也是这样,如:2.5方电线的线直径是:2.5÷3.14 = 0.8,再开方得出0.9毫米,因此2.5方线的线直径是:2×0.9毫米=1.8毫米。
国标电线平方数和直径一览表公司标准化编码 [QQX96QT-XQQB89Q8-NQQJ6Q8-MQM9N]换算方法:知道电线的平方,计算电线的半径用求圆形面积的公式计算:电线平方数(平方毫米)=圆周率(3.14)×电线半径(毫米)的平方知道电线的平方,计算线直径也是这样,如:2.5方电线的线直径是:2.5÷3.14 = 0.8,再开方得出0.9毫米,因此2.5方线的线直径是:2×0.9毫米=1.8毫米。
知道电线的直径,计算电线的平方也用求圆形面积的公式来计算:电线的平方=圆周率(3.14)×线直径的平方/4电缆大小也用平方标称,多股线就是每根导线截面积之和。
电缆截面积的计算公式:0.7854 × 电线半径(毫米)的平方× 股数如48股(每股电线半径0.2毫米)1.5平方的线:0.785 ×(0.2 × 0.2)× 48 = 1.5平方电缆线国家标准技术参数表0.3MM平方 16 0.15MM 6A0.4MM平方 23 0.15MM0.5MM平方 28 0.15MM0.75MM平方 42 0.15MM 14A1.5MM平方 48 0.2MM 25A2.5MM平方 19 0.41MM 34A标称截面积铜丝根数单根直径参数截流0.3MM平方 16?0.15MM6A0.4MM平方 23?0.15MM?0.5MM平方? 28?0.15MM?0.75MM平方? 42?0.15MM14A1.5MM平方48 0.2MM25A2.5MM平方?19? 0.41MM 34A标称截面积计算方法:标称截面积=单根铜线半径的平方*3.14(圆周率)*铜线根数换算方法:知道电线的平方,计算电线的半径用求圆形面积的公式计算:电线平方数(平方毫米)=圆周率(3.14)×电线半径(毫米)的平方知道电线的平方,计算线直径也是这样,如:2.5方电线的线直径是:2.5÷3.14 = 0.8,再开方得出0.9毫米,因此2.5方线的线直径是:2×0.9毫米=1.8毫米。
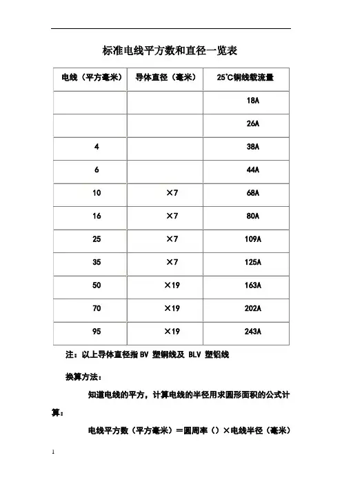
标准电线平方数和直径一览表
注:以上导体直径指B V塑铜线及E L V塑铝线换算方法:
知道电线的平方,计算电线的半径用求圆形面积的公式计算:
电线平方数(平方毫米)二圆周率(3・14) X电线半径(毫米)的平方
知道电线的平方,计算线直径也是这样,女口:
2. 5方电线的线直径是:2. 5七.14二0. 8,再开方得岀0. 9毫米, 因此2. 5方线的线直径是:2X)・9毫米二1.8毫米。
知道电线的直径,计算电线的平方也用求圆形面积的公式来计算: 电线的平方二圆周率(3.14 )X线直径的平方/ 4
电缆大小也用平方标称,多股线就是每根导线截面积之和。
电缆截面积的计算公式:
0. 7854 X电线半径(毫米)的平方X股数
如48股(每股电线半径0・2毫米)1・5平方的线:
0. 785 X ( 0.2 X. 2) X48 = 1.5 平方。
换算方法:知道电线的平方,计算电线的半径用求圆形面积的公式计算:电线平方数〔平方毫米〕=圆周率〔3.14〕×电线半径〔毫米〕的平方知道电线的平方,计算线直径也是这样,如:2.5方电线的线直径是:2.5÷3.14 = 0.8,再开方得出0.9毫米,因此2.5方线的线直径是:2×0.9毫米=1.8毫米。
知道电线的直径,计算电线的平方也用求圆形面积的公式来计算:电线的平方=圆周率〔3.14〕×线直径的平方/4电缆大小也用平方标称,多股线就是每根导线截面积之和。
电缆截面积的计算公式:0.7854 ×电线半径〔毫米〕的平方×股数如48股〔每股电线半径0.2毫米〕1.5平方的线:0.785 ×〔0.2 × 0.2〕× 48 = 1.5平方电缆线国家标准技术参数表0.3MM平方16 0.15MM 6A0.4MM平方23 0.15MM0.5MM平方28 0.15MM0.75MM平方42 0.15MM 14A1.5MM平方48 0.2MM 25A2.5MM平方19 0.41MM 34A标称截面积铜丝根数单根直径参数截流0.3MM平方16 0.15MM 6A 0.4MM平方23 0.15MM0.5MM平方28 0.15MM0.75MM平方42 0.15MM 14A1.5MM平方 48 0.2MM 25A2.5MM平方 19 0.41MM 34A标称截面积计算方法:标称截面积=单根铜线半径的平方*3.14(圆周率)*铜线根数国标电线平方数和直径一览表电线〔平方毫米〕导体直径〔毫米〕25℃铜线载流量1.5 1.3818A2.5 1.7826A4 2.2538A6 2.7644A10 1.33×768A16 1.70×780A25 2.10×7109A35 2.50×7125A50 1.78×19163A70 2.10×19202A95 2.50×19243A换算方法:知道电线的平方,计算电线的半径用求圆形面积的公式计算:电线平方数〔平方毫米〕=圆周率〔3.14〕×电线半径〔毫米〕的平方知道电线的平方,计算线直径也是这样,如:2.5方电线的线直径是:2.5÷3.14 = 0.8,再开方得出0.9毫米,因此2.5方线的线直径是:2×0.9毫米=1.8毫米。
标准电线平方数和直径一览表
注:以上导体直径指BV塑铜线及BLV塑铝线
换算方法:
知道电线的平方,计算电线的半径用求圆形面积的公式计算:电线平方数(平方毫米)=圆周率(3.14)X电线半径(毫米)
的平方
知道电线的平方,计算线直径也是这样,如:
2.5方电线的线直径是:2.5七.14 = 0.8,再开方得出0.9毫米, 因此2.5方线的线直径是:2X).9毫米=1.8毫米。
知道电线的直径,计算电线的平方也用求圆形面积的公式来计算: 电线的平方=圆周率(3.14 )X线直径的平方/ 4
电缆大小也用平方标称,多股线就是每根导线截面积之和。
电缆截面积的计算公式:
0.7854 X电线半径(毫米)的平方X股数
如48股(每股电线半径0.2毫米)1.5平方的线:
0.785 X(0.2 X.2)X48 = 1.5 平方。
国标电线平方数和直径一览表标准化管理处编码[BBX968T-XBB8968-NNJ668-MM9N]换算方法:知道电线的平方,计算电线的半径用求圆形面积的公式计算:电线平方数(平方毫米)=圆周率()×电线半径(毫米)的平方知道电线的平方,计算线直径也是这样,如:方电线的线直径是:÷ = ,再开方得出毫米,因此方线的线直径是:2×毫米=毫米。
知道电线的直径,计算电线的平方也用求圆形面积的公式来计算:电线的平方=圆周率()×线直径的平方/4电缆大小也用平方标称,多股线就是每根导线截面积之和。
电缆截面积的计算公式:× 电线半径(毫米)的平方× 股数如48股(每股电线半径毫米)平方的线:×(× )× 48 = 平方电缆线国家标准技术参数表平方 16 6A平方 23平方 28平方 42 14A平方 48 25A平方 19 34A标称截面积铜丝根数单根直径参数截流平方 16 6A平方 23平方 28平方 42 14A平方48 25A平方19 34A标称截面积计算方法:标称截面积=单根铜线半径的平方*(圆周率)*铜线根数国标电线平方数和直径一览表换算方法:知道电线的平方,计算电线的半径用求圆形面积的公式计算:电线平方数(平方毫米)=圆周率()×电线半径(毫米)的平方知道电线的平方,计算线直径也是这样,如:方电线的线直径是:÷ = ,再开方得出毫米,因此方线的线直径是:2×毫米=毫米。
知道电线的直径,计算电线的平方也用求圆形面积的公式来计算:电线的平方=圆周率()×线直径的平方/4电缆大小也用平方标称,多股线就是每根导线截面积之和。
电缆截面积的计算公式:× 电线半径(毫米)的平方× 股数如48股(每股电线半径毫米)平方的线:×(× )× 48 = 平方电缆线国家标准技术参数表平方 16 6A平方 23平方 28平方 42 14A平方 48 25A平方 19 34A4*16/表示电缆有四芯,每一芯的导体有16根,每一根每一芯的截面是其余同上=;1260mm=;所以:立方米。
标准电线平方数和直径一览表注:以上导体直径指塑铜线及塑铝线换算方法:知道电线的平方,计算电线的半径用求圆形面积的公式计算:电线平方数(平方毫米)=圆周率(3.14)炖线半径(毫米)的平方知道电线的平方,计算线直径也是这样,如:2.5方电线的线直径是:2.5完.14 = 0.8,再开方得出0.9毫米,因此2.5方线的线直径是:2X).9毫米=1.8毫米知道电线的直径,计算电线的平方也用求圆形面积的公式来计算: 电线的平方=圆周率(3.14)X线直径的平方/ 4电缆大小也用平方标称,多股线就是每根导线截面积之和。
电缆截面积的计算公式:0.7854 X电线半径(毫米)的平方X股数如48股(每股电线半径0.2毫米)1.5平方的线:0.785 X( 0.2 X.2)X48 = 1.5 平方硅橡胶导线编辑锁定本词条缺少信息栏、名片图,补充相关内容使词条更完整,还能快速升级,赶紧来编辑吧!硅橡胶导线是指具有耐高温耐低温性能,具有电绝缘性能的导线,采用耐高温高强型、经特殊工艺加工而成。
目录1. 1定义信息2. 2产品信息3. 3特点/用途4. 4规格结构及技术参数硅橡胶导线定义信息编辑硅橡胶导线,主要特征是耐高温、绝缘、防火阻燃、耐腐蚀、耐老化、耐气候性、高强度、高模量、防静电、外观光滑等特点。
硅橡胶导线产品信息编辑产品型号:60245 IEC 03 (YG )执行标准:GB5013.3-2008产品特性:1、额定电压:300/500V2、工作温度:-60〜+200 C3、导体:绞合裸铜线或镀锡铜线4、绝缘:硅橡胶5、编织:玻璃纤维+硅树脂6、颜色:红/黄/兰/白/黑/黄绿/棕等硅橡胶导线特点/用途编辑具有优良的高温耐低温性能,具有优良的电绝缘性能,优良的化学稳定性能,耐高电压,耐老化,使用寿命长。
且柔软便于安装。
广泛应用于照明灯具、家用电器、电热电器、仪表仪器、电机引接线及电子、灯具、燃具等高温环境。
[1]硅橡胶导线规格结构及技术参数编辑标称截面导体结构绝缘厚度编织厚度平均外径20 °C时导体电阻包装长度(mm(mm(mm(mm最大值(Q/km)(m)线型号普通绞线:LJ :铝铰线。
国标电线平方数和直径一览表GE GROUP system office room 【GEIHUA16H-GEIHUA GEIHUA8Q8-换算方法:知道电线的平方,计算电线的半径用求圆形面积的公式计算:电线平方数(平方毫米)=圆周率(3.14)×电线半径(毫米)的平方知道电线的平方,计算线直径也是这样,如:2.5方电线的线直径是:2.5÷3.14 = 0.8,再开方得出0.9毫米,因此2.5方线的线直径是:2×0.9毫米=1.8毫米。
知道电线的直径,计算电线的平方也用求圆形面积的公式来计算:电线的平方=圆周率(3.14)×线直径的平方/4电缆大小也用平方标称,多股线就是每根导线截面积之和。
电缆截面积的计算公式:0.7854 × 电线半径(毫米)的平方× 股数如48股(每股电线半径0.2毫米)1.5平方的线:0.785 ×(0.2 × 0.2)× 48 = 1.5平方电缆线国家标准技术参数表0.3MM平方 16 0.15MM 6A0.4MM平方 23 0.15MM0.5MM平方 28 0.15MM0.75MM平方 42 0.15MM 14A1.5MM平方 48 0.2MM 25A2.5MM平方 19 0.41MM 34A标称截面积铜丝根数单根直径参数截流0.3MM平方 16?0.15MM6A0.4MM平方 23?0.15MM?0.5MM平方? 28?0.15MM?0.75MM平方? 42?0.15MM14A1.5MM平方48 0.2MM25A2.5MM平方?19? 0.41MM 34A标称截面积计算方法:标称截面积=单根铜线半径的平方*3.14(圆周率)*铜线根数国标电线平方数和直径一览表换算方法:知道电线的平方,计算电线的半径用求圆形面积的公式计算:电线平方数(平方毫米)=圆周率(3.14)×电线半径(毫米)的平方知道电线的平方,计算线直径也是这样,如:2.5方电线的线直径是:2.5÷3.14 = 0.8,再开方得出0.9毫米,因此2.5方线的线直径是:2×0.9毫米=1.8毫米。
标准电线平方数和直径一览表
注:以上导体直径指BV 塑铜线及 BLV 塑铝线
换算方法:
知道电线的平方,计算电线的半径用求圆形面积的公式计算:
电线平方数(平方毫米)=圆周率()×电线半径(毫米)
的平方
知道电线的平方,计算线直径也是这样,如:
方电线的线直径是:÷ = ,再开方得出毫米,因此方线的线直径是:2×毫米=毫米。
知道电线的直径,计算电线的平方也用求圆形面积的公式来计算:
电线的平方=圆周率()×线直径的平方/4
电缆大小也用平方标称,多股线就是每根导线截面积之和。
电缆截面积的计算公式:
× 电线半径(毫米)的平方× 股数
如48股(每股电线半径毫米)平方的线:
×(× )× 48 = 平方。
国标电线平方数和直径一览表
电线(平方毫米)导体直径(毫米)25℃铜线载流量
1.5 1.38 18A
2.5 1.78 26A
4 2.2
5 38A
6 2.76 44A
10 1.33×7 68A
16 1.70×7 80A
25 2.10×7 109A
35 2.50×7 125A
50 1.78×19 163A
70 2.10×19 202A
95 2.50×19 243A
注:以上导体直径指BV 塑铜线及BLV 塑铝线
换算方法:
知道电线的平方,计算电线的半径用求圆形面积的公式计算:
电线平方数(平方毫米)=圆周率(3.14)×电线半径(毫米)的平方
知道电线的平方,计算线直径也是这样,如:
2.5方电线的线直径是:2.5÷
3.14 = 0.8,再开方得出0.9毫米,因此2.5方线的线直径是:2×0.9毫米=1.8毫米。
知道电线的直径,计算电线的平方也用求圆形面积的公式来计算:
电线的平方=圆周率(3.14)×线直径的平方/4
电缆大小也用平方标称,多股线就是每根导线截面积之和。
电缆截面积的计算公式:
0.7854 ×电线半径(毫米)的平方×股数
如48股(每股电线半径0.2毫米)1.5平方的线:0.785 ×(0.2 × 0.2)× 48 = 1.5平方。
国标电线平方数和直径一览表————————————————————————————————作者:————————————————————————————————日期:2国标电线平方数和直径一览表电线(平方毫米)导体直径(毫米)25℃铜线载流量1.5 1.3818A2.5 1.7826A4 2.2538A6 2.7644A10 1.33×768A16 1.70×780A25 2.10×7109A35 2.50×7125A50 1.78×19163A70 2.10×19202A95 2.50×19243A换算方法:知道电线的平方,计算电线的半径用求圆形面积的公式计算:电线平方数(平方毫米)=圆周率(3.14)×电线半径(毫米)的平方知道电线的平方,计算线直径也是这样,如:2.5方电线的线直径是:2.5÷3.14 = 0.8,再开方得出0.9毫米,因此2.5方线的线直径是:2×0.9毫米=1.8毫米。
知道电线的直径,计算电线的平方也用求圆形面积的公式来计算:电线的平方=圆周率(3.14)×线直径的平方/4电缆大小也用平方标称,多股线就是每根导线截面积之和。
电缆截面积的计算公式:0.7854 ×电线半径(毫米)的平方×股数如48股(每股电线半径0.2毫米)1.5平方的线:0.785 ×(0.2 × 0.2)× 48 = 1.5平方电缆线国家标准技术参数表0.3MM平方16 0.15MM 6A0.4MM平方23 0.15MM0.5MM平方28 0.15MM0.75MM平方42 0.15MM 14A1.5MM平方48 0.2MM 25A2.5MM平方19 0.41MM 34A标称截面积铜丝根数单根直径参数截流0.3MM平方16 0.15MM 6A 0.4MM平方23 0.15MM0.5MM平方28 0.15MM0.75MM平方42 0.15MM 14A1.5MM平方 48 0.2MM 25A2.5MM平方 19 0.41MM 34A标称截面积计算方法:标称截面积=单根铜线半径的平方*3.14(圆周率)*铜线根数国标电线平方数和直径一览表电线(平方毫米)导体直径(毫米)25℃铜线载流量1.5 1.3818A2.5 1.7826A4 2.2538A6 2.7644A10 1.33×768A16 1.70×780A25 2.10×7109A35 2.50×7125A50 1.78×19163A70 2.10×19202A95 2.50×19243A换算方法:知道电线的平方,计算电线的半径用求圆形面积的公式计算:电线平方数(平方毫米)=圆周率(3.14)×电线半径(毫米)的平方知道电线的平方,计算线直径也是这样,如:2.5方电线的线直径是:2.5÷3.14 = 0.8,再开方得出0.9毫米,因此2.5方线的线直径是:2×0.9毫米=1.8毫米。
标准电线平方数和直径一览表电线(平方毫米)导体直径(毫米)25℃铜线载流量
1.5 1.3818A
2.5 1.7826A
4 2.2538A
6 2.7644A
10 1.33 ×768A
16 1.70 ×780A
25 2.10 ×7109A
35 2.50 ×7125A
50 1.78 ×19163A
70 2.10 ×19202A
95 2.50 ×19243A
注:以上导体直径指BV 塑铜线及BLV塑铝线
换算方法:
知道电线的平方,计算电线的半径用求圆形面积的公式计算:
电线平方数(平方毫米)=圆周率(3.14 )×电线半径(毫米)的平方
知道电线的平方,计算线直径也是这样,如:
2.5 方电线的线直径是: 2.5 ÷
3.14 = 0.8 ,再开方得出0.9 毫米,所以 2.5 方线的线直径是: 2×0.9 毫米= 1.8 毫米。
知道电线的直径,计算电线的平方也用求圆形面积的公式来
计算:
电线的平方=圆周率( 3.14 )×线直径的平方/ 4
电缆大小也用平方标称,多股线就是每根导线截面积之和。
电缆截面积的计算公式:
0.7854×电线半径(毫米)的平方× 股数
如 48 股(每股电线半径0.2 毫米) 1.5 平方的线:
0.785×(0.2×0.2)×48 = 1.5平方。
标准电线平方数和直径一览表
注:以上导体直径指BV 塑铜线及BLV 塑铝线
换算方法:知道电线的平方,计算电线的半径用求圆形面积的公式计算:电线平方数(平方毫米)=圆周率(3。
14)×电线半径(毫米)的平方知道电线的平方,计算线直径也是这样,如:2。
5方电线的线直径是:2.5÷ 3。
14 = 0.8,再开方得出0.9毫米,因此
2。
5方线的线直径是:2×0。
9毫米=1。
8毫米. 知道电线的直径,计算电线的平方也用求圆形面积的公式来计算: 电线的平方=圆周率(3。
14)×线直径的平方/4 电缆大小也用平方标称,多股线就是每根导线截面积之和。
电缆截面积的计算公式:0。
7854 ×电线半径(毫米)的平方×股数如48股(每股电线半径0。
2毫米)1.5平方的线: 0。
785 ×(0。
2 × 0。
2)× 48 = 1.5平方。
知道电线的平方,计算电线的半径用求圆形面积的公式计算:电线平方数(平方毫米)=圆周率(3。
14)×电线半径(毫米)的平方知道电线的平方,计算线直径也是这样,如:2。
5方电线的线直径是:2.5÷ 3.14 = 0。
8,再开方得出0。
9毫米,因此2。
5方线的线直径是:2×0.9毫米=1.8毫米。
知道电线的直径,计算电线的平方也用求圆形面积的公式来计算:电线的平方=圆周率(3。
14)×线直径的平方/4电缆大小也用平方标称,多股线就是每根导线截面积之和。
电缆截面积的计算公式:0。
7854 ×电线半径(毫米)的平方×股数如48股(每股电线半径0。
2毫米)1。
5平方的线:0.785 ×(0。
2 × 0。
2)× 48 = 1.5平方电缆线国家标准技术参数表0。
3MM平方16 0。
15MM 6A0。
4MM平方23 0。
15MM0.5MM平方28 0。
15MM0.75MM平方42 0.15MM 14A1。
5MM平方48 0。
2MM 25A2。
5MM平方19 0。
41MM 34A标称截面积铜丝根数单根直径参数截流0.3MM平方16 0。
15MM 6A 0。
4MM平方23 0。
15MM0.5MM平方28 0。
15MM0。
75MM平方42 0.15MM 14A 1.5MM平方 48 0。
2MM 25A 2。
5MM平方 19 0.41MM 34A 标称截面积计算方法:标称截面积=单根铜线半径的平方*3。
14(圆周率)*铜线根数电缆截面积的计算公式:0。
7854 × 电线半径(毫米)的平方× 股数如48股(每股电线半径0.2毫米)1.5平方的线:0。
785 ×(0。
2 × 0.2)× 48 = 1。
5平方电缆线国家标准技术参数表0。
3MM平方 16 0.15MM 6A0。
4MM平方 23 0。
标准电线平方数和直径一览表
注:以上导体直径指BV 塑铜线及BLV 塑铝线
换算方法:知道电线的平方,计算电线的半径用求圆形面积的公式计算:电线平方数(平方毫米)=圆周率(3。
14)×电线半径(毫米)的平方知道电线的平方,计算线直径也是这样,如: 2.5方电线的线直径是:2.5÷ 3。
14 = 0。
8,再开方得出0.9毫
米,因此2.5方线的线直径是:2×0。
9毫米=1.8毫米。
知道电线的直径,计算电线的平方也用求圆形面积的公式来计算:电线的平方=圆周率(3.14)×线直径的平方/4 电缆大小也用平方标称,多股线就是每根导线截面积之和。
电缆截面积的计算公
式:0.7854 ×电线半径(毫米)的平方×股数如48股(每股电线半径0。
2毫米)1.5平方的线:0.785 ×(0。
2 × 0。
2)× 48 = 1.5平方。