砼砖砌体施工方案
- 格式:doc
- 大小:163.00 KB
- 文档页数:14
砌体工程施工方案本工程砌体-2.19以下为MU15标准粘土实心砖,M10水泥砂浆: -2.19~5.78米之间墙体为MU10 KP1/ M10混合砂浆:5.78以上墙体为MU10 KP1/M7.5混合砂浆.1.材料运输堆放和验收1.1材料供应方选定具备资质的专业厂家,运输与装卸过程中必须做到平稳、避免冲击,轻拿轻放,使用翻斗倾卸或任意丢、掷、抛、摔。
1.2分规格堆放成方,堆置高度不宜超过1.6m,并应保持砖块干净。
1.3材料进场时认真签署数量、规格,质保书及现场检验合格证,对外观检查不合格的不允许进入施工现场,并按规定每批取样送检测部门复试强度。
2.工艺流程基层处理浇水、找平,原材料检验复试合格→放线抄平弹平位置线、立皮数杆→砖墙撂底保证组砌方法正确→砖墙砌筑保证砂浆底灰饱满→砖墙体钢筋数量、位置符合要求→过梁等预制构件安装型号、位置符合图纸要求→按照标准进行自检专验保证墙体符合验收标准→墙体保护制度措施,保证颜色一致3.设备准备配备一台强制式砂浆搅拌机,每台班可出聊15—20m3,能满足砌筑需要,垂直运输用塔吊运输至施工楼层。
3.劳动力安排砌筑工程组织一个由40人组成的以瓦工为主的施工班,木工、钢筋工按工作量配备4.施工准备1、因本工程为框架结构,砌筑时必须提前2-3天在有墙部位柱上植好拉结筋,其规格为2ф6.5,长度不小于1m,垂直分布间距500mm,采用植筋胶作为粘结剂。
砌筑前一天,应将墙体与原结构相接处洒水湿润以保证砌体充分粘结。
本工程采用砼砖,故不用浇水。
2、按建筑平面图定位控制网,弹出砌体中心线,门窗洞口按标高控制点,弹好水平控制线,立好皮数杆。
3、整理好墙与砼柱、墙的拉接筋,如预埋拉接筋发现残缺,用ф8膨胀螺栓焊上拉结补加。
砌筑前应做好地面垫层然后先砌踢脚板高度粘土砖墙或砼基础带。
4、将砌体墙部位的楼地面,剔除高出撂底面的凝结灰浆,并清扫干净。
5、铝合金、塑钢门窗部位。
预制C20砼块,沿地(窗)面向上150mm,上下口150mm,中间每隔300mm间隔埋置(有门窗详图按图为准)。
砌体工程施工方案及措施本工程砖砌体采用外墙±0.000以上采用200mm厚加气混凝土砌块砖,±0.000以下采用200mm厚灰砂砖。
(1)、施工程序:清理→放线→砌墙体、墙内埋管→竖向管道安装→竖管试压保温砌竖井墙体。
1、经甲方、监理等对砼主体结构外观检查和轴线标高验收合格后,方可进行。
2、砌筑前所有砌体加固筋应全部完善。
3、所有预埋管道应采用开槽机切槽预埋,防止乱凿线槽,破坏墙体。
(2)、粘土砖砌体工程1、作业条件加气混凝土砌块砖砌砖前应将砖浇水湿润,普通粘土砖以水浸入表面下10-20mm深为宜。
雨天作业严禁使用含水率呈饱和状态的砖。
砌筑部位的灰渣、杂物应清除干净,基层浇水湿润。
应按试验确定的砂浆配合比拌制砂浆,并搅拌均匀,常温下一次拌好的水泥砂浆或水泥混合砂浆应在3~4h内用完,当气温超过30℃时,应在2~3h内用完。
上午的砂浆不得留到下午使用,严禁使用过夜砂浆。
2、质量标准加气混凝土砌块砖砌块砖砌体上下错缝应符合以下规定:砖柱、垛无包心砌法,窗间墙及清水墙面无通缝,混水墙每间(处)4~6皮砖的通缝,且不超过3处。
砖砌体接槎应符合以下规定:接槎处灰浆密实,砖缝平直,每处接槎部位水平灰缝厚度小于5mm或透亮的缺陷不应超过5个,最大不得超过10个。
(3)、加气混凝土砌块砖砖砌块砌体1、适用范围:适用于非承重砌块(气混凝土砌块砖)砌体工程。
2、施工准备①作业条件砌体基层应清扫干净,并在基层上弹好轴线、边线、门窗洞口位置线和其它尺寸线,并做好轴线、标高的复核、记录。
②砌筑墙应先立好皮数杆,皮数杆宜设在墙转角处及内、外墙交接处。
加气砌块筑前应提前一天浇水湿润,湿润情况采取断砌块法检查,一般宜浸入表面下15~25mm深为宜。
雨天作业严禁使用含水率呈饱和状态的砌体。
砌筑部位的灰渣、杂物应清除干净,基层浇水湿润。
应按试验确定的砂浆配合比拌制砂浆,并搅拌均匀。
常温下一次搅好的水泥砂浆或水泥混合砂浆应在3~4h内用完,当气温超过30℃时,应在2~3h内用完。
砌筑工程施工专项方案1、砌筑工艺(1)工程采用MU15 混凝土普通砖M10 水泥砂浆砌筑,砌体砌筑前要做好砂浆配合比设计,每槽的用料量要交底(以实际的体积比为宜)。
砖要在砌筑前1-2 天浇水湿润,含水率宜为8-12% ,不能即淋水即砌筑。
(2)砌体施工应按建筑物的主要轴线及砌体的砌筑控制边线,放好线,经技术复核合格后方可施工。
(3)砌体施工:应设置皮数杆,并根据设计要求、砖块规格和灰缝厚度在皮数杆上标明皮数竖向构造的变化部位。
(4)施工工艺:①砂浆搅拌a. 内外墙砌筑砂浆为M7.5 混合砂浆,要严格按设计配合比投料,其用料精确度控制在:水泥2% 以内,砂及石灰膏5% 以内。
b. 砂浆制作采用机械搅拌,其投料顺序先砂、水泥、石灰膏后加水,拌合时间自投料完毕算起,不得小于 2 分钟。
c. 砂浆应随拌随用,水泥混合砂浆必须在拌成后,4 小时内使用完毕。
②组砌方法砖砌筑前1-2 天淋水,采用三一法砌筑,一次铺浆长度小于800mm ,砖墙砌筑应上下错缝,内外搭砌,灰缝平直,砂浆饱满,水平灰缝厚度和竖向灰缝宽度一般为10mm ,但不应小于8mm ,也不应大于12mm 。
砂浆的饱满度要大于80% 以上。
b.水泥砖、灰砂砖b. 砖墙的转角处和交接处应同时砌筑,对不能同事砌筑而又必须留置临时间断处应留斜槎,实心墙的斜槎长度不应小于高度的2/3 。
c. 钢筋混凝土柱与砌体的联系钢筋必须按设计要求和施工规范设置。
d. 砖墙每天的砌筑高度不得超过 1.5 米,且墙顶面与上部结构余下300mm隔两天砌筑,接触处宜用侧砖斜砌挤紧(角度宜为60° )。
e. 各临时接口应加工拉筋以加强连接。
f.墙中需设的构造柱,应先砌墙后浇注构造柱,且砖墙应砌成马牙槎,构造柱中伸出钢筋锚入墙中,长度符合设计以及规范要求。
对砖墙砌筑的基本质量要求:墙体表面横平竖直;灰浆饱满灰缝均匀;砖缝搭接合理并符合墙体设计的构造要求,墙身砌筑还必须符合下述技术规定。
砌体工程施工方案2
1. 工程概述
砌体工程是建筑工程中常见的一种建造方式,通过将砖块、砖砌块或其他砌体
构件按照设计图纸要求按一定规则进行叠组而形成的构造体系。
本文将详细介绍砌体工程的施工方案2,包括施工准备、施工工艺、工程质量控制等内容。
2. 施工准备
2.1 材料准备
在进行砌体工程施工前,需要提前准备好砖块、砂浆、水泥等材料,确保材料
的质量符合国家标准,数量充足。
2.2 施工设备
准备好施工所需的设备,如砌筑工具、搅拌机、抹灰板等,确保设备完好并符
合安全要求。
2.3 施工人员
组织施工人员进行技术培训,确保施工人员掌握各项砌砖技术,提高施工效率
和质量。
3. 施工工艺
3.1 布置砌体工程
根据设计图纸要求,在基础上的标线确定砌体构件的位置和高度,并进行精确
的测量和调整。
3.2 砌筑墙体
采用砌筑墙体的方法,按照设计要求将砖块按规定的方式砌放,保证墙体垂直、水平和整齐。
3.3 砂浆施工
在砖砌墙体中逐层铺设砂浆,确保砖块之间的缝隙饱满,并对接头部位进行加
固处理。
4. 工程质量控制
4.1 施工过程监控
定期对施工过程进行检查,确保施工质量符合设计要求,及时发现和解决问题。
4.2 完工验收
对已完成的砌体工程进行全面检查,确保工程质量达到国家标准,并进行验收
报告。
5. 结束语
砌体工程施工方案2在确保施工质量的前提下,提高施工效率,促进工程的顺
利完成。
通过严格的质量控制和科学的工艺流程,可以保证工程质量和安全。
砖混结构施工方案8.1.1基础施工1.施工顺序施工放线——基槽开挖——检查轴线、标高——浇垫层砼——养护——砌条石基础——地圈梁2.施工工艺1)地槽开挖采用人力开挖方式进行,开挖过程中其土石方应及时运至现场指定位置放置,严禁场内土石方乱弃。
2)地槽开挖施工应有序进行,不得随意切断场内临时排水沟道,开挖某处地槽前应将要切断的临时排水沟道改道后再行施工,以免造成现场排水不畅。
3)垫层砼浇好后,在垫层上抄平并弹好中心线,经检查合格,做好隐蔽验收资料,再砌条石基础、关模扎筋浇地圈梁。
条石基础的组砌要严格按规范和设计图纸的要求施工,施工时,砂浆打座灌缝应密实,组砌得当,收阶合理,不得有松动、通缝,漏灌砂浆等现象。
4)基础完成后,应及时进行土方回填。
基础工程完成后,用经纬仪放出各条轴线墨线,用水平仪侧出基础设计表面标高,经建设、质检、监理、设计等有关单位共同对基础进行周全验收,作出判定并签字后,才能进行主体施工。
主体施工前应将开挖基槽剩下的土外运进场,以免影响主体的砌筑。
8.2主体结构施工8.2.1砖砌体工程1、砖砌体工程的施工工艺流程2、施工方法1)组砌方法:组砌方法应符合规范的规定,统一道墙体严禁有两种以上的砌筑形成,并不得有通缝。
砌体宜采用一顺—丁、梅花丁或三顺一丁砌法。
砖柱不得采用包心砌法。
2)排砖撂底:按设计要求经测量放出轴线和门窗洞口位置的尺寸线。
采用千砖排砖撂底,以砖的模数按测量放线,标出位置尺寸进行排砖撂底,两山墙排丁砖,前后纵墙排条砖。
排砖时应严格核对门窗洞口的位置、窗间墙、垛、构造柱的尺寸是否符合排砖的模数。
在保证砖砌体灰缝8—10mm的前题下全盘考虑排砖撂底。
排砖时要注意卫生主管道及门窗的开启不受影响,在其洞口处砌体的边缘必需用砖的合理模数,不得呈现破活。
3)选砖:砌砖前应选择棱角整洁、无曲折裂纹、颜色均匀、规格根本一致的砖。
4)盘角:砌筑砖砌体前应先进行盘角,每次盘角高度应以3—5层砖为宜,盘角要及时、正确地用吊线及靠尺检查。
砌体工程专项施工方案
一、施工准备工作
1.1 方案确定前
在着手砌体工程之前,需要对工程的整体情况进行综合评估,确定具体的施工
方案。
这一阶段需要进行现场勘测、材料准备和施工人员准备等工作。
1.2 材料准备
在施工过程中,需要准备好砖瓦、水泥、沙子、水等所需原材料。
保证材料的
质量符合相关标准,以确保施工质量。
1.3 施工人员准备
保证施工人员具备相应的技术水平和经验,可以熟练操作相关施工设备和工具。
二、砌筑工程
2.1 基础砌筑
在进行砌体工程时,首先需要对基础进行砌筑,确保基础平整、牢固,符合相
关的设计要求。
2.2 砌体点击
在进行砌体墙体施工时,需要注意每块砖瓦之间的间隙和墙体的垂直度,确保
墙体的稳固和美观。
2.3 灰缝处理
砌筑完成后,需要对砌体墙体的灰缝进行处理,填充好灰浆,提高墙体的强度
和稳定性。
三、验收和保养
3.1 竣工验收
在砌体工程完成后,需要进行竣工验收,检查工程质量是否符合相关标准和设
计要求。
3.2 保养维护
经过验收合格后,需要对砌体墙体进行保养维护,保持墙体的整洁和美观,延长墙体的使用寿命。
结语
砌体工程是建筑工程中重要的一部分,施工方案的制定和执行对工程质量和进度有着重要影响。
在进行砌体工程时,需要严格按照施工方案进行操作,以确保工程的质量和安全。
希望以上内容对砌体工程的施工提供一定的参考和指导。
砼工程及砌体工程施工方案一、项目概况本工程为XX区域的一处建筑项目,总建筑面积为XXXX平方米,包括一栋主楼和若干附属建筑。
主楼为多层混凝土结构,附属建筑为砌体结构。
本工程涉及砼工程和砌体工程两部分。
二、施工准备阶段1. 资料准备:施工前需准备好相关建筑设计图纸、工程规范、施工图纸、安全技术资料等相关资料。
2. 施工人员配备:按照工程要求,配备各类施工人员,例如工程技术人员、监理人员、施工人员等,确保施工人员技术过硬。
3. 施工设备准备:准备好各种施工设备,如混凝土搅拌站、吊装设备、施工机械等,保障施工的进行。
三、砼工程施工方案1. 基础工程:包括地基处理、基础浇筑、柱子和梁的浇筑等。
地基处理:按照设计要求进行地基的处理,确保地基稳固。
基础浇筑:采用标准的砼配合比进行基础的浇筑,同时按照规范进行振捣、养护等工序。
柱子和梁的浇筑:按照设计图纸要求,采用模板进行柱子和梁的浇筑,确保结构牢固。
2. 楼板工程:包括楼板的浇筑、预应力工程等。
楼板浇筑:按照设计要求进行楼板的浇筑,采用预制板或现浇板等材料,确保楼板平整。
预应力工程:对需要进行预应力处理的楼板进行预应力设计和施工,确保楼板的承载力和变形控制。
3. 墙体工程:包括墙体的浇筑、抹灰等。
墙体浇筑:按照设计要求进行墙体的浇筑,采用模板进行施工,确保墙体的平整和强度。
抹灰工程:对墙体进行抹灰处理,确保墙面光滑平整。
四、砌体工程施工方案1. 材料准备:准备好砌体所需的材料,如砖块、石膏、沙浆等。
2. 基础工程:按照设计要求进行基础的处理和浇筑,确保基础稳固。
3. 砌筑工程:采用合适的砖块进行墙体的砌筑,按照设计要求进行施工,加强墙体的强度。
4. 抹灰工程:对墙体进行抹灰处理,确保墙面平整光滑。
五、安全措施1. 施工现场应设置警示标志,确保施工现场安全。
2. 施工人员必须佩戴安全帽、安全鞋等个人防护用品,遵守相关安全规定。
3. 定期进行安全检查,确保施工过程中不存在安全隐患。
砖混砌体施工方案砖混砌体是建筑中常见的一种施工方式,下面是一个700字的砖混砌体施工方案:一、施工工艺流程1. 材料准备:准备好砖块、水泥、砂浆等施工所需的材料,并按照设计要求进行验收。
2. 基础处理:对建筑的基础进行清理、浇筑底层砼、找平等工作,确保基础平整、坚固。
3. 基础处理完毕后,根据设计图纸进行放线,确定砖墙的位置和高度。
4. 砌筑砖墙:按照设计要求进行墙体构造,采用砖墙的垂直建砌和水平建砌,采用水平仪、铅垂线等工具进行辅助,保证砌筑的垂直性和水平性。
5. 砂浆配制:按照施工要求,将水泥、砂子等材料进行搅拌,配制成砂浆,保证砂浆的均匀性和粘结性。
6. 砌筑砖墙:将配制好的砂浆拌在砖块上,采用适当的力度和技术进行砖块的摆放和抹灰,确保粘结牢固。
7. 墙体处理:进行砖缝的处理,采用修补砂浆对墙体进行抹灰,使墙体光滑、平整。
8. 防渗处理:对墙体进行防渗处理,采用防水材料进行涂刷或贴膜,保证墙体的防水性能。
9. 角墙处理:角墙是建筑中容易出问题的部位,要进行加固处理,采用角码或铁筋进行加固,确保角墙的稳定性。
10. 砖墙验收:对砖墙进行验收,检查墙体的垂直性、水平性和外观质量,确保施工结果符合设计要求。
11. 清理工作:施工完毕后,清理施工现场,清理各种杂物和垃圾,保持施工现场的整洁。
二、安全措施1. 施工现场设置明显的警示标志,禁止无关人员进入施工现场。
2. 工人佩戴安全帽和防护鞋,严禁私自解除防护装备。
3. 施工现场设置安全防护网,避免坠落事故的发生。
4. 施工现场设置消防器材,并进行必要的消防宣传,防止火灾事故的发生。
5. 施工过程中加强现场巡视,确保作业人员的安全。
6. 对施工人员进行安全教育和培训,强化施工人员的安全意识。
三、施工质量控制1. 施工过程中使用合格的施工材料,严格按照设计要求进行验收。
2. 施工过程中加强质量监督,对施工人员的施工技术和质量进行检查。
3. 对已砌筑好的砖墙进行检查,确保墙体的垂直性、水平性和外观质量。
一、工程概况 (3)二、砖砌体工程施工方法 (4)三、安全要求 (9)一、工程概况工程名称:车间五结构形式:钢筋混凝土框架结构3层;建设单位:常州市金伯利电子设备有限公司设计单位:江苏华亚工程设计研究院有限公司;施工单位:常州是新桥建筑工程有限公司监理单位:常州市龙诚项目管理有限公司建筑地点:常州市新北区乐山路46号建筑面积:3555㎡施工工期: 日历天结构概况:本工程±0.000以下墙体采用M10水泥砂浆砌MU10砼实心砌块;±0。
000m以上墙为M5。
0混合砂浆砌筑MU5。
0轻集料砼多孔砖,女儿墙为M7。
5混合砂浆砌筑MU10混凝土实心砖。
二、砖砌体工程施工方法1.材料要求(1)砖:品种、强度等级必须符合设计要求,并有出厂合格证或试验单。
清水墙的砖应色泽均匀,边角整齐。
(2)水泥:品种与标号应根据砌体部位及所处环境选择,一般宜采用325号普通硅酸盐水泥或矿渣硅酸盐水泥。
(3)掺合料:白灰膏熟化时间不少于7d,严禁使用脱水硬化和冻结的石灰膏。
(4)其它材料:木砖应刷防腐剂;墙体拉结钢筋及预埋件等.2.主要机具应备有搅拌机、手推车、磅秤、垂直运输设备,大铲、瓦刀、托线板、线坠、小白线、卷尺、铁水平尺、皮数杆、小水桶、灰槽、砖夹子、笤帚等。
3.作业条件(1)办完地基、基础工程隐检手续。
(2)完成室外及房心回填土。
(3)按标高抹好水泥砂浆防潮层。
(4)弹好墙身线、轴线,根据现场砖的实际规格尺寸,再弹出门窗洞口位置线,经验线符合设计图纸的尺寸要求,办完预检手续。
(5)按标高立好皮数杆,皮数杆的间距以15~20m为宜.(6)砂浆由试验室做好试配,准备好试模。
4.操作工艺工艺流程:作业准备→砖浇水→砂浆搅拌→砌砖墙→验收(1)砖浇水:粘土砖必须在砌筑前一天浇水湿润,一般以水浸入砖四边1.5cm 为宜,含水率为10~15%,常温施工不得用干砖上墙;雨季不得使用含水率达到饱和状态的砖砌墙;冬期浇水容易结冰,必须适当增大砂浆稠度.(2)砂浆搅拌:砂浆配合比应采用重量比,计量精度水泥为±2%,砂灰膏控制在±5%以内.宜用机械搅拌,搅拌时间不少于2.5min。
砖混结构砖砌体施工方案-(1)
一、施工前准备
在进行砖混结构砖砌体施工之前,需要做好以下准备工作:
1.明确施工图纸和设计要求。
2.检查施工现场,确保场地平整、干净。
3.准备好所需的施工材料和工具,包括砖、水泥、砂浆、水平仪、量尺
等。
二、基础处理
1.根据设计要求,在基础上设置好水平线,确定墙体位置。
2.在墙体位置上进行基础处理,包括清理、浇筑混凝土基础等。
三、砖砌体施工
1.确定砌体的铺砌位置和起点,使用水平仪保持砌体的垂直和水平。
2.根据设计要求,进行砌体的铺砌,注意砂浆的搅拌比例和质量。
3.在砌体过程中,及时清除多余的砂浆,保持砌筑的整洁和美观。
四、墙体加固处理
1.在砌体完成后,进行墙体加固处理,包括加设钢筋、浇筑混凝土等。
2.确保墙体的承重和稳定性,符合设计要求。
五、验收和保养
1.完成砖混结构砖砌体施工后,进行验收,检查墙体的质量和规范程度。
2.进行墙体的保养和维护,保持墙体的坚固和美观。
六、总结
通过以上步骤,砖混结构砖砌体施工方案能够有效地指导施工工作,保证墙体
的质量和稳定性,提高建筑工程的施工效率和质量。
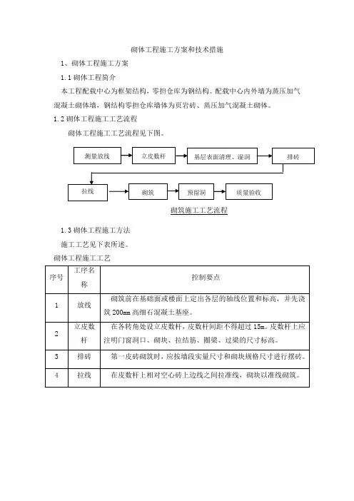
砌体工程施工方案和技术措施1、砌体工程施工方案1.1砌体工程简介本工程配载中心为框架结构,零担仓库为钢结构。
配载中心内外墙为蒸压加气混凝土砌体墙,钢结构零担仓库墙体为页岩砖、蒸压加气混凝土砌体。
1.2砌体工程施工工艺流程砌体工程施工工艺流程见下图。
砌筑施工工艺流程1.3砌体工程施工方法施工工艺见下表所述。
砌体工程施工工艺2、砌体工程技术措施2.1砌体工程工期控制技术措施由于本工程工期紧,占地面积大,为了保证工期的顺利实现,砌体施工时从裙房结构施工完开始插入地下室砌体施工,配备足够的劳动力。
2.2砌体工程质量控制技术措施2.2.1质量验收标准,砌体工程质量标准一览表如下。
砌筑工程质量标准2.2.2砌体质量控制措施①砌体与混凝土柱或墙之间要用拉结筋连接,使两者连成整体。
②砌体顶部与框架梁板接槎处20~30mm空隙,用混合砂浆封堵。
③砌块提前一天浇水湿润,砂浆灌缝要饱满,尤其立缝,施工过程中极易忽视,砂浆不饱满,透缝、隔音效果不好,整体性差。
④砌体工程应紧密配合安装各专业预留预埋进行,在总包单位统筹管理下,合理组织施工,减少不必要的损失和浪费。
⑤砌体施工如在冬期进行,施工时注意外围提前进行封闭,各种通道口采用彩条布及双草帘遮挡,所用砌筑砂浆按配比要求掺加防冻剂,砌筑完后及时用草帘进行覆盖。
2.3砌体工程安全控制技术措施砌筑安全措施见下表所述。
砌筑工程安全措施2.4砌体工程环保控制技术措施2.4.1施工时必须配备收集砌体落地灰、碎砖等材料及时收集清理落地材料,放入设置的垃圾池内,并及时清理。
2.4.2当天施工结束后的剩余材料及工具应及时入库,不许随意放置。
2.4.3施工时提前对材料进行洒水湿润,注意控制长流水,节约用水。
中迈•夏都首府项目景观工程砌体施工专项方案施工单位:洛阳兴建劳务服务有限公司编制时间:2017年8月21日一、工程概况1、砖挡土墙:灰砂蒸压砖砌体,M10混合砂浆。
2、基础为15cm厚C15碎石混凝土。
二、施工准备1、原材料进场及检验砖、砌体:规格符合设计要求,按规定的批量取样送检,质量合格方可使用。
水泥、钢筋,按规定的批量取样送检,质量合格的方可使用。
中砂:不含草根等杂物,含泥量不超过5%,也按规定的批量取样送检,质量合格的方可使用。
试配确定混凝土、砂浆配合比现场放线并校核,准确确定砌筑放线,附墙柱位置等。
一、土方开挖施工基槽挖土方:本工程挖基槽土方采用挖掘挖机及人工配合进行开挖。
挖基配合墙体施工分段进行,先测量放线,定出开挖中线及边线,起点及终点,注明高程及开挖深度。
在施工过程中,应根据实际情况采取相应的防护措施。
二、钢筋安装:1、现浇钢筋基础先安装基础钢筋,预理墙身竖向钢筋,待基础浇灌砼完后且砼达到2.5Mpa后,进行墙身钢筋安装。
预制钢筋砼挡土墙的基础钢筋分二次安装,第一次安装最底层的钢筋,基础达到一定强度,安装好预制墙身后,再安装第二阶的基础钢筋。
2、现浇砼基础:按挡土墙分段长,整段进行一次性浇灌,在清理好的垫层表面测量放线,立模浇灌。
3、砼强度件制作应在现场拌和地点或浇灌地点随机制取。
4、砼浇灌完进行收浆后,应及时洒水养护。
三、砌筑施工1、检查墙体拉结筋位置是否正确,拉结筋的规格、长度、数量是否正确,不足之处一一纠正直至符合设计要求。
2、拌制砌筑砂浆按配合比对原材料严格进行计量;机械拌制砂浆的时间按每盘3min控制,砂浆运抵砌筑地点若出现泌水现象,须经人工二次拌和后使用;按实际需用量制备砂浆,随制随用,水泥砂浆必须在搅拌成后3小时内使用完毕(若施工期间最高气温超过30ºC,则砂浆在拌成后2小时内使用完毕);按规定制作砂浆试块,送检评定其强度等级。
3、组砌注意事项砌体的灰缝应符合下列规定:A、砌体灰缝应横平竖直、全部灰缝均应铺填砂浆;水平灰缝的砂浆饱满度不得低于90%;竖缝的少浆饱满度不得低于80%;砌筑中不得出现瞎缝、透明缝;砌筑砂浆强度未达到设计要求的70%时,不得拆除过梁底部的模板。
砌体工程施工方案一、材料准备1.根据施工网络进度计划,按日计算出砌筑工程量,并结合现场施工人员实际情况做好砖、水泥、中砂、石灰膏、预埋件、木砖等材料的供应计划,材料供应部门应保证按计划供应。
2.加气块、水泥等材料应具有出厂合格证和复验报告,满足设计及规范要求方可进场使用。
二、作业条件1.砌筑前应根据设计要求作好砂浆配合比和砌筑的技术、安全交底工作。
2.砌筑前应弹好砌体墙身边线和门窗口位置线,经复线合格后方可进行施工。
3.砌筑用砌块在砌筑时浇水湿润,一般以水浸入砌块每面厚度1.5cm为宜,砌块的含水率宜控制在5%—8%之间。
冬季施工不宜提前浇水,可适当调整砂浆的稠度。
4.按砌筑操作需要,找好标高,立好皮数杆。
当第一层砌体下的水平灰缝厚度大于20mm时,应用细石砼找平。
5.搭设好操作架子,配制异形尺寸砌块(同种材料加工)。
三、施工方法1.为确保砌筑质量,本次施工中,砌筑时采用双面挂线的方法,内外控制。
2.地下室及地上风道用MU7.5红机砖,M5水泥砂浆砌筑,壁柜隔墙用125加气混凝土块砌筑,其余填充墙均用200加气混凝土块砌筑。
所有加气混凝土墙底部均应先砌三皮砖。
填充墙与砼墙柱间均设置2φ6@600通长拉结筋(拉结筋竖向间距视填充墙砌块模数在50mm范围内调整)。
3.砌体竖向及水平灰缝均控制在10mm,加气块排列上、下皮应错缝搭接,搭砌长度为砌块的1/2,不得小于砌块高的1/3和150mm。
4.当填充墙墙长大于5m时,填充墙顶部与梁或板应有拉结措施(详G329图集)。
当填充墙高度超过4m时,在填充墙高度的中部或门窗洞口顶部设置与砼墙、柱相连接的通长钢筋。
5.砌块的排列尽量不镶砖或少镶砖,必须镶砖时,应用整砖平砌,且尽量分散布置,其强度不应小于砌块的强度等级。
铺罢灰浆,使砌块底面水平下落,对准位置,并用托线板挂直校正。
6.每砌一皮砌块,就位校正后,用砂浆灌垂直缝,随即进行水平及竖直灰缝的勾缝工作,深度为3—5mm。
津致·公园里住宅小区砌体专项施工方案编制:审核:审批:山西宝联建筑有限公司一、工程概况本工程±0.000以下砌体为M10水泥砂浆砌筑MU20蒸压灰砂普通砖;±0.000以上外墙采用200厚加气砼砌块,100厚加气砼砌块,采用M5水泥混合砂浆砌筑,容重应≤7.0KN/m3,强度等级不低于A3.5加气砼砌块墙。
有水房间其楼板四周均设300高C25砼上翻边。
二、施工准备(一)材料准备1、砌筑砂浆:(1)水泥要采用32.5级的普通硅酸盐水泥或矿渣硅酸盐水泥,水泥进场后,要分批对其强度、安定性等进行复验,检验批要以同一生产厂家、同一编号200t为一批,当在使用中对水泥质量有怀疑或水泥出厂超过三个月(快硬硅酸盐水泥超过一个月)时,要复验,并按其检验结果使用。
不同品种的水泥,不得混合使用。
(2)砂应采用中砂,其含泥量不得超过5%,使用前过5mm孔径的筛。
(3)拌制砂浆用水,水质要符合国家现行标准《砼拌合用水标准》JGJ63的规定。
(4)砂浆配制要严格按配合比进行。
砌筑砂浆采用质量比,其计量偏差:水泥为±2%,砂、石灰膏等为±5%,配好后机械搅拌,搅拌时间自投料完起算不得少于2分钟。
(5)砌筑砂浆要求随拌随用,拌制的砂浆必须在3h内使用完毕,当日施工期间最高气温超过30℃时,要求在拌成后2h内使用完毕。
(7)砌筑砂浆试块强度验收时其强度合格标准应符合下列规定:①同一验收批砂浆试块抗压强度平均值必须大于或等于设计强度等级值的1.10倍;②同一验收批砂浆试块抗压强度的最小一组平均值必须大于或等于设计强度等级值的0.85倍。
③砌筑砂浆的验收批,同一类型、强度等级的砂浆试块不应少于3组;④砂浆强度应以标准养护,28d龄期的试块抗压强度为准。
⑤制作砂浆试块的砂浆稠度应与配合比设计一致。
抽检数量:每一检验批且不超过250m3砌体的各类、各强度等级的普通砌筑砂浆,每台搅拌机应至少抽检一次。
一、工程概况本工程建筑面积6270平方米,2层框架结构1、本工程填充墙砌体设计概况本工程基础墙体采用Mu15混凝土实心砖,M10的水泥砂浆砌筑,主体采用A3.5B06加气混凝土砌块,M5的混合砂浆砌筑。
特殊部位及节点要求:1)、本工程构造柱、过梁、小于200的门窗垛用C25混凝土浇筑。
女儿墙压顶、二次浇筑挡水线用C25细石混凝土(沿挡水坎长度方向内配ф6@250构造筋,见相应附图)浇筑。
空调挑板等结构构件混凝土强度等级同主体,采用自拌混凝土。
2)、所有线盒、箱体超过300的洞口必须设置同墙宽的预制过梁,,墙体顶砖用同墙厚的页岩砖侧砌,并且待墙体完成7天后进行顶砖砌筑。
3)、构造柱马枒槎施工中,应五进五退,先退后进,沿墙高每500mm设两根ф6的拉结筋,伸入墙内不小于1m,门窗位置根据墙垛、门垛长度为准,马枒槎上部阴角部位须将砖块切成45度角,浇筑时留出浇筑口,以保证砼浇筑密实。
浇筑完成模板拆除后踢除浇筑口部位多余砼。
构造柱断面为200mm×200mm,砼等级为C25,主筋为4ф12,箍筋ф6@200。
4)、砌体施工前必须完成放线验收工作,由项目部提供三条主控线,其余均由班组放线,经检查验收后才允许进入砌筑施工。
5)、过梁全部采用预制过梁,按图集《03ZG313》中2级荷载选用,当洞顶离结构梁或底板小于钢筋砼过梁高度时,过梁与结构梁浇成整体。
(后附相应宽度过梁配筋图)6)、厕、厨房墙体全部采用页岩多孔砖组砌;且厨房墙体在结构楼面上作300mm 高C20混凝土挡水线(门洞口除外)。
7)、防盗门门框采用页岩砖组砌,在安装拉片位置组砌砼块,具体组砌方法详附图。
8)、管道井、风井等比较狭窄的房间内侧应随砌随抹灰,表面光滑平整。
9)、所有门窗洞口均按窗型图留设。
:必须满足设计要求和国家有关规范要求,GB13544-2000《烧结多孔砖》,砖进场必须有质保书和按验收批数(烧结普通砖每15万块为一个验收批,多孔砖每3万块为一个验收批,不足的也按一批计,每一验收批随机抽取试样一组,即10块)作试验,合格后方可使用。
砖砌体施工方案1
一、材料准备
在施工过程中,需要准备以下材料:- 一批优质的红砖和水泥;- 石膏、砂浆、石灰等必要的辅料; - 砖头铲、砖钳、水平仪等施工工具; - 塑料覆膜、绳子等辅
助工具。
二、施工步骤
1. 立面划线
首先,在施工现场选定好施工位置,使用绳线和水平仪在地面上进行标线,确
保砖墙的垂直度和水平度。
2. 砼底墙处理
对于需要瓷砖装饰的位置,先在砼底墙上刮涂水泥砂浆,然后将瓷砖按照设计
要求砌贴到砼底墙上。
3. 粘结砂浆
在施工位置上刮涂一层砂浆,然后将砖头放置在砂浆上,并用砖头铲和砖钳进
行调整,确保砌墙的水平度和垂直度。
4. 砖缝处理
在砖头之间留出适当的砖缝,再使用石膏或砂浆填充砖缝,同时用砖钳将砖头
与填缝材料进行整平。
5. 砌墙
按照设计图纸和要求,逐层逐行地进行砌墙工作,确保墙体的整体稳固和外观
美观。
6. 防水处理
最后,在砖墙施工完成后,进行必要的防水处理,保证墙体的防水性能和耐久性。
三、注意事项
•在施工过程中,要保持施工现场整洁,及时清理垃圾和材料,防止影响施工进度;
•施工人员要具备一定的砌砖技术和操作经验,严格按照设计要求进行施工;
•对于特殊部位和脆弱砖块,要格外小心谨慎,避免损坏和浪费。
四、总结
砖砌体施工是一项细致而复杂的工程,需要施工人员具备一定的技术和经验。
在施工过程中,要注意材料的选用、施工步骤的严谨性以及施工质量的监测,以确保砌墙的安全性和美观性。
希望以上施工方案能够对您有所帮助,祝施工顺利!。
砌体体工程施工方案一、项目概况本项目位于xx市xx区,总建筑面积为xx平方米,主要包括商业综合楼和办公楼两部分。
其中商业综合楼为5层,办公楼为8层,属于砌体结构建筑。
本施工方案旨在明确砌体施工工艺、质量控制及安全防护等相关内容,确保工程顺利进行。
二、施工准备1. 组建专业施工团队:招聘砌筑工人、砌墙工、补强工等相关施工人员,确保施工队伍的数量和质量。
2. 采购原材料:购置砖块、水泥、砂浆等砌体施工所需原材料,以确保施工过程中物料供应的及时性和质量。
3. 资格检查:对施工队伍进行资质审核,确保施工人员具备相关证书和经验。
4. 制定施工计划:根据设计方案,制定详细施工进度计划及施工组织设计,明确责任分工及施工过程中的关键节点。
三、施工工艺流程1. 地基处理:在完成地基处理后,进行地基基础的浇筑,确保基础平整牢固。
2. 砌筑墙体:采用砌筑法,按设计要求进行墙体砌筑,保证墙体的垂直度和水平度。
3. 灌浆:对砖墙进行灌浆加固,提高墙体的承载能力和抗震性能。
4. 焊接钢筋:对需要加固的部位进行钢筋焊接,增加结构的稳定性。
5. 外墙保温:在墙体外表面进行保温处理,提高建筑的隔热性能。
6. 装饰面层:在砌体表面进行装饰处理,提高建筑的美观性。
四、质量控制1. 施工过程中要保持清洁,避免杂物混入砌体中,影响墙体质量。
2. 对砌筑过程中的每一道工序,都要进行质量检查,确保每一道工序的质量符合设计要求。
3. 对砌体的强度和密实度进行检测,确保砌体的质量和稳定性。
4. 对墙体的垂直度和水平度进行检查,确保墙体的平整度符合设计要求。
五、安全防护1. 施工现场要设置明显的安全警示标志,确保施工人员的安全意识。
2. 施工人员要严格按照安全操作规程操作,不得违反安全规定。
3. 施工人员要佩戴相关防护用品,确保施工期间的安全。
4. 对施工现场进行定期巡查,及时发现并处理安全隐患。
六、总结砌体体工程施工是一个复杂而又重要的工程,需要施工团队的配合和规范操作。
塔密村城中村改造工程住宅小区6号地块一标段工程砖砌体施工方案编制:审核:批准:云南楚雄锦华建工集团有限公司目录第一节编制依据 2 第二节工程概况 2 第三节施工准备 2 第四节施工工艺 5 第五节施工保证措施 8 第六节成品保护 11 第七节环境、职业健康安全管理措施 12 第八节施工进度计划 13第一节编制依据1、塔密村城中村改造工程住宅小区6号地块一标段施工图纸及工程联系单;2、《建筑工程施工质量验收统一标准》GB50300-20013、《砌体工程施工质量验收规范》GB50203-20024、《砌体结构设计规范》GB50003-2001(2002年局部修订)5、《建筑地基基础工程施工质量验收规范》GB50202-20026、《砌筑砂浆配合比设计规程》JGJ98-20007、西南图集及有关规范要求第二节工程概况塔密村城中村改造工程住宅小区6号地块一标段;工程建设地点:昆明市官渡区塔密村;属于框剪结构;地上33层;地下2层;建筑高度:104.70m;标准层层高:2.95m ;总建筑面积:约为107000.00m2万平方米;本工程由浙商集团投资,云南中豪置业有限责任公司开发,昆明市建筑设计研究院有限责任公司地质勘察,浙江省省直建设工程监理有限公司监理,云南楚雄锦华建工集团有限公司一标段项目部组织施工。
根据本工程填充墙选用轻质混凝土砖砌筑,地下室采用M7.5水泥砂浆砌筑,其余内、外墙采用M5水泥砂浆砌筑根据特性编制了该的施工方案。
第三节施工准备一、材料及要求:1、砌块:(1)、混凝土小型空心砌块的规格、尺寸及孔型、空心率应满足设计强度等级和建筑热工要求。
(2)、地下室砌体:200厚墙体用规格190×190×115砼多孔砖(大八孔),120厚墙体用规格240×115×115砼多孔砖(小八孔);主体外墙砌体:长度大于200的用规格190×90×53或者190×115×53砼实心砖,其他部位200厚墙体用规格190×190×115砼多孔砖(大八孔);内墙砌体:200厚墙体用规格190×190×115砼多孔砖(大八孔),120厚墙体用规格240×115×115砼多孔砖(小八孔)。
(3)、混泥土砌块应轻搬轻放,分类堆放整齐,严禁抛掷倾倒,堆置高度不宜超过2m。
2、砌筑用砂浆:地下室采用M7.5水泥砂浆砌筑,其余内、外墙采用M5水泥砂浆砌筑。
砌筑用砂浆:主要是水泥、砂、等材料必须根据我公司的配合比配制的砂浆,砂浆不准过夜。
应当天搅拌的当天用完。
水泥:采用32.5级矿渣硅酸盐水泥、普通硅酸盐水泥或复合硅酸盐水泥,必须有出厂质量证明及符合甲方指定品牌及厂家。
水泥进场使用前,应分批对强度、安定性进行复检。
如遇水泥强度等级不明或出厂时间超过3个月(快硬硅酸盐水泥超过1个月)时,应进行复检试验,并按试验结果使用。
不同品种的水泥,不得混合使用。
砂:一般用细砂,并不应含有杂物。
砂含泥量应符合要求。
水:拌制砂浆用水,应符合国家现行标准《混凝土拌合用水标准》(JGJ63)的规定。
其他材料(1)、墙体拉结钢筋、预埋于构造柱内的拉结钢筋要事先下料,放置于作业面随砌随用。
框架拉结钢筋要事先预埋在结构墙柱中,砌筑前焊接接长。
如果采用后置式与结构锚固,要进行拉拔强度试验。
(2)、门、窗洞口须预埋的必须提前预埋处理。
二、主要机具:1、机械:施工电梯、砂浆搅拌机、电子秤或磅秤。
2、工具:夹具、手锯、灰斗、大铲、小撬棍、手推车、胶皮管、筛子、铁锹、半截灰桶、喷水壶、托线板、线坠、水平尺、小白线、瓦刀、砂浆试模、百格网、钢尺、皮数杆、砂浆稠度仪等。
三、技术准备1、填充砌体施工前,应认真熟悉图纸,复核门窗洞口位置及洞口尺寸,明确预埋、预留位置,算出窗台及过梁顶部标高,熟悉相关构造及材料要求。
2、根据设计图纸及规范要求,确定填充墙体构造柱位置及墙梁标高尺寸。
3、使用经过校验合格的检测工具。
4、填充墙砌体施工前,工程技术人员应结合设计图纸实际情况,编制出专项施工技术交底。
5、制定该分项工程的质量目标、检查验收制度等保证工程质量的措施。
四、作业条件1、基础、主体结构等相关部分施工完毕,已经有关部门验收合格。
2、弹出楼层轴线或主要控制线,经复核,办理相关手续。
3、根据室内+1 m标高控制线及窗台、窗顶标高,预排出砖砌块的皮数线,皮数线可划在框架柱上,并标明拉结筋、圈梁、过梁、墙梁的尺寸、标高,皮数线经技术质检部门复核,办理相关手续。
4. 根据最下面第一皮砖的标高,拉通线检查,如水平灰缝厚度超过20mm,先用C15以上细石混凝土找平。
严禁用砂浆或砂浆包碎砖找平,更不允许采用两侧砌砖,蹭中间填芯找平。
5. 构造柱钢筋绑扎,隐检验收完毕。
6. 砌筑砂浆配合比经有资质的试验部门试配确定,有书面配合比申请单、通知单。
在施工现场根据砌体方量准备好取样砂浆试模。
7. 框架外墙施工时,外防护脚手架应随楼层搭设完毕,墙体距外架间的间隙应设水平防护,防止高空坠物。
内墙已准备好工具式脚手架。
第四节施工工艺工艺流程:墙体放线→植设墙拉筋及构造柱钢筋→厨房及卫生间制作翻边→基层清理→制备砂浆→砌块排列→铺砂浆→砌块就位→校正→砂筑镶砖→竖缝灌砂浆→勾缝→验收。
1、墙体放线:砌体施工前,应将基础面或楼层结构面按标高找平,依据砌筑图放出第一皮砌块的轴线、砌体边线和洞口线。
待施工放线完成后,上报技术部门验收合格后,方可进行下道工艺。
2、墙体拉结筋焊接每一楼层砖墙施工前,必须把墙、柱上填充墙体进行植设拉结筋每500~600mm高留一道,每道设2根Φ6钢筋,长度≥1000mm。
框架柱上采用后植式埋设拉结筋,应通过拉拔强度试验。
3、厨房及卫生间按照图纸及规范要求制作翻边。
4、基层清理:在砌筑砖体前应对墙基层进行清理,将楼层上的浮浆、灰尘清扫冲洗干净,并浇水使基层湿润。
5、制备砂浆(1)、地下室采用M7.5水泥砂浆砌筑,其余内、外墙采用M5水泥砂浆砌筑。
应按照设计要求的砂浆品种、强度等级进行配置,砂浆配合比应由试验室确定。
采用重量比时,其计量精度为水泥±2﹪,砂控制在±5﹪以内。
(2)、砂浆应采用机械搅拌。
搅拌时间:水泥砂浆和水泥混合砂浆不得少于2min,同时还应具有较好的和易性和保水性,一般稠度以5cm~7cm为宜。
(3)、砂浆应搅拌均匀,随拌随用。
水泥砂浆和水泥混合砂浆应在3h和4h内使用完毕;当施工期间最高气温超过30℃时,应分别在拌成后2h和3h内使用完毕。
6、砌块排列按砌块排列图在墙体线范围内分块定尺、划线,排列砌块的方法和要求如下:(1)、砌块砌体在砌筑前,应根据工程设计施工图,结合砌块的品种、规格、绘制砌体砌块的排列图,经审核无误,按图排列砌块。
(2)、砌块排列应从地基或基础面、±0.00面排列,排列时尽可能采用主规格的砌块,砌体中主规格砌块应占总量的75%~80%。
砌筑用的配砖及顶砖必须用规格190×90×53或者190×115×53砼实心砖,墙体砌筑前先砌筑三皮混凝土实心砖。
厨房、卫生间翻边上再砌筑三皮混凝土实心砖。
门窗洞口边用混凝土实心砖砌筑。
(3)、砌块排列上、下皮应错缝搭砌,搭砌长度一般为砌块的1/2,不得小于砌块高的1/3,也不应小于100mm,竖向通缝不应小于2皮。
(4)、外墙转角及纵横墙交接处,应将砌块分皮咬槎,交错搭砌,如果不能咬槎时,按设计要求采取其它的构造措施;砌体垂直缝与门窗洞口边线应避开同缝,且不得采用砖镶砌。
(5)、砌筑时灰缝要做到横平竖直,上下层十字错缝,转角处应相互咬槎,砂浆饱满度要求在80%以上,垂直缝宜用内外临时夹板灌缝,砌筑后应立即用原砂浆内外灰缝以保证砂浆的饱满度。
垂直、水平灰缝要控制再8mm~12mm,宜为10mm。
(6)、砌块排列尽量不镶砖或少镶砖,必须镶砖时,应用整砖平砌,且尽量分散,镶砌砖的强度不应小于砖块强度等级。
(7)、砌块墙体与结构构件位置有矛盾时,应先满足构件布置。
(8)、当填充墙体与构造柱、结构柱相连时,应设不小于2Φ6@500mm (或相近砌体整皮数距离)拉结筋拉结。
拉结钢筋锚入柱、墙内不应小于200mm,砌筑时,伸入填充墙内墙拉筋长度为沿墙全长贯通。
(9)、窗台标高处应设置钢筋混凝土压顶。
压顶的混凝土强度等级C20,截面厚度120mm,纵筋210,分布筋Φ8@200,压顶两端伸入墙体内长度不小于240mm。
(10)、门窗洞口边用混凝土实心砖砌筑,不大于120mm的门垛要植筋,竖筋28,水平筋Φ6@200,浇筑才C20砼。
(11)、通风竖井砌筑时,应随砌随抹平压光,保证风道密实,内侧平整,风道底部的建筑垃圾应清理干净。
所有管道及施工洞待设备安装完毕后来堵实。
(12)、为了增强整体性,填充墙砌体转角处及交接处应同时砌筑,不得留槎,斜槎高度不应大于1.2m。
接槎时先清理槎口,然后铺灰接砌。
墙体的施工缝处必须砌成斜槎,斜槎长度应不小于高度的2/3。
且与构造柱交接处砌成马牙槎,应先退后进300mm一道,若材料不同可适当调整(详见下图)。
注:不大于600的墙垛马牙搓为垂直砌筑。
(13)、墙体不大于600mm的用砼实心砖砌筑。
7、制配砂浆按设计要求的砂浆品种、强度制配砂浆,配合比应由试验室确定,采用重量比,计量精度为水泥±2%,砂控制在±5%以内,应采用机械搅拌,搅拌时间不少于1.5min。
8、铺砂浆将搅拌好的砂浆,通过施工电梯、灰车运至砌筑地点,在砌块就位前,用大铲、灰勺进行分块铺灰,较小的砌块量大铺灰长度不得超过1500mm。
9、砌块就位与较正砌块砌筑前两天应进行浇水湿润,冲去浮尘,清除砌块表面的杂物后方可吊、运就位。
砌筑就位应先远后近、先下后上、先外后内;每层开始时,应从转角处或定位砌块处开始;应吊砌一皮、校正一皮,皮皮拉线控制砌体标高和墙面平整度。
砌块安装时,起吊砌块应避免偏心,使砌块底面能水平下落;就位时由人手扶控制,对准位置,缓慢地下落,经小撬棒微撬,用托线板挂直、核正为止。
10、砌筑镶砖:砌至楼板或梁底的砌体,必须用斜砌块楔紧,滚砖必须要7天以后才可以砌筑。
用实心砖镶砌前后一皮砖,必须选用无横裂的整砖,顶砖镶砌,不得使用半砖。
11、竖缝灌砂浆:每砌一皮砌块,就位校正后,用砂浆灌垂直缝,随后进行灰缝的勒缝(原浆勾缝),做平底凹缝,深度一般为2~3mm。
水平灰缝平直度不准大于10mm。
勒缝用专制工具来回压缝成型。
12、请有关部门做隐蔽验收合格后进行下一道工序。
第五节施工保证措施一、质量保证措施1、材料控制(1)、在原材料方面,使用在本工程的原材料按设计要求和施工合同规定要求进场。