精密测量技术课程设计
- 格式:docx
- 大小:17.30 KB
- 文档页数:3
精密检测技术教案教案标题:精密检测技术教案教学目标:1. 了解精密检测技术的定义、原理和应用领域。
2. 掌握精密检测技术的常见方法和仪器设备。
3. 培养学生的实验操作技能和数据分析能力。
4. 培养学生的团队合作和沟通能力。
教学内容和步骤:一、导入(5分钟)1. 引入精密检测技术的概念和重要性。
2. 提出问题,激发学生的思考:你认为精密检测技术在哪些领域有应用?二、知识讲解(15分钟)1. 介绍精密检测技术的定义和原理。
2. 分析精密检测技术在不同领域的应用案例,如医学、环境监测、食品安全等。
3. 介绍常见的精密检测方法,如光谱分析、质谱分析、电化学分析等。
4. 介绍精密检测技术所需的仪器设备,如光谱仪、质谱仪、电化学工作站等。
三、实验操作(30分钟)1. 将学生分成小组,每组配备相应的实验仪器设备。
2. 分发实验操作指导书,详细讲解实验步骤和注意事项。
3. 学生按照指导书进行实验操作,记录实验数据。
4. 引导学生进行数据分析和结果讨论。
四、讨论与总结(10分钟)1. 组织学生进行实验结果的讨论和分析,比较不同组的数据差异。
2. 引导学生总结实验中遇到的问题和解决方法。
3. 引导学生思考精密检测技术的优势和局限性。
五、拓展延伸(15分钟)1. 鼓励学生进行自主学习,了解精密检测技术的最新发展和应用。
2. 分享相关的科学研究成果和实际应用案例。
3. 引导学生思考精密检测技术对社会发展的影响和意义。
六、作业布置(5分钟)1. 布置相关的阅读任务,让学生进一步了解精密检测技术。
2. 要求学生撰写一份实验报告,包括实验目的、步骤、结果和分析。
教学评估:1. 实验操作表现评估:观察学生的实验操作技能和仪器使用情况。
2. 数据分析评估:评估学生对实验数据的分析和结果讨论能力。
3. 讨论与总结评估:评估学生对精密检测技术的理解和总结能力。
4. 作业评估:评估学生对精密检测技术的进一步学习和应用能力。
教学资源:1. 实验仪器设备:光谱仪、质谱仪、电化学工作站等。
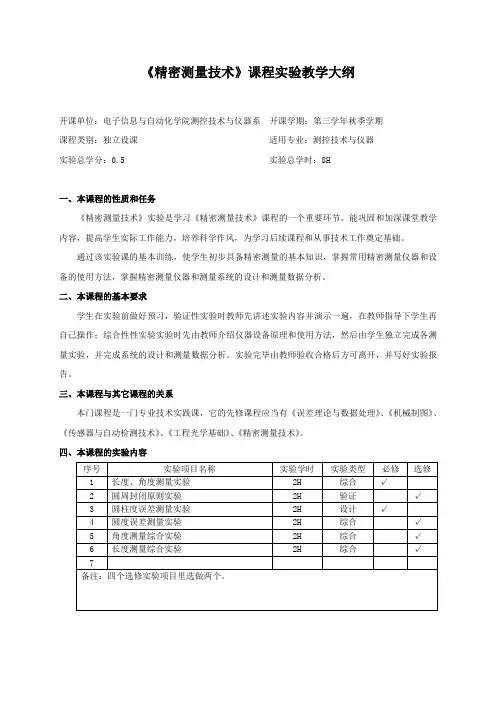
《精密测量技术》课程实验教学大纲开课单位:电子信息与自动化学院测控技术与仪器系开课学期:第三学年秋季学期课程类别:独立设课适用专业:测控技术与仪器实验总学分:0.5 实验总学时:8H一、本课程的性质和任务《精密测量技术》实验是学习《精密测量技术》课程的一个重要环节。
能巩固和加深课堂教学内容,提高学生实际工作能力,培养科学作风,为学习后续课程和从事技术工作奠定基础。
通过该实验课的基本训练,使学生初步具备精密测量的基本知识,掌握常用精密测量仪器和设备的使用方法,掌握精密测量仪器和测量系统的设计和测量数据分析。
二、本课程的基本要求学生在实验前做好预习,验证性实验时教师先讲述实验内容并演示一遍,在教师指导下学生再自己操作;综合性性实验实验时先由教师介绍仪器设备原理和使用方法,然后由学生独立完成各测量实验,并完成系统的设计和测量数据分析。
实验完毕由教师验收合格后方可离开,并写好实验报告。
三、本课程与其它课程的关系本门课程是一门专业技术实践课,它的先修课程应当有《误差理论与数据处理》、《机械制图》、《传感器与自动检测技术》、《工程光学基础》、《精密测量技术》。
四、本课程的实验内容五、试验成绩评定每个实验完成后,学生完成实验报告,教师根据学生的试验过程中的操作情况、实验报告书质量完成每个学生的实验成绩评定。
六、参考资料无。
实验一长度、角度测量实验一、实验学时:2学时二、实验类型:综合三、实验目的和主要内容1、了解万能工具显微镜的工作原理;2、熟悉万能工具显微镜的试验操作、使用技能;3、掌握万能工具显微镜进行长度、角度测量的工作流程、方法及数据处理方法。
四、实验仪器设备和材料1、19JPC万能工具显微镜设备一台2、三种不同长度的测量直尺各一把、三种角度形状零件各一个实验二圆周封闭原则实验一、实验学时:2学时二、实验类型:综合三、实验目的和主要内容1、了解激光准直仪的工作原理;2、熟悉激光准直仪的试验操作、使用技能;3、掌握激光准直仪进行测量的工作流程、方法及数据处理方法;4、熟练运用圆周封闭原则。
课程名称:精密检测技术授课对象:机械工程相关专业学生课时安排:2课时教学目标:1. 了解精密检测技术的概念、原理和分类。
2. 掌握常用精密检测设备的操作方法和应用。
3. 熟悉精密检测技术在机械制造中的应用。
4. 培养学生的实际操作能力和创新意识。
教学内容:一、精密检测技术概述1. 精密检测技术的定义2. 精密检测技术的原理3. 精密检测技术的分类二、常用精密检测设备1. 三坐标测量机(CMM)2. 望远镜、显微镜3. 光栅测量仪4. 三维扫描仪5. 螺旋线测量仪三、精密检测技术在机械制造中的应用1. 轴承加工2. 汽车零部件加工3. 飞机零部件加工4. 航天器零部件加工教学过程:一、导入1. 通过提问,引导学生回顾精密检测技术在机械制造中的重要性。
2. 介绍精密检测技术的基本概念,激发学生的学习兴趣。
二、讲授新课1. 精密检测技术概述- 讲解精密检测技术的定义、原理和分类。
- 结合实例,说明精密检测技术在机械制造中的应用。
2. 常用精密检测设备- 介绍三坐标测量机(CMM)、望远镜、显微镜、光栅测量仪、三维扫描仪、螺旋线测量仪等设备的操作方法和应用。
- 结合视频或图片,展示设备的实际操作过程。
3. 精密检测技术在机械制造中的应用- 分析轴承加工、汽车零部件加工、飞机零部件加工、航天器零部件加工等领域对精密检测技术的需求。
- 结合实例,讲解精密检测技术在机械制造中的应用案例。
三、课堂练习1. 学生分组讨论,分析精密检测技术在某一机械制造领域的应用。
2. 每组派代表进行分享,教师点评并总结。
四、总结与作业1. 总结本节课所学内容,强调精密检测技术在机械制造中的重要性。
2. 布置作业:查阅资料,了解一种精密检测设备的发展现状及未来发展趋势。
教学评价:1. 学生对精密检测技术的基本概念、原理和分类的掌握程度。
2. 学生对常用精密检测设备的操作方法和应用的理解程度。
3. 学生在课堂练习中的参与度和讨论积极性。
精密工程测量课程设计一、课程目标知识目标:1. 学生能理解精密工程测量的基本概念,掌握测量的重要性和应用领域。
2. 学生能够掌握精密工程测量的基本原理,包括测量误差、精度和准确度等关键概念。
3. 学生能够了解并描述各类精密工程测量工具和设备的工作原理及其适用场合。
技能目标:1. 学生能够运用所学知识,使用测量工具进行简单的实际测量操作,并正确记录数据。
2. 学生能够分析测量数据,识别和处理测量误差,提高测量的精确度。
3. 学生能够通过小组合作,设计并实施简单的精密测量实验,提升实际操作能力。
情感态度价值观目标:1. 学生能够培养对精密工程测量科学的兴趣,认识到测量技术在工程领域的重要作用。
2. 学生通过实践活动,培养严谨的科学态度和精准细致的工作作风。
3. 学生能够在团队合作中学会相互尊重、沟通协作,增强集体荣誉感和责任感。
分析课程性质、学生特点和教学要求:本课程设计针对高年级工程技术相关专业的学生,结合课本内容,注重理论与实践相结合。
课程性质偏向应用技术类,要求学生在掌握理论知识的基础上,能够动手操作并解决实际问题。
学生特点为具有较强的逻辑思维能力和动手能力,对工程技术感兴趣。
教学要求以学生为中心,通过启发式教学法和实践活动,激发学生的学习兴趣,提高其解决实际问题的能力。
通过本课程目标的实现,旨在为学生未来的专业发展打下坚实基础。
二、教学内容1. 精密工程测量基本概念:包括测量的定义、分类和基本要求,结合课本第一章内容,阐述精密工程测量的重要性及其在工程领域的应用。
2. 测量误差与数据处理:讲解测量误差的来源、分类和影响,引入课本第二章内容,学习误差分析及数据处理方法,提高数据的可靠性和准确性。
3. 精密测量工具与设备:介绍常见的精密测量工具、仪器和设备,如游标卡尺、千分尺、激光测距仪等,结合课本第三章内容,分析其工作原理、性能和适用范围。
4. 实际测量操作:依据第四章内容,组织学生进行实际测量操作,包括直线测量、角度测量、表面粗糙度测量等,指导学生掌握操作要领,正确记录和处理数据。
精密测量技术电子教案一、课程简介章节名称:精密测量技术概述教学目标:1. 使学生了解精密测量技术的基本概念、分类和应用领域。
2. 培养学生对精密测量技术的兴趣和认识,提高其科学素养。
教学内容:1. 精密测量技术的定义与特点2. 精密测量技术的分类3. 精密测量技术在各个领域的应用4. 精密测量技术的发展趋势教学方法:1. 采用多媒体课件进行讲解,结合实例进行分析。
2. 引导学生参与课堂讨论,提高其思考问题的能力。
3. 布置课后作业,巩固所学知识。
教学资源:1. 多媒体课件2. 相关学术论文和案例分析二、尺寸测量章节名称:尺寸测量教学目标:1. 使学生掌握尺寸测量的基本原理和方法。
2. 培养学生进行尺寸测量的实际操作能力。
教学内容:1. 尺寸测量原理2. 尺寸测量方法3. 尺寸测量工具与设备4. 尺寸测量误差及消除方法教学方法:1. 采用理论讲解与实验操作相结合的方式进行教学。
2. 引导学生进行实际操作,提高其动手能力。
3. 分析实际案例,使学生掌握尺寸测量的应用。
教学资源:1. 尺寸测量仪器设备2. 实验指导书及相关资料三、角度测量章节名称:角度测量教学目标:1. 使学生了解角度测量的重要性,掌握基本原理和方法。
2. 培养学生进行角度测量的实际操作能力。
教学内容:1. 角度测量原理2. 角度测量方法3. 角度测量工具与设备4. 角度测量误差及消除方法教学方法:1. 采用理论讲解与实验操作相结合的方式进行教学。
2. 引导学生进行实际操作,提高其动手能力。
3. 分析实际案例,使学生掌握角度测量的应用。
教学资源:1. 角度测量仪器设备2. 实验指导书及相关资料四、形位测量章节名称:形位测量教学目标:1. 使学生了解形位测量的重要性,掌握基本原理和方法。
2. 培养学生进行形位测量的实际操作能力。
教学内容:1. 形位测量原理2. 形位测量方法3. 形位测量工具与设备4. 形位测量误差及消除方法教学方法:1. 采用理论讲解与实验操作相结合的方式进行教学。
#### 教学目标1. 了解精密检测技术的定义、分类和应用领域。
2. 掌握常用精密检测方法的基本原理和操作步骤。
3. 培养学生分析问题和解决问题的能力,提高实践操作技能。
4. 激发学生对精密检测技术的兴趣,培养创新意识。
#### 教学内容1. 精密检测技术概述2. 常用精密检测方法- 光学检测- 电磁检测- 声波检测- 激光检测- 红外检测3. 精密检测设备的操作与维护4. 精密检测技术在工程中的应用案例#### 教学方法- 讲授法- 案例分析法- 实践操作法- 讨论法#### 教学步骤一、导入新课1. 引入精密检测技术在现代工业中的重要性。
2. 提出本节课的学习目标。
二、新课讲解1. 精密检测技术概述- 解释精密检测技术的定义。
- 介绍精密检测技术的分类。
- 列举精密检测技术的应用领域。
2. 常用精密检测方法- 光学检测:原理、操作步骤、应用实例。
- 电磁检测:原理、操作步骤、应用实例。
- 声波检测:原理、操作步骤、应用实例。
- 激光检测:原理、操作步骤、应用实例。
- 红外检测:原理、操作步骤、应用实例。
3. 精密检测设备的操作与维护- 介绍常用精密检测设备的种类。
- 讲解设备操作步骤。
- 强调设备维护的重要性。
4. 精密检测技术在工程中的应用案例- 列举典型应用案例。
- 分析案例中应用的检测技术。
三、实践操作1. 学生分组,每组选取一种精密检测方法进行实践操作。
2. 教师指导,确保学生掌握操作技能。
3. 学生汇报实践结果,教师点评。
四、课堂总结1. 回顾本节课所学内容。
2. 强调精密检测技术在工业中的重要性。
3. 鼓励学生课后进一步学习。
#### 教学评估- 学生对精密检测技术的基本概念和原理的掌握程度。
- 学生操作精密检测设备的熟练程度。
- 学生分析问题和解决问题的能力。
- 学生对精密检测技术的兴趣和创新意识的培养。
### 范文精密检测技术教案范文#### 一、教学目标1. 理解精密检测技术的概念、分类和应用领域。
教学目标:1. 了解精密检测技术的定义、分类和重要性。
2. 掌握常用精密检测设备的基本原理和使用方法。
3. 熟悉精密检测技术在各个领域的应用。
4. 培养学生实际操作能力和解决实际问题的能力。
教学对象:机械制造及相关专业学生教学课时:4课时教学内容:第一课时:精密检测技术概述一、教学目标1. 理解精密检测技术的概念和分类。
2. 认识精密检测技术在机械制造领域的重要性。
二、教学内容1. 精密检测技术的定义及分类。
2. 精密检测技术在机械制造领域的应用。
三、教学方法1. 讲授法:介绍精密检测技术的概念、分类及其在机械制造领域的应用。
2. 案例分析法:通过实际案例,让学生了解精密检测技术的重要性。
第二课时:精密检测设备介绍一、教学目标1. 了解常用精密检测设备的基本原理。
2. 掌握常用精密检测设备的使用方法。
二、教学内容1. 常用精密检测设备的分类。
2. 常用精密检测设备的原理及使用方法。
三、教学方法1. 讲授法:介绍常用精密检测设备的分类、原理及使用方法。
2. 视频演示法:播放相关设备的操作视频,让学生直观了解设备的使用。
3. 实操训练:组织学生分组进行实际操作,巩固所学知识。
第三课时:精密检测技术在各个领域的应用一、教学目标1. 了解精密检测技术在各个领域的应用。
2. 分析精密检测技术在各个领域的作用。
二、教学内容1. 精密检测技术在机械制造领域的应用。
2. 精密检测技术在航空航天领域的应用。
3. 精密检测技术在汽车制造领域的应用。
三、教学方法1. 讲授法:介绍精密检测技术在各个领域的应用。
2. 案例分析法:通过实际案例,让学生了解精密检测技术在各个领域的应用。
第四课时:精密检测技术实际操作与问题解决一、教学目标1. 培养学生实际操作能力。
2. 培养学生解决实际问题的能力。
二、教学内容1. 实际操作:组织学生进行精密检测设备的实际操作。
2. 问题解决:针对实际操作过程中遇到的问题,引导学生分析原因,并提出解决方案。
江苏省盐城技师学院教案首页编号:YJQD-0507-07 版本:B/O 流水号:编制:审核:批准:课题:任务一用游标卡尺检测工件教学目的、要求:1.掌握游标卡尺的结构2.掌握游标卡尺测量方法和注意事项3.掌握尺寸公差教学重点、难点:1. 游标卡尺测量方法和注意事项2.尺寸公差教学方法:讲授法、演示法、练习法、小组讨论法、任务驱动型教学法教学参考及教具(含电教设备):《极限配合与技术测量》、多媒体、常用检测工量具等授课执行情况及分析:板书或教学设计:【组织教学】1.集中、点名,检查学生工作服穿戴及校牌佩戴情况;2.安全文明生产教育;3.回顾上一课题知识点并简单点评上一课题。
【任务引入】用游标卡尺检测工件【任务分析】1、能使用游标卡尺测量轴套各个要素的尺寸2、根据尺寸公差要求判断零件的尺寸是否合格【相关知识】一、互换性的概念1、广义:一种产品、过程或服务代替另一产品、过程或服务能满足同样要求的能力。
2、狭义:同一规格工件,不需要作任何挑选和附加加工,就可以装配到所需的部位,并能满足使用要求。
例如,规格相同的任何一个灯头和灯泡,无论它们出自哪个企业,只要产品合格,都可以相互装配,电路开关合上,灯泡一定会发光。
如何使工件具有互换性?只要制成的零件实际参数值变动在控制的范围内,保证零件几何参数充分近似即可。
二、互换性的作用1、使用过程在使用过程中,可以缩短维修时间和节约费用,提高了机器的使用价值。
2. 生产制造实现专业化协调生产,便于计算机辅助制造(CAM),以提高产品质量和生产效率,同时降低生产成本。
3. 装配过程可以提高装配质量,缩短装配时间,提高装配效率。
4. 产品设计可以简化绘图、计算等,缩短设计周期,加速产品的更新换代。
三、互换性的分类按照零部件互换程度的不同,互换可分为完全互换和不完全互换。
(1) 完全互换:零件在装配或更换时,不需要辅助加工与修配,也不需要选择。
(2) 不完全互换:有些机器的零件精度要求很高,此时可将工件的尺寸公差放大,装配前,先进行测量,然后分组进行装配,以保证使用要求。
精密测量课程设计一、教学目标本课程的教学目标是使学生掌握精密测量的基本原理、方法和应用,培养学生进行精密测量工作的能力和团队协作精神。
知识目标:使学生了解精密测量的定义、分类和基本原理,掌握常用的精密测量方法和仪器使用,了解精密测量在工程中的应用。
技能目标:使学生能够独立进行精密测量工作,熟练操作精密测量仪器,掌握数据处理和误差分析的方法。
情感态度价值观目标:培养学生对精密测量工作的兴趣和热情,增强学生的创新意识和实践能力,培养学生团队协作和沟通交流的能力。
二、教学内容本课程的教学内容主要包括精密测量的基本原理、常用测量方法和仪器、数据处理和误差分析、测量实验等。
1.精密测量的基本原理:包括测量定义、测量方法和测量坐标系等内容。
2.常用测量方法和仪器:包括长度测量、角度测量、距离测量等,以及相关仪器的使用。
3.数据处理和误差分析:包括数据的收集、整理、分析和处理,误差的来源、分类和减小方法等。
4.测量实验:进行实际操作,掌握测量仪器的使用和数据处理的方法。
三、教学方法本课程的教学方法主要包括讲授法、实验法、案例分析法和讨论法等。
1.讲授法:通过讲解和演示,使学生掌握精密测量的基本原理和方法。
2.实验法:进行实际操作,使学生熟练掌握测量仪器的使用和数据处理的方法。
3.案例分析法:分析实际案例,使学生了解精密测量在工程中的应用。
4.讨论法:分组讨论,培养学生的团队协作和沟通交流的能力。
四、教学资源本课程的教学资源包括教材、实验设备、多媒体资料等。
1.教材:选用权威、实用的教材,为学生提供系统的理论知识和实践指导。
2.实验设备:配置齐全的实验设备,确保学生能够进行实际操作。
3.多媒体资料:制作精美的多媒体课件,辅助学生理解和记忆课程内容。
五、教学评估本课程的评估方式包括平时表现、作业、考试等,以全面、客观、公正地评价学生的学习成果。
1.平时表现:通过课堂参与、提问、讨论等,评估学生的学习态度和课堂表现。
精密测量技术电子教案第一章:精密测量技术概述1.1 精密测量技术的定义与重要性1.2 精密测量技术的应用领域1.3 精密测量技术的基本原理1.4 精密测量技术的发展趋势第二章:测量误差与数据处理2.1 测量误差的概念与分类2.2 测量误差的估计与分析2.3 数据处理的基本方法2.4 测量数据的优化与校准第三章:精密测量仪器与设备3.1 精密测量仪器的基本构成与分类3.2 常见精密测量仪器的工作原理与应用3.3 精密测量设备的选用与维护3.4 精密测量仪器的校准与检定第四章:长度测量与角度测量4.1 长度测量方法与仪器4.2 角度测量方法与仪器4.3 长度与角度测量误差分析4.4 长度与角度测量实例解析第五章:形状与位置误差测量5.1 形状误差测量方法与仪器5.2 位置误差测量方法与仪器5.3 形状与位置测量误差分析5.4 形状与位置测量实例解析第六章:表面质量测量技术6.1 表面质量的概念与分类6.2 表面粗糙度的测量方法与仪器6.3 表面缺陷的测量方法与仪器6.4 表面质量测量实例解析第七章:温度与湿度测量技术7.1 温度测量的原理与方法7.2 湿度测量的原理与方法7.3 温度与湿度测量仪器及其应用7.4 温度与湿度测量实例解析第八章:非接触式测量技术8.1 非接触式测量技术的原理与分类8.2 激光测量技术及其应用8.3 光电测量技术及其应用8.4 非接触式测量实例解析第九章:振动与噪声测量技术9.1 振动与噪声的概念及其危害9.2 振动与噪声的测量方法与仪器9.3 振动与噪声测量实例解析9.4 振动与噪声的控制与处理方法第十章:数据采集与信号处理10.1 数据采集的基本原理与方法10.2 信号处理的基本原理与方法10.3 数据采集与信号处理在精密测量中的应用10.4 数据采集与信号处理实例解析第十一章:光学测量技术11.1 光学测量技术的基本原理11.2 干涉测量技术及其应用11.3 光学三角测量技术及其应用11.4 光学测量技术实例解析第十二章:超声波测量技术12.1 超声波测量技术的基本原理12.2 超声波测量仪器及其应用12.3 超声波测量技术在工业中的应用12.4 超声波测量技术实例解析第十三章:电测量技术13.1 电测量技术的基本原理13.2 电流、电压、电阻的测量13.3 电测量仪器及其应用13.4 电测量技术实例解析第十四章:纳米测量技术14.1 纳米测量技术的基本原理14.2 纳米测量仪器及其应用14.3 纳米测量技术在材料科学中的应用14.4 纳米测量技术实例解析第十五章:精密测量技术综合应用15.1 精密测量技术在制造业中的应用15.2 精密测量技术在航空航天领域的应用15.3 精密测量技术在生物医学领域的应用15.4 精密测量技术在未来发展趋势中的作用重点和难点解析重点:1. 精密测量技术的基本原理及其在不同领域的应用。
精密测量技术课程设计一、课程目标知识目标:1. 学生能理解精密测量技术的基本概念,掌握不同测量仪器的原理和使用方法。
2. 学生能够掌握误差分析的基本原理,解释测量结果中的误差来源及影响。
3. 学生能够描述至少三种常见精密测量技术在日常生活中的应用。
技能目标:1. 学生能够正确使用精密测量工具进行实际操作,如电子天平、显微镜等,并准确读取数据。
2. 学生通过实际操作,掌握对测量数据进行处理和分析的基本技巧,能够进行简单的误差修正。
3. 学生能够运用批判性思维评价测量结果,设计简单的测量方案来解决具体问题。
情感态度价值观目标:1. 学生能够培养对精密测量科学的兴趣,认识到测量技术在科学研究和国民经济发展中的重要性。
2. 学生通过小组合作完成测量任务,培养团队协作能力和尊重他人工作的态度。
3. 学生能够在实验过程中,体会到精确和严谨的科学态度,培养细心、耐心和责任心。
二、教学内容本课程以《物理实验技术》教材中“精密测量技术”章节为基础,教学内容包括:1. 精密测量技术基本原理:讲解精密测量的概念、特点及分类,重点分析电子天平、显微镜、干涉仪等测量仪器的工作原理。
2. 测量误差与数据处理:介绍误差的来源、分类及传递规律,教授学生如何对测量数据进行统计分析,掌握最小二乘法等数据处理方法。
3. 实践操作:组织学生分组进行实际操作,包括电子天平测量物体质量、显微镜观察微小物体、干涉仪测量光的波长等。
4. 测量技术在生活中的应用:分析讨论精密测量技术在工业生产、科学研究、生物医学等领域的具体应用案例。
教学大纲安排如下:第一课时:精密测量技术基本原理及测量误差概述第二课时:电子天平与显微镜的使用方法及注意事项第三课时:干涉仪的原理及实际操作演示第四课时:测量数据的处理与分析方法第五课时:测量技术在生活中的应用案例分析及小组讨论教学内容确保科学性和系统性,结合课程目标,注重理论与实践相结合,提高学生的实际操作能力。
《精密测量技术》课程教学大纲Precision Measurement Technology课程代码:M106103总学时:54 学分:3一、课程的地位与任务本课程为测控技术与仪器专业光电检测与控制方向的专业必修课,通过该课程的学习,融会贯通各门专业基础课程,系统掌握各类几何量测量的基本原理和方法,了解现代计量测试新技术。
通过本课程学习,培养学生具有计量测试的基本知识,能够依据被测量的技术要求拟定合理的测量方案,实施测量并分析处理测量结果,完成一个测试的全过程,何参量精从而具有初步解决工程测量中几密测试问题的能力。
二、课程的基本内容第一章绪论4学时1、精密测量技术的发展概况2、公差基础知识3、测量的基本概念4、测量方法的选择12学时第二章长度尺寸的测量1、长度的基准与标准2、量块的检定3、线纹尺的检定4、光滑极限量规5、轴类零件测量6、孔类零件测量7、大尺寸测量及新技术发展6学时8、微小尺寸测量及纳米测量技术第三章角度测量1、角度的实用基准2、角度和锥度的测量心」6学时3、小角度测量技术4、新型角度传感器第四章表面粗糙度的测量1、表面粗糙度的评定参数2、表面粗糙度的测量方法3、微观形貌测量新技术的发展第五章形位误差测量12学时1、直线度误差测量及准直技术的新发展2、平面度误差测量3、圆度误差测量4、平行度位置误差测量5、垂直度位置误差测量6、同轴度位置误差测量7、误差分离技术8、形位公差与尺寸公差的关系第六章螺纹测量6学时1、螺纹测量基础2、普通螺纹的综合检验3、螺纹的单项测量4、丝杠的测量第七章圆柱齿轮测量8学时1、概述2、齿轮单项测量3、齿轮综合测量4、齿轮整体误差测量三、课程的基本要求1、了解精密计量与测试发展概况,熟悉量值传递系统,掌握长度计量检定基本内容。
2、理解几何量测量的基本原则,对拟定测试方案的全过程有一个全面的认识。
3、掌握工程测量中各种几何量参数的测量原理、数据分析及误差分析,了解各种常用仪器的技术指标。
中国计量学院现代科技学院课程设计报告课程设计名称精密测量课程设计系(部)计测工程系专业班级测控101姓名李密学号1030114138指导教师吴飞飞2013 年 10 月 11 日中国计量学院现代科技学院课程设计任务书系(部):测控专业:测控班级:测控101 应参加人数:38地点:仰北105题目:基于工件样品再加工的测量和绘图(1~38号)内容要求:(包括规定阅读的文献、应完成的程序、图纸、实验、说明书等)1.将待测工件所有待测参数分类统计。
2.查找资料,制定测量方案,包括测量仪器选择及测量方法选择(必须陈述选择的依据)。
3.进行各参数实测。
4.撰写测试报告。
5.运用AUTOCAD绘图。
6.提交报告和图纸。
起止日期:20 13 年9 月23日至20 13年10 月11日指导教师:吴飞飞专业负责人:范伟军2013 年9 月23 日发目录一、计量器具选择………………………………………………………( 3 )1.正确选择计量器具的原则………………………………………(3 )2.工件分解……………………………………………………………(6 )3.选择计量器具………………………………………………………(3 )二、测量方法选择……………………………………………………( 4 )三、原始数据……………………………………………………………( 4 )四、数据处理及误差分析…………………………………………( 4 )1.数据处理………………………………………………………………(4 )2. 误差分析………………………………………………………………(6 )五、参考文献………………………………………………………………(7 )一.计量器具选择1.正确选择计量器具的原则:(1)保证测量精度计量器具的精度指标是选用计量器具的主要依据。
精度指标中以示值误差、示值变动性和回程误差为主。
(2)保证测量的经济性在保证测量精度的前提下,全面考虑计量器具的成本、耐磨性、测量效率、测量者技术水平的经济性。
精密测量技术课程设计
前言
精密测量技术是当今世界上不可或缺的一项技术,其应用范围广阔,如航空、航天、机械、电子、化学、医疗等领域都有着广泛的应用。
因此,精密测量技术的培训和学习极为重要。
本文档的目的是为精密测量技术的学习和应用提供一定的辅助,以期达到学习和应用的最佳效果。
课程设计
教学目标
本次课程设计的教学目标为:
•了解精密测量技术的基本概念;
•掌握精密测量仪器的使用方法;
•能够选择合适的精密测量仪器进行测量;
•能够正确理解和分析测量结果;
•能够熟练运用精密测量技术进行实际应用。
教学内容
1.精密测量技术概述
1.精密测量技术的定义和基本概念
2.精密测量的分类
3.精度、精密度和可靠性概念
2.精密测量仪器的分类与原理
1.传感器、调节器、计量器
2.静电电容传感器、电磁铁式传感器、激光间接式测量仪
3.测量误差和精度分析
1.误差类型和误差来源
2.精度评定方法
3.趋势线拟合处理法
4.精度检验和校准技术
1.精度检验方法
2.校准技术和标准器的使用
3.校准方法及计算
5.精密测量技术在实际应用中的案例分析
1.机械工业、电子工业、化工工业、医疗工业中的应用案例
2.案例分析和讨论
教学方法
本次课程设计的教学方法主要包括:
1.授课法:通过讲授精确的理论知识,使学生掌握基本的概念和原理;
2.演示法:通过实际演示操作,使学生了解仪器的具体使用方法;
3.实验法:通过实验使学生熟练运用精密测量技术;
4.讨论法:通过案例分析和比较,加强学生的实际应用能力。
教学资源
此次课程设计所需要的教学资源包括:
1.精密测量仪器
2.具有理论基础的教材和参考书
3.实验室
教学评估
本次课程设计的评估主要分为:
1.学生的实验和报告
2.学生的课堂表现和学习能力
3.期末考试
结论
本文档主要是针对精密测量技术课程设计的教学目标、教学内容、教学方法、教学资源和评估等方面进行的说明。
通过本次课程设计的学习,学生们将对精密测量技术有一个比较全面和深入的认识,同时也将掌握精密测量技术的使用方法和实际应用技能,为以后的学习和工作打下坚实的基础。