地质勘查工作质量检查制度
- 格式:doc
- 大小:18.00 KB
- 文档页数:5
地质勘查项目质量管理办法第一章总则第一条为科学、规范、有效地开展地质勘查项目质量管理工作,保证地质勘查项目的优质、高效实施,根据我院地质勘查工作实际情况,制定本办法。
第二条本办法适用于省煤田地质勘察院(以下简称“院”)组织实施的地质勘查项目.第三条地质勘查项目实施单位(以下简称“实施单位”)为院属各勘探队和机关相关科室。
第四条地质勘查项目管理原则(一)地质勘查项目质量管理以院质量管理体系为主,各项规章制度为补充,不断提高质量管理体系运行质量;(二)地质勘查项目实行实施单位负责制;(三)地质勘查项目实行分级管理,分类指导。
第五条地质勘查项目质量管理贯穿设计书的审批、工作质量检查、野外原始资料检查验收、成果报告的评审、地质勘查成果资料汇交等地质勘查项目工作全过程。
第二章管理职责第六条院主要管理职责(一)负责组织地质勘查项目立项建议书初审;(二)负责组织地质勘查项目设计书审批;(三)负责组织专家对地质勘查项目进行质量检查和监控,查处重大质量事故;(四)负责组织地质勘查项目野外原始资料验收工作;(五)负责组织地质勘查项目成果报告的评审;(六)按规定接收地质勘查项目原始资料和成果资料。
(七)院总工办为职责履行的职能部门。
第七条实施单位主要职责(一)组织编制地质勘查项目立项建议书;(二)组织编写地质勘查项目设计书;(三)组织地质勘查项目具体实施和日常质量管理工作;(四)组织编写地质勘查项目成果报告;(五)组织地质勘查项目成果报告的初步审查;(六)保管地质勘查项目的原始资料和实物资料,汇交地质勘查项目成果资料及规定的原始资料。
第三章设计书审批第八条审批工作分级实施凡单项目工作经费(合同额)大于20万元的勘查项目由院总工办统一组织审批;凡单项目工作经费(合同额)小于20万元的勘查项目由项目实施单位技术负责人组织审查,将审查记录报院总工办核准.第九条审查依据(一)设计审查依据的有关标准必须是现行的国家标准,有关部门颁布的行业标准以及项目委托单位(如油田)的相关规定和要求.(二)项目任务书(或合同)等文件的相关规定和要求.第十条审查程序及要求(一)施工单位(项目组)自收到项目任务书(或合同签订)之日起20日内,按规定向院总工办提交项目设计书(或年度工作方案)的送审稿一式三份(和电子文档),并附项目任务书(或合同书)。
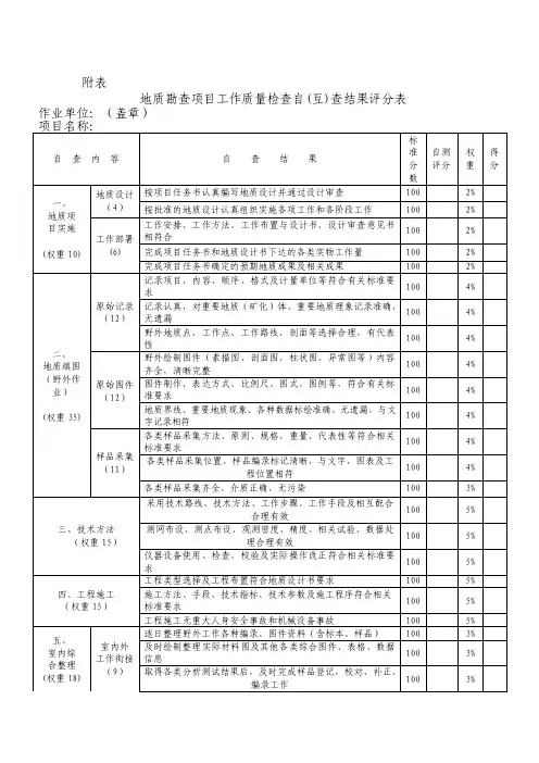
附表
地质勘查项目工作质量检查自(互)查结果评分表作业单位:(盖章)
质量检查负责人:检查地点:
地质勘查项目工作质量检查自(互)查结果评分表填表说明
1、《地质勘查项目工作质量检查自查结果评分表》是各勘查项目自查工作成果的具体体现,
并作为互查和抽查阶段的原始依据。
请各项目部认真测评填写。
2、表中“项目名称”指2011年结题项目及正在实施非公益性地质勘查项目,一个项目填一
张表。
3、表中“作业单位”指地质勘查项目具体实施单位。
4、《评分表》实行“权重评分法”,共六个方面自查内容(其中“地质填图”系指地质工
作;“野外作业”系指地质工作以外的其他工作方法及工程施工),30个自查小项,总分值3000分,每一小项“权重”乘以自测分值即为该小项自查结果得分。
5、表中“自查结果”表述均是完成各相关工作,且结果符合有关规定、标准要求,合理有
效等,每项分值100分。
自测评分时则应根据具体工作完成情况和工作效果、结果分档次评分。
参考分值在100-90分,89-75分,74-60分及59分以下。
6、最终得分:90分以上为优秀;89-75分为良好,74-60分为合格,59分以下为不合格。
前言为了提高地质勘查工作质量,加强地质技术管理工作,保障地质勘查工作的顺利实施,特编制《地质勘查工作细则》,作为工作中的技术要求,各班组务必组织认真学习,并在工作中遵照执行。
本工作细则如与国家和上级办法的技术规定有矛盾之处及未列入本工作细则的技术工作方法与要求,一律以上级规定为准。
一、地质资料综合整理工作细则一、总则(一)地质资料综合整理是根据工作中取得的各项原始地质编录、矿物、岩石鉴定研究成果、岩矿化验、物理性质测定和加工技术试验、抽水试验、动态观测、水质分析及物化探资料等,而进行的系统整理和综合研究工作。
通过这一工作,编出各种必要的图表,用以研究、了解区域地质矿产生成分布规律,了解矿床产状、规模、生成地质条件、矿石类型、工业品级、水文地质、工程地质、环境地质、开采利用经济条件,以评价矿床并指导勘查工作;根据这些资料和研究的成果,编制地质报告。
(二)资料综合整理是野外地质工作的继续,是地质工作的重要环节。
只有通过综合整理,才能把野外获得的丰富感性认识上升为理性认识,才能保证对工作区的地质、矿床情况及其特征的认识逐步深入,不断提高,及时发现问题,提出解决问题的办法,并根据新情况和新认识修改原有的工作设计和施工部署,达到获取最佳的地质成果,及时提交地质报告的目的.(三)资料综合整理工作应在总工程师或技术负责的领导下,根据分工(分组)规定由有关地质、水文、物探人员负责进行,重要的综合图件,如区域地质图、矿区地质图、有代表性的地质剖面、储量计算图等须有总工程师或技术负责亲自参与编制,或经过他们的检查,以确保工作质量。
(四)进行资料综合整理的原始资料,必须按规定经过三级检查,确认合格,方能开始整理;在整理前,要编制统一图例。
(五)资料综合整理是项经常性工作,必须及时地、不间断地进行。
二、基本要求(一)编制图件时,应事先考虑图的布置、方向、图幅大小、包含内容。
图的方向:平面图的上方为北方,剖面图的右侧为北或东。
Science &Technology Vision科技视界0前言这几年来在我国,地质勘探技术越来越多的被应用于建筑工程项目的基础设计中,特别是在一些地质条件复杂的地区。
但是在我国因为应用地质勘察技术和设计建筑工程基础的时间不长,因此在勘查过程中会遇到很多的问题。
而这些问题会影响工程施工的质量,如果不及时处理会危害工程的建设。
在建筑工程的设计过程中地质勘察报告是一个很重要的依据,在建筑工程中如果地质勘察报告科学,那么就能够建设工程工作量,提高设计质量,降低成本。
1基础地质和岩土工程勘查的概况地质勘查是地质勘查工作的简称。
广义地说,一般可理解为地质工作的同义词,是根据经济建设、国防建设和科学技术发展的需要,对一定地区内的岩石、地层构造、矿产、地下水、地貌等地质情况进行重点有所不同的调查研究工作。
接不同的目的,有不同的地质勘查工作之分。
例如,以寻找和评价矿产为主要目的矿产地质勘查。
地质勘查必须以地质观察研究为基础,根据任务要求,本着以较短的时间和较少的工作量,获得较多、较好地质成果的原则,选用必要的技术手段或方法,如测绘、地球物理勘探、地球化学探矿、钻探、坑探、采样测试、地质遥感等。
狭义地说,在我国实际地质工作中,还把地质勘查工作划分为5个阶段,即区域地质调查、普查、详查、勘探和开发勘探。
2地质勘查工作的主要特点分析2.1地质勘查工作对象的客观性和复杂性地质勘查对象与工厂加工的产品不同,它是在自然界中客观存在的,不是人们制造出来的。
由于地质体形成过程的物理化学条件千差万别和不断变化,致使其成分、结构、形态、规模复杂多样。
可以说,自然界中,决不存在任何两个完全相同的地质体。
除了一小部分由现代地质作用形成的地质体之外,绝大部分地质体的产出过程或形成机制是人们不能直接观察到的,而只能根据“将今论古”的原则或某些模拟试验进行推理而形成认识。
2.2产品(成果)形成的过程独特地质成果的形成过程与工业产品形成过程有着很大的区别,前者主要是脑力劳动的“思维型”过程,后者在产品设计完成之后,主要是体力劳动(包括机械操作或自动化仪表操作)的“操作型”过程。
第一章总则第一条为加强矿产地质勘查工作的规范化、科学化管理,确保勘查工作的质量和安全,提高勘查效率,根据《中华人民共和国矿产资源法》、《中华人民共和国地质勘查条例》等法律法规,结合本单位的实际情况,制定本制度。
第二条本制度适用于本单位的矿产地质勘查项目,包括勘查项目的设计、施工、监测、报告编制等全过程。
第三条矿产地质勘查工作应遵循以下原则:(一)依法依规,确保勘查工作的合法性;(二)科学合理,提高勘查工作的技术含量;(三)安全第一,确保勘查工作的安全性;(四)节约资源,提高勘查工作的经济效益;(五)注重环保,保护生态环境。
第二章组织机构与职责第四条成立矿产地质勘查工作领导小组,负责矿产地质勘查工作的组织、协调和监督管理。
第五条矿产地质勘查工作领导小组的主要职责:(一)制定矿产地质勘查工作计划;(二)审核勘查项目设计;(三)监督勘查项目实施;(四)审查勘查报告;(五)处理勘查工作中出现的重大问题。
第六条勘查项目负责人负责勘查项目的组织实施,具体职责如下:(一)编制勘查项目计划;(二)组织勘查队伍;(三)监督勘查工作进度和质量;(四)协调相关部门和单位;(五)负责勘查项目经费的使用。
第七条勘查技术人员负责勘查项目的具体实施,具体职责如下:(一)按照设计要求进行勘查工作;(二)负责勘查数据的采集、整理和分析;(三)编制勘查报告;(四)参与勘查项目的技术研讨;(五)完成领导交办的其他工作。
第三章勘查项目管理第八条勘查项目应按照以下程序进行管理:(一)立项申请;(二)项目设计;(三)项目审批;(四)项目实施;(五)项目验收;(六)项目总结。
第九条勘查项目立项申请应包括以下内容:(一)项目名称;(二)项目地点;(三)项目类型;(四)勘查目标;(五)勘查方法;(六)项目预算;(七)项目负责人及主要技术人员。
第十条勘查项目设计应包括以下内容:(一)勘查目标;(二)勘查范围;(三)勘查方法;(四)勘查工作量;(五)勘查时间;(六)勘查经费预算;(七)项目负责人及主要技术人员。
地质勘查和测绘行业安全生产重点检查事项指引一、前言地质勘查和测绘行业作为国民经济的重要组成部分,是我国经济建设和国土资源管理的重要支撑,同时也是涉及安全生产的重点行业之一。
为了加强地质勘查和测绘行业的安全生产管理,确保行业生产运行安全稳定,特制定本指引,以便有关部门和单位在日常工作中加强对相关工作的监管和检查。
二、安全生产重点检查事项指引1. 地质勘查和测绘单位应制定和完善安全生产管理规章制度,明确安全生产责任和任务,建立健全安全生产责任制度,明确相关职责,并落实到位。
2. 地质勘查和测绘单位应加强对生产设备和场所的安全管理,定期进行设备的检查和维护,确保设备的正常运转。
3. 地质勘查和测绘单位应加强对从业人员的安全教育和培训,提高他们的安全意识和应急处置能力,确保他们能够熟悉基本安全操作规程和风险防范措施。
4. 地质勘查和测绘单位应加强对特种作业的管理和监督,特别是对高空、密闭、有毒有害作业环境的作业,必须严格遵守操作规程,确保作业人员的生命安全。
5. 地质勘查和测绘单位应加强对危险化学品和危险物品的管理和使用,建立健全相关台账,加强对危险化学品和危险物品的登记和监管,确保化学品的安全使用。
6. 地质勘查和测绘单位应加强对施工现场的安全管理,建立健全施工现场安全管理制度,确保施工现场的安全生产。
7. 地质勘查和测绘单位应加强对工程项目的施工质量和施工安全的监督检查,确保工程项目施工过程中安全可控。
8. 地质勘查和测绘单位应加强对突发事件的应急预案编制和演练,提高应急响应能力,确保能够及时有效地应对各类突发事件。
三、结语地质勘查和测绘行业安全生产是一项综合性、系统性的工作,需要相关部门和单位通力合作,共同努力。
通过严格落实本指引的内容,可以有效提高地质勘查和测绘行业的安全生产水平,确保企业生产经营的安全和稳定,为地质勘查和测绘行业的可持续发展提供坚实保障。
希望全行业各单位认真贯彻落实指引内容,始终把安全放在首位,切实履行安全生产主体责任,共同创造安全、稳定、和谐的工作环境。
地质堪查队规章制度第一章总则第一条为了规范地质堪查队的工作秩序,加强队员的管理和培训,提高工作效率和质量,特制定本规章制度。
第二条地质堪查队是地质勘查单位的重要组成部分,其任务是深入地质勘查,为项目选址、勘查和规划提供科学依据。
第三条地质堪查队队员应遵守本规章制度,服从队长指挥,团结协作,严格按照勘查计划和程序开展工作。
第四条地质堪查队的队长由具备丰富勘查经验和较高职称的地质工程师担任,负责队伍管理和勘查工作的组织实施。
第五条地质堪查队的队员应具备良好的职业道德,尊重职业操守,保守勘查机密,绝不越权操作,绝不私自泄露勘查结果。
第六条地质堪查队应按照上级主管部门的要求定期接受培训和考核,提高业务水平和综合素质。
第七条地质堪查队发现矿产资源或地质灾害隐患应及时向上级主管部门报告,并按规定程序处理。
第二章组织管理第八条地质堪查队应按照地质勘查任务的不同性质和地区条件合理确定队员数量,队员名额应符合天然资源勘查管理部门的规定。
第九条地质堪查队队员应根据具体工作任务分工合作,互相协作,通力配合,完成所负责的勘查任务。
第十条地质堪查队队员应定期参加队内例会,交流工作经验,总结工作中的问题和困难,提出解决方案。
第十一条地质堪查队应建立健全的信息管理系统,合理管理地质勘查数据和资料,确保数据的完整性和安全性。
第十二条地质堪查队队员应遵守勘查队规章制度,服从队长指挥,不得擅自改变勘查计划和调整勘查路线。
第十三条地质堪查队队员应按时上报工作进展情况,定期向上级主管部门提交勘查资料和报告,接受其检查和指导。
第三章工作程序第十四条地质堪查队在进行地质勘查工作时,应按照相关规定履行申请勘查许可手续,报告地质勘查计划和勘查报告。
第十五条地质堪查队应按照地质勘查计划的要求确定勘查路线和勘查区域,进行野外实地勘查和取样分析。
第十六条地质堪查队应遵守地质勘查工作的方法和技术,准确测量地质剖面和勘查点位,绘制地质图和勘查报告。
第十七条地质堪查队应根据矿产资源的特点和勘查要求,选择合适的勘查技术和仪器设备,保证勘查数据的准确性和可靠性。
地勘质量管理制度第一章总则第一条为规范地质勘察活动,提高勘察工作的质量,保障工程建设的顺利进行,根据《地质勘查管理条例》,制定本制度。
第二条本制度适用于所有从事地质勘察工作的单位和个人,并严格执行。
第三条地勘质量管理制度的内容包括质量目标、组织结构、工作职责、质量控制、纠正措施等。
第四条组织的负责人必须制订质量目标,并将其传达给全体员工,确保质量目标得到全面执行。
第五条全体员工必须严格遵守地勘质量管理制度,确保地质勘察工作的质量。
第六条本制度的解释权归负责人。
第七条本制度自颁布之日起执行。
第八条本制度的修订由负责人负责,并报领导审批。
第九条若有违反本制度之行为,将受到相应的处罚。
第十条本制度解释权归所在行政区划所属地质勘探单位。
第二章质量目标第十一条制订地质勘探的质量目标应具体明确,切实可行,符合国家有关标准。
第十二条勘探单位应按照质量目标进行管理,保证勘探工作的顺利进行。
第十三条勘探单位在制订质量目标时,必须考虑到勘探工作的难易程度、地质环境等因素,确保完成质量目标。
第十四条勘探单位应定期对质量目标进行评估,确保质量目标的及时调整。
第十五条勘探单位应根据质量目标的实际情况,制订合适的质量控制措施。
第十六条勘探单位应确保质量目标的实现,并对未完成的部分进行整改。
第十七条勘探单位应根据质量目标,建立质量管理档案,以备查阅。
第十八条勘探单位应对实施的质量目标进行考核,确保质量目标的实现。
第十九条勘探单位应对实施的质量目标进行归档,以备查证。
第二十条勘探单位应建立健全的组织结构,确保质量管理工作的顺利进行。
第二十一条勘探单位应明确各级负责人的职责,并将其传达给全体员工。
第二十二条勘探单位应确保各级负责人的职责不断落实,保证勘探工作的质量。
第二十三条勘探单位应设立内部机构,监督质量管理工作的实施情况。
第二十四条勘探单位应定期召开会议,讨论质量管理工作的进展情况,并对不足之处进行纠正。
第二十五条勘探单位应对质量管理工作进行定期考核,及时发现问题,并予以整改。
地质勘查项目安全管理制度模版第一章总则第一条为了加强地质勘查项目的安全管理,确保勘查人员的生命安全和财产安全,提高勘查作业的效率和质量,制定本安全管理制度。
第二条本安全管理制度适用于我单位所有地质勘查项目,包括勘查人员和设备在勘查现场的安全管理。
第三条地质勘查项目的安全管理应遵循“安全第一、预防为主、综合治理、全员参与”的原则。
第四条所有参与地质勘查作业的人员,包括勘查人员、工程技术人员和安全管理人员,都应严格遵守本安全管理制度。
第二章安全组织管理第五条确定地质勘查项目安全管理的责任部门和责任人,明确各级负责人的安全职责。
第六条成立地质勘查项目安全管理小组,由项目负责人、安全管理人员、技术人员和勘查人员组成,负责地质勘查项目的安全管理工作。
第七条地质勘查项目安全管理小组应定期召开会议,研究项目的安全问题,制定安全措施和计划,并对安全管理工作进行评估和总结。
第八条勘查人员应定期接受安全培训,了解项目的安全规定和操作流程,增强安全意识和自我保护能力。
第三章勘查现场管理第九条在勘查现场应设置明显的安全警示标志,包括危险区域、禁止通行区域和安全通道等。
第十条勘查现场应保持整洁,防止垃圾和杂物堆积,并定期清理危险物品和杂草。
第十一条勘查现场应配备必要的安全设施,包括消防器材、急救箱等,保证安全设施的完好和使用有效。
第十二条勘查人员应严格遵守勘查现场的安全规定和操作规程,禁止擅自改变作业环境和勘查方法,确保安全作业。
第十三条勘查人员应正确使用个人防护用具,包括安全帽、安全鞋、防护眼镜、防护手套等,确保个人的安全。
第四章突发事件应急管理第十四条勘查项目应制定突发事件应急预案,明确应急组织机构和职责,确保在突发事件发生时能迅速响应和处置。
第十五条勘查现场应配备必要的急救设施和急救人员,应急车辆要保持正常运转,随时能够进行紧急救援。
第十六条勘查人员应定期进行应急演练,提高应急处置能力,熟悉应急设备的使用和应急预案的执行。
自然资源部办公厅关于印发《地质勘查和测绘行业安全生产重点检查事项指引(试行)》的通知文章属性•【制定机关】自然资源部•【公布日期】2023.12.28•【文号】自然资办发〔2023〕51号•【施行日期】2023.12.28•【效力等级】部门规范性文件•【时效性】现行有效•【主题分类】勘察设计,测绘正文自然资源部办公厅关于印发《地质勘查和测绘行业安全生产重点检查事项指引(试行)》的通知自然资办发〔2023〕51号各省、自治区、直辖市自然资源主管部门,新疆生产建设兵团自然资源局,中国地质调查局及部其他直属单位,各派出机构,部机关各司局,有关地质勘查和测绘单位:为深入学习贯彻习近平总书记关于安全生产重要论述,落实党中央、国务院加强安全生产有关决策部署,精准排查地质勘查和测绘行业安全风险隐患、推动问题整改,我部研究制定了《地质勘查和测绘行业安全生产重点检查事项指引(试行)》,现印发给你们,请根据本地区、本单位实际情况,细化完善重点检查事项,抓好工作落实,保障行业安全。
重要情况及时报部。
自然资源部办公厅2023年12月28日地质勘查和测绘行业安全生产重点检查事项指引(试行)为深入学习贯彻习近平总书记关于安全生产重要论述,落实党中央、国务院加强安全生产有关决策部署,切实提升地质勘查和测绘行业风险隐患排查整改质量,结合行业安全管理工作实际,将以下工作纳入重点检查事项,其中属于自然资源部门职责的,要认真检查推动整改,不属于自然资源部门职责的,要及时转送有关部门,积极协助督促落实隐患整改。
一、安全生产教育培训方面安全生产教育培训重点检查事项包括但不限于以下事项:(一)未定期对人员进行安全生产教育培训,特别是每次地勘测绘外业作业都没有进行安全培训或提醒,对驾驶员的交通安全专项培训不到位,对新员工进行安全生产教育培训不够,未建立安全生产教育培训台账。
(二)纳入培训的安全生产相关法规政策文件不全,主管部门关于安全生产工作的提醒、要求和部署未及时传达学习。
六地质调查项目质量检查要求一、前言地质调查项目是对地质情况进行科学、系统地调查和研究的过程。
为确保地质调查项目的准确性和科学性,有必要对地质调查项目进行质量检查。
本文档将详细介绍六地质调查项目质量检查的要求。
二、质量检查要求1.项目资料齐全性检查:–确保项目资料包括调查范围、调查目的、调查方法、调查结果等内容完整。
2.调查过程合规性检查:–检查调查过程是否符合相关法规和标准规范要求。
3.数据准确性检查:–验证调查数据的准确性和真实性,包括测量数据、采样数据等。
4.分析报告科学性检查:–检查分析报告的方法、结论是否符合科学规律。
5.调查人员资质检查:–确保参与地质调查的人员具有相关资质和经验。
6.设备工具验证检查:–检查地质调查所使用的设备工具是否符合标准,并具备校准证书。
三、质量检查流程1.确定检查标准:–制定地质调查项目的质量检查标准和要求。
2.制定检查计划:–确定质量检查的时间、地点,检查的重点和范围。
3.实施现场检查:–组织专业人员对地质调查项目进行全面检查。
4.整理检查结果:–汇总检查结果,发现问题和不足,并提出改进建议。
5.制定改进方案:–根据检查结果,制定针对性的改进方案,保障项目质量。
6.跟踪检查:–根据改进方案,对地质调查项目进行跟踪检查,确保问题得到有效解决。
四、质量检查意义地质调查项目质量检查是重要的质量管理手段,它能够保障地质调查项目的科学性和准确性,提高调查数据的可信度,为决策提供可靠依据,防范风险,确保工程投资的合理性。
五、总结六地质调查项目质量检查要求是地质调查工作中的重要环节,只有做好质量检查,才能保障地质调查项目的质量,提高工作效率,实现科学发展。
希望各地地质调查单位严格按照要求进行质量检查,不断提高地质调查水平,为地质资源开发利用和环境保护做出更大贡献。
以上是六地质调查项目质量检查要求的相关内容,希望对相关工作有所帮助。
地质勘查行业规范地质勘查是一项对自然资源进行探索、评估和开发的重要工作,它对于国家的经济发展、资源保障和环境保护都具有至关重要的意义。
为了确保地质勘查工作的科学性、准确性和安全性,制定并遵循严格的行业规范是必不可少的。
一、地质勘查的工作流程规范地质勘查工作通常包括预查、普查、详查和勘探等阶段。
每个阶段都有其特定的目标和任务,需要遵循相应的规范和标准。
在预查阶段,主要是通过对区域地质资料的研究、野外地质调查和少量的采样分析,初步了解勘查区域内的地质情况和矿产潜力。
这一阶段需要遵循的规范包括对资料收集的全面性和准确性要求,野外调查的路线规划和记录标准,以及采样的方法和数量等。
普查阶段则是在预查的基础上,进行更系统的地质填图、更多的采样分析和物探、化探等工作,以大致确定矿产的分布范围、规模和品位等。
此时,规范要求对地质填图的精度和比例尺有明确规定,采样的代表性和分析的准确性需要得到保障,物探、化探方法的选择和数据解译要符合专业标准。
详查阶段进一步细化勘查工作,通过加密工程控制和采样分析,详细查明矿产的地质特征、矿石质量、开采技术条件等。
此阶段的规范对工程间距、采样密度和分析精度提出了更高的要求,同时要对开采技术条件进行详细的评价。
勘探阶段是地质勘查的最后阶段,要为矿山建设提供可靠的地质资料。
规范要求在这一阶段进行更密集的工程控制,精确测定矿产的储量和质量,对矿山开发的可行性进行全面评估。
二、地质勘查的技术规范地质勘查涉及多种技术手段,如地质测量、遥感、地球物理勘探、地球化学勘探、钻探、坑探、采样与测试分析等,每种技术都有其相应的规范。
地质测量要求对地层、岩石、构造等地质要素进行准确的观察、描述和记录,比例尺和精度要符合勘查阶段的要求。
遥感技术的应用需要选择合适的遥感数据,进行正确的图像处理和信息解译。
地球物理勘探中,如重力勘探、磁力勘探、电法勘探和地震勘探等,设备的校准、数据采集的方法、数据处理和解释都有严格的规范。
地质质量管理制度第一章总则第一条为了加强地质勘察和发展管理,规范地质调查工作,保障地质勘察工作的科学性和可靠性,提高地质资源调查成果的质量,保障国土资源的合理开发利用,根据《地质勘查管理条例》及相关法律法规,制定本制度。
第二条本制度适用于全国各级地质部门及相关机构开展的地质调查、地质勘察和评价工作。
第三条地质质量管理制度的基本原则是科学、规范、公正、透明、优质、高效。
第四条地质勘察工作实行“三同时”管理原则,即调查计划、数据汇编和报告编制同时进行,确保地质调查工作的有机统一性。
第五条地质调查数据和成果应当真实、准确、可靠,各项检测、评估和验证结果应当具备可追溯性。
第六条地质勘察工作应当遵循科学规划原则,严禁随意修改调查数据或篡改调查报告。
第七条地质勘察工作应当严格履行保密义务,确保调查过程和结果的机密性。
第八条地质质量管理制度的内容包括:1、调查项目管理2、数据采集和处理3、质量控制4、报告编制和审核5、成果归档和保管6、质量评价和验收7、责任追究和奖惩机制第二章调查项目管理第九条地质调查项目应当依据相关法律法规和规划要求研究确定,项目主管部门应当审查并批准。
第十条地质调查项目应当明确调查目的、调查范围、调查方法和调查要求,项目单位应当按照项目要求组织实施。
第十一条地质调查项目应当编制详细的调查方案和实施方案,报项目主管部门和监督机构备案。
第十二条地质调查项目实施过程中,项目单位应当按照方案要求进度,保证质量。
第十三条地质调查项目实施完成后,项目单位应当编制调查总结报告,详细总结调查过程和成果,并提交项目主管部门和监督机构审查。
第三章数据采集和处理第十四条地质数据采集应当依据调查要求,采用科学仪器设备和方法,保证数据的真实准确性。
第十五条地质数据处理应当贯穿整个调查过程,及时进行数据加工和质量检验,确保数据的可靠性。
第十六条地质数据应当按照规定格式进行整理和编码,便于后续数据分析和应用。
第十七条地质调查中发现的异常数据或问题,应当及时向项目主管部门和监督机构汇报,并制定整改措施。
地质勘查项目质量保障措施地质勘查项目质量保障措施一、项目概述地质勘查项目是指为了确定地质条件、资源储量、环境影响等目的,对特定区域进行的一系列地质勘察和研究活动。
地质勘查项目具有重要的科研和经济意义,对于国家的资源开发和环境保护具有重要意义。
因此,在地质勘查项目中,质量保障措施的落实至关重要。
本文将从质量保障体系、质量控制措施以及问题解决措施三个方面,详细介绍地质勘查项目中的质量保障措施。
二、质量保障体系1. 形成质量保障体系。
地质勘查项目的质量保障体系应根据国家相关法规和标准,由项目负责人和相关专家共同制定。
质量保障体系包括质量目标、组织架构、工作程序、责任分工、质量评估等内容。
2. 确定质量目标。
地质勘查项目的质量目标应明确具体,符合科学规范,并纳入质量保障体系。
质量目标可以根据项目的特点和需求,包括勘查成果的准确性、可靠性、及时性,以及勘查工作的安全性等方面。
3. 组织架构与责任分工。
质量保障体系应包括项目组织架构和责任分工。
项目组织架构应明确相关各方的职责和权限,确保质量保障工作的有效实施。
责任分工应具体到个人,明确每个人的任务和职责,确保质量控制措施的有效落实。
4. 工作程序与质量控制。
地质勘查项目的工作程序应符合科学规范和标准,确保工作的顺利进行。
工作程序应包括前期准备、现场勘查、实验室分析、数据处理、报告编写等环节。
质量控制措施应具体到每个环节,包括设备的校准、样品的采集与保存、数据的记录与分析等,以确保数据的可靠性和准确性。
5. 质量评估与改进。
地质勘查项目的质量保障体系应包括质量评估与改进措施。
质量评估可以通过内部或外部的评估机构进行,以评估项目的执行情况和成果,并对问题进行识别和改进。
改进措施可以通过总结经验教训,制定和更新相关制度和流程来实施。
三、质量控制措施1. 设备和仪器的选择与校准。
地质勘查项目中使用的设备和仪器应符合国家相关标准和规定,并定期进行校准和维护。
勘查现场应配备必要的仪器设备,确保勘查工作的顺利进行。
地质勘查工作质量检查制度第一章总则第一条地质工作质量直接关系到地质工作找矿成果。
必须从思想认识、管理制度、实际行动上切实加强质量管理工作,把质量管理工作放到第一位,把质量当成单位生存发展的命脉。
第二条贯彻执行以地质找矿为中心主导思想,合理部署各项地质工作。
勘查方法技术须以提高地质研究程度、取得地质成果为目的。
第三条建立健全岗位责任制和检查验收制度是提高地质勘查工作重要措施.必须做到岗位职责明确,项目负责人对所承担地质工作质量负全责,公司总公办对项目质量进行监查,发现问题及时向总经理、总工汇报并提出处理意见。
第四条公司各级领导要重视质量管理工作,把质量管理工作放在工作首位.要严格执行各项质量标准,切实采取有效的措施,加强对工作质量管理。
第五条公司地质工作质量检查验收技术标准,以现行的国家标准、行业标准及批准的施工设计为依据。
第二章制度和要求第六条质量检查验收工作要坚持经常性检查与定期检查相结合,室内资料检查和实地检查相结合。
定期检查由总工办负责组织、指导.项目负责人要切实抓好经常性检查工作。
第七条要充分发挥技术管理部门的作用,公司总工办负责管理和督促检查日常地质勘查工作的质量,及时提出意见和办法,协助总经理和总工程师抓好质量管理工作。
第八条建立健全严格的质量管理体系。
各级领导必须重视地质工作质量,做到层层把关,坚持执行公司级、项目负责人、作业组组长三级质量检查制度。
第九条公司每年要开展以质量为主题的活动,公司重点检查所属单位的设计执行情况、工作布署、各项工作质量、地质成果等方面。
第十条地勘院、项目部、机台、班组要坚持开展一月一次的“质量日”活动,检查、讨论分析一个月以来地质工作质量情况、总结经验、找出问题、提出改进意见。
每月地质月报重点汇报地质工作质量情况.第十一条未经审定的原始资料,不能作为编制综合图件的依据,未经审定的图件,不能作为正式资料利用.未经审查批准的地质报告,不能正式复制和提交使用。
工程地质核查制度一、目的和依据制定本制度的目的,在于明确工程地质核查的基本要求和程序,以确保工程建设项目在设计、施工前能够充分了解地质条件,避免因地质问题导致的工程风险。
本制度依据国家有关工程建设标准和规范,结合实际情况,确保工程地质核查工作的科学性和有效性。
二、适用范围本制度适用于所有新建、改建、扩建的工程建设项目。
在项目启动之初,必须进行工程地质核查,包括但不限于建筑物、桥梁、道路、隧道、水利工程等各类建设项目。
三、组织机构与职责1. 建设单位应成立专门的工程地质核查小组,负责组织实施核查工作。
2. 核查小组应由具备相应资格的地质工程师组成,负责具体的地质调查、数据分析和报告编制工作。
3. 建设单位应与具有资质的第三方地质勘查机构合作,进行独立的地质勘察,以验证核查结果的准确性。
四、核查内容工程地质核查应包括但不限于以下内容:- 地表形态和地形特征;- 地质构造和地层分布;- 土壤类型、性质及其分布;- 地下水位、水质和流动特性;- 地震活动性和地质灾害历史;- 其他可能影响工程建设的地质因素。
五、核查程序1. 制定详细的工程地质核查计划,包括时间表、人员分配、设备准备等。
2. 进行现场调查和勘察,收集相关地质资料。
3. 对采集的样本进行实验室分析,获取必要的物理和力学参数。
4. 编制工程地质核查报告,报告中应详细记录调查过程、分析结果和建议措施。
5. 由第三方机构进行独立勘察,对比核实核查结果。
6. 根据核查报告和第三方勘察结果,建设单位应组织专家进行评审,并提出最终的建设意见。
六、质量控制1. 所有参与工程地质核查的人员必须持有相应的资格证书,并定期参加专业培训。
2. 核查过程中应使用校准过的仪器设备,确保数据的准确性。
3. 核查报告应经过多轮审核,确保信息无误且结论明确。
4. 对于发现的问题和隐患,应及时上报并采取相应的补救措施。
七、后续工作工程地质核查完成后,建设单位应根据核查结果调整工程设计,确保设计方案的合理性和安全性。
地质勘查工作质量检查制度
第一章总则
第一条地质工作质量直接关系到地质工作找矿成果。
必须从思想认识、管理制度、实际行动上切实加强质量管理工作,把质量管理工作放到第一位,把质量当成单位生存发展的命脉。
第二条贯彻执行以地质找矿为中心主导思想,合理部署各项地质工作。
勘查方法技术须以提高地质研究程度、取得地质成果为目的。
第三条建立健全岗位责任制和检查验收制度是提高地质勘查工作重要措施。
必须做到岗位职责明确,项目负责人对所承担地质工作质量负全责,公司总公办对项目质量进行监查,发现问题及时向总经理、总工汇报并提出处理意见。
第四条公司各级领导要重视质量管理工作,把质量管理工作放在工作首位。
要严格执行各项质量标准,切实采取有效的措施,加强对工作质量管理。
第五条公司地质工作质量检查验收技术标准,以现行的国家标准、行业标准及批准的施工设计为依据。
第二章制度和要求
第六条质量检查验收工作要坚持经常性检查与定期检查相结合,室内资料检查和实地检查相结合。
定期检查由总工办负责组织、指导。
项目负责人要切实抓好经常性检查工作。
第七条要充分发挥技术管理部门的作用,公司总工办负责管理和督促检查日常地质勘查工作的质量,及时提出意见和办法,协助总经理和总工程师抓好质量管理工作。
第八条建立健全严格的质量管理体系。
各级领导必须重视地质工作质量,做到层层把关,坚持执行公司级、项目负责人、作业组组长三级质量检查制度。
第九条公司每年要开展以质量为主题的活动,公司重点检查所属单位的设计执行情况、工作布署、各项工作质量、地质成果等方面。
第十条地勘院、项目部、机台、班组要坚持开展一月一次的“质量日”活动,检查、讨论分析一个月以来地质工作质量情况、总结经验、找出问题、提出改进意见。
每月地质月报重点汇报地质工作质量情况。
第十一条未经审定的原始资料,不能作为编制综合图件的依据,未经审定的图件,不能作为正式资料利用。
未经审查批准的地质报告,不能正式复制和提交使用。
第十二条地质勘查项目野外工作结束前必须组织野外检查验收,公司级验收由总工办组织,最终验收由上级主管部门组织。
第十三条水文地质、工程地质、环境地质、物化探、勘查工程、测量、岩矿鉴定等专业的检查验收,除参照本管理办法外,还应按照有关技术标准的规定执行。
第十四条浅井、探槽、取样钻完工后,由编录员验收。
钻孔、坑道完工后,各项探矿工程要及时验收。
钻孔、水文孔的孔位设计,由项目技术负责提出,经由公司总工程师批准后实施。
野外施工未经验收的探矿工程,设备不能搬迁。
第三章资料档案管理工作制度
第十五条为加强地质资料管理工作,充分发挥地质资料作用,保护我公司合法权益不受侵害,根据国务院《地质资料管理条例》、国土资源部《地质资料管理条例实施办法》及省有关规定,结合本公司实际情况制定本办法。
第十六条本公司地质资料汇交、保管和利用,适合本办法。
本办法所称地质资料,是指在地质勘查工作中形成的文字、图表、声像、电磁介质等形式原始性、阶段及成果性地质资料和岩矿芯、各类标本、光薄片、样品等实物地质资料。
第十七条本公司所属档案室负责全公司地质资料汇交、保管和利用的监督管理,其职责如下。
1、贯彻执行国家、省及上级主管部门地质资料方面法律、法规和方针政策;
2、负责指导、督促本公司所属单位档案归档业务,组织开展本公司地质资料展评工作;
3、制定本公司地质资料工作规划和计划并组织实施;
4、建立健全公司馆藏地质资料保管、利用制度,按规定整理、保管地质资料;
5、承担法律、法规规定的其他责任。
第十八条地质资料归档、汇交
按照国家、省及上级主管部门要求对地质勘查资料分类、编目、装订、归档、汇交。
所有汇交资料均应进行数字化处理。
地质资料归档范围:包括矿产地质预查、普查、详查、勘探报告,水文地质、工程地质、环境地质及灾害地质勘查报告,物化探报告,矿产、地质科学研究成果及综合分析资料,以及前述地质勘查工作形成的原始资料和阶段性资料。
地质资料汇交范围:按照上级主管部门有关要求执行。
第十九条地质资料的管理
1、公司档案室设专人管理地质资料;
2、资料管理人员要熟悉上级主管部门法律、法规,资料管理工作应由本专业技术人员或经过上级主管部门培训人员承担。
3、资料管理人员对本公司所藏地质资料安全负全责,资料管理人员必须把本公司所藏地质资料分门别类地装入专用柜内。
4、资料管理人员要做好资料室防火、防盗、防潮、防鼠、防虫蛀和保密等工作。
第二十条地质资料的借阅
1、凡本公司技术人员因工作需要借阅本公司所藏成果性资料,需经总工办主任审查,经公司总工程师批准后方可借阅。
若有不履行审批手续者,资料管理人员(有权)应拒绝借阅。
2、凡外单位人员来本公司借阅成果性资料,必须经公司总工程师签批意见报总经理批准后方可借阅。
外系统人员到本公司收集资料原则上不允许;本系统人员收集资料应由局主管部门签署意见。
3、不论是本单位人员,还是外来人员借阅地质资料必须妥善保管,不得将地质资料损坏、散落、遗失,否则将按有关规定予以处罚。
4、资料借阅应履行资料借阅手续,凡涉机密、绝密资料应有审批意见,按保密工作要求执行。
第四章附则
第二十一条本制度由总工办负责解释。
第二十二条本制度自印发之日起实施。
如有侵权请联系告知删除,感谢你们的配合!。