钢筋平行检验记录范本
- 格式:docx
- 大小:17.39 KB
- 文档页数:2
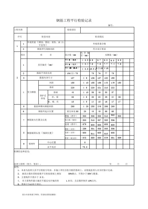
平行检查记录(钢筋安装)JKJL/Q-E-OHS-JL-053编号:工程名称检查地点检查时间年月日检查方法□钢尺测量□卡尺测量检查部位检查人员检查依据:施工图及《混凝土结构工程施工质量验收规范》GB50204-2010强制性条文规定:当钢筋的品种、级别或规格需作变更时,应办理设计变更文件钢筋进场时,应按现行国家标准《钢筋混凝土用热轧带肋钢筋》GB1499等的规定抽取试件作力学性能检验,其质量必须符合有关标准的规定对由抗震设防要求的框架结构,其纵向受力钢筋的强度应满足设计要求;当设计无具体要求时,对一、二级抗震等级,检验所得的强度实测值应符合下列规定:1 钢筋的抗拉强度实测值与屈服强度实测值的比值不应小于1.25;2 钢筋的屈服强度实测值与强度标准值的比值不应大于1.3。
钢筋安装时,受力钢筋的品种、级别、规格和数量必须符合设计要求检查记录:钢筋原材合格证、检测报告□齐全/□不齐全原材复检结果□合格/□不合格钢筋直径抽查(允许误差正负3mm),直径 mm,实测数值如下: mm、 mm、 mm、 mm、mm、 mm直径 mm,实测数值如下: mm、 mm、 mm、 mm、 mm、 mm直径 mm,实测数值如下: mm、 mm、 mm、 mm、 mm、 mm钢筋品种、规格、数量、位置□符合/□不符合设计要求钢筋接头位置、接头百分率□符合/□不符合设计要求钢筋接头搭接长度□符合/□不符合要求钢筋表面□有/□无老锈和油污等钢筋保护层厚度:□有/□无垫块上部钢筋□有/□无马镫支撑垫块或钢筋马镫□是/□否设置可靠洞口及墙四周附加钢筋□符合/□不符合设计要求钢筋安装位置的允许偏差和检验方法项目允许偏差(mm)检验方法实测误差(mm)绑扎钢筋网长、宽±10 钢尺检查网眼尺寸±20钢尺量连续三档,取最大值绑扎钢筋骨架长±10 钢尺检查宽、高±5 钢尺检查受力钢筋间距±10钢尺量两端、中间各一点,排距±5 取最大值保护层厚度基础±10 钢尺检查柱、梁±5 钢尺检查板、墙、壳±3 钢尺检查绑扎箍筋、横向钢筋间距±20 钢尺量连接三档,取最大值钢筋弯起点位置 20 钢尺检查箍筋间距±10 钢尺测量检查结论:经检查□是/□否符合设计和验收规范要求处理记录:。
附表1:××××工程监理咨询有限公司混凝土坍落度监理平行检验记录工程名称:×××××××××工程Ⅱ标段表格编号:附表2:××××工程监理咨询有限公司钢筋外观质量平行检测记录工程名称:×××××××××工程Ⅱ标段表格编号:附表3:××××工程监理咨询有限公司土方路基(路床)平行检验记录工程名称:×××××××××工程Ⅱ标段表格编号:附表4:××××工程监理咨询有限公司道路基层、底基层平行检验记录工程名称:×××××××××工程Ⅱ标段表格编号:附表5:××××工程监理咨询有限公司热拌沥青混合料面层平行检验记录工程名称:×××××××××工程Ⅱ标段表格编号:附表6:××××工程监理咨询有限公司沟槽开挖工程检验批平行检验记录工程名称:×××××××××工程Ⅱ标段表格编号:附表7:××××工程监理咨询有限公司管道铺设工程检验批平行检验记录工程名称:×××××××××工程Ⅱ标段表格编号:附表8:××××工程监理咨询有限公司混凝土灌注桩工程检验批平行检验记录工程名称:×××××××××工程Ⅱ标段表格编号:附表9:××××工程监理咨询有限公司后张法预应力管道定位平行检验记录工程名称:×××××××××工程Ⅱ标段表格编号:附表10:××××工程监理咨询有限公司桥梁支座安装平行检验记录工程名称:×××××××××工程Ⅱ标段表格编号:附表11:××××工程监理咨询有限公司人行道外观质量平行检验记录工程名称:×××××××××工程Ⅱ标段表格编号:附表12:××××工程监理咨询有限公司路缘石安砌平行检验记录工程名称:×××××××××工程Ⅱ标段表格编号:附表13:××××工程监理咨询有限公司混凝土强度回弹平行检验记录工程名称:×××××××××工程Ⅱ标段表格编号:附表14:××××工程监理咨询有限公司钢筋保护层厚度平行检测记录工程名称:×××××××××工程Ⅱ标段表格编号:附表15:××××工程监理咨询有限公司附表16:××××工程监理咨询有限公司附表17:××××工程监理咨询有限公司钢筋安装平行检查记录编号:附表18:××××工程监理咨询有限公司混凝土外观平行检查记录编号:。
平行检验记录表样板Prepared on 21 November 2021附表1:××××工程监理咨询有限公司混凝土坍落度监理平行检验记录工程名称:×××××××××工程Ⅱ标段表格编号:附表2:××××工程监理咨询有限公司钢筋外观质量平行检测记录工程名称:×××××××××工程Ⅱ标段表格编号:土方路基(路床)平行检验记录工程名称:×××××××××工程Ⅱ标段表格编号:道路基层、底基层平行检验记录工程名称:×××××××××工程Ⅱ标段表格编号:附表5:××××工程监理咨询有限公司热拌沥青混合料面层平行检验记录工程名称:×××××××××工程Ⅱ标段表格编号:附表6:××××工程监理咨询有限公司沟槽开挖工程检验批平行检验记录工程名称:×××××××××工程Ⅱ标段表格编号:附表7:××××工程监理咨询有限公司管道铺设工程检验批平行检验记录工程名称:×××××××××工程Ⅱ标段表格编号:附表8:××××工程监理咨询有限公司混凝土灌注桩工程检验批平行检验记录工程名称:×××××××××工程Ⅱ标段表格编号:附表9:××××工程监理咨询有限公司后张法预应力管道定位平行检验记录工程名称:×××××××××工程Ⅱ标段表格编号:附表10:××××工程监理咨询有限公司桥梁支座安装平行检验记录工程名称:×××××××××工程Ⅱ标段表格编号:附表11:××××工程监理咨询有限公司人行道外观质量平行检验记录工程名称:×××××××××工程Ⅱ标段表格编号:附表12:××××工程监理咨询有限公司路缘石安砌平行检验记录工程名称:×××××××××工程Ⅱ标段表格编号:附表13:××××工程监理咨询有限公司混凝土强度回弹平行检验记录工程名称:×××××××××工程Ⅱ标段表格编号:附表14:××××工程监理咨询有限公司钢筋保护层厚度平行检测记录工程名称:×××××××××工程Ⅱ标段表格编号:附表15:××××工程监理咨询有限公司附表16:××××工程监理咨询有限公司附表17:××××工程监理咨询有限公司钢筋安装平行检查记录编号:附表18:××××工程监理咨询有限公司混凝土外观平行检查记录编号:。
平行检验监理记录-CAL-FENGHAI.-(YICAI)-Company One1
平行检验监理记录(钢筋原材料)
平行检验监理记录(箱梁钢筋)
本表由监理机构填写,与质检员双方签字,监理单位保存。
甬统表B02-6
平行检验监理记录(承台钢筋)
本表由监理机构填写,与质检员双方签字,监理单位保存。
甬统表B02-6
平行检验监理记录(墩柱钢筋)
本表由监理机构填写,与质检员双方签字,监理单位保存。
甬统表B02-6
平行检验监理记录(箱梁模板)
本表由监理机构填写,与质检员双方签字,监理单位保存。
甬统表B02-6
平行检验监理记录(承台模板)
本表由监理机构填写,与质检员双方签字,监理单位保存。
甬统表B02-6
平行检验监理记录(墩柱模板)
本表由监理机构填写,与质检员双方签字,监理单位保存。
甬统表B02-6
平行检验监理记录(预应力筋)
工程名称:宁波市北环路、环城南路快速路工程I-5标段编号:
本表由监理机构填写,与质检员双方签字,监理单位保存。
甬统表B02-6
平行检验监理记录(箱梁混凝土)
本表由监理机构填写,与质检员双方签字,监理单位保存。
甬统表B02-6
平行检验监理记录(承台混凝土)
本表由监理机构填写,与质检员双方签字,监理单位保存。
甬统表B02-6
平行检验监理记录(墩柱混凝土)
本表由监理机构填写,与质检员双方签字,监理单位保存。