CASS软件中各图层英文缩写
- 格式:doc
- 大小:1.67 MB
- 文档页数:38
地形图中各种代号表示什么,CAD各图层字母缩写与对应数据名:
ASSIST ——骨架线
APFH ——岸坡防护设施
AXES ——轴线
BOUND ——框架线
DGX ——等高线
DLDW ——独立地物工矿建(构)筑物及其它设施
DLJX ——地类界线
DLSS ——道路设施
DLTB——地类图斑
DMTZ ——地貌
GCD ——高程点
GXYZ ——管线设施
GDZL ——沟道治理设施
GQ ——沟渠
JJ ——境界
JMD ——居民地
JYSS ——小型集雨设施
JZD ——界址点
KZD ——控制点测量控制点
LABEL ——Label(线)
LXDW ——零星地物
LHB ——小型拦河坝(闸)
MJZJ ——面积注记
NTLW ——农田防护与生态环境保持农田林网
NYJ ——农用井
PDZZ ——配电装置
PMFH ——坡面防护设施
PWGD ——喷微灌管道
QXJZ ——渠系建筑物
SXSS ——水系设施
SDXL ——输电线路
TK ——图廓
TK ——土地平整田块
TY ——灌溉与排水塘堰
TJD ——L田间道路
XZQ ——行政区
XZDW ——线状地物
XMQJ ——项目区界
YZH ——垣栅(就是围墙栅栏等)
Z ——辅助线
ZBT ——植被
ZBTZ ——植被特征
ZDH ——展点号野外采集点ZJ ——注记。
1、CASS图层含义:DMTZ 地貌DLSS 道路设施ASSIST 骨架线DLDW 独立地物KZD 控制点ZBTZ植被DGX ——等高线DLDW ——独立地物GCD ——高程点GXYZ ——管线设施JJ ——境界JMD ——居民地JZD ——界址点SXSS ——水系设施ZBTZ ——植被TK——图廓2、CASS快捷键操作:DD 通用绘图命令 A —画弧(ARC)V —查实体属性 C —画圆(CIRCLE)S —加入实体属性CP —拷贝(COPY) F 图形复制 E —删除(ERASE) RR —符号重新生成L —画直线(LINE) H —线型换向 PL —画复合线(PLINE) KK —查询坎高LA —设置图层(LAYER) X —多功能复合线 LT —设置线型(LINETYPE)B —自由连接 M —移动(MOVE) AA —给实体加地物名 P —屏幕移动(PAN)T —注记文字 Z —屏幕缩放(ZOOM) FF —绘制多点房屋 R —屏幕重画(REDRAW)SS —绘制四点房屋 PE —复合线编辑(PEDIT) W ——绘制围墙 K —绘制陡坎XP —绘制自然斜坡 G —绘制高程点 D —绘制电力线 I —绘制道路N —批量拟合复合线 O —批量修改复合线高 WW —批量改变复合线宽Y —复合线上加点 J —复合线连接 Q ——直角纠正3、备注(希望有帮助)快捷命令通常是该命令英文单词的第一个或前面两个字母,有的是前三个字母。
比如,直线(Line)的快捷命令是“L”;复制(COpy)的快捷命令是“CO”;线型比例(LTScale)的快捷命令是“LTS”。
在使用过程中,试着用命令的第一个字母,不行就用前两个字母,最多用前三个字母,也就是说,AutoCAD的快捷命令一般不会超过三个字母,如果一个命令用前三个字母都不行的话,只能输入完整的命令。
ASSIST 骨架线BASICGRID单元网格COMMUNITY社区COMPONENT部件DGX等高线DLDW独立地物DLJ地类界DLSS独立设施DMTZ地貌土质DSX等深线GXYZ管线设施JJ境界JMD居民地JZD宗地JZP界址点KCJZD勘测界址点KCJZD_TXT勘测界址点注记KCYDJ勘测用地界KZD勘测点MJZJ面积注记SJW三角网SXSS水系设施TK图廓ZBTZ植被土质ZDH宗地号ZJ注记CASS和AutoCAD成图软件一些快捷键和图层释疑1、CASS图层含义:DMTZ 地貌 DLSS 道路设施 ASSIST 骨架线 DLDW 独立地物 KZD 控制点 ZBTZ植被DGX ——等高线 DLDW ——独立地物 GCD ——高程点 GXYZ ——管线设施JJ ——境界 JMD ——居民地 JZD ——界址点 SXSS ——水系设施 ZBTZ ——植被 TK——图廓2、CASS快捷键操作:DD 通用绘图命令 A —画弧(ARC)V —查实体属性 C —画圆(CIRCLE)S —加入实体属性 CP —拷贝(COPY)F 图形复制 E —删除(ERASE) RR —符号重新生成 L —画直线(LINE)H —线型换向 PL —画复合线(PLINE)KK —查询坎高LA —设置图层(LAYER) X —多功能复合线 LT —设置线型(LINETYPE)B —自由连接M —移动(MOVE) AA —给实体加地物名 P —屏幕移动(PAN)T —注记文字 Z —屏幕缩放(ZOOM)FF —绘制多点房屋 R —屏幕重画(REDRAW)SS —绘制四点房屋PE —复合线编辑(PEDIT) W ——绘制围墙K —绘制陡坎XP —绘制自然斜坡 G —绘制高程点 D —绘制电力线 I —绘制道路N —批量拟合复合线O —批量修改复合线高 WW —批量改变复合线宽Y —复合线上加点 J —复合线连接 Q ——直角纠正(红色的快捷命令是我们使用CASS绘图经常要用到的,很重要)3、备注(希望有帮助)快捷命令通常是该命令英文单词的第一个或前面两个字母,有的是前三个字母。
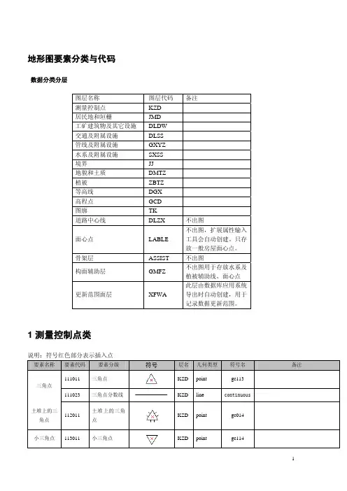
KZD GPS点、平面控制点、高程控制点GCD 碎部高程注记点JMD 一般房屋、简单房屋、棚房、厕所、建筑中房屋等阳台、檐廓、支柱、围墙、台阶、水泥铺装地面等GXYZ 电力线、铁塔、电杆、变压器、通信线、通信杆、路灯、消防栓、上水、下水等DLDW 工业设备、水塔、抽水机站、田埂、窑、坟地等DLSS 公路、大车路、小路、路涯、桥梁、涵洞等SXSS 河流边线、水涯线、池塘、沟渠、水闸、流向等DMTZ 陡坎、斜坡等ZBTZ 水稻田、旱地、菜地、果园、桑园、绿化带、行树、地类界等TK 图廓、坐标格网线、图廓外注记ZJ 地名、单位名、道路名、河流名、桥梁名、各种说明、注记等JJ 境界线如:县界、乡镇界、村界、组界ZDH 展点号0 其它未列入上述图层的要素KZD 各种三角点,水准点,图根点,控制点以及注记JMD 各种房屋,围墙,栅栏,篱笆,柱廊等居民地附属设施以及注记DLDW 军事、工矿、公共、宗教设施及注记DLSS 交通、交通注记及附属设施GXYZ 管线、管线注记及附属设施SXSS水系、水系注记及附属设施DMTZ 地貌和土质及注记ZBTZ 各种植被类及注记JJ 境界线及注记ASSIST 管线骨架线、道路中心线,此层为不打印出图层LABLE 提取水系及植被的封闭面域,此层为不打印出图层1. JMD图层(1)要求各要素均有代码且代码使用合理,合理的使用代码是地形数据的基本要求。
(2)在入库数据里,各种房屋以面状要素的身份入库,所以各种属性的房屋均要求闭合,到图廓边的房屋同样要求在图廓边闭合,目的是相同属性面状要素经过数据入库后可自动进行拼接。
(3)共线房屋要求数据上完全重合,达到“无缝连接”的目的。
(4)房屋的性质及楼层除了图面注记还要求将其输入扩展属性,且扩展属性表达的内容和图面注记要求完全一致。
(5)JMD注记包括单位名称,地名,楼层注记,单位名称和地名注记大小按照《地形图图式》要求,楼层注记大小则规定字高为2。
KZD GPS点、平面控制点、高程控制点GCD 碎部高程注记点JMD 一般房屋、简单房屋、棚房、厕所、建筑中房屋等阳台、檐廓、支柱、围墙、台阶、水泥铺装地面等GXYZ 电力线、铁塔、电杆、变压器、通信线、通信杆、路灯、消防栓、上水、下水等DLDW 工业设备、水塔、抽水机站、田埂、窑、坟地等DLSS 公路、大车路、小路、路涯、桥梁、涵洞等SXSS 河流边线、水涯线、池塘、沟渠、水闸、流向等DMTZ 陡坎、斜坡等ZBTZ 水稻田、旱地、菜地、果园、桑园、绿化带、行树、地类界等TK 图廓、坐标格网线、图廓外注记ZJ 地名、单位名、道路名、河流名、桥梁名、各种说明、注记等JJ 境界线如:县界、乡镇界、村界、组界ZDH 展点号0 其它未列入上述图层的要素KZD 各种三角点,水准点,图根点,控制点以及注记JMD 各种房屋,围墙,栅栏,篱笆,柱廊等居民地附属设施以及注记DLDW 军事、工矿、公共、宗教设施及注记DLSS 交通、交通注记及附属设施GXYZ 管线、管线注记及附属设施SXSS水系、水系注记及附属设施DMTZ 地貌和土质及注记ZBTZ 各种植被类及注记JJ 境界线及注记ASSIST 管线骨架线、道路中心线,此层为不打印出图层LABLE 提取水系及植被的封闭面域,此层为不打印出图层1. JMD图层(1)要求各要素均有代码且代码使用合理,合理的使用代码是地形数据的基本要求。
(2)在入库数据里,各种房屋以面状要素的身份入库,所以各种属性的房屋均要求闭合,到图廓边的房屋同样要求在图廓边闭合,目的是相同属性面状要素经过数据入库后可自动进行拼接。
(3)共线房屋要求数据上完全重合,达到“无缝连接”的目的。
(4)房屋的性质及楼层除了图面注记还要求将其输入扩展属性,且扩展属性表达的内容和图面注记要求完全一致。
(5)JMD注记包括单位名称,地名,楼层注记,单位名称和地名注记大小按照《地形图图式》要求,楼层注记大小则规定字高为2。
建筑层名解释线型颜色笔宽DOTE 轴线 dote 10 0.15AXIS 轴标 continuous 1/7 0.15/0.3WALL 墙 continuous 2 0.55COLUMN 柱/剪力墙 continuous 3 0.4SD 柱/剪力墙填充 continuous 252 0.2(灰度60% )LINE 看线 continuous 1WINDOW 门窗 continuous 4MC 门窗编号 continuous 6BALCONY 阳台 continuous 6STAIR 楼梯 continuous 4洁具/LVR 洁具/橱具 continuous 1 0.15家具/FUR 家具 253 0.15(灰度30% )PUB-DIM 标高/图名标注 1/7 0.15/0.25PUB-DIM1 公共标注 1/7内部尺寸/PUB-DIM2 细节标注 1/7PUB-HATCH 公共填充 8 0.15瓦坡屋顶填充 5 0.15PUB-TEXT 索引文字说明 1/7 0.15/0.25房间名称房间名称 7 0.25E-OUTLINE 立面大轮廓 2 0.55E-WALL 立面轮廓(转折线) 7 0.4E-Window 立面窗 4 0.3HIDDEN 虚线 hidden 4 0.2HOLE 留洞 continuous 4 0.2其它 continuous 4 0.2结构层名解释线型颜色颜色(GS线宽)Sbeam-s 实线梁 continuous 兰色青色(0.15)<0.13> Sbeam-x 虚线梁 dash 兰色青色(0.15) <0.13> Scolumn-s 实线柱 continuous 黄色黄色(0.30) <0.25> Scolumn-x 虚线柱 dash 黄色黄色(0.30) <0.25>Swall-s 实线墙 Continuous 黄色黄色(0.30) <0.25> Swall-x 虚线墙 dash 黄色黄色(0.30) <0.25>Srein 钢筋 Continuous 品红紫色(0.45) <0.30>Saz 暗柱边线 dash 蓝色蓝色(0.20) <0.15>SLbh 梁编号 continuous 黄色绿色(0.30) <0.15>Stc 填充 continuous 252 252(灰度)SLb 梁配筋标注 continuous 白色蓝色(0.20) <0.15> 同建筑轴线 dote 红色红色(0.10) <0.10>Sccx 尺寸线 continuous 绿色红色(0.10) <0.10> SText 说明文字 continuous 白色白色(0.20) <0.15>给排水层名解释线型颜色笔宽0s-污水管污水管 4 0.650s-给水管给水管 3 0.500s-消火栓管消火栓管 2 0.500s-喷淋管喷淋管 3 0.500s-水标注水标注 2 0.250s-管配件管配件 7 0.250s-水留洞水留洞 7 0.250s-文字说明文字说明 1 0.350s建筑建筑底图 continuous 2 0.18采暖通风空气调节层名解释线型颜色1n-duct 空调风管 continuous cyan1n-HS 空调回水 dash 紫色1n-GS 空调供水 continuous cyan1N-NS 空调凝结水管 center 黄色1N-SB 空调设备 center 红色1N-MQ 煤气 continuous cyan电气层名解释线型颜色Ebpm 电气设备 continuous greenEline 电气布线 continuous yellowExtt 电气系统 continuous green通讯层名解释线型颜色Tcabl 通讯布线 continuous cranTeqpm 通讯设备 continuous greenTxtt 通讯系统图 continuous greenDMTZ 地貌 DLSS 道路设施 ASSIST 骨架线 DLDW 独立地物 KZD 控制点 ZBTZ植被DGX ——等高线 DLDW ——独立地物 GCD ——高程点 GXYZ ——管线设施JJ ——境界 JMD ——居民地 JZD ——界址点 SXSS ——水系设施 ZBTZ ——植被 TK——图廓希望对你有帮助,图层的名字是可以自定义的,如果上面的不对,最直接的办法是问画图的人。
CASS和AutoCAD成图软件一些快捷键和图层释疑标签:1、CASS图层含义:DMTZ 地貌 DLSS 道路设施 ASSIST 骨架线 DLDW 独立地物 KZD 控制点 ZBTZ植被DGX ——等高线 DLDW ——独立地物 GCD ——高程点 GXYZ ——管线设施JJ ——境界 JMD ——居民地 JZD ——界址点 SXSS ——水系设施 ZBTZ ——植被 TK——图廓2、CASS快捷键操作:DD 通用绘图命令 A —画弧(ARC)V —查实体属性 C —画圆(CIRCLE)S —加入实体属性 CP —拷贝(COPY)F 图形复制 E —删除(ERASE) RR —符号重新生成 L —画直线(LINE) H —线型换向PL —画复合线(PLINE)KK —查询坎高LA —设置图层(LAYER) X —多功能复合线 LT —设置线型(LINETYPE)B —自由连接M —移动(MOVE) AA —给实体加地物名 P —屏幕移动(PAN)T —注记文字 Z —屏幕缩放(ZOOM)FF —绘制多点房屋 R —屏幕重画(REDRAW)SS —绘制四点房屋 PE —复合线编辑(P EDIT) W ——绘制围墙K —绘制陡坎 XP —绘制自然斜坡 G —绘制高程点 D —绘制电力线 I —绘制道路N —批量拟合复合线O —批量修改复合线高 WW —批量改变复合线宽 Y —复合线上加点 J —复合线连接Q ——直角纠正(红色的快捷命令是我们使用CASS绘图经常要用到的,很重要)3、备注(希望有帮助)快捷命令通常是该命令英文单词的第一个或前面两个字母,有的是前三个字母。
比如,直线(Line)的快捷命令是“L”;复制(COpy)的快捷命令是“CO”;线型比例(LTScale)的快捷命令是“LTS”。
在使用过程中,试着用命令的第一个字母,不行就用前两个字母,最多用前三个字母,也就是说,AutoCAD的快捷命令一般不会超过三个字母,如果一个命令用前三个字母都不行的话,只能输入完整的命令。
CAD图层英文对照表一、基础图形图层1、"Line" 层:通常用于存放直线图形。
2、"Arc" 层:用于存放弧形图形。
3、"Circle" 层:专门用于存放圆形图形。
二、建筑相关图层1、"Wall" 层:表示墙体。
2、"Door" 层:用于门的图形。
3、"Window" 层:表示窗户。
4、"Floor" 层:地板图层。
5、"Roof" 层:屋顶图层。
三、电气相关图层1、"Power Line" 层:电力线路。
2、"Lighting" 层:照明相关图形。
3、"Socket" 层:插座。
4、"Switch" 层:开关。
四、管道相关图层1、"Water Pipe" 层:水管。
2、"Gas Pipe" 层:燃气管。
3、"Drain Pipe" 层:排水管。
五、机械相关图层1、"Shaft" 层:轴。
2、"Gear" 层:齿轮。
3、"Bearing" 层:轴承。
六、标注相关图层1、"Dimension" 层:尺寸标注。
2、"Text" 层:文字标注。
3、"Arrow" 层:标注箭头。
七、辅助图层1、"Hidden Line" 层:隐藏线。
2、"Center Line" 层:中心线。
3、"Construction Line" 层:构造线。
八、颜色相关图层1、"Red Layer" 层:红色图形所在层。
2、"Blue Layer" 层:蓝色图形所在层。
3、"Green Layer" 层:绿色图形所在层。
九、视图相关图层1、"Top View" 层:顶视图。
2、"Front View" 层:前视图。
3、"Side View" 层:侧视图。
A——画弧(arc)AA——给实体加地物名 ……………B——自由连接C——画圆(circle)CP——拷贝(copy)D——绘制电力线 ……………DD——通用绘图命令E——删除(erase)F——图形复制FF——绘制多点房屋G——绘制高程点H——线型换向I——绘制道路J——复合线连接K——绘制陡坎KK——查询坎高L——画直线(line)LA——设置图层(layer)LT——设置线型(linetype)M——移动(move)N——批量拟合复合线O——批量修改复合线高P——屏幕移动(Pan)PE——复合线编辑(Pedit)PL——画复合线(pline)Q——直角纠正R——屏幕重画(Redraw)RR——符号重新生成S——加入实体属性SS——绘制四点房屋T——注记文字U——恢复V——查看实体属性W——绘制围墙WW——批量改变复合线宽X——多功能复合线XP——绘制自然斜坡Y——复合线上加点Z——屏幕缩放(Zoom)TRIM――剪切线EXTEND—延伸线CASS其他blipmode——控制小十字标记(点击鼠标后的小雪花点)On=显示小十字标记,Off=不显示Regen——刷新屏幕,如陡坎物毛刺等符号不显示时局部放大再使用电脑其他:F1……帮助 F2……重命名F3……搜索 F4……地址栏F5……刷新 F7……插入光标F10……菜单栏 F11……最大ADC, *ADCENTER(设计中心“Ctrl+2”)CH, MO *PROPERTIES(修改特性“Ctrl+1”)MA, *MATCHPROP(属性匹配)ST, *STYLE(文字样式) <BR< p>COL, *COLOR(设置颜色)LA, *LAYER(图层操作)LT, *LINETYPE(线形)LTS, *LTSCALE(线形比例)LW, *LWEIGHT (线宽)UN, *UNITS(图形单位)ATT, *ATTDEF(属性定义)ATE, *ATTEDIT(编辑属性)BO, *BOUNDARY(边界创建,包括创建闭合多段线和面域)AL, *ALIGN(对齐)EXIT, *QUIT(退出)EXP, *EXPORT(输出其它格式文件)IMP, *IMPORT(输入文件)OP,PR *OPTIONS(自定义CAD设置)PRINT, *PLOT(打印)PU, *PURGE(清除垃圾)R, *REDRAW(重新生成)REN, *RENAME(重命名)SN, *SNAP(捕捉栅格)DS, *DSETTINGS(设置极轴追踪)OS, *OSNAP(设置捕捉模式)PRE, *PREVIEW(打印预览)TO, *TOOLBAR(工具栏)V, *VIEW(命名视图)AA, *AREA(面积)DI, *DIST(距离)LI, *LIST(显示图形数据信息)2、绘图命令:PO, *POINT(点)L, *LINE(直线)XL, *XLINE(射线)PL, *PLINE(多段线)ML, *MLINE(多线)SPL, *SPLINE(样条曲线)POL, *POLYGON(正多边形)REC, *RECTANGLE(矩形)C, *CIRCLE(圆)A, *ARC(圆弧)DO, *DONUT(圆环)EL, *ELLIPSE(椭圆)REG, *REGION(面域)MT, *MTEXT(多行文本)T, *MTEXT(多行文本)B, *BLOCK(块定义)I, *INSERT(插入块)W, *WBLOCK(定义块文件)DIV, *DIVIDE(等分)H, *BHATCH(填充)3、修改命令:CO, *COPY(复制)MI, *MIRROR(镜像)AR, *ARRAY(阵列)O, *OFFSET(偏移)RO, *ROTATE(旋转)M, *MOVE(移动)E, DEL键 *ERASE(删除)X, *EXPLODE(分解)TR, *TRIM(修剪)EX, *EXTEND(延伸)S, *STRETCH(拉伸)LEN, *LENGTHEN(直线拉长)SC, *SCALE(比例缩放)BR, *BREAK(打断)CHA, *CHAMFER(倒角)F, *FILLET(倒圆角) <BR< p>AutoCAD 2000快捷命令的使用作者:breeze 转贴自:本站原创点击数:802 文章录入:breeze PE, *PEDIT(多段线编辑)ED, *DDEDIT(修改文本)4、视窗缩放:P, *PAN(平移)Z+空格+空格, *实时缩放Z, *局部放大Z+P, *返回上一视图Z+E, *显示全图5、尺寸标注:DLI, *DIMLINEAR(直线标注)DAL, *DIMALIGNED(对齐标注)DRA, *DIMRADIUS(半径标注)DDI, *DIMDIAMETER(直径标注)DAN, *DIMANGULAR(角度标注)DCE, *DIMCENTER(中心标注)DOR, *DIMORDINATE(点标注)TOL, *TOLERANCE(标注形位公差)LE, *QLEADER(快速引出标注)DBA, *DIMBASELINE(基线标注)DCO, *DIMCONTINUE(连续标注)D, *DIMSTYLE(标注样式)DED, *DIMEDIT(编辑标注)DOV, *DIMOVERRIDE(替换标注系统变量)(二)常用CTRL快捷键【CTRL】+1 *PROPERTIES(修改特性)【CTRL】+2 *ADCENTER(设计中心)【CTRL】+O *OPEN(打开文件)【CTRL】+N、M *NEW(新建文件)【CTRL】+P *PRINT(打印文件)【CTRL】+S *SAVE(保存文件)【CTRL】+Z *UNDO(放弃)【CTRL】+X *CUTCLIP(剪切)【CTRL】+C *COPYCLIP(复制)【CTRL】+V *PASTECLIP(粘贴)【CTRL】+B *SNAP(栅格捕捉)【CTRL】+F *OSNAP(对象捕捉)【CTRL】+G *GRID(栅格)【CTRL】+L *ORTHO(正交)【CTRL】+W *(对象追踪)【CTRL】+U *(极轴)(三)常用功能键【F1】 *HELP(帮助)【F2】 *(文本窗口)【F3】 *OSNAP(对象捕捉)【F7】 *GRIP(栅格)【F8】 *ORTHO(正交)这些都是CASS里帮助都有的命令,以下说的是在绘图过程中经常遇到的问题1.有时候在画电线通讯线时只想画电杆而不想画电线,但它们又是一个整体,若要炸开在删的电杆就会变成白色,而失2.有时候我们打开画过的图形时陡坎只显示直线,先用regen命令重新生成一下,要是还不行,打开特性管理器,找到线3.当用CASS打开其它软件做的图形时需要加入CASS环境才能运行.此命令在文件菜单下.4.当测量的某个地区陡坎很多,在绘等高线时先择考虑坎高就很容易画等高线了.5.MBUTTOMPAN是CAD的一个系统变量,当值为1时按助滚动轮是平移.当值为0时出现捕捉.6.当几条线重全在一起时,按助CTRL健可在几条线间循环选择.7.用BLIPMODE命令可以消除在点鼠标时在屏幕上产生的交叉点.8. REDRAW命令.可刷新图形屏幕把多余一些标记点去掉保持图开的清洁.9 !号的使用用一条线,选中夹点后可用!+数字的方式(如:!10 )使其伸长或缩短相应的长度。
建筑图CAD中各线型名称英文缩写对应表平面图类图层中文名图层英文名说明建筑-轴线 A-AXIS 各层平面、剖面、立面、详图中的轴线。
建筑-墙 A-WALL 所有平面实墙;剖面,详图的剖切墙体,梁板。
建筑-人防墙 A-AIRD-WALL 人防临空墙、密闭墙,抗爆档墙建筑-轻质墙体A-WALL-PRTN 平面各种材料的轻质隔墙,卫生间分段隔墙及门。
建筑-玻璃幕墙A-WALL-GLAZ 平面玻璃幕墙。
建筑-矮墙 A-WALL-PRHT 平面、立面围墙、院墙及院门。
建筑-墙保温层 A-WALL-HPRT 平面、立面、剖面、详图的保温层,防水层。
建筑-柱子边线 A-GLOS 柱子、剪力墙边线。
建筑-柱子填充 A-GLOS-HATH 柱子、剪力墙、其它灰度填充(回填土除外)。
建筑-平面阳台、护栏A-FLOR-BALC 平面图中央台栏杆、栏板、扶手。
建筑-楼梯 A-FLOR-STRS 楼梯、自动扶梯、踏步、坡道及其栏杆电梯轿厢。
建筑-烟道 A-FLOR-FLUE 成品烟道。
建筑-门窗 A-DRWD 平面门窗、百叶窗。
建筑-门窗编号 A-DRWD-IDEN 门窗名称编号。
建筑-房间编号 A-ROOM-IDEN 房间编号。
建筑-防火卷帘 A-DRWD-FIRE 建筑消防设备及编号,如:防火卷帘及编号。
(可用Pline 线)建筑-门口线 A-DRWD-GRND 门口线、高差线。
建筑-洁具、厨具 A-FLOR-SPCL 厨房卫生间设备、水槽、水池、洁具。
建筑-家具 A-FURN 室内家具布置。
平面图纸对象建筑-平面看线 A-OVER 平面投影线、停车场车库道。
室外环境构筑物投影线。
建筑-散水 A-APRO 散水。
建筑-屋顶 A-ROOF 屋顶轮廓线,屋面各构筑物投影线楼板留洞。
建筑-面层 A-SURF 平面、立面、剖面、详图的面层。
建筑-平面填充 A-HATH 平面材料填充、公共图案填充,如防火分区,人防单元。
建筑-停车位 A-PARK-SIGN 停车位建筑-停车道 A-PARK-CURB 车库车道线,行车方向线,道牙。