vhdl实验报告——bcd码转换成二进制码(免费哦~)
- 格式:pdf
- 大小:975.33 KB
- 文档页数:3
BCD码怎么转换成标准二进制形式BCD码怎么转换成标准二进制形式?二进制编码的十进制数,简称BCD码(Binarycoded Decimal). 这种方法是用4位二进制码的组合代表十进制数的0,1,2,3,4,5,6 ,7,8,9 十个数符。
4位二进制数码有16种组合,原则上可任选其中的10种作为代码,分别代表十进制中的0,1,2,3,4,5,6,7,8,9 这十个数符。
最常用的BCD码称为8421BCD码,8.4.2.1 分别是4位二进数的位取值。
点击此处将给出十进制数和8421BCD编码的对应关系表。
1、BCD码与十进制数的转换BCD码与十进制数的转换.关系直观,相互转换也很简单,将十进制数75.4转换为BCD码如:75.4=(0111 (0101.0100)BCD 若将BCD码1000 0101.0101转换为十进制数如: (1000 0101.0101)BCD=85.5注意:同一个8位二进制代码表示的数,当认为它表示的是二进制数和认为它表示的是二进制编码的十进制数时,数值是不相同的。
例如:00011000,当把它视为二进制数时,其值为24;但作为2位BCD码时,其值为18。
又例如00011100,如将其视为二进制数,其值为28,但不能当成BCD码,因为在8421BCD码中,它是个非法编码 .2、BCD码的格式计算机中的BCD码,经常使用的有两种格式,即分离BCD码,组合BCD码。
所谓分离BCD码,即用一个字节的低四位编码表示十进制数的一位,例如数82的存放格式为:_ _ _1 0 0 0 _ _ _ _0 0 1 0 其中_表示无关值。
组合BCD码,是将两位十进制数,存放在一个字节中,例82的存放格式是1000 00103、BCD码的加减运算由于编码是将每个十进制数用一组4位二进制数来表示,因此,若将这种BCD码直接交计算机去运算,由于计算机总是把数当作二进制数来运算,所以结果可能会出错。
verilog实现任意位二进制转换BCD一直感觉这是个很简单的问题,直到突然自己连BCD都不太清楚的时候,才发现这没有看起来那么简单,这里介绍里任意位二进制转为BCD的verilog代码,这个转换方法也可以用在C上面,此为原创,转载请注明,谢谢。
基础知识:BCD:BCD码又称为8421码,意义:之所以有时候需要将binary转换为BCD,一般是用在本科的实验中,为了将binary显示在数码管中,当然还有很多应用,只是目前我还没有用到。
转换算法:左移加3法移位加3法的具体原理,在网上感觉也没有人能够说的清楚,以后找到书籍再说吧。
下面解释下左移加三算法。
这里以8bit二进制数FF做例子。
该算法的操作为上图。
下面对上图的操作进行详细的解释:由于8bit的二进制最大为FF,转换为十进制为255。
所以需要使用三个BCD码来表示所有的8bit二进制数。
上图的hundreds表示百位的BCD,tens表示十位的BCD,Units表示个位的BCD。
算法的操作为一直将binary数据左移,移出的数据按顺序存在hundreds,tens,Units。
例如上面的shift1,shift2,shift3操作后,Units变为了0111,至于为何在shift3后进行add3操作,是因为在算法中每一次左移,都要对hundreds,tens和Units进行判断,如果hundreds,tens和Units里面的值大于或等于5,就将hundreds,tens和Units自加3.所以shift3后,Units里面为0111,表示为7,此时不能左移,而是对Units加三操作,所以Units的值从0111变为了1010.值得注意的是,只要hundreds,tens和Units中任意一个的值大于或等于5(0101),就要先进行一次自加三的操作,然后才能继续左移,后面的操作同上。
注意2:n位的binary就需要进行n次左移注意3:最后一次左移不需要进行add3操作注意4: 亲自推导16位的,和24位的binary转换,结果正确,所以该算法适用于任意位binarytoBCD,当然这种论断没有足够的理论依据。
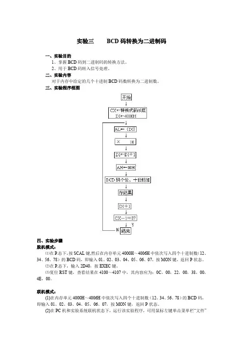
实验三BCD码转换为二进制码一、实验目的1、掌握BCD码到二进制码的转换方法。
2、用于BCD码转入信号处理。
二、实验内容对于内存中给定的几个十进制BCD码数转换为二进制数。
三、实验程序框图四、实验步骤脱机模式:⑴在P.态下,按SCAL键,然后在内存单元4000H~4006H中依次写入四个十进制数(12、34、56、78)的BCD码,即输入01、02、03、04、05、06、07,按MON键,返回P状态。
⑵在P.态下,输入2D40,按EXEC键。
⑶复位RST键,查看结果在4100~4107中,其内容应为:0C,00,22,00,38,00,4E,00。
联机模式:(1)在内存单元4000H~4006H中依次写入四个十进制数(12、34、56、78)的BCD码,即输入01、02、03、04、05、06、07,按MON键,返回P状态。
(2)在PC机和实验系统联机状态下,运行该实验程序,可用鼠标左键单击菜单栏“文件”或工具栏“打开图标”,弹出“打开文件”的对话框,然后打开8kAsm文件夹,点击S3.ASM文件,单击“确定”即可装入源文件,再单击工具栏中编译,即可完成源文件自动编译、装载目标代码功能,再单击“调试”中“连续运行”或工具图标运行,即开始运行程序。
(3)按“系统复位”键,查看结果在4100~4107中,其内容应为:0C,00,22,00,38,00,4E,00。
五、实验程序清单X:\DICE-8086K3微机原理与接口实验箱CDROM\CODE\86kasm\S3.ASMCODE SEGMENT ;S3.ASM ,BCD 码转换为2 进制码ASSUME CS:CODEORG 2D40HSTART: MOV CX,0004H ;输入数据长度。
[4000]:01,02..MOV DI,4000H ;结果存放在 [4100]: 0C,00,. CON1: MOV AL,[DI]ADD AL,AL ;*2MOV BL,ALADD AL,AL ;*2ADD AL,AL ;*2ADD AL,BL ;*10INC DIMOV AH,00ADD AL,[DI] ;BCD码个位,十位相加MOV [DI+0FFH],AX ;存结果INC DI ;结果地址加1LOOP CON1 ;CX不为零继续JMP $CODE ENDSEND START。
二进制到BCD转换实验报告[本站推荐]第一篇:二进制到BCD转换实验报告[本站推荐]二进制到BCD转换实验报告班级姓名学号日期一、实验目的:1.掌握简单的数值转换算法2.基本了解数值的各种表达方法二、实验要求:将给定的一个二进制数,转换成十进制(BCD)码。
三、实验内容:1、给累加器赋值,如#1232、将累加器的内容拆分为三个BCD码,并存入Result开始的三个单元。
四、程序及运行结果截图DATASEGMENT RESULT_1DBRESULT_2DBRESULT_3DBDATAENDSSTACKSEGMENTATACK STADBDUP(0)STACK_TOP DB0 STACKENDSCODESEGMENTASSUME CS:CODE,DS:DATA,ES:DATA,SS:STACK START: MOVAX,DATA MOVDS,AX MOVAX,STACK MOVSS,AX LEASP,ATACK_TOP MOVAX,123H MOVCL,100 DIVCL MOVRESULT_1,ALMOVCL,8 SHRAX,CL MOVCL,10 DIVCL MOVRESULT_2,AL MOVRESULT_3,AHADDRESULT_1,30H ADDRESULT_2,30H ADDRESULT_3,30HMOVDL, RESULT_1 MOVAH,02H INT21HMOVAX,4C00H INT21H CODEENDSENDSTART五、实验过程中遇到的主要问题;将 A 拆为三个 BCD 码, 并存入 Result 开始的叁个单元Result equ20horgljmp StartBinT oBCD:movb, #100divabmovResult, a;除以 100, 得百位数mova, bmovb, #10divabmovResult+1, a;余数除以 10, 得十位数movResult+2, b;余数为个位数retStart:movsp, #40hmova, #123call BinT oBCDljmp $end六、实验后的心得体会第二篇:二进制与十进制的转换二进制与十进制的转换2007年07月06日星期五 13:21教学目标:知识目标:知道二进制与十进制之间的转换方法操作目标:能在二进制与十进制之间进行进制转换教学重点:二进制与十进制之间的转换教学难点:二进制与十进制之间的转换教学过程:一、复习引入上一节课已经学习了什么是二进制以及二进制的运算。
一、实验目的1. 理解和掌握数字逻辑转换的基本原理和方法。
2. 掌握将不同编码形式的数字信号相互转换的技巧。
3. 通过实验验证数字逻辑转换电路的正确性和性能。
二、实验原理数字逻辑转换是指将一种数字信号转换为另一种数字信号的过程。
常见的数字逻辑转换包括BCD码与二进制码之间的转换、格雷码与二进制码之间的转换、8421码与余3码之间的转换等。
本实验主要涉及以下几种转换:1. BCD码与二进制码之间的转换:BCD码(Binary-Coded Decimal)是一种用4位二进制数表示1位十进制数的编码方式。
将BCD码转换为二进制码时,只需将每一位BCD码直接转换为对应的二进制码即可。
2. 格雷码与二进制码之间的转换:格雷码(Gray Code)是一种循环码,相邻两个码字之间只有一个位码发生改变。
将格雷码转换为二进制码时,只需将格雷码的最低位取反即可。
3. 8421码与余3码之间的转换:8421码是一种有权码,从左到右,第一位1代表2,第二位1代表4,第三位1代表2,第四位1代表1。
余3码是由8421BCD码加上0011形成的一种无权码。
将8421码转换为余3码时,只需将8421码的每一位加3即可。
三、实验设备与器材1. 数字逻辑实验箱2. 数字逻辑转换电路模块3. 示波器4. 信号发生器5. 电源四、实验步骤1. 连接实验电路:根据实验要求,连接数字逻辑转换电路模块,并确保电路连接正确。
2. 设置输入信号:使用信号发生器产生待转换的数字信号,并将其输入到转换电路中。
3. 观察转换结果:使用示波器观察转换电路的输出信号,记录实验数据。
4. 比较理论值与实验值:根据实验原理,计算理论值,并与实验值进行比较。
5. 分析实验数据:分析实验数据,总结实验结果,验证数字逻辑转换电路的正确性和性能。
五、实验数据及分析1. BCD码与二进制码之间的转换输入BCD码:0011理论转换结果:0001 0011实验转换结果:0001 00112. 格雷码与二进制码之间的转换输入格雷码:1100理论转换结果:1110实验转换结果:11103. 8421码与余3码之间的转换输入8421码:0101理论转换结果:0110实验转换结果:0110通过实验数据的对比分析,可以得出以下结论:1. 实验电路能够正确实现BCD码与二进制码、格雷码与二进制码、8421码与余3码之间的转换。
《创新实验》——可编程逻辑设计基础实验题目:二进制与十进制之间的相互转换指导教师:周克峰小组成员:摘要十进制-二进制转换的编码器是将十进制数0、1、2、3、4、5、6、7、8、9等十个信号编成二进制代码的电路。
它的输入是代表0~9这个10个数符的状态信号,有效信号为1,输出是响应的BCD码,其特点是任何时刻只允许输入一个有效信号。
二进制-十进制转换的编码器是十-二进制转换的逆过程,它的功能是将输入的一位BCD码译成10个高、低电平输出信号。
当输入一个BCD码时,就会在它所表示的十进制数的对应输出端产生一个低电平有效信号。
在本次的实验中,主要使用开发软件ISE和芯片Xilinx Spartan-II来实现二进制与十进制之间的相互转换。
目录一、概述 (5)1、PLD/FPGA 结构与原理 (5)1)PLD/FPGA原理2)查找表(L ook-Up-Ta ble)的原理与结构2、开发软件与芯片 (5)1)开发软件2)芯片介绍二、算法设计原理 (6)1、十进制-二进制的转换2、二(BCD)-十进制的转换三、工程开发流程 (7)(一)工程开发流程 (7)1、设计输入2、综合3、实现4、验证5、下载(二)实际运用过程 (9)1、设计输入 (9)1)建立源文件2)输入原理图3)行为仿真2、设计实现 (15)1)时序仿真2)产生报告并修改设计3、配置或编程 (17)1)编程器件2)验证电路3)下载四、实验总结 (20)五、实验心得 (21)六、参考文献 (21)一、概述1、PLD/FPGA 结构与原理1)PLD/FPGA原理:PLD是可编程逻辑器件(Programable Logic Device)的简称,FPGA是现场可编程门阵列(Field Programable Gate Array)的简称,两者的功能基本相同,只是实现原理略有不同,所以我们有时可以忽略这两者的区别,统称为可编程逻辑器件或PLD/FPGA。
单片机实验报告成员:学号:实验时间:实验1 二进制到BCD转换一、实验目的学习星研Star16L仿真器系统的基本操作,熟悉EL-Ⅱ型通用接口板实验电路,掌握简单的数值转换算法。
二、实验仪器和设备PC机、星研Star16L仿真器系统+仿真头PODPH51(DIP)、EL-Ⅱ型通用接口板实验电路。
三、实验内容1)将给定的一个单字节二进制数(存放在R2中),转换成非压缩的二—十进制(BCD)码,并存放到R3R4R5中。
2)将给定的一个双字节二进制数(存放在R2R3中),转换成压缩的二—十进制(BCD)码,并存放到R4R5R6中。
四、参考程序清单及框图1)单字节二进制到非压缩BCD;NAME T1_1_BCDORG 0000HLJMP BCD1ORG 0100HBCD1: MOV A, R2 ;二进制数送AMOV B, #100 ;100作为除数送入BDIV ABMOV R3, A ;百位数送R3,余数在B中MOV A, #10 ;分离十位和个位数XCH A, B ;余数送A,除数10在B中DIV AB ;分离出十位在A, 个位在B中MOV R4, A ;十位送R3MOV A, BMOV R5, A ;个位送R4NOPLJMP BCD1END2)双字节二进制到压缩BCD;NAME T1_2_BCDORG 0000HLJMP BCD2ORG 0150H BCD2: CLR AMOV R4, AMOV R5, AMOV R6, AMOV R7, #16 LOOP: CLR CMOV A, R3RLC AMOV R3, AMOV A, R2RLC AMOV R2, AMOV A, R6ADDC A, R6DA AMOV R6, AMOV A, R5ADDC A, R5DA AMOV R5, AMOV A, R4ADDC A, R4DA AMOV R4, ADJNZ R7, LOOPLJMP BCD2END参考程序框图:Array单字节二进制数转换成非压缩BCD码框图五、思考题如何验证程序的正确性?答:输入数据,查看得出的结果是否与理论上的结果一致。
BCD码转换成二进制什么是BCD码?BCD(Binary-Coded Decimal)码是一种用二进制编码的十进制数表示方法。
在BCD码中,每个十进制数的每位都用4位二进制数表示,称为“BCD位”。
比如,十进制数23的BCD码为00100011,其中“0010”表示2,“0011”表示3。
BCD码可以用于数字显示、计算机存储和传输等领域。
BCD码的转换方法将BCD码转换成二进制的方法非常简单。
对于每一个BCD位,只需要将其转换成对应的4位二进制数即可。
以十进制数23的BCD码为例,我们需要将其转换成二进制数。
1.首先,将BCD码的第一个BCD位“0010”转换成4位二进制数“0010”;2.接下来,将BCD码的第二个BCD位“0011”转换成4位二进制数“0011”;3.最后,将这两个4位二进制数连接起来,得到十进制数23的二进制表示:“0010 0011”。
BCD码转换成二进制的算法为了更好地理解BCD码转换成二进制的算法,我们可以先将十进制数转换成BCD码,然后再将BCD码转换成二进制。
下面是BCD码转换成二进制的算法:1.将BCD码的第一个BCD位转换成4位二进制数;2.将BCD码的第二个BCD位转换成4位二进制数;3.重复上述步骤,直到所有的BCD位都被转换成4位二进制数;4.将所有的4位二进制数连接起来,得到最终的二进制表示。
BCD码转换成二进制的示例让我们通过一个具体的例子来演示BCD码转换成二进制的过程。
假设我们要将十进制数27转换成BCD码,然后再将BCD码转换成二进制。
1.将十进制数27转换成BCD码,得到BCD码的表示为“0010 0111”;2.将BCD码的第一个BCD位“0010”转换成4位二进制数“0010”;3.将BCD码的第二个BCD位“0111”转换成4位二进制数“0111”;4.将这两个4位二进制数连接起来,得到最终的二进制表示:“0010 0111”。
总结BCD码是一种用二进制编码的十进制数表示方法。
verilog实现二进制与bcd码的转换算法Verilog是一种硬件描述语言,常用于数字电路设计和硬件描述。
在数字电路设计中,二进制和BCD码之间的转换是一个常见的问题。
本文将介绍如何使用Verilog实现二进制与BCD码的转换算法。
首先,我们需要了解二进制和BCD码的基本概念。
二进制是一种基于2的数字系统,只包含0和1两个数字。
而BCD码是一种二进制编码形式,用4位二进制数表示一个十进制数的每一位。
例如,十进制数12用BCD码表示为0001 0010。
在Verilog中,我们可以使用模块化的方式来实现二进制与BCD码的转换算法。
首先,我们需要定义输入和输出端口。
输入端口是一个二进制数,输出端口是对应的BCD码。
```verilogmodule binary_to_bcd(input [3:0] binary,output [7:0] bcd);```接下来,我们可以使用组合逻辑来实现转换算法。
对于二进制数的每一位,我们可以使用除法和取余运算来计算对应的BCD码。
具体实现如下:```verilogalways @(*) beginbcd = 8'b00000000;if (binary >= 10) begin bcd[7] = 1;binary = binary - 10; endif (binary >= 8) begin bcd[6] = 1;binary = binary - 8; endif (binary >= 4) begin bcd[5] = 1;binary = binary - 4; endif (binary >= 2) begin bcd[4] = 1;binary = binary - 2; endif (binary >= 1) beginbcd[3] = 1;binary = binary - 1;endif (binary >= 0.5) beginbcd[2] = 1;binary = binary - 0.5;endif (binary >= 0.25) beginbcd[1] = 1;binary = binary - 0.25;endif (binary >= 0.125) beginbcd[0] = 1;endend```在上述代码中,我们首先将输出端口bcd初始化为全0。
VHDL实验报告5090309160 庄炜旭实验三. 4位可逆计数器,4位可逆二进制代码-格雷码转换器设计一.实验目的学习时序电路的设计,仿真和硬件测试,进一步熟悉VHDL设计技术1. 学习4位可逆计数器的设计2. 学习4位可逆二进制代码-格雷码转换器设计二.实验内容设计4位可逆计数器,及4位可逆二进制代码-格雷码转换器,并仿真,下载。
[具体要求]1.4位可逆计数器a)使用CLOCK_50作为输入时钟,其频率为50MHz(对于频率大于50Hz的闪烁,人眼会看到连续的光),因而,对其进行225的分频后,再用于时钟控制。
(可利用实验一)b)使用拨码开关SW17作为模式控制,置‘1’时为加法计数器,置‘0’时为减法计数器,同时使用LEDR17显示SW17的值。
c)使用KEY3作为异步复位开关(按下时为0,不按为1),当为加法计数器时,置“0000”,当为减法计数器时,置“1111”。
d)使用LEDR3,LEDR2,LEDR1,LEDR0作为转换后的输出结果显示,LEDR3为高位,LEDR0为低位。
2.4位可逆二进制代码――格雷码转换器a)使用拨码开关SW17作为模式控制,置‘1’时为二进制代码―>格雷码转换,置‘0’时为格雷码―>二进制代码,同时使用LEDR17显示SW17的值。
b)使用拨码开关SW3, SW2, SW1, SW0作为输入的被转换数,SW3为高位,SW0为低位。
c)使用LEDR3,LEDR2,LEDR1,LEDR0作为转换后的输出结果显示,LEDR3为高位,LEDR0为低位。
三.管脚设定SW[0]PIN_N25SW[1]PIN_N26SW[2]PIN_P25SW[3] PIN_AE14SW[17] PIN_V2LEDR[0] PIN_AE23LEDR[1] PIN_AF23LEDR[2] PIN_AB21LEDR[3] PIN_AC22LEDR[17] PIN_AD12KEY[3] PIN_W26CLOCK_50 PIN_N2四.相关知识二进制代码与格雷码相互转换格雷码(Gray Code,简称G码)是典型的循环码,它是由二进制码(Binary,简称 B 码)导出的。
BCD与二进制相互转换(含Verilog代码)(一)BCD码转二进制:所谓BCD码,就是用四位的二进制表示十进制,什么意思呢,举例说明。
1:00012:00103:00114:01005:01016:01107:01118:10009:1001123:0001 0010 0011(BCD码)123:0000 0111 1011(二进制码)一。
为什么要转换进制?我们可以用BCD码来表示十进制,比如157,123,用BCD码来表示分别是(0001 0101 0111)(0001 0010 0011),可是BCD码不能够直接进行运算,157+123=280,而括号里面的两个BCD码相加之和显然不是280的二进制。
所以就需要先将BCD码转换成二进制,经过换算之后再转换成BCD码。
(有些人会问,为什么要转来转去呢,因为计算机只识别二进制,而有时我们需要输出BCD码)二。
转换原理首先我们看二进制与十进制的转换,例1001(二进制),转换成十进制是1*2^3+0*2^2+0*2^1+1*2^0=9(十进制)。
n位的二进制转换过程为a(n-1)*2^(n-1)+a(n-2)*2^(n-2)+........+a(0)*2^0转换一下形式。
(((a(n-1)*2+a(n-2))*2+a(n-3))*2........+a(0)通过上面的形式发现,我们可以通过×2+b的方式来实现转换。
而×2在可以通过左移一位来实现,下面来谈谈这个b如上所述,BCD码用四位二进制表示0-9,而四位二进制可以表示数的范围为0-15,每进一位就会丢掉6,那么就要加上6/2=3(左移一位),那么在什么条件下左移呢?那就要看在什么情况下会进制,BCD码是二进制编码的十进制,那么就是逢十进一,10/2=5.因此得到条件,即判断每四位是否大于4,因为5-9进一位溢出。
我们来整理一下,二进制转BCD的方法是通过左移,然后每四位判断是否大于4,满足则加3.利用组合逻辑实现的代码如下:利用时序逻辑实现的代码如下:我们可以根据不同的情况选择不同的实现方式。
信 息 技 术3科技资讯 SCIENCE & TECHNOLOGY INFORMATIONDOI:10.16661/ki.1672-3791.2018.13.003N位BCD-二进制转换电路VHDL设计廖超平(广西机电职业技术学院 广西南宁 530007)摘 要:本文以四位十进制数为例,分析了N位BCD-二进制转换算法,并以此算法为根据,应用VHDL语言设计了一种实现N位BCD-二进制转换的电路。
本设计的基本循环是将BCD码表示中各个数码往右边移动一位,每个十进制位的8421表示中权为1的位的数码都移到低1位十进制位的8421表示中重新组合成新的8421表示,而最低一位十进制位的8421表示中权为1的位的数码则移出8421表示成为二进制表示。
关键词:BCD-二进制转换 VHDL 移位中图分类号:TP303 文献标识码:A 文章编号:1672-3791(2018)05(a)-0003-03相当大一类的数字系统的人机交互存在数据输入,使用者习惯数据表达为十进制(BCD)码形式,而数字系统内部则以二进制为方便。
所以,在使用VHDL设计数字系统时多位BCD-二进制转换电路是必需的。
多位BCD-二进制转换电路在各种有人工数据输入的系统,比如:智能仪表、电子秤和数控机床等数字系统的设计中广泛使用。
1 N位BCD-二进制转换算法分析下面以四位十进制数字的BCD-二进制转换为例分析多位BCD-二进制转换算法。
四位十进制数字M的BCD码表示的一般表达式如下:M:A 33A 32 A 31A 30 A 23A 22 A 21A 20 A 13A 12 A 11A 10 A 03A 02 A 01A 00(其中A ij =0或1,i=0,1,2,3;j=0,1,2,3)它表示数字大小为:M=(A 33·23+A 32·22+A 31·21+A 30)·103+(A 23·23+A 22·22+A 21·21+A 20)·102+(A 13·23+A 12·22+A 11·21+A 10)·101+(A 03·23+A 02·22+A 01·21+A 00)先讨论后面两项之间的变换:(A 13·23+A 12·22+A 11·21+A 10)·101+(A 03·23+A 02·22+A 01·21+A 00)=(A 13·23 +A 12·22 + A 11·21)·101+(A 10·101+ A 03·23 +A 02·22 + A 01·21) + A 00=(A 13·22 +A 12·21 + A 11)·101·2 +(A 10·23 + A 03·22 +A 02·21 + A 01- A 10·3)·2 + A 00以上变换是把十进制个位的BCD码8421表示中的权为1的这位右移出十进制个位的BCD码8421表示,而将十进制十位的BCD码8421表示中的权为1的这位右移出十进制十位的BCD码8421表示,进入个位的BCD码8421表示中重新组成新的个位的BCD码8421表示:(B 03·23+B 02·22+B 01·21+B 00)=(A 10·23+A 03·22+A 02·21+A 01-A 10·3)其中项-A 10·3表示:在A10=1时需要减去3(用二进制表示是11),在A 10=0时则需要减去0,并且这种运算只在个位的BCD码8421表示内部进行。
1.B2G_converter1)Screenshot of iSim simulation results:note: from the beginning point at 1,000ns, input(i5binary) changes every other 50nsa)i5binary input from 0 to 6b)i5binary input from 7 to 13c)i5binary input from 14 to 20d)i5binary input from 21 to 27e)i5binary input from 28 to 312)VHDL for Binary-to-Gray-Code converter:------------------------------------------------------------------------------------ Company:-- Engineer:---- Create Date: 13:02:37 09/15/2015-- Design Name:-- Module Name: b2g_converter - Behavioral-- Project Name:-- Target Devices:-- Tool versions:-- Description:---- Dependencies:---- Revision:-- Revision 0.01 - File Created-- Additional Comments:------------------------------------------------------------------------------------library IEEE;use IEEE.STD_LOGIC_1164.ALL;-- Uncomment the following library declaration if using-- arithmetic functions with Signed or Unsigned values--use IEEE.NUMERIC_STD.ALL;-- Uncomment the following library declaration if instantiating-- any Xilinx primitives in this code.--library UNISIM;--use UNISIM.VComponents.all;entity b2g_converter isPort ( i5Binary : in STD_LOGIC_VECTOR (4 downto 0);o5GrayCode : out STD_LOGIC_VECTOR (4 downto 0));end b2g_converter;architecture Behavioral of b2g_converter issignal gbuffer: std_logic_vector (4 downto 0);begino5GrayCode<=gbuffer;gbuffer(4)<=i5Binary(4);label1:for i in 3 downto 0 generategbuffer(i)<= i5Binary(i+1) xor i5Binary(i);end generate;end Behavioral;2.G2B_converter1)Gray-code-to-Binary conversionFrom the combinational logic described for gray-code-to-binary conversion, we obtain:Thus, for a n-bit graycode number g, g=g(n-1)g(n-2)…g(2)g(1)g(0), the corresponding n-bit binary number b, b=b(n-1)b(n-2)…b(2)b(1)b(0) is computed using the following description:b(n-1)=g(n-1) for the MSB, andb(i)= g(i) b(i+1) for bits in position 0 to n-22)Screenshot of iSim simulation results:note: from the beginning point at 1,000ns, input(i5graycode) changes every other 50nsa)i5graycode input from 0 to 6b)i5graycode input from 7 to 13c)i5graycode input from 14 to 20d)i5graycode input from 21 to 27e)i5graycode input from 28 to 313)VHDL for Gray-Code-to-Binary converter:------------------------------------------------------------------------------------ Company:-- Engineer:---- Create Date: 15:20:03 09/15/2015-- Design Name:-- Module Name: g2b_converter - Behavioral-- Project Name:-- Target Devices:-- Tool versions:-- Description:---- Dependencies:---- Revision:-- Revision 0.01 - File Created-- Additional Comments:------------------------------------------------------------------------------------ library IEEE;use IEEE.STD_LOGIC_1164.ALL;-- Uncomment the following library declaration if using-- arithmetic functions with Signed or Unsigned values--use IEEE.NUMERIC_STD.ALL;-- Uncomment the following library declaration if instantiating-- any Xilinx primitives in this code.--library UNISIM;--use UNISIM.VComponents.all;entity g2b_converter isPort ( i5GrayCode : in STD_LOGIC_VECTOR (4 downto 0);o5Binary : out STD_LOGIC_VECTOR (4 downto 0)); end g2b_converter;architecture Behavioral of g2b_converter issignal bbuffer: std_logic_vector (4 downto 0);begino5Binary <= bbuffer;bbuffer(4)<= i5GrayCode(4);label1:for i in 3 downto 0 generatebbuffer(i)<= bbuffer(i+1) xor i5GrayCode(i); end generate;end Behavioral;。
实验4. 子程序设计----BCD 码转换为二进制单字节可存放两位压缩BCD 码(0—99)为0—9)单字节BCD 码转换为二进制子程序入口:(R0)= 压缩BCD 码的地址出口:(A)= 转换结果DSFR::MOV A,@R0ANL A,#0F0H ;取十位数SWAP A ;变为标准BCD 码MOV B,#10MUL AB ;(A)=D1×10MOV R7,A ;D1×10暂存R7MOV A,@R0ANL A,#0FH ;取个位ADD A,R7 ;A=D1×10+D0RET1、实验内容:子程序设计要点:1) 子程序一般为多次返复使用的程序段,一般应说明入口条件,DSFR 子程序的入口条件是:被转换为二进制的单字节BCD 码为间接寻址,间接寻址寄存器为R0。
要调用DFSR 子程序必需先将压缩BCD 码的存放地址赋与R0。
而出口条件是指最后结果在哪儿存放。
本子程序转换结果在ACC 内。
2) 主程序调用子程序,在调试时一般要先调试子程序、再调试主程序。
2、实验步骤1)打开PV32编程序。
汇编正确进入调试界面。
否则修改程序重新汇编直到通过。
2)打开DATD窗口给20H、21H、R6、R7赋值3)单步调试DSFR子程序观察并记禄寄存器、内存的变化。
判断程序是否正确。
若发现问题重返编辑界面,修改、存盘、汇编。
返回调试界面调试通过。
4) 设断点调试主程序观察并记禄寄存器、内存的变化。
判断程序是否正确。
若发现问题重返编辑界面,修改、存盘、汇编。
返回调试界面调试通过。
3.实验报告1.写出主程序流程图、子程序流程图、程序清单2.根据记渌数据给程序加注解3.调试心得。
verilog实现二进制与bcd码的转换算法Verilog 实现二进制与 BCD 码的转换算法首先,我们来了解一下二进制和 BCD 码的基本概念。
二进制是一种以 2 为基数的记数法,通常用 0 和 1 来表示数字。
例如,数字 5 在二进制中表示为 101。
而 BCD 码则是用 4 位二进制数来表示一个十进制数字,从 0 到 9 的十进制数字分别对应 0000 到 1001 的 BCD 码。
接下来,我们先看如何将二进制转换为 BCD 码。
一种常见的方法是采用逐位转换的方式。
假设我们有一个 8 位的二进制数要转换为BCD 码。
第一步,我们将二进制数从右往左每 4 位分为一组。
如果最左边的一组不足 4 位,则在前面补 0 使其成为 4 位。
第二步,对于每一组 4 位的二进制数,将其转换为对应的十进制数字。
这可以通过查找二进制与十进制的对应关系表来实现。
第三步,将得到的每一位十进制数字转换为对应的 BCD 码。
```verilogmodule binary_to_bcd(input 7:0 binary_in,output reg 11:0 bcd_out);always @() begininteger i;bcd_out = 12'b0;for (i = 7; i >= 0; i = i 1) beginif (bcd_out3:0 >= 5)bcd_out3:0 = bcd_out3:0 + 3;if (bcd_out7:4 >= 5)bcd_out7:4 = bcd_out7:4 + 3;if (bcd_out11:8 >= 5)bcd_out11:8 = bcd_out11:8 + 3;bcd_out ={bcd_out10:0, binary_ini};endendendmodule```在这个模块中,我们使用一个循环来逐位处理输入的二进制数。
每次循环时,我们检查当前的 4 位 BCD 码是否需要进位调整,如果需要则加上 3。
两位8421bcd码转换成二进制码电路设计一、背景知识介绍在数字电路中,8421BCD码是一种常用的二进制编码方式,它将十进制数转换为4位二进制数(BCD码),其中每个二进制数的范围为0000-1001。
而二进制码是一种基于2进制的编码方式,将十进制数转换为由0和1组成的串。
在实际应用中,我们需要将8421BCD码转换为二进制码,因此需要设计一个电路来实现这个功能。
二、设计思路我们可以使用逻辑门电路来实现8421BCD码到二进制码的转换。
具体来说,我们可以将8421BCD码分解成4个位上的数字,然后使用逻辑门对每个数字进行处理,并将结果组合起来得到最终的二进制码。
三、具体实现方法1. 分解8421BCD码首先需要将输入的8421BCD码分解成4个位上的数字。
假设输入信号为A3A2A1A0,则可以使用四个单独的与门来实现这个过程。
例如,在第一个与门中,我们将输入信号与0b1000进行与运算(b表示二进制),这样就可以得到A3位上的数字。
同理,在第二个与门中,我们将输入信号与0b0100进行与运算,得到A2位上的数字;在第三个与门中,我们将输入信号与0b0010进行与运算,得到A1位上的数字;在第四个与门中,我们将输入信号与0b0001进行与运算,得到A0位上的数字。
2. 将BCD码转换为二进制码接下来需要将每个BCD码转换为二进制码。
这里可以使用一个4位加法器来实现。
对于每个BCD码,我们需要使用逻辑门将其转换为对应的二进制数。
例如,对于A3位上的数字,如果它是5(0101),那么我们需要将它转换为0101(5的二进制表示)。
这可以通过一个4输入的或门来实现。
具体来说,在或门中,我们需要设置4个输入端口分别对应于0001、0010、0100和1000(即十进制数1、2、4和8)。
如果A3位上的数字是5,则只有0010和0101两个端口会输出高电平。
因此,在这种情况下,或门的输出信号就是0101。
类似地,对于A2、A1和A0位上的数字也可以使用类似的方法进行转换。