生产现场和生产过程、环境存在的风险和隐患辨识、评估分级与控制措施4
- 格式:doc
- 大小:58.00 KB
- 文档页数:4
危险有害因素的辨识与评价管理制度1、目的通过对生产现场和生产过程、环境存在的风险和隐患进行辨识、评估分级,制定相应的控制措施,遏制安全事故的发生,特制订本制度。
2、适用范围适用于公司所有经营场所、生产过程和环境中存在的危险有害因素的辨识、评估分级工作。
3、职责总经理负责风险评价、评估分级的组织工作。
质检部负责组建风险辨识小组,负责危险辩识、风险评价和控制措施的协调工作,汇总所有隐患危害辨识与风险评价记录,并保存相关资料。
各相关部门和人员配合、参与风险隐患辩识和评估分级、控制措施的制订。
4、工作程序质检部负责组建风险辨识小组,按规定定期组织辨识和评价。
危险有害因素的辨识与风险评价的时机4.2.1公司安全生产管理体系初步建立时。
4.2.2常规活动每年12月底。
4.2.3作业活动、场所、环境发生变化时。
危险有害因素的辨识范围4.3.1 危险有害因素辨识的范围应覆盖生产经营活动的所有方面,包括所有生产场所、所有设备、所有人员的活动等。
4.3.2危险有害因素的辨识应包括生产经营过程的不同阶段:改造与运行阶段、常规与非常规活动、企业周围环境等。
4.3.3隐患危害辨识应从人的不安全行为、物的不安全状态、环境不良、管理缺陷四个方面着手进行辨识。
危害类别根据公司生产及办公特点,主要危害因素类别有:4.4.1火灾4.4.2车辆伤害4.4.3踩踏4.4.4 触电4.4.5电梯困人高处坠落危险有害因素的辨识程序评估分级取值表实施;生产部负责检查安全控制措施的实施及落实情况,汇总《隐患危害辨识与风险评价结果一览表》,并保存相关资料。
根据危险有害因素的辨识与风险评价结果,综合办公室应以文件形式进行公示,并对员工进行培训,以保证作业现场人员熟悉本岗位存在的危险有害因素及其控制措施;根据隐患危害辨识与风险评价结果,确定本公司的危险源,质检部建立《危险源登记表》,按《危险源管理制度》进行管理。
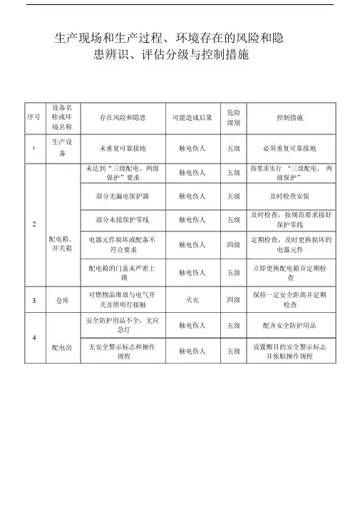
生产现场和生产过程、环境存在的风险和隐患辨识、评估分级与控制措施
设备名
序号称或环
境名称
生产设1
备
2
配电箱、
开关箱3仓库
4
配电房
存在风险和隐患可能造成后果
危险
控制措施
级别
未重复可靠接地触电伤人五级必须重复可靠接地
未达到“三级配电、两级
触电伤人五级
按要求实行“三级配电、两保护”要求级保护”
部分无漏电保护器触电伤人五级及时检查安装
部分未接保护零线触电伤人五级
及时检查,按规范要求接好
保护零线
电器元件损坏或配备不
触电伤人四级
定期检查,及时更换损坏的符合要求电器元件
配电箱的门盖未严密上
触电伤人五级
立即更换配电箱并定期检锁查
可燃物品堆放与电气开
火灾四级
保持一定安全距离并定期关及照明灯接触检查
安全防护用品不全,无应
触电伤人五级配齐安全防护用品急灯
无安全警示标志和操作
触电伤人五级
设置醒目的安全警示标志规程并张贴操作规程。
生产现场和生产过程、环境存在的风险和隐患辨识、评估分级与控制措施合同订立的一般程序(赠品不喜欢可以删除)一、合同订立的需要条件(一)须有双方或多方当事人合同为各方达成的协议,属于双方或多方的法律行为,因此,订立合同须由至少两方当事人参与,仅一方当事人不存在订立合同问题。
订约当事人是否为双方或多方,决定于参与订约的人是否为相互独立的意思主体。
在一般情形下,订约当事人各方的经济目的是相反的,但在某些情形下,订约当事人各方也可有相同的经济目的,但须能为相互独立的意思表示。
(二)须有当事人之间的意思表示的互动合同订立是由独立的主体相互接触,互为意思表示,直到达成协议的过程。
因此,合同的订立须有当事人互为意思表示,从要约、再要约,直到承诺。
(三)须为特定当事人之间为缔约而为意思表示订立合同只能是在特定的人或者特定范围内的人之间进行,并且当事人须以缔约为目的进行接触,当事人之间相互所为的意思表示是为订约发出的。
若不特定的人之间或者虽为特定人之间相互接触,进行协商,但并不是以订约为目的,则不属于合同订立问题。
二、合同订立的程序合同的签订,一般应基于双方当事人的合意,既意思表示一致。
合同订立的过程就是当事人双方使其意思表示趋于一致的过程,这一过程在合同法上称为要约和承诺。
(一)什么是要约1、要约是指一方当事人向他人作出的以一定条件订立合同的意思表示。
前者是要约人,后者称为受要约人。
要约取得法律效力,应具备以下条件:第一、要约必须是特定人的真实意思表示。
第二、要约必须是向相对人发出的意思表示。
要约的相对人可以是特定的人,也可以是不特定的人。
向特定人发出要约,通常是指某一具体的法人或自然人。
向不特定的人发出要约,一般是指向社会公众发出的要约。
三:要约必须是能够反映所要订立合同主要内容的意思表示。
要约的目的在于取得相对人的承诺,建立合同关系。
要约能否为另一方所接受,关键是看发出的要约对对方是否亦有利。
即使对方表示了愿意订立合同的意思,双方还必须要订立合同的主要条款,如标的、数量、质量、价款或报酬、履行期限、地点和方式、违约责任、争议的处理方法以及要求对方答复的期限等,以供被要约人考虑是否承诺。
生产过程风险和隐患辨识评估分级与控制措施生产过程中存在一定的风险和隐患,为了确保生产的安全和顺利进行,需要对这些风险和隐患进行辨识、评估分级和采取相应的控制措施。
一、风险和隐患辨识风险和隐患辨识是指对生产过程中可能发生的各种危险和潜在隐患进行认识和鉴别,主要包括以下几个方面的内容:1.人员操作风险:包括操作人员操作不当、操作失误等可能导致事故和损失的风险;2.设备故障风险:设备老化、设备损坏、设备设计缺陷等可能导致事故和生产中断的风险;3.物料贮存风险:物料贮存的不当可能导致火灾、爆炸、中毒等风险;4.环境风险:环境因素如温度、湿度、气压等可能对生产过程产生不利影响的风险;5.安全管理风险:可能存在的安全管理不完善、安全制度执行不到位等可能导致事故和损失的风险。
二、评估分级评估分级是对辨识出的风险和隐患进行定量或定性的评估和分类,确定各类风险和隐患的优先级,以便制定相应的控制措施。
评估分级的目的是为了确定每种风险和隐患的严重程度和影响范围,以便在有限的资源条件下采取控制措施。
常用的风险和隐患评估方法包括风险矩阵评估法、风险优先等级法、层次分析法等。
根据评估结果,将风险和隐患分为高风险、中风险和低风险等级。
高风险意味着发生的概率和后果较大,需要立即采取有效的控制措施;中风险需要采取相应的控制措施来降低风险发生的概率和后果;低风险的控制则可在后续计划中进行。
三、控制措施针对风险和隐患的辨识和评估结果,应采取相应的控制措施来降低或消除风险。
根据不同风险等级和特点,可采取以下几种控制措施:1.工艺控制措施:通过改进工艺和操作方法,减少事故和隐患的发生概率;2.设备控制措施:遵守设备使用规范、定期检查设备状态、维护设备等,减少设备故障发生的概率;3.安全设施措施:如设置防护栏、警示标识等,提供工作场所的安全保障;4.个体防护措施:如提供个体防护装备,减少操作人员受伤的风险;5.管理控制措施:加强安全管理,建立健全的安全制度和培训体系,改善人员操作风险的管理;6.环境治理措施:如对有害物质进行妥善处理、确保工作环境符合安全标准。
作业安全管理制度目的为加强生产现场安全管理和生产过程控制,强化人员作业行为管理,完善现场警示标志,规范相关方管理及变更管理制度,控制盒消除生产过程中的潜在风险,实现安全生产,制定本制度。
2. 适用范围2.1 本制度适用于本公司各基层单位生产现场、生产过程及作业行为。
2.2 需进行危险作业管理的作业范围有:2.2.1 危险区域动火作业2.2.2 进入受限空间作业2.2.3 高处作业2.2.4 大型吊装作业2.2.5 交叉作业2.2.6 其他危险作业3. 职责与分工3.1安委会负责公司内各项作业安全管理制度的监督执行,3.2生产技术部门协助主管部门监督各项作业中的安全工作。
3.3.各部门、车间:认真贯彻执行本制度,保障各项作业安全实施。
4. 内容与要求4.1 生产现场管理和生产过程控制4.1.1 各单位应对生产现场和生产过程、环境存在的风险和隐患进行辨识、评估分级,并制定相应的控制措施。
4.1.1.1 严禁架空电线跨越爆炸和火灾危险场所。
4.1.1.2 非经允许,禁止与生产无关人员进入生产操作现场。
应划出非岗位操作人员行走的安全路线。
4.1.1.3 行灯电压不应大于36V,在金属容器内或潮湿场所,则电压不应大于12V。
4.1.1.4 生产现场应设应急照明,正常照明中断时,应急照明应能自动启动。
4.1.1.5 对“三违”行为的管理,执行公司《“三违”行为管理制度》。
4.1.1.6 进行爆破、吊装等危险作业时,应当安全专人进行现场安全管理,确保安全规程的遵守和安全措施的落实。
4.1.2 危险作业安全管理4.1.2.1.对危险区域动火作业、进入受限空间作业、临时用电作业、能源介质作业、高处作业大型吊装作业、交叉作业等危险性较高的作业活动,严格执行《危险作业管理制度》。
4.1.2.2.危险作业实施作业许可管理,严格履行审批手续。
作业许可证应包含危害因素分析和安全措施等内容。
4.1.2.3.企业进行爆破、吊装等危险作业时,应当安全专人进行现场安全管理,确保安全规程的遵守和安全措施的落实4.2 作业行为管理4.2.1 各基层单位应加强生产作业行为的安全管理,对生产作业过程中人的不安全行为进行辨识,并制定相应的控制措施。
危险作业安全管理制度一、目的为了提高公司的效率和效益,维护正常的运转和秩序,促进公司的发展和达成目标。
保障公司秩序,促进员工发展,从而实现公司的可持续发展,特制定此管理制度。
二、适用范围本办法适用于公司内部进行以下危险作业的管理制度:(1)危险区域动火作业;(2)进入受限空间作业;(3)高处作业;(4)交叉作业;(5)高温作业;(6)其他危险作业。
三、职责分工1.安全管理部门负责危险作业的安全管理,并对危险作业人员的安全作业情况进行监督。
2.安全管理部门负责危险作业人员培的进行作业资质(含专业技能)审查。
3.各部门(车间)负责对各自的危险作业人员培训,对危险作业现场的所有工作人员人员进行安全知识教育。
四、管理内容1.对生产现场和生产过程、环境存在的风险和隐患进行辨识、评估分级,并制定相应的控制措施。
2.禁止与生产无关人员进入生产操作现场。
3.划出非岗位操作人员行走的安全路线,宽度不小于1.5m。
4.结合生产实际,确定具体的危险场所,设置危险标志牌或者警告标志牌。
详细设置参考《建筑设计防火规范》、《爆炸和火灾危险环境店里设置设计规范》。
5.严格管理危险作业区域内的作业。
6.危险作业人员,必须经安全生产监督管理部门培训,考核合格发证,才能上岗操作。
7.进行危险作业,必须办理作业票。
作业时,必须有充分的安全措施,确保安全的前提下,并在安全管理人员、专业技术人员、安全员、监护员的组织或监护下,才准作业。
8.高空作业人员作业前,应先学习本单位制定的高空作业安全规程,采取有效的防护措施,方可开始作业。
雷雨、大风天气条件下,禁止高空、吊装、室外焊接等作业。
9.危险区域动火管理安全管理部门根据动火申请表的内容,审查动火的措施,审查内容如下:(1)现场确认动火地点、部位是否符合安全要求;(2)询问安全措施是否符合现场要求;(3)审查紧急逃生通道是否畅通;(4)审查动火措施是否完善,有无漏洞;(5)询问现场如何进行操作,安全措施是否得当;(6)询问现场周围易燃易爆物品有没有清除,消防器材是否到位;(7)询问动火的容器和设备内部是否进行清洗、置换和检验;(8)审查确认动火措施(责任岗位:能源部安全主管领导);(9)询问安全措施是否符合现场要求;(10)审查动火措施是否完善,有无漏洞;(11)审批动火申请;(12)现场是否有人监护和检测;(13)签署动火证,批准可以动火作业;10.受限空间作业受限空间包括生产区域内罐、仓、槽车、管道、烟道、下水道、污水道等封闭、半封闭的设施及场所。