叉车控制电路图..
- 格式:doc
- 大小:443.58 KB
- 文档页数:10
电瓶叉车的举升和行走系统PLC自动控制第一章可编程控制器1.1可编程控制器的介绍1.1.1 定义PLC可编程序控制器:PLC英文全称Programmable Logic Controller ,中文全称为可编程逻辑控制器,定义是:一种数字运算操作的电子系统,专为在工业环境应用而设计的。
它采用一类可编程的存储器,用于其内部存储程序,执行逻辑运算,顺序控制,定时,计数与算术操作等面向用户的指令,并通过数字或模拟式输入/输出控制各种类型的机械或生产过程。
1.1.2 PLC的构成从结构上分,PLC分为固定式和组合式(模块式)两种。
固定式PLC包括CPU板、I/O板、显示面板、内存块、电源等,这些元素组合成一个不可拆卸的整体。
模块式PLC包括CPU模块、 I/O模块、内存、电源模块、底板或机架,这些模块可以按照一定规则组合配置。
1.1.3 CPU的构成CPU是PLC的核心,起神经中枢的作用,每套PLC至少有一个CPU,它按PLC的系统程序赋予的功能接收并存贮用户程序和数据,用扫描的方式采集由现场输入装置送来的状态或数据,并存入规定的寄存器中,同时,诊断电源和PLC内部电路的工作状态和编程过程中的语法错误等。
进入运行后,从用户程序存贮器中逐条读取指令,经分析后再按指令规定的任务产生相应的控制信号,去指挥有关的控制电路。
CPU主要由运算器、控制器、寄存器及实现它们之间联系的数据、控制及状态总线构成,CPU单元还包括外围芯片、总线接口及有关电路。
内存主要用于存储程序及数据,是PLC不可缺少的组成单元。
在使用者看来,不必要详细分析CPU的内部电路,但对各部分的工作机制还是应有足够的理解。
CPU的控制器控制CPU工作,由它读取指令、解释指令及执行指令。
但工作节奏由震荡信号控制。
运算器用于进行数字或逻辑运算,在控制器指挥下工作。
寄存器参与运算,并存储运算的中间结果,它也是在控制器指挥下工作。
CPU速度和内存容量是PLC的重要参数,它们决定着PLC的工作速度,IO数量及软件容量等,因此限制着控制规模。
叉车控制电路图在叉车的控制系统中,电路图是一个非常关键的部分。
正确的电路图能够确保叉车的正常运行,而不正确的电路图则可能导致叉车运行不稳定、故障、甚至危险。
下面我们将介绍叉车控制电路图的一些基本知识。
叉车控制系统在讲解叉车控制电路图之前,我们需要先了解叉车的控制系统。
叉车的控制系统主要由以下几个部分组成:•电源系统:由蓄电池、充电器等组成,为整个系统提供电能;•传动系统:包括电机、减速器、差速器等部件,实现叉车行驶和转向;•行车控制系统:控制叉车的行驶方向、速度等;•起升控制系统:控制叉车货叉的起升和下降;•刹车系统:控制叉车的制动和停止。
叉车控制电路图叉车控制电路图展示了叉车控制系统的各个部件之间的连接关系,是叉车控制系统设计和维修的重要参考资料。
电路图中每个部件都有其对应的符号表示,常见的符号有电源、电动机、继电器、开关、传感器等。
以下是一张简单的叉车控制电路图示例:+-----------+ +-----------+| | A | || 电源系统 |-------| 传动系统 || | | |+-----------+ +-----------+| || || || +-----------+ || | | |+---| 刹车系统 | || | |+-----------+ || |+-----------+ || | || 起升控制系统 |---+| |+-----------+在这张电路图中,我们可以看到电源系统、传动系统、刹车系统和起升控制系统四个模块。
电源系统提供电能,传动系统实现叉车的行驶和转向,刹车系统控制叉车的制动和停止,起升控制系统则控制叉车货叉的起升和下降。
不同的叉车品牌和型号的控制电路图可能有所区别,但是电路图的基本结构和原理相似。
叉车控制电路图的设计者需要对叉车控制系统有深入的了解,了解每个部件的工作原理和控制逻辑,才能够设计出正确的电路图。
在电路图维护和调试时,需要理解每个部件的作用和连接关系,才能够快速地找到故障并进行维修。
电动叉车控制系统详解(带电路图)LT首先我们先了解下交流驱动系统的优缺点交流行走驱动系统在应用中的优点三相交流异步电机是交流驱动系统的主要组成部分,其工作原理是三相交流电输送给定子绕组,产生旋转磁场,感应闭合的转子绕组,从而产生感应电流,感应电流的磁场与定子旋转磁场相互作用,便产生电磁力推动转子旋转。
综上所述,交流行走驱动电机与直流行走驱动电机相比:具有动力强、效率高、噪音低、体积小、重量轻、再生能量高、电磁干扰小、终身免维护、结构简单、易于冷却和寿命长等优点。
随着交流电机的控制能力大大增强和交流电机控制器硬件部分的成本逐步降低,为交流电气驱动系统广泛应用和普及创造了良好的基础。
交流驱动系统在应用中的缺点交流电气驱动系统本身也存在一些缺点:1.编码器当前的交流控制系统中,编码器是必备器件。
安装在交流电机上,用来向交流控制器提供转速及方向信号。
由于编码器目前没有国产化,价格较高。
使得交流控制系统的整体价格被抬高。
2.控制器由于交流变频调速控制技术很复杂,控制器需要选用较大的微处理器;同时,控制器的三相交流输出也需要使用比直流控制器多得多的功率器件(如:MOSFET),直接导致成本的增加。
所以交流控制器价格比直流控制器价格高。
3.交流电机虽然交流电机比较简单,制造工艺和材料都没有直流电机复杂,但由于交流驱动系统应用在国内刚刚起步,除了少数国产电机,大多电机还需进口,尤其是编码器全部进口。
所以在未来一段时间内,交流电机价格会比直流电机价格高。
由此可见,从交流控制系统的整体来看,不仅其技术的复杂和特殊,而且器件的成本高。
这使得其整体价格会比直流驱动系统高出许多。
这将不可避免的影响主机厂的生产成本,同时也提高了最终用户的采购成本。
扬长避短的最佳解决方案一半交流驱动系统交流驱动控制系统应用于电动叉车行走部分采用直流控制系统的电动叉车在运行中出现故障频率较高的是行走驱动部分,主要原因是用户不能及时检查和更换直流行走电机的碳刷及换向器,造成火花大(甚至环火)还在继续使用,导致电流过大烧坏控制器或电机。
电动叉车控制系统详解(带电路图)在今天电动叉车领域,交流电气驱动系统的发展十分迅速。
相对直流驱动系统,交流电气驱动系统凭借其高效率、免维护、长寿命等优势,吸引了众多厂商和用户的注意,并得到成功的应用.但是,全交流电气驱动系统也存在成本较高、技术复杂及国内用户在整机价格一时难以接受等劣势.针对交流驱动系统的优缺点,如何做到既能发挥交流驱动系统的优势,又可以大幅降低整车驱动系统的成本,最大限度的提高叉车性能和在国内加大普及速度?半交流驱动系统是解决叉车驱动系统的最佳方案。
所谓半交流驱动系统,即叉车行走部分是交流驱动(交流电机+交流控制器),液压提升部分是直流驱动(直流电机+直流控制器)。
目前国内电动叉车电气控制系统配置概况:这种半交流方案有哪些优点?它的实际应用情况又是如何那?下面将通过具体的技术分析来为主机厂和用户介绍电动叉车半交流电气驱动系统的优势.首先我们先了解下交流驱动系统的优缺点交流行走驱动系统在应用中的优点三相交流异步电机是交流驱动系统的主要组成部分,其工作原理是三相交流电输送给定子绕组,产生旋转磁场,感应闭合的转子绕组,从而产生感应电流,感应电流的磁场与定子旋转磁场相互作用,便产生电磁力推动转子旋转。
综上所述,交流行走驱动电机与直流行走驱动电机相比:具有动力强、效率高、噪音低、体积小、重量轻、再生能量高、电磁干扰小、终身免维护、结构简单、易于冷却和寿命长等优点.随着交流电机的控制能力大大增强和交流电机控制器硬件部分的成本逐步降低,为交流电气驱动系统广泛应用和普及创造了良好的基础。
交流驱动系统在应用中的缺点交流电气驱动系统本身也存在一些缺点:1.编码器当前的交流控制系统中,编码器是必备器件.安装在交流电机上,用来向交流控制器提供转速及方向信号。
由于编码器目前没有国产化,价格较高.使得交流控制系统的整体价格被抬高。
2。
控制器由于交流变频调速控制技术很复杂,控制器需要选用较大的微处理器;同时,控制器的三相交流输出也需要使用比直流控制器多得多的功率器件(如:MOSFET),直接导致成本的增加。
电动叉车控制系统详解(带电路图)在今天电动叉车领域,交流电气驱动系统的发展十分迅速。
相对直流驱动系统,交流电气驱动系统凭借其高效率、免维护、长寿命等优势,吸引了众多厂商和用户的注意,并得到成功的应用。
但是,全交流电气驱动系统也存在成本较高、技术复杂及国内用户在整机价格一时难以接受等劣势。
针对交流驱动系统的优缺点,如何做到既能发挥交流驱动系统的优势,又可以大幅降低整车驱动系统的成本,最大限度的提高叉车性能和在国内加大普及速度?半交流驱动系统是解决叉车驱动系统的最佳方案。
所谓半交流驱动系统,即叉车行走部分是交流驱动(交流电机+交流控制器),液压提升部分是直流驱动(直流电机+直流控制器)。
tJ 照明及其他电幽行走功率电路. 行走控制电路方向开齐厂泵控制电跖泵控制器屮目前国内电动叉车电气控制系统配置概况:a h电动叉车单驱电气驱动系統方框图d加谨器7国内电动叉车电5:控制系统配a 表+•电源”驱动系统+ 执行系统P 控制方式*" 电机型式+备注-直流-串励口行走心 串励控制器+ 串励电机*起升4 串励控制器・ 串励电机" 目前多采用“欢泵合一”誤 轉向4 接触器Q 复瞬机亠 采用双泵合一,电机可省去《 他励屛行走 他励JS 制器』他励电机* □起升4 串励控制器卜 串励电机* H 前多采用"双泵合一"心 转向4接触器3复励电机* 采用収泵合一,电机可省去+逆变安半交流2行走口交流控制器* 交流电机* 车1起升殛转向匸 串励控制器+ 串励电机*“双泵合一即-全交布心行走2交流逆变器+ 交流电机*起升及转向" 交流逆变器十 交流电机# “収泵合一"2这种半交流方案有哪些优点?它的实际应用情况又是如何那?下面将通过具体的技术分析 来为主机厂和用户介绍电动叉车半交流电气驱动系统的优势。
首先我们先了解下交流驱动系统的优缺点 交流行走驱动系统在应用中的优点组,产生旋转磁场, 感应闭合的转子绕组,从而产生感应电流,感应电流的磁场与定子旋转 磁场相互作用,便产生电磁力推动转子旋转。
电动叉车控制系统详解(带电路图)在今天电动叉车领域,交流电气驱动系统的发展十分迅速。
相对直流驱动系统,交流电气驱动系统凭借其高效率、免维护、长寿命等优势,吸引了众多厂商和用户的注意,并得到成功的应用。
但是,全交流电气驱动系统也存在成本较高、技术复杂及国内用户在整机价格一时难以接受等劣势。
针对交流驱动系统的优缺点,如何做到既能发挥交流驱动系统的优势,又可以大幅降低整车驱动系统的成本,最大限度的提高叉车性能和在国内加大普及速度?半交流驱动系统是解决叉车驱动系统的最佳方案。
所谓半交流驱动系统,即叉车行走部分是交流驱动(交流电机+交流控制器),液压提升部分是直流驱动(直流电机+直流控制器).目前国内电动叉车电气控制系统配置概况:这种半交流方案有哪些优点?它的实际应用情况又是如何那?下面将通过具体的技术分析来为主机厂和用户介绍电动叉车半交流电气驱动系统的优势。
首先我们先了解下交流驱动系统的优缺点交流行走驱动系统在应用中的优点三相交流异步电机是交流驱动系统的主要组成部分,其工作原理是三相交流电输送给定子绕组,产生旋转磁场,感应闭合的转子绕组,从而产生感应电流,感应电流的磁场与定子旋转磁场相互作用,便产生电磁力推动转子旋转.综上所述,交流行走驱动电机与直流行走驱动电机相比:具有动力强、效率高、噪音低、体积小、重量轻、再生能量高、电磁干扰小、终身免维护、结构简单、易于冷却和寿命长等优点。
随着交流电机的控制能力大大增强和交流电机控制器硬件部分的成本逐步降低,为交流电气驱动系统广泛应用和普及创造了良好的基础。
交流驱动系统在应用中的缺点交流电气驱动系统本身也存在一些缺点:1.编码器当前的交流控制系统中,编码器是必备器件。
安装在交流电机上,用来向交流控制器提供转速及方向信号。
由于编码器目前没有国产化,价格较高。
使得交流控制系统的整体价格被抬高.2。
控制器由于交流变频调速控制技术很复杂,控制器需要选用较大的微处理器;同时,控制器的三相交流输出也需要使用比直流控制器多得多的功率器件(如:MOSFET),直接导致成本的增加。
一、概述串励可编程系列控制器,是用在各种电动工业车辆上的串励电机牵引控制器,它可以完全替代同类进口产品。
具有以下特点:✓∙基于DSP技术,高效可靠;✓∙高频斩波,低噪音;✓∙具有反接制动功能;✓∙具有欠压、过压保护功能;✓∙具有过热保护功能;✓∙通过内置的可编程参数可与不同电机匹配并实现不同的操作感受;✓∙外置的LED灯提供故障诊断。
二、安装及连线与同类进口产品具有完全相同的功能、特性、接口电路和安装尺寸,无需任何外部改变即可完美替换。
600A产品长度方向延长。
安装尺寸弱电接口1、逻辑电源输入2、互锁输入3、模式选择开关4、未用5、加速器0-10V6、紧急反向输入7、未用8、未用9、未用10、前进信号输入11、后退信号输入12、未用13、加速器:三线加速器高端14、加速器:低端15、加速器:0-5V滑动端16、加速器:两线电阻型加速器输入17、主接触器驱动18、前进接触器驱动19、后退接触器驱动20、未用21、未用22、未用23、未用24、紧急反向检查大电流接线端子M—:电机电枢接线端子B—:电源负极接线端子B+:电源正极接线端子A2:电机电枢接线端子典型接线图三、技术参数标称输入电压48vPWM工作频率16kHz对散热器电绝缘500v交流(最小)KSI输入电压(最小) 为16.8vKSI输入电流(无接触器时) 160mA逻辑输入电压高>7。
5v;低〈1v逻辑输入电流10mA工作环境温度范围-40~C到50~C 散热器过热切断85℃散热器欠温切断—25℃存储环境规定IP54重量 3.9kg (500A型号)尺寸(L×w×H)253mm×175mm×83。
5mm(500A型号)标称电流电流电流欠压点型号电池电压限制一分钟额定一小时额定(V) (A) (A)*(A) (V)48V/500A 48 500 500160 2148V/600A 48 600 600200 21*在25℃环境温度下注:控制器参数与CURTIS兼容,请参照CURTIS同型号说明即可.关键词:48V隔离式直流转换电源(DCDC-048—129)技术参数1. 隔离式直流转换电源2. 输入电压:36~60V3. 工作频率:250KHz4. 输出电压:12。
一、概述串励可编程系列控制器,是用在各种电动工业车辆上的串励电机牵引控制器,它可以完全替代同类进口产品。
具有以下特点:✓∙基于DSP技术,高效可靠;✓∙高频斩波,低噪音;✓∙具有反接制动功能;✓∙具有欠压、过压保护功能;✓∙具有过热保护功能;✓∙通过内置的可编程参数可与不同电机匹配并实现不同的操作感受;✓∙外置的LED灯提供故障诊断。
二、安装及连线与同类进口产品具有完全相同的功能、特性、接口电路和安装尺寸,无需任何外部改变即可完美替换。
600A产品长度方向延长。
安装尺寸弱电接口1、逻辑电源输入2、互锁输入3、模式选择开关4、未用5、加速器0-10V6、紧急反向输入7、未用8、未用9、未用10、前进信号输入11、后退信号输入12、未用13、加速器:三线加速器高端14、加速器:低端15、加速器:0-5V滑动端16、加速器:两线电阻型加速器输入17、主接触器驱动18、前进接触器驱动19、后退接触器驱动20、未用21、未用22、未用23、未用24、紧急反向检查大电流接线端子M-:电机电枢接线端子B-:电源负极接线端子B+:电源正极接线端子A2:电机电枢接线端子典型接线图三、技术参数标称输入电压48v PWM工作频率16kHz 对散热器电绝缘500v交流(最小)KSI输入电压(最小) 为16.8vKSI输入电流(无接触器时) 160mA逻辑输入电压高>7.5v;低<1v逻辑输入电流10mA 工作环境温度范围-40~C到50~C 散热器过热切断85℃散热器欠温切断-25℃存储环境规定IP54重量 3.9kg (500A型号)尺寸(L×w×H) 253mm×175mm×83.5mm(500A型号)标称电流电流电流欠压点型号电池电压限制一分钟额定一小时额定(V) (A) (A)*(A) (V)48V/500A 48 500 500160 2148V/600A 48 600 600200 21*在25℃环境温度下注:控制器参数与CURTIS兼容,请参照CURTIS同型号说明即可。
在今天电动叉车领域,交流电气驱动系统的发展十分迅速。
相对直流驱动系统,交流电气驱动系统凭借其高效率、免维护、长寿命等优势,吸引了众多厂商和用户的注意,并得到成功的应用。
但是,全交流电气驱动系统也存在成本较高、技术复杂及国内用户在整机价格一时难以接受等劣势。
针对交流驱动系统的优缺点,如何做到既能发挥交流驱动系统的优势,又可以大幅降低整车驱动系统的成本,最大限度的提高叉车性能和在国内加大普及速度?半交流驱动系统是解决叉车驱动系统的最佳方案。
所谓半交流驱动系统,即叉车行走部分是交流驱动(交流电机+交流控制器),液压提升部分是直流驱动(直流电机+直流控制器)。
目前国内电动叉车电气控制系统配置概况:这种半交流方案有哪些优点?它的实际应用情况又是如何那?下面将通过具体的技术分析来为主机厂和用户介绍电动叉车半交流电气驱动系统的优势。
首先我们先了解下交流驱动系统的优缺点交流行走驱动系统在应用中的优点三相交流异步电机是交流驱动系统的主要组成部分,其工作原理是三相交流电输送给定子绕组,产生旋转磁场,感应闭合的转子绕组,从而产生感应电流,感应电流的磁场与定子旋转磁场相互作用,便产生电磁力推动转子旋转。
综上所述,交流行走驱动电机与直流行走驱动电机相比:具有动力强、效率高、噪音低、体积小、重量轻、再生能量高、电磁干扰小、终身免维护、结构简单、易于冷却和寿命长等优点。
随着交流电机的控制能力大大增强和交流电机控制器硬件部分的成本逐步降低,为交流电气驱动系统广泛应用和普及创造了良好的基础。
交流驱动系统在应用中的缺点交流电气驱动系统本身也存在一些缺点:1.编码器当前的交流控制系统中,编码器是必备器件。
安装在交流电机上,用来向交流控制器提供转速及方向信号。
由于编码器目前没有国产化,价格较高。
使得交流控制系统的整体价格被抬高。
2.控制器由于交流变频调速控制技术很复杂,控制器需要选用较大的微处理器;同时,控制器的三相交流输出也需要使用比直流控制器多得多的功率器件(如:MOSFET),直接导致成本的增加。
电动叉车控制系统详解(带电路图)在今天电动叉车领域,交流电气驱动系统的发展十分迅速。
相对直流驱动系统,交流电气驱动系统凭借其高效率、免维护、长寿命等优势,吸引了众多厂商和用户的注意,并得到成功的应用。
但是,全交流电气驱动系统也存在成本较高、技术复杂及国内用户在整机价格一时难以接受等劣势.针对交流驱动系统的优缺点,如何做到既能发挥交流驱动系统的优势,又可以大幅降低整车驱动系统的成本,最大限度的提高叉车性能和在国内加大普及速度?半交流驱动系统是解决叉车驱动系统的最佳方案。
所谓半交流驱动系统,即叉车行走部分是交流驱动(交流电机+交流控制器),液压提升部分是直流驱动(直流电机+直流控制器).目前国内电动叉车电气控制系统配置概况:这种半交流方案有哪些优点?它的实际应用情况又是如何那?下面将通过具体的技术分析来为主机厂和用户介绍电动叉车半交流电气驱动系统的优势。
首先我们先了解下交流驱动系统的优缺点交流行走驱动系统在应用中的优点三相交流异步电机是交流驱动系统的主要组成部分,其工作原理是三相交流电输送给定子绕组,产生旋转磁场,感应闭合的转子绕组,从而产生感应电流,感应电流的磁场与定子旋转磁场相互作用,便产生电磁力推动转子旋转.综上所述,交流行走驱动电机与直流行走驱动电机相比:具有动力强、效率高、噪音低、体积小、重量轻、再生能量高、电磁干扰小、终身免维护、结构简单、易于冷却和寿命长等优点.随着交流电机的控制能力大大增强和交流电机控制器硬件部分的成本逐步降低,为交流电气驱动系统广泛应用和普及创造了良好的基础.交流驱动系统在应用中的缺点交流电气驱动系统本身也存在一些缺点:1。
编码器当前的交流控制系统中,编码器是必备器件。
安装在交流电机上,用来向交流控制器提供转速及方向信号.由于编码器目前没有国产化,价格较高。
使得交流控制系统的整体价格被抬高。
2。
控制器由于交流变频调速控制技术很复杂,控制器需要选用较大的微处理器;同时,控制器的三相交流输出也需要使用比直流控制器多得多的功率器件(如:MOSFET),直接导致成本的增加。
合力5吨叉车启动电路故障排除
张明
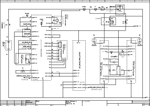
最近,修理了一辆2003年生产的5吨合力叉车,其故障,用点火开关不能启动。
检查叉车时,该车单独接一个启动线路。
驾驶员要求更换点火开关,更换之后,车子仍不能启动,第一次修理合力5T叉车启动电路,不知道用了哪些电器元件,及其如何工作,没有搜集到 5T叉车电路图,顺着线路找,并利用万用表检测,该车启动系统有电瓶、起动机、保险丝、两个继电器、空挡开关、空挡指示灯、点火开关及导线组成。
R—红色B—黑色Bl—蓝色W—白色
W/B—白/黑Br—棕色
根据线束绘出5T合力叉车启动电路原理图,如上图,依据原理图,用万用表检测启动电路,检测出保险丝接触不良,一个继电器触点接触不良,起动机处W/B线被剪断,更换启动继电器,处理了另外两个故障点,用点火开关顺利启动车子,故障排除。
总结:把这次修理过程与大家共享,这种修理方法,第一次是事倍功半,但以后再修理这样类似故障,会起到事半功倍的效果。
同时,想把2003年生产5T合力叉车启动系统原理图贡献给大家,并修理此叉车时作参考。
供稿日期:2016/9/4。
电动叉车控制系统详解带电路图电动叉车控制系统详解(带电路图)在今天电动叉车领域,交流电气驱动系统的发展十分迅速。
相对直流驱动系统,交流电气驱动系统凭借其高效率、免维护、长寿命等优势,吸引了众多厂商和用户的注意,并得到成功的应用。
可是,全交流电气驱动系统也存在成本较高、技术复杂及国内用户在整机价格一时难以接受等劣势。
针对交流驱动系统的优缺点,如何做到既能发挥交流驱动系统的优势,又能够大幅降低整车驱动系统的成本,最大限度的提高叉车性能和在国内加大普及速度?半交流驱动系统是解决叉车驱动系统的最佳方案。
所谓半交流驱动系统,即叉车行走部分是交流驱动(交流电机+交流控制器),液压提升部分是直流驱动(直流电机+直流控制器)。
当前国内电动叉车电气控制系统配置概况:图1.电动咒车单驱电气驰动系統方框图卩其 他 电 路4行走功率电路丁 *行走控制电路「保护电路1仪表-蓄电也・'猱护电路,DCZDC.行走 电机」泵电 机aR**泵控制謂,加 遠 器」泵 控 制 电圖」明育向开狂蓄电池J 左功率电右功率电路,> <行走控制电路照 明 及 耳2、电动瞧戰电气驱动系统方框圈泵揑制器电子差速*方加 泵电这种半交流方案有哪些优点?它的实际应用情况又是如何那?下 面将经过具体的技术分析来为主机厂和用户介绍电动叉车半交流 电气驱动系统的优势。
首先我们先了解下交流驱动系统的优缺点 交流行走驱动系统在应用中的优点三相交流异步电机是交流驱动系统的主要组成部分,其工作原理 是三相交流电输送给定子绕组,产生旋转磁场,感应闭合的转子 绕组,从而产生感应电流,感应电流的磁场与定子旋转磁场相互 作用,便产生电磁力推动转子旋转。
裘1.馭电动更车电气控制系统配貫慕.国內弟更车电气控制孕统駅直•综上所述,交流行走驱动电机与直流行走驱动电机相比:具有动力强、效率高、噪音低、体积小、重量轻、再生能量高、电磁干扰小、终身免维护、结构简单、易于冷却和寿命长等优点。
一、概述
串励可编程系列控制器,是用在各种电动工业车辆上的串励电机牵引控制器,它可以完全替代同类进口产品。
具有以下特点:
✓∙基于DSP技术,高效可靠;
✓∙高频斩波,低噪音;
✓∙具有反接制动功能;
✓∙具有欠压、过压保护功能;
✓∙具有过热保护功能;
✓∙通过内置的可编程参数可与不同电机匹配并实现不同的操作感受;
✓∙外置的LED灯提供故障诊断。
二、安装及连线
与同类进口产品具有完全相同的功能、特性、接口电路和安装尺寸,无需任何外部改变即可完美替换。
600A产品长度方向延长。
安装尺寸
弱电接口
1、逻辑电源输入
2、互锁输入
3、模式选择开关
4、未用
5、加速器0-10V
6、紧急反向输入
7、未用
8、未用
9、未用
10、前进信号输入
11、后退信号输入
12、未用
13、加速器:三线加速器高端
14、加速器:低端
15、加速器:0-5V滑动端
16、加速器:两线电阻型加速器输入
17、主接触器驱动
18、前进接触器驱动
19、后退接触器驱动
20、未用
21、未用
22、未用
23、未用
24、紧急反向检查
大电流接线端子
M-:电机电枢接线端子
B-:电源负极接线端子
B+:电源正极接线端子
A2:电机电枢接线端子
典型接线图
三、技术参数
标称输入电压48v PWM工作频率16kHz 对散热器电绝缘500v交流(最小)
KSI输入电压(最小) 为16.8v
KSI输入电流(无接触器时) 160mA
逻辑输入电压高>7.5v;低<1v
逻辑输入电流10mA 工作环境温度范围-40~C到50~C 散热器过热切断85℃
散热器欠温切断-25℃存储环境规定IP54重
量 3.9kg (500A型号)
尺寸(L×w×H) 253mm×175mm×83.5mm(500A型号)
标称电流电
流电流欠压点
型号电池电压限制一分钟额
定一小时额定
(V) (A) (A)*
(A) (V)
48V/500A 48 500 500
160 21
48V/600A 48 600 600
200 21
*在25℃环境温度下
注:控制器参数与CURTIS兼容,请参照CURTIS同型号说明即可。
关键词:
48V隔离式直流转换电源(DCDC-048-129)技术参
数
1. 隔离式直流转换电源
2. 输入电压:36~60V
3. 工作频率:250KHz
4. 输出电压:12.0±0.2V
5. 输出电流:0~30A
6. 额定功率:350W
7. 最大功率:400W
8. 效率:典型值80%
9. 防护等级:IP65
10. 使能控制:高电压控制(25-60V)
11. 保护功能:输入反接、欠压、过压保
护,输出短路、过流保护
12. 外形尺寸:175×108×83(mm)
13. 工作温度:-30℃~+55℃
80V隔离式直流转换电源(DCDC-080-126)技术参
数
1. 隔离式直流转换电源
2. 输入电压:56~100V
3. 工作频率:250KHz
4. 输出电压:12.0±0.2V
5. 输出电流:0~35A
6. 额定功率:350W
7. 最大功率:400W
8. 效率:典型值80%
9. 防护等级:IP65
10. 使能控制:高电压控制(25-60V)
11. 保护功能:输入反接、欠压、过压保
护,输出短路、过流保护
12. 外形尺寸:175×108×83(mm)
13. 工作温度:-30℃~+55℃
(DC80V隔离式直流转换电源DC-080-242)技术参
数
1. 隔离式直流转换电源
2. 输入电压:56~100V
3. 工作频率:250KHz
4. 输出电压:24.0±0.3V
5. 输出电流:0~18A
6. 额定功率:420W
7. 最大功率:450W
8. 效率:典型值80%
9. 防护等级:IP65
10. 使能控制:高电压控制(25-60V)
11. 保护功能:输入反接、欠压、过压保
护,输出短路、过流保护
12. 外形尺寸:175×108×83(mm)
13. 工作温度:-30℃~+55℃
关键词:
产品名称:串励可编程泵电机控制器
一、概述
✓∙15.6K PWM频率,低噪音
✓∙四个速度选择输入(SS1-SS4),具有独立编程设定最大速度功能
✓∙加速率可编程
✓∙支持加速器输入
✓∙SS4开关具有可编程断电延时功能
✓∙具有过压、欠压保护功能
✓∙具有高温和低温保护功能
✓∙可通过编程口修改内部参数,与不同电机匹配并实现不同的操作感受
二、安装尺寸及接线
安装尺寸:
弱电接口:
J1:
1、钥匙开关输入
2、三线加速器高端
3、加速器滑动端输入
4、加速器低端
5、互锁开关输入
6、状态灯LED驱动输出
7、速度选择开关SS1输入
8、速度选择开关SS2输入
9、速度选择开关SS3输入
10、速度选择开关SS4输入
11、举升锁止开关输入
12、主接触器线圈驱动输出J2:
1、数据接收端
2、B-
3、数据发送端
4、+15V
大电流接线端子:
B+:电源正极接线端子B-:电源负极接线端子M-:电机电枢接线端子典型接线图:
三、技术参数
弱电接口:
J1:钥匙开关输入
J2:电阻型加速器的滑动端输入,或电子型加速器输入J3:电阻型加速器低端输入
大电流接线端子:
B+:电源正极接线端子
B-:电源负极接线端子
A2:电机电枢接线端子
M-:电机电枢接线端子
典型接线图:
三、技术参数。