GB12459-2005(与管件连接的无缝钢管壁厚等级)
- 格式:xls
- 大小:187.00 KB
- 文档页数:8
2009.02 Lee工程常用钢管公称直径、外径和壁厚等级表表1 石化行业标准SH3405-96壁 厚 (单位:mm )公称 直径 SH3405-96 奥氏体不锈钢无缝钢管 SH3405-96 碳素钢、合金钢无缝钢管DN NPS 外径 mm Sch5s Sch10s Sch20s Sch40s Sch80s Sch20 Sch30 Sch40 Sch60 Sch80 Sch100 Sch120 Sch140 Sch160 XXS 10 3/8 17 1. 2 1. 6 2. 0 2. 5 3. 2 2. 5 3. 5 15 1/2 22 1. 6 2. 0 2. 5 3. 0 4. 0 3. 0 4. 0 5. 0 7. 5 20 3/4 27 1. 6 2. 0 2. 5 3. 0 4. 0 3. 0 4. 0 5. 5 8. 0 25 1 34 1. 6 2. 8 3. 0 3. 5 4. 5 3. 5 4. 5 6. 5 9. 0 (32) 11/4 42 1. 6 2. 8 3. 0 3. 5 5. 0 3. 5 5. 0 6. 5 10. 0 40 1 48 1. 6 2. 8 3. 0 4. 0 5. 0 4. 0 5. 0 7. 0 10. 0 50 2 60 1. 6 2. 8 3. 5 4. 0 5. 5 3. 5 4. 0 5. 0 5. 5 7. 0 8. 5 11. 0 (65) 2 1/2 76 2. 0 3. 0 3. 5 5. 0 7. 0 4. 5 5. 0 6. 0 7. 0 8. 0 9. 5 14. 0 80 3 89 2. 0 3. 0 4. 0 5. 5 7. 5 4. 5 5. 5 6. 5 7. 5 9. 0 11. 0 15. 0 100 4 114 2. 0 3. 0 4. 0 6. 0 8. 5 5. 0 6. 0 7. 0 8. 5 11. 0 14. 0 17. 0 (125) 5 140 2. 8 3. 5 5. 0 6. 5 9. 5 5. 0 6. 5 8. 0 9. 5 13. 0 16. 0 19. 0 150 6 168 2. 8 3. 5 5. 0 7. 0 11. 0 5. 5 6. 5 7. 0 9. 5 11. 0 14. 0 18. 0 22. 0 200 8 219 2. 8 4. 0 6. 5 8. 0 13. 0 6. 5 7. 0 8. 0 10. 0 13. 0 15. 0 18. 0 20. 0 24. 0 23. 0 250102733. 54. 06. 59. 515. 06. 58. 09. 513. 015. 0 18. 0 22. 0 25. 0 28. 0 25. 0 300 12 325 4. 0 4. 5 6. 5 9. 5 17. 0 6. 5 8. 5 10. 0 14. 0 17. 0 22. 0 25. 0 28. 0 34. 0 26. 0 350 14 356 4. 0 5. 0 8. 0 9. 5 11. 0 15. 0 19. 0 24. 0 28. 0 32. 0 36. 0 400 16 406 4. 5 5. 0 8. 0 9. 5 13. 0 17. 0 22. 0 26. 0 32. 0 36. 0 40. 0 450 18 457 — — — — — 8. 0 11. 0 14. 0 19. 0 24. 0 30. 0 35. 0 40. 0 45. 0 500 20 508 — — — — — 9. 5 13. 0 15. 0 20. 0 26. 0 32. 0 38. 0 45. 0 50. 0 550 22 559 — — — — — 9. 5 13. 0 17. 0 22. 0 28. 0 35. 0 42. 0 48. 0 54. 0 600 24 610 — — — — — 9. 5 14. 0 18. 0 25. 0 32. 038. 045. 052. 060. 0注:①公称壁厚超过Sch80S 的不锈钢管按碳素钢、合金钢无缝钢管相应等级选用;②粗实线以下的数据已超过我国现行的钢管标准的规格范围; ③带括号者不推荐使用。
国标dn125无缝钢管的厚度摘要:1.DN125 无缝钢管的概念和用途2.DN125 无缝钢管的国标厚度3.DN125 无缝钢管的壁厚选择4.市场价格和行情分析5.结论正文:一、DN125 无缝钢管的概念和用途DN125 无缝钢管是一种具有中空截面的圆形钢材,主要用于输送流体和固体物料。
与实心钢材相比,无缝钢管在抗弯抗扭强度相同时,重量较轻,是一种经济截面钢材,广泛用于制造结构件和机械零件,如石油钻杆、汽车传动轴、自行车架以及建筑施工中用的钢脚手架等。
二、DN125 无缝钢管的国标厚度根据我国标准,DN125 无缝钢管的国标厚度有多种选择。
以下是一些常见规格的国标厚度:- DN100:壁厚4 毫米- DN125:壁厚4 毫米- DN150:壁厚4.5 毫米- DN50:壁厚3.5 毫米- DN200:壁厚6 或者8 毫米- DN250:壁厚8 或者10 毫米- DN65:壁厚4 毫米或者3.5 毫米- DN80:壁厚4.5 毫米三、DN125 无缝钢管的壁厚选择在选择DN125 无缝钢管的壁厚时,需要考虑管道的工作压力、使用环境、工程要求等因素。
壁厚过薄可能会影响管道的强度和安全性,而过厚的壁厚则会增加成本和重量。
因此,选择合适的壁厚非常重要。
四、市场价格和行情分析近期,由于需求支撑不足,DN125 无缝钢管市场价格出现震荡偏弱的趋势。
管坯价格大幅回调,现货成交较差。
截至4 月28 日,全国28 个主要城市无缝管均价大幅下跌,环比上周下跌80 元/吨。
原料价格跌势不减,市场情绪偏空主导。
在这种情况下,用户在购买DN125 无缝钢管时需密切关注市场价格波动,以便在合适的价格购买到满意的产品。
五、结论总之,DN125 无缝钢管作为一种重要的管道材料,在工程中有着广泛的应用。
管接头国标管接头是建筑工程和水利工程中常用的管道连接配件,同时也广泛应用于电力、石油、化工、航空、航天等领域。
为保障工程质量和行业安全,我国颁布了管接头国标,对管接头的设计、制造、检验、安装和使用进行了统一规范和要求,下面就来介绍一下这个标准。
管接头国标是指GB/T 12459-2005《钢制对焊式弯头和异径管配件》和GB/T 13401-2005《钢制对焊式管件》两项标准。
这两项标准主要规范了钢制对焊式弯头、异径管配件和管件的设计、材料、制造、检验、标志、包装、运输等方面的要求。
其中GB/T 12459-2005适用于DN15~DN1200,壁厚为不超过120mm,使用PN(公称压力)为10MPa~32MPa的对焊式弯头和异径管配件;GB/T 13401-2005适用于使用PN为1MPa~150MPa,公称通径DN为15~4000mm的对焊式管件。
具体来说,GB/T 12459-2005规定了弯头和异径管配件的尺寸、公称压力、制造工艺、材料、机械性能测试、气密性、压力试验、外观检查等内容。
同时还对标志、包装、质量保证等方面进行了规定。
其中,弯头的尺寸包括管径、弯曲半径、弯头壁厚等等。
异径管配件的尺寸包括两个管子的公称直径、连接方式等等。
这些规定对于保障弯头和异径管配件的准确性、可靠性以及一致性十分重要。
而GB/T 13401-2005则在更加广泛的范围内规范了管件的设计、材料、制造、检验、标志、包装、运输等方面。
在材料方面,它向厂家提供了充分自主选择的余地,可以按照规定的标准、说明书中的适用范围和要求、技术条件中的材料要求、用户的知情同意以及现场、管理和安全要求等来选择。
其中对制造工艺、机械性能测试、气密性和压力试验等方面的要求更加细致,同时也规定了管件的公差、法兰螺栓的数量和间距、法兰密封面角度、法兰密封面允许振动等。
总之,管接头国标通过对弯头、异径管配件、管件的设计、制造、检验和应用等方面进行统一规范和标准化,保障了其质量和使用安全性。
钢管国标壁厚标准表全文共四篇示例,供读者参考第一篇示例:钢管国标壁厚标准是指钢管的壁厚符合国家标准要求的标准。
钢管在工程建设和生产制造中被广泛应用,因其具有耐压、耐磨、耐腐蚀等优点,因此钢管的壁厚标准对其使用效果具有重要影响。
下面我们就来详细了解一下钢管国标壁厚标准表。
钢管国标壁厚标准表是根据国家标准GB/T 3091-2015《焊接钢管》、GB/T 9711-2017《石油天然气输送钢管》、GB/T 13793-2016《长焊缝钢管》等先进的标准制定的。
这些国家标准规定了钢管的壁厚、外径、长度、用途等方面的要求,确保了钢管在使用过程中具有良好的性能和安全性。
钢管国标壁厚标准表通常包含以下内容:1. 钢管的规格:包括钢管的外径、壁厚、长度等参数;2. 钢管的钢级:钢管的材质,通常包括碳素钢、合金钢、不锈钢等;3. 钢管的用途:钢管的具体用途和适用范围;4. 钢管的表面处理:包括镀锌、喷漆、防腐涂料等;5. 钢管的加工方式:包括冷拔、热轧、焊接等。
根据钢管的用途和规格要求,钢管国标壁厚标准表可以分为不同的类别,例如结构用钢管、流体输送用钢管、石油天然气输送用钢管等。
每种类别的钢管都有相应的标准要求,企业在选择钢管时应根据具体的需求和使用环境来选择合适的钢管类型和规格。
钢管国标壁厚标准表的制定是为了保证钢管的质量和安全性,促进钢管行业的健康发展。
符合国家标准的钢管具有一定的质量保证,能够确保在使用过程中不会出现质量问题。
钢管国标壁厚标准表也为企业和相关单位提供了统一的参考标准,便于企业在采购和使用钢管时进行规范和选择。
第二篇示例:钢管国标壁厚标准表的制定是由国家相关部门参考国际标准以及国内实际情况,结合建筑工程的需要而制定。
标准中规定了各种规格的钢管的壁厚范围,以便建筑设计者、施工人员和监理单位在使用钢管时能够选择适合的规格,以确保建筑工程的质量与安全。
钢管国标壁厚标准表通常包括以下内容:1. 钢管的规格:包括钢管的材质、直径、壁厚等基本参数;2. 壁厚标准:规定了各种规格的钢管的壁厚范围,通常以最小值和最大值表示;3. 其他要求:可能还包括一些其他规定,如钢管的表面处理要求、质量检验要求等。
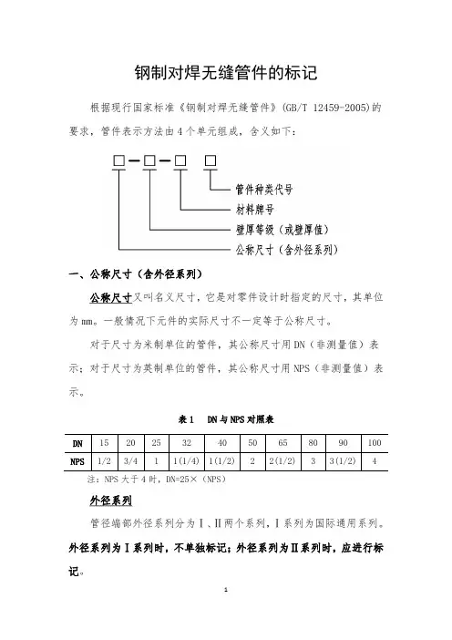
钢制对焊无缝管件的标记根据现行国家标准《钢制对焊无缝管件》(GB/T 12459-2005)的要求,管件表示方法由4个单元组成,含义如下:一、公称尺寸(含外径系列)公称尺寸又叫名义尺寸,它是对零件设计时指定的尺寸,其单位为mm。
一般情况下元件的实际尺寸不一定等于公称尺寸。
对于尺寸为米制单位的管件,其公称尺寸用DN(非测量值)表示;对于尺寸为英制单位的管件,其公称尺寸用NPS(非测量值)表示。
表1 DN与NPS对照表注:NPS大于4时,DN=25×(NPS)外径系列管径端部外径系列分为Ⅰ、Ⅱ两个系列,Ⅰ系列为国际通用系列。
外径系列为Ⅰ系列时,不单独标记;外径系列为Ⅱ系列时,应进行标记。
表2 公称尺寸与外径系列对照表二、壁厚等级(或壁厚值)钢管的壁厚等级系列的表示方法在不同标准中所表示的方法各不相同。
主要有三种表示方法:1)以管子表号(Sch)表示:对于碳钢管壁厚有:Sch10、20、30、40、60、80、100、120、140、160等10个等级(若数字后面加S,表示不锈钢管);对于不锈钢壁厚系列有:5S、10S、40S、80S四个等级。
2)以管子重量表示,管子壁厚分为三种: STD(标准重量管),XS(加厚管),XXS(特厚管)。
<DN250mm的管子,Sch40相当于STD管。
<DN200mm的管子,Sch80相当于XS管。
3)以钢管壁厚尺寸表示,即“管外径×壁厚”,如φ89×4。
表3 与管件连接的无缝钢管壁厚分级表注1:Sch数字后带“S”者为ASME B36.19M标准中规定的数据;不带“S”者为ASME B36.10M标准中规定的数据。
注2:带“*”号的壁厚数据,在ASME B36.19M标准中注明与ASME B36.10M不同。
注3:“STD”为标准管壁厚系列代号;“XS”为加强管壁厚系列代号;“XXS”为特加强管壁厚系列代号(XXS系列,本措施略)三、材料牌号材料牌号是具有相同化学成分、物理及机械性能材料的一种编号。
内径(公内径(英制外径俗称
61/8101分81/413.52分103/8173分151/221.34分203/426.86分25133.51吋
1英寸=25.4mm,将1英寸分为8份.2分即2/8*25.4;4分即4/8*25.4;6分即6/8*25.4
4分管是G1/2英寸的俗称。
工程上管子的公称尺寸表示它的内径,这里表示内 径1/2英寸,在公制管中圆整为15mm。
钢管壁厚等级表示方法
钢管的壁厚等级系列的表示方法在不同标准中所表示的方法各不相同。
主要有三种表示方法:1)以管子表号(Sch)表示:
对于碳钢管壁厚有:Sch10、20、30、40、60、80、100、120、140、160等10个等级(若数字后面加S,表示不锈钢管);
对于不锈钢壁厚系列有:5S、10S、40S、80S四个等级
2)以管子重量表示,如STD(标准重量),XS(加厚管),XXS(特厚管)3)以钢管壁厚尺寸表示,即“管外径×壁厚”,如φ89X4。