6.18 人行道检验批表格
- 格式:docx
- 大小:46.46 KB
- 文档页数:5
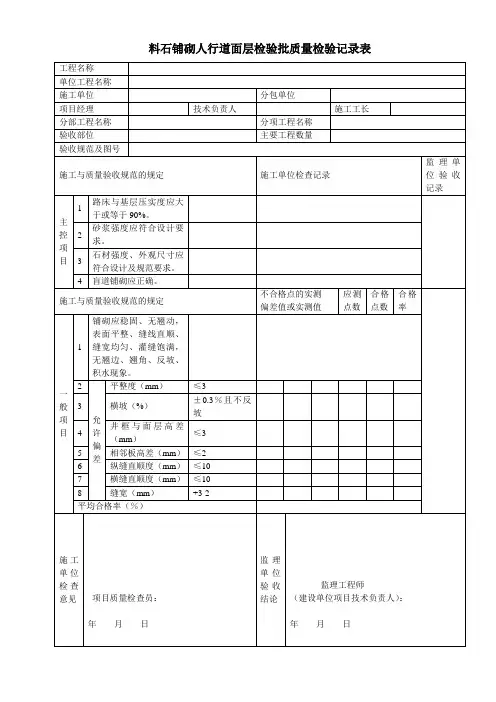
人行道铺装检验批质量验收记录表工程名称 分部工程名称 施工单位 施工执行标准 名称及编号质量验收规范的规定 (CJJ2-2008)主20.8.7-1控 1人行道结构材质和强度应 项 符合设计要求。
条目检查项目允许偏差( mm )1人行道边缘平面偏位5 一般 2纵向高程± 10项 0目3 接缝两侧高差24 横坡 ± 0.3%5平整度5一般项目合格率平均值(%)施工单位 检查评定结果验收部位施工班组长专业工长项目经理监理(建设) 施工单位检查评定记录单位验收记录实测值或实测偏差值 (mm)1 23 4应测合格 合格点数 点数 率 (%)项目专业质量检查员 :年月日监理(建设) 单位验收结论监理工程师:(建设单位项目技术负责人)年 月 日人行道铺装质量检验标准20.8.7 人行道质量检验应符合下列规定:主控项目1.人行道结构材质和强度应符合设计要求。
检查数量:全数检查。
检查方法:检查产品合格证和试件强度试验报告一般项目1.人行道铺装允许偏差应符合表20.8.7 的规定。
表 20.8.7 人行道铺装允许偏差检验频率项目允许偏差( mm)检验方法范围点数人行道边缘平面偏位 5 2 用 20m线和钢尺量纵向高程±102 0接缝两侧高差 2 每 20m一 3 用水准仪测量个断面横坡±0.3% 3平整度53用3m直尺、塞尺量。
工程名称 宜兴市和桥彭城南路新建工程分部工程名称 道路工程施工单位 江苏缘恒建设有限公司 施工执行标准 名称及编号质量验收规范的规定 (CJJ2-2008)主20.8.7-1控 1人行道结构材质和强度应 项 符合设计要求。
条目检查项目允许偏差(mm )1人行道边缘平面偏位5 一般 2纵向高程± 10 项 0目32接缝两侧高差4 横坡 ±0.3%5平整度5一般项目合格率平均值(%)施工单位检查评定结果验收部位 K0+040— K0+060施工班组长专业工长项目经理监理(建设) 施工单位检查评定记录单位验收记录实测值或实测偏差值 (mm) 1234应测 合格 合格 点数 点数 率 (%)项目专业质量检查员 :年月日监理(建设)单位验收结论监理工程师:(建设单位项目技术负责人)年 月 日工程名称宜兴市和桥彭城南路新建工程分部工程名称道路工程施工单位江苏缘恒建设有限公司施工执行标准 名称及编号质量验收规范的规定 (CJJ2-2008)主20.8.7-1控 1人行道结构材质和强度应 项 符合设计要求。
条目检查项目允许偏差(mm )1人行道边缘平面偏位5 一般 2纵向高程± 10 项 0目32接缝两侧高差4 横坡 ±0.3%5平整度5一般项目合格率平均值(%)施工单位检查评定结果验收部位 K0+060— K0+080施工班组长专业工长项目经理监理(建设) 施工单位检查评定记录单位验收记录实测值或实测偏差值 (mm) 1234应测 合格 合格 点数 点数 率 (%)项目专业质量检查员 :年月日监理(建设)单位验收结论监理工程师:(建设单位项目技术负责人)年 月 日工程名称宜兴市和桥彭城南路新建工程分部工程名称道路工程施工单位江苏缘恒建设有限公司施工执行标准 名称及编号质量验收规范的规定 (CJJ2-2008)主20.8.7-1控 1人行道结构材质和强度应 项 符合设计要求。