焊缝超声波探伤报告.doc
- 格式:doc
- 大小:286.51 KB
- 文档页数:12
准考证号:
座位号:
姓名:焊缝超声波探伤记录(兼报告)
结论探伤者×××日期
准考证号:
座位号:
姓名:
管子超声波探伤记录(兼报告)
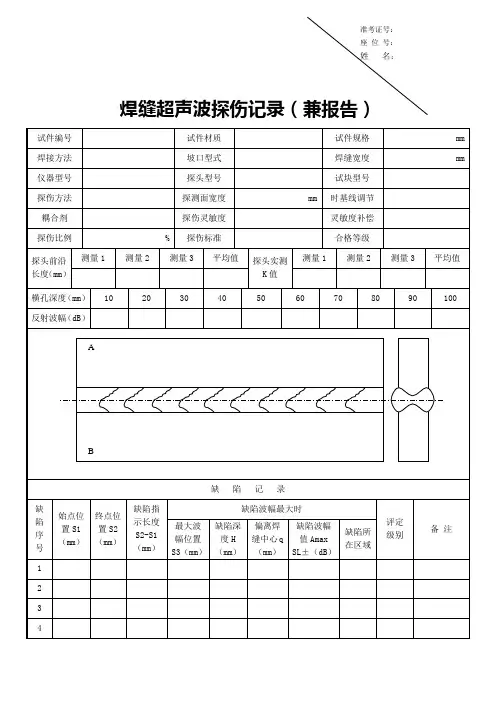
试件编号试件材质试件规格mm 仪器型号探头型号试块型号
探伤方法探测方向时基线调节
前沿长度mm 实测K值探测面
耦合剂探伤灵敏度灵敏度补偿
探伤比例% 探伤标准合格等级
切槽深度(mm)
反射波幅(dB)
内壁外壁内壁外壁内壁外壁内壁外壁内壁外壁
缺陷记录
缺陷序号始点位置
L1(mm)
终点位置
L2(mm)
缺陷指示长
度I(mm)
离始点周向距
离S(mm)
缺陷波幅
值Amax
评定级别备注
1 2。
焊缝超声波探伤报告.doc金属无损探伤检测报告平煤集团机电安装处年月日焊缝超声波探伤报告告编号:告日期2006年10月11日产品名称:首山一矿副井井架安装工程(组装)令号:工件名称:斜架工件编号:G101T-G102连接材料:Q235B 厚度:14 mm 焊缝种类:●平板○环缝●纵缝●T型○管座焊接方法:手电弧焊接焊缝数量:4条探伤面:平面、打磨检验范围:100%焊缝种类:●修整○扎制○机加检验规程:GB50205-2001 检测标准:GB/T11345-1989探伤时机:●焊后○热处理后○水压实验后●打磨后仪器型号:SMART-220超声仪耦合剂:●机油○甘油○浆糊探伤方式:●垂直●斜角●单探头○双探头○串列探头扫描细节:○深度●水平○声程比例:1:1 试块:CSK-IIIA 探伤部位示意图:见附图探伤结果及焊缝编号检验长度显示情况一次返修缺陷编号此条焊缝评定等级说明:N1:无应记录缺陷R1:有应记录缺陷1# 800×2 ●N1 ○R1 ○U1I返修情况2#1050×2●N1 ○R1 ○U1IIU1:有应返修缺陷检验焊缝总长:4228 mm,一次返修总长mm。
备注:结论:●合格○不合格检验人姓名:证书编号:114-0049 级别:UT-II 审核人姓名:焊缝超声波探伤报告告编号:告日期2006年10月11日产品名称:首山一矿副井井架安装工程(组装)令号:工件名称:斜架工件编号:G101H-G102连接材料:Q235B 厚度:14 mm 焊缝种类:●平板○环缝●纵缝●T型○管座焊接方法:手电弧焊接焊缝数量:4条探伤面:平面、打磨检验范围:100%焊缝种类:●修整○扎制○机加检验规程:GB50205-2001 检测标准:GB/T11345-1989探伤时机:●焊后○热处理后○水压实验后●打磨后仪器型号:SMART-220超声仪耦合剂:●机油○甘油○浆糊探伤方式:●垂直●斜角●单探头○双探头○串列探头扫描细节:○深度●水平○声程比例:1:1 试块:CSK-IIIA 探伤部位示意图:见附图探伤结果及返修情况焊缝编号检验长度显示情况一次返修缺陷编号此条焊缝评定等级说明:N1:无应记录缺陷R1:有应记录缺陷U1:有应返修缺陷1# 800×2 ●N1 ○R1 ○U1I2#1050×2○N1 ●R1 ●U1350mm II检验焊缝总长:4228 mm,一次返修总长350 mm。
焊缝探伤报告一、引言。
焊缝是由于金属材料在高温下熔化并冷却形成的连接部分,是工程结构中常见的连接方式。
然而,焊缝的质量直接关系到整个工件的安全性和稳定性。
因此,对焊缝进行探伤检测是非常重要的,可以及时发现焊接缺陷,确保焊接质量,提高工件的可靠性和安全性。
二、焊缝探伤方法。
1. X射线探伤。
X射线探伤是一种常用的焊缝探伤方法,通过X射线对焊接部位进行照射,利用不同材料对X射线的吸收能力不同的特点来检测焊缝是否存在缺陷。
X射线探伤可以对焊缝进行全面、立体的检测,能够检测出各种形式的焊接缺陷,如气孔、夹渣、裂纹等。
2. 超声波探伤。
超声波探伤是一种非破坏性检测方法,通过超声波对焊接部位进行检测,可以发现焊缝内部的缺陷。
超声波探伤可以检测出焊缝内部的气孔、夹渣、裂纹等缺陷,对于焊缝的质量评定具有较高的准确性。
3. 磁粉探伤。
磁粉探伤是一种常用的焊缝表面缺陷检测方法,通过在焊接部位撒布磁粉,并施加磁场,可以发现焊缝表面的裂纹、夹渣等缺陷。
磁粉探伤操作简单,成本低,适用于对焊缝表面缺陷的快速检测。
三、焊缝探伤报告。
根据对焊缝的探伤检测,我们得出以下报告:1. 焊缝内部存在气孔和夹渣,对焊接质量造成一定影响,需重新进行焊接处理。
2. 焊缝表面存在裂纹,需要进行修补处理,确保焊缝的完整性和稳定性。
3. 焊缝连接部位存在局部变形,需要重新进行焊接处理,确保焊接部位的稳固性。
四、结论。
焊缝探伤是确保焊接质量的重要手段,通过对焊缝的全面检测,可以及时发现焊接缺陷,保证焊接质量,提高工件的可靠性和安全性。
在进行焊接工艺时,需要严格按照工艺要求进行操作,确保焊接质量,减少焊接缺陷的产生。
五、致谢。
感谢对本次焊缝探伤工作给予支持和帮助的各位专家和同事,在他们的指导和帮助下,我们完成了本次焊缝探伤工作,并得出了相应的报告。
六、参考文献。
[1] 焊接工程手册。
[2] 焊接质量检测技术。
[3] 焊接工艺规程。
以上就是本次焊缝探伤报告的全部内容,希望能对大家有所帮助。
焊接探伤检测报告1. 引言在工业生产过程中,焊接是一种广泛应用的技术,但焊接过程中可能存在各种隐患和质量问题。
为了确保焊接接头的质量和安全性,焊接探伤检测成为必不可少的环节。
本报告旨在对某焊接接头进行探伤检测,并分析检测结果。
2. 检测方法2.1 超声波探伤超声波是一种常用的焊接探伤方法。
通过将超声波传导到被测件内部,利用材料的声波传播速度和衰减规律,可以检测出焊接接头内部的缺陷和异质物。
2.2 射线探伤射线探伤也是一种常见的焊接探伤方法。
通过将射线束照射到被测件上,然后通过感光底片或数字检测系统观察和分析射线经过后形成的影像,可以检测出焊接接头的内部缺陷,如气孔、夹渣等。
2.3 磁粉探伤磁粉探伤适用于对铁磁材料进行焊接缺陷的检测。
通过在焊接接头表面涂覆磁粉或通过感应磁场作用,可以观察到焊接接头表面和近表面的线性或环状缺陷。
3. 检测结果经过超声波、射线和磁粉探伤的综合检测,我们得到了如下的检测结果:3.1 超声波探伤结果在超声波探测过程中,我们发现焊接接头内部存在一处细小的裂纹,位于接头焊缝附近。
根据裂纹的深度和长度,我们判断这是一处微裂纹型缺陷,对焊接接头的强度和稳定性会造成一定的影响。
3.2 射线探伤结果射线探伤显示,焊接接头存在多处气孔和夹渣。
其中气孔主要分布在焊缝内部,而夹渣则主要集中在焊缝与母材的交界处。
这些缺陷可能导致焊接接头内部的应力集中和疲劳破坏。
3.3 磁粉探伤结果磁粉探伤显示,焊接接头表面存在一条长度为10cm的线性缺陷,位于焊缝旁边。
这条缺陷为焊接接头的热裂纹,可能由于焊接温度过高或焊接速度过快导致。
4. 缺陷分析与建议通过对焊接接头的综合检测结果分析,我们可以得出以下结论和建议:4.1 裂纹缺陷裂纹是焊接接头常见的缺陷,可能会导致焊接接头的疲劳破坏。
建议在焊接过程中加强焊接电流和焊接速度的控制,避免产生过大的焊接热输入,从而减少裂纹的生成。
4.2 气孔和夹渣气孔和夹渣是焊接接头质量低下的表现,会导致焊接接头的强度和密封性变差。
焊缝脚动超声波探伤之阳早格格创做锅炉压力容器战百般钢结构主要采与焊交要领治制.射线探伤战超声波探伤是对付焊缝举止无益检测的主要要领.对付于焊缝中的裂纹、已熔合等里状妨害性缺陷,超声波比射线有更下的检出率.随着新颖科技赶快死少,技能先进.超声仪器数字化,探头品种典型减少,使得超声波检测工艺不妨越收完备,检测技能更为老练.但是寡所周知:超声波探伤经纪为果素对付检测截止效用甚大;工艺性强;故此对付超声波检测人员的素量央供下.检测人员不但是要具备流利的超声波探伤技能,还应相识有闭的焊交基础知识;如焊交交头形式、坡心形式、焊交要领战大概爆收的缺陷目标、本量等.针对付分歧的检测对付象制定相映的探伤工艺,采用符合的探伤要领,进而赢得透彻的检测截止.射线检测限制性:1.辐射效用,正在检测场合附近,防备不当会对付人体制成伤害.2.受脱透力等限制效用,对付薄截里及薄度变更大的被检物检测效验短好.3.里状缺陷受目标效用检出率矮.4.不克不迭提供缺陷的深度疑息.5.需交近被检物体的二里.6.检测周期少,截止反馈缓.设备较超声笨重.成本下.惯例超声波检测不存留对付人体的妨害,它能提供缺陷的深度疑息战检出射线照相简单疏漏的笔直于射线进射目标的里积型缺陷.能立即出截止;与射线检测互补.超声检测限制性:1.由于支配者支配缺面引导检测截止的好别.2.对付支配者的主瞅果素(本领、体味、状态)央供很下.3.定性艰易.4.无直交睹证记录(有些自动化扫查拆置可做永暂性记录).5.对付小的(但是有大概超目标缺陷)不连绝性沉复检测截止的大概性小.6.对付细糙、形状不准则、小而薄及不均量的整件易以查看.7.需使用耦合剂使波能量正在换能器战被检工件之间灵验传播.超声波的普遍个性:超声波是板滞波(光战X射线是电磁波).超声波基础上具备与可听见波相共的本量.它们能正在固态、液态大概气态的弹性介量中传播.但是不克不迭正在真空中传播.正在很多圆里,一束超声波类似一束光.背光束一般,超声波不妨从表面被反射;当其脱过二种声速分歧物量的鸿沟时可被合射(真施横波检测基理);正在边沿处大概正在障碍物周围可被衍射(裂纹测下;端面衍射法基理).第一节焊交加工及罕睹缺陷一、焊交加工1、焊交要领:有脚工电弧焊、埋弧自动焊、气体呵护焊、电渣焊、气焊(氧气+乙炔).焊交历程本量上是一个冶炼战铸制历程.利用电能大概其余能量爆收下温熔化金属,产死熔池,熔融金属正在熔池中经冶金反应后热却,将二母材坚韧的分离正在所有,产死焊交交头.焊交历程中,其焊弧温度下达6000℃,相称于太阳表面温度.熔池温度也正在1200℃以上.果局部下温戴去以下问题:易氧化;爆收夹渣;渗进气体(气氛中氧、氮);爆收应力.为预防有害气体渗进,脚工电弧焊是利用中层药皮下温时领会爆收的气体产死呵护.埋弧焊战电渣焊是利用固体大概液体焊剂动做呵护层.气体呵护焊是利用氩气大概二氧化碳气(惰性气体)做呵护层.2、交头形式:有对付交交头、角交交头、T型交头战拆交(拆交交头正在锅炉压力容器中不允许采与).对付交交头角交交头T型交头拆交交头3、坡心形式:I型、V型、U型、X型、K型为包管二母材焊交时能真足熔合,焊前将母材加工成一定的坡心形状,使其有好处焊交真施.其形状战各部称呼如下:坡心角度坡心里钝边根部间隙坡心脚段————包管齐熔透,缩小补充量.钝边脚段————包管齐熔透,预防咬边.间隙脚段————包管齐熔透,统制内凸、已焊透.二、焊缝中罕睹缺陷及爆收本果1、焊缝罕睹缺陷:气孔、夹渣、夹钨、内凸、焊瘤、烧脱、已焊透、已熔合、裂纹等.2、缺陷产死及爆收本果:a. 气孔——熔池热却凝固之前去不迭劳出残留气体(一氧化碳、氢气)而产死的空穴.果焊条焊剂烘搞不敷;坡心油污不搞洁;防风不利引导电弧偏偏吹;呵护气体效用做兴等本果所至.b. 夹渣——残留正在焊缝内的溶渣大概非金属夹杂物(氮化物、硅酸盐).果坡心不搞洁;层间浑渣不洁;焊交电流过小;焊交速度过快;熔池热却过快,熔渣及夹杂物去不迭浮起等本果引导.c. 已焊透——交头部分金属已真足熔透.果焊交电流小;焊速过快;坡心角度小;间隙小;坡心加工不典型;焊偏偏;钝边过大等本果所至.d. 已熔合——补充金属与母材大概补充金属之间已熔合正在所有.果坡心不搞洁;电流小;运条速度快;焊条角度不当(焊偏偏)等本果所至.e. 夹钨——钨熔面下,已熔化并凝固正在焊缝中.果不熔化极氩弧焊极脱降引导.f. 内凸——表面补充不良.果焊条拔出不到位.g. 裂纹——焊交中大概焊交后,正在焊缝大概母材的热效用区局部的漏洞破裂.热裂纹——焊缝金属从液态凝固到固体时爆收的裂纹(晶间裂纹);果交头中存留矮熔面共晶体,偏偏析;由于焊交工艺不当所至.热裂纹——焊交成形后,几小时以至几天后爆收(延缓裂纹).爆收本果:相变应力(碳钢热却过快时,爆收马氏体背珠光体、铁素体过度时爆收);结构应力(热胀热缩的应力、拘束力越下应力越大,那是矮碳钢爆收热裂纹的主要本果.忌强力拆置)战氢坚(氢气效用使资料变坚,壁薄较大时易出现)所至.再热裂纹——再次加热爆收.3、缺陷正在设备服役中的妨害:普遍妨害——气孔;夹渣;内凸(焊缝截里强度降矮,腐蚀后制成脱孔、揭收)宽沉妨害——裂纹;已熔合;已焊透已熔合:里状缺陷,应力集结,易爆收裂纹.已焊透:笔直于焊缝,根部已焊透易腐蚀;有死少裂纹趋势.裂纹:尖钝的里状缺陷,达临界深度即断裂做兴.第二节仄板对付交焊缝超声波探伤焊缝的超声波检测———可用直射声束法大概斜射声束法(无需磨仄余下)举止检测.本量探伤中,超声波正在匀称物量中传播,逢缺陷存留时,产死反射.此时缺陷即可瞅动做新的波源,它收出的波被探头交支,正在荧光屏上被解读.JB/T4730-2005尺度确定缺陷少度的测定是以缺陷波端面正在某一敏捷度(定量线)下,移动探头,该波降至50%时为缺陷指示少度,以此动做判决依据.而此时正是探头核心对付准缺陷边沿时的位子.缺陷越小,缺陷回波越不扰治探头的声场;由扫查法(此时用移动探头测定缺陷少度)测定缺陷尺寸不透彻(适用当量法).此法测定的不是缺陷尺寸,而是声束宽度.惠更斯本理称:动摇是振荡状态的传播,如果介量是连绝的(匀称介量可连绝传播动摇),那么介量中所有量面的振荡皆将引起相近量面的振荡,相近量面的振荡又会引起较近量面的振荡.果此动摇中所有量面皆不妨瞅做是新的波源.(当探测小于探头晶片尺寸的缺陷时,其指示少度与探头直径相近)一、探伤条件采用1. 根据图纸、合共央供采用典型、尺度(JB/T4730-2005).决定检测技能等第(A级;B级;C级)2. 频次采用:普遍焊缝的晶粒较细,可采用较下频次;2.5~5.0MHz对付板薄较薄焊缝,采与下频次,普及辨别力.对付薄板焊缝战材量衰减明隐的焊缝,应采与较矮频次探伤,以包管探伤敏捷度.3. K值采用:①使主声束能扫到所有焊缝截里;a. 果素②使声束核心线尽管与主要妨害性缺陷笔直;③包管有脚够的探伤敏捷度.aL0bb. 公式:a+b+L0K≥T(不克不迭谦脚此条件,中间有一主声束扫查不到的菱形天区.那一天区内缺陷大概漏检);副声速也大概扫到,但是找不到最下波,无法定量.焊缝宽度对付K值采用灵验率.正在条件允许(探伤敏捷度脚够)的情况下,应尽管采与大K值探头.c. 根据工件薄度采用K值:薄工件采与大K值探头,预防近场探伤,普及定位、定量细度.薄工件采与小K值探头,以支缩声程,减小衰减,普及探伤敏捷度.共时还可缩小挨磨宽度.JB/T4730-2005推荐K值d. K值会果工件声速变更(斯涅我定律)战探伤中探头的磨益而爆收变更.所以要时常K值举止校验.变更顺序:声速快,K值变大;探头后里磨益大,K值变大.4. 试块采用:JB/T4730-2005尺度中确定的尺度试块有;CSK-ⅠA;CSKⅡA;CSKⅢA;CSKⅣ.CSK-ⅠA试块用于超声波仪器、探头系统本能校准战检测校准.CSKⅡA;CSKⅢA;CSKⅣ试块用于超声波检测校准.CSKⅡA;CSKⅣ试块的人为反射体为少横孔.少横孔反射波正在表里上与焊缝的光润的直线熔渣相似.共时,利用横孔对付分歧的声束合射角也能得到相等的反射里;但是需要分歧深度对付比孔,切合分歧板薄的焊缝检测.少横孔近场变更顺序,果距离变更,其变更顺序更类似于已焊透.正在少横孔试块上画制直线,测定敏捷度,适用已焊透类缺陷的统制.少横孔变更顺序:(不切合近场)Df1 X23△dB = 10lgDf2 X13CSKⅢA试块的人为反射体为短横孔.短横孔近场变更顺序,果距离变更,其变更顺序似球孔.以此画制直线,敏捷度可灵验的统制面状缺陷.但是此敏捷度对付条状缺陷偏偏宽.对付中薄板检测敏捷度偏偏下.短横孔变更顺序:(不切合近场)Df1 X24△dB = 10lgDf2 X14二种反射体试块果反射体典型分歧,二者敏捷度不相共.反射顺序分歧,直线顺序亦分歧.所统制检测对付象分歧.故二者不得混用.5. 耦合剂:正在超声波直交交触法探伤中,探头战被检物之间不加进符合的耦合剂,探伤是无法完成的.耦合剂不妨是液体、半液体大概粘体.并应具备下列本能:a. 正在本量检测中能提供稳当的声耦合;b. 使被检物表面与探头表面之间潮干,与消二者之间的气氛;c. 使用便当;d. 不会很快天从表面流溢;e. 提供符合的润滑,使探头正在被检物表面易于移动;f. 耦合剂应是匀称的,且不含有固体粒子大概气泡;g. 预防传染,而且不腐蚀、毒性大概妨害,阻挡易焚;h. 正在检测条件下,阻挡易冻结大概汽化;i. 检测后易于扫除.时常使用耦合剂有机油;糨糊;苦油;润滑脂(黄油);火.机油不利于扫除,还给焊缝返建戴去不利.糨糊更有好处笔直、顶里探伤.耦合剂的另一要害个性是其声阻抗值应介于探头晶片与被检资料声阻抗值之间(Z2=√Z•Z3,薄层介量声阻抗为1二侧介量阻抗几许仄衡值时,声强透射率等于1,超声齐透射).支配者的技能对付优良的耦合是要害果素,所有历程对付探头施加匀称、牢固压力,有帮于排除气氛泡战赢得匀称的耦合层薄度.6. 探伤里:扫除焊交飞溅、氧化皮、锈蚀、油漆、凸坑(用板滞、化教要领均可)检测表面应仄坦,便于探头扫查移动.表面细糙度≯μm.普遍应挨磨.a. 检测区宽度——焊缝自己加上焊缝二侧各相称于母材薄度30%的一段天区(5~10mm).b. 探头移动区宽度:(P=2KT)一次反射法检测,应大于大概等于1.25P;直射法检测,应大于大概等于0.75P.c. 母材检测:C级检测有央供(较要害工件大概图纸有央供时)应举止母材检测.仅做记录,不属于母材查支.瞅其是可灵验率斜探头检测截止的分层类缺陷.母材检测央供:①. 2~5MHz直探头,晶片直径10~25mm;②. 检测敏捷度:无缺陷处第二次底波调为屏幕谦刻度的100%;③. 缺陷旗号幅度超出20%时,应标记表记标帜记录.7. 探测目标采用根据工件结构;坡心角度、形式;焊交中大概出现缺陷的目标性以及妨害性缺陷.采用主声束尽管与其笔直的进射目标.B级考验:a.纵背缺陷检测:①.T=8~46mm时,单里单侧(一种K值探头,直射波战一次反射波法)检测;②.T>46~120mm时,单里单侧(一种K值,直射波法)检测.如受几许条件节制,也可正在单里单侧大概单里单侧采与二种K值探头检测.③.T>120~400mm时,单里单侧(二种K值,直射波法)检测.二探头合射角出进≮100 .b. 横背缺陷检测:①.正在焊缝二侧,声束轴线与焊缝核心线夹角10~200做斜仄止探测(正反二个目标);②.若焊缝磨仄,可正在焊缝及热效用区上做二个目标的扫查;③. 电渣焊易出现人字形横裂纹,可用K1探头以450夹角正在焊缝二侧,做正反二个目标的斜仄止扫查.C级考验:a. 应将焊缝余下磨仄;焊缝二侧的斜探头扫查天区之母材用直探头举止检测;b. T=8~46mm时,单里单侧(二种K值,探头合射角出进≮100,其中一个为450;一次反射法)检测;c. T>46~400mm时,单里单侧(二种K值,探头合射角出进≮100,一次反射波)检测;对付于单侧坡心小于50的窄间隙焊缝,如有大概应减少对付与坡心表面仄止缺陷的灵验检测要领(如串列扫查);d. 应举止横背缺陷检测.8. 前沿、K值测定a.前沿测定:可正在CSK-IA试块上,利用R50;R100圆弧测定.将探头搁置正在IA试块上,前后移动探头,找到最下波,量出探头前端至试块R100端距离X;此探头前沿尺寸L0=100-X.b. K值测定:①.利用CSK-IA试块上Φ50反射体;前后移动探头,找到最下波,量出探头前沿距试块端部火仄距离L;L+ L0-35K=30②.利用CSK-ⅢA试块上Φ1×6孔,深20mm较好(躲启近场).找到最下波;量火仄距离L.L+ L0-40K=209. 扫描速度(时基线)安排声程法:屏幕时基线隐现为超声波传播距离(非K值探头用此法).火仄法:屏幕时基线隐现为探头进射面至反射体投影到检测里的火仄距离.(δ≤20mm时采与此法)深度法:屏幕时基线隐现为反射体距检测里深度距离.(δ>20mm时采与此法)a. 利用CSK-IA试块上,R50、R100共心圆弧安排.正在IA试块上,安排移动探头;屏幕上共时隐现出R50、R100二反射波,找到最下波,波下80%(探头做前后移动,使二反射波下度相共).按住探头不动,安排脉冲移位战深度旋钮,使R50;R100反射波前沿分别对付准h1;h2(估计得出).扫描速度即安排完成.. 火仄法: h1= sinβ*50mm ;h2= sinβ*100mm供 h1;h2深度法:h1=cosβ*50mm ;h2=cosβ*100mmb. 利用CSK-ⅢA试块上,Φ1×6孔安排.①.正在ⅢA试块上,选定二倍闭系分歧深度A、B二孔;(A孔深度20mm;B孔深40mm);移动探头,找到A孔最下波(波下80%);调脉冲移位旋钮,使A波前沿对付准h1;②.挪动探头,找到B孔最下波,波下80%;B 孔读数为Y;若Y不等于2h1,供二者之间的好X. X=︱2h1-Y ︴③.探头不动.调深度(微调)旋钮,移动B孔至Y±2X.再调脉冲移位旋钮,使B波回至2h1.④. 挪动探头,找到A孔最下波,若正对付h1,即安排完成.可则需沉复上述步调.注:此法受反射体形状、尺寸效用,透彻探伤时需举止建正.A孔B孔X10. 距离——波幅直线的画制a.距离——dB直线:(表格形式数字标注).b.距离——波幅直线:将反射波幅用毫米(大概%)画正在纸上大概里板上.依据正在对付比试块上一组分歧深度的人为反射体的反射波幅,真测得到一条基准线画制而成.普遍由评比线;定量线;判兴线三条线组成;分三个天区.各线敏捷度依分歧尺度而定.c.距离——波幅直线创制:①. 距离——dB直线创制测定探头进射面、K值;调好扫描速度.将探头置于考验尺度确定试块上,测距表面迩去人为反射体,找到最下波;调删益使波下至80%,记下衰减器读数与孔深度;而后依次测分歧深度孔(深度达将检测最大深度),调删益使得各孔波下达80%,记下此时衰减器dB数,挖进表中即可.②.距离——波幅直线画制测定探头进射面、K值;调好扫描速度.将探头置于考验尺度确定试块上,测距表面迩去人为反射体,找到最下波;调删益使波下至80%,按住探头不动,记下衰减器读数;并将波峰标正在屏幕里板上.删益不动.依次测其余深度孔,并将各孔波峰标正在屏幕里板上;连交各面,即成为该反射体距离—波幅基准线.根据尺度确定各条线敏捷度,调删益(衰减器),屏幕上那条基准线即可变换成所需的三条线中任性一条线.d.距离——波幅直线真用若探伤中创制一缺陷波.找到最下波,按住探头不动.安排删益(衰减器),使该波峰至距离—波幅直线上(此时屏幕上隐现应是定量线SL),读衰减器读数f;估计f与定量线SL好值为△dB.该缺陷波幅应记录为SL±△dB.若时基线按深度法安排,正在时基线上可直交读出缺陷深度H,并估计出火仄距离L.若时基线按火仄法安排,则正在时基线上可直交读出缺陷火仄距离L,并估计出深度H.深度法: L = K HL火仄法: H= Ke.分段画制直线(适用模拟仪器)若被检工件薄度较大,屏幕上正在最大检测距离处距离—波幅直线位子会很矮.扫查历程中的回动摇态变更阻挡易瞅察到,简单引导缺陷漏检.(直线应画制正在屏幕20%下度以上天区).可采与分段画制办法办理.要领、步调:正在本直线上某一面(中间大概2/3;大概二次波中),调删益,将敏捷度普及10dB(记录此读数).再按惯例要领依次将后里深度反射体波下标正在屏幕上.本量探伤时,此面之前深度内用删益之前敏捷度探伤;此面之后深度范畴,用删益后普及10dB以去的敏捷度.其余各条线敏捷度亦随之.11. 声能传输耗费好的测定a.声能益坏制成本果:①. 材量衰减耦合情景②. 表面益坏工件表面细糙度直率(工件形状)工件自己效用反射波幅的二个主要果素是:材量衰减战工件表面细糙度及耦合情景制成的表面声能益坏.JB/T4730-2005尺度确定:碳钢战矮合金钢板材的材量衰减,正在频次矮于3MHz、声程不超出200mm时,大概者衰减系数小于0.01dB/mm时,不妨不计.超出上述范畴,正在决定反射波幅时,应试虑材量衰减建正.b.横波材量衰减的测定:①. 创制与受检工件材量相共(近),薄40mm,表面细糙度与对付比试块相共的仄里试块.A 1P 2P40mm②.斜探头按深度1:1安排仪器时基扫描线.③.另采用一只与该探头尺寸、频次、K值相共的斜探头,置于试块上,二探头进射面间距为1P,仪器调为一支一收状态,找到最大反射波,记录其波幅值H1(dB).④.将二探头推启到距离为2P的位子,找到最大反射波幅,记录其波幅值H2(dB).⑤.衰减系数α可用下式供出:α=(H1-H2-△)/(S2-S1)S1=40/cosβ+L1S2=80/cosβ+L1L1=L0tanα/tanβ式中:L0——晶片到进射面的距离,简化处理亦可与L1=L0,mm;△——不思量材量衰减时,声程S2、S1大仄里的反射波幅好.(约为6dB).如与对付比试块的探测里测得波幅出进不超出1dB,则可不思量工件的材量衰减.c. 传输益坏好的测定:①. 斜探头按深度安排时基扫描线.②. 采用另一只与该探头尺寸、频次、K值相共的斜探头,置于对付比试块上,二探头进射面间距为1P,仪器调为一支一收状态,找到最大反射波,记录其波幅值H1(dB).40mm对付比试块T工件母材③.正在受检工件上(短亨过焊交交头)共样测出交支波最大反射波幅,记录其波幅值H2(dB).④.传输益坏好△V按下式估计:△V=H1-H2-△1-△2式中:△1——不思量材量衰减时,声程S1 、S2大仄里的反射波幅dB好,可用式20lg(S2/S1)估计得出(dB).S1——正在对付比试块中的声程,mm.S2——正在工件母材中的声程,mm.△2——试块中声程S1与工件中声程S2的超声材量衰减好值,dB.如试块材量衰减系数小于0.01dB/mm,此项可不予思量.d. 由工件直率制成的表面声能益坏:采与戴直率的对付比试块,试块直率半径为工件半径0.9~1.5倍.通过对付比考查,举止直里补偿.综上所述:工件表面耦合好探伤敏捷度删益总量材量衰减量(最大检测声程)(dB)敏捷度央供(根据真止尺度决定)12. 扫查办法①.锯齿形扫查——细扫查.沿W轨迹前后移动探头,(移动齿距≯晶片直径)并做10~15º安排转化.脚段是创制倾斜缺陷.②.安排、前后扫查——安排扫查可测得缺陷少度;前后扫查可测定缺陷自己下度战深度.③.转角扫查——估计缺陷目标.④.环绕扫查——估计缺陷形状.环绕扫查时,波下稳定,可定为面状缺陷.⑤.仄止、斜仄止扫查——用于查看焊缝及热效用区横背缺陷.(与焊缝轴线成10~45º夹角,)敏捷度普及6dB.⑥.串列扫查——用于薄板窄间隙焊缝大概笔直于表面缺陷检测.多采与K1二个探头串列式扫查.串列扫查回波位子稳定;存留扫查死区.串列扫查锯齿形扫查前后扫查安排扫查转角扫查环绕扫查13. 探伤敏捷度采用a.距离波幅——直线敏捷度按真止尺度确定采用.b.检测横背缺陷时,应将各线敏捷度均普及6dB.c.检测里直率半径R≤W2/4时,距离—波幅直线的画制应正在与检测里直率相共的对付比试块上举止.d.正在一跨距声程内最大传输益坏好大于2dB时应举止补偿.e.扫查敏捷度不矮于最大声程处的评比线敏捷度.14. 缺陷最大波幅测定将探头移至缺陷出现最大反射旗号的位子,测定波幅大小,并决定天区.15. 缺陷位子测定a. 火仄定位法:例:时基线安排为火仄1:n.本量探伤中创制一缺陷,屏幕读数40,该缺陷火仄距离即为n*40mm;埋躲深度为n*40/K.b. 深度定位法:例:时基线安排为深度1:n.本量探伤中创制一缺陷,屏幕读数40,该缺陷埋躲深度为n*40;火仄距离为n*40*K.16. 缺陷指示少度测定a. 当缺陷波惟有一个下面,且位于Ⅱ区及以上时,使波幅降到谦刻度的80%后,用6dB法测少.b. 当缺陷波有多个下面,且位于Ⅱ区及以上时,使波幅降到谦刻度的80%后,用端面6dB法测少.c. 当缺陷波位于Ⅰ区,认为有需要记录时,将探头安排移动,使波幅降到评比线,以此测定少度(千万于敏捷度法).6dBⅡ区6dB左端面Ο6dB法端面6dB法17. 缺陷评比与记录报告资格人员按尺度评比、出具.18. 缺陷典型辨别战本量估判缺陷本量测定:缺陷本量不但是可利用缺陷反射波幅变更测定(固态波形),还可瞅察其动背波形的变更推定.探头移动时,球状大概细糙表面缺陷的反射波变更缓缓.为考证此类缺陷不但是要使探头沿直线疏通,,而且还需使探头回转改变声束瞄准目标.光润而仄坦的缺陷比裂纹缺陷明隐的爆收前沿陡而宽度窄的反射波.a. 缺陷典型识别的普遍要领:采与多种声束目标做多种扫查,如前后、安排、环绕、转化扫查;通过对付百般超声疑息概括评比举止辨别.①. 面状缺陷回波个性:(气孔、小夹渣等体积性缺陷)回波幅度较小,探头前后、安排,转化扫查时波幅仄滑,由整降下到最大值,又仄滑的低沉至整.环绕扫查时回波下度基本相共.A隐现波幅固态波形最大反射幅度变更(包络线)面反射体回动摇态波形②. 线性缺陷回波个性:(线性条状夹渣、已焊透、已熔合等)有明隐的指示少度,但是阻挡易测出其断里尺寸.探头前后移动.类似面状波形变更.安排移动时,启初波幅仄滑的由整降下到峰值,探头继承移动,波幅基础稳定,大概正在±4dB的范畴内变更,末尾又稳固的低沉到整.波 A隐现幅固态波形最大反射幅度变更(包络线)交近笔直进射时光润大仄里反射体的回动摇态波形③. 体积状缺陷回波个性:(不准则大夹渣)有可测少度战明隐断里尺寸.安排扫查类似线性条状波形变更,固态波形不圆滑;探头前后、安排移动时,回波幅度起伏不准则.那种缺陷正在多目标大概多种声束角度探。
焊缝的超声波探伤及缺陷评定超声波探伤作为无损检测一种方法,因其探伤效率高、成本低、穿透能力强,而被广泛应用。
它是利用频率超过20KHz的高频声束在试件中与试件内部缺陷(如裂缝、气孔、夹渣等)中传播的特性,来判定是否存在缺陷及其尺度的一种无损检测技术。
超声检测因其固有特点,它比较适合于检测焊缝中的平面型缺陷,如裂纹、未焊透、未熔合等。
焊缝厚度较大时,其优点愈明显。
4.1 焊缝超声波探伤焊缝探伤主要采用斜探头横波探伤,斜探头使声束斜向入射,斜探头的倾斜角有多种,使用斜探头发现焊缝中的缺陷与用直探头探伤一样,都是根据在始脉冲与底脉冲之间是否存在伤脉冲来判断。
当发现焊缝中存在缺陷之后,根据探头在试件上的位置以及缺陷回波在显示屏上的高度,就可确定出焊缝的缺陷位置和大小。
这是因为在探伤前按一定的比例在超声仪荧光屏上作有距离—波幅曲线。
下面详细介绍。
(1)检测条件的选择由于焊缝中的危险缺陷常与入射声束轴线呈一定夹角,基于缺陷反射波指向性的考虑,频率不宜过高,一般工作频率采用2.0-5.0MHz:板厚较大,衰减明显的焊缝,应选用更低一些的频率。
探头折射角的选择应使声束能扫查到焊缝的整个截面,能使声束中心线尽可能与主要危险性缺陷面垂直。
常用的探头斜率为K1.5~K2.5。
常用耦合剂有机油、甘油、浆糊、润滑脂和水等,从耦合剂效果看,浆糊与机油差别不大,但浆糊粘度大,并具有较好的水洗性,所以,常用于倾斜面或直立面的检测。
(2) 检测前的准备(3)探测面的修整探测面上的焊接飞溅、氧化皮、锈蚀和油垢等应清除掉,探头移动区的深坑应补焊后用砂轮打磨。
探测面的修整宽度B应根据板厚t和探头的斜率K计算确定,一般不应小于2.5Kt。
(4)斜探头入射点和斜率的测定1) 斜探头的入射点测定。
斜探头声束轴线与探头楔块底面的交点称为斜探头的入射点,商品斜探头都在外壳侧面标志入射点,由于制造偏差和磨损等原因,实际入射点往往与标志位置存在偏差,因此需经常测定。
焊缝手动超声波探伤之五兆芳芳创作汽锅压力容器和各类钢结构主要采取焊接办法制造.射线探伤和超声波探伤是对焊缝进行无损检测的主要办法.对于焊缝中的裂纹、未熔合等面状危害性缺陷,超声波比射线有更高的检出率.随着现代科技快速成长,技巧进步.超声仪器数字化,探头品种类型增加,使得超声波检测工艺可以加倍完善,检测技巧更加成熟.但众所周知:超声波探伤中人为因素对检测结果影响甚大;工艺性强;故此对超声波检测人员的素质要求高.检测人员不但要具备熟练的超声波探伤技巧,还应了解有关的焊接根本知识;如焊接接头形式、坡口形式、焊接办法和可能产生的缺陷标的目的、性质等.针对不合的检测对象制定相应的探伤工艺,选用适合的探伤办法,从而取得正确的检测结果.射线检测局限性:1.辐射影响,在检测场地邻近,防护不当会对人体造成伤害.2.受穿透力等局限影响,对厚截面及厚度变更大的被检物检测效果欠好.3.面状缺陷受标的目的影响检出率低.4.不克不及提供缺陷的深度信息.5.需接近被检物体的两面.6.检测周期长,结果反响慢.设备较超声粗笨.成本高.常规超声波检测不存在对人体的危害,它能提供缺陷的深度信息和检出射线照相容易疏漏的垂直于射线入射标的目的的面积型缺陷.能即时出结果;与射线检测互补.超声检测局限性:1.由于操纵者操纵误差导致检测结果的差别.2.对操纵者的主不雅因素(能力、经验、状态)要求很高.3.定性困难.4.无直接见证记实(有些自动化扫查装置可作永久性记实).5.对小的(但有可能超标的缺陷)不连续性重复检测结果的可能性小.6.对粗糙、形状不法则、小而薄及不均质的零件难以查抄.7.需使用耦合剂使波能量在换能器和被检工件之间有效传播.超声波的一般特性:超声波是机械波(光和X射线是电磁波).超声波根本上具有与可闻声波相同的性质.它们能在固态、液态或气态的弹性介质中传播.但不克不及在真空中传播.在良多方面,一束超声波类似一束光.向光束一样,超声波可以从概略被反射;当其穿过两种声速不合物质的鸿沟时可被折射(实施横波检测基理);在边沿处或在障碍物周围可被衍射(裂纹测高;端点衍射法基理).第一节焊接加工及罕有缺陷一、焊接加工1、焊接办法:有手工电弧焊、埋弧自动焊、气体庇护焊、电渣焊、气焊(氧气+乙炔).焊接进程实际上是一个冶炼和铸造进程.利用电能或其它能量产生低温熔化金属,形成熔池,熔融金属在熔池中经冶金反响后冷却,将两母材牢固的结合在一起,形成焊接接头.焊接进程中,其焊弧温度高达6000℃,相当于太阳概略温度.熔池温度也在1200℃以上.因局部低温带来以下问题:易氧化;产生夹渣;渗入气体(空气中氧、氮);产生应力.为避免有害气体渗入,手工电弧焊是利用外层药皮低温时分化产生的气体形成庇护.埋弧焊和电渣焊是利用固体或液体焊剂作为庇护层.气体庇护焊是利用氩气或二氧化碳气(惰性气体)作庇护层.2、接头形式:有对接接头、角接接头、T型接头和搭接(搭接接头在汽锅压力容器中不允许采取).对接接头角接接头T型接头搭接接头3、坡口形式:I型、V型、U型、X型、K型为包管两母材焊接时能完全熔合,焊前将母材加工成一定的坡口形状,使其有利于焊接实施.其形状和各部名称如下:坡口角度坡口面钝边根部间隙坡口目的————包管全熔透,削减填充量.钝边目的————包管全熔透,避免咬边.间隙目的————包管全熔透,控制内凹、未焊透.二、焊缝中罕有缺陷及产生原因1、焊缝罕有缺陷:气孔、夹渣、夹钨、内凹、焊瘤、烧穿、未焊透、未熔合、裂纹等.2、缺陷形成及产生原因:a. 气孔——熔池冷却凝固之前来不及逸出残留气体(一氧化碳、氢气)而形成的空穴.因焊条焊剂烘干不敷;坡口油污不洁净;防风倒霉导致电弧偏吹;庇护气体作用失效等原因所至.b. 夹渣——残留在焊缝内的溶渣或非金属搀杂物(氮化物、硅酸盐).因坡口不洁净;层间清渣不净;焊接电流太小;焊接速度过快;熔池冷却过快,熔渣及搀杂物来不及浮起等原因导致.c. 未焊透——接头部分金属未完全熔透.因焊接电流小;焊速过快;坡口角度小;间隙小;坡口加工不标准;焊偏;钝边过大等原因所至.d. 未熔合——填充金属与母材或填充金属之间未熔合在一起.因坡口不洁净;电流小;运条速度快;焊条角度不当(焊偏)等原因所至.e. 夹钨——钨熔点高,未熔化并凝固在焊缝中.因不熔化极氩弧焊极脱落导致.f. 内凹——概略填充不良.因焊条拔出不到位.g. 裂纹——焊接中或焊接后,在焊缝或母材的热影响区局部的裂缝破裂.热裂纹——焊缝金属从液态凝固到固体时产生的裂纹(晶间裂纹);因接头中存在低熔点共晶体,偏析;由于焊接工艺不当所至.冷裂纹——焊接成形后,几小时甚至几天后产生(延迟裂纹).产生原因:相变应力(碳钢冷却过快时,产生马氏体向珠光体、铁素体过渡时产生);结构应力(热胀冷缩的应力、约束力越高应力越大,这是低碳钢产生冷裂纹的主要原因.忌强力装配)和氢脆(氢气作用使资料变脆,壁厚较大时易出现)所至.再热裂纹——再次加热产生.3、缺陷在设备退役中的危害:一般危害——气孔;夹渣;内凹(焊缝截面强度下降,腐化后造成穿孔、泄漏)严重危害——裂纹;未熔合;未焊透未熔合:面状缺陷,应力集中,易产生裂纹.未焊透:垂直于焊缝,根部未焊透易腐化;有成长裂纹趋势.裂纹:锋利的面状缺陷,达临界深度即断裂失效.第二节平板对接焊缝超声波探伤焊缝的超声波检测———可用直射声束法或斜射声束法(无需磨平余高)进行检测.实际探伤中,超声波在均匀物质中传播,遇缺陷存在时,形成反射.此时缺陷便可看作为新的波源,它收回的波被探头接收,在荧光屏上被解读.JB/T4730-2005尺度法则缺陷长度的测定是以缺陷波端点在某一灵敏度(定量线)下,移动探头,该波降至50%时为缺陷指示长度,以此作为判定依据.而此时正是探头中心对准缺陷边沿时的位置.缺陷越小,缺陷回波越不扰乱探头的声场;由扫查法(此时用移动探头测定缺陷长度)测定缺陷尺寸不正确(适用当量法).此法测定的不是缺陷尺寸,而是声束宽度.惠更斯原理称:动摇是振动状态的传播,如果介质是连续的(均匀介质可连续传递动摇),那么介质中任何质点的振动都将引起邻近质点的振动,邻近质点的振动又会引起较远质点的振动.因此动摇中任何质点都可以看作是新的波源.(当探测小于探头晶片尺寸的缺陷时,其指示长度与探头直径相近)一、探伤条件选择1. 按照图纸、合同要求选用标准、尺度(JB/T4730-2005).确定检测技巧等级(A级;B级;C级)2. 频率选择:一般焊缝的晶粒较细,可选择较高频率;2.5~5.0MHz对板厚较薄焊缝,采取高频率,提高分辩力.对厚板焊缝和材质衰减明显的焊缝,应采取较低频率探伤,以包管探伤灵敏度.3. K值选择:①使主声束能扫到整个焊缝截面;a. 要素②使声束中心线尽量与主要危害性缺陷垂直;③包管有足够的探伤灵敏度.aL0bb. 公式:a+b+L0K≥T(不克不及满足此条件,中间有一主声束扫查不到的菱形区域.这一区域内缺陷可能漏检);副声速也可能扫到,但找不到最高波,无法定量.焊缝宽度对K值选择有影响.在条件允许(探伤灵敏度足够)的情况下,应尽量采取大K值探头.c. 按照工件厚度选择K值:薄工件采取大K值探头,避免近场探伤,提高定位、定量精度.厚工件采取小K值探头,以缩短声程,减小衰减,提高探伤灵敏度.同时还可削减打磨宽度.JB/T4730-2005推荐K值d. K值会因工件声速变更(斯涅尔定律)和探伤中探头的磨损而产生变更.所以要经常K值进行校验.变更纪律:声速快,K值变大;探头前面磨损大,K值变大.4. 试块选择:JB/T4730-2005尺度中法则的尺度试块有;CSK-ⅠA;CSKⅡA;CSKⅢA;CSKⅣ.CSK-ⅠA试块用于超声波仪器、探头系统性能校准和检测校准.CSKⅡA;CSKⅢA;CSKⅣ试块用于超声波检测校准.CSKⅡA;CSKⅣ试块的人工反射体为长横孔.长横孔反射波在理论上与焊缝的滑腻的直线熔渣相似.同时,利用横孔对不合的声束折射角也能得到相等的反射面;但需要不合深度对比孔,适应不合板厚的焊缝检测.长横孔远场变更纪律,因距离变更,其变更纪律更类似于未焊透.在长横孔试块上绘制曲线,测定灵敏度,适用未焊透类缺陷的控制.长横孔变更纪律:(不适合近场)Df1 X23△dB = 10lgDf2 X13CSKⅢA试块的人工反射体为短横孔.短横孔远场变更纪律,因距离变更,其变更纪律似球孔.以此绘制曲线,灵敏度可有效的控制点状缺陷.但此灵敏度对条状缺陷偏严.对中厚板检测灵敏度偏高.短横孔变更纪律:(不适合近场)Df1 X24△dB = 10lgDf2 X14两种反射体试块因反射体类型不合,两者灵敏度不相同.反射纪律不合,曲线纪律亦不合.所控制检测对象不合.故两者不得混用.5. 耦合剂:在超声波直接接触法探伤中,探头和被检物之间不参加适合的耦合剂,探伤是无法完成的.耦合剂可以是液体、半液体或粘体.并应具备下列性能:a. 在实际检测中能提供可靠的声耦合;b. 使被检物概略与探头概略之间润湿,消除两者之间的空气;c. 使用便利;d. 不会很快地从概略流溢;e. 提供适合的润滑,使探头在被检物概略易于移动;f. 耦合剂应是均匀的,且不含有固体粒子或气泡;g. 避免污染,并且没有腐化、毒性或危害,不容易燃;h. 在检测条件下,不容易冻结或汽化;i. 检测后易于清除.经常使用耦合剂有机油;糨糊;甘油;润滑脂(黄油);水.机油倒霉于清除,还给焊缝返修带来倒霉.糨糊更有利于垂直、顶面探伤.耦合剂的另一重要特性是其声阻抗值应介于探头晶片与被检资料声阻抗值之间(Z2=√Z1•Z3,薄层介质声阻抗为两侧介质阻抗几何平均值时,声强透射率等于1,超声全透射).操纵者的技巧对良好的耦合是重要因素,整个进程对探头施加均匀、固定压力,有助于排除空气泡和取得均匀的耦合层厚度.6. 探伤面:清除焊接飞溅、氧化皮、锈蚀、油漆、凹坑(用机械、化学办法均可)检测概略应平整,便于探头扫查移动.概略粗糙度≯μm.一般应打磨.a. 检测区宽度——焊缝自己加上焊缝两侧各相当于母材厚度30%的一段区域(5~10mm).b. 探头移动区宽度:(P=2KT)一次反射法检测,应大于或等于1.25P;直射法检测,应大于或等于0.75P.c. 母材检测:C级检测有要求(较重要工件或图纸有要求时)应进行母材检测.仅作记实,不属于母材验收.看其是否有影响斜探头检测结果的分层类缺陷.母材检测要求:①. 2~5MHz直探头,晶片直径10~25mm;②. 检测灵敏度:无缺陷处第二次底波调为屏幕满刻度的100%;③. 缺陷信号幅度超出20%时,应标识表记标帜记实.7. 探测标的目的选择按照工件结构;坡口角度、形式;焊接中可能出现缺陷的标的目的性以及危害性缺陷.选用主声束尽量与其垂直的入射标的目的.B级查验:a.纵向缺陷检测:①.T=8~46mm时,单面双侧(一种K值探头,直射波和一次反射波法)检测;②.T>46~120mm时,双面双侧(一种K值,直射波法)检测.如受几何条件限制,也可在双面单侧或单面双侧采取两种K值探头检测.③.T>120~400mm时,双面双侧(两种K值,直射波法)检测.两探头折射角相差≮100 .b. 横向缺陷检测:①.在焊缝两侧,声束轴线与焊缝中心线夹角10~200作斜平行探测(正反两个标的目的);②.若焊缝磨平,可在焊缝及热影响区上作两个标的目的的扫查;③. 电渣焊易出现人字形横裂纹,可用K1探头以450夹角在焊缝两侧,作正反两个标的目的的斜平行扫查.C级查验:a. 应将焊缝余高磨平;焊缝两侧的斜探头扫查区域之母材用直探头进行检测;b. T=8~46mm时,单面双侧(两种K值,探头折射角相差≮100,其中一个为450;一次反射法)检测;c. T>46~400mm时,双面双侧(两种K值,探头折射角相差≮100,一次反射波)检测;对于单侧坡口小于50的窄间隙焊缝,如有可能应增加对与坡口概略平行缺陷的有效检测办法(如串列扫查);d. 应进行横向缺陷检测.8. 前沿、K值测定a.前沿测定:可在CSK-IA试块上,利用R50;R100圆弧测定.将探头放置在IA试块上,前后移动探头,找到最高波,量出探头前端至试块R100端距离X;此探头前沿尺寸L0=100-X.b. K值测定:①.利用CSK-IA试块上Φ50反射体;前后移动探头,找到最高波,量出探头前沿距试块端部水平距离L;L+ L0-35K=30②.利用CSK-ⅢA试块上Φ1×6孔,深20mm较好(避开近场).找到最高波;量水平距离L.L+ L0-40K=209. 扫描速度(时基线)调节声程法:屏幕时基线显示为超声波传播距离(非K值探头用此法).水平法:屏幕时基线显示为探头入射点至反射体投影到检测面的水平距离.(δ≤20mm时采取此法)深度法:屏幕时基线显示为反射体距检测面深度距离.(δ>20mm时采取此法)a. 利用CSK-IA试块上,R50、R100同心圆弧调节.在IA试块上,左右移动探头;屏幕上同时显示出R50、R100两反射波,找到最高波,波高80%(探头作前后移动,使两反射波高度相同).按住探头不动,调节脉冲移位和深度旋钮,使R50;R100反射波前沿辨别对准h1;h2(计较得出).扫描速度即调整完毕.. 水平法: h1= sinβ*50mm ;h2= sinβ*100mm求 h1;h2深度法:h1=cosβ*50mm ;h2=cosβ*100mmb. 利用CSK-ⅢA试块上,Φ1×6孔调节.①.在ⅢA试块上,选定两倍关系不合深度A、B两孔;(A 孔深度20mm;B孔深40mm);移动探头,找到A孔最高波(波高80%);调脉冲移位旋钮,使A波前沿对准h1;②.挪动探头,找到B孔最高波,波高80%;B 孔读数为Y;若Y不等于2h1,求两者之间的差X. X=︱2h1-Y ︴③.探头不动.调深度(微调)旋钮,移动B孔至Y±2X.再调脉冲移位旋钮,使B波回至2h1.④. 挪动探头,找到A孔最高波,若正对h1,即调整完毕.不然需重复上述步调.注:此法受反射体形状、尺寸影响,精确探伤时需进行修正.A孔B孔X10. 距离——波幅曲线的绘制a.距离——dB曲线:(表格形式数字标注).b.距离——波幅曲线:将反射波幅用毫米(或%)绘在纸上或面板上.依据在对比试块上一组不合深度的人工反射体的反射波幅,实测得到一条基准线绘制而成.一般由评定线;定量线;判废线三条线组成;分三个区域.各线灵敏度依不合尺度而定.c.距离——波幅曲线制作:①. 距离——dB曲线制作测定探头入射点、K值;调好扫描速度.将探头置于查验尺度法则试块上,测距概略最近人工反射体,找到最高波;调增益使波高至80%,记下衰减器读数与孔深度;然后依次测不合深度孔(深度达将检测最大深度),调增益使得各孔波高达80%,记下此时衰减器dB数,填入表中便可.②.距离——波幅曲线绘制测定探头入射点、K值;调好扫描速度.将探头置于查验尺度法则试块上,测距概略最近人工反射体,找到最高波;调增益使波高至80%,按住探头不动,记下衰减器读数;并将波峰标在屏幕面板上.增益不动.依次测其它深度孔,并将各孔波峰标在屏幕面板上;连接各点,即成为该反射体距离—波幅基准线.按照尺度法则各条线灵敏度,调增益(衰减器),屏幕上这条基准线便可转换成所需的三条线中任意一条线.d.距离——波幅曲线实用若探伤中发明一缺陷波.找到最高波,按住探头不动.调节增益(衰减器),使该波峰至距离—波幅曲线上(此时屏幕上显示应是定量线SL),读衰减器读数f;计较f与定量线SL差值为△dB.该缺陷波幅应记实为SL±△dB.若时基线按深度法调节,在时基线上可直接读出缺陷深度H,并计较出水平距离L.若时基线按水平法调节,则在时基线上可直接读出缺陷水平距离L,并计较出深度H.深度法: L = K HL水平法: H= Ke.分段绘制曲线(适用模拟仪器)若被检工件厚度较大,屏幕上在最大检测距离处距离—波幅曲线位置会很低.扫查进程中的回动摇态变更不容易不雅察到,容易导致缺陷漏检.(曲线应绘制在屏幕20%高度以上区域).可采纳分段绘制办法解决.办法、步调:在原曲线上某一点(中间或2/3;或二次波外),调增益,将灵敏度提高10dB(记实此读数).再按常规办法依次将前面深度反射体波高标在屏幕上.实际探伤时,此点之前深度内用增益之前灵敏度探伤;此点之后深度规模,用增益后提高10dB以后的灵敏度.其它各条线灵敏度亦随之.11. 声能传输损耗差的测定a.声能损失造成原因:①. 材质衰减耦合状况②. 概略损失工件概略粗糙度曲率(工件形状)工件自己影响反射波幅的两个主要因素是:材质衰减和工件概略粗糙度及耦合状况造成的概略声能损失.JB/T4730-2005尺度法则:碳钢和低合金钢板材的材质衰减,在频率低于3MHz、声程不超出200mm时,或衰减系数小于0.01dB/mm时,可以不计.超出上述规模,在确定反射波幅时,应考虑材质衰减修正.b.横波材质衰减的测定:①. 制作与受检工件材质相同(近),厚40mm,概略粗糙度与对比试块相同的平面试块.A 1P 2P40mm②.斜探头按深度1:1调节仪器时基扫描线.③.另选用一只与该探头尺寸、频率、K值相同的斜探头,置于试块上,两探头入射点间距为1P,仪器调为一收一发状态,找到最大反射波,记实其波幅值H1(dB).④.将两探头拉开到距离为2P的位置,找到最大反射波幅,记实其波幅值H2(dB).⑤.衰减系数α可用下式求出:α=(H1-H2-△)/(S2-S1)S1=40/cosβ+L1S2=80/cosβ+L1L1=L0tanα/tanβ式中:L0——晶片到入射点的距离,简化处理亦可取L1=L0,mm;△——不考虑材质衰减时,声程S2、S1大平面的反射波幅差.(约为6dB).如与对比试块的探测面测得波幅相差不超出1dB,则可不考虑工件的材质衰减.c. 传输损失差的测定:①. 斜探头按深度调节时基扫描线.②. 选用另一只与该探头尺寸、频率、K值相同的斜探头,置于对比试块上,两探头入射点间距为1P,仪器调为一收一发状态,找到最大反射波,记实其波幅值H1(dB).40mm对比试块T工件母材③.在受检工件上(欠亨过焊接接头)同样测出接收波最大反射波幅,记实其波幅值H2(dB).④.传输损失差△V按下式计较:△V=H1-H2-△1-△2式中:△1——不考虑材质衰减时,声程S1 、S2大平面的反射波幅dB差,可用式20lg(S2/S1)计较得出(dB).S1——在对比试块中的声程,mm.S2——在工件母材中的声程,mm.△2——试块中声程S1与工件中声程S2的超声材质衰减差值,dB.如试块材质衰减系数小于0.01dB/mm,此项可不予考虑.d. 由工件曲率造成的概略声能损失:采取带曲率的对比试块,试块曲率半径为工件半径0.9~1.5倍.通过对比试验,进行曲面抵偿.综上所述:工件概略耦合差探伤灵敏度增益总量材质衰减量(最大检测声程)(dB)灵敏度要求(按照执行尺度确定)12. 扫查方法①.锯齿形扫查——粗扫查.沿W轨迹前后移动探头,(移动齿距≯晶片直径)并作10~15º左右转动.目的是发明倾斜缺陷.②.左右、前后扫查——左右扫查可测得缺陷长度;前后扫查可测定缺陷自身高度和深度.③.转角扫查——推断缺陷标的目的.④.环抱扫查——推断缺陷形状.环抱扫查时,波高不变,可定为点状缺陷.⑤.平行、斜平行扫查——用于查抄焊缝及热影响区横向缺陷.(与焊缝轴线成10~45º夹角,)灵敏度提高6dB.⑥.串列扫查——用于厚板窄间隙焊缝或垂直于概略缺陷检测.多采取K1两个探头串列式扫查.串列扫查回波位置不变;存在扫查死区.串列扫查锯齿形扫查前后扫查左右扫查转角扫查环抱扫查13. 探伤灵敏度选择a.距离波幅——曲线灵敏度按执行尺度法则选择.b.检测横向缺陷时,应将各线灵敏度均提高6dB.c.检测面曲率半径R≤W2/4时,距离—波幅曲线的绘制应在与检测面曲率相同的对比试块上进行.d.在一跨距声程内最大传输损失差大于2dB时应进行抵偿.e.扫查灵敏度不低于最大声程处的评定线灵敏度.14. 缺陷最大波幅测定将探头移至缺陷出现最大反射信号的位置,测定波幅大小,并确定区域.15. 缺陷位置测定a. 水平定位法:例:时基线调节为水平1:n.实际探伤中发明一缺陷,屏幕读数40,该缺陷水平距离即为n*40mm;埋藏深度为n*40/K.b. 深度定位法:例:时基线调节为深度1:n.实际探伤中发明一缺陷,屏幕读数40,该缺陷埋藏深度为n*40;水平距离为n*40*K.16. 缺陷指示长度测定a. 当缺陷波只有一个高点,且位于Ⅱ区及以上时,使波幅降到满刻度的80%后,用6dB法测长.b. 当缺陷波有多个高点,且位于Ⅱ区及以上时,使波幅降到满刻度的80%后,用端点6dB法测长.c. 当缺陷波位于Ⅰ区,认为有需要记实时,将探头左右移动,使波幅降到评定线,以此测定长度(绝对灵敏度法).6dBⅡ区6dBΟ6dB法端点6dB法17. 缺陷评定与记实陈述资格人员按尺度评定、出具.18. 缺陷类型识别和性质估判缺陷性质测定:缺陷性质不但可利用缺陷反射波幅变更测定(静态波形),还可不雅察其动态波形的变更推定.探头移动时,球状或粗糙概略缺陷的反射波变更迟缓.为验证此类缺陷不但要使探头沿直线运动,,并且还需使探头反转展转改动声束瞄准标的目的.滑腻而平坦的缺陷比裂纹缺陷明显的产生前沿陡而宽度窄的反射波.a. 缺陷类型识此外一般办法:采取多种声束标的目的作多种扫查,如前后、左右、环抱、转动扫查;通过对各类超声信息综合评定进行识别.①. 点状缺陷回波特征:(气孔、小夹渣等体积性缺陷)回波幅度较小,探头前后、左右,转动扫查时波幅平滑,由零上升到最大值,又平滑的下降至零.环抱扫查时回波高度基底细同.A显示波幅静态波形最大反射幅度变更(包络线)点反射体回动摇态波形②. 线性缺陷回波特征:(线性条状夹渣、未焊透、未熔合等)有明显的指示长度,但不容易测出其断面尺寸.探头前后移动.类似点状波形变更.左右移动时,开始波幅平滑的由零上升到峰值,探头持续移动,波幅根本不变,或在±4dB 的规模内变更,最后又平稳的下降到零.波 A显示幅静态波形最大反射幅度变更(包络线)接近垂直入射时滑腻大平面反射体的回动摇态波形③. 体积状缺陷回波特征:(不法则大夹渣)有可测长度和明显断面尺寸.左右扫查类似线性条状波形变更,静态波形不圆滑;探头前后、左右移动时,回波幅度起伏不法则.这种缺陷在多标的目的或多种声束角度探头探测时,仍能探测到,回波高度呈不法则变更.波幅④. 平面状缺陷回波特征:(裂纹、面状未熔合、面状未焊透)有长度;自身高度和明显的标的目的性.概略既有滑腻的,也有粗糙的.探头在不合位置检测时,荧光屏上均呈现一个整齐不齐的回波.前后、左右扫查时,回波类似条状或体积性缺陷.对概略滑腻缺陷的作转动和环抱扫查时,与缺陷平面相垂直时,两侧回波高度迅速下降.对概略粗糙缺陷,环抱扫查两侧回波高度的变更不法则.波幅 A显示静态波形最大反射幅度变更(包络线)倾斜入射时不法则大反射体的回动摇态波形⑤. 多重缺陷回波特征:(密集气孔或再热裂纹等)前后、左右扫查时,在时基线上出现位置不合,次序也不法则的缺陷回波.探头移动时,信号时起时伏.每个信号单独呈点状缺陷特征.c.缺陷性质估判:估判依据——①结构与坡口形式;②母材与焊材;③焊接办法和焊接工艺;④缺陷位置、标的目的与回波高度;。
钢材材质:Q345B 探伤面:修磨检验规程:GB50205-2001仪器型号:PXUT-350+检测比例:100%焊缝编号检验长度显示情况一次返修缺陷编号二次返修缺陷编号——427600良好评定结论检验员审核审核人:检测人:报告编号:TS004-GTS-2017-MMZG-0005报告日期:2017年04月28日工程名称:木棉之冠酒店验收批号:--构件名称:一层箱型柱建设单位:金木棉集团焊口数量:150道检测范围:100%探伤面状态:修整●、轧制○、机加○验收标准:GB11345-89-(B)-Ⅱ级探伤时机:焊后●、热处理后○耦合剂:机油○、甘油○、浆糊●零件编号:--厚度:-12、22、30(mm)施工单位:金三角滕凯钢结构有限公司监理单位:焊缝种类:对接平缝●、对接环缝○、角接纵缝○、角接环缝○、管接焊缝○焊接方式:气体保护焊依据:GB50205-2001钢结构工程施工质量验收规范及GB11345-89超声波检测标准■合格 □不合格UT Ⅱ级UT Ⅱ级检测单位:中冶信达建筑材料检测有限公司探伤方式:垂直○、斜角●、单探头●、双探头○、串列探头○扫描调节:深度、水平、声程●试块:CSK-ⅠA,RB-2检测部位及规格:柱与柱之间对接接口900×900×30、600×600×22、500×500×18探伤结构及返修情况备注检验焊缝总长427600(mm),一次返修总长0(mm),二次返修总长0(mm),同一部位经0次返修后合格。
钢材材质:Q345B 探伤面:修磨检验规程:GB50205-2001仪器型号:PXUT-350+检测比例:100%焊缝编号检验长度显示情况一次返修缺陷编号二次返修缺陷编号——427600良好评定结论检验员审核审核人:检测人:监理单位:焊缝种类:对接平缝●、对接环缝○、角接纵缝○、角接环缝○、管接焊缝○焊接方式:气体保护焊焊口数量:150道检测范围:100%报告编号:TS004-GTS-2017-MMZG-0005报告日期:2017年05月21日工程名称:木棉之冠酒店验收批号:--构件名称:二层箱型柱建设单位:金木棉集团零件编号:--厚度:-12、22、30(mm)UT Ⅱ级UT Ⅱ级检测单位:中冶信达建筑材料检测有限公司检测部位及规格:柱与柱之间对接接口900×900×30、600×600×22、500×500×18探伤结构及返修情况备注检验焊缝总长427600(mm),一次返修总长0(mm),二次返修总长0(mm),同一部位经0次返修后合格。
焊缝探伤报告
(实用版)
目录
1.焊缝探伤报告概述
2.焊缝探伤的目的和方法
3.焊缝探伤结果分析
4.结论和建议
正文
一、焊缝探伤报告概述
焊缝探伤报告是对焊接部位进行的一种质量检测,旨在确保焊缝的质量达到相关标准和要求。
本报告根据焊缝探伤的实际情况,对探伤目的、方法、结果及结论进行了详细的阐述。
二、焊缝探伤的目的和方法
1.目的:焊缝探伤的主要目的是检查焊缝内部的缺陷、裂纹等质量问题,以评估焊缝的质量和安全性。
2.方法:本报告采用的焊缝探伤方法包括射线探伤、超声波探伤、磁粉探伤等,这些方法能够有效地检测出焊缝内部的质量问题。
三、焊缝探伤结果分析
根据本次焊缝探伤的实际结果,我们发现焊缝内存在一定数量的缺陷和裂纹。
其中,射线探伤发现部分焊缝存在气孔和夹杂等问题,超声波探伤检测到部分焊缝有裂纹和未熔合现象,磁粉探伤发现部分焊缝表面有磁粉聚集,表明存在裂纹。
四、结论和建议
根据本次焊缝探伤的结果,我们得出以下结论:
1.本次焊缝探伤发现部分焊缝存在质量问题,如气孔、夹杂、裂纹等,这些问题对焊缝的使用安全造成一定的影响。
2.建议对存在质量问题的焊缝进行修复或重新焊接,以确保焊缝的质量和安全性。
3.对于焊缝探伤方法,应根据实际情况选择合适的探伤方法,以提高探伤的准确性和有效性。
4.加强焊接过程的质量控制,严格执行相关标准和要求,以减少焊缝质量问题的发生。
焊缝超声波探伤缺陷分析摘要:焊缝的缺陷一般是由冶金和焊接技术两种原因产生。
焊接过程实际上是一个冶炼和浇铸,过程首先利用电能或其他形式的能产生高温使金属熔化,形成熔池,熔融金属在熔池中经过冶金反应冷却,将两个母材牢固结合在一起。
此过程产生的各种缺陷,包括裂纹,气孔,夹渣等,都必须引起足够重视,要认真分析评估,本文重点讨论了超声波探伤过程中的缺陷分析。
关键词:超声波缺陷焊缝Anlysis of Defects on Welding Seam by Ultrasonic TestWang Jia Yi(1,Shang Hai Jiao Tong University2,Siemens V AI metal technology)Abstract:Normally,the defects occuried in the welding seam by metallurgy and welding technology.In Fact, welding is one process ofsmelt and cast,which melt the metal with the electric energy ,then cooling and combine the parts rigid.All the defects,including crack,gas pores and porosity might occuried,and must the analyzed.Keywords: Ultrasonic Defect Weld由于操作相对简单的渗透,磁粉探伤只是对焊缝的表面缺陷比较敏感,而对于焊缝内部是否有缺陷,基本无能为力。
然而焊接质量稍微高一点的场合都必须关注焊缝的内部缺陷,正因为如此,使用超声波探伤检查焊缝内部质量就显得很重要。
超声波探伤是利用超声波在物质中的传播,反射和衰减等物理性来发现缺陷的方法,相对于具有同样检查能力的射线探伤相比,超声波探伤具有灵敏度高,速度快,操作快,对检测员和环境无害。
首次
检测
一次返修检测
二次返修检测
√
工 程 名 称构件名称
本 体 材 料 Q345B
厚度(mm)
长度(mm)焊 缝 类 型
Ⅱ
检测部位
比例(%)
仪器型号和编号CTS-2020探头规格 2.5P 13×13 K2表面状态和补偿砂轮打磨/+4dB 耦 合 剂 C M C 采 用 标 准GB11345-1989
级 别
BII
检测部位示意图:
检测结论:
批准人员(日期)
审核人员
钢结构焊缝超声波检测报告
委托编号: 合格!
检验人员
对比试块
RB-2/CSK-IA
检测灵敏度DAC+16dB 第 1 页 共 2 页
委 托 单 位检测次序检测
检测时机
焊后24h
说明:示意图中F表示焊缝,A1上下翼缘板对接,A2腹板对接。
经超声波检测,以上各部位均符合GB11345-1989标准要求。