2021年塔吊顶升旁站监理记录表
- 格式:doc
- 大小:18.50 KB
- 文档页数:2
重大危险源旁站检查记录(施工塔式起重机)工程名称: 编号:承包单位:旁站的工程部位:施工施工塔式起重机(顶升标准节,标高 m~ m)起始时间:年月日时分结束时间:年月日时分施工概况:本工程上部主体为层框架结构,建筑总高度为 m, 本工程设置台塔机,设备型号为、规格为,额定起重力矩 KN.m,最大起重量 T,最大工作幅度m,塔机最大独立工作高度≤ m,塔机附着架最大悬高为 m;第一道附着点设在 m,第二道附着点设在 m,基础设于,设备基础已验收符合要求,本次安装高度为 m~18.17m。
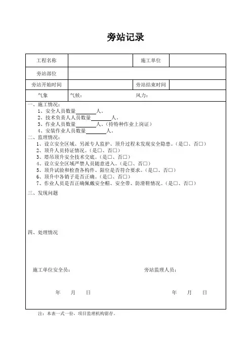
检查内容(强制性规范及相关要求):1、安拆专项方案编制、审批是否符合要求□;2、安装前是否对班组进行详细安全技术交底、并签字确认□;3、特种作业人员是否持证上岗□;4、基础周边是否设置排水设施□;5、塔机的塔身垂直度是否符合规定要求□;6、自由端高度是否符合(使用说明书)允许的高度□;7、塔机主要结构件无变形、可见裂缝和严重锈蚀,焊缝外观应无可见的焊接缺陷□;8、自升式塔机顶升液压系统的液压缸和油管、顶升套架结构、导向轮、顶升撑脚(爬爪)等检查是否符合要求□;9、作业人员所使用的工具、安全带、安全帽等检查是否符合要求□;10、采用高强度螺栓连接的结构,应使用原厂制造的连接螺栓,自制螺栓应有技术质量合格的试验证明□;11、指挥人员应熟悉安装作业方案,使用明确的指挥信号进行指挥。
所有参与安装作业人员,都应听从指挥□;12、检查作业中配备的起重机、运输汽车等辅助机械应状况良好,技术性能应保证作业的需要□;13、各部位的栏杆、平台、扶杆、护圈等安全防护装置整齐□;14、塔机安装过程中,必须分阶段由技术人员进行技术检验□;15、整机安装完毕后,整机技术检验和调整,各机构动作应正确、平稳、无异响,制动可靠,各安全装置应灵敏有效□; 16 、在无载荷情况下,塔机和基础平面的垂直度允许偏差为4/1000 □ ; 17、经分阶段及整机检验合格后,是否填写检验记录,经技术负责人审查签证后,方可交付使用□检查监理人员:检查日期:年月日存在问题处理意见:经现场安全旁站及专业技术人员检验过程中存在的问题:存在问题整改情况:存在的问题已通过签发《监理工程师通知单号》、进行督促整改,并在年月日按相关要求整改完毕。
塔吊顶升旁站记录日期:XXXX年XX月XX日地点:XXXX工地天气:多云记录员:XXX旁站目的:监测和记录塔吊顶升过程中的各项数据,确保操作安全、精确。
一、工地概况本工地是一处正在进行新建住宅楼施工的地方,塔吊是工地上主要起重设备之一、目前,塔吊已完成了基础安装,并进行了多次升降操作,在此次顶升过程中,旁站的任务是及时掌握顶升过程中的安全情况,并提供有效的指导和支持。
二、顶升前准备1.检查塔吊的安装和固定情况,确保塔吊稳定可靠。
2.检查塔吊的工作状态,确保各项功能正常。
3.检查塔吊的安全装置,如制动器、限位器等,确保处于良好的工作状态。
4.针对顶升过程中可能涉及的风力情况,查看当天的天气预报,并与施工现场主管进行确认。
三、顶升过程记录1.顶升开始时间:XX时XX分。
2.塔吊操作员按既定计划对塔吊进行顶升。
同时,旁站观察并记录下以下数据:-顶升速度:塔吊的垂直运行速度,一般不得超过预定的安全范围。
记录每10分钟测量一次,记录于表格中。
-主臂角度:主臂与水平面的夹角,顶升过程中主臂角度的变化对于塔吊的稳定性有着重要影响,提醒操作员注意调整。
记录每半小时测量一次,记录于表格中。
-风速:根据当天的天气预报,对风速进行实时监测,并记录于表格中。
四、顶升后工作1.顶升结束时间:XX时XX分。
2.确保塔吊的稳定后,进行塔吊的重新校准工作。
3.塔吊操作员和旁站进行顶升过程的总结和分析,包括顶升过程中出现的问题和处理方法等,以供后续工作参考。
五、安全问题和建议1.本次顶升过程中,塔吊运行正常,顶升速度和风速均在安全范围内,未发现异常情况。
2.建议塔吊操作员和旁站加强沟通,提高顶升过程中的配合效率,确保操作的流畅和安全。
3.建议根据天气情况和顶升高度的具体要求,制定相应的操作规范和安全操作指南。
六、记录员总结通过本次旁站记录,在顶升过程中完整地记录了各项数据和事件,确保了操作的安全性和准确性。
同时,发现了一些值得改进和加强的地方,供工地管理部门和相关人员参考,以提高整个工地的安全管理水平。
塔吊旁站监理记录范本(最新版)目录一、塔吊旁站监理记录表的概述二、塔吊旁站监理记录表的内容三、塔吊旁站监理记录表的注意事项四、塔吊旁站监理记录表的范本正文一、塔吊旁站监理记录表的概述塔吊旁站监理记录表是用于记录塔吊安装、使用和拆除过程中的关键信息和旁站监理情况的表格,以便对塔吊施工进行有效的监督管理和安全控制。
旁站监理记录表是建筑施工现场必备的一种管理工具,能够确保施工过程的顺利进行和施工质量的安全。
二、塔吊旁站监理记录表的内容塔吊旁站监理记录表主要包括以下几个方面的内容:1.工程概况:包括工程名称、工程地点、工程日期、气候等情况。
2.旁站监理的部位或工序:指明旁站监理的具体内容,如塔吊安装、塔吊使用、塔吊拆除等。
3.旁站监理开始和结束时间:记录旁站监理的开始和结束时间,方便掌握旁站监理的时间节点。
4.施工情况:包括施工人员、机械设备、施工技术、安全措施等方面的情况。
5.监理情况:包括对施工组织设计、制造厂家、安装单位资质等方面的审查情况。
三、塔吊旁站监理记录表的注意事项在使用塔吊旁站监理记录表时,应注意以下几点:1.确保旁站监理记录表的准确性和完整性,避免遗漏关键信息。
2.旁站监理记录表应由专人负责填写,并及时归档保存。
3.旁站监理过程中,应严格按照旁站监理记录表的内容进行监督检查。
4.对于发现的问题和隐患,应立即要求施工单位整改,并记录在旁站监理记录表中。
四、塔吊旁站监理记录表的范本以下是一份塔吊旁站监理记录表的范本:工程名称:置地广场。
栢悦中心工程工程地点:怀宁路与嘉和路交叉口工程日期:气候:晴旁站监理的部位或工序:2#楼塔吊安装旁站监理开始时间:旁站监理结束时间:施工情况:1.首先对作业人员进行安装方案及技术安全交底并组织安装作业人员学习该型号塔吊说明书;2.机械设备及人员:1 台 25t 汽车起重机;施工技术员 1 人、安全员 1 人、安装工人 6 人;3.作业范围内,设立警戒线和醒目的警戒标志并安排专人警戒。
塔吊顶升旁站巡视记录表一、巡视信息
二、巡视内容
1. 塔吊外观检查:
- 检查塔吊外观是否有明显的损坏或磨损。
- 检查塔吊的防护栏是否完好无损。
- 检查塔吊的标志是否清晰可见。
2. 系统检查:
- 检查塔吊电气系统是否正常工作。
- 检查塔吊液压系统是否正常工作。
- 检查塔吊安全保护装置是否完好。
3. 设备操作:
- 检查塔吊起重绳索是否处于正常状态。
- 检查塔吊旋转机构是否灵活可靠。
- 检查塔吊吊钩是否完好无损。
4. 紧固件检查:
- 检查塔吊上的螺栓、螺母等紧固件是否松动或缺失。
三、巡视结果
1. 巡视发现问题:
- 塔吊外观无明显损坏或磨损。
- 塔吊防护栏完好无损。
- 塔吊标志清晰可见。
- 塔吊电气系统正常工作。
- 塔吊液压系统正常工作。
- 塔吊安全保护装置完好。
- 塔吊起重绳索处于正常状态。
- 塔吊旋转机构灵活可靠。
- 塔吊吊钩完好无损。
- 塔吊上的紧固件无松动或缺失。
2. 巡视结论:
- 塔吊顶升旁站巡视未发现任何问题。
- 塔吊可以正常使用。
四、备注
无
---
以上是塔吊顶升旁站巡视记录表的内容。
请核对并在需要的地方填写具体内容。
工程名称:郑州航空港经济综合实验区10座桥梁工程施工二标段编号:
工程名称:郑州航空港经济综合实验区10座桥梁工程施工二标段编号:
工程名称:郑州航空港经济综合实验区10座桥梁工程施工二标段编号:
工程名称:郑州航空港经济综合实验区10座桥梁工程施工二标段编号:
工程名称:郑州航空港经济综合实验区10座桥梁工程施工二标段编号:
工程名称:郑州航空港经济综合实验区10座桥梁工程施工二标段编号:
工程名称:郑州航空港经济综合实验区10座桥梁工程施工二标段编号:
工程名称:郑州航空港经济综合实验区10座桥梁工程施工二标段编号:
工程名称:郑州航空港经济综合实验区10座桥梁工程施工二标段编号:
工程名称:郑州航空港经济综合实验区10座桥梁工程施工二标段编号:。