一卡通各类设备编码及编码规则
- 格式:doc
- 大小:490.00 KB
- 文档页数:13
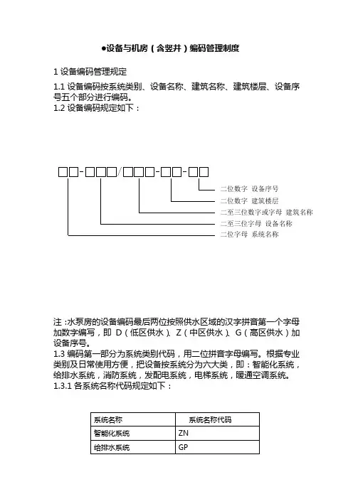
●设备与机房(含竖井)编码管理制度1设备编码管理规定1.1设备编码按系统类别、设备名称、建筑名称、建筑楼层、设备序号五个部分进行编码。
1.2设备编码规定如下:二位数字 设备序号二位数字 建筑楼层二至三位数字或字母 建筑名称二至三位字母 设备名称二位字母 系统名称注:水泵房的设备编码最后两位按照供水区域的汉字拼音第一个字母加数字编写,即D(低区供水)、Z(中区供水)、G(高区供水)加设备序号。
1.3编码第一部分为系统类别代码,用二位拼音字母编写。
根据专业类别及日常使用方便,把设备按系统分为六大类,即:智能化系统,给排水系统,消防系统,发配电系统,电梯系统,暖通空调系统。
1.3.1各系统名称代码规定如下:1.4编码第二部分为设备名称,各个系统所属设备代码用二到三位拼音字母编写,各系统常用设备名称代码按下表执行。
1.5编码第三部分为建筑名称代码,用二到三位数字或拼音字母编写。
用三位数字作为小高层、高层住宅建筑的代码,其代码与建筑名称一致。
对地下车库的代码,用二位拼音字母和一位数字来编写。
公共建筑名称代码用两位拼音字母编写,对不属于任何建筑的室外设备,建筑名称代码统一为SW ,具体按下表执行。
1.6字编写。
地上部分直接以数字表示,地下部分则在数字前加B表示,负一层,则楼层代码为B1;对不属于任何建筑的室外设备,建筑楼层代码统一为00;1.7编码第五部分为设备序号,同一建筑相同楼层有同样设备时,用二位数字对设备进行排序编写。
2机房及竖井编码管理规定2.1机房及竖井编码按机房及竖井名称、建筑名称、建筑楼层、机房或竖井序号四个部分进行编码。
2.2机房或竖井编码规定如下:二位数字 机房或竖井序号二位数字 建筑楼层二至三位数字或字母 建筑名称二位字母 机房或竖井名称2.3编码第一部分为机房、竖井名称代码,用两位拼音字母编写。
机房及竖井代码按下表执行:2.4编码第二部分为建筑名称代码,用二到三位数字或拼音字母编写。
设备编码原则一、前言随着改革开放和社会经济的发展,我国航空运输业得到了前所未有的高速发展,上海国际机场股份有限公司所管理的设备资产的规模急剧扩大,迫切需要推进信息化管理。
在推进设备管理信息化过程中,设备管理系统被要求提供查询检索、分类统计以及自动匹配维护标准等辅助管理功能,科学合理的确定设备的编码将有利于实现设备管理系统的功能,提高设备管理系统运作的效率。
二、设备编码的目的和一般要求设备编码的目的在于建立设备的标识,以满足设备识别和管理需要。
只要按某一规则确定的设备编码能够唯一地标识任何设备,则这个规则就可以作为设备编码规则,据此确定的编码就作为设备编码。
一般的编码规则是:标志码+识别号,标志码用于标示具有共同特征的设备的集合,识别号则是该集合下的排序号。
采用上述方式,通过定义标志码规则,确定设备集合的特征及其编码的对应关系,可将设备资产分类、归属或使用分(子)公司、设备系统、安装或放置的地理区域等设备特征属性纳入设备编码,满足可读性要求;通过识别号可保证设备编码的唯一性。
从建设设备管理信息系统过程中设备编码的应用而言,至少应满足以下几个要求:1、唯一性:任何一台设备必须能够且只能够对应一个编码,即设备编码必须是唯一的;设备的基本信息、系统属性、运行标准、维护标准、维修工艺、运行参数记录、设备缺陷记录、维修记录、工单历史等各类动、静态信息能够通过设备编码相关联,便于查询和管理。
2、可读性:尽管设备编码具有唯一性就能满足识别要求,但从实际管理需要出发,设备编码应作为显式信息具备一定的可读性。
如:设备编码中应能体现设备所属系统,通过查询设备编码中系统属性特征段可以检索出同一系统中全部设备,进而通过查询与设备编码相关联的各类设备信息,可以检索出该系统中此类信息的集合,便于进行统计和分析。
3、稳定性:设备编码作为设备的识别标志必须具有较好的稳定性。
如果一台设备的编码经常需要进行重编,则不但增加了编码的工作量,占用了更多的资源,而且会影响到对其历史信息的识别;如果大量设备编码需要重编,则可能造成体系的混乱。
电子科大一卡通使用手册1欢迎您使用“电子科技大学校园一卡通系统”,为了帮助您全面了解和正确使用校园卡,充分发挥校园卡通的功能,请认真阅读并妥善保存本手册。
我们使用了几种不同的方式来强调某些信息,按照信息的重要程度分为注记、窍门、重要、小心和警告。
【校园卡简介】电子科技大学校园卡是集工作证/学生证、图书证、餐卡、电子钱包、用电等功能于一体的非接触式射频卡,具有校园身份识别、商务消费及校园综合管理等功能,是您在学校工作、学习和生活必不可少的工具。
【校园卡的分类】:教工卡、学生卡和临时卡● 教工卡:供在校教职工使用,卡面印有教职工身份信息及照片,可以作为校园教职工身份证件。
● 学生卡:供在校学生使用,卡面印有学生身份信息及照片,可以作为校内学生身份证件。
● 临时卡:供在校临时职工及教职工家属等临时人员使用,卡面不打印个人信息及照片,不作为校内身份证件。
校园卡申办:教工卡、学生卡和临时卡● 教职工:学校统一进行身份信息采集,统一发放校园卡。
个人也可持工作证或身份证到一卡通管理中心办理。
● 学生:新生,老生由学校统一进行身份信息采集,统一发放校园卡。
未领到校园卡的学生,持本人学生证到一卡通管理中心办理。
● 其他人员:临时职工可由所在单位统一办理或本人持身份证自己办理;教职工家属和其他临时人员由本人持身份证办理。
注意:校园卡自发卡之日起1个月内,如无法正常使用,且无明显折痕、无电子攻击迹象等损坏,一卡通管理中心负责免费更换;超过1个月,需交纳工本费后补卡。
【校园卡的使用】校园卡使用时在机具的感应区0-5厘米处刷卡,可不直接接触读卡设备。
在使用校园卡消费时请先确认消费金额无误后,方可将校园卡平行贴近读卡器,听到“嘀”声后,消费金额已经从卡内扣除。
如果读卡器出现连续的“嘀嘀”报警声,说明校园卡出现卡内金额不足、卡片损坏或卡片已挂失等情况,请咨询一卡通管理中心。
如果读卡器屏幕上出现“______”提示,说明校园卡累积消费金额超过了规定的额度,需要输入密码方可继续消费。
(交通运输)北京市政交通一卡通卡(交通运输)北京市政交通一卡通卡北京市政交通壹卡通卡在轨道交通自动售检票系统中应用的技术规定(暂行)北京市交通委员会二○○四年十二月前言为实现壹卡通卡在轨道交通自动售检票系统(以下简称AFC系统)的应用,确保北京市政交通壹卡通系统和AFC系统同步实施,遵照国家金卡办、建设部关于IC卡应用的“统壹规划、统壹标准、统壹制造、统壹发卡、统壹管理”原则,特制定本技术规定。
第壹章总则第壹条本技术规定用于指导和规范壹卡通系统结算管理中心统壹发行的壹卡通卡在AFC系统应用中涉及的系统和设备的规划、建设和运营管理。
第二条本技术规定依据国家标准、行业标准和地方标准,且参照相关的国际标准制定。
第三条在AFC系统规划、建设和运营管理中,本技术规定应和《北京市轨道交通自动售检票系统技术管理规定(暂行)》同步执行,确保壹卡通卡在轨道交通和其它市政、交通领域的壹卡通行、壹卡多用。
第四条为确保系统安全和地区间的互联互通,北京市政交通领域储值IC卡应用系统密钥体系必须执行建设部颁布的相关标准。
北京市建设事业IC卡应用的城市密钥卡应由北京市政府主管部门或其委托单位统壹发行。
第五条在AFC系统中各种相应设备上应实现壹卡通卡的应用,主要包括发行、流通、回收等。
第六条AFC系统和壹卡通系统相关的系统编码、数据接口、卡片结构、系统参数、终端处理流程等应符合壹卡通卡在市政交通领域应用的技术标准和规范。
第二章卡片第七条壹卡通卡规格应符合ISO/IEC14443TYPEA标准和DB11/T159.1-2002标准(《市政交通壹卡通技术标准第1部分:卡片》)。
壹卡通卡芯片包括Mifare®1(S50、S70)、Mifare®Pro、Mifare®DESFire 等。
第八条壹卡通系统发行且可在AFC系统中使用的卡片应用类型最多为256种,分为非记名卡和记名卡俩类。
第九条壹卡通卡应由壹卡通系统结算管理中心统壹初始化发行。
设备编码、台账管理规定1. 目的标准物业设备设施的根底管理工作,严谨方案管理,确保设备设施管理工作的质量,满足对要求。
2. 适用范围阳光城物业体系各物业效劳中心。
3. 管理内容 3.1. 设备设施编码 3.1.1. 为便于日常管理,物业效劳中心应建立《设备设施清册》,并编制设备设施编码。
3.1.2. 编码规那么采用四级编码,由:工程代码、设备设施专业分类编码、设备设施编码、设备流水号几局部组成,表达形式如下:□□ / □□-□□□□-□□□设备流水号设备设施编码设备设施专业分类编码工程代码 a、首级工程代码:取用城市和工程名的拼音第一个拼音。
b、第二级设备设施专业分类编码:取用于“设备设施编码索引”的设备设施专业分类编码,一般为 2 个拼音首字母。
c、第三级设备设施编码:取用于“设备设施编码索引”的设备设施分类编码,一般为 2-4个拼音首字母。
d、第四级设备流水号:从“001”开始的 3 位数字。
例如:□□ / □□-□□□□-□□□愉景湾弱电系统道闸控制主机流水号编号为:SH YJW / RD - DZKZ - 001 即:SHYJW/RD-DZKZ-001 3.1.3. 设备设施编码索引 a、专业分类编码设备分类强电设备弱电设备升降设备空调暖通设备给排水设备消防设备编码 QD RD SJ AC GP XF b、设备设施类型分类编码 ? 强电设备(QD)设备名称高压柜变压器发电机组直流电源柜计量柜编码 GYG BYQ FDJ DC JLG 设备名称低压进线柜联络柜低压开关柜电容柜市发电切换柜编码 DYJX LLG DYKG DR SFQH 设备名称动力配电箱/柜双电源配电箱/柜照明配电箱/柜电表箱/柜 UPS 电源、编码 DL SDL ZM DB UPS ? 弱电设备(RD)设备名称摄像机录像机显示器/监视器对讲管理机对讲围墙机编码SXJ LXJ XSQ DJGL DJWQ 设备名称对讲门口机门禁/锁道闸机闸机读卡器道闸控制主机编码 DJMK DLMJ DZJ DKQ DZKZ 设备名称家居安防主机 BA 控制系统巡更设备红外主机红外探头编码JJAF BAZJ XGSB HW HWTT 设备名称背景音乐系统功率放大器均衡器 CD 播放机音箱喇叭编码 YY GF JHQ CD LB ? 升降设备(SJ)设备名称扶梯电梯货梯擦窗机机械停车编码 FT DT HT CCJ JXTC ? 空调暖通设备(AC)设备名称空调主机空调主机控制柜冷却泵冷冻泵冷却塔编码 KTZJ KTKZ LQB LDB LQT 设备名称空调风柜新风机盘管风机各式空调器编码 KTFG XFJ PGFJ KTQ ? 给排水设备(GP)设备名称生活水泵生活稳压泵气压/压力罐变频柜水泵控制柜编码 SHSB SHWY YLG BPG SHBKZ设备名称污水泵污水泵控制箱/柜中水泵中水泵控制箱/柜泳池泵编码 WSB WSKZ ZSB ZSKZ YCB 设备名称泳池泵控制箱/柜景观泵景观泵控制箱/柜过滤砂缸电动阀门编码 YCKZ JGB JGKZ GLSG DFM ? 消防设备(XF)设备名称消防主机消防区域机消防联动柜排烟风机(正压)送风机编码 XFZJ XFQJ XFLD PYFJ SFJ 设备名称普通风机气体灭火主机气体压力瓶防火卷帘门喷淋泵编码 PTFJ QTZJ QP JLM PLSB 设备名称喷淋稳压泵喷淋泵控制柜/箱消火栓泵消火栓稳压泵消火栓泵控制柜/箱编码 PLWY PLBKZ XFSB XFWY XFBKZ 设备名称消防水幕泵消防水幕泵控制柜/箱烟感探测器温感探测器手报编码 B KZ YG WG SB 设备名称模块消防播送湿式阀闸阀水流指示器编码 MK GB SBF XHF SZ 3.1.4. 需要编制编码的设备设施在“设备设施编码索引”中没有时,可用该设备设施名称的的前两个拼音首字母作为设备编码,假设编码与已有的编码重复时,可再增加 1-2 个字母。
一卡通各类设备编码及编码规则1. 引言一卡通作为现代校园生活的重要组成部分,涵盖了多种设备,如门禁设备、自助消费设备等。
为了对这些设备进行统一管理和识别,需要对其进行编码。
本文将介绍一卡通各类设备的编码及编码规则,以方便管理和维护。
2. 门禁设备编码门禁设备编码是一卡通系统中最常见的设备编码之一。
根据门禁设备的位置和用途,可以将其编码规则划分为以下几类:2.1 教学楼门禁设备编码规则教学楼门禁设备编码一般采用楼栋编号+楼层编号+设备编号的方式。
其中,楼栋编号为英文字母表示,楼栋编号范围为A-Z;楼层编号为数字表示,楼层编号范围为1-9;设备编号为数字表示,设备编号范围为01-99。
例如,A栋1楼的第一个门禁设备编码为A0101。
2.2 宿舍楼门禁设备编码规则宿舍楼门禁设备编码一般采用楼栋编号+单元编号+楼层编号+房间号的方式。
其中,楼栋编号和楼层编号的取值范围与教学楼门禁设备编码相同;单元编号为数字表示,单元编号范围为1-9;房间号为数字表示,房间号范围为01-99。
例如,A栋1单元3楼的第二个房间的门禁设备编码为A10302。
3. 自助消费设备编码自助消费设备编码是一卡通系统中另一个重要的设备编码类型。
根据自助消费设备的位置和用途,可以将其编码规则划分为以下几类:3.1 餐厅自助消费设备编码规则餐厅自助消费设备编码一般采用餐厅编号+设备类型编号+设备编号的方式。
其中,餐厅编号为数字表示,餐厅编号范围为01-99;设备类型编号为数字表示,设备类型编号范围为01-99,不同的设备类型有不同的编号;设备编号为数字表示,设备编号范围为01-99。
例如,餐厅1的第一个自助消费设备编码为010101。
3.2 图书馆自助借阅设备编码规则图书馆自助借阅设备编码一般采用设备类型编号+设备编号的方式。
其中,设备类型编号为数字表示,设备类型编号范围为01-99,不同的设备类型有不同的编号;设备编号为数字表示,设备编号范围为01-99。
南京市中小学安防监控设备“一机一档”统一编码规则一机一档编码及标准为市局强制要求,各校务必对每台摄像机设备逐台设置编码规则编码规则由中心编码(位)、行业编码(位)、类型编码(位)和序号(位)四个码段共位十进制数字字符构成,即系统编码中心编码行业编码类型编码序号。
编码规则的详细说明见“详细编码规则表”。
其中,中心编码指用户或设备所归属的监控中心的编码,按照监控中心所在地的行政区划代码确定。
行政区划代码采用—规定的行政区划代码表示。
行业编码是统一用(教育部门接入)代码表示。
类型编码根据设备类型对应的代码表示。
详细编码规则表附录:视频图像文字标注规范一、建设范围:本标准用以规范南京市中小学幼儿园的视频监控系统中所使用的视频图像文字标注内容及规则。
二、摄像机命名规则:第一段字符:以学校所在地行政区命名,市直属学校、民办学校均纳入到学校所在地行政区统一命名,行政区名称统一定义双字符,文字表述如下:鼓楼、建邺、江北、江宁、栖霞、溧水、玄武、秦淮、六合、浦口、雨花、高淳。
第二段字符:以学校相对简称(含分校、分部等)命名,去除学校名称中的市级区级的标志文字(例如:南京市、高淳区):例如:第三字符和第四段字符:A.以室外区域特征命名:命名规则以点位覆盖范围为准第三段字符:命名规则如下:方位或默认名称区域特征(根据实际情况可修改)区域特征常规表述如下:围墙、大门、风雨操场、道路名称、室外活动区、停车场。
第四段字符:命名规则如下:设备类型顺序序号;设备类型包括:枪机、球机、半球、全景、人脸机、客流机、周界机例如:命名规则以点位覆盖建筑物范围(建筑物附近以建筑物为标志)为准第三段字符:命名规则如下:建筑物命名第四段字符:命名规则如下:楼层区域特征(根据实际情况可修改)区域特征常规表述如下:走廊、出入口、楼梯、卫生间、财务室、危险品仓库、设备间、停车场、室内运动活动区楼梯交界处命名规则:一楼二楼连接处统一用低楼层命名。
例如:三、时间信息:时间叠加规则:叠加为准确时间,以北京时间(即)为准。
交通一卡通二维码支付技术要求1范围本技术要求规定了交通一卡通二维码(以下简称“二维码”)支付的应用场景、系统框架及流程、二维码数据结构、信息接口、安全要求、终端要求、手机客户端要求等。
本技术要求适用于交通行业二维码支付的相关系统、终端、手机客户端的设计与研发。
2规范性引用文件GM/T 0002 SM4分组密码算法GM/T 0003 SM2椭圆曲线公钥密码算法JT/T 978.4-2015 城市公共交通IC卡技术规范第4部分:信息接口JT/T 978.6-2015 城市公共交通IC卡技术规范第6部分:安全3术语和定义3.1发码平台支持生成交通一卡通互联互通二维码、认证用户身份、控制二维码生成与交易风险等功能,确保二维码及支付安全性的平台。
3.2发卡机构发行城市公共交通卡,并对清分结算的跨机构交易数据进行验证的机构。
3.3收单机构布放交通一卡通二维码终端,为交通一卡通二维码提供扫码、资金结算服务,并对清分结算的跨机构交易数据进行收集、上送的机构。
3.4手机客户端指安装在手机上的应用,用来生成二维码的应用软件。
3.5受理终端指可以识别和受理本要求中二维码的终端设备。
3.6公私密钥对非对称密钥中的公钥和私钥。
3.7公钥非对称密钥对中公开的密钥。
3.8私钥非对称密钥对中非公开的密钥。
4符号和缩略语下列符号和缩略语适用于本文件。
5应用场景二维码是一种通过特定的编码格式来展示信息的方式,本技术要求主要规定了二维码在交通行业中公交、地铁的应用场景。
用户是采用被扫模式即用户手机客户端生成进出站二维码,由受理终端进行扫码。
6系统架构及流程6.1交通一卡通二维码支付系统结构交通一卡通二维码支付系统结构如图1所示。
发卡机构清分结算机构发码平台收单平台收单机构手机客户端申请开通支付账户系统二维码发码管理系统CA 管理系统风控系统支付结算系统账户系统清分结算系统受理终端交易计费系统二维码受理终端终端管理系统交易计费系统清分结算系统清分结算系统CA 管理系统CA 管理系统授权发码平台使用终端管理系统CA 管理系统图1 交通一卡通二维码支付系统结构图交通一卡通二维码支付系统结构中涉众如下:a) 清分结算机构的CA 管理系统:负责为入网机构签发机构公钥证书,此证书用于二维码互联互通使用;b) 清分结算系统:负责采集收单机构交易数据、解析交易数据、针对不同入网机构间交易数据进行清分结算以及下发清算文件、对账文件、结算报表等文件; c) 支付账户系统:负责对二维码消费行为进行记录和管理的系统;d) 二维码发码管理系统:负责生成二维码数据并将二维码数据下发到手机客户端的管理系统;e) 发码平台的CA 管理系统:负责为用户分配公私钥的管理系统;f) 风控系统:发码机构根据用户交易情况、信用等级等进行风险控制的系统,负责二维码发码安全管理;g) 支付结算系统:发码机构为发行的二维码消费记录进行支付、结算等资金操作的系统;h) 发卡机构中收单平台的账户系统:负责管理发卡机构交通一卡通账户、账户消费记录等;i) 发卡机构的CA 管理系统:负责与清分结算机构的CA 系统进行对接,提交申请本机构证书文件、接收清分结算机构下发的入网机构证书、向终端管理系统下发入网机构证书等;j) 发卡机构/收单机构的清分结算系统:负责与清分结算机构进行对接,上传、下载相关接口文件等;k) 交易计费系统:负责采集受理终端上传的原始交易数据,匹配进出站交易并根据计费规则计算交易金额;l) 收单机构的CA 管理系统:负责与清分结算机构的CA 管理系统进行对接,接收清分结算机构下发的机构证书,并与本机构终端管理系统进行对接,将机构证书下发至终端管理系统;m) 终端管理系统:负责下发证书、管理终端软件更新、远程监控终端等; n) 手机客户端:负责展示二维码数据、为用户提供界面展示、用户消费记录查询、账户信息查询等。
工程分公司设备编码规则(试行)编号1 目的1.1 设备命名合理、标志清晰、编号齐全、挂牌准确是保证运行操作和设备维护准确无误的重要条件。
为使设备命名具有条理性,明确设备命名的责任制,加强设备的规范化管理,特制订本规定。
2 适用范围2.1本制度适用于上海电力股份有限公司工程分公司新能源苏美达东台光伏电站。
3依据3.1 上海电力股份有限公司企业标准及原国家电力公司有关标准而制定。
4. 设备命名及编码原则4.1 统一性原则。
设备应有统一规定的设备命名和编号。
4.2 明确性原则。
设备命名应明确、合理、标志清晰、编号齐全(包括色环) 清晰、挂牌准确。
这些是保证运行操作准确无误的重要条件,同时也便于运行、检修、施工单位之间的工作联系及运行人员之间的操作联系。
4.3 唯一性原则。
设备与名称应满足一一对应关系,某特定设备只有唯一的名称与之对应。
不允许一台设备有两个及以上的名称,亦不允许一个名称对应两台及以上设备。
4.4 可扩展性原则。
在保证名称编号唯一性的前提下设备命名应力求简单,应考虑发展远景和设备实际情况。
4.5 设备应采用双重命名。
5 设备编码5.1 110kV设备编码5.1.1 线路沿苏7K4开关1151沿苏7K4线路闸刀11516沿苏7K4线路闸刀开关侧接地闸刀1151607沿苏7K4线路接地闸刀11516175.1.2 110kV变压器1号主变110kV中性接地闸刀1101号主变35kV开关3011号主变35kV开关手车30111号主变35kV侧压变手车30195.2 35kV设备编码5.2.1 35kV母线集线1号单元35kV开关381~8号单元35kV开关3881号单元35kV开关手车3811~8号单元35kV开关手车38811号单元35kV接地闸刀3817~8号单元35kV接地闸刀3887 5.2.2 35kV主变压器(升压变)5.2.2.1 高压开关1号单元1~5号主变35kV负荷开关3811~38152号单元1~5号主变35kV负荷开关3821~38253号单元1~5号主变35kV负荷开关3831~38354号单元1~5号主变35kV负荷开关3841~38455号单元1~10号主变35kV负荷开关3851~385106号单元1~5号主变35kV负荷开关3861~38657号单元1~5号主变35kV负荷开关3871~38758号单元1~10号主变35kV负荷开关3881~3880 5.2.2.2 低压开关1号单元1~5号主变400V开关411A(B)~415A(B)2号单元1~5号主变400V开关421A(B)~425A(B)3号单元1~5号主变400V开关431A(B)~435A(B)4号单元1~5号主变400V开关441A(B)~445A(B)5号单元1~10号主变400V开关451A(B)~4510A(B) 6号单元1~5号主变400V开关461A(B)~465A(B)7号单元1~5号主变400V开关471A(B)~475A(B)8号单元1~10号主变400V开关481A(B)~480A(B) 5.2.3 其他设备编码5.2.3.1 母线压变35kV母线压变1手车31935kV母线压变2手车3295.2.3.2 静止无功发生器SVGSVG35kV开关302SVG35kV开关手车3021SVG35kV侧接地闸刀30275.2.3.3 35kV母线插件35kV母线插件手车31005.2.3.4 消弧线圈接地变35kV开关303接地变35kV开关手车3031接地变35kV侧接地闸刀30375.2.3.5 2号站用变2号站用变35kV开关3042号站用变35kV开关手车30412号站用变35kV侧接地闸刀30475.3 400V设备编码5.3.1逆变器5.3.1.1 交流开关1号单元1~10号逆变器交流开关411~41102号单元1~10号逆变器交流开关421~42103号单元1~10号逆变器交流开关431~43104号单元1~10号逆变器交流开关441~44105号单元1~20号逆变器交流开关451~45206号单元1~10号逆变器交流开关461~46107号单元1~10号逆变器交流开关471~47108号单元1~20号逆变器交流开关481~48205.3.1.2 直流开关1号单元1~10号逆变器直流开关0411A(B)~04110A(B) 2号单元1~10号逆变器直流开关0421A(B)~04210A(B)3号单元1~10号逆变器直流开关0431A(B)~04310A(B) 4号单元1~10号逆变器直流开关0441A(B)~04410A(B) 5号单元1~20号逆变器直流开关0451A(B)~04520A(B) 6号单元1~10号逆变器直流开关0461A(B)~04610A(B) 7号单元1~10号逆变器直流开关0471A(B)~04710A(B) 8号单元1~20号逆变器直流开关0481A(B)~04820A(B) 5.3.2 400V厂用变1号单元1~5号厂用变400V开关4011A(B)~4015A(B)2号单元1~5号厂用变400V开关4021A(B)~4025A(B)3号单元1~5号厂用变400V开关4031A(B)~4035A(B)4号单元1~5号厂用变400V开关4041A(B)~4045A(B)5号单元1~10号厂用变400V开关4051A(B)~40510A(B) 6号单元1~5号厂用变400V开关4061A(B)~4065A(B)7号单元1~5号厂用变400V开关4071A(B)~4075A(B)8号单元1~10号厂用变400V开关4081A(B)~4080A(B)。
通信设备编码新版规则
概述
本文档旨在介绍通信设备编码新版规则,以便确保通信设备的标识和管理符合最新标准和要求。
规则变更背景
由于通信设备行业的快速发展和技术更新,原有的通信设备编码规则已经无法满足当前的需求。
为了提高通信设备的标识和管理效率,必须制定新的规则来适应行业发展的需求。
新版规则主要内容
1. 设备编码格式:新版规则规定了通信设备的编码格式,包括设备类型、品牌、型号等信息的组合。
这样可以方便对通信设备进行唯一标识和识别。
2. 编码标识要求:新版规则明确了通信设备编码标识的要求,包括编码位置、字体大小、颜色等。
这些要求有助于提高通信设备编码的可读性和可识别性。
3. 管理措施:新版规则还对通信设备编码的管理措施进行了一
系列规定,包括编码的注册、变更和注销等流程。
这样可以确保通
信设备编码的准确性和完整性。
实施计划
根据新版规则,相关部门将制定实施计划,并与通信设备生产
厂商、销售商和用户进行沟通和培训,以确保新规则的有效实施。
结论
通信设备编码新版规则的制定是迎合行业发展的需要,可以提
高通信设备的标识和管理效率。
相关方面应积极配合、落实新规则,并确保其有效实施。
参考文献
无。
一卡通各类设备编码及编码规则一卡通是一种智能卡,可用于多种功能,如支付、门禁、公交等。
不同的一卡通设备有不同的编码方式和编码规则,下面介绍几种常见的一卡通设备及其编码规则。
1.门禁设备编码规则:门禁设备通常用于控制进出门禁区域的人员验证。
门禁设备的编码规则一般由设备厂商自行定义,但通常包含以下几个元素:-厂商编号:用于标识设备厂商的唯一编码,通常为一个或多个字母。
-设备类型:用于区分不同类型的门禁设备,如门禁控制器、读卡器等。
-设备序列号:每个设备的唯一序列号,通常为数字,长度根据厂商定义。
例如,一款由ABC公司生产的门禁控制器的编码规则可以为:ABC-CTRL-0001,其中"ABC"表示厂商编号,"CTRL"表示设备类型,"0001"表示设备序列号。
2.公交卡设备编码规则:公交卡设备主要用于公交车上的刷卡乘车支付系统。
公交卡设备的编码规则通常由城市管理机构或相关部门制定,并包含以下信息:-地区代码:用于标识公交卡设备所属的地区,通常为一个或多个数字。
-车辆类型:用于区分不同类型的车辆,如城市公交、地铁等。
-设备序号:每个公交车上的设备都有一个唯一的序号,通常为数字,长度根据城市规模和需求定义。
例如,北京市的公交卡设备编码规则可以为:1101-01-0001,其中“1101”表示地区代码,"01"表示城市公交,"0001"表示设备序号。
3.自助售票机编码规则:自助售票机用于自动售票和充值功能,广泛应用于公共交通系统和其他场所。
自助售票机的编码规则通常由设备厂商自行定义,但一般包含以下信息:-设备类型:用于区分不同类型的自助售票机,如自动售票机、自动充值机等。
-设备序号:每个自助售票机都有一个唯一的序号,通常为数字,长度根据厂商定义。
例如,一款由XYZ公司生产的自动售票机的编码规则可以为:TVM-0001,其中"TVM"表示设备类型,"0001"表示设备序号。
特种设备编码规则1.电梯乘客电梯(含液压乘客电梯)3010客货电梯(含液压客货电梯)3011病床电梯(含液压病床电梯)3012载货电梯(含液压载货电梯)3013自动扶梯3020自动人行道3021其它电梯30302.起重机械桥式起重机4010门式起重机4020门座式起重机4030塔式起重机4040流动式起重机4050施工升降机和简易升降机4060轻小型起重设备4070其它起重机械40803.厂内机动车辆轮式自行专用机械5010履带式自行专用机械5020蓄电池车5030客车类5040汽车类5050方向盘轮式拖拉机5060手扶拖拉机5070手把式三轮机动车5080其它机动车50904.游艺机和游乐设施转马类游艺机6010滑行类游艺机6020陀螺类游艺机6030飞行塔类游艺机6040赛车类游艺机6050自控飞机类游艺机6060观览车类游艺机6070小火车类游艺机6080架空游览车类游艺机6090 水上游乐设施6100碰碰车类游艺机6110电池车类游艺机6120其它无动力类游乐设施6130 槽式滑道7010管轨式滑道70205.客运索道其它往复式9010单承载单牵引往复式9011单承载双牵引往复式9012双承载单牵引往复式9013双承载双牵引往复式9014单承载单牵引车组往复式9015其它循环式9020抱索器可脱挂单线循环式9021抱索器固定单线循环脉动式9022抱索器固定单线循环间歇式9023抱索器固定单线循环式(吊篮或吊椅式)9024客运缆车9030客运拖牵索道9040(二)地址码:使用地点固定的特种设备为使用地点所在地、市的行政区划代码;流动式且跨地区使用的特种设备为产权单位所在地、市的行政区划代码。
由六位阿拉伯数字组成,按照国家标准《中华人民共和国行政区划代码》(GB/T2260-1999)的规定进行编码并填写。
(三)日期码:由六位阿拉伯数字组成,为该特种设备进行注册登记的年份和月份数字,并按年、月的顺序填写。
成都市公共图书馆“一卡通”编码规则及文献条码编码规则为在成都地区公共图书馆顺利实现文献资源的“通借通还”,使成都市公共图书馆能充分利用现有资源,提高文献保障率,最大程度保证资源的共享,依据国颁《最新县及县以上行政区划代码》,结合本地区实际情况,现就成都市公共图书馆“一卡通”编码规则及文献条码编码规则作出以下规范:1、“一卡通”编码规则①“一卡通”条码由16位数字构成,前2位为国家代码(86),第3位至第8位为地区代码,第9位至第16位为流水号。
②成都市各区市县代码如下:510101市辖区510104锦江区510105青羊区510106金牛区510107武侯区510108成华区510112龙泉驿区510113青白江区510114新都区510115温江区510121金堂县510122双流县510124郫县510129大邑县510131蒲江县510132新津县510181都江堰市510182彭州市510183邛崃市510184崇州市备注:高新区暂时使用510190(86国家代码510104锦江区00000998例如:一卡通编码:8651010400000998,流水号第998个读者号)2、文献条码编码规则①文献条码由15位字母及数字构成,第1、2位为字母CD,代表成都地区,第3位至第5位为馆代码(数字),第6、7位为文献类型代码(数字),第8位至15位为文献流水号(数字)。
②成都市各区市县馆代码如下:101成都图书馆104锦江区图书馆105青羊区图书馆106金牛区图书馆107武侯区图书馆108成华区图书馆112龙泉驿区图书馆113青白江区图书馆114新都区图书馆115温江区图书馆121金堂县图书馆122双流县图书馆124郫县图书馆129大邑县图书馆131蒲江县图书馆132新津县图书馆181都江堰市图书馆182彭州市图书馆183邛崃市图书馆184崇州市图书馆备注:高新区图书馆暂时使用190③文献类型代码如下:01中文图书02外文图书03光盘资料04中文期刊05外文期刊06外文音像07中文报纸08古籍09盲文书刊12外文报纸13中文音像例如:文献条码编码:CD1040100000998,(CD成都104锦江区图书馆01中文图书00000998流水号第998本)。