公司设备编号原则及管理办法
- 格式:doc
- 大小:31.00 KB
- 文档页数:6
公司管理制度和编号的管理制度第一章总则第一条为规范公司内部管理,提高工作效率,保障公司利益,制定本管理制度。
第二条公司管理制度是公司内部规范和约束人员行为的规则和制度,具有强制性和约束力。
第三条公司管理制度适用于所有公司员工,包括领导、员工等。
第四条公司管理制度应当符合国家法律法规和公司章程的规定,不得违法违规。
第五条公司管理制度应当及时修订和完善,以适应公司经营发展的需要。
第二章组织架构第六条公司设立总经理负责全面领导和管理公司工作。
第七条公司设立财务部、人事部、市场部等职能部门,各部门负责公司相应工作。
第八条公司设立岗位设置方案,明确各岗位职责和权限。
第九条公司设立绩效考核制度,对员工的工作表现进行定期评估。
第十条公司设立内部审计部门,对公司的经营情况进行审计和监督。
第三章工作规范第十一条公司员工应当遵守公司规章制度,保守公司机密,维护公司声誉。
第十二条公司员工应当按照公司要求履行岗位职责,完成工作任务。
第十三条公司员工应当严格执行公司制定的工作流程,不得擅自变更。
第十四条公司员工应当保持工作积极性,避免拖延磨蹭。
第十五条公司员工应当遵守公司的办公时间,不得迟到早退。
第四章奖惩制度第十六条公司根据员工的工作表现和业绩情况,设立奖励机制。
第十七条公司对违反规定的员工进行警告、扣工资等处罚措施。
第十八条公司对严重违规的员工进行停职、调整等处理。
第十九条公司对涉嫌犯罪的员工移交司法机关处理。
第五章第二十条公司员工如要离职,应提前30天向公司提出书面申请。
第二十一条公司员工离职前应完成手续交接,并领取离职证明。
第二十二条公司应妥善处理离职员工的工资、年假等待遇问题。
第六章附则第二十三条公司管理制度自颁布之日起开始执行。
第二十四条对违反公司管理制度的行为,公司有权进行调查和处理。
第二十五条公司管理制度不尽事宜,可由公司总经理根据公司实际情况进行补充规定。
第二十六条本管理制度的最终解释权归公司总经理所有。
设备位号编制办法为了更好的服务项目建设和为以后生产打好基础,防止设备位号重复或乱编现象的发生,特对公司设备位号编制做如下规定(特殊规定除外):设备位号的组成每台设备只编一个位号,由五个单元组成,如下所示:T — 0 0 01 A(1)(2)(3)(4)(5)这五个单元依次是:(1)设备类别代号;(2)设备所在的装置的编号;(3)所在装置工段的编号;(4)同一装置或工段内同类设备顺序号;(5)相同设备的数量尾号,超出数量1时启用;第一条、设备类别代号按设备类别编制不同的代号,取设备英文名称的第一个字母(大写)做代号,具体规定如下:第二条、设备所在的装置编号A.采用数字编号,从01开始至99依次排列;公共设施及生活设施此编号为0。
B.公司装置编号如下:硫氢化钠: 1 焚烧炉: 5 硫脲(含冷冻站): 2 罐区: 7 二氧化碳: 3 单氰胺: 8 制氢装置: 12 制酸装置: 9 助剂装置: 13第三条、所在装置工段的编号按装置内工艺流程划分,原则采用一位数字,从0~9,装置不区分工段编号为0;第四条、同一装置或工段内同类设备顺序号按同类设备在工艺流程中流向的先后顺序编写,采用二位数字,从01开始至99依次排列;第五条、相同设备的数量尾号两台或两台以上设备并联时,它们的位号前四项完全相同,用不同的数量尾号予以区别,按排列顺序依次以大写英文字母A、B、C…作为每台设备的尾号,在设备一览表中可以写作A/B或A-C…;以上为设备位号编制原则,设备所在的装置的编号和所在装置工段的编号,启用前必须经过设备管理部同意确认和备案后,方可启用;同一装置或工段内同类设备顺序号和相同设备的数量尾号,相关单位可根据实际情况依次编写并上报设备管理部备案;第六条、违反以上规定的,给予相关部门设备管理人员,即时负激励100元。
公司设备编号原则及管理办法有限公司设备编号原则及管理办法永富容器(哈尔滨)有限公司是一家集产、销、售后服务为一体的制罐企业,针对我公司设备种类繁多,型号多样的特点,以及结合公司现已成形的流水线生产作业模式,我们将公司分为多个不同类别的产品生产、加工车间,设备、材料维护加工等车间。
既:冲压车间、制罐车间、印刷车间、机修车间。
根据《设备编号管理办法》规定,以及结合本公司现有特点,我们将永富容器的英文缩写FCP与每个车间名称的第一个开头大写字母组合起来编号。
如:冲压车间FCP-C-01,印刷车间FCP-Y-01,制罐车间FCP-Z-01等。
其中的Z 指未被编入生产线的设备。
针对我公司的生产状况均以流水线作业为主的模式,为了更清晰的了解、掌握每个设备的运行状况,保养状态,我们将车间设备细化到每条线,因此,生产流水线设备按工艺属性分成若干单元,逐个入账,连接部分(传送带、隧道)附属。
既:制罐车间1号线:FCP-Z1-01,2号线:FCP-Z2-01等以此类推,其中Z1,Z2表示一号线,二号线。
印刷一号线、二号线为Y1、Y2。
另外,实验室用字母S表示,既设备编号为:FCP-S-01,机修车间用J 表示,编号为:FCP-J-01等。
由于我公司在生产、管理工作中会涉及到大量的技术文件等,诸如:零件清单、物料请购单、检验标准、管理制度、作业指导书等,将根据公司现有的《程序文件的编号原则》进行编号。
如涉及技术图纸,工程部将自行根据合理方式,有针对性进行编号。
设备及相关文件在制订后将涉及到管理问题,因此我们参照相关办法并制定了如下表单:《文件发放/回收登记表》《文件发放、借阅申请书》《外来文件一览表》《设备变更产品型号流程表》《设备/模具日常维修表》《设备/模具台帐》等加以规范。
注:此《设备编号原则及管理办法》为试行方案,如有不妥之处恳请各位提出批评和建议。
工程部2008年3月10日4.2设备编号4.2.1设备编号的原则4.2.1.1一个编号只能用一次,不管该设备发生任何情况(如调出、报废),该编号保留,不能用其它设备填充。
仪器设备管理编号编制办法1.编制目的为使仪器设备管理编号的编制有据可循,统一仪器设备管理编号编制规则编制本办法。
2.适用范围本编号方法适用于试验中心本部及工地试验室所有主要试验仪器设备。
3.编号方法3.1将仪器设备按功能划分,用拼音字母表示功能分类,功能分类字母代码详见《仪器设备管理总台账》。
3.2仪器设备代码+购买年份+序号+流水号,为仪器设备编号。
3.3仪器设备编号表示方式:3.4中心本部及派出机构分别建立仪器设备管理分台账,中心本部再建立一个仪器设备管理总台账,对公司全部仪器设备实施统一管理。
例如:中心于2013年12月购买了两台1000kN 万能材料试验机,三台钢筋反向弯曲试验机,三台击实仪。
万能材料试验机和钢筋反向弯曲试验机在总台账中的功能分类代号为“LX ”,万能材料试验机的序号为01号,流水号分别为01号和02号;钢筋反向弯曲试验机在总台账中的序号为02号,流水号分别为01号、02号和03号;击实仪在总台账中的分类代号为“TG ”,序号为03号,流水号分别为01号、02号、03号。
3.5编号实例:两台1000kN 万能材料试验机的管理编号分别为:LX20130101、LX20130102;三台钢筋弯曲试验机的管理编号分别为:LX20130201、LX20130202、LX20130203;三台击实仪的管理编号分别为:TG20130301、TG20130302、TG20130303。
试验仪器设备汇总台账(示例)3.6对于小型且不易粘贴标识的仪器设备,中心本部、临时派出机构分别建立《小型试验器具、工具明细表》,按照《小型试验器具、工具明细表》中的序号+流水编号进行标识。
如:环刀、铝盒、钢直尺等可用电动刻字笔进行标识;玻璃器具可在专用标识框内刻画进行标识;温度计可在适当位置悬挂带编号的金属或硬质材料铭牌进行标识;各类试模可用油漆喷涂流水编号进行标识。
小型试验器具、工具明细表(示例)字母以示区别。
设备编号分类原则设备编号分类是指根据一定的规则和原则对设备进行分类和编码,以便在设备管理和使用过程中能够快速准确地进行识别、检索和管理。
设备编号分类原则主要包括功能原则、形式原则、区域原则和层次原则。
下面将详细介绍这四个原则。
1.功能原则:功能原则是根据设备的用途和功能不同进行分类和编号。
它将设备按照所属的功能部门或功能类别进行划分,使得设备能够按照其所属的功能部门或功能类别进行统一管理。
例如,在一个制造企业中,可以按照设备用途划分为生产设备、检测设备、仓储设备等。
这样能够使得设备容易被找到,并且提高设备的利用率,便于维护和管理。
2.形式原则:形式原则是根据设备的外形、结构和形式进行分类和编号。
它将设备按照其外形、结构和形式的差异进行分类,以实现设备的一致和便捷管理。
例如,在一个电子产品公司中,可以按照外形形式将设备划分为笔记本电脑、平板电脑、手机等。
这样就能够方便地识别设备的种类和型号,以及对其进行管理和维护。
3.区域原则:区域原则是根据设备所属的地理位置或使用区域进行分类和编号。
它将设备按照其所在地理位置或使用区域进行划分,以实现设备在不同区域间的快速识别和管理。
例如,在一个大型医院中,可以按照不同科室将设备进行分类,以便在需要使用设备时能够快速找到所需的设备,提高工作效率。
4.层次原则:层次原则是根据设备所处的级别和层次进行分类和编号。
它将设备按照其所属的级别和层次进行划分,以实现设备的统一管理和控制。
例如,在一个学校中,可以按照设备所属的部门或教学阶段将设备进行分类,如教学设备、实验设备、办公设备等。
这样能够使得设备的管理更加科学和规范,提高设备的利用率和使用效果。
综上所述,设备编号分类原则能够根据设备的功能、形式、地域和层次等特征对设备进行分类和编码,以实现设备的识别、管理和使用的便捷性和高效性。
在实际应用中,可以根据具体情况综合运用各个原则进行设备编码,以满足对设备管理的需求,提高设备的管理效率和效果。
设备管理办法设备管理办法是指对企业或机构内部的各种设备进行规范管理的一种方法。
针对不同的设备类型,设备管理办法的内容也有所不同,但总体上要求对设备的使用、维护、保养等方面进行标准化的管理,以确保设备正常运行,提高生产效率和工作质量。
设备管理办法的实施可以使企业或机构的设备在使用中更稳定,更可靠。
设备管理办法中通常包括设备的分类、编号、管理责任、日常维护保养、故障排除及保险等方面的内容。
下面我们来一一介绍:1.设备分类设备分类是设备管理的第一步,主要是对不同类型的设备进行区分。
不同种类的设备特征和要求也是不同的,因此需要针对性的管理。
根据设备的性质和用途,可以将其分为机械设备、电子设备、仪器仪表、计算机设备、办公设备、交通工具等多个类别。
对不同的设备类型,需要采取不同的管理策略。
2.设备编号设备编号是设备管理的重要环节之一,主要是为了方便设备的标识和管理。
通过设备分类,可以为每一种设备确定一个独立的编号,以便识别和追踪设备的使用情况。
同时,设备编号也方便对设备进行区分和管理,例如设备的购买、维修和保险等方面。
3.管理责任设备管理的实施需要明确各个责任的范围和具体要求。
指定专门的设备管理员或工程师负责设备的日常管理及维护工作。
对于大型的生产设备,还需要配备专门的技术服务组或维修队。
同时,需要对设备使用人员负有使用的责任。
设备使用人员在使用设备时,必须按照规定的操作程序进行操作,不能随意更改设备参数,以免引起事故和设备损坏。
4.日常维护保养日常维护保养是设备管理的重要环节之一,它是保证设备长期正常运转的基础和前提。
包括设备的清洁、检查、润滑、调试、备件更换等方面。
通过对设备的日常维护保养,可以及时发现设备的故障和损坏情况,及时采取修理或更换措施,最大限度地延长设备的使用寿命。
5.故障排除设备故障是不可避免的,对于设备故障的排除需要专门的技术服务组或维修队进行。
设备管理员或工程师应及时排查故障原因,并采取有效的修复措施。
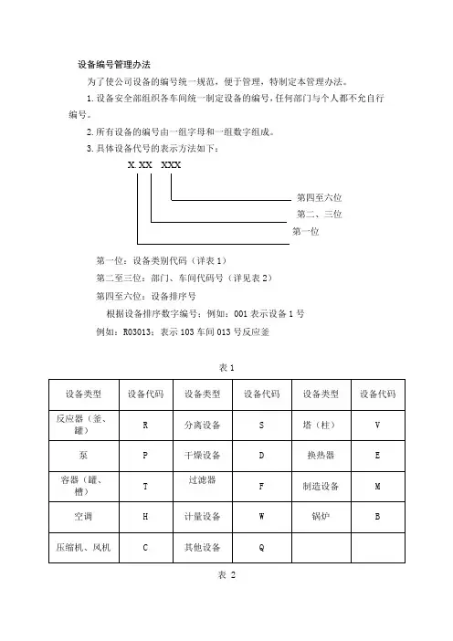
设备编号管理办法
为了使公司设备的编号统一规范,便于管理,特制定本管理办法。
1.设备安全部组织各车间统一制定设备的编号,任何部门与个人都不允自行编号。
2.所有设备的编号由一组字母和一组数字组成。
3.具体设备代号的表示方法如下:
X. XX XXX
第四至六位
第二、三位
第一位
第一位:设备类别代码(详表1)
第二至三位:部门、车间代码号(详见表2)
第四至六位:设备排序号
根据设备排序数字编号;例如:001表示设备1号
例如:R03013;表示103车间013号反应釜
表1
表 2
3.1各车间增加新的设备时,由车间到设备安全部申请新的编号,同时填写《设备台帐》。
3.2所有设备编号为公司唯一编号,各部门的设备在新购、调拨、转入应及时提请设备安全部对设备进行编号,设备安全部将设备档案随设备同时进行归档调整。
3.3公司电气动力电柜、控制柜、开关箱等设备的编号另行规定。
设备管理办法一、总则为了加强设备管理,提高设备的完好率和利用率,保证设备的正常运行,满足生产和工作的需要,特制定本办法。
本办法适用于公司内所有设备的管理,包括生产设备、办公设备、检测设备等。
二、设备的分类和编号(一)设备分类根据设备的用途和重要性,将设备分为关键设备、重要设备和一般设备三类。
1、关键设备:对生产和工作有直接影响,一旦出现故障会导致生产中断或造成重大损失的设备。
2、重要设备:对生产和工作有较大影响,出现故障会影响生产进度或工作效率的设备。
3、一般设备:对生产和工作影响较小,出现故障容易修复且不会造成严重后果的设备。
(二)设备编号为了便于设备的管理和识别,对每台设备进行编号。
设备编号应具有唯一性,由设备类别代码、设备流水号组成。
三、设备的购置和验收(一)设备购置1、各部门根据生产和工作的需要,提出设备购置申请,填写《设备购置申请表》,注明设备名称、规格型号、数量、用途、预算等。
2、设备管理部门对购置申请进行审核,综合考虑设备的性能、价格、售后服务等因素,提出购置建议。
3、经公司领导批准后,由采购部门按照采购程序进行采购。
(二)设备验收1、新购置的设备到货后,由设备管理部门组织使用部门、采购部门等进行验收。
2、验收内容包括设备的外观、规格型号、技术参数、随机附件、随机资料等。
3、验收合格后,填写《设备验收报告》,办理入库手续。
四、设备的安装和调试(一)设备安装1、设备安装前,由设备管理部门制定安装方案,明确安装地点、安装要求、安全措施等。
2、安装工作由专业人员进行,严格按照安装说明书和安装方案进行操作。
3、安装完成后,进行设备的初步调试,检查设备的运行情况。
(二)设备调试1、设备调试由设备生产厂家或专业调试人员进行,调试过程中应做好记录。
2、调试内容包括设备的各项性能指标、精度、稳定性等。
3、调试合格后,填写《设备调试报告》,交付使用部门使用。
五、设备的使用和维护(一)设备使用1、使用部门应指定专人负责设备的操作和使用,操作人员应经过培训,熟悉设备的性能、操作规程和安全注意事项。
设备编号与标识管理办法1 目的规范设备编号和标识的产生、核准、制作、安装、使用、维护等过程管理,使其处于受控状态,并服务于设备管理的全过程。
2 适用范围适用于集团公司本部各设备管理责任主体单位和异地钢铁公司所属各类设备(含附属设施、装置)的“编号”和“标识"管理.3 术语、定义3。
1 设备:本办法所指的设备是指已经安装投入使用的工业生产、公辅、计量设施;各类机械、电器、动力装备;动力能源介质输送控制装置(如:各类管道、阀门、盘、箱、柜)等.它区别于固定资产概念。
3。
2 设备编号:是指为满足设备信息化管理和日常使用登记、标识、称呼而统一编制的一种号码,今后统称“使用编号”.它反映了设备属性、使用单位、所属专业和类型数量,具有简便、唯一性、易辨识的特点。
它区别于财务部门根据国家统一规定编制的固定资产编号。
3.3 设备标识:是指承载设备相关信息的一种载体。
它能反映设备名称、规格、编号、参数、功能、产生等信息,并固定在设备本体上的各类标识。
如:产品出厂铭牌、固定资产标牌、定置管理标牌、检验合格标志、分类管理标识等。
4 管理职责4.1 生产指挥控制中心设备管理办公室是设备使用编号及标牌业务的主管部门,主要负责《设备编号及标识管理办法》的制定,并对其执行情况进行监督、检查和指导;负责大型及以上设备“设备编号”和标牌设计方案的核准.4。
2 各设备管理责任主体单位分管设备的领导是设备使用编号及标识管理业务的第一责任人,应指定管理人员负责管辖区设备使用编号及标识业务的具体管理。
5 管理内容及要求5.1 设备使用编号管理5.1.1 使用编号的结构组成:生产线(区域)代码-设备类别代码—流水码XX—XX—XXX同类别设备的流水码(顺序号)设备(设施、装置)类别代码设备所属生产线或区域代码5。
1。
2 大型设备使用编号的编制大型设备使用编号的编制,由各设备管理责任主体单位负责编制,提报生产指挥控制中心设备管理办公室核准.5。
物资编码管理实施细则范文一、引言物资编码管理是企业物资管理体系的重要组成部分,对于提高物资管理工作效率,优化资源配置,确保物资供应链的畅通起着至关重要的作用。
本文旨在制定物资编码管理实施细则,规范化企业物资编码管理工作,提高物资管理的效率和精确性。
二、编码规则制定1. 统一编码长度原则为保证编码的唯一性和规范性,统一采用13位数字编码,其中前两位表示物资大类别,后11位作为物资的子类别编码。
2. 分类编码原则按照物资的属性、用途和特点将物资进行分类编码,确保编码的科学性和可操作性。
例如:01表示原材料类,02表示辅助材料类,03表示设备材料类等。
3. 编码组织原则编码按照层级进行组织,确保编码的简洁明了和易于理解。
首先将各类别的编码分配一个大类别编码,再将每个大类别的编码按照子类别进行编码,以此类推。
4. 编码的可扩展性原则随着企业业务的发展和物资种类的增加,编码系统应具备良好的可扩展性,以满足未来物资编码管理的需求。
三、编码管理流程为确保物资编码管理的有效实施,明确编码管理工作的流程是必要的。
下面是一个简单的编码管理流程示意图:{流程图}1. 申请编码物资管理人员根据企业实际需求,向物资编码管理部门提出编码申请。
申请中应包含物资的基本信息,如名称、型号规格、用途等,并说明所属的大类别和子类别。
2. 编码审核物资编码管理部门对申请进行审核,确保申请信息的准确和完整性。
如果有需要补充或修改的地方,及时与申请人进行沟通,并要求其提供相关的补充材料。
3. 编码分配经过审核的申请将会被分配一个唯一的编码,根据编码规则中的层级关系进行分配。
同时,将编码记录在编码管理系统中,以备后续使用和查询。
4. 编码反馈将编码分配结果及时反馈给申请人,告知其所分配的编码,并说明相关的使用事项和注意事项。
5. 编码使用物资管理人员在采购、入库、出库等操作中,将所使用物资的编码记录在相应的操作记录中,以便后期管理和查询。
6. 编码变更若发生物资的名称、规格等信息发生变更,物资管理人员应及时向物资编码管理部门申请编码变更。
李老师整理编辑,双击删除页眉,再上传必究
水力发电有限公司设备命名规则和编码规则管理
办法
第一章总则
第一条本制度规定了设备命名和编码的管理内容与要求及考核等内容。
第二条规范现场设备的管理,保障设备命名和编号不重复,避免因设备命名和编号重复而导致的误操作事故的发生。
第三条本制度适用于本发电有限公司设备命名和编码工作。
第二章管理内容与要求
第四条命名原则
(一)命名应以用途为基本,不足以表明时,增加辅助性文字。
(二)命名应避免名称重复、谐音之弊。
(三)机组名称:发电机、水轮机。
(四)变压器名称:主变、厂用变、近区变、专用变、励磁变。
(五)励磁系统各柜名称:功率柜、调节柜、灭磁开关柜。
再上传飞刀必究。
计量设备编号管理制度一、总则为了规范计量设备的使用和管理,提高计量设备管理的科学性和有效性,制定本计量设备编号管理制度。
二、适用范围本制度适用于本单位所有的计量设备的管理、使用和维护。
三、编号原则与要求1.计量设备的编号应具备唯一性和连续性,以方便对计量设备进行追踪和管理。
2.编号应由计量设备管理人员或专门指定的人员进行编制,并及时记录在计量设备管理台账中。
3.编号应采用阿拉伯数字。
4.编号的前缀应代表计量设备所属的部门或科室,以便进行归类和管理。
四、编号的分配和管理1.计量设备管理人员负责根据实际需求进行计量设备编号的分配和管理。
2.新购入的计量设备应及时进行编号,并在计量设备管理台账中进行记录。
3.所有计量设备的编号和相关信息应妥善保存,并定期进行备份。
4.每位计量设备管理人员都应进行全面的计量设备台账核对,确保编号的准确性和完整性。
5.原则上不得改变计量设备的编号,如有特殊情况需要更改,必须经过相关部门的审批,并及时更新计量设备管理台账。
五、编号的用途1.编号用于实现计量设备的管理流程和信息系统的对接。
2.编号用于计量设备的维修、校准、检定等工作的追踪和记录。
3.编号用于计量设备的调拨、借用等过程的管理和跟踪。
4.编号用于计量设备的清查和盘点工作的进行。
六、责任和处罚对于未按照本制度要求进行计量设备编号的单位或个人,管理人员有权采取相应的纠正和处罚措施,包括口头警告、书面警告、通报批评等,严重者将追究相关责任。
七、附则1.本制度由计量设备管理人员负责解释和修订,并在相关部门进行公示和宣传。
2.本制度自颁布之日起执行。
设备及备品配件编号及台帐、技术档案、操作、定额管理办法一、设备编号及台帐:1、为了便于设备的统计和管理,公司所属所有设备都应编号,一台设备一个编号。
成套设备所配备的电动机等附属设备,如无特殊原因不再单独编号。
2、设备编号应依据PID图所标注的设备工位号来确定,无工位号或独立运行的设备应由使用单位标注其名称。
设备编号应按照工位号+设备名称规则编写,并在设备的显著部位进行标识。
3、各单位设备管理人员应依据帐物相符的原则建立本单位的设备台帐,设备台帐按照《关于印发公司设备基础资料管理规范的通知》所提供的格式填写。
4、设备ABC分类应在设备台帐中进行注明。
(A类为关键设备,BC类为一般设备)5、设备台帐必须齐全、准确、规范、及时更新。
除电子文档外还应保存纸质文件备查。
二、设备技术档案:1、各单位应根据公司设备管理的相关规定,建立、健全设备技术档案。
设备技术档案应由专人负责保管。
有条件的单位应单独安排房间存放。
2、每台设备应建立单独的设备技术档案。
设备技术档案主要内容请参照《公司设备基础资料管理规范》;特种设备技术档案主要内容请参照《公司特种设备技术资料建档规范》。
3、设备技术档案是设备的组成部分,当设备发生调拨等变动时设备技术档案应跟随设备同时变动。
变动过程中应做好交接工作避免发生资料遗失。
4、设备零件手册及结构图是设备技术档案的重要组成部分。
应参照以下原则进行管理。
①、设备零件手册及结构图应由设备生产厂家提供。
设备采购部门应在设备采购技术协议中明确提出。
验收时未按要求提供零件手册及结构图的设备不得通过验收。
②、设备使用单位应及时收集、完善设备零件手册及结构图,设备零件手册及结构图应与设备档案本、说明书等基础资料一起归档保管。
③、为确保设备完好,保证及时维修、维护,设备零件手册及结构图应由设备工程师根据厂家提供的信息进行更新。
三、备品配件定额管理:1、公司各单位必须加强备品配件的管理,建立健全备品配件管理制度,并由专人负责管理。
有限公司
设备编号原则及管理办法
永富容器(哈尔滨)有限公司是一家集产、销、售后服务为一体的制罐企业,针对我公司设备种类繁多,型号多样的特点,以及结合公司现已成形的流水线生产作业模式,我们将公司分为多个不同类别的产品生产、加工车间,设备、材料维护加工等车间。
既:冲压车间、制罐车间、印刷车间、机修车间。
根据《设备编号管理办法》规定,以及结合本公司现有特点,我们将永富容器的英文缩写FCP与每个车间名称的第一个开头大写字母组合起来编号。
如:冲压车间FCP-C-01,印刷车间FCP-Y-01,制罐车间FCP-Z-01等。
其中的Z 指未被编入生产线的设备。
针对我公司的生产状况均以流水线作业为主的模式,为了更清晰的了解、掌握每个设备的运行状况,保养状态,我们将车间设备细化到每条线,因此,生产流水线设备按工艺属性分成若干单元,逐个入账,连接部分(传送带、隧道)附属。
既:制罐车间1号线:FCP-Z1-01,2号线:FCP-Z2-01等以此类推,其中Z1,Z2表示一号线,二号线。
印刷一号线、二号线为Y1、Y2。
另外,实验室用字母S 表示,既设备编号为:FCP-S-01,机修车间用J 表示,编号为:FCP-J-01等。
由于我公司在生产、管理工作中会涉及到大量的技术文件等,诸如:零件清单、物料请购单、检验标准、管理制度、作业指导书等,将根据公司现有的《程序文件的编号原则》进行编号。
如涉及技术图纸,工程部将自行根据合理方式,有针对性进行编号。
并制定了如下表单:
《文件发放/回收登记表》
《文件发放、借阅申请书》
《外来文件一览表》
《设备变更产品型号流程表》
《设备/模具日常维修表》
《设备/模具台帐》
等加以规范。
注:此《设备编号原则及管理办法》为试行方案,如有不妥之处恳请各位提出批评和建议。
工程部
2008年3月10日
4.2设备编号
4.2.1设备编号的原则
4.2.1.1一个编号只能用一次,不管该设备发生任何情况(如调出、报废),该编号保留,不能用其它设备填充。
4.2.1.2设备的附件和附属设备不另单独编号,可以在编号中加编辅机号区别。
4.2.1.3生产流水线设备按工艺属性分成若干单元,逐个编号入帐,其连接部份(传送带、隧道)可附属就近单元。
自动线设备按一条线为一台设备编号。
4.2.1.4每套设备在明显处钉上固定资产编号牌。
4.2.2设备大类按国家有关规定编号,部分编号如下:
机械设备代表数字动力设备代表数字
起重运输设备1 动能发生设备2
专业生产设备3 检验仪器设备4
其它机械设备5 其它设备6
4.2.3设备管理工作对象编号
生产设备编号为Ⅰ
生产辅助设备编号为Ⅱ
非生产设备编号为Ⅲ
检验设备编号为Ⅳ
4.2.4设备维修类别编号:分别用A、B、C表示A类、B类、C类设备。
4.2.5设备顺序号:为该设备在其分类中的流水号,用三位阿拉伯数字表示。
4.2.6辅机号:如果设备有附属设备,则设辅机号,用两位阿拉伯数字表示。
4.2.7示例
3ⅠA-001-01
代表公司专业生产设备顺序号为001的01号附属设备
其中设备流水号前后用“破折号”分开
一、设备位号
按照《化工工艺设计施工图内容和深度统一规定》(HG20519.35-92)的要求,施工图中设备名称应与初步设计所确定的名称一致。
1)设备位号的组成
每台设备只编一个位号,由四个单元组成,如下所示:
M 03 101 A
(1)(2)(3)(4)
这四个单元依次是:(1)设备类别代号;(2)设备所在的主项(建筑单体/车间/工段)的编号;(3)主项内同类设备顺序号;(4)相同设备的数量尾号。
(1)设备类别代号
按设备类别编制不同的代号,一般取设备英文名称的第一个字母(大写)做代号,
具体规定如下:
设备类别设备分类代号设备类别设备类别代号
塔 T 过滤器 F
泵 P 干燥器 D
压缩机、风机 C
换热器 E
反应器/罐 R 锅炉 B
容器(罐、槽) V 火炬、烟囱 S
起重运输设备 L 其它机械 M
计量设备 W 其它设备 X
(2)设备所在的主项编号
按工程设计总负责人给定的主项编号填写,采用两位数字,从01~99。
特殊情况下
允许以主项代号作为主项编号。
(3)主项内同类设备顺序号
按同类设备在工艺流程中流向及立面位置的先后顺序编写,采用三位数字,其中第一位数字一般可采用楼层代号,从1开始,后两位为设备顺序号,从01~99。
(4)相同设备的数量尾号
两台或两台以上设备并联时,它们的位号前三项完全相同,用不同的数量尾号予以区别,按数量和排列顺序依次以大写英文字母A、B、C…作为每台设备的尾号,在设备一览表中可以写作A/B或A-C…。
(5)书写方法
设备位号在流程图、设备布置图及管道布置图中书写时,在规定的位置划一条粗实线-设备位号线,线上方书写设备位号,线下方在需要时可书写设备名称。
二、管道代号
管道及管件的选用应符合我院《压力管道设计技术统一规定》和《化工管道设计规范》(HGJ8-87)的规定,按照《化工工艺设计施工图内容和深度统一规定》(HG20519.37-92)的要求,管道及仪表流程图中的管道应标注四个部分,即管道号(管段号,由三个单元组成)、管径、管道等级和隔热或隔声代号,总称为管道组合号(管道代号),一般标注在管道的上方,如下图所示:
PG03001-100 L1B-C
(1)(2)(3)(4)(5)(6)
管道组合号(管道代号)由六个单元组成,这六个单元依次是:(1)物料代号;(2)主项代号;(3)管道顺序号,以上三个单元组成管道号(管段号);(4)管道尺寸;
(5)管道等级;(6)隔热或隔声代号。
具体内容如下:
(1)物料代号
PA 工艺空气 PL 工艺液体
PG 工艺气体 PL1 工艺液体
PGL 气液两相流工艺物料 PLS 液固两相流工艺物料
PGS 气固两相流工艺物料 PS 工艺固体
PW 工艺水
B.辅助、公用工程物料代号
1)空气 3)水
AR 空气 TW 一次上水
CA 压缩空气 DW 饮用水
IA 仪表空气 DM 去离子水
2)蒸汽、冷凝水 PW 纯水
LS 低压蒸汽(饱和或微过热) WFI 注射水
LUS 低压过热蒸汽 WS 循环水(供)
MS 中压蒸汽(饱和或微过热) WR 循环水(回)
MUS 中压过热蒸汽 CWS 冷冻水(供)
S1 0.1MPa蒸汽 CWR 冷冻水(回)
S3 0.3MPa蒸汽 BS 冷冻盐水(供)
S6 0.6MPa蒸汽 BR 冷冻盐水(回)
…… HWS 热水(供)
PS 纯蒸汽 HWR 热水(回)
SC 蒸汽冷凝水 BW 锅炉供水
TS 伴热蒸汽
4)其它
VT 排气 DR 下水/排污
VE 真空 CS 化学污水
N 氮气
(2)主项代号
按工程设计总负责人给定的主项编号填写,采用两位数字,从01~99。
特殊情况下允许以主项代号作为主项编号。
(3)管道顺序号
相同类别的物料在同一主项内以流向先后为序,顺序编号,采用三位数字,从001~999。
(4)管道尺寸
一般标注公称尺寸,以mm为单位,只注数字,不注单位。
(5)管道等级
管道等级号由下列三个单元组成:
L 1 B
1) 2)3)
1)第一单元为管道的公称压力(MPa)等级代号,用大写英文字母表示。
A~K用于ANSI 标准压力等级代号(其中I、J不用),L~Z用于国内标准压力等级代号(其中O、X不用)。
常用的国内标准压力等级代号:
L——1.0MPa
M——1.6MPa
P——4.0MPa
2)第二单元为顺序号,用阿拉伯数字表示,由1开始。
3)第三单元为管道材质类别,用大写英文字母表示,与顺序号组合使用。
A ——铸铁 1G ——聚丙烯塑料
B ——碳钢 2G ——聚四氟乙烯塑料
1E ——304不锈钢
2E ——316L不锈钢 H ——衬里及内防腐
管道等级表的格式见《化工工艺设计施工图内容和深度统一规定》(HG20519.37-92)
(6)隔热或隔声代号
代号功能类型备注
H 保温采用保温材料
C 保冷采用保冷材料
P 人身防护采用保温材料
D 防结露采用保冷材料
N 隔声采用隔声材料。