(设备管理)石油与天然气钻井设备一切险条款
- 格式:doc
- 大小:29.07 KB
- 文档页数:8
华泰财产保险股份有限公司陆上油气钻井工具保险条款一、保险财产本保险单承保下列财产:1.石油钻井设备;2.石油修井设备:包括一切机械;工具;材料;供应;配件钻井架;底座;钻杆;通常用于钻井、重新作业或清除油井或气井的其他设备;但不包括后述除外者。
3.被保险人所有或者被保险人在法律上负有责任的财产。
二、保险限额与退费:1.本保险单所保财产均以陆上为限,最高赔偿金额以 为限。
2.保险人对本保险单项下承保的任何一次或全部危险的责任以本保险所列保险金额为限,除本保险单另有规定者外,应受本保险单全部条件的约束。
3.最低保费:被保险人要求注销本保险单或本保险单所承保的任何项目、钻机或设备组时,该项注销应按本保险单内规定的短期费率基数计算。
但保险人获取或收到的最低保费不能少于年保费的40%。
三、保险责任本保险对下列原因直接造成的财产损失或损坏负责赔偿:1.火灾、雷击;2.龙卷风、旋风、风暴和冰雹;3.地面爆炸(不包括下列除外者);4.在铁路、铁路快运或卡车运输过程中,运输工具的碰撞、脱轨和翻车;5.在渡船运输过程中发生的水上风险;6.桥梁或涵洞的坍塌;7.井喷和/或塌陷(定义见下述);8.洪水;9.偷窃,但不包括原因不明的消失和盘存短缺;10.飞机的坠毁或坠落物;11.装货和/或卸货;12.罢工、暴动和民间骚乱;13.非被保险人的故意破坏和恶意损毁行为;14.折叠井架或钻塔的升降;15.井架或钻塔的倒塌或拉垮;16.井喷和塌陷条款:“井喷”是指突然从井中喷出钻井液(泥浆、水, 有时是油),随之是从井中流出的失去控制的油、气或水。
这种情况发生于当地下某一深度内窜进的油、气或水的压力大于井中液柱压力从而使油井完全失去控制。
“塌陷”指围绕油井周围地面的盆状塌陷,它是由无阻碍地涌出油井的有侵蚀性和喷发作用的气和/或油和/或水而造成的。
四、不保财产本保险不承保下列财产和项目:汽车、飞机、铁路车皮、水泥、泥浆、钻井化合物、化学物品、套管、道路、堤道、泥浆池、设计图纸、计划、规范、记录、属于被保险人所拥有,租用或控制的任何仓库或材料场内长入存放的财产。
联合财产保险股份有限公司中华联合财产保险股份有限公司中华油管铺设一切险条款一、被保险人:二、代表本身:三、发生损失、赔款付给:四、保险金额:五、承保期限:根据后附格式与说明,自____中午起到____中午止的十二个月,以承保的危险所在地的当地标准时间为准。
六、鉴于本条款规定和_____。
七、被保险财产:____八、鉴于本保险凭证或保险单以降低费率承保,兹同意对每一项损失及费用,如有索赔,除全损和推定全损外,均应报告并分别理算,经理算的损失一旦确定后,应从其金额中扣除。
根据本条款,每次事故应单独处理。
但同一事故的发生而引起的一系列损失,应视作是一次事故。
九、本保险凭证或保单,根据其中规定和条件承保由于任何外来原因导致的被承保财物的直接物质损失的风险。
但因被保险人、财产所有但因被保险人、财产所有人或管理人未恪尽职责而造成的损失不予负责。
但对于内战、革罢工、骚乱、民变:直接由于罢工者、封闭工厂的工人及参与工潮、骚动,或民变的人对被保财产造成的损失予以赔偿。
但对于内战、革命、叛变或起义或由此产生的内讧造成的损失,以及因延误、扣留、丧失使用造成的损失不予负责。
命、叛变或起义或由此产生的内讧造成的损失,以及因延误、扣留、丧失使用造成的损失不予负责。
本条款承保责任可在任何时候出具的七天后生效的注销通知书予以注销。
十、无论本保险条款的内容有无矛盾之处,本保险凭证或保险单对于下述损失不予负责:磨损、变质、塌陷、水流冲刷海床、海水卵石的摩擦、金属疲劳、机器损坏、气温变化、腐蚀、生锈、电解、设计错误所引起1.磨损、变质、塌陷、水流冲刷海床、海水卵石的摩擦、金属疲劳、机器损坏、气温变化、腐蚀、生锈、电解、设计错误所引起1.的损失,因内在缺陷造成的灭失或损坏的修理或更换费用。
2.油管内的油。
2.油管内的油。
由于电路损坏或干扰而造成发电机、振荡器、电灯、马达开关和其他电气设备的损失。
但对于因此而引起的火灾造成的损失或3.3.由于电路损坏或干扰而造成发电机、振荡器、电灯、马达开关和其他电气设备的损失。
民安保险(中国)有限公司工程机械设备保险条款总则第一条本保险合同由保险条款、投保单、保险单或其他保险凭证以及批单组成。
凡涉及本保险合同的约定,均应采用书面形式。
保险标的第二条单位所有的经国家有关部门检测合格、依法登记、具备有效运行证的工程机械设备或者个人所有的具有生产厂家出具的合格证的工程机械设备均可作为保险标的,由其所有者或其他经济利害关系者向保险人投保本保险。
本保险条款中的工程机械设备是指无需上机动车辆牌照的特种工程机械设备,包括以下三类:(一)挖掘机、装载机、叉车、钻机、推土机;(二)拖泵、塔吊、压桩机、压路机、碎石机、破碎锤;(三)摊铺机。
保险责任第三条保险期间内,在保险单载明的区域范围内,因下列原因造成保险标的的损失,保险人按照本保险合同的约定负责赔偿:(一)火灾、爆炸;(二)雷击、暴雨、洪水、台风、暴风、龙卷风、雪灾、雹灾、冰凌、泥石流、崖崩、突发性滑坡、地面突然塌陷;(三)外界物体倒塌或坠落。
第四条发生本条款第四条规定的保险事故后,被保险人为减少保险标的的损失所支付的必要的、合理的施救费用,保险人按照本合同规定负责赔偿,最高赔偿金额以保险金额为限。
责任免除第五条下列原因造成保险标的的损失和费用,保险人不负责赔偿:(一)地震;(二)战争、敌对行为、军事行动、武装冲突、恐怖活动、罢工、骚乱、暴动;(三)核反应、核子辐射和放射性污染;(四)国家机关的行政行为或执法行为;(五)被保险人或其代表或工程机械设备操作人员的故意行为或重大过失;(六)碰撞、倾覆(七)盗窃、抢劫、抢夺;(八)自燃、烘焙;(九)不具有国家安全生产监督管理局颁发的合格操作资格证书的人员使用工程机械设备,或盗用、伪造、涂改、转借作业人员证件使用工程机械设备;(十)操作人员饮酒、吸毒、被药物麻醉期间;(十一)未经被保险人同意或允许而操作工程机械设备的;(十二)利用保险标的从事违法活动;(十三)未按照有关规定参加检验,或检测不合格,或对影响安全的有关问题提出限期整改而未整改的;(十四)被保险人伪造检验报告、检测结果或超期未检仍使用的。
石油天然气上游企业危险单位划分1.范围本指引规定了石油天然气上游企业危险单位划分的原则、方法和内容。
本指引适用于石油天然气上游企业危险单位划分的评定。
2.总则石油天然气上游企业涉及的保险业务范围广泛,按标的坐落位置划分,可分为海上石油险和陆上石油险,按险种划分,可分为建造险、营运期财产险、井喷控制费用保险、钻井平台一切险、陆地石油天然气钻井设备一切险等。
鉴于石油天然气上游企业保险标的类型及业务实践的多样性,本文旨在系统地归纳总结危险单位划分操作中必须考虑的要点和可以使用的基本方法。
对于具体业务的危险单位划分操作,保险公司应以本文为基础,做出符合业务实际情况的判断,或采取更为谨慎的原则和方法。
3.术语和定义3.1 危险单位危险单位:一次保险事故对一个保险标的造成的损失的最大范围。
3.2 其他重要术语和定义石油天然气上游企业:指海上和陆上油气勘探开发企业,不包括油气长距离管道输送企业和炼油化工企业。
4.识别关键风险的方法和标准在本文中关键风险是指可能给标的造成最严重损失后果的风险因素,此类风险虽然发生概率较低,但仍应被认定为划分危险单位的主导因素。
本段介绍此类评估的基本方法。
油气勘探开发过程面临的风险很多,易燃易爆、高温高压的工艺特点决定了主要风险来自于火灾和爆炸,如闪火、蒸气云爆炸(UVCE)、沸腾液体扩展蒸气云爆炸(BLEVE)。
由于标的在地理分布上具有集中性,局部的火灾或爆炸可产生连锁反应,导致整个标的毁坏。
应将火灾和爆炸风险作为石油天然气上游企业财产险的危险单位划分的关键风险。
这两类风险不但存在于企业营运期,也存在于建设安装后期的调试和试运行阶段,由于此阶段监测或消防设施尚未完全到位,系统属于初次运转,发生火灾或爆炸的危险也很大,这两类风险也应作为石油天然气上游企业建造险危险单位划分的关键风险。
评估火灾或爆炸风险时应围绕泄漏源和点火源两方面开展,管线、阀门、法兰、泵等设备是发生泄漏的主要风险点。
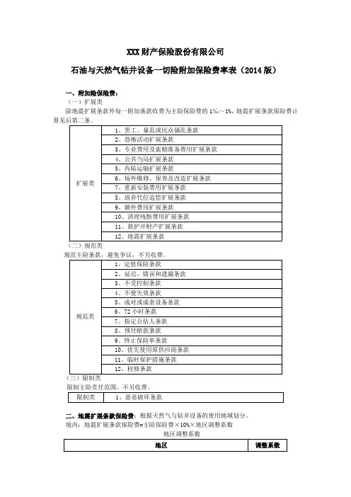
XXX财产保险股份有限公司
石油与天然气钻井设备一切险附加保险费率表(2014版)
一、附加险保险费:
(一)扩展类
除地震扩展条款外每一附加条款收费为主险保险费的1‰~1%,地震扩展条款保险费计算见后第二条。
(二)规范类
限制主险责任范围,不另收费。
二、地震扩展条款保险费:根据天然气与钻井设备的使用地域划分。
境内:地震扩展条款保险费=主险保险费×10%×地区调整系数
境外:主险保险费的10%~20%。
根据设备使用地域距离地震带的远近情况确定。
三、短期费率表
保险期间不足一年的,按以下标准计算短期保险费(按年保险费的百分比计算,不足一个月的按一个月计算):。
石油开发保险合同《石油开发保险合同》甲方(保险公司):乙方(被保险人):根据《中华人民共和国保险法》及相关法律法规的规定,经双方友好协商,就甲方为乙方提供的石油开发保险事宜,达成如下协议:一、保险范围1.1 乙方在石油开发过程中所使用的设备、设施、建筑物及其他资产;1.2 乙方在石油开发过程中发生的人身伤亡、疾病及意外事故;1.3 乙方在石油开发过程中因意外事故导致的第三者人身伤亡、财产损失及依法应当承担的赔偿责任。
二、保险期间2.1 本保险合同的保险期间为自保险起始日期至保险终止日期,具体日期由双方协商确定。
2.2 甲方应在保险期间内按照约定的保险条款履行保险责任。
三、保险金额及保险费3.1 乙方向甲方投保的石油开发保险金额为人民币【】元整。
3.2 乙方应按照双方约定的保险费率支付保险费,保险费率为【】%。
3.3 乙方应在保险合同签订后【】日内一次性支付保险费。
四、保险责任4.1 在保险期间内,如乙方发生保险事故,甲方应当按照保险合同的约定承担赔偿责任。
4.2 甲方在收到乙方的保险事故报告后,应立即派员进行调查、核实,并按照保险合同的约定进行赔偿。
4.3 甲方在赔偿乙方损失后,有权向责任人追偿。
五、合同解除5.1 双方同意,在保险期间内,除非合同另有约定,否则任何一方不得单方面解除合同。
5.2 一方如因特殊情况需要解除合同,应提前【】日通知对方,并按照双方约定办理相关手续。
六、争议解决6.1 双方在履行本保险合同过程中发生的争议,应首先通过友好协商解决。
6.2 如协商不成,任何一方均有权向合同签订地人民法院提起诉讼。
七、其他约定7.1 本保险合同未尽事宜,双方可另行协商补充。
7.2 本保险合同一式两份,甲乙双方各执一份,具有同等法律效力。
甲方(保险公司):乙方(被保险人):签订日期:【年】年【月】月【日】日注意:本保险合同仅供参考,具体条款请以实际签订的合同为准。
联合财产保险股份有限公司中华联合财产保险股份有限公司中华钻井平台一切险条款一、被保险人二、保险期间本保险有效期终止时正在发生的事故损失,应视同有效期内的损失,保险人仍予负责。
三、被保险财产本保险承保明细表内所列的平台装置包括平台本身、人行道、登陆斜梯(但不包括系缆桩)以及下述表内所列的属于被保险人所有、照料、看管、控制的置放于该平台的所有财产。
但不包括后述除外者。
被保险财产明细表平台安装设备费率保险价值保额每项作为单个承保。
除全损、推定全损或经协议确定的全损外,本保额不因所赔付的损失而减少。
四、区域范围1.。
2.在上款中规定的区域范围中,当被保险财产(上述第三条所列项目,但不包括骨架与甲板部分)被分开临时存放或在港口或平台间往返的当地运输期间,本保险负责的赔偿金额不超过本保险明细表保额的25%。
本扩展责任将包括在总保额之内,而不增加总保额。
五、保险责任根据保险条件和责任免除,本保险负责赔偿被保险财产的一切直接物质损失或损坏免赔额,但对被保险人、财产所有人或管理人的未恪尽职责所造成的损失不负责任。
六、免赔额任何索赔(包括施救条款下的索赔)应单个通知和分别理算,每一索赔应首先扣除免赔额。
但本条不适用于全损或推定全损。
为此目的,每一事故将单独处理,对于同一事故导致的连续损失将作为一个事故处理。
七、责任免除不论本保险有无相反内容,本保险对于下列原因引起的损失不负责任:1.命名的暴风和/或飓风引起的损失、损坏或费用。
2.地震或火山爆发或由此而引起的火灾、爆炸、海啸所造成的损失、损坏或产生的费用。
3.为控制关系到其他平台或设备单位的喷火、塌陷而打救护井所造成的损失和费用,除非立即通知保险人这类用途并加付保费。
4.不论是施救费用或其他索赔,由于发生井喷、而为控制井喷塌陷或为熄灭井喷造成的火灾所产生的费用、耗用或牺牲的财产。
5.由于延迟或丧失使用所造成的损失和费用。
6.损耗、变质、金属疲劳、机器损坏,由于气温引起的膨胀或收缩、腐蚀、生锈、电解、错误设计。
民安保险(中国)有限公司工程机械设备保险条款总则第一条本保险合同由保险条款、投保单、保险单或其他保险凭证以及批单组成。
凡涉及本保险合同的约定,均应采用书面形式。
保险标的第二条单位所有的经国家有关部门检测合格、依法登记、具备有效运行证的工程机械设备或者个人所有的具有生产厂家出具的合格证的工程机械设备均可作为保险标的,由其所有者或其他经济利害关系者向保险人投保本保险。
本保险条款中的工程机械设备是指无需上机动车辆牌照的特种工程机械设备,包括以下三类:(一)挖掘机、装载机、叉车、钻机、推土机;(二)拖泵、塔吊、压桩机、压路机、碎石机、破碎锤;(三)摊铺机。
保险责任第三条保险期间内,在保险单载明的区域范围内,因下列原因造成保险标的的损失,保险人按照本保险合同的约定负责赔偿:(一)火灾、爆炸;(二)雷击、暴雨、洪水、台风、暴风、龙卷风、雪灾、雹灾、冰凌、泥石流、崖崩、突发性滑坡、地面突然塌陷;(三)外界物体倒塌或坠落。
第四条发生本条款第四条规定的保险事故后,被保险人为减少保险标的的损失所支付的必要的、合理的施救费用,保险人按照本合同规定负责赔偿,最高赔偿金额以保险金额为限。
责任免除第五条下列原因造成保险标的的损失和费用,保险人不负责赔偿:(一)地震;(二)战争、敌对行为、军事行动、武装冲突、恐怖活动、罢工、骚乱、暴动;(三)核反应、核子辐射和放射性污染;(四)国家机关的行政行为或执法行为;(五)被保险人或其代表或工程机械设备操作人员的故意行为或重大过失;(六)碰撞、倾覆(七)盗窃、抢劫、抢夺;(八)自燃、烘焙;(九)不具有国家安全生产监督管理局颁发的合格操作资格证书的人员使用工程机械设备,或盗用、伪造、涂改、转借作业人员证件使用工程机械设备;(十)操作人员饮酒、吸毒、被药物麻醉期间;(十一)未经被保险人同意或允许而操作工程机械设备的;(十二)利用保险标的从事违法活动;(十三)未按照有关规定参加检验,或检测不合格,或对影响安全的有关问题提出限期整改而未整改的;(十四)被保险人伪造检验报告、检测结果或超期未检仍使用的。
中国大地财产保险股份有限公司钻井船一切险条款总则第一条本保险合同由保险条款、投保单、保险单、保险凭证以及批单组成。
凡涉及本保险合同的约定,均应采用书面形式。
第一条 被保险财产第二条 本保险承保钻井船的船壳和机器,包括船上以及旁边或附近有关的钻井船或普通船(这些船的本身除外)上的设备、工具、机械、沉第二条箱、起立架、材料、供应物、配件、钻井机和设备、井架、钻柱、套管、油管并包括正在被钻井中的钻柱和所有表内所列由被保险人持有、保管或控制的这类财产。
保险责任第三条根据保险条件和责任免除,本保险负责赔偿被保险财产的一切直接损失,但对被保险人,财产所有人或管理人未克尽职责而造成的第三条 损失不负责赔偿。
碰撞责任第四条 如与其他船舶发生碰撞,对被保险人或担保人由于船舶过失应负责赔偿任何其他人有关碰撞的任何款项,承保人将按承保比例付给第四条被保险人或担保人,但对每一事故的责任不超过他们在合同价值中所占的比例数。
第五条如因大部分船壳保险人书面同意而对本船责任进行抗辩或采取限制责任的行为,承保人也将按同样比例支付被保险人产生或被迫支第五条 付的费用。
如两船都有过失除非一船或双方船的航东或租船人根据法律限制责任,否则根据碰撞责任条款,索赔应按交叉责任的原则解决,即就好像每一船的船东或租船人必须支付对方船东或租船人船舶的50%或其他比例的由碰撞而造成应付被保险人或应由被保险人支付的款项。
如两船舶全部或部分地属于同一船东或租船人的财产,本条款的原则也同样适用,所有两船间责任问题留交单一的仲裁人决定。
如双方不能在单一仲裁问题上取得一致意见,则由被保险人指定一仲裁人,由多数的船舶保险人指定一仲裁人。
这两仲裁人在工作前选定一第三仲裁人,单个仲裁人或三个仲裁人中两位的决定是最终和有约束力的。
但本条款不适用于由下述原因引起的或与其有关的应由被保险人或担保人赔付的款项:(一)根据法律清除障碍或残骸、残货;(二)任何不动产或个人财产的损失;(三)石油、石油产品、化学物品或任何其他物质的逸出、溢出、散发或渗漏;(四)船上货物或财产,或船的使用;(五)人身伤亡或疾病。
中国大地财产保险股份有限公司平台钻井机一切险条款总则第一条本保险合同由保险条款、投保单、保险单、保险凭证以及批单组成。
凡涉及本保险合同的约定,均应采用书面形式。
第一条 保险标的第二条 本保险承保平台钻井机包括平台设施上的属被保险人所有、保管或控制的有关设备、工具、机械、材料、供应物、配件、钻井架、第二条底层结构、钻柱和财产,但不包括后述除外者。
保险责任第三条 根据保险条件和责任免除,本保险负责赔偿被保险财产的一切直接物质损失,但对被保险人、财产所有人或其管理人未克尽职责而第三条造成的损失不负责赔偿。
责任免除第四条本保险对下列各项不负赔偿责任:(一)美国海湾和墨西哥海湾的命名风暴或飓风。
(二)由于地震或火山爆发或由此而引起的火灾、爆炸、海啸所造成的损失或费用。
(三)当被保险财产用于打救护井以控制火灾、井喷、塌陷所造成的损失或费用,除非立即通知保险人这类用途并按要求加付保费。
(四)无论是施救还是其他索赔,任何在控制或为控制井喷、塌陷或为熄灭井喷所造成的火灾中所产生的费用,所耗费或牺牲的材料、财产。
(五)由于延迟或丧失使用所造成的损失或费用。
(六)损耗、变质、金属疲劳、机器损坏,由于气温引起的膨胀或收缩、腐蚀、生锈、电解、设计错误。
本保险也不负责赔偿任何由于内在缺陷而引起的损失或损毁所产生的修理或置换费用。
(七)地下或水下部分钻柱的损失,除非该损失直接由承保危险内的火灾、井喷、塌陷或装有钻井机的平台设施的全损所造成的。
油井或气井完工之后,对留在井内的钻杆没有赔偿责任。
(八)由于电路损坏或干扰而造成的发电机、振荡器、电灯、马达开关和其他电气设备的损失,除非该损失是由于不属本责任免除条款内的并所指明的电气设备外部的承保危险所造成。
本条款对火灾所引起的物质损失仍予以负责。
(九)对第三者责任。
(十)有关搬移财产,清理场地或障碍物的索赔,而不论是否为法律、法令或规章等所要求。
(十一)平台设施、船舶、驳船的损失。
20XX 专业合同封面COUNTRACT COVER甲方:XXX乙方:XXX2024年全球海洋石油勘探保险手册本合同目录一览第一条合同主体与范围1.1 甲方(投保人)1.2 乙方(保险公司)1.3 合同适用范围第二条保险标的2.1 保险财产2.2 保险利益2.3 保险价值第三条保险责任3.1 自然灾害造成的损失3.2 意外事故造成的损失3.3 甲方的其他损失第四条保险金额与保险费4.1 保险金额4.2 保险费计算4.3 保险费支付方式第五条保险期限5.1 保险开始日期5.2 保险结束日期5.3 保险期限的延长第六条免赔额与赔偿限额6.1 免赔额6.2 赔偿限额第七条保险事故的通知与索赔7.1 事故通知7.2 索赔材料7.3 索赔时效第八条合同的变更与解除8.1 合同变更8.2 合同解除第九条保险条款的解释9.1 条款的解释9.2 歧义的处理第十条争议的解决10.1 协商解决10.2 调解解决10.3 诉讼解决第十一条合同的成立与生效11.1 合同成立11.2 合同生效第十二条合同的终止12.1 合同终止的情形12.2 合同终止后的处理第十三条双方的责任与义务13.1 甲方的责任与义务13.2 乙方的责任与义务第十四条其他事项14.1 信息保密14.2 合同的副本14.3 合同的修订第一部分:合同如下:第一条合同主体与范围1.1 甲方(投保人)甲方是指与乙方签订本保险合同并按照约定支付保险费的自然人、法人或其他组织。
1.2 乙方(保险公司)乙方是指承担本保险合同约定的保险责任的保险公司。
1.3 合同适用范围本保险合同适用于甲方在全球范围内从事海洋石油勘探活动所涉及的保险事宜。
第二条保险标的2.1 保险财产保险财产是指在保险期间内,甲方合法拥有、使用、管理的,且位于全球范围内的海洋石油勘探设备、设施、器材及其附属装置。
2.2 保险利益保险利益是指甲方对保险财产所拥有的法律上承认的利益。
2.3 保险价值保险价值是指保险财产在保险开始时的实际价值,或者在损失发生时的市场价值。
财产保险危险单位划分方法指引第7号:石油天然气上游企业目次1.范围2.总则3.术语和定义4.识别关键风险的方法和标准5.防护措施失效评估的方法和基本原则6.人为因素风险评估的方法和基本原则7.巨灾风险的评估8.结论1.范围本指引规定了石油天然气上游企业危险单位划分的原则、方法和内容。
本指引适用于石油天然气上游企业危险单位划分的评定。
2.总则石油天然气上游企业涉及的保险业务范围广泛,按标的坐落位置划分,可分为海上石油险和陆上石油险,按险种划分,可分为建造险、营运期财产险、井喷控制费用保险、钻井平台一切险、陆地石油天然气钻井设备一切险等。
鉴于石油天然气上游企业保险标的类型及业务实践的多样性,本文旨在系统地归纳总结危险单位划分操作中必须考虑的要点和可以使用的基本方法。
对于具体业务的危险单位划分操作,保险公司应以本文为基础,做出符合业务实际情况的判断,或采取更为谨慎的原则和方法。
3.术语和定义3.1 危险单位危险单位:一次保险事故对一个保险标的造成的损失的最大范围。
3.2 其他重要术语和定义石油天然气上游企业:指海上和陆上油气勘探开发企业,不包括油气长距离管道输送企业和炼油化工企业。
4.识别关键风险的方法和标准在本文中关键风险是指可能给标的造成最严重损失后果的风险因素,此类风险虽然发生概率较低,但仍应被认定为划分危险单位的主导因素。
本段介绍此类评估的基本方法。
油气勘探开发过程面临的风险很多,易燃易爆、高温高压的工艺特点决定了主要风险来自于火灾和爆炸,如闪火、蒸气云爆炸(UVCE)、沸腾液体扩展蒸气云爆炸(BLEVE)。
由于标的在地理分布上具有集中性,局部的火灾或爆炸可产生连锁反应,导致整个标的毁坏。
应将火灾和爆炸风险作为石油天然气上游企业财产险的危险单位划分的关键风险。
这两类风险不但存在于企业营运期,也存在于建设安装后期的调试和试运行阶段,由于此阶段监测或消防设施尚未完全到位,系统属于初次运转,发生火灾或爆炸的危险也很大,这两类风险也应作为石油天然气上游企业建造险危险单位划分的关键风险。
20XX 专业合同封面COUNTRACT COVER甲方:XXX乙方:XXX2024年钻井工程保险服务合同本合同目录一览第一条合同主体及定义1.1 保险人1.2 投保人1.3 钻井工程1.4 保险期间1.5 保险金额第二条保险范围及责任2.1 保险责任2.2 除外责任2.3 保险金额和赔偿限额第三条保险费率及支付3.1 保险费率3.2 保险费支付方式3.3 保险费退还条件第四条投保手续及资料提供4.1 投保手续4.2 投保资料清单4.3 资料更新和补充第五条保险事故报告及索赔5.1 保险事故报告5.2 索赔材料提交5.3 索赔流程第六条保险赔付及结算6.1 保险赔付方式6.2 赔款结算时间6.3 赔款支付对象第七条合同的变更和解除7.1 合同变更7.2 合同解除第八条争议解决方式8.1 协商解决8.2 仲裁8.3 诉讼第九条合同的生效、终止和续保9.1 合同生效时间9.2 合同终止条件9.3 续保手续及条件第十条保险合同的保管10.1 保险合同正本10.2 保险单及其他重要文件第十一条保密条款11.1 保密内容11.3 违约责任第十二条通知条款12.1 通知事项12.2 通知方式和时间第十三条法律适用及争议解决13.1 法律适用13.2 争议解决方式第十四条其他条款14.1 合同的转让14.2 合同的附件14.3 合同的修订历史第一部分:合同如下:第一条合同主体及定义1.1 保险人1.2 投保人1.3 钻井工程钻井工程是指甲方根据合同约定进行的钻井作业,包括钻井、完井、试井、修井等作业过程。
1.4 保险期间保险期间为本合同约定的起始日期至终止日期,起始日期和终止日期分别按照保险单上的记载执行。
保险金额为甲方钻井工程项目的总保险金额,具体金额按照保险单上的记载执行。
第二条保险范围及责任2.1 保险责任保险公司负责赔偿甲方在保险期间内,因下列原因造成钻井工程损失的风险:(1)自然灾害,如地震、海啸、雷击、洪水、暴风雨等;(2)意外事故,如火灾、爆炸、井喷、地面塌陷等;(3)其他约定的风险。
石油开发保险合同甲方(投保人):___________________乙方(保险公司):___________________根据《中华人民共和国合同法》及相关法律法规,甲乙双方在平等、自愿、公平的基础上,就甲方对石油开发过程中的风险向乙方投保,乙方承保相关风险,特订立本合同。
一、保险标的本合同保险标的是甲方在石油开发过程中所涉及的设备、人员及环境等风险。
具体包括但不限于以下内容:钻井设备、炼油设备、管道、阀门、电器设备、工作人员生命安全与健康等。
二、保险期间本合同的保险期间自____年____月____日起至____年____月____日止。
三、保险金额与保费1. 甲方石油开发的保险金额由双方根据石油开发规模及风险状况共同商定。
2. 甲方应按照约定向乙方支付保险费。
保险费的计算方式及支付时间由双方另行约定。
四、保险责任1. 乙方在保险期间内对甲方因下列原因导致的损失承担保险责任:(1)火灾、爆炸、雷击、暴雨、洪水等自然灾害;(2)运输工具事故、设备故障等意外事故;(3)工人人身意外伤害及职业病等。
2. 乙方不承担因甲方违法行为、合同欺诈等原因导致的损失。
五、赔偿处理1. 在保险期间内,如发生保险事故,甲方应及时通知乙方,并提供相关证明材料。
2. 乙方收到甲方的赔偿请求后,应及时对事故进行调查核实,并在约定时间内做出赔偿决定。
3. 若甲方提供的索赔材料不齐全或存在争议,乙方有权暂缓赔偿。
待相关材料齐全或争议解决后,乙方将按照合同约定进行赔偿。
六、保密条款1. 双方应对本合同内容及其他相关信息保守秘密,未经对方同意,不得向任何第三方透露。
2. 双方应妥善保管与本合同相关的文件资料,不得擅自销毁或泄露。
七、合同解除与终止1. 本合同在保险期间内不得随意解除。
如一方需解除本合同,应提前通知对方,并就解除事宜协商一致。
2. 保险期间届满,本合同自然终止。
如需要续签,双方应在本保险期间届满前重新协商并签订新的保险合同。
石油开发保险合同5篇篇1甲方(投保人):___________________乙方(保险公司):___________________根据《中华人民共和国合同法》及相关法律法规,甲乙双方在平等、自愿、公平的基础上,就甲方对石油开发项目的保险事宜达成如下协议:一、保险标的1. 本合同涉及的保险标的是甲方的石油开发项目,包括石油勘探、开发、生产及配套设施等。
二、保险范围1. 乙方对甲方石油开发项目在保险期间内因下列原因导致的损失承担保险责任:(1)火灾、爆炸、雷击、暴雨、洪水等自然灾害;(2)意外事件,如矿井塌陷、设备故障等;(3)第三方责任,如因甲方业务导致的他人财产损失或人身伤害。
2. 具体保险范围以乙方出具的保险单为准。
三、保险金额及保费1. 保险金额:甲方石油开发项目的保险金额根据具体项目评估确定,并在保险单中载明。
2. 保费:甲方应按照保险单约定的保费金额及支付方式支付保费。
四、保险期间1. 本合同的保险期间自保险单约定的起始日期起至约定终止日期止。
2. 甲方可根据需要向乙方申请续保,乙方同意后,双方可另行签订保险合同。
五、保险赔偿1. 在保险期间内,如发生保险事故,甲方应及时通知乙方,并按照乙方的要求提供必要的证明材料。
2. 乙方收到甲方的索赔请求后,应及时对索赔请求进行审核。
如属于保险责任范围,乙方应在约定时间内履行赔偿义务。
3. 乙方有权对索赔请求进行调查,甲方应提供必要的协助。
六、合同解除与终止1. 本合同自签订之日起生效,除非双方另有约定,否则不得随意解除。
2. 在保险期间内,如甲方未按时支付保费或违反本合同约定,乙方有权解除本合同。
3. 保险期间结束后,本合同自动终止。
如需要续保,双方应另行协商并签订新的保险合同。
七、违约责任1. 甲乙双方应遵守本合同的约定,如一方违反合同约定,应承担违约责任。
2. 如因甲方违反约定导致乙方产生损失,甲方应承担赔偿责任。
3. 如因乙方原因未能按照本合同约定履行保险责任,乙方应承担相应的违约责任。
钻井工程承包条款及格式协议本合同目录一览1. 承包范围与内容1.1 钻井工程概述1.2 承包商责任范围1.3 工程地点与时间2. 合同价格与支付2.1 合同价格2.2 预付款支付2.3 进度付款2.4 最终付款2.5 价格调整3. 工程进度与质量3.1 工程进度计划3.2 工程质量标准3.3 进度与质量的监督4. 材料与设备4.1 承包商提供的材料与设备4.2 发包方提供的材料与设备4.3 材料与设备的管理与维护5. 人员与劳动力5.1 承包商提供的人员5.2 人员资质与培训5.3 劳动力管理6. 安全与环境6.1 安全标准与规定6.2 环境保护措施6.3 安全事故处理7. 保险7.1 承包商保险7.2 发包方保险7.3 保险的有效期与范围8. 违约责任8.1 承包商的违约行为8.2 发包方的违约行为8.3 违约责任的处理9. 争议解决9.1 争议的解决方式9.2 仲裁地点与机构9.3 仲裁结果的执行10. 合同的变更与终止10.1 合同的变更10.2 合同的终止10.3 合同终止后的处理11. 一般条款11.1 合同的解释11.2 合同的生效与终止日期11.3 通知的送达11.4 法律的适用11.5 附件与附录12. 附件A:工程详细描述12.1 工程概述12.2 工程具体要求13. 附件B:合同价格明细表13.1 价格构成13.2 价格计算14. 附件C:工程进度计划与时间表14.1 工程进度计划14.2 关键节点时间表第一部分:合同如下:第一条承包范围与内容1.1 钻井工程概述本合同涉及的钻井工程包括但不限于:钻井井位的设计与施工、钻井液的处理与供应、钻井设备的租赁与操作、井下作业、固井、完井等作业。
1.2 承包商责任范围承包商应按照合同约定的工程范围、工程质量标准、工程进度等要求,完成钻井工程,并承担相应的质量、安全、环保等责任。
1.3 工程地点与时间工程地点:____________________。
石油与天然气钻井设备一切险条款
中国平安保险股份有限公司石油与天然气钻井设备一切险条款
一、被保险财产
本保险凭证承保列入申报书中的油和/或气钻井和/或修井设备、被保险人的财产以及根据法律或合同规定,由被保险人承担责任的财产,包括所有轻型和附属设施、工具、机器、物资、附属设备、井架、底座,底架和有关的钻杆以及用于打钻、重新作用、修整油和/或气井的其他设备(不包括后述除外者)。
所列明的每一项目或钻机应视为单个保险标的,但被保险人可以在所列项目中更迭设备。
二、责任限额
对每次事故的损失超过本申报单保额以上的部分,承保人不负赔偿责任。
如若干项目分别保险时,保险人对每次事故造成任何一个项目损失的赔偿责任不超过该项目的保险金额。
三、自动保险
本保险凭证根据条款和条件扩展承保已列明的设备增值部分以及被保险人在本保险生效之后新增加的钻井机和/或修井机。
鉴于这种扩展保险,被保险人同意在本保险凭证生效日起的三十天内向承保人申报这类增值或扩充设备,并同意支付从生效日到终止日期的附加保费。
如被保险人在规定期限内不申报,本保险对所增加任何设备或任何设备的增值均不负责赔偿。
保险人对在本扩展条款下任何一个项目超出申报数额部分的损失不负任何赔偿责任。
四、承保风险
本保险承保任何由于外来原因所致被保险财产的直接物质灭失或损坏的“一切险”。
五、免赔额条款
本保险凭证项下任何一次灭失、损坏及费用的索赔应逐笔通知并单独理算。
以每笔已核定的理算损失金额中按申报单所规定数额扣除免赔额。
本条款要求每一事故应单独处理。
但因一次事故导致一连串的损失,将作为一次事故处理。
六、不保财产
本保险不保下列财产:
1.机动车辆(除非明确申明是属钻机的一部分)、飞机、铁路车辆、水泥、钻井泥浆、钻井混合物、化学品、实际使用的燃料、套管、油管、路面、堤道、泥浆池、图纸、施工计划、说明书、记录、雇员财产、水上工具和钻井驳船。
2.在水上船只、钻井驳船或平台上设置的财产或水上运输的财产,但正常安排的渡运除外。
3.地面以下的财产,但下列原因所致的财产灭失或损坏仍予负责:
(1)火灾、雷电、风暴、水灾、地面爆炸、飞机或坠落物、罢
工、骚乱、内乱、故意破坏行为、恶意行为、盗窃、龙卷风、冰雹、冰灾、恶劣气候、钻机全损。
(2)属本保险定义范围内的井喷和/或塌陷。
(3)井架或钻塔的起落拉垮或倒塌。
4.完钻后留在油、气井中的钻柱,或此井的所有人,操作者负有责任的钻柱。
5.为控制任何油或气井的井喷、塌陷、火灾而打救护井所使用的财产,但事先得到承保人同意并加付保费的除外。
七、除外责任
本保险对下列各项不予承保:
1.修理或校正磨损的费用、金属疲劳、机械或电器损坏、失灵、内在缺陷、潜在缺陷、变质、腐蚀、锈蚀、气湿、冻结或气候异常、或由于气温变化引起的膨胀和收缩。
但对上述任何条件所导致的任何其他损失、灭失和费用并非除外。
2.由于人为所致电路干扰而引起发电机、激发器、灯、马达、开关或其他电子器件或设备的灭失或损坏。
如果由此而引起火灾和/或爆炸,仅对火灾和/或爆炸引起的损失予以负责。
3.不论是否由承保风险所引起的丧失使用、延迟、井孔灭失、合同损失、收入或利润所造成的损失、损坏和费用。
4.下列设备的灭失或损坏:
(1)由于蒸气机、锅炉、蒸气泵、蒸气管道或接头、蒸气水加热器、内燃机或电泵爆炸造成本身的灭失或损坏。
(2)飞轮、滑轮、摩擦轮、机器的运转或旋转部件的灭失或损坏,如继而发生火灾,由火灾直接造成的灭失和损坏予以负责。
5.由于下列原因造成的索赔:
(1)在和平或战争时期的敌对或战争行为,包括阻止、抵抗或防御下述任何一方发动的、可能进行的或预期的进攻行为:任何政府或主权国(事实上或法律上)或拥有陆、海、空力量的当局;任何陆、海、空力量;政府、权力机构、武装力量的代理人。
(2)和平或战争时期使用核裂变或放射性武器;
(3)暴动、叛乱、革命、内战、篡政或政府当局为阻止、抵抗或防御上述事件的发生所采取的行为;根据检疫或海关规定所进行的扣留或销毁;根据任何政府或公共当局的命令所进行的没收;禁运风险或非法运输或非法贸易的风险。
但本保险对任何正在从事战争、敌对行为或其他类似战争行为的政府、党派或集团的代理人的行为所直接造成的索赔予以负责,但这种代理人的行动是秘密的并同财产所在国的武装力量(陆、海、空部队)的任何行动没有关系。
除以上明确的代理人行为所造成的损失之外,上述内容不能被解释为包括前面已除外的任何危险或风险造成的损失和费用。
无论如何,本保险对在和平或战争期间使用核裂变或放射性的任何武器所造成的任何损失或费用均不负赔偿之责。
6.不论是如何控制或未加控制的核反应、核辐射或放射性污染,也不论因此造成的损失是直接、间接、近因、远因,以及全部或部分的属于本保单承保风险所造成、引起或恶化的。
但是,按本保险凭证
的前述内容和条件,由于核反应、核辐射性污染引起的火灾所造成的直接损失,本保险予以负责。
7.由于地震、火山爆发造成的灭失、损坏或费用或由于地震、火山爆发后产生的火灾、爆炸或潮汛所造成的灭失、损坏或费用。
8.由于下列原因引起、产生或造成的任何索赔:
(1)A炸药爆炸。
B任何人的恶意行为或出自政治动机而使用任何战争武器。
(2)任何人带有政治或恐怖目的的任何行为,不论是否系政权代理人,也不论所致的损失和造成的费用是意外性的还是蓄意的。
八、定值
当本保险项下发生损失,保险人对负责的修理和更换将以新换旧不扣除贬值予以赔付。
因法令、命令、规定、许可或特许所进行的修理或修缮引起的增加费用,保险人不予负责。
九、克尽职责
本保险规定:
1.在钻井,修井或井上其他作业时遇到任何危险条件时,被保险人应采取一切合理措施,尽力避免保险项下的损失发生。
2.井口要求
(1)钻井时表层套管上必须装有标准防喷器;
(2)修整井时井口必须装有标准防喷器。
防喷器应以油田惯例进行安装和试压。
十、定义
1.井喷:是指因地下压力所致钻井液突然、意外、无控制和连续性地从油气井下向地面涌溢后引起油、气或水从井中连续不断、无控制地喷射出地面。
2.塌陷:是指地层下的油、气、水从井中向上喷涌到地面的井口周围后由于浸蚀作用使地层表面形成的盆状洼区。
3.事故:是指由一次损失、灾害或灾难或某一事件造成的一连串的损失、灾害或灾难,包括连续和重复不断地面临这种状态。
(1)如风暴、龙卷风、旋风、飓风以及因超逾正常大气的干扰而形成猛烈的带有破坏性的类似的狂风均视为一次事故。
(2)除上述除外责任中已经明确除外的外,由于地震或火山爆发造成的每一损失应视为单一事故;在本保险期限内的任何七十二小时内发生一次以上的地震或火山爆发均应视为一次事故。
十一、代位追偿
除下述1和2款已有规定的外,在本保险项下的赔款一经支付之后,保险人即取得被保险人向任何个人、商号或公司追偿的一切权利,被保险人应提供所有证书和文件并履行其他必要事项以保证这项权利的实施。
在损失发生后被保险人不应有任何损害该项权利的行为。
1.保险人放弃对被保险人为之钻井作业的任何个人、商号或公司的代位追偿权,但这种放弃只适用于与被保险人有专门合同存在的个人、商号和公司,而不能被认为也适用于被保险人与之无合同利益关系的个人、商号、公司的其他活动。
2.被保险人对被保险财产的损失可以免除根据契约被保险人为
之作业的个人、商号或公司的责任,但:
(1)这种免责应在作业开始以前授予。
(2)负责的损失应该是由于该项作业引起或与该项作业有关的。
保险人同意对上述被免责的个人、商号或公司放弃代位追偿权。
十二、施救
当保险财产已经发生或即将发生损失或损坏,被保险人及其代理人、雇员、受托人有权在不损害本保险权益的情况下进行施救、出差和抗辩以及保护和追偿本保险财产或财产的任何部分的损失或损坏。
保险人对于由此而产生的费用将根据在这项保额中他们所占的比例给予支付。
保险人或被保险人在财产发生损失以后的追偿、救助或保护被保险财产的任何行为不应被认为对委付的放弃或接受。
十三、井下钻柱的救助和施救费用
当发生了本保险单中不保财产一栏中第3项的保险责任以后,如果为回收井下钻柱所产生的救助和施救费用(不包括前述除外者),保险人对于这项费用的支付比例将不超过发生事故的当时井下钻柱价值与发生事故当时井价值加该钻柱价值的比例。
但保险人对这项费用的赔付责任将不超过发生事故当时井下钻柱的价值。
十四、自动恢复责任
本保险规定,对任何保险标的损失进行修理和更换后,该项损失金额即按修理和更换的价值自动恢复到原保额。
但这种恢复金额不得超过在本保险项下支付的灭失或损失金额。
十五、注销或终止
被保险人可以在任何时候以书面通知或以退回本保单的方法注销本保险合同,并按通常短期费率计算保险退费。
保险人或其代表人也可用书面形式发出通知,但至少应在三十天后才能注销本保险。
保险人在扣除应收取的保费后,应将剩余的保费退还给被保险人。
但不论任何一方注销本保险,保险人所获取的保险费不得少于本保险项下所规定的最低保费。
本保单的注销或终止均不影响保险人对注销或终止前发生事故应负的赔偿责任。
十六、争议的处理
被保险人和保险人之间发生的一切争议应根据实事求是、公平合理的原则友好协商解决。
如经协商不能解决需要仲裁或诉讼时,应在发生损失后的十二个月内提出,仲裁或诉讼地点应在被告方所在地。