实验1-信息模块的压接
- 格式:doc
- 大小:225.00 KB
- 文档页数:4
目录实验一管/槽、底盒、桥架安装 (1)实验二线缆敷设、理线、跳线制作 (2)实验三数据模块、配线架安装、测试 (3)实验四语音模块、配线架安装、测试 (4)实验五光纤熔接 (5)实验六视频监控系统安装、测试 (6)实验七有线电视系统安装、测试 (7)实验八公共广播系统安装、测试 (8)实验九系统集成、测试 (9)实验一管/槽、底盒、桥架安装实验目的:1.熟悉实验平台,熟悉实验工具和实验步骤;2.掌握PVC管/槽、信息盒、桥架安装规范;3.掌握PVC管/槽、信息盒、桥架安装方式和方法。
实验设备:网络工程实验平台实验步骤:1.观摩智能楼宇网络工程实践平台,熟悉实验环境将三层智能楼宇网映射到本实践平台上,平台正面为室内,平台背面为走廊。
共设两个设备间:一、二层设一主设备间(MFD),三层设一子设备间(IDF)。
2.熟悉设备、器材和工具3.了解PVC管/槽、信息盒、桥架安装规范和常见产品规格4.PVC管/槽、信息盒安装4.1墙面PVC暗管和墙面信息暗盒安装(1)画线(2)墙面开槽(3)信息底盒孔开挖(4)PVC管和PVC管连接(5)PVC管固定(6)信息底盒安装(7)暗管封槽4.2墙面PVC暗管和墙面信息明盒安装4.3从墙面PVC暗管到地面PVC暗管安装5.PVC管与水平桥架连接(1)水平桥架开孔(2)安装PVC锁孔(3)PVC管与水平桥架连接(4)当遇到PVC管要经过其他系统桥架时,一定要走其他系统桥架下方连接到水平桥架。
6.水平桥架安装(1)采用托臂安装方式(2)吊架安装方式7.水平桥架的连接8.垂直桥架安装9.垂直桥架连接10.水平桥架与垂直桥架连接11. 小结实验二线缆敷设、理线、跳线制作实验目的:1.掌握中和布线系统线缆铺设、理线、跳线制作规范;2.掌握线缆铺设、理线、跳线制作方法。
实验设备:网络工程实验平台实验步骤:1.线缆敷设前的准备工作(1)检查桥架与PVC管的路由是否畅通、完整(2)根据施工平面图和系统图对布线系统确定施工内容(3)确定线缆敷设方向2.从工作区为起点进行线缆敷设(1)预算所敷设线缆的信息点到设备间的长度,确定待敷设双绞线长度(2)在信息点对应的双绞线箱和双绞线上编码(3)将穿管器从信息点穿到走廊桥架中(4)将双绞线和穿管器捆绑,并在走廊水平桥架出将双绞线拉出(5)在走廊水平桥架处将双绞线和穿管器分离,并将双绞线敷设到设备间,并对线缆进行半成品保护3.从走廊弱电井处进行线缆敷设(1)预算所敷设线缆的信息点到设备间的长度,确定待敷设双绞线长度(2)在信息点对应的双绞线箱和双绞线上编码(3)将穿管器从信息点穿到走廊桥架中(4)将双绞线和穿管器捆绑,并在走廊水平桥架出将双绞线拉出(5)在走廊水平桥架处将双绞线和穿管器分离,并将双绞线敷设到设备间,并对线缆进行半成品保护4.水平桥架中理线(1)从水平桥架最远处开始理线(2)从最远信息点处开始对线缆每6/12根一组进行绑扎5.垂直桥架中理线将来自水平桥架的线缆组(每组6/12根)按编码顺序,固定在垂直桥架中6.机柜中理线。
网络模块接线顺序图解家装工程的网络布线其实和电线布线的施工方式法有些相同,都是在地板、墙壁里暗装,经过PVC管和终结在86底盒。
但网络线是一个信息点一根网线,中间不允许续接,一线走到底。
这些对于一般施工队来说不难,难的是如何安装网线始点和终点的接口模块。
在始点是位于家庭信息接入箱中的“网络模块条”的安装,在终点是RJ45信息模块的安装。
下面分别讲述:信息模块的安装这里指的是RJ45信息模块,满足T-568A超五类传输标准,符合T568A和T568B线序,适用于设备间与工作区的通讯插座连接。
信息模块的端接方式的主要区别在下述的T568A引脚号 1 2 3 4 5 6 7 8 T586A模式白绿绿白橙蓝白蓝橙白棕棕T586B模式白橙橙白绿蓝白蓝绿白棕棕1.需打线型RJ45信息模块安装RJ45信息模块前面插孔内有8芯线针触点分别对应着双绞线的八根线;后部两边分列各四个打线柱,外壳为聚碳酸酯材料,打线柱内嵌有连接各线针的金属夹子;有通用线序色标清晰注于模块两侧面上,分两排。
A排表示T586A线序模式,B排表示T586B线序模式。
具体的制作步骤如下:第1步:将双绞线从暗盒里抽,预留40厘米的线头,剪去多余的线。
用剥线工具或压线钳的刀具在离线头10厘米长左右将双绞线的外包皮剥去。
如图所示。
第2步:把剥开双绞线线芯按线对分开,但先不要拆开各线对,只有在将相应线对预先压入打线柱时才拆开。
按照信息模块上所指示的色标选择我们偏好的线序模式(注:在一个布线系统中最好只统一采用一种线序模式,否则接乱了,网络不通则很难查),将剥皮处第3步:全部线对都压入各槽位后,就可用110打线工具(下图)将一根根线芯进一步压入线槽中。
110打线工具的使用方法是:切割余线的刀口永远是朝向模块的处侧,打线工具与模块垂直插入槽位,垂直用力冲击,听到“卡嗒”一声,说明工具的凹槽已经将线芯压到位,已经嵌入金属夹子里,金属夹子并已经切入结缘皮咬合铜线芯形成通路。
目录工程一、网线制作2一、实训目的 2二、实训器具 2三、实训内容 21、传输媒体 32、网线的制作与测试3四、实验小结 4工程二、信息模块的制作 5一、实训目的 5二、实训工具 5三、实训内容 51、信息模块根本知识 52、信息模块的排线 53、信息模块的连线 6四、考前须知 6五、实训小结 6工程三、插座布线制作7一、实训目的7二、实训工具7三、安装步骤7四、考前须知7五、实训小结7工程四、组网设备与实训环境8一、任务一、实验是网络设备8二、任务一、常用网络设备10工程五、路由器交换机的根本配置11一、实训目的11二、实训设备11三、实训内容111、路由器的根本配置112、交换及的根本配置12四、考前须知12任务二、在路由器和交换机上配置TELNET13一、实训目的13二、实训内容的操作步骤13三、探索的问题13四、Telnet的根本操作步骤13五、掌握了哪些新的命令13六、实训的收获14工程六、路由器交换机的综合配置14 任务一、静态路由器配置14一、实训目的14二、实训内容14三、模拟机和真机的区别15四、新认识的命令15五、实训心得体会15任务二、RIPv2协议配置15一、实训目的15二、实训内容15三、操作应考前须知16四、实训心得体会16工程一、网线制作一、实训目的〔1〕认识传输介质的定义和分类。
〔2〕网线的有哪些分类,有什么用途。
〔3〕分接头有哪些类别,有什么作用。
〔4〕掌握网线的制作过程,并且制作出有效传输数据的网线。
二、实训器具〔1〕RJ45头两个,屏蔽双绞线一条。
〔2〕RJ45钳,测线器。
三、实训内容传输媒体也称为传输介质或传输媒介,它就是数据传输系统中在发送器和接收器之间的物理通路。
传输媒体可以分为导引型传输媒体和非导引型传输媒体,导引型传输媒体为有线传输,非导引型传输媒体为无线传输。
传输介质有双绞线、同轴电缆、光缆。
(1)网线的分类:网线分为双绞线、直通线、同轴电缆、光纤。
信息插座的制作
一、实验目的与要求:
1. 了解信息插座的面板、模块、底座规格和种类;
2. 掌握信息模块的打线方法;
3. 掌握信息插座的安装方法;
4.掌握信息插座安装后的检测方法。
二、实验环境:(硬件环境、软件环境)
1. 技能训练工作台(带RJ45模块化配线架、信息插座)1个/组
2. 4对8芯UTP双绞线3m/组
3. 信息模块MOU456-WH 4个/组
4. 剥线钳、压线钳、一齿打线工具、简易测线仪各1件/组
三、实验内容:(原理、操作步骤、程序代码等)
1. 信息模块的端接
信息模块分打线模块(又称冲压型模块)和免打线模块(又称扣锁端接帽模块)两种,所有模块的每个端接槽都有T568A和T568B 接线标准的颜色编码,通过编码可以确定双绞线电缆每根线芯的准确位置。
下面是信息模块端接的具体步骤:
第1步:把线的外皮用剥线器剥去2-3cm
第2步:用剪刀把撕剥绳剪掉
第3步:按照模块上的B标线序分好线对,并放入相应的位置
第4步:各个线对不用打开直接入相应位置
第5步:当线对都放入相应的位置后检查各线对是否正确
第6步:用准备好的一齿打线工具(刀要与模块垂直,刀口向外)逐条压入并切断多余的线
第7步:再检查一次线序
第8步:无误后给模块安装保护帽
第9步:一个模块安装完毕
2. 信息插座的安装(信息模块一端安装在底座上、另一端安装在模块化配线架上)
信息插座安装步骤如下:
(1)将双绞线从线槽或线管中通过进线孔拉入到信息插座底盒中;
(2)为便于端接、维修和变更,线缆从底盒拉出后预留15cm 左右后将多余部分剪去;
(3)端接信息模块;。
计算机实验班“师徒制”每周训练内容表岗位方向:综合布线教师师傅姓名:刘秋丽学生徒弟姓名:王韶珂岗位技能及就业方向描述:综合布线工程师训练内容及时间安排(包含徒弟工作分工等)第1周:一:实训目的1.掌握网线的色谱剥线方法预留长度和压接顺序,2.掌握通信配线架模块的端接原理和方法,常见端接故障的排除。
3.掌握常用工具和操作技巧、二:实训器材水晶头、网线、压线钳、测线器、剥线器打线式信息模块面大师信息模块UTP双绞线三:实训步骤1.1剥线:用剥线器把网线头剥皮,剥皮三厘米左右;:2把缠绕一起的8股4组网线分开并捋直;排线:按照白橙、橙、白绿、蓝、白蓝、绿、白粽、棕的先后顺序排好剪齐:把排好的线并拢然后用压线钳带有刀口的部分切平网线末端; 3放线:将水晶头有塑料弹簧片的一端向下,有金属针脚的一端向上,把整齐的8股线插入水晶头,并使其紧紧的顶在顶端。
第1步:把剥开的4对双绞线芯线分开,但为了便于区分,此时最好不要拆开各芯线线对,只是在卡相应芯线时才拆开。
按照信息模块上所指示的芯线颜色线序,两手平拉上一小段对应的芯线,稍稍用力将导线一一置入相应的线槽内,第2步:全部芯线都嵌入好后即可用打线钳再一根根把芯线进一步压入线槽中(也可在第3步操作中完成一根即用打线钳压入一根,但效率低些),确保接触良好,。
然后剪掉模块外多余的线。
小提示通常情况下,信息模块上会同时标记有TIA568-A和TIA568-B两种芯线颜色线序,应当根据布线设计时的规定,与其他连接和设备采用相同的线序。
第3步:将信息模块的塑料防尘片沿缺口穿入双绞线,并固定于信息模块上,,压紧后即可完成模块的制作全过程。
然后再把制作好的信息模块放入信息插座中。
信息模块制作好后当然也可以测试一下连接是否良好,此时可用万用表进行测量。
把万用表的档位打在x10的电阻档,把万用珠的一个表针与网线的另一端相应芯线接触,另一万用表笔接触信息模块上卡入相应颜色芯线的卡线槽边缘(注意不是接触芯线),如果阻值很小,则证明信息模块连接良好,否则再用打线钳压一下相应芯线,直到通畅为止。
信息模块压接与面板安装实训总结信息模块压接与面板安装实训总结在信息技术领域中,信息模块的压接和面板安装是两个非常重要的技能。
通过实训,我掌握了这两项技能,并将在下文中对实训过程进行总结和拓展。
首先,信息模块压接是指将信息模块的引脚与电路板上的焊盘连接起来的过程。
经过实训,我了解到压接是一个需要细心和耐心的过程。
首先,需要正确选择合适的压接工具和连接器,以确保连接的质量和稳定性。
其次,需要仔细阅读信息模块和电路板的连接手册,了解正确的连接方法和步骤。
然后,需要正确安装连接器并将引脚与焊盘对准,用适当的力气进行压接。
最后,需要进行连接的测试和检查,确保连接质量达到要求。
通过实训,我掌握了正确的压接技巧和注意事项,提高了我在信息模块压接方面的能力。
其次,面板安装是指将信息模块安装在相应的面板上的过程。
在实训中,我学习了正确的面板安装步骤和技巧。
首先,需要准确测量面板和信息模块的尺寸,以确保安装的准确性。
然后,需要使用合适的工具和固定件将信息模块固定在面板上。
在安装过程中,需要特别注意信息模块的方向和位置,以确保其与其他元件的连接正确无误。
最后,需要进行连接的测试和检查,验证信息模块的安装质量。
通过实训,我熟悉了面板安装的流程和要点,提高了我在这个方面的技能水平。
除了以上两个实训内容,我还学习了相关的安全知识和操作规范。
在信息模块压接和面板安装过程中,我始终保持了良好的操作习惯和注意安全。
我了解了压接和安装过程中的潜在危险和风险,并学会了正确使用个人防护装备和设备。
在实训中,我始终遵守操作规范和指导,确保了实训过程的顺利进行。
综上所述,通过信息模块压接和面板安装的实训,我掌握了正确的操作技巧和注意事项。
这些技能将对我未来在信息技术领域的工作和学习产生重要影响。
我将继续不断学习和提升自己的技能,为信息技术领域的发展做出贡献。
实验一网线的制作1. 目的要求掌握双绞线(直连线、穿插线)的制作方法。
2. 实验容制作双绞线网线3. 网线制作实验步骤双绞线网线的制作其实非常简单,就是把双绞线的4对8芯网线按一定规那么插入到水晶头中,所以这类网线的制作所需材料仅需双绞线和水晶头;所需工具也较简单,通常仅需一把专用压线钳即可,这在上一篇已作详细介绍,在此就不再赘述了。
双绞线网线的制作其实就是网线水晶头的制作。
这类网线制作的难点就是不同用途的网线跳线规那么不一样,下面先来看最根本的直通五类线〔不用跳线〕的制作方法,其它类型网线的制作方法类似,不同的只是跳线方法不一样而已。
直通RJ-45接头的制作为了方便读者理解,下面以Step-By-Step方式一步步向大家介绍这类网线的制作方法,后面的章节及容也尽量按这一方式进展。
第1步:用双绞线网线钳〔当然也可以用其它剪线工具〕把五类双绞线的一端剪齐〔最好先剪一段符合布线长度要求的网线〕,然后把剪齐的一端插入到网线钳用于剥线的缺口中,注意网线不能弯,直插进去,直到顶住网线钳后面的挡位,稍微握紧压线钳慢慢旋转一圈〔无需担忧会损坏网线里面芯线的包皮,因为剥线的两刀片之间留有一定距离,这距离通常就是里面4对芯线的直径〕,让刀口划开双绞线的保护胶皮,拔下胶皮。
如图1所示。
当然也可使用专门的剥线工具来剥皮线。
【小提示】网线钳挡位离剥线刀口长度通常恰好为水晶头长度,这样可以有效防止剥线过长或过短。
剥线过长一那么不美观,另一方面因网线不能被水晶头卡住,容易松动;剥线过短,因有包皮存在,太厚,不能完全插到水晶头底部,造成水晶头插针不能与网线芯线完好接触,当然也不能制作成功了。
图1第2步:剥除外包皮后即可见到双绞线网线的4对8条芯线,并且可以看到每对的颜色都不同。
每对缠绕的两根芯线是由一种染有相应颜色的芯线加上一条只染有少许相应颜色的白色相间芯线组成。
四条全色芯线的颜色为:棕色、橙色、绿色、蓝色。
先把4对芯线一字并排排列,然后再把每对芯线分开〔此时注意不跨线排列,也就是说每对芯线都相邻排列〕,并按统一的排列顺序〔如左边统一为主颜色芯线,右边统一为相应颜色的花白芯线〕排列。
实验1:综合布线产品认识1.1参观考察智能建筑1. 实训目的(1)了解智能建筑的功能;(2)了解智能建筑集成的信息系统的数量与种类;(3)了解智能建筑的发展方向。
(4)了解智能建筑与综合布线的关系。
2. 实训环境校园附近的智能化大厦或智能化小区。
1.2参观考察校园综合布线系统1. 实训目的(1)了解校园网络结构;(2)了解综合布线系统结构;(3)熟悉网络结构与综合布线系统结构的关系;(4)熟悉综合布线6大子系统;(4)了解综合布线系统的设备和材料。
2. 实训环境本校校园网络综合布线系统工程。
1.3认识双绞线及连接器件1. 实训目的(1)认识双绞线及连接器件,熟悉双绞线结构、种类、型号和用途;(2)为综合布线系统设计的设备选型作好准备。
2. 实训材料超5类UTP双绞线、超5类FTP双绞线、6类UTP双绞线、3类大对数双绞线等;RJ45连接头、超5类UTP信息模块、超5类屏蔽信息模块、6类UTP信息模块;超5类UTP配线架(固定式、模块式)、超5类FTP配线架、6类UTP 配线架、110配线架等;RJ45跳线、RJ45-110跳线、110-110跳线。
3.实训环境综合布线产品展台。
1.4 认识光纤及连接器件1. 实训目的(1)认识光纤及连接器件,熟悉光缆结构、种类、型号和用途;(2)为综合布线系统设计的设备选型作好准备。
2. 实训材料室内外光缆、单多模光缆;ST、SC、LC等连接头和耦合器;ST-ST、SC-SC、ST-SC等光纤跳线;光纤配线架、光纤接续盒等。
3.实训环境综合布线产品展台。
1.5 认识其它布线设备和材料1. 实训目的(1)认识线槽、管及配件,机柜,布线小材料等的种类和用途;(2)为综合布线系统设计的设备选型作好准备。
2. 实训材料镀锌线槽及配件(水平三通,弯通,上垂直三通等),PVC线槽及配件(阴角、阳角等),管,梯形桥架,立式机柜,挂墙式机柜,五金小材料(防蜡管,膨胀栓,标记笔,捆扎带,木锣钉,膨胀胶等)。
实训项目一网络插座的设计和安装实训工作区子系统是指从信息插座延伸到终端设备的整个区域,即一个独立的需要设置终端的区域划分为一个工作区,它包括信息插座、信息模块、网卡和连接所需的跳线,并在终端设备和输入/输出(I/O)之间搭接。
在网络综合布线工程施工中工作区的施工主要是安装信息插座、信息模块、面板等工作,本节主要做网络插座的设计的安装实训。
1.实训目的1)通过设计工作区信息点位置和数量,训练和掌握工作区子系统的设计。
2)通过预算、领取材料和工具、现场管理,训练和掌握工程管理经验。
3)通过信息点插座和模块安装,训练和掌握工作区子系统规范施工能力和方法。
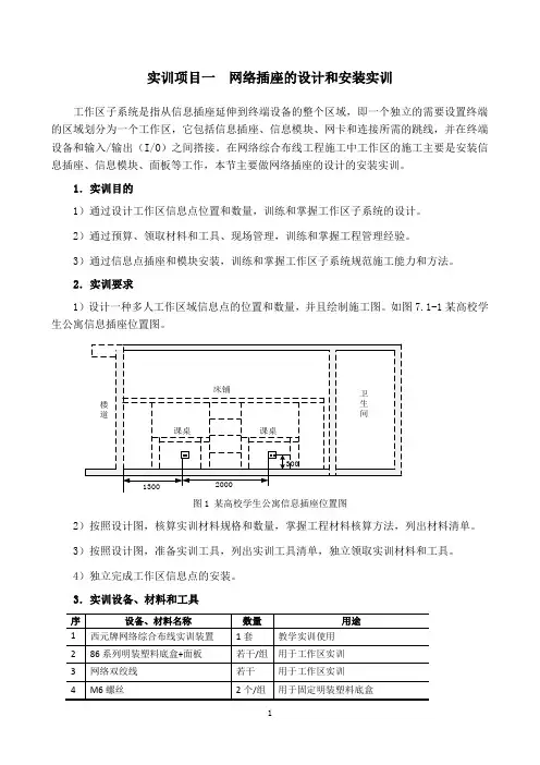
2.实训要求1)设计一种多人工作区域信息点的位置和数量,并且绘制施工图。
如图7.1-1某高校学生公寓信息插座位置图。
图1 某高校学生公寓信息插座位置图2)按照设计图,核算实训材料规格和数量,掌握工程材料核算方法,列出材料清单。
3)按照设计图,准备实训工具,列出实训工具清单,独立领取实训材料和工具。
4)独立完成工作区信息点的安装。
3.实训设备、材料和工具4.实训步骤第一步:设计工作区子系统。
3-4人组成一个项目组,选举项目负责人,每人设计一种工作区子系统,并且绘制施工图,集体讨论后由项目负责人指定1种设计方案进行实训。
第二步:列出材料清单和领取材料。
按照设计图,完成材料清单并且领取材料。
第三步:列出工具清单和领取工具。
根据实训需要,完成工具清单并且领取工具。
第四步:安装底盒。
首先,检查底盒的外观是否合格,特别检查底盒上的螺丝孔必须正常,如果其中有一个螺丝孔损坏时坚决不能使用;然后,根据进出线方向和位置,取掉底盒预设孔中的挡板;最后,按设计图纸位置用M6螺丝把底盒固定在装置上,如图2(a)所示。
第五步:穿线,如图2(b)所示。
第六步:端接模块和安装面板,如图2(c)所示。
安装模块时,首先要剪掉多余线头,留出100~120毫米长度用于压接模块或者检修;然后,使用专业剥线器剥掉双绞线的外皮,剥掉双绞线外皮的长度为15毫米,特别注意不要损伤线芯和线芯绝缘层,剥线完成后按照模块结构将8芯线分开,逐一压接在模块中。
实训报告课程(项目)名称:网络模块端接原理和方法学院:计算机专业:计算机网络技术班级:网络1205 学号: 1297812030943 姓名:黄智勇成绩:2014年6月07 日实验网络模块端接原理和方法【实训目的】1.掌握网线的色谱、剥线方法、预留长度和压接顺序。
2.掌握通信配线架模块的端接原理和方法,常见端接故障的排除。
3.掌握常用工具和操作技巧。
二、实训内容1、网络线8芯色谱和568B端接线顺序白橙、橙、白绿、蓝、白蓝、绿、白棕、棕2、模块端接原理利用压线钳的机械压力将双绞线的8根线芯逐一压接到模块的8个接线口刀片中,在快速压接过程中刀片首先快速划破线芯绝缘护套,然后与铜线芯紧密接触,利用刀片的弹性实现刀片与线芯的长期电气连接,这8个刀片通过电路板与RJ45口的8个弹簧连接。
在压接过程中利用压线钳前端的小刀片裁剪掉多余的线头。
图4-11为压线前刀片位置,图4-12为压线后刀片与线芯位置图。
线缆图4-11压线前刀片位置图图4-12压线后刀片与线芯位置图3、压线钳操作注意事项1)压线钳在使用时要选择好钳口,就是与线径和线鼻子相匹配,压线时只要将两钳口的平面压靠就可以了2)当用压线钳来剥开双绞线外绝缘护套时,注意不能损伤8根线芯的绝缘层,更不能损伤任何一根线芯。
三、实验使用工具和仪表1)“西元”牌网络配线实训装置。
2)实训材料包1个。
500mm网线12根,RJ45水晶头6个。
3)剥线器1把,打线钳1把,钢卷尺1个。
四、实验小结与结果通过本次实训,我懂得了很多网络端接的知识,自己动手的时间让我印象深刻。
将一些理论搬到学生动手操作时间时讲解,最后达到我们完成实验的目的。
本次端接实验使我了解了端接,并动手操作了端接,使我受益匪浅。
3.。
第1篇一、实验背景随着信息技术的飞速发展,网络布线技术已成为现代化通信系统的重要组成部分。
模块端接作为网络布线工程中的关键技术,其质量直接影响到整个网络的性能和稳定性。
本实验旨在通过实际操作,使学生熟练掌握模块端接的制作方法,提高动手能力和实际操作技能。
二、实验目的1. 熟悉模块端接的基本原理和操作步骤;2. 掌握RJ45模块和配线架的端接方法;3. 了解模块端接过程中可能遇到的问题及解决方法;4. 培养学生的团队合作精神和动手能力。
三、实验器材1. 实验台:1套2. 超五类网线:3米×2根3. RJ45模块:3个4. 配线架:1个5. 卡接刀:1把6. 压线钳:1把7.剥线钳:1把8. 双绞线:1卷9. 水晶头:16个10. 测试仪:1台四、实验步骤1. 了解模块端接的基本原理和操作步骤。
模块端接是利用专用工具将双绞线与RJ45模块或配线架进行连接的一种技术。
其原理是利用卡接刀和压线钳将双绞线的四对线按照特定的顺序排列,并压接到RJ45模块或配线架上。
2. 准备工作。
(1)将超五类网线剪成适当长度,一般为3米;(2)使用剥线钳将网线外皮剥去2cm~3cm,并剪掉撕裂绳;(3)将双绞线按照T568A或T568B标准进行线序排列。
3. 制作RJ45模块。
(1)将剥去外皮的网线插入卡接刀的剥线口,确保线芯露出约1.5cm;(2)按照T568A或T568B标准将四对线进行排列;(3)使用压线钳将线芯压接到RJ45模块上;(4)检查线芯是否压接牢固,确保没有松动。
4. 制作配线架。
(1)将剥去外皮的网线插入配线架的卡槽中,确保线芯露出约1.5cm;(2)按照T568A或T568B标准将四对线进行排列;(3)使用压线钳将线芯压接到配线架上;(4)检查线芯是否压接牢固,确保没有松动。
5. 测试模块端接质量。
使用测试仪对制作的RJ45模块和配线架进行测试,确保其连通性和性能符合标准。
五、实验结果与分析本次实验中,学生按照实验步骤成功制作了RJ45模块和配线架,并进行了测试。
实验一数字基带信号系统实验一、实验目的1、了解插入帧同步码信号的帧结构特点。
2、了解数字绝对波形输出特点。
3、了解单极性码、归零码、不归零码等基带信号波形特点。
二、实验原理数字信源块是整个实验系统的发终端,模块内部只使用+5V电压,其原理方块图如图1-1所示。
本单元产生NRZ信号,信号码速率约为170.5KB,帧结构如图1-2所示。
帧长为24位,其中首位无定义,第2位到第8位是帧同步码(7位巴克码1110010),另外16位为2路数据信号,每路8位。
此NRZ信号为集中插入帧同步码时分复用信号,实验电路中数据码用红色发光二极管指示,帧同步码及无定义位用绿色发光二极管指示。
发光二极管亮状态表示1码,熄状态表示0码。
图1-1 数字信源方框图图1-2帧结构MAR-OUTFS图1-3 FS、NRZ-OUT波形三、实验内容用示波器观察数字信源中晶振信号试点,信源位同步信号,信源帧同步信号,NRZ信号(绝对码)。
本模块有以下测试点及输入输出点:CLK 晶振信号测试点BS—OUT 信源位同步信号输出点/测试点(2个)FS 信源帧同步信号输出点/测试点NRZ—OUT(AK) NRZ信号(绝对码)输出点/测试点(4个)四、实验步骤本实验使用数字信源单元。
1、熟悉数字信源单元的工作原理,检查直流稳压电源输出正常的+5V,+12V、-12V电压,关直流稳压电源。
将与直流稳压电源相连(若未连接好请通知指导教师)的实验专用的电源四芯插头正确的插入实验板左上角的四芯插座中。
打开直流稳压电源,实验中不再改变电源输出参数。
(以后的实验中接通电源均照此操作!)2、用示波器观察数字信源单元上的各种信号波形。
01110010 11110000 00001111(1.)示波器的两个通道探头分别接信源单元的NRZ—OUT和BS—OUT,对照发光二极管的发光状态,判断数字信源单元是否已正常工作(1码对应的发光管亮,0码对应的发光管熄。
)(2.)用开关K1产生代码X1110010(X为任意代码,1110010为7位帧同步码),K2、K3产生任意信息代码,观察本实验给定的集中插入帧同步码时分复用信号帧结构,和NRZ码特点。
实训三、网络信息模块和电话模块压接实训实训目的:1)认识网络信息插座和电话信息插座2)区分手工压接和自动压接信息模块的不同2)熟悉网络信息模块和电话模块的压接顺序实训要求:1)完成手工网络信息模块和电话模块的压接2)完成免打压网络信息模块和电话模块的压接2)理解网络信息模块和电话模块压接的线缆线序实训设备、材料和工具:剥线钳、压线钳,偏口钳、网络信息模块2个,电话信息模块2个,一口网络信息模块,双口网络信息模块面板各两个,50cmCat5e双绞线跳线2根,50cm标准四芯电话线2根实验步骤:手工压接信息模块:1)将一根超5类双绞线一端用剥线钳剥开3cm左右,按照图4.12所示,分开4对线缆,即:绿白、绿、棕白、棕、蓝白、蓝、橙白、橙。
2)用简易压线钳将分开的4对线缆,按照网络信息模块侧面的色标提示,分别压入线槽,随后用偏口钳剪掉多余的线头。
如图4.14所示3)将压接好的网络信息模块,装配到一口网络信息模块面板上。
4)将一根标准四芯电话线的一端用剥线钳剥开3cm左右,按照图4.22,分开2对线缆。
5)用简易压线钳将分开的2对线缆,按照电话信息模块侧面的色标提示,分别压入线槽,随后用偏口钳剪掉多余的线头. 图4.22所示。
免打压信息模块6)将一根超5类双绞线一端用剥线钳剥开3cm左右,按照图4.15所示,分开4对线缆,棕白、棕、绿、蓝、蓝白、绿白、橙白、橙。
7)选择一个免打压网络信息模块,将分开的4对线缆,按照上面顺序塞入免打信息模块的夹槽中,如图4.15所示。
8)用力扣压模块上盖,完成线缆压接,然后用偏口钳剪掉多余的线头,如图4.18和4.19所示。
9)将一根4芯电话线,一端用剥线钳剥开3cm左右,按照图示,分开2对线缆,即棕、蓝、蓝白、棕白,如图4.20。
10)重复以上步骤,完成免打压电话模块的压接,如图4.21。
安装到信息面板插座上11)将制作好的一个手工压接网络信息模块和一个免打压信息模块,分别扣入双口信息模块插座面板上,如图4.24所示。
网络综合布线实训指导书沈阳工程学院信息工程系网络工程教研室目录实训项目一网络综合布线系统工程常用器材和工具认识 (1)实训项目二RJ-45水晶头端接和跳线制作及测试实训 (3)实训项目三网络模块原理端接实训 (4)实训项目四RJ—45网络配线架端接实训 (4)实训项目五110型通信跳线架端接实训 (5)实训项目六基本永久链路实训 (6)实训项目七复杂永久链路实训 (7)实训项目八网络插座的安装实训 (8)实训项目九水平布线系统-PVC线管的布线工程技术实训 (9)实训项目十水平布线系统-PVC线槽的布线工程技术实训 (10)实训项目一网络综合布线系统工程常用器材和工具认识(讲解1学时,认识1学时)在网络综合布线系统工程施工中,会用到不同的网络传输介质、网络布线配件和布线工具等。
在实训项目一中将详细介绍网络综合布线系统工程常用器材和工具.1.线槽规格、品种和器材在综合布线系统中使用的线槽主要包括金属线槽和塑料线槽。
a。
金属槽金属槽由槽底和槽盖组成,每根糟一般长度为2米,槽与槽连接时使用相应尺寸的铁板和螺丝固定。
槽的外型如图1。
1所示。
图3-9 线槽外形b.塑料槽塑料槽的外状与图1。
1类似,但它的品种规格更多。
与PVC槽配套的附件有:阳角、阴角、直转角、平三通、左三通、右三通、连接头、终端头、接线盒(暗盒、明盒)等.c.金属管金属管是用于分支结构或暗埋的线路,它的规格也有多种,以外径mm为单位。
管的外形如图1.1所示。
d.塑料管塑料管产品分为2大类:即PE阻燃导管和PVC阻燃导管。
与PVC管安装配套的附件有:接头、螺圈、弯头、弯管弹簧;一通接线合、二通接线合、三通接线合、四通接线合、开口管卡、专用截管器、PVC粗合剂等。
图1.1 线槽外形和线管外形2. 桥架桥架分为普通型桥架、重型桥架、槽式桥架。
在普通桥架中还可分为普通型桥架,直边普通型桥架。
桥架的外形如图1。
2所示。
在普通桥架中,有以下主要配件供组合:梯架、弯通、三通、四通、多节二通、凸弯通、凹弯通、调高板、端向联结板、调宽板、垂直转角联接件、联结板、小平转角联结板、隔离板等。
实验报告
姓名:班级: 1 学号:同组实验者:
图1.1信息模块
超五类水晶头制作
图 2.1按线序理平、理直线芯
用压线钳、剪刀、斜口钳等锋利工具将双绞线线芯平齐剪切,注意保证双绞线
13mm,否则的话影响双绞线的传输性能
用拇指和中指捏住水晶头,并用食指抵住,水晶头的方向是金属引脚朝上、弹片朝下,将剪好的双绞线线芯依序插入水晶头凹槽内,并保证直插到顶部。
检查水晶头双绞线的线序是否正确;检查线芯是否到水晶头顶部。
(为减少水
图3.1剥去双绞线外
图4.1 信息模块压接完成。