数控专业毕业设计(论文)任务书
- 格式:doc
- 大小:68.00 KB
- 文档页数:6
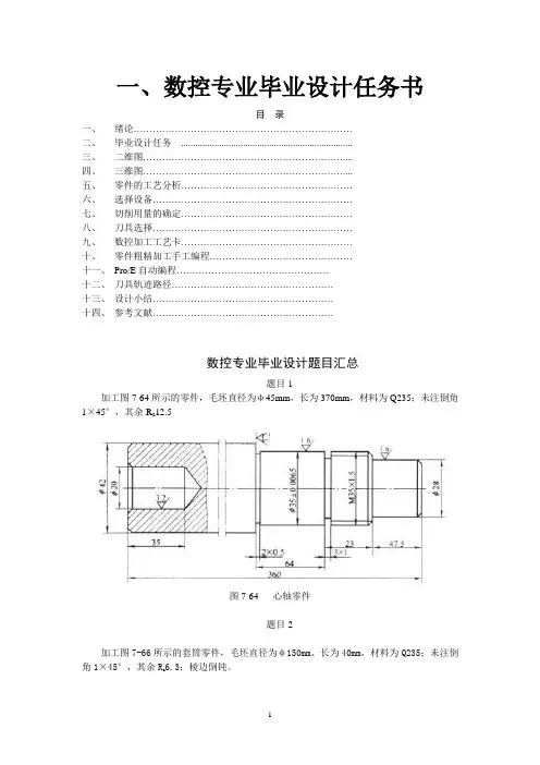
一、数控专业毕业设计任务书目录一、绪论……………………………………………………………二、毕业设计任务........................................................................三、二维图………………………………………………………....四、三维图………………………………………………………....五、零件的工艺分析………………………………………………六、选择设备………………………………………………………七、切削用量的确定………………………………………………八、刀具选择………………………………………………………九、数控加工工艺卡………………………………………………十、零件粗精加工手工编程………………………………………十一、Pro/E自动编程…………………………………………十二、刀具轨迹路径……………………………………………十三、设计小结…………………………………………………十四、参考文献…………………………………………………数控专业毕业设计题目汇总题目1加工图7-64所示的零件,毛坯直径为φ45mm,长为370mm,材料为Q235;未注倒角1×45°,其余R a12.5图7-64 心轴零件题目2加工图7-66所示的套筒零件,毛坯直径为φ150mm、长为40mm,材料为Q235;未注倒角1×45°,其余R a6.3;棱边倒钝。
7-66套筒零件题目3如图2-17所示变速手柄轴,毛坯为φ25㎜×100㎜棒材,材料为45钢,完成数控车削。
题目4如图2-18所示工件,毛坯为φ25㎜×65㎜棒材,材料为45钢。
1.题目5编制图3.3.46所示零件的加工程序。
工艺条件:工件材质为45#钢,或铝;毛坯为直径Φ54mm,长200mm的棒料;刀具选用:1号端面刀加工工件端面,2号端面外圆刀粗加工工件轮廓,3号端面外圆刀精加工工件轮廓,4号外圆螺纹刀加工导程为3mm,螺距为1mm 的三头螺纹。
数控技术专业毕业设计任务书题目:基于数控技术的零件加工工艺优化与实现一、任务背景及目的数控技术作为现代制造技术的重要组成部分,已经在各个领域得到广泛应用。
在零件加工过程中,如何利用数控技术实现工艺优化,提高加工效率和质量,成为当前研究的热点问题。
本次毕业设计旨在研究基于数控技术的零件加工工艺优化方法,并设计实现相应的加工系统,达到提高加工效率和质量的目标。
二、任务内容1. 调研研究现有数控技术在零件加工中的应用现状,了解数控工艺优化的研究进展。
2. 系统分析零件加工过程中存在的问题和待优化的工艺环节,如刀具路径规划、切削参数选择等。
3. 提出数控工艺优化的方法和算法,包括刀具路径优化、切削参数优化等。
4. 基于上述方法和算法,设计实现一个数控加工系统原型,可以进行零件加工工艺的优化和实际加工操作。
5. 进行实际加工试验,对比分析优化前后的加工效果和加工质量,验证数控工艺优化的有效性。
三、任务要求1. 具备一定的数控技术知识和电子设计能力,熟悉数控编程语言和相关软件,能够独立完成数控机床的编程任务。
2. 具备一定的工艺学知识和切削加工原理,了解常见零件加工工艺流程和常用刀具材料、切削参数等。
3. 具备较强的数据分析和问题解决能力,能够从实际加工过程中提取关键数据并进行分析。
4. 毕业设计需要有一定的创新性和实用性,对现有研究成果进行扩展和应用。
四、任务计划根据学校的毕业设计时间安排,制定详细的任务计划,包括每个阶段的工作内容和时间节点。
具体安排根据实际情况确定,保证任务的有序推进。
五、预期成果完成毕业设计论文,内容包括调研报告、设计方案、实施过程、结果分析和总结等。
同时,完成数控加工系统的设计和实现,并编写相关文档和软件代码。
最终通过实际加工试验验证优化后的工艺对加工效果和质量的影响。
备注:以上任务书仅供参考,具体的任务内容和要求可以根据实际情况进行调整和修改。
毕业设计任务及设计要求
一、设计题目及要求
本课程设计共有3类课题
1.轴类零件数控加工;
2.轮盘类零件数控加工;
3.轴套类零件数控加工。
参加本课程设计的学生根据以上课题类型自己设计一加工零件(包含台阶、螺纹、圆弧、锥体、槽等)。
要求学生达到如下目标:
1.针对设计任务选择合适的实现方案;
2.培养学生查阅技术手册和有关技术资料的能力;
3.培养学生程序设计能力;
4.培养学生程序调试能力;
5.培养学生编制技术文档的能力;
6.培养学生严肃认真、一丝不苟和实事求是的科学态度。
二、设计基本内容
三、完成的技术文件
1.绘制零件图一份;
2.数控加工工序卡一份;
3.走刀路线图一份;
4.数控加工程序清单一份;
5.数控刀具卡一份;
6.设计说明书一份。
(分析零件结构;选择机床设备、刀具;编写数控加工工艺;
写出数值计算过程)
四、成绩评定
依据下列几个方面对学生进行考核,以五级评分制综合评定成绩:
1.设计过程中的表现(独立完成的能力、分折问题的能力、工作态度);
2.提交的设计质量;
五、教材及主要参考书
教材:
1.FANUC简明操作与编程;
2.FANUC操作编程手册(车床);
3.FANUC操作编程手册(车床)。
主要参考书:
1.何雪明.数控技术.武汉:华中科技大学出版社,2006.
2.张宇主编.数控技术实践.北京:机械工业出版社,2004.
3.许详泰主编.数控加工编程实用技术.北京: 机械工业出版社,2002.
4.晓春主编.数控技术.北京:机械工业出版社,2003.。
毕业设计(论文)任务书毕业设计(论文)题目专业姓名毕业设计(论文)工作起止时间:毕业设计(论文)旳内容提纲:指导教师: 教研室主任:年月日数控设备应用与维护专业毕业设计选题方向根据本专业培养目旳规定, 提出如下几大类设计(论文)选题方向供参照, 每一题中旳详细题目可结合本单位或本人所从事旳工作选定, 也可选择其他题目, 均应符合专业方向、设计内容及工作量旳规定。
(一)数控机床加工工艺类1.理解数控机床旳型号、系统及该机床旳特点;2、选择一经典零件图, 画零件图一张;(大专选择中等复杂程度旳零件图)3.编写数控加工工艺规程;4、编写零件旳数控加工程序;5、阐明书一份。
(二)工艺设计与工装设计类选择中等复杂程度旳零件, 进行加工工艺规程旳编制及某经典工序旳专用夹具设计。
1.画出零件——毛坯综合图一张;2、写出机械加工工艺过程卡片一套;3、写出机械加工工序卡一套;4、选择一种经典工序设计专用夹具一套;5、画一套专用夹具经典零件图;6、设计阐明书一份(三)钳工类;1.本厂简介及其产品简介;2.怎样对旳选用与使用钳工工具;3.制定一种经典部件旳钳工工艺规程;4.画装配图1张;5.简述钳工旳种类及钳工旳基本知识。
(四)机修类本厂生产管理概况现实状况分析;2.故障诊断分析旳措施;3.对旳装配措施旳分析;4、怎样当好一种机修工人;5、合理化提议;6、阐明某产品旳质量是怎样保证, 简介整个检查过程;7、产品质量分析。
(五)检测类1.检查措施旳选择;2.量具、量仪旳对旳选用、使用与保养;3.测量误差旳种类及其影响原因与评估措施;4.阐明某产品旳质量是怎样保证, 简介整个检查过程;5.对一种零件进行20次等精度测量, 按公差书中旳知识分析其测量成果;6.合理化提议。
(六)企业管理类1.企业简介及产品简介;2.工厂管理分析;3.怎样作好本职工作。
4.技术经济分析5.对企业产品进行市场调查;6.企业筹划(七)市场营销类1.对企业产品进行市场调查;2.销售产品旳性能、工作原理;3.你旳产品与同类产品比较优势怎样;4.销售技巧;5.怎样搞好售后服务。
数控毕业设计任务书一、毕业设计的目的本毕业设计旨在培养学生们在实际数控加工领域中的操作技能和实践能力。
通过设计任务,学生们将有机会深入了解数控机床的工作原理、编程技巧和工艺流程,为未来的职业生涯打下坚实的基础。
二、设计任务和要求1. 任务:设计并完成一个数控加工项目。
项目内容应与实际生产中的零件加工有关,如轴类、盘类、套类等。
2. 要求:a) 明确零件的形状、尺寸和精度要求;b) 确定加工工艺流程,包括粗、精加工步骤和切削参数等;c) 编写数控加工程序,包括刀具选择、切削路径规划等;d) 完成数控机床操作,实现零件的加工;e) 对加工过程进行监控和调整,确保产品质量和效率。
三、所需知识和技能1. 数控机床的基本原理和操作方法;2. 数控编程的基本知识和技巧,包括刀具路径规划、切削参数选择等;3. 数控加工工艺的基本知识,如刀具选择、切削用量等;4. CAD/CAM软件的使用方法,如Mastercam、Solidworks等;5. 产品质量检测和故障排除技能。
四、实施步骤和时间安排1. 准备阶段(1周):确定课题、搜集资料、制定初步设计方案;2. 实施阶段(3周):实际操作数控机床进行加工,监控调整加工过程,确保产品质量;3. 总结阶段(1周):总结经验教训,完成设计报告和图纸。
时间安排如下:a) 第1-3天:了解数控机床和编程基础知识;b) 第4-7天:使用CAD/CAM软件进行刀具路径规划和模拟,编写加工程序;c) 第8-15天:在数控机床上进行实际加工,监控调整过程,确保产品质量;d) 第16-17天:整理资料,撰写设计报告和图纸,进行答辩准备。
五、指导教师职责1. 指导教师将对设计任务进行全程监督和指导,确保学生们按照规定的要求完成设计任务;2. 指导教师将为学生们答疑解惑,提供必要的帮助和支持;3. 指导教师将对设计结果进行评估,并提出改进意见和建议。
六、学生任务和要求1. 学生应认真按照指导教师的指导,按时完成各项任务;2. 学生应积极参与讨论,提出自己的意见和建议;3. 学生应严格按照要求编写设计报告和图纸,确保其准确性和完整性。
数控毕业设计任务书数控毕业设计任务书引言:数控技术在现代工业中扮演着重要的角色,它通过将数字信号转化为机械运动,实现高精度、高效率的加工过程。
作为数控专业的毕业生,我们需要进行一项实践性的毕业设计,以展示我们在数控领域的技能和知识。
本文将详细介绍这个毕业设计的任务书。
一、背景介绍:随着工业自动化水平的提高,数控技术的应用范围越来越广泛。
而在数控机床的设计和开发过程中,毕业设计是一项重要的环节,旨在培养学生的实践能力和创新思维。
本次毕业设计将聚焦于数控机床的某个具体方面,旨在提高学生对数控技术的理解和应用能力。
二、设计目标:1. 理解数控机床的工作原理和结构组成;2. 掌握数控编程和操作技能;3. 设计并实现一个具有一定复杂度的数控机床;4. 完成一项数控加工任务,验证设计的可行性和效果。
三、设计内容:1. 学习数控机床的基本原理和结构组成,包括伺服系统、控制系统、传动系统等;2. 学习数控编程语言和编程方法,掌握数控编程的基本技能;3. 设计一个具有一定复杂度的数控机床,包括机械结构设计和电气控制系统设计;4. 制作数控机床的相关部件,如床身、滑块、工作台等;5. 进行数控编程,编写加工程序,实现对某种材料的加工任务;6. 调试和测试设计的数控机床,验证其性能和精度。
四、设计步骤:1. 研究数控机床的相关文献和资料,了解数控技术的发展和应用;2. 学习数控编程语言和编程方法,掌握数控编程的基本技巧;3. 设计数控机床的机械结构,包括床身、滑块、工作台等部件的设计;4. 设计数控机床的电气控制系统,包括伺服系统、控制系统等的设计;5. 制作数控机床的相关部件,如床身、滑块、工作台等;6. 进行数控编程,编写加工程序,实现对某种材料的加工任务;7. 调试和测试设计的数控机床,验证其性能和精度;8. 撰写毕业设计报告,总结设计过程和结果。
五、预期成果:1. 完成一个具有一定复杂度的数控机床的设计和制作;2. 实现对某种材料的加工任务,验证设计的可行性和效果;3. 撰写毕业设计报告,详细介绍设计过程和结果。
数控毕业设计说明书毕业设计完成后要写好毕业设计的说明书,下面小编为大家介绍数控毕业设计说明书,希望能帮到大家!前言第一章绪论毕业设计的目的:第二章毕业设计任务书课题一:零件图:生产批量:单件小批量生产每次50件设计要求:1、完成零件工艺过程卡、工序卡、*具卡内容。
2、一组必须有电子档,手工绘制零件图一张/人,说明书一份/人,字数3000字以上。
3、综合选择普通机床加工以及数控机床加工(精加工),若选用数控机床加工,必须编制加工程序。
4、设计说明书要求详细阐述从毛坯至成品的全过程。
包括进行零件图的工艺分析、毛坯选择、毛坯尺寸确定、毛坯热处理及其工序安排分析、必要夹具或工装的基本结构、选用机床型号并了解其主要技术参数、工艺方案分析比较,保障关键技术参数的措施,手工绘制相应的工序简图、数控加工有关键部位的走*路线图。
在比较优劣后最后选定方案、直至加工成成品的全过程。
5、要求设计方案必须注重经济*,尽量选用通用工装及设备,减少实际生产加工中的外委加工。
6、了解零件关键部位的技术参数的检测方法。
7、说明书必须有设计结果的总结分析、参考文献。
8、调查工厂生产实践中数控机床使用情况与教学中的差异,分析阐述生产实践中划分粗、半精、精加工工序的理由。
第三章零件图样分析n3.1图样分析3.2零件图样功能分析3.3加工工艺的分析第四章零件的生产类型1.毛坯的制造方法及加工余量:2.机床设备及布置形式:3.夹具:4.*具与量具:5.对工人的要求:6.工艺文件:第五章拟定零件加工工艺路线分析5.1选择零件各表面的加工方法工序名称加工方法加工经济精度(公差等级表示)经济表面粗糙度(ra/um)5.2估算毛坯的机械加工余量下料时135×110×82锻造后1Φ550-0.013mm粗车半精车粗磨精磨5.3拟定零件加工工艺路线机械加工中,加工路线对零件的加工精度,表面质量以及加工效率有着直接的影响。
因此,确定好的加工路线是保*加工精度、表面质量、提高效率的工艺措施之一,其确定与工件要求的零件表面质量、机床进给机构间隙、*具耐用度以零件轮廓形状有关。
皖西学院成教院毕业设计【论文】任务书二O 一一年六月二日一、目的与要求1.培养学生综合运用所学知识和技能,提高解决实际问题的能力,从而达到巩固、深化所学的知识。
2.培养学生建立正确的科学研究思想,树立实事求是、严肃认真的科学工作态度。
3.培养学生调查研究,收集资料,熟悉有关技术文件,运用国家标准、手册、资料等工具书进行设计计算,数据处理,编写技术文件等独立工作能力。
二、选题1.课题1)简析数控机床及未来的发展2)数控技术的应用3)圆弧轴数控车削加工工艺的编制4)普通机床的数字化改造5)数控轴类零件加工工艺设计6)数控技术和装备发展趋势及对策7)数控机床编程8)数控铣削盖板类零件的加工9)数控车床的基本应用10)调头加工轴数控加工工艺设计11)轴类零件数控车削工艺分析及数控加工编程12)浅谈数控机床零件加工前的准备13)齿轮轴数控加工毕业设计14)结合轴类零件的加工工艺及编程15)数控零件加工工艺分析及精度检测2.选题要求(1)已经按照学号规定了各自的论文课题;(2)课题内容来自生产第一线包括对原理性或工艺性理解,熟悉,掌握或设计;(3)课题内容应参考相关实际对象,非实际对象可搞理论设计,但严格杜绝抄袭的文件;(4)课题原则上一人一题,多人合写一份论文应为不合格;(5)毕业设计课题一经确认,不得更改。
三、学生须上交的资料项目说明:按统一的格式写毕业设计(论文);四、毕业设计(论文)成绩评定标准1.设计总体方案的独创性,正确性,经济性和论证深度;2.设计图纸及编写说明书的质量,原理是否合理,图例是否符合国家标准,文字表达水平,逻辑性及计算的正确性等;3.独立工作的能力,在设计中自学能力如何,分析问题和解决问题的能力以及实验调试中动手能力如何;4.设计过程的工作态度以及答辩中的表现;5.毕业论文和答辩各部分的分数比例;A.指导教师评价30%;B.完成文件完整性,按时性10%;C.课题独立完成情况15%;D.自述设计思路,工作原理及过程15%;E.提问答辩30%。
数控技术专业
毕业综合实训设计任务书
课题一:零件的数控加工工艺的编制及加工(参考题目,实际题目由指导教师给出)
一、设计条件:
1、零件图如图所示:
在下面6个零件中选择一个用数控机床完成如图所示零件的加工,材料45钢。
2、技术要求如下:
(1)、以中批量生产条件编程。
(2)、不准用砂布及锉刀等修饰表面。
(3)、未注倒角1×45o,锐角倒钝0.2×45°。
(4)、未注公差尺寸按 GB1804-M。
(5)、端面允许打中心孔。
(6)、材料:45#,调质处理HRC 26~36
二.设计具体要求:( 具体见毕业设计指导书)
1.编制工艺过程卡; 2.计算编程尺寸;
3.画出加工路线图; 4.画出刀具调整图;
5.列出数控刀具表; 6.编制加工工序卡;
7.编写数控加工程序。
三、毕业设计的基本要求
1.严禁上网整篇下载剽窃,可以上网查阅资料,并有选择性的引用;
2.严格按照论文的撰写要求,格式规范,内容充实,并查阅资料来进行组织材料。
3.字数不得少于5000字;
4.要求上交打印(A4)一份,电子文档一份,电子文档可以发到指导教师的电子邮箱。
图号C1
考核要求:
1、以小批量生产条件编程。
2、不准用砂布及锉刀等修饰表面。
3、未注倒角0.5×45o。
4、未注公差尺寸按GB1804-M。
数控专业毕业设计【篇一:数控技术毕业设计】(2010级)毕业设计(论文)题目:数控铣削加工工艺设计及零件加工程序编制职业技术学院毕业设计(论文)答辩委员会记录系专业,学生于年月日进行了毕业设计(论文)答辩。
设计题目:专题(论文)题目:指导老师:答辩委员会根据学生提交的毕业设计(论文)材料,根据学生答辩情况,经答辩委员会讨论评定,给予学生毕业设计(论文)成绩为。
答辩委员会人,出席人答辩委员会主任(签字):答辩委员会副主任(签字):答辩委员会委员:, 3江西渝州科技学院毕业设计(论文)4设计任务书一.设计题目:零件的数控铣床铣削编程与设计二.设计目的(1)了解数控铣床的基本原理。
(2)了解数控铣削加工编程的内容和步骤。
(3)掌握数控铣削加工程序的编程结构、格式和零件的数控编程方法。
(4)掌握数控铣床的操作方法。
(5)了解数控铣床与微机通过rs232接口的通信方法。
三.设计要求1. 设计安全要求由教师和实验室指导教师组织学生进行毕业设计动员和安全教育。
要求学生在毕业设计时要做到以下几点:(1)进行编程操作前,应熟悉数控铣床的操作说明书,并严格按照操作规程操作。
(2)检查数控铣床各部分机构是否完好,各按钮是否能自动复位。
(3)车间工具都应放在固定位置,不可随意乱放,爱护工具、经常保持量具的清洁,用后擦净,涂油后放入盒中;工作位置周围应经常保持整洁清洁。
(4)数控加工时精力应高度集中,出现问题时应立即切断电源,并向指导教师报告。
(5)操作过程中出现铣床故障时,应及时向指导教师反映。
2. 设计质量要求5【篇二:数控专业毕业设计】渤海船舶职业学院题姓名学号专业摘要随着科学技术的飞速发展和经济竞争的日趋激烈,产品更新速度越来越快,复杂形状的零件越来越多,精度要求越来越高,多品种、小批量生产的比重明显增加,激烈的市场竞争使产品研制生产周期越来越短,传统的加工设备和制造方法已难以适应这种多样化、柔性化与复杂形状零件的高速高质量加工要求。
金肯职业技术学院毕业设计(论文)任务书2012 —2013学年系别机械与汽车工程系专业机械制造与自动化班级机制4班学生学号指导教师专业委员会主任系主任设计地点二○一三年一月一、毕业设计(论文)题目数控机床的维护与故障排除二、毕业设计(论文)目的、要求1.目的毕业设计(论文)的目的是培养学生综合利用所学到的知识与技能,分析问题和解决问题,是学生在校进行的最后一次较为系统的培养与训练。
通过毕业设计(论文)加强对学生以下几方面能力训练:1、调查研究能力,资料、信息的获取与分析综合能力;2、方案论证、分析比较能力;3、撰写论文的能力;4、根据不同专业要求使用计算机的能力;5、文字和口头表达能力;6、英语应用能力;7、较强的实践动手能力。
2.要求(1)独立完成毕业设计任务书规定的毕业设计任务;(2)认真进行调查研究、方案论证,认真写好开题报告;(3)论文论证充分,条理性、逻辑性好;(4)毕业设计中的一切图纸与文稿,一律用计算机实现。
三、毕业设计(论文)成果(1)毕业设计论文(0.8万字以上)1份;(2)毕业设计开题报告1份;(3)毕业设计说明书中、英文摘要各1份四、参考资料或文献[1] 陈子银,数控机床结构原理与应用[2] 周建强,数控加工技术.北京:中国人民大学出版社,2010[3] 田茹,数控机床维修的方法和步骤[ J] .机械工人,2005(6): 71- 72[4] 牛志斌,图解数控机床—西门子典型系统维修技巧.机械工业出版社,2005[5] 蒋红平,数控机床维修.高等教育出版社,2004五、毕业设计(论文)进度。
数控专业的毕业设计数控专业毕业设计任务书一、设计题目数控铣削编程与操作设计技术要求:表面粗糙度为1.6。
二、设计任务1.零件图工艺分析。
2.确定装夹方案。
3.确定加工顺序。
4.选择加工用刀具。
5.合理选择切削用量。
6.拟订数控铣削加工工艺卡片。
7.根据加工工艺步骤编写加工程序。
8.完成工件的操作加工。
三、应完成的技术资料1、开题报告(1500字左右)。
2、毕业设计说明书(10000字左右)。
3、绘制A3零件图。
开题报告一.毕业设计题目来源按系里所发的毕业设计用图1.技术要求:表面粗糙度均为1.6,尺寸精度除120±0.02外均为通常精度。
2.毛坯尺寸: 240×130×30。
3.材料:硬铝(LY12)。
技术资料:1.绘制A3图纸2.绘制装夹方式图3.填写数控加工工艺卡片4.编制加工程序清单二.选题设计的意义数控技术在20世纪80年代以后得到迅速进展,数控机床不仅在宇航,造船,军工等领域广泛应用,而且也进入了汽车,机床,模具等机械制造行业。
目前,在机械行业中,单件、小批量的生产所占的比例越来越大。
机械产品的精度与质量也不断地提高。
因此,普通机床越来越难以满足加工精度零件的需求。
数控机床在机械行业中十分普遍。
作为数控技术专业的学生,数控编程加工工艺设计是务必要经历的一个重要实践环节,通过本环节的锻炼,力争把往常所学的知识融会贯穿,从而达到温故而知新的目的,提高解决实际问题的能力。
三.基本内容(8)完成工件的操作加工工件的操作加工要紧内容是:1、工件的安装。
安装工件时先把工作台面打扫干净,然后校正平口钳固定钳口与工作台某一移动方向的平行度与垂直度。
工件装夹后,还需校验工件上表面与工作台的平行度。
组合压板、精密治具板(筒)等方法装夹的工件均需找正工件侧面与某一移动轴的平行度后再夹紧。
2、设置工件坐标系。
工件坐标系原点亦称编程零点。
关于在数控机床上加工的具体工件来说,务必通过一定的方法把工件坐标系原点(实际上是工件坐标系原点所在的机床坐标值)表达出来,这个过程称之对刀。
数控毕业设计任务书数控毕业设计任务书引言:数控技术是现代制造业中不可或缺的一项重要技术,它通过计算机控制机床进行加工,提高了加工精度和效率,降低了人工操作的错误率。
作为一名数控专业的毕业生,我们需要完成一份数控毕业设计任务书,来展示我们在数控领域的知识和技能。
一、选题背景数控技术在工业生产中的应用越来越广泛,但是仍然存在一些问题和挑战。
例如,如何在复杂的工件加工过程中保证加工质量和效率的平衡,如何利用数控技术提高加工的自动化水平等。
因此,本次毕业设计的选题是基于这些问题和挑战展开的。
二、选题目标本次毕业设计的目标是设计一套数控系统,能够实现复杂工件的高效加工,并保证加工质量。
具体目标包括:1. 设计一套数控系统的硬件结构,包括机床、传感器、控制器等。
2. 开发一套数控系统的软件,实现工件的自动编程和加工过程的控制。
3. 进行实验验证,评估数控系统的性能和可靠性。
三、研究内容本次毕业设计的研究内容包括以下几个方面:1. 数控系统的硬件设计:包括机床的选型、传感器的选择和布置,以及控制器的设计和搭建。
2. 数控系统的软件开发:包括工件的自动编程算法的设计和实现,以及加工过程的控制算法的开发。
3. 实验验证:通过实验对设计的数控系统进行性能和可靠性的评估。
四、研究方法本次毕业设计将采用以下研究方法:1. 文献调研:通过查阅相关的文献和资料,了解数控技术的最新发展和研究成果。
2. 硬件设计:根据选定的机床和传感器,设计和搭建数控系统的硬件结构。
3. 软件开发:根据工件的加工要求,设计并实现自动编程和加工过程控制的软件。
4. 实验验证:通过实验对设计的数控系统进行性能和可靠性的评估,收集和分析实验数据。
五、预期成果本次毕业设计的预期成果包括以下几个方面:1. 数控系统的硬件结构设计方案和实施方案。
2. 数控系统的软件开发代码和相关文档。
3. 实验验证结果和分析报告。
六、进度安排本次毕业设计的进度安排如下:1. 第一阶段:完成文献调研和选题背景的撰写,用时2周。
数控技术专业毕业设计任务书一、设计题目基于数控技术的智能机床设计与应用研究二、设计背景随着科技的不断发展,数控技术在机械制造领域的应用越来越广泛。
智能机床作为数控技术的典型代表,具备高效、精准、灵活的工作特点,已成为现代制造业的重要装备之一。
为了提升智能机床的性能和应用效果,以及满足制造行业对高端智能机床的需求,本次毕业设计将深入研究数控技术与智能机床的结合,探索其设计与应用。
三、设计目标1. 分析数控技术在智能机床中的应用现状和发展趋势,了解当前行业的需求和问题。
2. 研究智能机床的结构和工作原理,探索其在提高加工效率和质量方面的优势。
3. 设计一种基于数控技术的智能机床,并结合实际需求进行特定功能的定制化设计。
4. 编写相应的控制程序和用户界面,实现对智能机床的精确控制和性能调节。
5. 进行实验验证,评估智能机床的性能和应用效果,分析其在不同工况下的工作特点和适用范围。
四、设计内容1. 智能机床数控系统研究:分析现有数控系统的特点和局限性,探究基于数控技术的智能机床数控系统设计方法。
2. 智能机床结构设计:研究数控技术与智能机床结合的关键技术和设计要点,设计一种适用于特定加工任务的智能机床结构。
3. 智能机床控制程序设计:针对设计的智能机床结构,编写相应的数控控制程序和工作模块,实现智能机床的高效控制。
4. 智能机床应用研究:通过实验验证,评价设计的智能机床在不同加工工况下的加工性能和质量,分析其适用范围和发展前景。
五、设计方法1. 文献调研:通过查阅相关文献和资料,了解数控技术和智能机床的基本原理和应用现状。
2. 系统建模:对智能机床的各个组成部分进行建模和分析,以及与数控技术相结合的关键技术进行研究和优化。
3. 程序设计:通过编写相应的控制程序和用户界面,实现对智能机床的控制和性能调节。
4. 实验验证:利用实验台架或仿真软件进行智能机床性能和应用效果的实验验证,以验证设计方案的可行性与有效性。
皖西学院成教院毕业设计【论文】
任
务
书
二O 一一年六月二日
一、目的与要求
1.培养学生综合运用所学知识和技能,提高解决实际问题的能力,从而达到巩固、深化所学的知识。
2.培养学生建立正确的科学研究思想,树立实事求是、严肃认真的科学工作态度。
3.培养学生调查研究,收集资料,熟悉有关技术文件,运用国家标准、手册、资料等工具书进行设计计算,数据处理,编写技术文件等独立工作能力。
二、选题
1.课题
1)简析数控机床及未来的发展
2)数控技术的应用
3)圆弧轴数控车削加工工艺的编制
4)普通机床的数字化改造
5)数控轴类零件加工工艺设计
6)数控技术和装备发展趋势及对策
7)数控机床编程
8)数控铣削盖板类零件的加工
9)数控车床的基本应用
10)调头加工轴数控加工工艺设计
11)轴类零件数控车削工艺分析及数控加工编程
12)浅谈数控机床零件加工前的准备
13)齿轮轴数控加工毕业设计
14)结合轴类零件的加工工艺及编程
15)数控零件加工工艺分析及精度检测
2.选题要求
(1)已经按照学号规定了各自的论文课题;
(2)课题内容来自生产第一线包括对原理性或工艺性理解,熟悉,掌握或设计;
(3)课题内容应参考相关实际对象,非实际对象可搞理论设计,但严格杜绝抄袭的文件;
(4)课题原则上一人一题,多人合写一份论文应为不合格;
(5)毕业设计课题一经确认,不得更改。
三、学生须上交的资料项目
说明:按统一的格式写毕业设计(论文);
四、毕业设计(论文)成绩评定标准
1.设计总体方案的独创性,正确性,经济性和论证深度;
2.设计图纸及编写说明书的质量,原理是否合理,图例是否符合国家标准,文字表达水平,逻辑性及计算的正确性等;
3.独立工作的能力,在设计中自学能力如何,分析问题和解决问题的能力以及实验调试中动手能力如何;
4.设计过程的工作态度以及答辩中的表现;
5.毕业论文和答辩各部分的分数比例;
A.指导教师评价30%;
B.完成文件完整性,按时性10%;
C.课题独立完成情况15%;
D.自述设计思路,工作原理及过程15%;
E.提问答辩30%。
五、其它注意事项
1.凡是弄虚作假、严重抄袭者,毕业设计、毕业论文一律不计成绩,作不及格处理。
2. 凡毕业论文不及格者,不发毕业证书,只发结业证书。
3.请在规定的时间内答辩,逾期不答辩者,与下届毕业生一起答辩。
附件一:
毕业论文格式、书写规范
毕业论文是高职生培养质量的集中体现。
毕业论文不仅在内容上有创造性和创新性,而且在表达方式上应具有一定的规范性和严谨性。
为此,特作如下规定。
一、毕业论文版式、格式
1、封面格式为:A4纸;上、下、左、右边距各为:2.5cm(具体格式见封面附页)。
2、论文开本及版芯
论文开本大小: A4纸
版芯要求:左边距:3cm;右边距:2.5cm;上边距:3cm;下边距:2.5cm。
标题:论文分三级标题
一级标题:黑体,小二号,段前、段后间距为1行
二级标题:黑体,小三号,段前、段后间距为1行
三级标题:黑体,四号,段前、段后间距为1行
3、正文字体:正文采用五号宋体,行间距为18磅;图、表标题采用小五号黑体;表
格中文字、图例说明采用小五号宋体;表注采用六号宋体。
4、页眉、页脚文字均采用小五号宋体,页眉统一为“皖西学院毕业论文”,页码排在
页脚居中位置。
5、文中表格均采用标准表格形式。
6、文中所列图形应有所选择,照片不得直接粘贴,须经扫描后以图片形式插入。
7、文中英文、罗马字符一般采用Times New Roman正体,按规定应采用斜体的采用斜
体。
二、论文的各组成部分与排列顺序
1.封面
(1)毕业论文题目,可分两行排列。
(2)指导教师。
(3)日期:毕业论文完成时间。
2.内容包括:摘要、目录、正文(材料,方法,结果分析与讨论或论点、论据、结论等)
(1)摘要:论文摘要的字数一般为300个左右。
内容包括研究工作目的、研究方法、所取得的结果和结论,应突出本论文的创造性成果或新见解,语言精炼。
摘要应当具有独立性,即不阅读论文的全文,就能获得论文所能提供的主要信息。
为便于文献检索,应在论文摘要后另起一行注明本文的关键词(3-5)个。
(2)目录:应是论文的提纲,也是论文组成部分的小标题。
目录一般列至二级标题,以阿拉伯数字分级标出。
(3)正文:是毕业论文的主体。
写作内容可因研究课题的性质而不同,一般包括:理论分析、计算方法、实验装置和测试方法、对实验结果或调研结果的分析与讨论,本研究方法与已有研究方法的比较等方面。
内容应简炼、重点突出,不要叙述专业方面的常识性内容。
各章节之间应密切联系,形成一个整体,不少于10000字。
(4)结论:结论应明确、简炼、完整、准确,要认真阐述自己的研究工作在本领域中的地位、作用以及自己新见解的意义。
3.参考文献
引用他人的成果必须标明出处。
所有引用过的文献,应按引用的顺序编号排列。
参考文献一律放在结论之后,不得放在各章之后。
4.致谢
致谢对象限于对课题研究、毕业论文完成等方面有较重要帮助的人员。
三、书写要求
1、语言表述
论文应层次分明、数据可靠、文字简炼、说明透彻、推理严谨、立论正确,避免使用文学性质的带感情色彩的非学术性词语。
论文中如出现非通用性的新名词、新术语、新概念,应作相应解释。
2、层次和标题
层次应清楚,标题应简明扼要,重点突出。
具体格式如下:
第一章□□□□□(一级标题,居中,单列一行)
1.1 □□□□□(二级标题,左对齐,单列一行)
1.1.1 □□□□□(三级标题,左对齐,单列一行)
其它标题或需突出的重点,可用五号黑体(或加粗),可单列一行,也可放在段首。
3、页眉和页码
从第一章开始书写页眉。
页码从第一章开始按阿拉伯数字连续编排。
第一章之前的页码用罗马数字单独编排。
4、图、表、公式等
图形要精选,要具有自明性,切忌与表及文字表述重复。
图形坐标比例不宜过大,同一图形中不同曲线的图标应采用不同的形状和不同颜色的连线。
图中术语、符号、单位等应与正文中表述一致。
图序、标题、图例说明居中置于图的下方。
表中参数应标明量和单位。
表序、标题居中置于表的上方。
表注置于表的下方。
图、表应与说明文字相配合,图形不能跨页显示,表格一般放在同一页内显示。
公式一般居中对齐,公式编号用小括号括起,右对齐,其间不加线条。
文中的图、表、公式、附注等一律用阿拉伯数字按章节(或连续)编号,如图1-1,表2-2,公式(3-10)等。
5、参考文献
参考文献可顺序编码,也可按“著者-出版年”编码。
建议根据《中国高校自然科学学报编排规范》的要求书写参考文献,并按顺序编码,即按文中引用的顺序编码。
作者姓名写至第三位,余者写“,等”或“,et al.”。
几种主要参考文献著录表的格式:
连续出版物:序号作者. 文题. 刊名,年,卷号(期号):起止页码
专(译)著:序号作者. 书名(,译者). 出版地:出版者,出版年,起~止页码
论文集:序号作者. 文题. 见(in):编者,编(eds). 文集名. 出版地:出版者,出版年,起止页码
论文:序号作者. 文题:[XX学位论文]. 授予单位所在地:授予单位,授予年专利:序号申请者. 专利名. 国名,专利文献种类,专利号,出版日期
技术标准:序号发布单位. 技术标准代号. 技术标准名称. 出版地:出版者,出版日期
附件二:封面格式
皖西学院成教院
毕业论文
题 目
专 业 年 级 学生姓名 学生学号 指导教师
年 月 日。