9.22 9月份智能化弱电工程现场施工图片和系统拓扑图
- 格式:docx
- 大小:3.01 MB
- 文档页数:22
1.施工现场平面布置图(分阶段)1.1.布置原则施工现场平面布置将根据工程现场的实际情况、业主对用地的具体要求以及各专业特点、上场顺序等进行统一规划、动态调整,其主要布置原则为:划分施工区域和场地,保证运输方便通畅,减少二次搬运;符合施工流程要求,减少对专业工种和各工程方面的干扰;施工设施便于工人施工、通行,且满足安全防火,劳动保护要求;能够适应工程开工建设、总体施工的要求,所作布置应适应自身交错施工的要求;能够确保交通顺畅、安全生产、文明施工以及环保等管理目标,方便现场管理。
根据施工现场实际情况及业主、管理公司要求,我方拟定在现场布置钢筋加工厂、木工房、临时机具堆场、现场工具房、垃圾场、现场厕所等设施,工人生活区以及现场办公区设于业主指定地点。
施工现场围墙为天蓝色彩板墙,用 L40*4 角钢支撑。
一、生产设施平面布置现场拟设置 2 处钢筋加工场、2 个仓库、2 个木工房、1 个混凝土试块标养房、厕所、垃圾点以及吸烟点(饮水点与吸烟点放在一起)等堆场。
生产设施布置在建筑物附近的空地上,尽可能缩短材料、机具等的搬运距离,减少钢筋、模板、木方等的倒运成本,提高劳动生产率。
现场厕所为水冲式厕所,地面铺设地砖,环卫部门定期清污,污水经稀释后排入市政相关管网。
为保证安全生产,在办公区、生活区、食堂以及木材堆场放置相应的灭火器,并且现在的所有临时设施都将进行加固措施以抗台风。
1.2.施工临设布置及措施一、施工准备1、现场接收与准备1.1、对施工现场接收和勘查1.1.1接收业主提供的坐标和标高控制基准点,建立本标段测量控制网。
1.1.2复核现场原地面实际标高和勘察现场场地状况。
1.1.3勘察现场现施工临水、临电情况以及现场排水情况。
1.1.4勘察现场道路、围墙、出入口的情况。
1.2、报建准备在工程开工前,应根据上海市有关规定办理相关行政报建手续,进行合法施工,以免延误工期。
我公司将派专职人员密切配合甲方人员准备好施工单位相关报建资料,与当地相关政府部门沟通,在最短时间内完成报建工作。
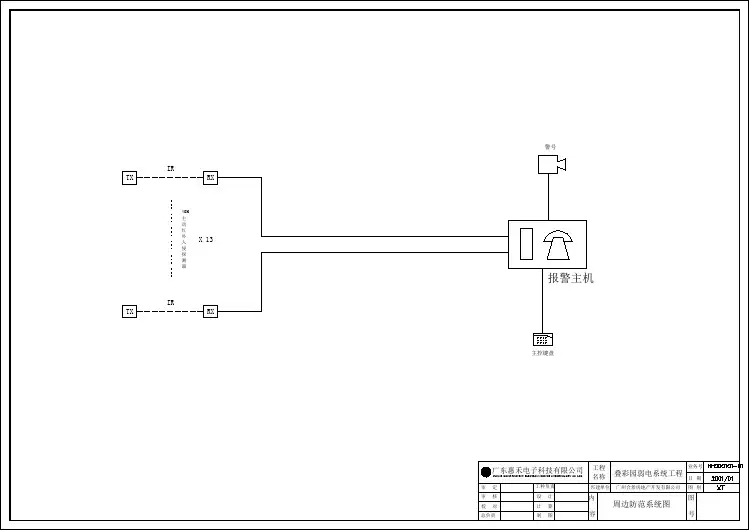
弱电系统标准规范及示意图一.周界报警系统规范说明:1.1周界安装要求1.1.1 高压电子脉冲式探测器应安装防雷装置(避雷器或浪涌保护器等),户外高压电子脉冲主机应设置防雨箱。
避雷器浪涌保护器安装方式请参考此图1.1.2 前端探测围栏必须有一个与其它接地系统完全隔离的独立的接地系统,且应与其它接地系统保持10m以上距离。
接地体应埋设在导电相对良好的地方,接地电阻不大于10Ω;如埋设在潮湿的地方的,接地电阻应不大于4Ω。
1.1.3 前端探测围栏不应有盲区,形成的警戒线应沿周界屏障封闭。
1.1.4 前端探测围栏的防区划分应有利于报警时准确定位,且长度应不大于70m。
1.1.5 每个防区的两端应安装防区终端受力杆。
1.1.6 每个防区的中间应安装防区区间受力杆,防区区间受力杆间或与防区终端受力杆间距应不大于25m。
1.1.7 防区内有拐角的地方应安装防区区间受力杆;拐角的角度小于120°时,应使用防区终端受力杆。
1.1.8 不得以金属栏杆、水管或电力、通信线路的电杆作为防区终端或区间受力杆。
1.1.9 防区内应安装支撑杆,支撑杆间距应不大于5m。
1.1.10 前端探测围栏应具有禁止人通行的警示牌,警示牌应每隔10m设置一个,并应做到昼夜可视。
1.1.11 高压电子脉冲式探测器的安装应符合消防安全要求。
1.1.12 前端探测围栏的金属导线连接处应采用压接法连接。
1.1.13 安装在受力杆和支撑杆上的绝缘子应固定牢靠。
1.2附属式安装1.2.1 附属式安装通常应采用顶置式安装;如采用侧置式安装,则前端探测围栏的最下一根金属导线高度距地面应不小于2.3m。
1.2.2 顶置式安装可以采用直立式安装,也可以采用倾斜式安装。
1.2.3 附属物的高度应在2.0m-2.8m之间。
1.2.4 前端探测围栏最上一根金属导线与附属物的间距应不小于800mm。
1.2.5 前端探测围栏最下一根金属导线与附属物的间距为120mm±10mm。
弱电工程系统拓扑图及文字介绍
数据通信系统主要为园区的运营管理(专网、内网、设备网)、园区企业的办公(Internet网)、园区的游客WIFI。
数据骨干网采用光纤传输,运营管理网、企业办公网、免费WIFI网络组成。
语音通信系统采用两种方式:1、传统模拟语音通信系统;2、IP PBX网络电话;综合布线是园区区内信息通信网络的基础传输通道和平台,能支持语音、数据、图像和多媒体等各种业务信息的传输。
安全防范系统包括视频安防监控系统、电子巡更系统、入侵报警系统、无线对讲系统、周界防护系统等;视频监控系统采用全数字系统,电子巡更系统采用RFID或者离线式巡更系统,记录园区保安的巡查信息和日查表;本系统采用车牌识别系统,进入园区的车辆通过车牌识别,记录车牌信息和进入园区停车场的信息,离开停车场时自动计费等。
常见的16种弱电系统结构图[导读]本文为大家分享常见的16种弱电系统结构图,希望对大家有所帮助。
综合布线系统构造该系统是智能大厦的基础设施,是构成智能大厦高速公路和神经网络的基础。
能否在现在或将来始终具备最先进的通讯和现代化楼宇管理水平,将取决于是否具有一套完整高质、符合国际标准的布线系统。
楼宇自控系统示意图电视监控系统原理图该系统对犯罪分子有种威慑作用,使其望而生畏不敢轻易作案,对预防犯罪相当有效。
防盗报警系统原理图该系统是在一些无人值守的部位进行周边界或定向方位保护,具有隐蔽性好、报警及时、布防撤防灵活等特点,是建立多层次防范体系、进行全方位防护的主要手段之一。
电子巡更系统原理图电子巡更系统对巡更人员的巡更路线、时间等的设置及巡更数据的分析,可以实现对巡更人员的工作监督,以确保人防与技防的结合。
可视对讲系统停车场管理系统停车场管理系统的高效优质服务已成为在拥挤的市区空间里实施交通静态管理的主要环节,因此,采用停车库管理系统不但可以适应现代化办公需求,而且较之人工管理更为安全、简便、快捷、误差率小,并且可避免现场管理者人为的不合理收费.卫星接收及电视系统它除了满足接收广播电视外,还可传输其他信号,例如用录像机和调制器自行播送文娱节目、教育节目以及VOD点播等业务。
计算机网络系统该系统主要是为工作、生活、娱乐的人们提供一个对内可共享资源,对外架起一座高速通讯的桥梁,建立与外界的网络互联环境,同时追求实现最佳的物业管理模式.通过网络的建设使人们足不出户就可以进行电子购物、网上医疗诊断、点播VOD等等,使人们真正感受到全方位信息服务的智能所在.视频会议系统该系统使人们的通信方式从单一的话音通信发展到话音、图像、视频和数据一体化的多媒体数字通信。
这样就从传统的开会方式上升到现代化的信息交流方式。
同声传译系统该系统是在使用不同国家语言的会议的场合,将发言者的语言(原语)同时由译员翻译,并传送给听众的系统。
9.22 9月份智能化弱电工程现场施工图片和系统拓扑图
前言:
每个月薛哥都会整理一些施工图片或者系统图拓扑图供一些新入行的弱电工作者学习,今天就分享一些最新的弱电各系统图拓扑图。
正文:
本次分享的施工图片和系统拓扑图都是当今最主流的解决方案,里面涵盖了森林防、三网融合,智慧社区,大数据,工业,公建,民建等项目的实战图片。
再次感谢提供图片的读者们,共建智能化弱电行业学习平台。
开始上图:
此图镇楼,这是一张神奇的图片。