公路交通工程标识标线验收表(9类)
- 格式:doc
- 大小:237.00 KB
- 文档页数:9
交通标志工程检验批质量验收记录表(可以直接使用,可编辑实用优秀文档,欢迎下载)表B.43交通标志工程检验批质量验收记录表2.7安全设施及交通标志施工2.7.1材料1.材料要求(1)立柱a.立柱所用的钢板、角钢及槽钢应符合招标文件技术规范标准。
凡钢管外径在152mm以下(含152mm)的立柱,采用普通碳素结构钢焊接钢管,并应符合《碳素结构钢》(GB/T7(X)-1988)的要求;凡钢管外径在152mm以上的立柱,采用一般常用热轧无缝钢管,并应符合《结构用无缝钢管》(GB/T8r62-1987)的规定。
b.所有标志柱应配有柱帽,柱帽可采用板厚为3rmn的钢板焊接或其它方法紧固在立柱上,或采用监理工程师批准的其他型式的柱帽。
(2)标志板(未粘贴反光膜)a.标志板应符合《公路交通标志板技术条件》(JT/T279-1995)的规定。
b.标志板采用铝合金板制造,应符合《铝及铝合金板材的尺寸及允许偏差》(GB/T3194-1998)和《铝及铝合金板材》(GB/T3880-1997)的规定;标志板背面的滑动槽钢和三角钢可采用铝合金挤压型材制成,并符合《工业用铝及铝合金热挤压型材》(GB/T6892-1986)的规定。
c.标志板面应无裂缝或其它表面缺陷;标志板边缘应整齐、光滑;标志板的外形尺寸偏差为±5mm,若外形尺寸大于1.2m2时,其偏差为其外形尺寸的±0.5%;标志板应平整,表面无明显皱纹、凹痕或变形,每平方米范围内的平整度公差不应大于1.Omm。
d.除尺寸大的指路标志外,所有标志板应由单块铝合金板或薄钢板加工制成,不允许拼接。
e.标志底板面应进行化学清洗和浸蚀或磨面处理,清除表面杂质。
当标志图案、字符是喷漆制作时,应先在标志底板面均匀涂一层磷化底漆。
f.标志板背面不应涂漆,但应采用适当的化学或物理方法,使其表面变成暗灰色和不反光。
标志板背面应无刻痕或其它缺陷。
(3)标志面标志面的逆反射材料有反光标志膜(反光膜)、反光涂料及反射器三类。
交通标志质量检查表工程名称:2014年沙井街道“5333”工程(一期)施工单位:广东长宏公路工程有限公司.1.2施工单位技术负责人:检验人:记录:年月注:检查方法参照公路工程质量检验评定标准。
路面标志质量检查表工程名称:2014年沙井街道“5333”工程(一期)施工单位:广东长宏公路工程有限公司.3.4施工单位技术负责人:检验人:记录:年月日注:检查方法参照公路工程质量检验评定标准。
波形梁钢护栏质量检查表.5工程名称:2014年沙井街道“5333”工程(一期)施工单位:广东长宏公路工程有限公司.6.7施工单位技术负责人:检验人:记录:年月日注:检查方法参照公路工程质量检验评定标准。
混凝土护栏质量检查表工程名称:2014年沙井街道“5333”工程(一期)施工单位:广东长宏公路工程有限公司.8.9施工单位技术负责人:检验人:记录:年月日注:检查方法参照公路工程质量检验评定标准。
缆索护栏质量检查表工程名称:2014年沙井街道“5333”工程(一期)施工单位:广东长宏公路工程有限公司.10.11施工单位技术负责人:检验人:记录:年月日.12注:检查方法参照公路工程质量检验评定标准。
突起路标质量检查表工程名称:2014年沙井街道“5333”工程(一期)施工单位:广东长宏公路工程有限公司.13施工单位技术负责人:检验人:记录:年月日.14注:检查方法参照公路工程质量检验评定标准。
轮廓标质量检查表云南永武高速公路至项目第合同段施工单位:监理单位:.15.16施工单位技术负责人:检验人:记录:年月日注:检查方法参照公路工程质量检验评定标准。
防眩设施质量检查表云南永武高速公路至项目第合同段施工单位:监理单位:.17.18施工单位技术负责人:检验人:记录:年月日注:检查方法参照公路工程质量检验评定标准。
隔离栅和防落网质量检查表云南永武高速公路至项目第合同段施工单位:监理单位:.19.20质量管理水平和质量保证能力施工单位技术负责人:检验人:记录:年月日注:检查方法参照公路工程质量检验评定标准。
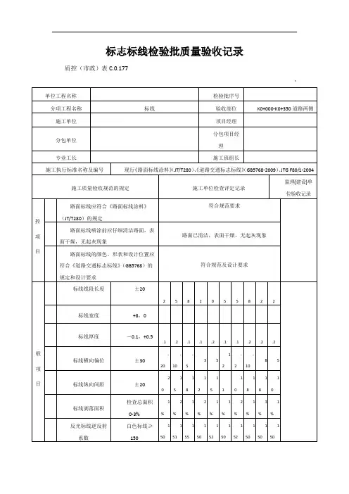
公路标线工程质量检验评定表分项工程名称: 工程部位(桩号): 基本要求 标线 所属单位工程名称: 养护施工单位: 交通安全设施工程 所属管理处: 对应验收单编号:1.标线涂料应符合《路面标线涂料》(JT/T280)的规定。
2.标线喷涂前应仔细清洁路面,表面干燥,无起灰现象。
3.标线颜色、形状和设置位置 应符合《道路交通标志和标线》(GB5768)的规定和设计要求。
规定值或允许偏 差 规定值: 1.8、4允许偏差:-0.1,+0.5实测值或实测偏差值 检查方法和频率 1 2 3 4 5 6 7质量评定 合格率(%)权 值项次检查项目得分1△热熔型标线 厚度(mm) 标线横向偏 位(mm) 标线剥落面 积 标线逆反射 系数 合计水平尺、卡尺,每处实测 1-2 个点 钢卷尺: 每处实测 1-2 个 点 4 倍放大镜:目测检查 每处实测 1-2 个点+0.2+0.21002100实测项目 2± 30 检查总面积的 0~3% 白色≥150 色≥100 黄+1+210011003无剥落现象11004△反光标线逆反射系数测 量仪: 每处实测 3-4 个点+2+21002100 100备注:各检查项目得分为其合格率×100,分项工程得分(即合计得分)=∑[检查项目得分×权值]/∑检查项目权值1.标线施工不得污染路面,每污染一处减 1 分。
2.标线线形应流畅,曲线圆滑,不允许出现折线。
不符外观鉴定合要求时,每处减 2 分。
3.反光标线玻璃珠应撒布均匀,附着牢固,不符合要求时,每处减 2 分。
4.标 线表面不应出现网状裂缝、断裂裂缝、起泡现象。
不符合要求时,每处减 1 分。
减分2管理 处意 见质量保证资料 工程质量等级评定 验收人员:产品是否有出厂合格证、检测证书、质保书等,如没有应酌情减分 评分:98 质量等级:优良减分0(备注:分项工程评分值=分项工程得分-外观缺陷减分-资料不全减分;评分值小于 75 分者为不合格,不小于 75 分者为合格) (备注:项次中带“△”标识的为关键项目,其合格率不得低于 90%,否则必须按返工处理)日期:。
10、交通标志工程检验批质量验收记录表
一、项目基本信息
项目名称交通标志工程
检验批数量X 批
施工单位XXX 公司
监理单位XXX 公司
验收日期XXXX 年 XX 月 XX 日
验收人员XXX、XXX、XXX
二、检验批编号及构成
检验批编号检验内容抽检数量(枚)合格数量(枚)不合格数量(枚)X X X X X
X X X X X
X X X X X
三、质量验收情况
1. 交通标志制作
检验批编号检验内容抽检数量(枚)合格数量(枚)不合格数量(枚)X 标志颜色X X X
X 标志字体X X X
X 标志大小X X X
X 标志材质X X X
X 标志反光度X X X
2. 交通标志安装
检验批编号检验内容抽检数量(枚)合格数量(枚)不合格数量(枚)X 安装位置X X X
X 安装高度X X X
X 安装牢固度X X X
X 安装方向X X X
X 安装数量X X X
四、质量问题记录及处理情况
1. 合格情况
本次质量验收结果为:XX 批次合格,占总批次的XX%。
2. 不合格情况
检验批编号不合格情况处理情况处理结果
X X X X
X X X X
X X X X
五、质量验收结论
本次质量验收合格率达到 XX%,符合相关标准和规定要求。
针对不合格情况,施工单位已采取措施处理,达到了整改标准,经验收人员现场确认合格。
本次验收终止。
交通标志质量检查表工程名称: 年沙井街道“ ”工程(一期) 施工单位:广东长宏公路工程有限公司施工单位技术负责人: 检验人: 记录: 年 月注:检查方法参照公路工程质量检验评定标准。
路面标志质量检查表工程名称: 年沙井街道“ ”工程(一期) 施工单位:广东长宏公路工程有限公司施工单位技术负责人: 检验人: 记录: 年 月 日注:检查方法参照公路工程质量检验评定标准。
波形梁钢护栏质量检查表工程名称: 年沙井街道“ ”工程(一期) 施工单位:广东长宏公路工程有限公司施工单位技术负责人: 检验人: 记录: 年 月 日注:检查方法参照公路工程质量检验评定标准。
混凝土护栏质量检查表工程名称: 年沙井街道“ ”工程(一期)施工单位:广东长宏公路工程有限公司施工单位技术负责人: 检验人: 记录: 年 月 日注:检查方法参照公路工程质量检验评定标准。
缆索护栏质量检查表工程名称: 年沙井街道“ ”工程(一期) 施工单位:广东长宏公路工程有限公司施工单位技术负责人: 检验人: 记录: 年 月 日注:检查方法参照公路工程质量检验评定标准。
突起路标质量检查表工程名称:年沙井街道“”工程(一期)施工单位:广东长宏公路工程有限公司施工单位技术负责人: 检验人: 记录: 年 月 日注:检查方法参照公路工程质量检验评定标准。
轮廓标质量检查表云南永武高速公路 至 项目第 合同段 施工单位: 监理单位: 施工单位技术负责人: 检验人: 记录: 年 月 日注:检查方法参照公路工程质量检验评定标准。
防眩设施质量检查表云南永武高速公路 至 项目第 合同段 施工单位: 监理单位: 施工单位技术负责人: 检验人: 记录: 年 月 日注:检查方法参照公路工程质量检验评定标准。
隔离栅和防落网质量检查表云南永武高速公路 至 项目第 合同段 施工单位: 监理单位: 施工单位技术负责人: 检验人: 记录: 年 月 日注:检查方法参照公路工程质量检验评定标准。
××××××公路
交通标志安装检查表
合同段: 起讫桩号: 第页共页交施1表
××××××公路
路面标线检查表
合同段: 起讫桩号: 第页共页交施2表
××××××公路
波形梁钢护栏检查表
合同段: 起讫桩号: 第页共页交施3表
包茂高速铜川至黄陵高速公路
混凝土护栏检查表
合同段: 起讫桩号: 第页共页交施4表
××××××公路
缆索护栏检查表
合同段: 起讫桩号: 第页共页交施5表
××××××公路
突起路标检查表
合同段: 起讫桩号: 第页共页交施6表
××××××公路
轮廓标检查表
合同段: 起讫桩号: 第页共页交施7表
××××××公路
防眩设施检查表
合同段: 起讫桩号: 第页共页交施8表
××××××公路
隔离栅和防落网检查表
合同段: 起讫桩号: 第页共页交施9表。