实验五 直梁弯曲实验 实验报告
- 格式:doc
- 大小:3.23 MB
- 文档页数:7
直梁弯曲实验报告实验报告:直梁弯曲实验一、实验目的本实验旨在探究直梁在受力情况下的变形规律和力学原理,以及通过实验得到实际模拟值并与计算模型进行对比分析。
二、实验原理直梁是一种常见的重要力学基础结构,其受力性质和变形特性在实际工程应用中起到至关重要的作用。
本实验将探究直梁在不同受力情况下的变形规律,以及根据材料力学理论计算出的横向变形量来验证实验模拟值的准确性。
三、实验器材1. 直梁2. 弯曲装置3. 传感器4. 计算机5. 数据采集设备四、实验步骤1. 准备实验器材和设备,根据实验原理和实验要求进行相关设置。
2. 安装传感器并启动数据采集设备。
3. 进行不同力度的弯曲实验,记录传感器输出值。
4. 按照材料力学理论计算出横向变形量,并与实验模拟值进行比较。
5. 对比分析实验结果和计算模型,得出结论。
五、实验数据处理及分析1. 实验结果记录如下表所示:实验编号施力情况(N)传感器输出值(N)横向变形量(mm)实验模拟值(mm)1 100 90 0.2 0.252 200 190 0.4 0.453 300 290 0.7 0.754 400 390 0.9 0.955 500 480 1.3 1.42. 根据以上实验结果和材料力学理论计算出的横向变形量,我们可以发现实验模拟值和计算模型的误差在0.1mm以内,说明本实验的结果具有一定的准确性和可信度。
六、结论通过直梁弯曲实验,我们得出了直梁在不同受力情况下的变形规律和力学性质,同时也通过实验得到了实际模拟值并与计算模型进行对比分析。
最终得出结论,实验结果具有一定的准确性和可信度。
七、参考文献1. 材料力学,吴辰等著,高等教育出版社,2018年2. 摩擦学,李辉等著,机械工业出版社,2019年。
直梁纯弯曲电测实验试验报告直梁纯弯曲电测实验试验报告邵阳学院实验报告实验项目:直梁纯弯曲电测实验实验日期实验地点成绩学院班级学生姓名同组成员指导老师学生学号一、实验内容和目的:、1、测定直梁纯弯曲时横截面上正应力大小和分布规律;2、验证纯弯曲梁的正应力计算工式;3、掌握电测法原理和电阻应变仪的使用方法。
二、实验设备(规格、型号)三、实验记录及数据处理表1.试件相关数据应变片到中性层距离(mm)y1y2y3y4y5表2.实验数据记录载荷NPΔP各测点电1ε1Δε1平均值-20-1001020梁的尺寸和有关数据宽度b=mm高度h=mm跨度L=mm载荷距离a=mm弹性模量E=GPa泊松比υ=惯性矩IZ=bh3/12=m阻应变仪数με2ε2Δε2平均值3ε3Δε3平均值4ε4Δε4平均值5ε5Δε5平均值四、实验结果计算与分析1、画出应变布示意图2、实验计算根据测得的各点应变值ε1求出应变增量平均值Δε1,代入胡克定律计算各点的实验应力值,因1με=10-6ε,所以各点实验应变力为σi实=Ε×Δεi×10-63、理论值计算载荷增量为ΔP,弯曲增量ΔM=ΔPa/2,故各点应力的理论值为:σi 理=(ΔMYi)/Iz4、实验值与理论值的比较测点12345σi实(MPa)σi理(MPa)相对误差(%)5、绘制实验应力值和理论力值的分布图分别认横坐标表示各测点的应力σi实和σi理,以坐标轴表示各点测距梁中性层位置Yi,选用合适的比例绘出应力分布图。
扩展阅读:弯曲试验报告中国水利水电第五工程局有限公司中心试验室焊接检测报告第一页共一页编号采用标准委托单位工程名称工程部位试验日期试验委托人出厂编号委托检测项目弯曲试验试件编号Ws-PGF-P8(δ1.5)-D-029-1Ws-PGF-P8(δ1.5)-D-029-2Ws-PGF-P8(δ1.5)-D-055-1Ws-PGF-P8(δ1.5)-D-055-2Ws-PGF-P8(δ1.5)-D-077-1Ws-PGF-P8(δ1.5)-D-077-2Ws-PGF-P8(δ1.5)-D-001-1Ws-PGF-P8(δ1.5)-D-001-2Ws-PGF-P8(δ1.5)-D-041-1Ws-PGF-P8(δ1.5)-D-041-2备注批准报告日期202*-3-7GB/T2653记录代号产品名称SWZJ-26-215不锈钢焊接试板水电五局有限公司机电制造安装分局焊工考试试板---------202*-3-7段虎-----试验编号委托日期来样数量焊接接头弯曲试验202*-3-7-1~5202*-4-195组试件厚度1.51.51.51.51.51.51.51.51.51.5试件宽度30303030303030303030面弯Hege/背弯/Hege发现缺陷情况----------F02----------F03----------F04----------F05----------试件弯曲角度为180°审核主检中国水利水电第五工程局有限公司中心试验室焊接检测报告第一页共一页编号采用标准委托单位工程名称工程部位试验日期试验委托人出厂编号委托检测项目弯曲试验试件编号Ws-PGF-P8(δ1.5)-D-020-1Ws-PGF-P8(δ1.5)-D-020-2Ws-PGF-P8(δ1.5)-D-057-1Ws-PGF-P8(δ1.5)-D-057-2Ws-PGF-P8(δ1.5)-D-028-1Ws-PGF-P8(δ1.5)-D-028-2Ws-PGF-P8(δ1.5)-D-070-1Ws-PGF-P8(δ1.5)-D-070-2Ws-PGF-P8(δ1.5)-D-061-1Ws-PGF-P8(δ1.5)-D-061-2备注批准报告日期202*-3-7GB/T2653记录代号产品名称SWZJ-26-215不锈钢焊接试板水电五局有限公司机电制造安装分局焊工考试试板---------202*-3-7段虎-----试验编号委托日期来样数量焊接接头弯曲试验202*-3-7-1~5202*-4-195组试件厚度1.51.51.51.51.51.51.51.51.51.5试件宽度30303030303030303030面弯背弯合格合格合格合格合格合格合格合格合格合格发现缺陷情况F06----------F7----------F8----------F9----------F10----------试件弯曲角度为180°审核主检中国水利水电第五工程局有限公司中心试验室焊接检测报告第一页共一页编号采用标准委托单位工程名称工程部位试验日期试验委托人出厂编号委托检测项目弯曲试验试件编号Ws-PGH-P8(δ1.5)-D-036-1Ws-PGH-P8(δ1.5)-D-036-2Ws-PGH-P8(δ1.5)-D-018-1Ws-PGH-P8(δ1.5)-D-018-2Ws-PGH-P8(δ1.5)-D-053-1Ws-PGH-P8(δ1.5)-D-053-2Ws-PGH-P8(δ1.5)-D-034-1Ws-PGH-P8(δ1.5)-D-034-2Ws-PGH-P8(δ1.5)-D-069-1Ws-PGH-P8(δ1.5)-D-069-2备注批准报告日期202*-3-7GB/T2653记录代号产品名称SWZJ-26-215不锈钢焊接试板水电五局有限公司机电制造安装分局焊工考试试板---------202*-3-7段虎-----试验编号委托日期来样数量焊接接头弯曲试验202*-3-7-1~5202*-4-195组试件厚度1.51.51.51.51.51.51.51.51.51.5试件宽度30303030303030303030面弯背弯发现缺陷情况H11----------H12----------H13----------H14----------H15----------试件弯曲角度为180°审核主检中国水利水电第五工程局有限公司中心试验室焊接检测报告第一页共一页编号采用标准委托单位工程名称工程部位试验日期试验委托人出厂编号委托检测项目弯曲试验试件编号Ws-PGH-P8(δ1.5)-D-060-1Ws-PGH-P8(δ1.5)-D-060-2Ws-PGH-P8(δ1.5)-D-075-1Ws-PGH-P8(δ1.5)-D-075-2Ws-PGH-P8(δ1.5)-D-024-1Ws-PGH-P8(δ1.5)-D-024-2Ws-PGH-P8(δ1.5)-D-017-1Ws-PGH-P8(δ1.5)-D-017-2Ws-PGH-P8(δ1.5)-D-049-1Ws-PGH-P8(δ1.5)-D-049-2备注批准报告日期202*-3-7GB/T2653记录代号产品名称SWZJ-26-215不锈钢焊接试板水电五局有限公司机电制造安装分局焊工考试试板---------202*-3-7段虎-----试验编号委托日期来样数量焊接接头弯曲试验202*-3-7-1~5202*-4-195组试件厚度1.51.51.51.51.51.51.51.51.51.5试件宽度30303030303030303030面弯背弯发现缺陷情况H16----------H17----------H18----------H19----------H20----------试件弯曲角度为180°审核主检中国水利水电第五工程局有限公司中心试验室焊接检测报告第一页共一页编号采用标准委托单位工程名称工程部位试验日期试验委托人出厂编号委托检测项目弯曲试验试件编号Ws-PGV-P8(δ1.5)-D-079-1Ws-PGV-P8(δ1.5)-D-079-2Ws-PGV-P8(δ1.5)-D-047-1Ws-PGV-P8(δ1.5)-D-047-2Ws-PGV-P8(δ1.5)-D-022-1Ws-PGV-P8(δ1.5)-D-022-2Ws-PGV-P8(δ1.5)-D-142-1Ws-PGV-P8(δ1.5)-D-142-2Ws-PGV-P8(δ1.5)-D-040-1Ws-PGV-P8(δ1.5)-D-040-2备注批准报告日期202*-3-7GB/T2653记录代号产品名称SWZJ-26-215不锈钢焊接试板水电五局有限公司机电制造安装分局焊工考试试板---------202*-3-7段虎-----试验编号委托日期来样数量焊接接头弯曲试验202*-3-7-1~5202*-4-195组试件厚度1.51.51.51.51.51.51.51.51.51.5试件宽度30303030303030303030面弯背弯发现缺陷情况V21----------V22----------V23----------V24----------V25----------试件弯曲角度为180°审核主检中国水利水电第五工程局有限公司中心试验室焊接检测报告第一页共一页编号采用标准委托单位工程名称工程部位试验日期试验委托人出厂编号委托检测项目弯曲试验试件编号Ws-PGV-P8(δ1.5)-D-156-1Ws-PGV-P8(δ1.5)-D-156-2Ws-PGV-P8(δ1.5)-D-163-1Ws-PGV-P8(δ1.5)-D-163-2Ws-PGV-P8(δ1.5)-D-164-1Ws-PGV-P8(δ1.5)-D-164-2Ws-PGV-P8(δ1.5)-D-173-1Ws-PGV-P8(δ1.5)-D-173-2Ws-PGV-P8(δ1.5)-D-176-1Ws-PGV-P8(δ1.5)-D-176-2备注批准报告日期202*-3-7GB/T2653记录代号产品名称SWZJ-26-215不锈钢焊接试板水电五局有限公司机电制造安装分局焊工考试试板---------202*-3-7段虎-----试验编号委托日期来样数量焊接接头弯曲试验202*-3-7-1~5202*-4-195组试件厚度1.51.51.51.51.51.51.51.51.51.5试件宽度30303030303030303030面弯背弯发现缺陷情况V26----------V27----------V28----------V29----------V30----------试件弯曲角度为180°审核主检中国水利水电第五工程局有限公司中心试验室焊接检测报告第一页共一页编号采用标准委托单位工程名称工程部位试验日期试验委托人出厂编号委托检测项目弯曲试验试件编号Ws-PGO-P8(δ1.5)-D-178-1Ws-PGO-P8(δ1.5)-D-178-2Ws-PGO-P8(δ1.5)-D-180-1Ws-PGO-P8(δ1.5)-D-180-2Ws-PGO-P8(δ1.5)-D-191-1Ws-PGO-P8(δ1.5)-D-191-2Ws-PGO-P8(δ1.5)-D-080-1Ws-PGO-P8(δ1.5)-D-080-2Ws-PGO-P8(δ1.5)-D-227-1Ws-PGO-P8(δ1.5)-D-227-2备注批准报告日期202*-3-7GB/T2653记录代号产品名称SWZJ-26-215不锈钢焊接试板水电五局有限公司机电制造安装分局焊工考试试板---------202*-3-7段虎-----试验编号委托日期来样数量焊接接头弯曲试验202*-3-7-1~5202*-4-195组试件厚度1.51.51.51.51.51.51.51.51.51.5试件宽度30303030303030303030面弯背弯发现缺陷情况031----------O32----------O33----------034----------O35----------试件弯曲角度为180°审核主检中国水利水电第五工程局有限公司中心试验室焊接检测报告第一页共一页编号采用标准委托单位工程名称工程部位试验日期试验委托人出厂编号委托检测项目弯曲试验试件编号Ws-PGO-P8(δ1.5)-D-056-1Ws-PGO-P8(δ1.5)-D-056-2Ws-PGO-P8(δ1.5)-D-228-1Ws-PGO-P8(δ1.5)-D-228-2Ws-PGO-P8(δ1.5)-D-229-1Ws-PGO-P8(δ1.5)-D-229-2Ws-PGO-P8(δ1.5)-D-230-1Ws-PGO-P8(δ1.5)-D-230-2Ws-PGO-P8(δ1.5)-D-008-1Ws-PGO-P8(δ1.5)-D-008-2备注批准报告日期202*-3-7GB/T2653记录代号产品名称SWZJ-26-215不锈钢焊接试板水电五局有限公司机电制造安装分局焊工考试试板---------202*-3-7段虎-----试验编号委托日期来样数量焊接接头弯曲试验202*-3-7-1~5202*-4-195组试件厚度1.51.51.51.51.51.51.51.51.51.5试件宽度30303030303030303030面弯背弯发现缺陷情况O36----------O37----------O38----------O39----------O40----------试件弯曲角度为180°审核主检中国水利水电第五工程局有限公司中心试验室焊接检测报告第一页共一页编号采用标准委托单位工程名称工程部位试验日期试验委托人出厂编号委托检测项目弯曲试验试件编号Ws-PGO-P8(δ1.5)-D-130-1Ws-PGO-P8(δ1.5)-D-130-2Ws-PGO-P8(δ1.5)-D-231-1Ws-PGO-P8(δ1.5)-D-231-2Ws-PGO-P8(δ1.5)-D-078-1Ws-PGO-P8(δ1.5)-D-078-2备注批准报告日期202*-3-7GB/T2653记录代号产品名称SWZJ-26-215不锈钢焊接试板水电五局有限公司机电制造安装分局焊工考试试板---------202*-3-7段虎-----试验编号委托日期来样数量焊接接头弯曲试验202*-3-7-1~5202*-4-193组试件厚度1.51.51.51.51.51.5试件宽度303030303030面弯背弯发现缺陷情况O41----------O42----------------------------------------试件弯曲角度为180°审核主检友情提示:本文中关于《直梁纯弯曲电测实验试验报告》给出的范例仅供您参考拓展思维使用,直梁纯弯曲电测实验试验报告:该篇文章建议您自主创作。
实验五 弯曲试验一、概述梁弯曲理论的发展,一直与试验有着密切的联系。
本实验是要测定矩形截面梁纯弯曲时横截面上正应力的分布规律。
拉伸、压缩等实验是对材料力学性能的测定,而这个实验则是应力测试分析,也是对理论公式作一验证。
二、实验目的1、测定矩形截面简支梁在纯弯曲时横截面上正应力的分布,以验证弯曲正应力公式z I My=σ。
2、学习电测法的基本原理,及电阻应变仪的操作方法。
三、实验设备本次试验使用的设备是XL3416纯弯曲梁实验台。
图2-1是其结构原理图。
图2-1 XL3416实验台外形结构图1、 实验梁2、支脚3、手轮4、箱体5、蜗杆升降装置6、传感器7、拉杆8、压头 9、承重梁 10、底座 11、脚轮 12、应力和应变仪 13、支柱。
1.加载原理加载机构为内置式,采用蜗轮蜗杆对试件进行加载。
2.工作机理实验台采用蜗杆和螺旋复合加载机构,通过传感器及过渡加载附件对试件进行施力加载,加载力大小经拉压力传感器由力和应变综合参数测试仪的测力部分测出所施加的力值;各试件的受力变形,通过力和应变综合参数测试仪的测试应变部分显示出来。
一、操作步骤1. 将所作实验的试件通过有关附件连接到架体相应位置,连接拉压力传感器和加载件到加载机构上去。
传感器2. 连接传感器电缆线到仪器传感器输入插座,连接应变片导线到仪器的各个通道接口上去。
1、2、两项由指导老师完成。
3. 打开仪器电源,预热约20分钟左右,输入传感器量程及灵敏度和应变片灵敏系数(一般首次使用时已调好,如实验项目及传感器没有改变,可不必重新设置),在不加载的情况下将测力量和应变量调至零。
4. 在初始值以上对各试件进行分级加载,转动手轮速度要均匀,记下各级力值和试件产生的应变值进行计算、分析和验证,如已与微机连接,则全部数据可由计算机进行简单的分析并打印。
二、注意事项1. 各项实验不得超过规定的终载最大拉、压力。
2. 加载机构作用行程为50mm ,手轮转动快到行程末端时应缓慢转动,以免撞坏有关定位件。
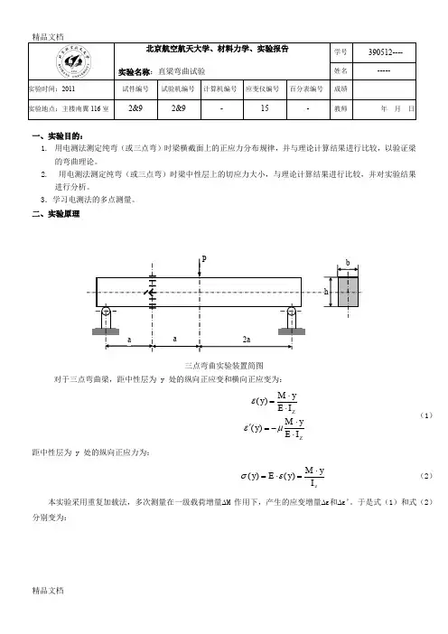
北京航空航天大学、材料力学、实验报告实验名称:直梁弯曲试验学号 390512---- 姓名 ----- 实验时间:2011试件编号试验机编号 计算机编号 应变仪编号百分表编号成绩实验地点:主楼南翼116室2&9 2&9 - 15 -教师年 月 日一、实验目的:1. 用电测法测定纯弯(或三点弯)时梁横截面上的正应力分布规律,并与理论计算结果进行比较,以验证梁的弯曲理论。
2. 用电测法测定纯弯(或三点弯)时梁中性层上的切应力大小,与理论计算结果进行比较,并对实验结果进行分析。
3.学习电测法的多点测量。
二、实验原理三点弯曲实验装置简图对于三点弯曲梁,距中性层为 y 处的纵向正应变和横向正应变为:()()ZZM y y E I M yy E I εεμ⋅=⋅⋅'=-⋅ (1)距中性层为 y 处的纵向正应力为:()()zM yy E y I σε⋅=⋅=(2) 本实验采用重复加载法,多次测量在一级载荷增量∆M 作用下,产生的应变增量∆ε和∆ε’。
于是式(1)和式(2)分别变为:a a2aPbh()()()ZZZM y y E I M yy E I M y y I εεμσ∆⋅∆=⋅∆⋅'∆=-⋅∆⋅∆=(3) (4)在本实验中,/2M P a ∆=∆⋅ (5)最后,取多次测量的平均值作为实验结果:111()()()()()()Nnn Nnn Nnn y y Ny y Ny y Nεεεεσσ===∆∆='∆'∆=∆∆=∑∑∑ (6)在梁的中性层处,切应力的理论计算公式为:32SF bhτ=(7) 由于在纯剪切应力状态下,有:0452γε=- (8)因此在实验时,通过测量中性层处450方向的正应变,即可得到中性层处的切应变,进一步由剪切胡克定律计算中性处的切应力,与理论值进行比较。
实验采用重复加载法,实验结果处理参照式(3)~(6)。
三、实验步骤1. 设计实验所需各类数据表格; 2. 拟定加载方案;3. 试验机准备、试件安装和仪器调整; 4. 确定组桥方式、接线、设置应变仪参数; 5. 检查及试车;检查以上步骤完成情况,然后预加一定载荷,再卸载,以检查试验机和应 变仪是否处于正常状态。
直梁弯曲正应力实验报告1. 背景直梁是一种常见的结构元件,广泛应用于建筑、桥梁、机械等领域。
在实际使用中,直梁会受到外部载荷的作用而产生弯曲变形。
为了保证直梁的安全可靠性,需要对其弯曲变形情况进行分析研究。
本实验旨在通过测量直梁上不同位置的正应力分布,探究直梁在弯曲过程中正应力的变化规律。
2. 实验目的•理解直梁受弯曲作用时产生的正应力分布规律;•掌握测量和分析直梁上不同位置的正应力方法;•分析并总结直梁弯曲过程中正应力变化规律。
3. 实验设备和材料•直梁:长约1m,宽约5cm,高约1cm;•弯曲装置:用于施加外部载荷使直梁发生弯曲;•应变计:用于测量直梁上不同位置处的应变值。
4. 实验步骤4.1 实验准备•将直梁固定在弯曲装置上,并调整装置,使直梁处于自由悬空状态;•确保应变计与直梁表面充分接触,并校准应变计。
4.2 弯曲实验•施加逐渐增加的外部载荷,使直梁发生弯曲;•同时记录不同外部载荷下直梁上各位置处的应变值。
4.3 数据处理•根据应变计测得的应变值,计算出各位置处的正应力;•绘制正应力与位置的关系曲线。
5. 实验结果分析通过实验测量得到的正应力与位置的关系曲线如下图所示:从图中可以看出,随着外部载荷的增加,直梁上不同位置处的正应力呈现出不同的变化规律。
在弯曲中心附近,正应力较大;而在距离中心较远的位置,正应力逐渐减小。
进一步分析发现,在弯曲中心附近,由于受到较大弯矩作用,直梁产生了较大的拉伸应力。
而在离中心较远的位置,由于受到较小弯矩作用,直梁的拉伸应力逐渐减小。
6. 结论通过本次实验,我们得出以下结论:•直梁在受到外部载荷作用时会发生弯曲变形;•弯曲中心附近的直梁产生较大的正应力;•距离中心较远的位置处的直梁正应力逐渐减小。
7. 建议根据实验结果,我们提出以下建议:•在设计直梁结构时,应合理考虑弯曲中心附近的正应力,并采取相应措施加强该区域的抗拉能力;•对于距离中心较远的位置,可以适当减小材料厚度以降低材料成本。
直梁弯曲实验报告直梁弯曲实验报告引言:直梁弯曲实验是力学实验中的一种基础实验,通过对直梁在外力作用下的变形情况进行观察和测量,可以研究材料的力学性质和结构的稳定性。
本实验旨在通过对直梁弯曲实验的设计和实施,探究直梁的弯曲变形规律,从而深入了解材料的力学性质。
实验设计:本次实验采用了一根长度为L的直梁,材料为均匀的钢材。
实验中,我们将直梁固定在两个支点上,然后在梁的中间位置施加一个向下的力F。
通过改变施加力的大小和梁的长度,我们可以观察到直梁的变形情况,并记录相应的数据。
实验步骤:1. 准备工作:将直梁清洁干净,并测量直梁的长度L。
2. 固定直梁:将直梁的两端分别固定在两个支点上,确保直梁处于水平放置的状态。
3. 施加力:在直梁的中间位置施加一个向下的力F,注意控制力的大小和方向。
4. 观察变形:通过肉眼观察和测量工具,记录直梁在受力后的变形情况,包括梁的挠度、变形形状等。
5. 数据记录:将观察到的数据记录下来,并进行整理和分析。
实验结果:根据实验数据的记录和整理,我们得到了直梁在受力后的变形情况。
通过观察和分析,我们发现直梁的挠度与施加力的大小成正比,与梁的长度L的平方成反比。
这表明直梁的弯曲变形与施加力和梁的长度有密切关系。
讨论与分析:通过对直梁弯曲实验的观察和数据分析,我们可以得到一些有关材料力学性质的结论。
首先,弯曲变形是材料受力后的一种常见变形形式,可以用来评估材料的强度和刚度。
其次,直梁的弯曲变形与施加力和梁的长度有密切关系,这与材料的弹性模量和截面惯性矩有关。
最后,通过对直梁的弯曲变形进行观察和测量,可以进一步研究材料的力学性质和结构的稳定性。
结论:通过本次直梁弯曲实验,我们深入了解了材料的力学性质和结构的稳定性。
通过观察和测量直梁在受力后的变形情况,我们发现直梁的挠度与施加力的大小成正比,与梁的长度L的平方成反比。
这些结论对于研究材料的力学性质和设计结构的稳定性具有重要意义。
展望:本次实验只是直梁弯曲实验的基础研究,还有很多相关的实验和研究可以展开。
实验五叠(组)合梁弯曲地应力分析实验一、实验目地和要求1.进一步掌握电测法地基本原理,及应变仪地操作与使用.2.测定叠梁在纯弯曲时,梁高度各点正应力地大小及分布规律,并与理论值作比较.3.通过实验测定和理论分析,了解两种不同组合梁地内力及应力分布地差别.4.学习多点测量技术.二、实验设备和仪器微机控制电子万能试验机,静态应变仪,游标卡尺等.三、实验原理和方法在实际结构中,由于工作需要,把单一地梁、板、柱等构件组合起来,形成另一种新地构件形式经常被采用.如支承车架地板簧,是由多片微弯地钢板重叠组合而成;厂房地吊车地承重梁则是由钢轨、钢筋混凝土梁共同承担吊车和重物地重量.实际中地组合梁地工作状态是复杂多样地,为了便于在实验室进行实验,实验仅选择两根截面积相同地矩形梁,按以下方式进行组合:(1)用相同材料组成地叠梁;(2)楔块梁.用电测法测定其应力分布规律,观察两种形式组合梁与单一材料梁应力分布地异同点.叠梁在横向力作用下,若上、下梁地弯矩分别为M1和M2,由平衡条件可知,M 1+ M 2 =M若变形后,每根梁中性层地曲率半径分别为ρ1,ρ2,且有22112h h ++=ρρ则由梁地平面弯曲地曲率方程可知:11111I E M =ρ ,22221I E M =ρ式中E 1I 1和E 2I 2分别是上、下梁地抗弯刚度.在小变形情况下(忽略上、下梁之间地摩擦,两者地变形可认为一致),它们地曲率半径远远大于梁地高度,因此可以认为12ρρ=,故有222111I E M I E M =(1) 当叠合梁材质和几何尺寸相同,即E 1=E 2,I 1=I 2,有2211I E I E =,21M M =当叠合梁分别为钢和铝时,且钢材与铝材地弹性模量分别为E l =2.07×105Mpa ,E 2=0.69×105MPa ,即E l =3E 2,同时I 1=I 2=I时,则有2221213I E M I E M =, 213M M =由此可知,当叠合梁地材质和惯性矩相同时,弯矩是由参与叠合梁地根数进行等分配地;当材料不同时,其弯矩是依据抗弯刚度来进行分配地.因此,材质不同地两根梁组成地叠合梁(惯性矩相等),在离各自中性层等距离点地应力是不等地.弹性模量大地材质应力较大,反之,弹性模量小地材质,应力较小.本实验采用钢—钢叠合梁和钢—钢材料组成地楔梁(在试样地两端,在两根梁地接合面上各加一个楔块)以及整梁.材料地弹性模量E 相等,所有单根梁地截面几何尺寸相等.图7-1l 一纯弯曲压头;2一上梁;3--T 梁;4一弯曲台实验时,在梁地纯弯曲段间某一截面沿高度布置8枚电阻片(见图7—1),测定各测点地正应力,其中任一点地正应力值为i i E εσ=式中i σ——叠合梁i 点地实测应变;E ——叠合梁材料地弹性模量.实验过程中,在弹性极限内仍采用分段等间距加载地方法,即在每施加载荷增量i F ∆,测定对应地应变增量i ε∆,从而得到各测点地实测应力值为i i E εσ∆=∆各测点地理论值IMy ii ∆=∆σ式中i ε∆——第i 测点应变增量地平均值;i y ——第i 测点到每根叠梁各自中性层Z i 地距离.四、实验步骤1.测量叠梁、整梁地尺寸:高度h 和宽度b ,支座与压头支点间距离,测量各电阻片位置到中性层地距离;2.将叠梁安装在试验机地弯曲台上;3.进入POWERTEST3.0软件,确定加载方案,逐级加载测读i ε∆; 4.采用单片测量地接线方法,即AB 桥臂接工作片,BC 桥臂接温度补偿片(另两臂为仪器内地标准电阻),接好线后打开电阻应变仪电源开关,调平仪器,待仪器稳定后,开始正式测读;5.完成一种组合梁(例如钢—钢组合梁)测试后,更换另一种组合梁(整梁)重复步骤1~5进行测试.6.完成全部实验,经教师检查合格后,清理实验现场,关闭电源.五、思考题1.分析整梁(矩形截面H=2h,B=b),同种材料叠梁,在相同支撑和加载条件下承载能力地大小.2.上述二种梁地应力沿截面高度是怎样分布地,画出应力沿梁高度地分布规律.3.整梁地应力分布有什么特点,它与叠梁有何不同,内力性质有何变化?4.根据测试结果如何判断各种梁是否有轴向力作用及轴向力产生地原因.版权申明本文部分内容,包括文字、图片、以及设计等在网上搜集整理.版权为个人所有This article includes some parts, including text, pictures, and design. Copyright is personal ownership.Zzz6Z。
用电测法测定纯弯(或三点弯)时梁横截面上的正应力分布规律,并与理论计算结果进行比较,以验证梁的弯曲理论。
一、实验目的:北京航空航天大学、材料力学、实验报告实验名称:直梁弯曲试验学号390512----姓名-----实验时间:2011试件编号试验机编号计算机编号应变仪编号百分表编号成绩实验地点:主楼南翼116室2&92&9 - 15 -教师年 月 日1.比较,并对实验结果进行分析。
3.学习电测法的多点测量。
二、实验原理三点弯曲实验装置简图a a2aPbh对于三点弯曲梁,距中性层为 y 处的纵向正应变和横向正应变为:()()ZZM y y E I M yy E I εεμ⋅=⋅⋅'=-⋅ (1)距中性层为 y 处的纵向正应力为:()()zM yy E y I σε⋅=⋅=(2) 本实验采用重复加载法,多次测量在一级载荷增量M 作用下,产生的应变增量和’。
于是式(1)和式(2)分别变为:()()()ZZZM yy E I M yy E I M y y I εεμσ∆⋅∆=⋅∆⋅'∆=-⋅∆⋅∆=(3) (4)在本实验中,/2M P a ∆=∆⋅ (5)最后,取多次测量的平均值作为实验结果:111()()()()()()Nnn Nnn Nnn y y Ny y Ny y Nεεεεσσ===∆∆='∆'∆=∆∆=∑∑∑ (6)在梁的中性层处,切应力的理论计算公式为:32SF bhτ=(7) 由于在纯剪切应力状态下,有:452γε=- (8)因此在实验时,通过测量中性层处450方向的正应变,即可得到中性层处的切应变,进一步由剪切胡克定律计算中性处的切应力,与理论值进行比较。
实验采用重复加载法,实验结果处理参照式(3)~(6)。
三、实验步骤1. 设计实验所需各类数据表格; 2. 拟定加载方案;3. 试验机准备、试件安装和仪器调整; 4. 确定组桥方式、接线、设置应变仪参数; 5. 检查及试车;检查以上步骤完成情况,然后预加一定载荷,再卸载,以检查试验机和应 变仪是否处于正常状态。
实验五直梁弯曲实验实验报告实验五直梁弯曲实验⼀、实验⽬的:1. ⽤电测法测定纯弯时梁横截⾯上的正应变分布规律,并与理论计算结果进⾏⽐较。
2. ⽤电测法测定三点弯梁某⼀横截⾯上的正应变分布与最⼤切应变,并与理论计算结果进⾏⽐较。
3.学习电测法的多点测量。
⼆、实验设备:1. 微机控制电⼦万能试验机;2. 电阻应变仪;三、实验试件:本实验所⽤试件为两种梁:⼀种为实⼼中碳钢矩形截⾯梁,其横截⾯设计尺⼨为h ×b =(50×28)mm 2 ;另⼀种为空⼼中碳钢矩形截⾯梁,其横截⾯设计尺⼨为h ×b =(50×30)mm 2,壁厚t=2mm 。
材料的屈服极限MPa s 360=σ,弹性模量E=210GPa ,泊松⽐µ=0.28。
实验时间:2010年12图⼀实验装置图(纯弯曲)图⼆实验装置图(三点弯)四.实验原理及⽅法:在⽐例极限内,根据平⾯假设和单向受⼒假设,梁横截⾯上的正应变为线性分布,距中性层为 y 处的纵向正应变和横向正应变为:()()Z ZM y y E I M y y E I εεµ='=-? (1)距中性层为 y 处的纵向正应⼒为:()()zM yy E y I ?=?=σε(2)对于三点弯梁,梁横截⾯上还存在弯曲切应⼒:()()S z z F S y I ωτδ=(3)并且,在梁的中性层上存在最⼤弯曲切应⼒,对于实⼼矩形截⾯梁:max 32SF A=τ(4)对于空⼼矩形截⾯梁:22max [((2)(2)]16Sz F bh b t h t I t=---τ(5)由于在梁的中性层处,微体受纯剪切受⼒状态,因此有:maxmax Gτγ=(6)实验时,可根据中性层处045±⽅向的正应变测得最⼤切应变:45454545max 22)(εεεεγ-==-=-- (7)本实验采⽤重复加载法,多次测量在⼀级载荷增量?M 作⽤下,产⽣的应变增量?ε、?ε’和图三纯弯梁受⼒简图(a=90mm )图四三点弯梁受⼒简图(a=90mm )max γ?。
梁的弯曲正应力实验报告总结梁的弯曲正应力实验是力学实验中的一项重要实验,通过该实验可以了解梁的弯曲变形规律和弯曲正应力的计算方法。
本文将对梁的弯曲正应力实验进行总结。
一、实验原理梁的弯曲正应力实验是通过在梁上施加一定的弯曲力,使梁发生弯曲变形,然后通过测量梁的变形量和力的大小,计算出梁的弯曲正应力。
梁的弯曲正应力可以用公式σ=M*y/I来计算,其中M为弯矩,y为梁上某一点到中性轴的距离,I为梁的截面惯性矩。
二、实验步骤1. 准备工作:将实验室内的环境调整到稳定状态,准备好实验所需的仪器和材料。
2. 实验装置:将梁放置在实验台上,将弯曲力施加在梁的一端,另一端固定在实验台上。
3. 测量变形量:通过测量梁的变形量,确定梁上某一点到中性轴的距离y。
4. 测量力的大小:通过测量施加在梁上的力的大小,确定弯矩M。
5. 计算弯曲正应力:根据公式σ=M*y/I,计算出梁的弯曲正应力。
三、实验结果通过实验,我们得到了梁的弯曲正应力的计算结果。
在实验中,我们可以通过改变施加在梁上的力的大小和位置,来观察梁的弯曲变形规律和弯曲正应力的变化情况。
实验结果表明,梁的弯曲正应力与施加在梁上的力成正比,与梁的截面惯性矩成反比。
四、实验分析通过梁的弯曲正应力实验,我们可以了解到梁的弯曲变形规律和弯曲正应力的计算方法。
在实际工程中,梁的弯曲正应力是一个非常重要的参数,它可以用来评估梁的强度和稳定性。
因此,对于工程师和设计师来说,了解梁的弯曲正应力的计算方法是非常必要的。
五、实验结论通过本次梁的弯曲正应力实验,我们得到了梁的弯曲正应力的计算结果。
实验结果表明,梁的弯曲正应力与施加在梁上的力成正比,与梁的截面惯性矩成反比。
因此,在实际工程中,我们需要根据梁的实际情况来选择合适的材料和截面形状,以保证梁的强度和稳定性。
梁的弯曲正应力实验是力学实验中的一项重要实验,通过该实验可以了解梁的弯曲变形规律和弯曲正应力的计算方法。
在实际工程中,了解梁的弯曲正应力的计算方法是非常必要的,可以帮助我们评估梁的强度和稳定性,从而保证工程的安全和可靠性。
竭诚为您提供优质文档/双击可除梁的纯弯曲实验报告篇一:纯弯曲实验报告page1of10page2of10page3of10page4of10page5of10篇二:弯曲实验报告弯曲实验报告材成1105班3111605529张香陈一、实验目的测试和了解材料的弯曲角度、机械性能、相对弯曲半径及校正弯曲时的单位压力等因素对弯曲角的影响及规律。
二、实验原理坯料在模具内进行弯曲时,靠近凸模的内层金属和远离凸模的外层金属产生了弹—塑性变。
但板料中性层附近的一定范围内,却处于纯弹性变形阶段。
因此,弯曲变形一结束,弯曲件由模中取出的同时伴随着一定的内外层纤维的弹性恢复。
这一弹性恢复使它的弯曲角与弯曲半径发生了改变。
因此弯曲件的形状的尺寸和弯曲模的形状尺寸存在差异。
二者形状尺寸上的差异用回弹角来表示。
本实验主要研究影响回弹角大小的各因素。
三、实验设备及模具(1)工具:弯曲角为90度的压弯模一套,配有r=0.1、0.4、0.8、2、4五种不同半径的凸模各一个。
刚字头,万能角度尺,半径样板和尺卡。
(2)设备:曲柄压力机(3)试件:08钢板(不同厚度),铝板(不同厚度),尺寸规格为52x14mm,纤维方向不同四、实验步骤1.研究弯曲件材料的机械性能,弯曲角度和相对弯曲半径等回弹角度的影响。
实验时利用90度弯曲角度分别配有五种不同的弯曲半径的弯模,对尺寸规格相同的试件进行弯曲,并和不同的弯曲半径各压制多件。
对不同弯曲半径的试件压成后需要打上字头0.1、0.4、0.8、2、4等,以示区别。
最后,按下表要求测量和计算。
填写好各项内容。
五、数据处理(t/mm)试件尺寸:52x14mm弯曲后的试样如下图所示δθ=f(r凸/t)曲线如下图所示分析讨论:分析相对弯曲半径,弯曲角度及材料机械性能对回弹角的影响。
答:相对弯曲半径越小,弯曲的变形程度越大,塑性变形在总变形中所占比重越大,因此卸载后回弹随相对弯曲半径的减小而减小,因而回弹越小。
实验五纯弯曲梁正应⼒实验实验五纯弯曲梁正应⼒实验⼀、试验⽬的1、熟悉电测法的基本原理。
2、进⼀步学会静态电阻应变仪的使⽤。
3、⽤电测法测定钢梁纯弯曲时危险截⾯沿⾼度分布各点的应⼒值。
⼆、试验装置1、材料⼒学多功能实验装置2、CM-1C 型静态数字应变仪三、试验原理本试验装置采⽤低碳钢矩形截⾯梁,为防⽌⽣锈将钢梁进⾏电镀。
矩形截⾯钢梁架在两⽀座上,加载荷时,钢梁中段产⽣纯弯曲变形最⼤,是此钢梁最危险的截⾯。
为了解中段危险截⾯纯弯曲梁应⼒沿⾼度⽅向分布情况,采⽤电测法测出加载时钢梁表⾯沿⾼度⽅向的应变情况,再由σ实=E ε实得到应⼒的⼤⼩。
试验前在钢梁上粘贴5⽚应变⽚见图5—1,各应变⽚的间距为4h,即把钢梁4等分。
在钢梁最外侧不受⼒处粘贴⼀⽚R 6作为温度补偿⽚。
图5—1 试验装置⽰意图对于纯弯曲梁,假设纵向纤维仅受单向拉伸或压缩,因此在起正应⼒不超过⽐例极限时,可根据虎克定律进⾏计算:σ实=E ε实E 为刚梁的弹性模量,ε实是通过电测法⽤电阻应变仪测得的应变值。
四、电测法基本原理1、电阻应变法⼯作原理电测法即电阻应变测试⽅法是根据应变应⼒关系,确定构件表⾯应⼒状态的⼀种实验应⼒分析法。
将应变⽚紧紧粘贴在被测构件上,连接导线接到电桥接线端⼦上当构件受⼒构件产⽣应变应变⽚电阻值随之变化应变仪内部的惠斯登电桥将电阻值的变化转变成正⽐的电压信号电阻应变仪内部的放⼤、相敏、检波电路转换显⽰器读出应变量。
2、电阻应变⽚1)电阻应变⽚的组成由敏感栅、引线、基底、盖层和粘结剂组成,其构造简图如图5—2所⽰。
敏感栅能把构件表⾯的应变转换为电阻相对变化。
由于它⾮常敏感,故称为敏感栅。
它⽤厚度为0.002~0.005mm的铜合⾦或铬合⾦的⾦属箔,采⽤刻图、制版、光刻及腐蚀等⼯艺过程制成,简称箔式应变。
它粘贴牢固、散热性能好、疲劳寿命长,并能较好的反映构件表⾯的变形,使测量精度较⾼。
在各测量领域得到⼴泛的应⽤。
图5—2 电阻应变⽚构造简图2)电阻应变⽚种类电阻应变⽚按敏感栅的结构形状可分为:单轴应变⽚:单轴应变⽚⼀般是指具有⼀个敏感栅的应变⽚。
梁的弯曲实验实验报告梁的弯曲实验实验报告摘要:梁的弯曲实验是一种常见的力学实验,通过对梁的施加不同的外力,观察梁的弯曲变形情况,探究梁在外力作用下的力学性质。
本实验通过设计不同材料和不同截面形状的梁,测量其弯曲变形与外力之间的关系,分析梁的强度和刚度。
引言:梁是工程中常见的结构元件,广泛应用于建筑、桥梁、机械等领域。
了解梁的力学性质对于设计和优化结构具有重要意义。
梁的弯曲实验是研究梁的力学性质的常用方法之一。
实验目的:1. 掌握梁的弯曲实验的基本原理和方法。
2. 通过实验测量和分析,了解梁的强度和刚度与外力之间的关系。
3. 通过对不同材料和截面形状的梁进行实验,比较不同梁的力学性质。
实验器材:1. 实验台2. 不同材料和截面形状的梁3. 弹簧测力计4. 支撑架5. 测量尺6. 实验记录表格实验步骤:1. 将实验台调整水平,确保实验的准确性。
2. 将梁放置在支撑架上,调整支撑点的位置,使梁的长度适当。
3. 在梁的中间位置放置弹簧测力计,记录其初始读数。
4. 通过调整弹簧测力计上的螺母,施加不同的外力到梁上。
5. 记录不同外力下梁的弯曲变形情况,并测量弹簧测力计的读数。
6. 将实验数据整理并分析,得出梁的弯曲性质。
实验结果:通过实验测量和数据分析,我们得到了不同外力下梁的弯曲变形情况和弹簧测力计的读数。
我们发现,随着外力的增加,梁的弯曲变形也增加,弹簧测力计的读数也相应增加。
这表明梁的弯曲变形与外力之间存在一定的线性关系。
同时,我们还比较了不同材料和截面形状的梁的弯曲性质。
实验结果显示,不同材料和截面形状的梁在相同外力下的弯曲变形和弹簧测力计的读数存在差异。
这说明梁的材料和截面形状对其弯曲性质有重要影响。
讨论与分析:根据实验结果,我们可以得出以下结论:1. 外力与梁的弯曲变形之间存在线性关系,外力越大,梁的弯曲变形越大。
2. 梁的材料和截面形状对其弯曲性质有重要影响,不同材料和截面形状的梁在相同外力下的弯曲变形存在差异。