FLUENT动网格-圆柱体在管道内运动模拟
- 格式:pdf
- 大小:1.42 MB
- 文档页数:8
流体力学Fluent报告——圆柱绕流亚临界雷诺数下串列双圆柱与方柱绕流的数值模拟摘要:本文运用Fluent软件中的RNG k-ε模型对亚临界雷诺数下二维串列圆柱和方柱绕流问题进行了数值研究,通过结果对比,分析了雷诺数、柱体形状对柱体绕流阻力、升力以及涡脱频率的影响。
一般而言,Re数越大,方柱的阻力越大,圆柱体则不然;而Re越大,两种柱体的升力均越大。
相对于圆柱,同种条件下,方柱受到的阻力要大;相反地,方柱涡脱落频率要小。
Re越大,串列柱体的Sr数越接近于单圆柱体的Sr数。
关键字:圆柱绕流、升力系数、阻力系数、斯特劳哈尔数在工程实践中,如航空、航天、航海、体育运动、风工程及地面交通等广泛的实际领域中,绕流研究在工程实际中具有重大的意义。
当流体流过圆柱时 , 由于漩涡脱落,在圆柱体上产生交变作用力。
这种作用力引起柱体的振动及材料的疲劳,损坏结构,后果严重。
因此,近些年来,众多专家和学者对于圆柱绕流问题进行过细致的研究,特别是圆柱所受阻力、升力和涡脱落以及涡致振动问题。
沈立龙等[1]基于RNG k⁃ε模型,采用有限体积法研究了亚临界雷诺数下二维圆柱和方柱绕流数值模拟,得到了圆柱和方柱绕流阻力系数C与 Strouhal 数d随雷诺数的变化规律。
姚熊亮等[2]采用计算流体软件CFX中LES模型计算了二维不可压缩均匀流中孤立圆柱及串列双圆柱的水动力特性。
使用非结构化网格六面体单元和有限体积法对二维N- S方程进行求解。
他们着重研究了高雷诺数时串列双圆柱在不同间距比时的压力分布、阻力、升力及Sr数随Re数的变化趋势。
费宝玲等[3]用FLUENT软件对串列圆柱绕流进行了二维模拟,他们选取间距比L/D(L为两圆柱中心间的距离,D为圆柱直径)2、3、4共3个间距进行了数值分析。
计算均在 Re = 200 的非定常条件下进行。
计算了圆柱的升阻力系数、尾涡脱落频率等描述绕流问题的主要参量,分析了不同间距对圆柱间相互作用和尾流特征的影响。
Fluent中的动网格动网格是目前求解计算域变化问题的常用方法。
参考Fluent帮助,可以知道动网格技术与一般流动计算设置的主要区别在于网格更新方法和更新域设置。
这里就这两方面问题的一点体会作一简单记录。
一、网格更新方法弹簧近似光滑法将任意两网格节点之间的连线理想地看成一条弹簧,并通过近似弹簧的压缩或拉伸实现网格和计算域的改变。
该方法网格拓扑不变,无需网格的插值处理,对结构化(四边形、六面体)和非结构化(三角形、四面体)网格同样适用。
但不适合于大变形情况,当计算区域变形较大时,变形后的网格质量变差,严重影响计算精度。
动态分层法在运动边界相邻处根据运动规律动态增加或减少网格层数,以此来更新变形区域的网格。
该方法适用于结构化网格,通过设置适当的分层和缩减系数,更新后的网格依然为较为均匀的结构化网格,对计算精度影响较小。
对于运动域具有多自由度和任意变形情况,该方法处理起来非常困难。
网格重生方法在整个网格更新区域内依据设定的最大和最小网格尺寸判断需要进行网格重生的网格,并依据设置的更新频率进行网格重生处理。
该方法适用于非结构化网格,能够较好的应用于任意变形的计算区域处理。
二、更新域设置更新域设置是动网格设置中的一项重要工作,最常用的设置是刚体运动域和变形域,这里针对这两种域的设置注意事项和技巧作一简单介绍。
1、域动网格一般来讲,设置为刚体运动域的区域一般为壁面类边界,通过设置固壁的运动,模拟计算域内物体的运动。
由于固壁边界有时形状较为复杂,壁面附近网格尺度与周围网格尺度存在较大差别,网格更新时变形较大。
在这种情况下,可以设置一个包含固壁运动边界的计算域,通过该计算域的整体运动模拟域内物体的运动,在有的地方将这种方法称为域动网格法。
在域动网格法中,需要设置包含运动物体的内部计算域、内部计算域界面均为刚体运动域。
如下图所示。
2、动态分层法中的分界面在应用动态分层网格更新方法时,当分层界面在计算域内部时,需要采用Split interface(这里称分界面)将运动域运动范围与固定计算域区分开来,以保证动态分层网格处理(如果运动域网格与固定域网格没有分界面,动态分层无法执行)。
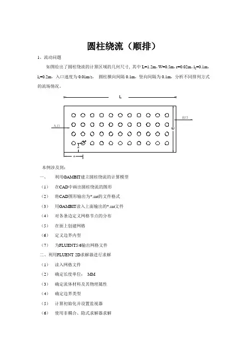
圆柱绕流(顺排)1、流动问题如图给出了圆柱绕流的计算区域的几何尺寸, 其中L=1.2m,W=0.5m,r=0.02m,l2=0.1m,l1=0.2m,入口速度为0.01m/s,圆柱横向间隔0.1m,竖向间隔为0.1m,分析不同排列方式的流场情况。
本例涉及到:一、利用GAMBIT建立圆柱绕流的计算模型(1)在CAD中画出圆柱绕流的图形(2)将CAD图形输出为*.sat的文件格式(3)用GAMBIT读入上面输出的*.sat文件(4)对各条边定义网格节点的分布(5)在面上创建网格(6)定义边界内型(7)为FLUENT5/6输出网格文件二、利用FLUENT-2D求解器进行求解(1)读入网格文件(2)确定长度单位:MM(3)确定流体材料及其物理属性(4)确定边界类型(5)计算初始化并设置监视器(6)使用非耦合、隐式求解器求解(7)利用图形显示方法观察流场与温度场一、前处理——用CAD画出圆柱绕流的结构图并导入GAMBIT中在CAD中按所给的尺寸画出圆柱绕流的结构图,画完后输出为drawing1.sat的文件(如图1所示)。
CAD中的操作:文件→输出…点击保存到你想保存到的文件夹中。
圆柱绕流的结构图图1 CAD保存为sat格式的文件启动GAMBIT ,建立一个新的GAMBIT文件。
第1步:确定求解器选择用于进行CFD计算的求解器。
操作:Solver→FLUENT5/6第2步:导入圆柱绕流的结构图操作:File→Import→ACIS…点击Browse找到刚才从CAD中输出的drawing1.sat文件,选中后点击Accept即可导入所需的图形。
(需在CAD中将所画的图形创建成面域,否则无法读入)第3步:确定边界线的内部节点分布并创建结构化网络1、创建各条边上的节点分布操作:MESH→EDGE→打开的“MESH Edges”对话框如图2所示。
(1)点击Edges右侧的黄色区域,使其处于活动状态;(2)Shift+鼠标左键,点击所需划分的边线;(3)选择Interval size,并输入值10;(4)点击Apply,生成各条边上的节点分布。
FLUENT动网格——耦合边界铺层法模拟管道内滑块运动过程中气体流场
在采用FLUENT模拟含有动态固体边界的流场时,采用非结构网格的重画法和
弹簧光顺法可以比较高效的实现。
但是当固体边界存在重合部分时就会存在模型划
分默认重合,FLUENT18.0以后的版本可以采用OVERSET网格来解决这个问题,可
是该网格设置方法目前和部分计算模型存在冲突(反正我还没解决),这里采用边
界耦合的模型划分,多区域网格耦合后的铺层法来实现耦合边界的动-静固体边界
模式中的气体流场模拟。
比如案例中管道内一圆柱滑块,其外表面与管道内表面紧
密接触,仿真模拟其在管道内高速滑动(50m/s)并运动至管道外后的气体流场变
化。
模型模型管的直径为1m,长度20m。
几何模型是对称的,因此只对管道的一半进行模拟。
m s的速度从进口边界进入。
流动雷诺数为15000。
水以0.015/1.建立模型及网格划分①建立模型及网格划分的步骤在此处暂时省略,以后后机会再补上。
这里直接读入网格文件pipe.msh,开启Fluent 3D双精度求解器(Double Precision),(这里是典型的狭长管道,需要开启双精度求解器)。
②读入网格后应检查网格及网格尺寸,通过Mesh下的Check和Scale进行实现,这里不做详细描述。
2.求解模型的设定①求解器设置。
这里保持默认的求解参数,即基于压力的求解器定常求解。
下面说一说Pressure-based和Density-based的区别:a.Pressure-Based Solver是Fluent的优势,它是基于压力法的求解器,使用的是压力修正算法,求解的控制方程是标量形式的,擅长求解不可压缩流动,对于可压流动也可以求解;Fluent 6.3以前的版本求解器,只有Segregated Solver和CoupledSolver,其实也Pressure-Based Solver的两种处理方法;b.Density-Based Solver是Fluent 6.3新发展出来的,它是基于密度法的求解器,求解的控制方程是矢量形式的,主要离散格式有Roe,AUSM+,该方法的初衷是让Fluent具有比较好的求解可压缩流动能力,但目前格式没有添加任何限制器,因此还不太完善;它只有Coupled的算法;对于低速问题,他们是使用Preconditioning方法来处理,使之也能够计算低速问题。
Density-Based Solver下肯定是没有SIMPLEC,PISO这些选项的,因为这些都是压力修正算法,不会在这种类型的求解器中出现的;一般还是使用Pressure-Based Solver解决问题。
基于压力的求解器适用于求解不可压缩和中等程度的可压缩流体的流动问题。
目录实例:Profile定义运动 (2)I、参数说明 (2)II、操作步骤 (3)一、将计算域离散为网格 (3)二、Fluent操作步骤 (4)1.启动Fluent 14.5求解器 (4)2.初始设置 (4)3.选择湍流模型 (5)4.设置流体物性 (6)5.设置边界条件 (7)6.动网格设置 (8)7.设置其它选项 (12)在Fluent中,动网格模型可以用来模拟由于流域边界运动引起流域形状随时间变化的流动情况,动网格在求解过程中计算网格要重构,例如汽车发动机中的气缸运动、阀门的开启与关闭、机翼的运动、飞机投弹等等。
CFD中的动网格大体分为两类:(1)显式规定的网格节点速度。
配合瞬态时间,即可很方便的得出位移。
当然一些求解器(如FLUENT)也支持稳态动网格,这时候可以直接指定节点位移。
(2)网格节点速度是通过求解得到的。
如6DOF模型基本上都属于此类。
用户将力换算成加速度,然后将其积分成速度。
在Fluent中,动网格涉及的内容包括:(1)运动的定义。
主要是PROFILE文件与UDF中的动网格宏。
(2)网格更新。
FLUENT中关于网格更新方法有三种:网格光顺、动态层、网格重构。
需要详细了解这些网格更新方法的运作机理,每个参数所代表的具体含义及设置方法,每种方法的适用范围。
动网格的最在挑战来自于网格更新后的质量,避免负体积是动网格调试的主要目标。
在避免负网格的同时,努力提高运动更新后的网格质量。
拉格朗日网格(固体有限元计算)网格欧拉网格(流体计算)实例:Profile定义运动I、参数说明本次实例采用的场景来自于流体中高速飞行的物体。
如子弹、火箭、导弹等。
这里只是为了说明profile在动网格运动定义中的应用,因此为了计算方便不考虑高速问题。
问题描述如下图所示:图 1 (1为运动刚体,2为计算域)图2计算说明:由于不考虑也没办法考虑刚体的变形,因此在构建面域的时候,将1中的部分通过布尔运算去除。
计算域总长度300mm,其中固体运动最大位移为:300-40-30-6mm=224mm。
F L U E N T动网格教程(共17页) -本页仅作为预览文档封面,使用时请删除本页-FLUENT动网格教程摘自&id=1396题记:在学习使用Fluent的时候,有不少朋友需要使用动网格模型(Dynamic Mes h Model),因此,本版推出这个专题,进行大讨论,使大家在使用动网格时尽量少走弯路,更快更好地掌握;也欢迎使用过的版友积极参与讨论指导,谢谢!。
该专题主要包括以下的主要内容:§一、动网格的相关知识介绍;§二、以NACA0012翼型俯仰振荡实例进行讲解动网格的应用过程;§三、与动网格应用有关的参考文献;§四、使用动网格进行计算的一些例子。
§一、动网格的相关知识介绍有关动网格基础方面的东西,请具体参考FLUENT User’s Guide或FLUENT全攻略的相关章节,这里只给出一些提要性的知识要点。
1、简介动网格模型可以用来模拟流场形状由于边界运动而随时间改变的问题。
边界的运动形式可以是预先定义的运动,即可以在计算前指定其速度或角速度;也可以是预先未做定义的运动,即边界的运动要由前一步的计算结果决定。
网格的更新过程由FLU ENT 根据每个迭代步中边界的变化情况自动完成。
在使用动网格模型时,必须首先定义初始网格、边界运动的方式并指定参予运动的区域。
可以用边界型函数或者UDF定义边界的运动方式。
FLUENT 要求将运动的描述定义在网格面或网格区域上。
如果流场中包含运动与不运动两种区域,则需要将它们组合在初始网格中以对它们进行识别。
那些由于周围区域运动而发生变形的区域必须被组合到各自的初始网格区域中。
不同区域之间的网格不必是正则的,可以在模型设置中用FLUENT软件提供的非正则或者滑动界面功能将各区域连接起来。
注:一般来讲,在Fluent中使用动网格,基本上都要使用到UDF,所以你最好具备一定的C语言编程基础。
2、动网格更新方法动网格计算中网格的动态变化过程可以用三种模型进行计算,即弹簧近似光滑模型(spring-based smoothing)、动态分层模型(dynamic layering)局部重划模型(local remeshing)1)弹簧近似光滑模型原则上弹簧光顺模型可以用于任何一种网格体系,但是在非四面体网格区域(二维非三角形),最好在满足下列条件时使用弹簧光顺方法:(1)移动为单方向。
FLUENT软件在圆柱绕流模拟中的应用FLUENT软件在圆柱绕流模拟中的应用随着科学技术的不断发展和计算机技术的广泛应用,流体力学领域的仿真模拟成为研究和解决实际问题的重要手段之一。
FLUENT软件作为一种常用的计算流体力学(CFD)软件,在圆柱绕流模拟中得到了广泛的应用。
本文将结合实际例子,介绍FLUENT软件在圆柱绕流模拟中的应用。
首先,我们了解一下圆柱绕流模拟的背景。
圆柱绕流是一种常见的流体力学现象,广泛存在于工程和自然界中。
圆柱绕流模拟的研究对于研究流体的运动特性、风力发电机组的设计以及海洋工程等领域都具有重要的意义。
而FLUENT软件则是一种用于求解流体力学问题的商业软件,其强大的数值求解能力和丰富的后处理功能使其成为研究圆柱绕流的重要工具。
在圆柱绕流模拟中,首先需要建立计算模型。
FLUENT软件提供了强大的前后处理功能,可以方便地进行几何建模和网格划分。
用户可以通过绘制圆柱的几何模型,设置网格参数、边界条件等相关参数,得到圆柱绕流的计算模型。
FLUENT软件支持多种网格划分方法,如结构化网格和非结构化网格等,用户可以根据具体需求选择合适的划分方法。
建立好计算模型后,接下来需要进行计算设置。
FLUENT软件提供了丰富的物理模型和求解器选择,用户可以根据具体问题选择合适的模型和求解器。
在圆柱绕流模拟中,使用Navier-Stokes方程求解器可以有效地模拟流体的运动过程。
同时,FLUENT软件还支持湍流模型的选择,如k-ε模型和k-ω模型等,可以更准确地模拟湍流特性。
计算设置完成后,即可进行计算求解。
FLUENT软件的数值求解能力十分强大,可以对复杂的流体力学问题进行快速求解。
在圆柱绕流模拟中,FLUENT软件可以计算得到圆柱周围的流场分布、压力分布、速度分布等相关结果。
同时,FLUENT 软件还可以输出流场动画和静态图像,并提供丰富的后处理功能,如剪辑、流线图、矢量图等,便于用户进行结果的分析和展示。
亚临界雷诺数下串列双圆柱与方柱绕流的数值模拟摘要:本文运用Fluent软件中的RNG k-ε模型对亚临界雷诺数下二维串列圆柱和方柱绕流问题进行了数值研究,通过结果对比,分析了雷诺数、柱体形状对柱体绕流阻力、升力以及涡脱频率的影响。
一般而言,Re数越大,方柱的阻力越大,圆柱体则不然;而Re越大,两种柱体的升力均越大。
相对于圆柱,同种条件下,方柱受到的阻力要大;相反地,方柱涡脱落频率要小。
Re越大,串列柱体的Sr数越接近于单圆柱体的Sr数。
关键字:圆柱绕流、升力系数、阻力系数、斯特劳哈尔数在工程实践中,如航空、航天、航海、体育运动、风工程及地面交通等广泛的实际领域中,绕流研究在工程实际中具有重大的意义。
当流体流过圆柱时, 由于漩涡脱落,在圆柱体上产生交变作用力。
这种作用力引起柱体的振动及材料的疲劳,损坏结构,后果严重。
因此,近些年来,众多专家和学者对于圆柱绕流问题进行过细致的研究,特别是圆柱所受阻力、升力和涡脱落以及涡致振动问题。
沈立龙等[1]基于RNG k⁃ε模型,采用有限体积法研究了亚临界雷诺数下二维圆柱和方柱绕流数值模拟,得到了圆柱和方柱绕流阻力系数C d与Strouhal 数随雷诺数的变化规律。
姚熊亮等[2]采用计算流体软件CFX中LES模型计算了二维不可压缩均匀流中孤立圆柱及串列双圆柱的水动力特性。
使用非结构化网格六面体单元和有限体积法对二维N- S方程进行求解。
他们着重研究了高雷诺数时串列双圆柱在不同间距比时的压力分布、阻力、升力及Sr数随Re数的变化趋势。
费宝玲等[3]用FLUENT软件对串列圆柱绕流进行了二维模拟,他们选取间距比L/D(L为两圆柱中心间的距离,D为圆柱直径)2、3、4共3个间距进行了数值分析。
计算均在Re = 200 的非定常条件下进行。
计算了圆柱的升阻力系数、尾涡脱落频率等描述绕流问题的主要参量,分析了不同间距对圆柱间相互作用和尾流特征的影响。
圆柱绕流的一个重要特征是流动形态取决于雷诺数。
FLUENT动网格教程摘自/dvbbs/dispbbs.asp?boardid=61&id=1396 题记:在学习使用Fluent的时候,有不少朋友需要使用动网格模型(Dynamic Me sh Model),因此,本版推出这个专题,进行大讨论,使大家在使用动网格时尽量少走弯路,更快更好地掌握;也欢迎使用过的版友积极参与讨论指导,谢谢!。
该专题主要包括以下的主要内容:§一、动网格的相关知识介绍;§二、以NACA0012翼型俯仰振荡实例进行讲解动网格的应用过程;§三、与动网格应用有关的参考文献;§四、使用动网格进行计算的一些例子。
§一、动网格的相关知识介绍有关动网格基础方面的东西,请具体参考FLUENT User’s Guide或FLUENT全攻略的相关章节,这里只给出一些提要性的知识要点。
1、简介动网格模型可以用来模拟流场形状由于边界运动而随时间改变的问题。
边界的运动形式可以是预先定义的运动,即可以在计算前指定其速度或角速度;也可以是预先未做定义的运动,即边界的运动要由前一步的计算结果决定。
网格的更新过程由FLUE NT 根据每个迭代步中边界的变化情况自动完成。
在使用动网格模型时,必须首先定义初始网格、边界运动的方式并指定参予运动的区域。
可以用边界型函数或者UDF定义边界的运动方式。
FLUENT 要求将运动的描述定义在网格面或网格区域上。
如果流场中包含运动与不运动两种区域,则需要将它们组合在初始网格中以对它们进行识别。
那些由于周围区域运动而发生变形的区域必须被组合到各自的初始网格区域中。
不同区域之间的网格不必是正则的,可以在模型设置中用FLUENT软件提供的非正则或者滑动界面功能将各区域连接起来。
注:一般来讲,在Fluent中使用动网格,基本上都要使用到UDF,所以你最好具备一定的C语言编程基础。
2、动网格更新方法动网格计算中网格的动态变化过程可以用三种模型进行计算,即弹簧近似光滑模型(spring-based smoothing)、动态分层模型(dynamic layering)局部重划模型(local remeshing)1)弹簧近似光滑模型原则上弹簧光顺模型可以用于任何一种网格体系,但是在非四面体网格区域(二维非三角形),最好在满足下列条件时使用弹簧光顺方法:(1)移动为单方向。
利用FLUENT软件模拟圆柱绕流摘要:使用计算流体力学软件FLUENT,模拟均匀来流绕固定圆柱的流动,模拟雷诺数为20 ,40 ,100 时的绕流流动,得到流场的流函数等值线图和速度矢量图。
计算结果表明:当雷诺数增加时,流动表现出一系列不同的构造。
在雷诺数约为40 前后流场有明显变化。
小于这个数时,存在一对位置固定的旋涡。
大于40 时,流场开始变得不稳定,旋涡扩大、脱落、又生成,逐渐发展成两排周期性摆动和交错的旋涡。
并与实验及数值模拟结果比较,确认FLUENT能够很好地预测流动结构。
关键词: 圆柱绕流 FLUENT软件雷诺数1 圆柱绕流理论分析研究的状况一个世纪以来,圆柱绕流一直是众多理论分析、实验研究及数值模拟对象。
但迄今对该流动现象物理本质的理解仍是不完整的。
圆柱绕流中,起决定作用的是雷诺数,但还受到许多因素,如阻塞比,来流湍流度,下游边界条件等的影响。
随着雷诺数的增加,粘性不可压缩流体绕圆柱的流动会呈现各种不同的流动状态,在小雷诺数时,流动是定常的,随着雷诺数的增加,圆柱后会出现一对尾涡。
当雷诺数较大时,尾流首先失稳,出现周期性的振荡。
而后附着涡交替脱落, 泻入尾流形成Karman 涡街,随着雷诺数的增加,流动变得越来越复杂,最后发展为湍流。
White[1]认为“圆柱涡流具有经典性的重要意义”。
一般认为圆柱绕流有2 种定常的流动图案:雷诺数为较小时,圆柱后无尾涡;当雷诺数为较大时,圆柱后有一对对称的尾涡。
关于定常流失稳以及出现湍流的临界雷诺数主要是通过应用流场显示技术观察流动形态得到的,所以不是准确值。
对于分界点雷诺数就有不同的见解,Kovasznay 、Roshko 等认为定常流动失稳的临界雷诺数大约为40。
而从周期性尾流到湍流的详细的转变过程的实验研究似乎还是空白。
对均匀来流绕固定圆柱的二维平面流动,国内外许多学者进行过大量的研究。
决定圆柱绕流流态的是雷诺数的值,时,流动不发生分离,,在圆柱体后面出现一对位置固定的旋涡;,旋涡扩大,然后有一个旋涡开始脱落,接着另一个也脱落,在圆柱体后面又生成新的旋涡,这样逐渐发展成两排周期性摆动和交错的旋涡,即Karman 涡街。
Remeshing方法中的一些参数设定:Remeshing中的参数Minimum length scale和Maximum Length Scale,这两个参数你可以参考mesh scale info中的值,仅是参考,因为mesh scale info中的值是整个网格的评价值,设置的时候看一下动网格附近的网格和整个网格区域的大小比较,然后确定这两个参数,一般来讲,动网格附近的网格较密,这些值都比整体的小,所以在设置时通常设置为比mesh scale info中的Minimum length scale大一点,比Maximum Length Scale小一点。
以上是一般来讲的设置思路。
下面是我在NACA0012翼型动网格例子中的设置:Remeshing中的参数设定:为了得到较好的网格更新,本例在使用局部网格重新划分方法时,使用尺寸函数,也就是Remeshing+Must Improve Skewness+Size Function的策略。
将Minimum Length Scale及Maximum Length Scale均设置为0,为了使所有的区域都被标记重新划分;Maximum Cell Skewness(最大单元畸变),参考Mesh Scale Info…中的参考值0.51,将其设定为0。
4,以保证更新后的单元质量;Size Remesh Interval(依照尺寸标准重新划分的间隔),将这个值设定为1,在FLUENT,不满足最大网格畸变的网格在每个时间步都会被标记,而后重新划分,而不满足最小,最大及尺寸函数的网格,只有在Current Time=(Size Remesh Interval)*delta t的时候,才根据这些尺寸的标准标记不合格的单元进行重新划分,为了保证每步的更新质量,将其修改为1,就是每个时间都根据尺寸的标准标记及更新网格.Size Function Resolution(尺寸函数分辨率),保持默认的3;Size Function Variation(尺寸函数变量):建议使用一个小值,在0.1到0。
FLUENT动网格应用——圆柱体在管道内
运动流场模拟
通过非结构网格的拉伸和重划,能够模拟固态边界的变形和运动,对于弹丸外流场以及汽车迎风流场这种条件,可以通过迎面来流速度相对模拟物体运动,但是对于计算域中含有静态固体边界的运动状态,还是需要通过动网格方法来模拟物体运动。
这里给出一个圆柱体在高速运动的流场模拟案例,以进行非结构动网格的应用和学习,上图中圆管静止,圆柱体以10m/s的速度在管内运动。
(本人比较恋旧,这里采用FLUENT15.0进行模拟计算)。