工字钢受力验算
- 格式:doc
- 大小:165.50 KB
- 文档页数:7
6.2.1、I25a 工字钢横向分配梁验算:I25a 工字钢截面参数:截面面积248.51A cm = 单位重量38.08/g kg m =截面惯性矩45017I cm = 截面抵抗矩3401.4W cm =半截面面积矩3230.7S cm = 翼缘平均厚 0.8w t cm =。
选择最不利工况,将荷载换算成88.8t 重车,横向轮距为2m ,履带长度4.6m 。
I25a 布置间距为150cm ,可知3根I25a 直接受力,则每根横梁受力为: P 活=88.8/3=29.6t=296KN恒载:桥面板和横梁自重q 恒=(8.4×15×79+8.4/0.3×15×13.987)÷(10×8.4)=188.4kg/m=1.9KN/m通过结构力学求解器建模:计算得到:弯矩图剪力图最大弯矩为:24.27KNm ,最大剪力为:89.5KN 。
弯曲应力:σ=M/W=24.27×106/401400 =60.5 MPa <140 MPa剪应力:τ= V 总/A =89.5×103/4851 =18.5 MPa <85 MPa满足规范要求。
6.2.2、I12工字钢纵向分配梁验算:I12a 工字钢截面参数:截面面积218.1A cm = 单位重量14.21/g kg m =截面惯性矩4488I cm = 截面抵抗矩377.4W cm =半截面面积矩344.2S cm = 翼缘平均厚 0.5w t cm =。
选择最不利工况,将荷载换算成88.8t 重车,履带宽度0.8m ,履带长度4.6m 。
I12布置间距问30cm ,可知2根I12直接受力。
I25a 布置间距为150cm ,可知3根I25a 直接受力,则每根横梁受力为:P 活=88.8/(2×2)=22.2t=222KN q 活=222/4.6=48.3KN/m恒载:桥面板和横梁自重q 恒=(15×8.4×79)÷(26×15)=25.5kg/m=0.3KN/m 。
由于局部地面承载力不能满足模板脚手架基础要求,利用工字钢36a 作梁,两端支撑在混凝土结构地梁上,跨度8.4m 。
工字钢按间距800mm 排列,在支两端座、跨度中间用16号槽钢作支撑,与工字钢焊接,将全部工字钢梁连成整体。
模板脚手架间距横向800mm ,纵向800mm 。
一、参数信息1.钢梁、脚手架参数跨度8.4m ,间距0.80m ,脚手架横向间距(m):0.80;纵距(m):0.80;2.荷载参数脚手架均布荷载标准值(kN/m2):15.00;3. 36a 工字钢材料参数h=360mm ,b=136mm, d=10mm,t=15.8mm截面积(cm 2):76.48,每米重量(kg/m ):60.037,截面惯性矩Ix (cm 4):15800;截面抵抗拒Wx (cm 3):875。
二、验算q1=0.60037 kN/m2F=11.52 KNF F F F F FF F F FF1、荷载1)钢梁自重:q 1 =0.60037 kN/m ,2)钢梁承受脚手架荷载:F=15×0.8×0.8×1.2=11.52 (kN )化为等效均布荷载:q 2=15.086 kN/m3)总荷载q= q 1+ q 2=15.686 kN/m2、强度验算为简支梁: M=281ql = 138.351 kN.m最大应力 σ=xX W M =158.11 N/mm 2 <[f]=215 N/mm 2 满足要求。
3. 整体稳定整体稳定应满足:f W M xb X <ϕ 工字钢梁跨中有一个侧向支承,自由长度l 1=4.2m ,则查规范表B.2 得 184.1=b ϕ因6.0>b ϕ,计算832.0282.007.1=-=b ϕϕ19010875832.010351.13836=⨯⨯⨯=x b X W M ϕ N/mm 2 <[f]=215 N/mm 2 满足要求。
C 、刚度验算EI ql w 38454==10cm =2000/200<8.5cm 10×15800×10×2×38420×10×292.158-1143=⨯满足要求。
1、钢受均布荷载(1)工字钢力学正应力计算:根据材料力学正应力计算公式:max M maxW,其中:12#矿用工字钢的许用应力510 MPa12#矿用工字钢抗弯截面W系数为 144.5 cm 3最大弯矩 M max0.125ql 2q为顶板作用在工字钢上的压力工字钢长度 l 按4米计算得出: 5101060.125q 462,144.510510106144.510 636847.5Nq0.12542(2)工字钢最大弯曲下沉量计算:根据工字钢挠度计算公式:max5ql 4384EI其中:q已计算得出为工字钢长度 l 按4米计算弹性模量 E=206GPa 12#工字钢惯性矩为 867.1cm4得出:max536847.5440.068206109867.110 83842、工字钢受集中荷载(1)工字钢力学正应力计算:根据材料力学正应力计算公式:max M maxW,其中:12#矿用工字钢的许用应力510 MPa12#矿用工字钢抗弯截面W系数为 144.5 cm 3最大弯矩 M max0.25Fl 2F为顶板作用在工字钢上的压力工字钢长度 l 按4米计算得出: 5101060.25F 462,144.510510106144.5106F0.254218423 .75N(2)工字钢最大弯曲下沉量计算:根据工字钢挠度计算公式:Fl 3max48EI其中:q已计算得出为工字钢长度 l 按4米计算弹性模量 E=206GPa 12#工字钢惯性矩为 867.1cm4得出:max18423 .75430.001320610 9867.110 848。
跨度为7m 的H200*100*11*7的HRB345的工字钢,两端锚栓固接,均布荷载为30KN/M,验算梁的强度、刚度、整体稳定性和局部稳定性。
2max 1183.75/8M ql KN M ==max 11052F ql KN ==12200100117h b t t ⨯⨯⨯=⨯⨯⨯3274112001421007100 3.5 1.89361012x I mm ⨯〈-〉=⨯⨯⨯〈-〉+=⨯〈〉3364710011200142 1.1873101212y I mm ⨯⨯〈-〉=⨯+=⨯〈〉 7531.893610 1.89361020022x x I W mm h ⨯===⨯〈〉 6431.187310 2.70841010022y y I W mm h ⨯===⨯〈〉 5186186100796.511 1.15121024S =⨯⨯+⨯⨯=⨯ 10072111863446A =⨯⨯+⨯=74.1287x i ==18.562y i ==1. 强度验算:在弯矩x M 作用下:x x nx M f W γ≤ 此处f =3102/N mm 2. 抗剪强度:v wVS f It τ=≤ 1w t t =;x I I = 3. 局部承压强度:若梁两端之间受集中力作用,则需要验算,而此处受力为均布力,则无需验算。
具体公式为:c w Ff It ψσ=≤4. 刚度:[]υυ≤ 35[]384x ql l EI l υυ=≤ 一般,前面验算满足,则该点满足 5. 整体稳定性:对于双轴对称的工字形截面:x b x M f W σϕ=≤24320235]b b b x yy Ah W f ϕβηλ=⨯⨯+⨯ 345y f = 算b β要用到ξ,2 2.45 2.0lt bhξ==b β取:①:荷载作用在工字钢的上翼缘0.95b β=②:荷载作用在工字钢的下翼缘 1.33b β=对双轴对称工字钢:0b η=下面是我算的两个,但都不满足:1. 强度验算:625183.75109703101 1.894110x x nx M N mm f W γ⨯==='⨯⨯ 2. 整体稳定性:取0.95b β=得0.226240.6b ϕ=x b xM W σϕ=显然,强度验算不满足,则稳定性肯定不满足。
悬挑马道施工及工字钢受力验算由于本工程目前核心筒楼梯没能跟随楼层施工,现为方便工人安全上下,在四层顶采用工字钢悬挑时,马道跟随悬挑,待楼梯能跟上楼层施工时,取消马道工字钢悬挑。
悬挑在1-A~1-B/1-1轴西侧搭设,采用5根18#工字钢悬挑。
工字钢间距1.5m。
马道每跑宽1m,每跑高1.85m,宽3.55m。
拐弯时平台宽度1.5m,满铺脚手板。
脚手板上每隔250MM设置一道防滑木条,木条厚度采用20-30MM。
周围加设踢脚板,挡板高度为180mm。
在高度1.2m处加设扶手栏杆。
本处工字钢悬挑出楼面长度为2.5m,马道离梁边30cm,在工字钢上在距梁边30cm、135 cm、240 cm处分别焊一根20cm长的Φ25的钢筋,马道钢管插在钢筋上搭设。
在马道搭设两层后,底部必须加设支杆顶撑。
工字钢简化受力计算如下:一、脚手架立杆荷载的计算:作用于脚手架的荷载包括静荷载、活荷载和风荷载。
静荷载标准值包括以下内容:(1)每米立杆承受的结构自重标准值(kN),为0.1248N G1 = [0.1248+(1.05×2/2)×0.038/1.80]×27.00 = 3.974;(2)脚手板的自重标准值(kN/m2);采用木脚手板,标准值为0.35N G2= 0.35×14×1.5×(1.05+0.3)/2 = 4.961 kN;(3)栏杆与挡脚手板自重标准值(kN/m);采用栏杆、木脚手板挡板,标准值为0.14N G3 = 0.14×14×1.5/2 = 1.47 kN;(4)吊挂的安全设施荷载,包括安全网(kN/m2);0.005N G4 = 0.005×1.5×27 = 0.202 kN;经计算得到,静荷载标准值N G =N G1+N G2+N G3+N G4 = 10.608 kN;活荷载为施工荷载标准值产生的轴向力总和,内、外立杆按一纵距内施工荷载总和的1/2取值。
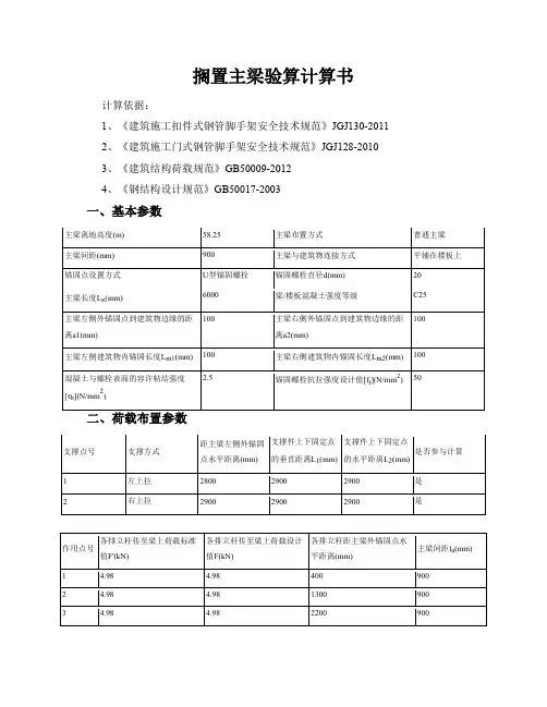
搁置主梁验算计算书计算依据:1、《建筑施工扣件式钢管脚手架安全技术规范》JGJ130-20112、《建筑施工门式钢管脚手架安全技术规范》JGJ128-20103、《建筑结构荷载规范》GB50009-20124、《钢结构设计规范》GB50017-2003一、基本参数主梁离地高度(m) 58.25 主梁布置方式 普通主梁 主梁间距(mm) 900主梁与建筑物连接方式 平铺在楼板上 锚固点设置方式 U 型锚固螺栓 锚固螺栓直径d(mm) 20 主梁长度L x (mm)6000 梁/楼板混凝土强度等级C25 主梁左侧外锚固点到建筑物边缘的距离a1(mm)100主梁右侧外锚固点到建筑物边缘的距离a2(mm)100主梁左侧建筑物内锚固长度L m1(mm) 100 主梁右侧建筑物内锚固长度L m2(mm) 100 混凝土与螺栓表面的容许粘结强度[τb ](N/mm 2)2.5 锚固螺栓抗拉强度设计值[f t ](N/mm 2)50二、荷载布置参数平面图立面图三、主梁验算q'=g k=0.241=0.241kN/m第1排:F'1=F1'/n z=4.98/1=4.98kN 第2排:F'2=F2'/n z=4.98/1=4.98kN 第3排:F'3=F3'/n z=4.98/1=4.98kN 第4排:F'4=F4'/n z=4.98/1=4.98kN 第5排:F'5=F5'/n z=4.98/1=4.98kN 第6排:F'6=F6'/n z=4.98/1=4.98kN 荷载设计值:q=1.2×g k=1.2×0.241=0.289kN/m第1排:F1=F1/n z=4.98/1=4.98kN第2排:F2=F2/n z=4.98/1=4.98kN第3排:F3=F3/n z=4.98/1=4.98kN第4排:F4=F4/n z=4.98/1=4.98kN第5排:F5=F5/n z=4.98/1=4.98kN第6排:F6=F6/n z=4.98/1=4.98kN1、强度验算弯矩图(kN·m)σmax=M max/W=3.961×106/185000=21.41N/mm2≤[f]=215N/mm2符合要求!2、抗剪验算剪力图(kN)τmax=Q max/(8I zδ)[bh02-(b-δ)h2]=39.595×1000×[94×1802-(94-6.5)×158.62]/(8×16600000×6.5)=38.743N/mm2τmax=38.743N/mm2≤[τ]=125N/mm2符合要求!3、挠度验算变形图(mm)νmax=0.339mm≤[ν]=l/250=5800/250=23.2mm符合要求!4、支座反力计算R1=-39.593kN,R2=48.12kN,R3=4.843kN,R4=12.233kN,R5=42.516kN,R6=-36.504kN四、上拉杆件验算钢丝绳型号6×37(a) 钢丝绳公称抗拉强度(N/mm2) 1870(钢芯) 钢丝绳直径(mm) 16 钢丝绳不均匀系数α0.85钢丝绳安全系数k 9 钢丝绳绳夹型式马鞍式拴紧绳夹螺帽时螺栓上所受力T(kN) 15.19 钢丝绳绳夹数量[n] 3花篮螺栓在螺纹处的有效直径d e(mm) 19 花篮螺栓抗拉强度设计值[f t](N/mm2) 170主梁拉环直径d(mm) 20 焊缝厚度h e(mm) 10焊缝长度l w(mm) 100 角焊缝强度设计值f tw(N/mm2) 160钢丝绳绳卡作法钢丝绳连接吊环作法上拉杆件角度计算:α1=arctanL1/L2=arctan(2900/2900)=45°α2=arctanL1/L2=arctan(2900/2900)=45°上拉杆件支座力:R S1=n z R3=1×4.843=4.843kNR S2=n z R4=1×12.233=12.233kN主梁轴向力:N SZ1=R S1/tanα1=4.843/tan45°=4.843kNN SZ2=R S2/tanα2=12.233/tan45°=12.233kN上拉杆件轴向力:N S1=R S1/sinα1=4.843/sin45°=6.849kNN S2=R S2/sinα2=12.233/sin45°=17.3kN上拉杆件的最大轴向拉力N S=max[N S1...N Si]=17.3kN钢丝绳:查(《建筑施工计算手册》江正荣著2001年7月第一版)表13-4、13-5、13-6得,钢丝绳破断拉力总和:F g=224.57kN[F g]=α× F g/k=0.82×224.57/9=20.461kN≥N S=17.3kN符合要求!绳夹数量:n=1.667[Fg]/(2T)=1.667×20.461/(2×15.19)=2个≤[n]=3个符合要求!花篮螺栓验算:σ=[F g]/(π×d e2/4)=20.461×103/(π×192/4)=72.165N/mm2≤[ft]=170N/mm2符合要求!拉环验算:σ =[F g]/(2A)=2[F g]/πd2=2×20.461×103/(π×202)=32.564N/mm2≤[f]=65N/mm2注:[f]为拉环钢筋抗拉强度,按《混凝土结构设计规范》9.7.6 每个拉环按2个截面计算的吊环应力不应大于65N/mm2符合要求!拉环详图(主梁为工字钢)角焊缝验算:σf=N S/(h e×l w)=17.3×103/(10×100)=17.3N/mm2≤βf f t w=1.22×160=195.2N/mm2正面角焊缝的强度设计值增大系数βf=1.22符合要求!五、主梁整体稳定性验算主梁轴向力:N =[N SZ1-N SZ2]/n z=[4.843-12.233]/1=7.39kN压弯构件强度:σmax=M max/(γW)+N/A=3.961×106/(1.05×185×103)+7.39×103/3060=22.805N/mm2≤[f]=2 15N/mm2塑性发展系数γ符合要求!受弯构件整体稳定性分析:其中φb -- 均匀弯曲的受弯构件整体稳定系数:查表《钢结构设计规范》(GB50017-2003)得,φb=2.8由于φb大于0.6,根据《钢结构设计规范》(GB50017-2003)附表B,得到φb值为0.97。
40a 型工字钢盖梁抱箍支架施工方案工字钢受力和变形验算以K130+913 分离立交盖梁施工数据为例计算(全线本桥盖梁简支和悬臂跨度最大)。
工字钢计算模型按简支梁控制,盖梁全长范围内按均布荷载考虑。
40a 工字钢基本数据为:E=200Gpa,W=1090cm3,I=21700cm4,[σ]=145Mpa。
理论重量=67.598 Kg/m1、盖梁理论重量为:(20.3*2400+1986.8+496.6)*10=512034 N2、工字钢重量:67.598*(14.366+2)*2*10=22126 N3、模板重量:14.366(1.3+1.2*2)*0.005*7850*10=20863 N4、振捣混凝土及倾倒混凝土产生的荷载按桥规查得:2.0Kpa:2000*1.3*14.366=37351 N5、其他支撑材料、人员、机具荷载查桥规得:1.5 Kpa:1500*1.3*14.366=28013N6、荷载合计:512.034+22.126+20.863+65.365=620.388 KN盖梁简支中间段长度为7.662 米,两端悬臂长度为 3.352 米。
为简化计算,荷载按均布荷载考虑,单根工字钢承受的均布荷载为:620.388 /13.5/2=21.59 KN/m。
Ra=Rb=ql/2=21.59*14.366/2=155.1KN一、最大弯曲应力验算:Ma=Mb=ql2/2=21.59*1000*3.3522/2=121.3KN.mM中=RaL/2-ql2/2=155.1*7.662/2-21.59*7.1832/2=37.21 KN.mσmax=Mmax/W=121.3*1000/(1090*10-6)=111.3 Mpa<[σ]=145 Mpa二、挠度演算:1、只考虑中间段荷载时:y=-(5*ql4)/(384EI)=-(5*21.59*7.6624)/(384*200*109*21700*10-8)=22.3mm悬臂端弯矩对跨中截面产生的上挠度:y=ML2/16EI=(21.59*1000*3.352*3.352/2*7.6622)/(16*200*217000)=10.3 mm跨中最终挠度为:22.3-10.3=12 mm 方向向下f=12/7662=L/634<L/400验算通过。
关于悬挑工字钢梁的验算一、I28a 工字钢的力学特性查手册得,A=55.40cm 2,自重q=43.49kg/m,截面惯性矩I=7110cm 4,截面抵抗矩W=508cm 3。
二、建立计算模型 P 立杆承重+立杆自重三、计算按照悬臂梁受集中荷载+均布荷载情况验算 受集中荷载:弯矩M max =pl ,剪力Q max =p,挠度f max =pl 3/3EI 受均布荷载:弯矩M max =21ql 2,剪力Q max =ql,挠度f max =ql 4/8EI 根据《北引桥现浇连续箱梁专项施工方案》,P=25.738KN 。
1、抗弯M=pl+21ql 2=25.738×103×0.9+0.5×434.9×0.92 =23340.335N.Mб=M/W=23340.335/508×10-6=45.946MPa<[бw]=145MPa2、抗剪Q=p+ql=25.738×103+434.9×0.9=26133.91N[Q]=235×106×55.40×10-4=1301900NQ<[Q],所以,抗剪合格。
3、挠度E=2.1×105MPaf=pl3/3EI+ql4/8EI=25.738×103×0.93/3×2.1×105×106×7110×10-8+434.9×0.94/8×2.1×105×106×7110×10-8=4.213×10-4m根据《钢结构设计规范GB50017-2003》,悬臂结构的允许挠度值为L/250,如果是施工平台主梁,应该按照L/400计算。
[f]=L/400=2.25×10-3m。
F<[f],挠度符合要求。
钢平台设计及荷载验算书一、荷载分析根据现场施工实际情况,便桥承受荷载主要由钢桥自重荷载q 及车辆荷载。
如图1所示: q图1为简便计算,以上荷载均按照均布荷载考虑,以单片工字钢受力情况分析确定q 值。
1、q 值确定由资料查得25a 工字钢每米重38.1kg ,再加[12槽钢0.75*8*1*12.4/3.5=21.26kg 及钢板重量78.6*0.75=58.95kg ,单片工字钢自重按1.2KN/m 计算,即q1=1.2KN/m 。
车辆荷载按18+12*2.4=46.8t ,既46.8/4/3.5=33.4KN/m总荷载:Q=1.2*1.2+33.4*1.4=48.17KN/m三、结构强度检算(一)、工字钢验算已知Q=48.17K N/m ,工字钢计算跨径l =3.5m ,根据设计规范,工字钢容许弯曲应力[]w σ=210MPa.1、计算最大弯矩最大弯距(图1所示情况下):m KN m m KN ql M ⋅=⨯==76.738)5.3(/17.48822max2、验算强度正应力验算:[]MPa MPa cm m KN w M 21018340276.73/3max =<=⋅==σσ (w 为25a 工字钢净截面弹性抵抗矩,查表得到为402cm 3) 强度合格3、整体挠度验算工字钢梁容许挠度[]cm cm l f 875.0400/350400/===,而工字钢变形为整体变形,由1片工字钢为一整体进行验算,计算得到:100384q 54EI l f ⎥⎦⎤⎢⎣⎡= 其中q=48.17KN/m E=206×105/cm 2 I=5020cm 4 ()42545020/10206×100384)350(/17.485cm cm cm m KN f ⨯⨯⎥⎦⎤⎢⎣⎡⨯⨯==cm 01.0<[f] 挠度合格。
(二)、槽钢验算已知q=0.8*1.2+1.4*10*46.8/4=165KN/m ,槽钢计算跨径l =0.75m ,根据设计规范,槽钢容许弯曲应力[]w σ=210MPa.1、计算最大弯矩最大弯距(图1所示情况下):m KN m m KN ql M ⋅=⨯==6.118)75.0(/165822max 2、验算强度正应力验算:[]MPa MPa cm m KN w M 2108.1861.626.11/3max =<=⋅==σσ (w 为12槽钢净截面弹性抵抗矩,查表得到为62.1cm 3)强度合格3、整体挠度验算槽钢梁容许挠度[]cm cm f 19.0400/75400/75===,而槽钢变形为整体变形,由单侧1片槽钢为一整体进行验算,计算得到:EI l f 100384q 54⎥⎦⎤⎢⎣⎡= 其中q=165KN/m E=206×105/cm 2 I=391cm 4 ()4254391/10206100384)75(/1655cm cm cm m KN f ⨯⨯⨯⎥⎦⎤⎢⎣⎡⨯⨯==cm -410×.438<[f]挠度合格。
悬挑式扣件钢管脚手架计算书钢管脚手架的计算参照《建筑施工扣件式钢管脚手架安全技术规范》(JGJ130-2001)。
计算参数:双排脚手架,搭设高度19.6米,立杆采用单立管。
立杆的纵距0.85米,立杆的横距0.85米,内排架距离结构1.00米,立杆的步距1.80米。
采用的钢管类型为48×3.25,连墙件采用2步2跨,竖向间距3.60米,水平间距1.70米。
施工活荷载为3.0kN/m2,同时考虑2层施工。
脚手板采用木板,荷载为0.35kN/m2,按照铺设3层计算。
栏杆采用木板,荷载为0.14kN/m,安全网荷载取0.0050kN/m2。
脚手板下小横杆在大横杆上面,且主结点间增加一根小横杆。
基本风压0.55kN/m2,高度变化系数1.6700,体型系数0.6000。
悬挑水平钢梁采用16号工字钢,其中建筑物外悬挑段长度1.95米,建筑物内锚固段长度1.20米。
悬挑水平钢梁采用拉杆与建筑物拉结,最外面支点距离建筑物1.70m。
拉杆采用钢丝绳。
一、小横杆的计算小横杆按照简支梁进行强度和挠度计算,小横杆在大横杆的上面。
按照小横杆上面的脚手板和活荷载作为均布荷载计算小横杆的最大弯矩和变形。
1.均布荷载值计算小横杆的自重标准值 P1=0.038kN/m脚手板的荷载标准值 P2=0.350×0.850/2=0.149kN/m活荷载标准值 Q=3.000×0.850/2=1.275kN/m荷载的计算值 q=1.2×0.038+1.2×0.149+1.4×1.275=2.010kN/m小横杆计算简图2.抗弯强度计算最大弯矩考虑为简支梁均布荷载作用下的弯矩计算公式如下:M=2.010×0.8502/8=0.181kN.m小横杆的计算强度小于205.0N/mm2,满足要求!3.挠度计算最大挠度考虑为简支梁均布荷载作用下的挠度计算公式如下:荷载标准值q=0.038+0.149+1.275=1.462kN/m简支梁均布荷载作用下的最大挠度V=5.0×1.462×850.04/(384×2.06×105×114920.0)=0.420mm小横杆的最大挠度小于850.0/150与10mm,满足要求!二、大横杆的计算大横杆按照三跨连续梁进行强度和挠度计算,小横杆在大横杆的上面。
6.2.1、I25a 工字钢横向分配梁验算:I25a 工字钢截面参数:截面面积248.51A cm = 单位重量38.08/g kg m =截面惯性矩45017I cm = 截面抵抗矩3401.4W cm =半截面面积矩3230.7S cm = 翼缘平均厚 0.8w t cm =。
选择最不利工况,将荷载换算成88.8t 重车,横向轮距为2m ,履带长度4.6m 。
I25a 布置间距为150cm ,可知3根I25a 直接受力,则每根横梁受力为: P 活=88.8/3=29.6t=296KN恒载:桥面板和横梁自重q 恒=(8.4×15×79+8.4/0.3×15×13.987)÷(10×8.4)=188.4kg/m=1.9KN/m通过结构力学求解器建模:计算得到:弯矩图剪力图最大弯矩为:24.27KNm ,最大剪力为:89.5KN 。
弯曲应力:σ=M/W=24.27×106/401400 =60.5 MPa <140 MPa剪应力:τ= V 总/A =89.5×103/4851 =18.5 MPa <85 MPa满足规范要求。
6.2.2、I12工字钢纵向分配梁验算:I12a 工字钢截面参数:截面面积218.1A cm = 单位重量14.21/g kg m =截面惯性矩4488I cm = 截面抵抗矩377.4W cm =半截面面积矩344.2S cm = 翼缘平均厚 0.5w t cm =。
选择最不利工况,将荷载换算成88.8t 重车,履带宽度0.8m ,履带长度4.6m 。
I12布置间距问30cm ,可知2根I12直接受力。
I25a 布置间距为150cm ,可知3根I25a 直接受力,则每根横梁受力为:P 活=88.8/(2×2)=22.2t=222KN q 活=222/4.6=48.3KN/m恒载:桥面板和横梁自重q 恒=(15×8.4×79)÷(26×15)=25.5kg/m=0.3KN/m 。
工字钢棚支护验算根据《省能源局关于进一步开展煤矿顶板管理专项整治工作的的通知》黔能源煤安2023[78]号文要求,“井下新开掘巷道不得采用梯形棚支架支护。
对已采用梯形棚支护的巷道,必须验证支架的支护强度是否满足巷道围岩压力控制等要求,经验证不能有效控制巷道围岩变形的,必须采取加强支护措施。
”结合XX 煤矿现场实际对井下使用工字钢支护巷道进行以下计算验证,通过理论计算,确定合理的工字钢棚间距,确保工字钢棚支护效果。
1 矿用工字钢梯形支架梁受力分析1.1梁的最大弯矩计算根据梁的弯曲内力计算公式,计算x 点处梁的弯矩为:x q x ql M 222-= (1) 最大弯矩在梁的中点截面处 ,值为:82max ql M = (2)式中 :Mmax 为顶梁受到的最大弯矩,q 为工字钢梁所受均布载荷,l 为工字钢梁不含棚爪部分的净跨长度。
1.2 最大拉应力计算最大正应力δmax 为:W M 2maxmax =δ (3)式中 Mmax 为顶梁所受最大弯矩,W 2为顶梁抗弯截面模量,查表可得。
1.3 工字钢顶梁压力计算将(2)式代入(3)得顶梁受到的压力为:lW q 22max8δ= 式中 δmax 若取顶梁的屈服强度,计算所得为梁的使用载荷,若取顶梁的抗拉强度,计算得出的是梁的破坏载荷。
1.4 工字钢顶梁受载后最大弯曲下沉值根据简支梁挠曲线方程得:)2(24223x x l l EIqx y +--= (5) 梁的中点为最大挠度处,以x=l/2 代入上式得到,工字钢顶梁的最大下沉值|y|max:EI q l y 28352m ax = (6) 式中E 为工字钢弹性模量;I 为工字钢惯性矩,l 为工字钢净长度。
2.11号工字钢承受载荷的理论计算2.1工字钢顶梁受到的压力计算XX 煤矿井下巷道工字钢棚顶梁跨长为4.2 m 、材质为20MnK 的矿用11号工字钢,查表得其屈服强度δs 为355 MPa ,抗拉强度δb 为510MPa,11号工字钢抗弯截面模量Wz 为113.4×10-6m 4。
a=0.2m b=5.6m c=0.2m码头结构受力验算临时码头是河中施工的平台,码头上要承受履带式旋挖钻机、混凝土罐车运输混凝土、汽车吊起吊等机械正常施工运转。
取其中最大荷载验算,履带式旋挖钻机自重78t 为最大荷载,故取旋挖钻机验算。
旋挖钻机履带宽0.8m 、着地长度为5.6m ,两履带内间距间距2.4m 。
纵向分配梁验算均布荷载桥面板qa=7.85×0.008×6=0.377KN/mI32b 工字钢纵向分配梁:qh=0.577KN/m均布荷载为:q=0.954KN/m车辆荷载纵向分布梁间距为0.5m 架在最大间距6m 的横梁上,旋挖钻机的履带宽0.8米需压在2根工字钢上,则每根纵向分配梁的分布荷载为:m KN /5.326/)4780/(P ==。
按单跨简支梁计算,取汽车荷载在横向分配梁跨中时验算,计算模型如图1所示。
图1I32b 工字钢纵向分配梁弯矩验算查路桥施工计算手册得:mKN b a x l cx Pb q ∗=×−×××+××=−−+=493.113]6.52/8.26/32.0[6.55.326954.0125.0]2)([l 1/8Mmax 2222纵向分布梁抗弯模量3727cm w =235MPa ][11.156)10727.0/(493.113/W M 03max max =<=×==−σσMPa 满足要求。
剪力验算查路桥施工计算手册得:KN49.86)6.5/8.26/2.0(6.55.326954.05.0a)/b)-(x -Pb(c/l ql/2Q max =−××+××=+=Mpa 4.175.111011626102.2691049.86))/(I S Q (433m m max max =×××××==δτ<[τ]=100MPa 满足施工要求。
盖梁荷载验算(45a工字钢)盖梁采用抱箍法施工,墩柱完成后,在墩柱上安装抱箍,然后在抱箍上安装横向的I45a工字钢,工字钢上满铺4m长12cm×15cm的方木,然后方木上铺设竹胶板底模。
盖梁侧模(前后面)采用定型钢模,左右两侧面采用竹胶板。
以爬坡车道侧的盖梁进行验算(此幅盖梁宽度最大),盖梁立面图如下:12.451.3257.6 1.1 1.3251.1盖梁立面图一、工字钢验算45a工字钢计算参数如下:E=2.1×105MPa,W=1432.9cm3,I=32241cm4,单位重为80.38Kg/m1、受力分析盖梁工字钢长度为15m,盖梁长12.45m。
工字钢受力示意图如下:q2.57.6 2.5工字钢受力示意图2、荷载计算作用于工字钢的荷载有:(1)、施工时钢筋混凝土重量38.5m ³×26KN/m ³=1001KN ;(2)、模板及方木、钢管重量;①侧模钢模重量:面积为38.5㎡,重量为57.8KN ;②底模及侧模1.5cm 厚竹胶板重量:面积为20.3㎡,重量为2.1KN ;③铺设5cm 厚脚手板重量:面积为35.1㎡,重量为12.3KN ; ④模板Φ48钢管背楞重量:长度48m ,重量1.92KN ;⑤防护Φ48钢管重量:长度79m ,重量3.16KN ;⑥模板10×10方木背楞重量:长度49m ,重量3.43KN ;⑦10×10方木托架重量:长度14m ,重量0.98KN ;⑧工字钢上满铺12×15方木重量:长度458m ,重量57.71KN ; 合计为139.4KN ;(3)、施工时人员、设备重量10KN ;(4)、振捣砼时产生荷载2KN/㎡×12.45m ×2m=49.8KN ;荷载总共为1.2×1001+1.2×139.4+1.4×10+1.4×49.8=1452.2KN 。
工字钢受力验算
————————————————————————————————作者: ————————————————————————————————日期:
ﻩ
悬挑梁受力验算
一、原悬挑梁验算
1、基本参数
主梁离地高度(m) 25.2悬挑方式普通主梁悬挑主梁间距(mm) 1500主梁与建筑物连接方式平铺在楼板上锚固点设置方式压环钢筋压环钢筋直径d(mm)16
主梁建筑物外悬挑长度L x(mm) 1250 主梁外锚固点到建筑物边缘的距离a(
mm)
100
主梁建筑物内锚固长度Lm(mm) 1600 梁/楼板混凝土强度等级C25
2、荷载布置参数
作用点号各排立杆传至梁上荷载标准
值F'(kN)
各排立杆传至梁上荷载设计
值F(kN)
各排立杆距主梁外锚固点水
平距离(mm)
主梁间距l a(mm)
1 8.27 10.35 4001500 28.27 10.351200 1500 附图如下:
平面图
立面图
3、主梁验算
主梁材料类型工字钢主梁合并根数nz 1
主梁材料规格16号工字钢主梁截面积A(cm2) 26.1
主梁截面惯性矩Ix(cm4)1130 主梁截面抵抗矩Wx(cm3) 141
215
主梁自重标准值gk(kN/m)0.205 主梁材料抗弯强度设计值[f](N/mm
2)
125 主梁弹性模量E(N/mm2) 206000主梁材料抗剪强度设计值[τ](N/m
m2)
主梁允许挠度[ν](mm) 1/250
荷载标准值:
q'=g k=0.205=0.205kN/m
第1排:F'1=F1'/nz=8.27/1=8.27kN
第2排:F'2=F2'/nz=8.27/1=8.27kN
荷载设计值:
q=1.2×g k=1.2×0.205=0.246kN/m
第1排:F1=F1/n z=10.35/1=10.35kN
第2排:F2=F2/nz=10.35/1=10.35kN
3.1、强度验算
弯矩图(kN·m)
σmax=Mmax/W=16.752×106/141000=118.81N/mm2≤[f]=215N/mm2 符合要求!
3.2、抗剪验算
剪力图(kN)
τmax=Qmax/(8Izδ)[bh02-(b-δ)h2]=21.007×1000×[88×1602-(88-6)×140.22]/(8××6)=24.827N/mm2
τmax=24.827N/mm2≤[τ]=125N/mm2
符合要求!
3.3、挠度验算
变形图(mm)
νmax=6.331mm≤[ν]=2×lx/250=2×1250/250=10mm 符合要求!
二、荷载加至1.5倍情况下悬挑梁验算
荷载设计值:
q=1.2×gk=1.2×0.205=0.246kN/m
第1排:F1=1.5×F1/nz=10.35/1=15.53kN
第2排:F2=1.5×F2/n z=10.35/1=15.53kN
1、强度验算
弯矩图(kN·m)
σmax=Mmax/W=25.04×106/141000=177.6N/mm2≤[f]=215N/mm2
符合要求!
2、抗剪验算
剪力图(kN)
τmax=Q max/(8Izδ)[bh02-(b-δ)h2]=31.37×1000×[88×1602-(88-6)×140.22]/(8××6)=37.074N/mm2
τmax=37.074N/mm2≤[τ]=125N/mm2
符合要求!
3、挠度验算
变形图(mm)
νmax=6.331mm≤[ν]=2×l x/250=2×1250/250=10mm
符合要求!。