螺栓拧紧力矩标准-全
- 格式:doc
- 大小:122.00 KB
- 文档页数:8
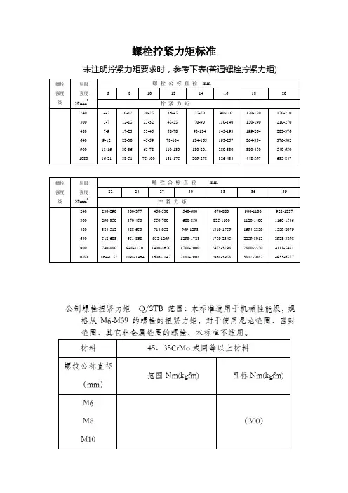
螺栓拧紧力矩标准篇一:螺栓拧紧力矩标准-全螺栓拧紧力矩标准未注明拧紧力矩要求时,参考下表(普通螺栓拧紧力矩)公制螺栓扭紧力矩 Q/STB 12.521.5-2000范围:本标准适用于机械性能10.9级,规格从M6-M39的螺栓的扭紧力矩,对于使用尼龙垫圈、密封垫圈、其它非金属垫圈的螺栓,本标准不适用。
★对于图纸有明确力矩要求的,应按图纸要求执行。
套管螺母紧固力矩Q/STBB07833-1998 材料HPb63-3Y2直通式压注油杯 Q/STB B07020-1998(螺纹M6、M8*1、M10*1)紧固力矩:0.3-0.5Kg.m。
安全阀Q/STBB07029-1998(螺纹R1/8)紧固力矩:2.9-4.9Nm。
通气塞 Q/STBB07030-1998 (螺纹R1/4)紧固力矩:2.94-5.88Nm。
螺塞 Q/STB B07040-1998(公称直径08-10螺距1.25,12-36螺距1.5)螺栓(排气) Q/STB B07060-1998(M12*1.5)紧固力矩:58.8-78.4N.m。
软管(锥形密封)Q/STB B07100-1998软管(锥形密封) Q/STB B07123-1998(接头部螺母拧紧力矩)螺母(球头式管接头用) Q/STBB07201-1998 拧紧力矩:N.m 材料:(Q235)管接头螺母 Q/STBB07202-1998拧紧力矩(Q235 / HPb 59-1)铰接螺栓 Q/STB B07206-1998 拧紧力矩(Q235)球头式端直通接头 Q/STB B07211-1998 拧紧力矩(Q235 HPb 60-1 )表中拧紧力矩适用于钢制接头管接头 Q/STB B07212-1998篇二:螺栓拧紧力矩标准及计算详解螺栓拧紧力矩标准及计算详解螺栓拧紧力矩是选定螺栓类型、式样的重要依据。
对于标准的螺栓,有固定的螺栓拧紧力矩范围的,可以根据此范围来选定螺栓。
下面,世界泵阀网为大家汇总螺栓拧紧力矩标准及计算详解,以供学习参考。
螺栓拧紧力矩标准M6~M24螺钉或螺母的拧紧力矩(操作者参考)未注明拧紧力矩要求时,参考下表(普通螺栓拧紧力矩)未注明拧紧力矩要求时,参考下表(普通螺栓拧紧力矩)公制螺栓扭紧力矩Q/STB 12.521.5-2000范围:本标准适用于机械性能10.9级,规格从M6-M39的螺栓的扭紧力矩,对于使用尼龙垫圈、密封垫圈、其它非金属垫圈的螺栓,本标准不适用。
★对于设计图纸有明确力矩要求的,应按图纸要求执行。
套管螺母紧固力矩Q/STB B07833-1998材料HPb63-3Y2直通式压注油杯Q/STB B07020-1998(螺纹M6、M8*1、M10*1)紧固力矩:0.3-0.5Kg.m。
安全阀Q/STB B07029-1998(螺纹R1/8)紧固力矩:2.9-4.9Nm。
通气塞Q/STB B07030-1998 (螺纹R1/4)紧固力矩:2.94-5.88Nm。
螺塞Q/STB B07040-1998(公称直径08-10螺距1.25,12-36螺距1.5)螺栓(排气)Q/STB B07060-1998(M12*1.5)紧固力矩:58.8-78.4N.m。
软管(锥形密封)Q/STB B07100-1998软管(锥形密封)Q/STB B07123-1998(接头部螺母拧紧力矩)螺母(球头式管接头用)Q/STB B07201-1998 拧紧力矩:N.m 材料:(Q235)管接头螺母Q/STB B07202-1998拧紧力矩(Q235 / HPb 59-1)铰接螺栓Q/STB B07206-1998拧紧力矩(Q235)球头式端直通接头Q/STB B07211-1998 拧紧力矩(Q235 HPb 60-1 )表中拧紧力矩适用于钢制接头管接头Q/STB B07212-1998紧固力矩(区分代号为5、7的件材料Q235)套管螺母Q/STB B07221-1998拧紧力矩(材料Q235)管接头Q/STB B07230-1998拧入紧固力矩(Q235)弯头(带座)Q/STB B07235-1998 、B07236-1998 拧紧力矩喉箍Q/STB B07281-1998拧紧力矩U形管夹及座Q/STB B07283-1998螺母的紧固力矩(区分代号2、3使用)管夹Q/STB B07289-1998(有效紧固直径φ25-φ232) 紧固力矩:8.8±05Nm套管接头Q/STB B07290-1998套管螺母Q/STB B07833-1998软管(空调器用)Q/STB B09488-1998。
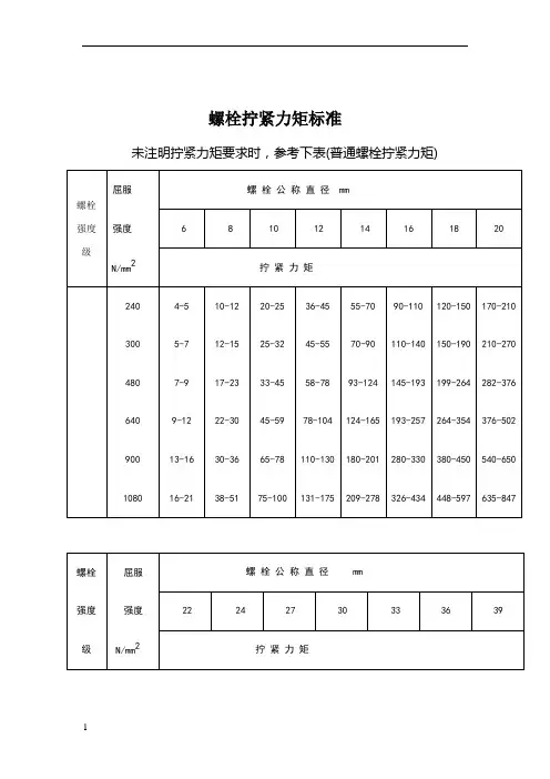
螺栓拧紧力矩标准未注明拧紧力矩要求时,参考下表(普通螺栓拧紧力矩)公制螺栓扭紧力矩Q/STB 12.521.5-2000 范围:本标准适用于机械性能10.9 级,规格从M6-M39 的螺栓的扭紧力矩,对于使用尼龙垫圈、密封垫圈、其它非金属垫圈的螺栓,本标准不适用。
★对于设计图纸有明确力矩要求的,应按图纸要求执行套管螺母紧固力矩Q/STB B07833-1998材料HPb63-3Y2直通式压注油杯Q/STB B07020-1998 (螺纹M6 、M8*1 、M10*1 )紧固力矩:0.3-0.5Kg.m 。
安全阀Q/STB B07029-1998 (螺纹R1/8 )紧固力矩:2.9-4.9Nm 。
通气塞Q/STB B07030-1998 (螺纹R1/4 )紧固力矩:2.94-5.88Nm 。
螺塞Q/STB B07040-1998 (公称直径08-10 螺距1.25 ,12-36 螺距1.5 )螺栓(排气)Q/STB B07060-1998 (M12*1.5 )紧固力矩:58.8-78.4N.m 。
软管(锥形密封)Q/STB B07100-1998软管(锥形密封)Q/STB B07123-1998接头部螺母拧紧力矩)螺母(球头式管接头用)Q/STB B07201-1998 拧紧力矩:N.m 材料:(Q235 )管接头螺母Q/STB B07202-1998拧紧力矩( Q235 / HPb 59-1 )铰接螺栓Q/STB B07206-1998拧紧力矩(Q235 )球头式端直通接头Q/STB B07211-1998拧紧力矩(Q235 HPb 60-1 )表中拧紧力矩适用于钢制接头管接头Q/STB B07212-1998 紧固力矩(区分代号为5、7 的件材料Q235 )套管螺母Q/STB B07221-1998拧紧力矩(材料Q235 )管接头Q/STB B07230-1998 拧入紧固力矩(Q235 )弯头(带座)Q/STB B07235-1998 、B07236-1998拧紧力矩喉箍Q/STB B07281-1998拧紧力矩U 形管夹及座Q/STB B07283-1998 螺母的紧固力矩(区分代号2、3 使用)管夹Q/STB B07289-1998(有效紧固直径φ 25- φ232)紧固力矩:8.8 ±05Nm套管接头Q/STB B07290-1998套管螺母Q/STB B07833-1998软管(空调器用)Q/STB B09488-1998。
螺栓拧紧力矩标准M6~M24 螺钉或螺母的拧紧力矩(操作者参考)螺纹公称直径尺寸d/mm 施加在扳手上的拧紧力矩 M/N.m施力操作要领螺纹公称直径尺寸d/mm施加在扳手上的拧紧力矩M/N.m施力操作要领M6 M8 M10 M123.58.316.428.5只加腕力加腕力、肘力加全身臂力加上半身力M16M20M2471137235加全身力压上全身重量压上全身重量未注明拧紧力矩要求时,参考下表(普通螺栓拧紧力矩)螺栓强度级屈服强度N/mm2螺栓公称直径mm6 8 10 12 14 16 18 20拧紧力矩N.m4.65.66.8 8.8 10.9 12.9 24030048064090010804-55-77-99-1213-1616-2110-1212-1517-2322-3030-3638-5120-2525-3233-4545-5965-7875-10036-4545-5558-7878-104110-130131-17555-7070-9093-124124-165180-201209-27890-110110-140145-193193-257280-330326-434120-150150-190199-264264-354380-450448-597170-210210-270282-376376-502540-650635-847螺栓强度级屈服强度N/mm2螺栓公称直径mm22 24 27 30 33 36 39拧紧力矩N.m4.65.66.8 8.8 10.9 12.9 2403004806409001080230-290290-350384-512512-683740-880864-1152300-377370-450488-650651-868940-11201098-1464450-530550-700714-952952-12691400-16501606-2142540-680680-850969-12931293-17231700-20002181-2908670-880825-11001319-17591759-23452473-32982968-3958900-11001120-14001694-22592259-30122800-33503812-5082928-12371160-15461559-20792923-38984111-54814933-6577公制螺栓扭紧力矩 Q/STB 12.521.5-2000范围:本标准适用于机械性能10.9级,规格从M6-M39的螺栓的扭紧力矩,对于使用尼龙垫圈、密封垫圈、其它非金属垫圈的螺栓,本标准不适用。
螺栓拧紧力矩国家标准
需要强调的是:拧紧力矩和破坏扭力是两个概念,拧紧力(矩)是指螺丝拧入工件的建议值;破坏扭力(即破坏扭矩)指将螺丝拧断的最小值(详见紧固件的破坏扭矩标准GB3098.13),很显然,拧紧力矩是少于破坏扭矩的。
公制螺栓扭紧力矩 Q/STB 12.521.5-2000
范围:本标准适用于机械性能10.9级,规格从M6-M39的螺栓的扭紧力矩,对于使用尼龙垫圈、密封垫圈、其它非金属垫圈的螺栓,本标准不适用。
在专业的螺栓紧固装配中,一般都配有标准扳手,不同的直径规格的螺栓使用不同长度的扳手。
扳手长度为螺栓直径的15倍左右,在这个基础上使用专业的力学工具可以体现准确的拧紧力矩,达到量化的预紧力,对於一些关键件和重要件尤为重要。
一旦使用大规格长扳手拧紧小规格的螺栓,往往会造成拉过紧,破坏零件本身使
整个连接构件失效。
在拧紧螺母时,两个或者多个零件被压紧,零件自身被压缩,就像弹簧的压缩变形一样,在螺母和螺栓与装配件之间的接触表面零件自身会产生很大的力,这个力会使得螺栓发生拉仲变形,经计算该应力是简单的轴向拉力的1.3倍,螺栓产生的拉应力超过材料的强度极限时,螺栓就被拉断了。
仅仅按操作者的经验进行螺栓的紧固,对於批量生产的产品是非常不科学的。
对於长扳手拧紧小螺栓时,更应该注意预紧力的大小,避免发生过度预紧的现象。
螺栓拧紧力矩标准M6~M24螺钉或螺母的拧紧力矩操作者参考未注明拧紧力矩要求时,参考下表普通螺栓拧紧力矩未注明拧紧力矩要求时,参考下表普通螺栓拧紧力矩公制螺栓扭紧力矩Q/STB 范围:本标准适用于机械性能级,规格从M6-M39的螺栓的扭紧力矩,对于使用尼龙垫圈、密封垫圈、其它非金属垫圈的螺栓,本标准不适用;★对于设计图纸有明确力矩要求的,应按图纸要求执行;套管螺母紧固力矩Q/STB B07833-1998材料HPb63-3Y2直通式压注油杯Q/STB B07020-1998螺纹M6、M81、M101 紧固力矩:-0.5Kg;安全阀Q/STB B07029-1998 螺纹R1/8紧固力矩:;通气塞Q/STB B07030-1998 螺纹R1/4紧固力矩:;螺塞Q/STB B07040-1998公称直径08-10螺距,12-36螺距螺栓排气Q/STB B07060-1998M12紧固力矩:;软管锥形密封Q/STB B07100-1998软管锥形密封Q/STB B07123-1998接头部螺母拧紧力矩螺母球头式管接头用Q/STB B07201-1998 拧紧力矩:材料:Q235管接头螺母Q/STB B07202-1998拧紧力矩Q235 / HPb 59-1铰接螺栓Q/STB B07206-1998拧紧力矩Q235球头式端直通接头Q/STB B07211-199860-1拧紧力矩Q235 HPb管接头Q/STB B07212-1998紧固力矩区分代号为5、7的件材料Q235套管螺母Q/STB B07221-1998拧紧力矩材料Q235管接头Q/STB B07230-1998拧入紧固力矩Q235弯头带座Q/STB B07235-1998 、B07236-1998 拧紧力矩喉箍Q/STB B07281-1998拧紧力矩U形管夹及座Q/STB B07283-1998螺母的紧固力矩区分代号2、3使用管夹Q/STB B07289-1998有效紧固直径φ25-φ232 紧固力矩:±05Nm套管接头Q/STB B07290-1998套管螺母Q/STB B07833-1998B09488-1998软管空调器用Q/STB。
螺栓拧紧力矩标准未注明拧紧力矩要求时,参考下表(普通螺栓拧紧力矩)公制螺栓扭紧力矩Q/STB 范围:本标准适用于机械性能级,规格从M6-M39的螺栓的扭紧力矩,对于使用尼龙垫圈、密封垫圈、其它非金属垫圈的螺栓,本标准不适用。
★对于设计图纸有明确力矩要求的,应按图纸要求执行。
套管螺母紧固力矩Q/STB B07833-1998材料HPb63-3Y2直通式压注油杯Q/STB B07020-1998(螺纹M6、M8*1、M10*1)紧固力矩:-0.5Kg。
安全阀Q/STB B07029-1998(螺纹R1/8)紧固力矩:。
通气塞 Q/STB B07030-1998 (螺纹R1/4) 紧固力矩:。
螺塞 Q/STB B07040-1998(公称直径08-10螺距,12-36螺距)螺栓(排气) Q/STB B07060-1998(M12*) 紧固力矩:。
软管(锥形密封)Q/STBB07100-1998软管(锥形密封) Q/STB B07123-1998 (接头部螺母拧紧力矩)螺母(球头式管接头用)Q/STB B07201-1998 拧紧力矩:材料:(Q235)管接头螺母Q/STB B07202-1998拧紧力矩(Q235 / HPb 59-1)拧紧力矩(Q235)球头式端直通接头Q/STB B07211-1998拧紧力矩(Q235 HPb 60-1 )表中拧紧力矩适用于钢制接头管接头Q/STB B07212-1998紧固力矩(区分代号为5、7的件材料Q235)拧紧力矩(材料Q235)管接头Q/STB B07230-1998拧入紧固力矩(Q235)弯头(带座)Q/STB B07235-1998 、B07236-1998 拧紧力矩喉箍Q/STB B07281-1998拧紧力矩U 形管夹及座 Q/STB B07283-1998 螺母的紧固力矩(区分代号2、3使用)管夹 Q/STB B07289-1998(有效紧固直径φ25-φ232) 紧固力矩:±05Nm套管接头 Q/STB B07290-1998套管螺母 Q/STB B07833-1998软管(空调器用)Q/STB B09488-1998。
螺栓拧紧力矩国家标准
在装配中指的就是螺钉的紧固力的大小,在扭矩扳手时紧固螺丝时,用力F和扭矩扳手的长度L之积结果就是紧固力矩的大小,当然,扭矩扳手的力是可以设定
一、不同的螺钉拧紧力矩参考值
表1摘录和整理于机械设计手册,它是依螺纹连接拧紧力矩计算方法而得,它的计算主要考虑了螺钉螺纹的承受力,即在没有滑牙和拧断螺钉的情况下,从螺钉螺纹的强度考虑,对于电子装配中的静载荷,拧紧力矩要取破坏力矩的0.8:1 以下。
螺纹类型螺钉规格(mm)
螺钉拧紧力矩参考值M(N m)
8.8级 10.9级 12.0级
粗牙 M2 0.3 0.4 0.45
M2.5 0.6 0.8 0.9
M3 1.2 1.5 1.8
M3.5 2.2 2.5 3
M4 3.0 4.4 5.1
M5 5.9 8.7 10
M6 10 16 18
M8 25 36 43
范围:。
螺栓拧紧力矩标准未注明拧紧力矩要求时,参考下表(普通螺栓拧紧力矩)公制螺栓扭紧力矩 Q/STB 范围:本标准适用于机械性能级,规格从M6-M39的螺栓的扭紧力矩,对于使用尼龙垫圈、密封垫圈、其它非金属垫圈的螺栓,本标准不适用。
★对于设计图纸有明确力矩要求的,应按图纸要求执行。
套管螺母紧固力矩 Q/STB B07833-1998材料 HPb63-3Y2直通式压注油杯 Q/STB B07020-1998(螺纹M6、M8*1、M10*1)紧固力矩:-0.5Kg。
安全阀 Q/STB B07029-1998(螺纹R1/8)紧固力矩:。
通气塞 Q/STB B07030-1998 (螺纹R1/4)紧固力矩:。
螺塞 Q/STB B07040-1998(公称直径08-10螺距,12-36螺距)螺栓(排气) Q/STB B07060-1998(M12*)紧固力矩:。
软管(锥形密封)Q/STB B07100-1998软管(锥形密封) Q/STB B07123-1998(接头部螺母拧紧力矩)螺母(球头式管接头用) Q/STB B07201-1998 拧紧力矩:材料:(Q235)管接头螺母 Q/STB B07202-1998拧紧力矩(Q235 / HPb 59-1)铰接螺栓 Q/STB B07206-1998拧紧力矩(Q235)球头式端直通接头 Q/STB B07211-1998拧紧力矩(Q235 HPb 60-1 )表中拧紧力矩适用于钢制接头管接头 Q/STB B07212-1998紧固力矩(区分代号为5、7的件材料Q235)套管螺母 Q/STB B07221-1998拧紧力矩(材料Q235)管接头 Q/STB B07230-1998拧入紧固力矩(Q235)弯头(带座) Q/STB B07235-1998 、 B07236-1998拧紧力矩喉箍 Q/STB B07281-1998拧紧力矩U形管夹及座 Q/STB B07283-1998、3使用)螺母的紧固力矩(区分代号 2紧固力矩:±05Nm套管接头 Q/STB B07290-1998套管螺母 Q/STB B07833-1998软管(空调器用) Q/STB B09488-1998。
螺栓拧紧力矩标准■全螺栓拧紧力矩标准未注明拧紧力矩要求时,参考下表(普通螺栓拧紧力矩)公制螺栓扭紧力矩Q/STB 12.521.5-2000范围:本标准适用于机械性能10.9级,规格从M6-M39的螺栓的扭紧力矩,对于使用尼龙垫圈、密封垫圈、其它非金属垫圈的螺栓,本标准不适用。
★对于设计图纸有明确力矩要求的,应按图纸要求执行套管螺母紧固力矩Q/STB B07833-1998材料HPb63-3Y2直通式压注油杯Q/STB B07020-199&螺纹M6、M8*1、M10*1)紧固力矩:0.3-0.5Kg.m安全阀Q/STB B07029-1998(螺纹R1/8)紧固力矩:2.9-4.9Nmo通气塞Q/STB B07030-1998 (螺纹R1/4)紧固力矩:2.94-5.88Nm。
螺塞Q/STB B07040-1998(公称直径08-10螺距 1.25, 12-36螺距 1.5)螺栓(排气) Q/STB B07060-1998( M12*1.5)紧固力矩:58.8-78.4N.m软管(锥形密封)Q/STB B07100-1998软管(锥形密封)Q/STB B07123-1998(接头部螺母拧紧力矩)螺母(球头式管接头用)Q/STB B07201-1998 拧紧力矩:N.m 材料:(Q235)管接头螺母Q/STB B07202-1998拧紧力矩(Q235 / HPb 59-1 )铰接螺栓Q/STB B07206-1998拧紧力矩(Q235)球头式端直通接头Q/STB B07211-1998拧紧力矩(Q235 HPb 60-1 )表中拧紧力矩适用于钢制接头管接头Q/STB B07212-1998紧固力矩(区分代号为5、7的件材料Q235)套管螺母Q/STB B07221-1998拧紧力矩(材料Q235)管接头Q/STB B07230-1998拧入紧固力矩(Q235)弯头(带座)Q/STB B07235-1998、B07236-1998 拧紧力矩喉箍Q/STB B07281-1998拧紧力矩U 形管夹及座Q/STB B07283-1998螺母的紧固力矩(区分代号2、3使用)管夹Q/STB B07289-1998有效紧固直径© 25-牡32) 紧固力矩:8.8± 05Nm套管接头Q/STB B07290-1998套管螺母Q/STB B07833-1998软管(空调器用)Q/STB B09488-1998。
螺栓拧紧力矩及标准(共8页) -本页仅作为预览文档封面,使用时请删除本页-螺栓拧紧力矩标准M6~M24螺钉或螺母的拧紧力矩(操作者参考)未注明拧紧力矩要求时,参考下表(普通螺栓拧紧力矩)未注明拧紧力矩要求时,参考下表(普通螺栓拧紧力矩)公制螺栓扭紧力矩 Q/STB 范围:本标准适用于机械性能级,规格从M6-M39的螺栓的扭紧力矩,对于使用尼龙垫圈、密封垫圈、其它非金属垫圈的螺栓,本标准不适用。
★对于设计图纸有明确力矩要求的,应按图纸要求执行。
套管螺母紧固力矩 Q/STB B07833-1998材料 HPb63-3Y2直通式压注油杯 Q/STB B07020-1998(螺纹M6、M8*1、M10*1)紧固力矩:。
安全阀 Q/STB B07029-1998(螺纹R1/8)紧固力矩:。
通气塞 Q/STB B07030-1998 (螺纹R1/4)紧固力矩:。
螺塞 Q/STB B07040-1998(公称直径08-10螺距,12-36螺距)螺栓(排气) Q/STB B07060-1998(M12*)紧固力矩:。
软管(锥形密封)Q/STB B07100-1998软管(锥形密封) Q/STB B07123-1998(接头部螺母拧紧力矩)螺母(球头式管接头用) Q/STB B07201-1998 拧紧力矩:材料:(Q235)管接头螺母 Q/STB B07202-1998拧紧力矩(Q235 / HPb 59-1)铰接螺栓 Q/STB B07206-1998拧紧力矩(Q235)球头式端直通接头 Q/STB B07211-1998拧紧力矩(Q235 HPb 60-1 )表中拧紧力矩适用于钢制接头管接头 Q/STB B07212-1998紧固力矩(区分代号为5、7的件材料Q235)套管螺母 Q/STB B07221-1998拧紧力矩(材料Q235)管接头 Q/STB B07230-1998拧入紧固力矩(Q235)弯头(带座) Q/STB B07235-1998 、 B07236-1998拧紧力矩喉箍 Q/STB B07281-1998拧紧力矩U形管夹及座 Q/STB B07283-1998螺母的紧固力矩(区分代号 2、3使用)管夹 Q/STB B07289-1998(有效紧固直径φ25-φ232)紧固力矩:±05Nm套管接头 Q/STB B07290-1998套管螺母 Q/STB B07833-1998软管(空调器用) Q/STB B09488-1998。
螺栓拧紧力矩标准未注明拧紧力矩要求时,参考下表(普通螺栓拧紧力矩)公制螺栓扭紧力矩Q/STB 12.521.5-2000范围:本标准适用于机械性能10.9级,规格从M6-M39的螺栓的扭紧力矩,对于使用尼龙垫圈、密封垫圈、其它非金属垫圈的螺栓,本标准不适用。
★对于设计图纸有明确力矩要求的,应按图纸要求执行。
套管螺母紧固力矩Q/STB B07833-1998材料HPb63-3Y2直通式压注油杯Q/STB B07020-1998(螺纹M6、M8*1、M10*1)紧固力矩:0.3-0.5Kg.m。
安全阀Q/STB B07029-1998(螺纹R1/8)紧固力矩:2.9-4.9Nm。
通气塞Q/STB B07030-1998 (螺纹R1/4)紧固力矩:2.94-5.88Nm。
螺塞Q/STB B07040-1998(公称直径08-10螺距1.25,12-36螺距1.5)螺栓(排气)Q/STB B07060-1998(M12*1.5)紧固力矩:58.8-78.4N.m。
软管(锥形密封)Q/STB B07100-1998软管(锥形密封)Q/STB B07123-1998(接头部螺母拧紧力矩)螺母(球头式管接头用)Q/STB B07201-1998 拧紧力矩:N.m 材料:(Q235)管接头螺母Q/STB B07202-1998拧紧力矩(Q235 / HPb 59-1)铰接螺栓Q/STB B07206-1998拧紧力矩(Q235)球头式端直通接头Q/STB B07211-1998 拧紧力矩(Q235 HPb 60-1 )表中拧紧力矩适用于钢制接头管接头Q/STB B07212-1998紧固力矩(区分代号为5、7的件材料Q235)套管螺母Q/STB B07221-1998拧紧力矩(材料Q235)管接头Q/STB B07230-1998拧入紧固力矩(Q235)弯头(带座) Q/STB B07235-1998 、 B07236-1998 拧紧力矩喉箍 Q/STB B07281-1998 拧紧力矩U 形管夹及座Q/STB B07283-1998 螺母的紧固力矩(区分代号 2、3使用)管夹 Q/STB B07289-1998(有效紧固直径φ25-φ232)紧固力矩:8.8±05Nm套管接头Q/STB B07290-1998套管螺母Q/STB B07833-1998软管(空调器用)Q/STB B09488-1998。
螺栓拧紧力矩标准未注明拧紧力矩要求时,参考下表(普通螺栓拧紧力矩)公制螺栓扭紧力矩Q/STB 12.521.5-2000范围:本标准适用于机械性能10.9级,规格从M6-M39的螺栓的扭紧力矩,对于使用尼龙垫圈、密封垫圈、其它非金属垫圈的螺栓,本标准不适用。
★对于设计图纸有明确力矩要求的,应按图纸要求执行。
套管螺母紧固力矩Q/STB B07833-1998材料HPb63-3Y2直通式压注油杯Q/STB B07020-1998(螺纹M6、M8*1、M10*1)紧固力矩:0.3-0.5Kg.m。
安全阀Q/STB B07029-1998(螺纹R1/8)紧固力矩:2.9-4.9Nm。
通气塞Q/STB B07030-1998 (螺纹R1/4)紧固力矩:2.94-5.88Nm。
螺塞Q/STB B07040-1998(公称直径08-10螺距1.25,12-36螺距1.5)螺栓(排气)Q/STB B07060-1998(M12*1.5)紧固力矩:58.8-78.4N.m。
软管(锥形密封)Q/STB B07100-1998软管(锥形密封)Q/STB B07123-1998 (接头部螺母拧紧力矩)螺母(球头式管接头用)Q/STB B07201-1998 拧紧力矩:N.m 材料:(Q235)管接头螺母Q/STB B07202-1998拧紧力矩(Q235 / HPb 59-1)铰接螺栓Q/STB B07206-1998拧紧力矩(Q235)球头式端直通接头Q/STB B07211-1998 拧紧力矩(Q235 HPb 60-1 )表中拧紧力矩适用于钢制接头管接头Q/STB B07212-1998紧固力矩(区分代号为5、7的件材料Q235)套管螺母Q/STB B07221-1998拧紧力矩(材料Q235)管接头Q/STB B07230-1998拧入紧固力矩(Q235)弯头(带座)Q/STB B07235-1998 、B07236-1998 拧紧力矩喉箍 Q/STB B07281-1998 拧紧力矩U 形管夹及座Q/STB B07283-1998 螺母的紧固力矩(区分代号 2、3使用)管夹 Q/STB B07289-1998(有效紧固直径φ25-φ232) 紧固力矩:8.8±05Nm套管接头 Q/STB B07290-1998套管螺母Q/STB B07833-1998软管(空调器用)Q/STB B09488-1998。
螺栓拧紧力矩标准
未注明拧紧力矩要求时,参考下表(普通螺栓拧紧力矩)
公制螺栓扭紧力矩Q/STB 12.521.5-2000
范围:本标准适用于机械性能10.9级,规格从M6-M39的螺栓的扭紧力矩,对于使用尼龙垫圈、密封垫圈、其它非金属垫圈的螺栓,本标准不适用。
★对于设计图纸有明确力矩要求的,应按图纸要求执行。
套管螺母紧固力矩Q/STB B07833-1998
材料HPb63-3Y2
直通式压注油杯Q/STB B07020-1998(螺纹M6、M8*1、M10*1)紧固力矩:0.3-0.5Kg.m。
安全阀Q/STB B07029-1998(螺纹R1/8)
紧固力矩:2.9-4.9Nm。
通气塞Q/STB B07030-1998 (螺纹R1/4)
紧固力矩:2.94-5.88Nm。
螺塞Q/STB B07040-1998(公称直径08-10螺距1.25,12-36螺距1.5)
螺栓(排气)Q/STB B07060-1998(M12*1.5)
紧固力矩:58.8-78.4N.m。
软管(锥形密封)Q/STB B07100-1998
软管(锥形密封)Q/STB B07123-1998
(接头部螺母拧紧力矩)
螺母(球头式管接头用)Q/STB B07201-1998 拧紧力矩:N.m 材料:(Q235)
管接头螺母Q/STB B07202-1998
拧紧力矩(Q235 / HPb 59-1)
铰接螺栓Q/STB B07206-1998
拧紧力矩(Q235)
球头式端直通接头Q/STB B07211-1998
拧紧力矩(Q235 HPb 60-1 )
表中拧紧力矩适用于钢制接头
管接头Q/STB B07212-1998
紧固力矩(区分代号为5、7的件材料Q235)
套管螺母Q/STB B07221-1998
拧紧力矩(材料Q235)
管接头Q/STB B07230-1998
拧入紧固力矩(Q235)
弯头(带座)Q/STB B07235-1998 、B07236-1998 拧紧力矩
喉箍 Q/STB B07281-1998 拧紧力矩
U 形管夹及座
Q/STB B07283-1998 螺母的紧固力矩(区分代号 2、3使用)
管夹 Q/STB B07289-1998(有效紧固直径φ25-φ232)
紧固力矩:8.8±05Nm
套管接头 Q/STB B07290-1998
套管螺母 Q/STB B07833-1998
软管(空调器用)Q/STB B09488-1998。