LM324运放几种常见应用
- 格式:pdf
- 大小:162.25 KB
- 文档页数:4
LM324四运放的应用LM324是四运放集成电路,它采用14脚双列直插塑料封装,外形如图所示。
它的内部包含四组形式完全相同的运算放大器,除电源共用外,四组运放相互独立。
每一组运算放大器可用图1所示的符号来表示,它有5个引出脚,其中“+”、“-”为两个信号输入端,“V+”、“V-”为正、负电源端,“Vo”为输出端。
两个信号输入端中,Vi-(-)为反相输入端,表示运放输出端Vo的信号与该输入端的相位相反;Vi+(+)为同相输入端,表示运放输出端Vo的信号与该输入端的相位相同。
LM324的引脚排列见图2。
图1 图2由于LM324四运放电路具有电源电压范围宽,静态功耗小,可单电源使用,价格低廉等优点,因此被广泛应用在各种电路中。
下面介绍其应用实例。
反相交流放大器电路见附图。
此放大器可代替晶体管进行交流放大,可用于扩音机前置放大等。
电路无需调试。
放大器采用单电源供电,由R1、R2组成1/2V+偏置,C1是消振电容。
放大器电压放大倍数Av仅由外接电阻Ri、Rf决定:Av=-Rf/Ri。
负号表示输出信号与输入信号相位相反。
按图中所给数值,Av=-10。
此电路输入电阻为Ri。
一般情况下先取Ri 与信号源内阻相等,然后根据要求的放大倍数在选定Rf。
Co和Ci为耦合电容。
同相交流放大器见附图同相交流放大器的特点是输入阻抗高其中的R1R2组成1/2V+分压电路通过R3对运放进行偏置。
电路的电压放大倍数Av也仅由外接电阻决定:Av=1+Rf/R4,电路输入电阻为R3。
R4的阻值范围为几千欧姆到几十千欧姆。
交流信号三分配放大器此电路可将输入交流信号分成三路输出,三路信号可分别用作指示、控制、分析等用途。
而对信号源的影响极小。
因运放Ai输入电阻高,运放A1-A4均把输出端直接接到负输入端,信号输入至正输入端,相当于同相放大状态时Rf=0的情况,故各放大器电压放大倍数均为1,与分立元件组成的射极跟随器作用相同。
R1、R2组成1/2V+偏置,静态时A1输出端电压为1/2V+,故运放A2-A4输出端亦为1/2V+,通过输入输出电容的隔直作用,取出交流信号,形有源带通滤波器许多音响装置的频谱分析器均使用此电路作为带通滤波器,以选出各个不同频段的信号,在显示上利用发光二极管点亮的多少来指示出信号幅度的大小。
见附图。
同相交流放大器的特点是输入阻抗高。
其中的R1、R2组成1/2V+分压电路,通过R3对运放进行偏置。
电路的电压放大倍数Av也仅由外接电阻决定:Av=1+Rf/R4,电路输入电阻为R3。
R4的阻值范围为几千欧姆到几十千欧姆。
∙交流信号三分配放大器此电路可将输入交流信号分成三路输出,三路信号可分别用作指示、控制、分析等用途。
而对信号源的影响极小。
因运放Ai输入电阻高,运放A1-A4均把输出端直接接到负输入端,信号输入至正输入端,相当于同相放大状态时Rf=0的情况,故各放大器电压放大倍数均为1,与分立元件组成的射极跟随器作用相同。
R1、R2组成1/2V+偏置,静态时A1输出端电压为1/2V+,故运放A2-A4输出端亦为1/2V+,通过输入输出电容的隔直作用,取出交流信号,形∙有源带通滤波器许多音响装置的频谱分析器均使用此电路作为带通滤波器,以选出各个不同频段的信号,在显示上利用发光二极管点亮的多少来指示出信号幅度的大小。
这种有源带通滤波器的中心频率,在中心频率fo处的电压增益Ao=B3/2B1,品质因数,3dB带宽B=1/(п*R3*C)也可根据设计确定的Q、fo、Ao值,去求出带通滤波器的各元件参数值。
R1=Q/(2пfoAoC),R2=Q/((2Q2-Ao)*2пfoC),R3=2Q/(2пfoC)。
上式中,当fo=1KHz时,C取0.01Uf。
此电路亦可用于一般的选频放大。
此电路亦可使用单电源,只需将运放正输入端偏置在1/2V+并将电阻R2下端接到运放正输入端既可。
∙比较器当去掉运放的反馈电阻时,或者说反馈电阻趋于无穷大时(即开环状态),理论上认为运放的开环放大倍数也为无穷大(实际上是很大,如LM324运放开环放大倍数为100dB,既10万倍)。
此时运放便形成一个电压比较器,其输出如不是高电平(V+),就是低电平(V-或接地)。
当正输入端电压高于负输入端电压时,运放输出低电平。
附图中使用两个运放组成一个电压上下限比较器,电阻R1、R1ˊ组成分压电路,为运放A1设定比较电平U1;电阻R2、R2ˊ组成分压电路,为运放A2设定比较电平U2。
LM324是四运放集成电路,它采用14脚双列直插塑料封装,外形如图所示。
它的内部包含四组形式完全相同的运算放大器,除电源共用外,四组运放相互独立。
每一组运算放大器可用图1所示的符号来表示,它有5个引出脚,其中“+”、“-”为两个信号输入端,“V+”、“V-”为正、负电源端,“Vo”为输出端。
两个信号输入端中,Vi-(-)为反相输入端,表示运放输出端Vo的信号与该输入端的位相反;Vi+(+)为同相输入端,表示运放输出端Vo的信号与该输入端的相位相同。
LM324的引脚排列见图2由于LM324四运放电路具有电源电压范围宽,静态功耗小,可单电源使用,价格低廉等优点,因此被广泛应用在各种电路中。
下面介绍其应用实例。
LM324作反相交流放大器电路见附图。
此放大器可代替晶体管进行交流放大,可用于扩音机前置放大等。
电路无需调试。
放大器采用单电源供电,由R1、R2组成1/2V+偏置,C1是消振电容。
放大器电压放大倍数Av仅由外接电阻Ri、Rf决定:Av=-Rf/Ri。
负号表示输出信号与输入信号相位相反。
按图中所给数值,Av=-10。
此电路输入电阻为Ri。
一般情况下先取Ri 与信号源内阻相等,然后根据要求的放大倍数在选定Rf。
Co和Ci为耦合电容。
LM324作同相交流放大器见附图。
同相交流放大器的特点是输入阻抗高。
其中的R1、R2组成1/2V+分压电路,通过R3对运放进行偏置。
电路的电压放大倍数Av也仅由外接电阻决定:Av=1+Rf/R4,电路输入电阻为R3。
R4的阻值范围为几千欧姆到几十千欧姆。
LM324作交流信号三分配放大器此电路可将输入交流信号分成三路输出,三路信号可分别用作指示、控制、分析等用途。
而对信号源的影响极小。
因运放Ai输入电阻高,运放A1-A4均把输出端直接接到负输入端,信号输入至正输入端,相当于同相放大状态时Rf=0的情况,故各放大器电压放大倍数均为1,与分立元件组成的射极跟随器作用相同。
R1、R2组成1/2V+偏置,静态时A1输出端电压为1/2V+,故运放A2-A4输出端亦为1/2V+,通过输入输出电容的隔直作用,取出交流信号,形成三路分配输出。
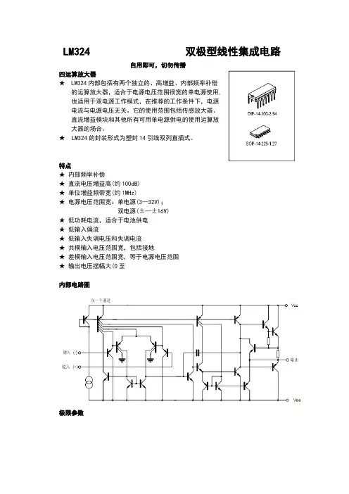
LM324 双极型线性集成电路
自用即可,切勿传播
四运算放大器
★ LM324内部包括有两个独立的、高增益、内部频率补偿
的运算放大器,适合于电源电压范围很宽的单电源使用,
也适用于双电源工作模式,在推荐的工作条件下,电源
电流与电源电压无关。
它的使用范围包括传感放大器、
直流增益模块和其他所有可用单电源供电的使用运算放
大器的场合。
★LM324的封装形式为塑封14引线双列直插式。
特点
★内部频率补偿
★直流电压增益高(约100dB)
★单位增益频带宽(约1MHz)
★电源电压范围宽:单电源(3—32V);
双电源(±—±16V)
★低功耗电流,适合于电池供电
★低输入偏流
★低输入失调电压和失调电流
★共模输入电压范围宽,包括接地
★差模输入电压范围宽,等于电源电压范围
★输出电压摆幅大(0至
内部电路图
极限参数
电参数(除非特别说明,Vcc=,VEE=GND,TA=25℃)
电参数(除非特别说明,Vcc=,VEE=GND,0℃≤TA≤70℃)
管脚排列图
外形尺寸图
第一价值网为您提供最优惠的价格,保证最好的品质UTC324 PDF资料查询,下载。
LM324放大电路什么是LM324LM324是一种低功耗、高性能四运放(放大器)集成电路,主要由四个独立运放组成。
它被广泛应用于各种电子设备中,包括信号处理、音频放大、传感器放大、滤波器和比较器等应用。
LM324的特性•低功耗:每个运放的静态电流消耗仅为0.8mA。
•输入偏置电流低:典型值为20nA。
•大增益带宽积:典型值为1MHz。
•单电源操作:电源电压范围为3V至32V。
•宽工作温度范围:-55°C至+125°C。
LM324放大电路原理lm324_circuit_diagramlm324_circuit_diagram图中显示了一个基本的LM324放大电路。
该电路包含一个单端输入放大器,其增益由电阻R1和R2决定。
运放的负反馈通过电阻R2连接到运放的直流输入端。
输入信号经过电阻R1进入非反相输入端,同时通过电容C1和电阻R1提供交流路径。
C1和R1一起形成一个高通滤波器,以阻止低频信号通过。
输出信号通过电容C2提供直流耦合,并通过电阻R4提供负载电压。
此外,电容C2还提供对地的路径,用于引入反相输入。
通过调整电阻R1和R2的比例,可以改变放大器的增益。
通常,增益由下式计算:增益(A)= 1 + (R2 / R1)使用LM324设计放大电路下面是一个简单的例子,展示如何使用LM324设计一个放大电路。
LM324放大电路电路元件:- LM324运放- 电阻R1 = 10kΩ- 电阻R2 = 100kΩ- 电容C1 = 1uF- 电容C2 = 10uF电路连接:- R1连接到非反相输入端- R2连接到反相输入端和输出端- C1连接到非反相输入端和地- C2连接到输出端和地电路图示:电路功能:该电路是一个非反相放大器,其增益由R1和R2来决定。
输入信号经过C1和R1进入非反相输入端,经过放大后输出到C2并提供负载电压。
LM324 四种运放的基本应用LM324 是四运放集成电路,它采用14 脚双列直插塑料封装,外形如图所示。
它的内部包含四组形式完全相同的运算放大器,除电源共用外,四组运放相互独立。
每一组运算放大器可用图1 所示的符号来表示,它有5 个引出脚,其中+、-为两个信号输入端,V+、V-为正、负电源端,Vo 为输出端。
两个信号输入端中,Vi-(-)为反相输入端,表示运放输出端Vo 的信号与该输入端的位相反;Vi+(+)为同相输入端,表示运放输出端Vo 的信号与该输入端的相位相同。
LM324 的引脚排列见图2。
图1图2由于LM324 四运放电路具有电源电压范围宽,静态功耗小,可单电源使用,价格低廉等优点,因此被广泛应用在各种电路中。
下面介绍其应用实例。
1、反相交流放大器电路见附图。
此放大器可代替晶体管进行交流放大,可用于扩音机前置放大等。
电路无需调试。
放大器采用单电源供电,由R1、R2 组成1/2V+偏置,C1 是消振电容。
放大器电压放大倍数Av 仅由外接电阻Ri、Rf 决定:Av=-Rf/Ri。
负号表示输出信号与输入信号相位相反。
按图中所给数值,Av=-10。
此电路输入电阻为Ri。
一般情况下先取Ri 与信号源内阻相等,然后根据要求的放大倍数在选定Rf。
Co 和Ci 为耦合电容。
2、同相交流放大器电路见附图。
同相交流放大器的特点是输入阻抗高。
其中的R1、R2 组成1/2V+分压电路,通过R3 对运放进行偏置。
电路的电压放大倍数Av 也仅由外接电阻决定:Av=1+Rf/R4,电路输入电阻为R3。
R4 的阻值范围为几千欧姆到几十千欧姆。
3、交流信号三分配放大器电路见附图。
此电路可将输入交流信号分成三路输出,三路信号可分别用作指示、控制、分析等用途。
而对信号源的影响极小。
因运放Ai 输入电阻高,运放A1-A4 均把输出端直接接到负输入端,信号输入至正输入端,相当于同相放大状态时Rf=0 的情况,故各放大器电压放大倍数均为 1 ,与分立元件组成的射极跟随器作用相同。
lm324应用电路大全(温度控制器振荡器带通滤波器断电保护)描述lm324应用电路(一)温度控制器采用LM324四运算放大器集成电路,温度控制范围为5~95℃,可广泛应用于工农业生产方面的温度自动控制。
该温度控制器电路由电源电路、温度检测电路、基准电压电路、温度指示电路、电压比较放大电路和控制执行电路组成,如图6-6所示。
图6-6采用LM324运算放大器的温度控制器电路电路中,电源电路由电源开关S、电源变压器T、整流桥堆UR、滤波电容C1、C2、三端稳压集成电路IC2、限流电阻R10和电源指示发光二极管VL1组成;温度检测电路由晶体管式温度传感器V1、电阻R1、电容C3和运算放大器集成电路IC1(N1~N4)内部的N1组成;基准电压电路由电阻R4、R5、R8、电位器RP1~RP3、稳压二极管VS和IC1内部的N4组成;温度指示电路由电阻R2、R3、IC1内部的N2和电压表PV组成;电压比较放大电路由IC1内部的N3和电阻R6、R7组成;控制执行电路由电阻R9、晶体管V2、继电器K、二极管VD 和工作指示发光二极管VL2组成。
交流220V电压经T降压、UR整流、C1滤波及IC2稳压后,为IC1、基准电压电路和控制执行电路提供+9V工作电压,同时将VL1点亮;+9V电压经R5限流、VS稳压后产生+6V左右的基准电压,一路经R4、RP1分压后为N2的正相输入端提供基准电压;另一路先经N4缓冲放大,然后经RP2、RP3分压后,再经R8加至N4的正相输入端,作为N3的基准电压;V1发射结的电压降(Vbe)随着环境温度的变化而变化。
温度上升时,V1的导通内阻变小,发射结的电压降也减小,使N1的输出电压降低,N2的输出电压升高,N4的输出电压则下降;PV用来指示V1检测的温度值(灵敏度为10mV/℃),若PV指示电压值为250mV,则表明温度为25℃;RP3用来设定控制温度值;RP2用来设定RP3的最大输出电压(调节RP2的阻值,使RP3的最大输出电压为1V);RP1用来设定N2正相输入端的基准电压(调节RP1的阻值,使N2的正相输入端电压为530mV)。
LM324集成芯片内部电路分析与典型应用摘要:LM324 四运放的应用LM324 是四运放集成电路,它采用14 脚双列直插塑料封装,外形如图所示。
它的内部包含四组形式完全相同的运算放大器,除电源共用外,四组运放相互独立。
每一组运算放大器可用图1 所示的符号来表示,它有5 个引出脚,其中“+”、“-”为两个信号输入端,“V+”、“V-”为正、负电源端,“Vo”为输出端。
两个信号输入端中,Vi-(-)为反相输入端,表示运放输出端Vo 的信号与该输入端的相位相反;Vi+(+)为同相输入端,表示运放输出端Vo 的信号与该输入端的相位相同。
LM324 的引脚排列见图2。
图1 图 2由于LM324 四运放电路具有电源电压范围宽,静态功耗小,可单电源使用,价格低廉等优点,因此被广泛应用在各种电路中。
下面介绍其应用实例。
反相交流放大器电路见附图。
此放大器可代替晶体管进行交流放大,可用于扩音机前置放大等。
电路无需调试。
放大器采用单电源供电,由R1、R2 组成1/2V+偏置,C1 是消振电容。
放大器电压放大倍数Av 仅由外接电阻Ri、Rf 决定:Av=-Rf/Ri。
负号表示输出信号与输入信号相位相反。
按图中所给数值,Av=-10。
此电路输入电阻为Ri。
一般情况下先取Ri 与信号源内阻相等,然后根据要求的放大倍数在选定Rf。
Co 和Ci 为耦合电容。
同相交流放大器见附图同相交流放大器的特点是输入阻抗高其中的R1 R2 组成1/2V+分压电路通过R3 对运放进行偏置。
电路的电压放大倍数Av 也仅由外接电阻决定:Av=1+Rf/R4,电路输入电阻为R3。
R4 的阻值范围为几千欧姆到几十千欧姆。
交流信号三分配放大器此电路可将输入交流信号分成三路输出,三路信号可分别用作指示、控制、分析等用途。
而对信号源的影响极小。
因运放Ai 输入电阻高,运放A1-A4 均把输出端直接接到负输入端,信号输入至正输入端,相当于同相放大状态时Rf=0 的情况,故各放大器电压放大倍数均为1,与分立元件组成的射极跟随器作用相同。
LM324运算放大器应用电路集LM324 是四运放集成电路,它采用14 脚双列直插塑料封装,外形如由于LM324 四运放电路具有电源电压范围宽,静态功耗小,可单电源使用,价格低廉等优点,因此被广泛应用在各种电路中。
下面介绍其应用实例。
LM324 pdf:elecfans/soft/39/2008/200805053498.htmlLM324 作反相交流放大器电路见附图。
此放大器可代替晶体管进行交流放大,可用于扩音机前置放大等。
电路无需调试。
放大器采用单电源供电, 由R1、R2 组成1/2V+偏置,C1 是消振电容。
放大器电压放大倍数Av 仅由外接电阻Ri、Rf 决定:Av=-Rf/Ri。
负号表示输出信号与输入信号相位相反。
按图中所给数值, Av=-10。
此电路输入电阻为Ri。
一般情况下先取Ri 与信号源内阻相等,然后根据要求的放大倍数在选定Rf。
Co 和Ci 为耦合电容。
LM324 作同相交流放大器见附图。
同相交流放大器的特点是输入阻抗高。
其中的R1、R2 组成1/2V+分压电路,通过R3 对运放进行偏置。
电路的电压放大倍数Av 也仅由外接电阻决定:Av=1+Rf/R4,电路输入电阻为R3。
R4 的阻值范围为几千欧姆到几十千欧姆。
LM324 作交流信号三分配放大器此电路可将输入交流信号分成三路输出,三路信号可分别用作指示、控制、分析等用途。
而对信号源的影响极小。
因运放Ai 输入电阻高,运放A1-A4 均把输出端直接接到负输入端,信号输入至正输入端,相当于同相放大状态时Rf=0 的情况,故各放大器电压放大倍数均为1,与分立元件组成的射极跟随器作用相同。
R1、R2 组成1/2V+偏置,静态时A1 输出端电压为1/2V+,故运放A2-A4 输出端亦为1/2V+,通过输入输出电容的隔直作用,取出交流信号,形成三路分配输出。
LM324 作有源带通滤波器许多音响装置的频谱分析器均使用此电路作。
LM324集成芯片内部电路分析与典型应用摘要:LM324 四运放的应用LM324 是四运放集成电路,它采用14 脚双列直插塑料封装,外形如图所示。
它的内部包含四组形式完全相同的运算放大器,除电源共用外,四组运放相互独立。
每一组运算放大器可用图1 所示的符号来表示,它有5 个引出脚,其中“+”、“-”为两个信号输入端,“V+”、“V-”为正、负电源端,“Vo”为输出端。
两个信号输入端中,Vi-(-)为反相输入端,表示运放输出端Vo 的信号与该输入端的相位相反;Vi+(+)为同相输入端,表示运放输出端Vo 的信号与该输入端的相位相同。
LM324 的引脚排列见图2。
图1 图 2由于LM324 四运放电路具有电源电压范围宽,静态功耗小,可单电源使用,价格低廉等优点,因此被广泛应用在各种电路中。
下面介绍其应用实例。
反相交流放大器电路见附图。
此放大器可代替晶体管进行交流放大,可用于扩音机前置放大等。
电路无需调试。
放大器采用单电源供电,由R1、R2 组成1/2V+偏置,C1 是消振电容。
放大器电压放大倍数Av 仅由外接电阻Ri、Rf 决定:Av=-Rf/Ri。
负号表示输出信号与输入信号相位相反。
按图中所给数值,Av=-10。
此电路输入电阻为Ri。
一般情况下先取Ri 与信号源内阻相等,然后根据要求的放大倍数在选定Rf。
Co 和Ci 为耦合电容。
同相交流放大器见附图同相交流放大器的特点是输入阻抗高其中的R1 R2 组成1/2V+分压电路通过R3 对运放进行偏置。
电路的电压放大倍数Av 也仅由外接电阻决定:Av=1+Rf/R4,电路输入电阻为R3。
R4 的阻值范围为几千欧姆到几十千欧姆。
交流信号三分配放大器此电路可将输入交流信号分成三路输出,三路信号可分别用作指示、控制、分析等用途。
而对信号源的影响极小。
因运放Ai 输入电阻高,运放A1-A4 均把输出端直接接到负输入端,信号输入至正输入端,相当于同相放大状态时Rf=0 的情况,故各放大器电压放大倍数均为1,与分立元件组成的射极跟随器作用相同。
电子技术课程综合设计实验报告一、实验目的1、熟练掌握各种常用实验仪器的使用方法。
2、熟悉LM324运放的典型参数及应用。
3、掌握PDF 资料的查询与阅读方法。
4、掌握电子设计与调试的基本流程及方法。
二、实验内容设计要求:使用一片通用四运放芯片LM324组成电路框图见图1,实现下述功能:图11. 使用低频信号源产生U i1p-p = 0.2V ,f 0 = 100Hz 的正弦波信号,加至加法器输入端。
2. 自制三角波产生器产生T=0.5ms (±5%),V p-p =4V 的类似三角波信号1o u ,并加至加法器的另一输入端。
3. 自制加法器,使其输出电压U i2 = 10U i1+U o1。
4. 自制选频滤波器,滤除1o u 频率分量,得到峰峰值等于9V 的正弦信号2o u ,2o u 用示波器观察无明显失真。
5. 将1o u 和2o u 送入自制比较器,其输出在1K Ω负载上得到峰峰值为2V 的输出电压u。
3o方案论证与数值计算:三角波发生部分:(徐伟骏负责)方案一:三角波发生器电路按照由方波经过窗比较器得到,需要两个放大器,不满足实验要求。
方案二:利用RC充放电模拟三角波,通过电位器来调节周期至实验要求的值。
达到合理利用现有资源高效达到要求的目的。
因此我们采用方案二。
题目要求三角波发生器产生的周期为T=0.5ms,Vpp=4V的类似三角波。
我们采用两个电位器对电路第一部分要求的周期和峰峰值进行调节。
R取值范围为0-20K,由公式T=1/(RC);选取电容为较常见的473(0.047uf),峰峰值由公式:计算得R1=2R2;R2=0-20K,所以取R1为20K-30K;带通滤波器:(留君侠负责)方案直接采用现成的电路,比较难的是参数计算部分,利用公式:2*F*Pi*R*C=1,令C=0.047uf,计算得到电阻R=33.9K,令C=0.47uf,得R=3.39K,考虑厂家出场阻值R的误差以及测量误差,比较发现R=3.39K对阻值精度的要求更高一些,相同的阻值偏差较R=33.9K的误差更大。
lm324放大电路工作原理
LM324是一种常见的四路运放芯片,可用于各种放大电路,例如比较器、积分器和放大器等。
其工作原理如下:
LM324每一路内部都有一对差分输入,即正输入和负输入。
在差动输入放大器内部,正输入、负输入和放大器的反馈回路共同作用,使得输出电压能够跟随输入信号而变化,从而实现对输入信号的放大或者信号处理。
当正输入电压高于负输入电压时,输出电压会向负电压方向变化;当正输入电压低于负输入电压时,输出电压会向正电压方向变化;当正输入电压等于负输入电压时,输出电压应该为零(实际上有微小的偏差)。
因此通过控制正输入和负输入电压的值和变化规律,可以实现不同种类的放大电路,例如比较器、积分器和放大器等。
此外,LM324还具有多种保护功能,例如过流保护和短路保护等,可有效保护运放芯片和外部电路。
LM324功能应用简介2007/09/01 14:57LM324功能应用简介您现在的位置是:主页>>>电子元器件资料>>>正文LM324是四运放集成电路,它采用14脚双列直插塑料封装,外形如图所示。
它的内部包含四组形式完全相同的运算放大器,除电源共用外,四组运放相互独立。
每一组运算放大器可用图1所示的符号来表示,它有5个引出脚,其中“+”、“-”为两个信号输入端,“V+”、“V-”为正、负电源端,“Vo”为输出端。
两个信号输入端中,Vi-(-)为反相输入端,表示运放输出端Vo的信号与该输入端的相位相反;Vi+(+)为同相输入端,表示运放输出端Vo的信号与该输入端的相位相同。
LM324的引脚排列见图2。
图 1 图 2由于LM324四运放电路具有电源电压范围宽,静态功耗小,可单电源使用,价格低廉等优点,因此被广泛应用在各种电路中。
下面介绍其应用实例。
反相交流放大器电路见附图。
此放大器可代替晶体管进行交流放大,可用于扩音机前置放大等。
电路无需调试。
放大器采用单电源供电,由R1、R2组成1/2V+偏置,C1是消振电容。
放大器电压放大倍数Av仅由外接电阻Ri、Rf决定:Av=-Rf/Ri。
负号表示输出信号与输入信号相位相反。
按图中所给数值,Av=-10。
此电路输入电阻为Ri。
一般情况下先取Ri与信号源内阻相等,然后根据要求的放大倍数在选定Rf。
Co和Ci为耦合电容。
同相交流放大器见附图。
同相交流放大器的特点是输入阻抗高。
其中的R1、R2组成1/2V+分压电路,通过R3对运放进行偏置。
此电路可将输入交流信号分成三路输出,三路信号可分别用作指示、控制、分析等用途。
而对信号源的影响极小。
因运放Ai输入电阻高,运放A1-A4均把输出端直接接到负输入端,信号输入至正输入端,相当于同相放大状态时Rf=0的情况,故各放大器电压放大倍数均为1,与分立元件组成的射极跟随器作用相同。
电路的电压放大倍数Av也仅由外接电阻决定:Av=1+Rf/R4,电路输入电阻为R3。
LM324四組運算放大器的應用喬治查爾斯電子電路網http://georgecharles.idv.st LM324是四運算放大器積體電路,它採用14腳雙列直插塑膠封裝,外形如圖所示。
它的內部包含四組形式完全相同的運算放大器,除電源共用外,四組運算放大器相互獨立。
每一組運算放大器可用圖1所示的符號來表示,它有5個引出腳,其中“+"、“-"為兩個信號輸入端,“V+"、“V-"為正、負電源端,“V o"為輸出端。
兩個信號輸入端中,Vi-(-)為反相輸入端,表示運算放大器輸出端V o的信號與該輸入端的相位相反;Vi+(+)為同相輸入端,表示運算放大器輸出端V o的信號與該輸入端的相位相同。
LM324的引腳排列見圖2。
圖1 圖2由於LM324四運算放大器電路具有電源電壓範圍寬,靜態功率消耗小,可單電源使用,價格低廉等優點,因此被廣泛應用在各種電路中。
下面介紹其應用實例。
z反相交流放大器電路見附圖。
此放大器可代替電晶體進行交流放大,可用於擴音機前置放大等。
電路無需調試。
放大器採用單電源供電,由R1、R2組成1/2V+偏置,C1是消振電容。
放大器電壓放大倍數Av僅由外接電阻Ri、Rf決定:Av=-Rf/Ri。
負號表示輸出信號與輸入信號相位相反。
按圖中所給數值,Av=-10。
此電路輸入電阻為Ri。
一般情況下先取Ri與信號源內阻相等,然後根據要求的放大倍數在選定Rf。
Co和Ci為耦合電容。
z同相交流放大器見附圖。
同相交流放大器的特點是輸入阻抗高。
其中的R1、R2組成1/2V+分壓電路,通過R3對運算放大器進行偏置。
電路的電壓放大倍數Av也僅由外接電阻決定:Av=1+Rf/R4,電路輸入電阻為R3。
R4的阻值範圍為幾千歐姆到幾十千歐姆。
z交流信號三分配放大器此電路可將輸入交流信號分成三路輸出,三路信號可分別用作指示、控制、分析等用途。
而對信號源的影響極小。
因運算放大器Ai輸入電阻高,運算放大器A1-A4均把輸出端直接接到負輸入端,信號輸入至正輸入端,相當於同相放大狀態時Rf=0的情況,故各放大器電壓放大倍數均為1,與分立元件組成的射極跟隨器作用相同。
LM324中文资料大全LM324系列器件带有真差动输入的四运算放大器。
与单电源应用场合的标准运算放大器相比,它们有一些显著优点。
该四放大器可以工作在低到3.0伏或者高到32伏的电源下,静态电流为MC1741的静态电流的五分之一。
共模输入范围包括负电源,因而消除了在许多应用场合中采用外部偏置元件的必要性。
每一组运算放大器可用图1所示的符号来表示,它有5个引出脚,其中“+”、“-”为两个信号输入端,“V+”、“V-”为正、负电源端,“Vo”为输出端。
两个信号输入端中,Vi-(-)为反相输入端,表示运放输出端Vo的信号与该输入端的位相反;Vi+(+)为同相输入端,表示运放输出端Vo的信号与该输入端的相位相同。
LM324系列由四个独立的,高增益,内部频率补偿运算放大器,其中专为从单电源供电的电压范围经营。
从分裂电源的操作也有可能和低电源电流消耗是独立的电源电压的幅度。
应用领域包括传感器放大器,直流增益模块和所有传统的运算放大器现在可以更容易地在单电源系统中实现的电路。
例如,可直接操作的LM324系列,这是用来在数字系统中,轻松地将提供所需的接口电路,而无需额外的±15V电源标准的5V电源电压。
运放类型:低功率放大器数目:4带宽:1.2MHz针脚数:14工作温度范围:0°C to +70°C封装类型:SOIC3dB带宽增益乘积:1.2MHz变化斜率:0.5V/μs器件标号:324器件标记:LM324AD增益带宽:1.2MHz工作温度最低:0°C工作温度最高:70°C放大器类型:低功耗温度范围:商用电源电压最大:32V电源电压最小:3V芯片标号:324表面安装器件:表面安装输入偏移电压最大:7mV运放特点:高增益频率补偿运算逻辑功能号:324额定电源电压, +:15V1.短路保护输出2.真差动输入级3.可单电源工作:3V-32V4.低偏置电流:最大100nA5.每封装含四个运算放大器。
LM324四运放的应用LM324是四运放集成电路,它采用14脚双列直插塑料封装,外形如图所示。
它的内部包含四组形式完全相同的运算放大器,除电源共用外,四组运放相互独立。
每一组运算放大器可用图1所示的符号来表示,它有5个引出脚,其中“+”、“-”为两个信号输入端,“V+”、“V-”为正、负电源端,“V o”为输出端。
两个信号输入端中,Vi-(-)为反相输入端,表示运放输出端Vo的信号与该输入端的相位相反;Vi+(+)为同相输入端,表示运放输出端V o的信号与该输入端的相位相同。
LM324的引脚排列见图2。
图 1 图2由于LM324四运放电路具有电源电压范围宽,静态功耗小,可单电源使用,价格低廉等优点,因此被广泛应用在各种电路中。
下面介绍其应用实例。
●反相交流放大器电路见附图。
此放大器可代替晶体管进行交流放大,可用于扩音机前置放大等。
电路无需调试。
放大器采用单电源供电,由R1、R2组成1/2V+偏置,C1是消振电容。
放大器电压放大倍数Av仅由外接电阻Ri、Rf决定:Av=-Rf/Ri。
负号表示输出信号与输入信号相位相反。
按图中所给数值,Av=-10。
此电路输入电阻为Ri。
一般情况下先取Ri与信号源内阻相等,然后根据要求的放大倍数在选定Rf。
Co和Ci为耦合电容。
●同相交流放大器见附图。
同相交流放大器的特点是输入阻抗高。
其中的R1、R2组成1/2V+分压电路,通过R3对运放进行偏置。
电路的电压放大倍数Av也仅由外接电阻决定:Av=1+Rf/R4,电路输入电阻为R3。
R4的阻值范围为几千欧姆到几十千欧姆。
●交流信号三分配放大器此电路可将输入交流信号分成三路输出,三路信号可分别用作指示、控制、分析等用途。
而对信号源的影响极小。
因运放Ai输入电阻高,运放A1-A4均把输出端直接接到负输入端,信号输入至正输入端,相当于同相放大状态时Rf=0的情况,故各放大器电压放大倍数均为1,与分立元件组成的射极跟随器作用相同。