光缆接头盒产品介绍20140812
- 格式:ppt
- 大小:9.09 MB
- 文档页数:3
光缆交接箱的介绍
光缆交接箱是一种用于光纤通信系统中的设备,主要用于光缆和设备之间的连接、保护和管理。
它通常安装在室内或室外,提供光纤的分配、转接和保护功能。
光缆交接箱通常包含以下几个主要组成部分:
1. 光纤存放架:用于存放和组织光缆。
光纤存放架可以保持光缆的弯曲半径,防止光纤拉伸或弯曲过度。
2. 光纤分配单元:用于连接光缆和不同的设备或分支光缆。
它通常具有多个光纤插槽,其中插入光缆接头,允许光信号的分配和传输。
3. 光纤连接器盒:包括光纤连接器和适配器,用于连接光缆和设备之间的光纤连接。
它通常提供一个安全的环境,保护光纤端面免受灰尘、污染和损坏。
4. 光纤分纤盘:用于将光纤连接到设备或不同的光缆分支上。
它通常具有多个光纤接口和相应的连接线路。
5. 电源供应单元:提供光缆交接箱所需的电力,以支持光缆系统的正常运行。
光缆交接箱的优点包括:
1. 简化光纤的连接和分配,方便维护和管理。
2. 提供光纤保护,防止光纤在使用过程中受到损坏。
3. 提供光缆的分支和转接功能,方便网络的扩展和升级。
4. 提供光缆的存放和组织,防止光缆交织和混乱。
总的来说,光缆交接箱是光纤通信系统中不可或缺的设备,它起到光纤连接、分配和保护的重要作用,提高网络的可靠性和可管理性。
.汇珏网络通信设备质量管理三阶文件QCT-07-013-2014A版 0次修改光缆接头盒技术规书编制审核批准分发号受控状态..1 目的为了完善光缆接头盒技术规要求,提高检验力度对光缆接头盒进行严格规的质量检验和管控。
故特制定此规。
2 适用围适用于汇珏网络通讯设备接头盒(又称接续盒)。
3 职责3.1 销售负责下生产任务单到计划科,并在生产任务单上注明是公司常规包装或为特殊要求的包装。
3.2 计划科根据生产任务单要求,安排排产日期。
并在生产流程单注明包装方式。
3.3 物控科根据生产计划表提前做好备料。
3.4 生产科根据生产计划表要求投产并严格按照本文件要求包装。
3.5 品质科负责根据本文件要求严格进行成品发货检验。
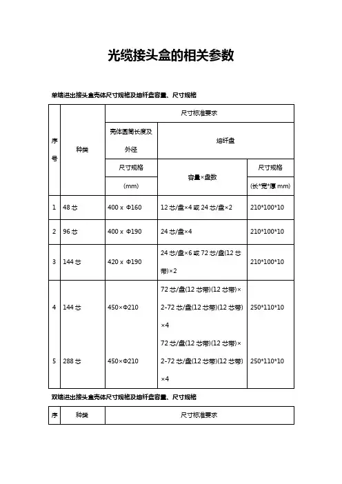
4 工作程序4.1接头盒类型4.1.1数分为:芯、12芯、24芯、48芯、72芯、96芯、144芯、288芯;4.1.2接头盒按类型分为:哈扶式、卡接式、帽式;4.2引用标准本技术规格书指定产品应遵循的规和标准主要包括但不仅仅限于以下所列围:GB/T 1034-1998 塑料吸水性实验方法..GB/T 1037-1988 塑料薄膜和片材透水蒸汽性试验方法GB/T 1120-1992 不锈钢棒GB/T 1410-1989 固体绝缘材料体积电阻率和表面电阻率试验方法GB/T 1634-1979 塑料弯曲负载热变形温度实验方法GB/T 2423.10-1995 电工电子产品基本环境试验规程试验Fc:振动(正弦)试验方法GB/T 2423.14-1997 电工电子产品基本环境试验规程太阳辐射试验导则GB/T 2423.24-1995 电工电子产品基本环境试验规程试验Sa:模拟地面上的太阳辐射试验GB/T 2951.38-1996 电线电缆白蚁试验方法GB 3281-1982 不锈耐酸及耐热钢厚钢板技术条件GB/T 7424.2-2002 光缆总规第2部分:光缆基本实验方法GB/T 13993.2-2002 通信光缆系列第2部分:核心网用室外光缆GB 3873-83 通信设备产品包装通用技术条件GB 5577-85 合成橡胶牌号规定YD/T 590.1-1992 通信电缆塑料护套接续套管第1部分:通用技术条件YD/T 590.2-1992 通信电缆塑料护套接续套管第2部分:热缩套管YD/T 1024-1999 光纤固定接头保护组件YD/T 629.1-93 光纤传输衰减变化的监测方法和传输功率检测法..YD/T 638.2-2-93 光通信设备型号命名方法IEC 1073-1:1994 光纤光缆接头第一部分:总规-构件和附件YD/T 814.1-2004 光缆接头盒第一部分:室外光缆接头盒YD/T 590.2-92 通信电缆塑料护套管第二部分热缩套管其它未列出的与本产品有关的规和标准,供货商有义务主动向业主提供。
光缆接头盒(熔接包)的简介光缆接头盒是通俗的叫法,学名叫光缆接续盒,又称光缆接续包、光缆接头包和炮筒,主要是在适用于各种结构光缆的架空、管道、直埋等敷设方式之直通和分支连接。
盒体采用进口增强塑料,强度高,耐腐蚀,终端盒适用于结构光缆的终端机房内的接续,结构成熟,密封可靠,施工方便。
广泛用于通信、网络系统,CATV有线电视、光缆网络系统等等。
右侧为二进二出接头盒;用于两根或多根光缆之间的保护性连接、光纤分配,是用户接入点常用设备之一,主要完成配线光缆与入户线光缆在室外的连接作用,并可根据FTTX接入需要安装盒式或简式光分路器;产品特性·产品的盒体采用优质工程塑料。
·产品采用2次压缆技术,确保盒内光纤无附加衰耗。
·产品具有多次复用和扩容功能。
技术特性·尺寸:高度430mm 内径Φ135mm 最大外径Φ210mm·入缆孔颈:Φ20mm·单盘芯数:12/24·最大熔纤盘:最小容量4芯最大容量144芯.·最大熔纤盘数:6·拉伸密封性:2000N轴向拉力,不漏气。
·耐电压强度:15KV(DC)。
·拉伸密封:产品充气后,能承受2000N的轴向拉力,不漏气。
·冲击密封:产品充气后,能承受冲击能量16N*m(牛顿*米)的冲击三次,产品无裂痕,不漏气。
·其它各项性能要求均符合YD/T814.1-2004标准要求。
光缆接头盒的安装方法光纤准备1. 去除光缆外皮,(如果有,请去除屏蔽及铠装)然后去除各绕包层至露出松套管,具体方法,请按光缆厂家推荐的标准方法步骤进行,预备长度3m。
2、用清洁剂清洁松套管及加强芯护套,去除多余的填充套管,用所提供的砂纸打磨光缆外皮150mm长。
光缆安装1 、按光缆外径选取最小内径的密封环,并将两个密封环套在光缆上。
2、将光缆放入相应的入孔内。
3、连接屏蔽及接地。
江苏汇珏网络通信设备有限公司质量管理三阶文件QCT-07-013-2014A版 0次修改光缆接头盒技术规范书编制审核批准分发号受控状态1 目的为了完善光缆接头盒技术规范要求,提高检验力度对光缆接头盒进行严格规范的质量检验和管控。
故特制定此规范。
2 适用范围适用于上海汇珏网络通讯设备有限公司接头盒(又称接续盒)。
3 职责3.1 销售负责下生产任务单到计划科,并在生产任务单上注明是公司常规包装或为特殊要求的包装。
3.2 计划科根据生产任务单要求,安排排产日期。
并在生产流程单注明包装方式。
3.3 物控科根据生产计划表提前做好备料。
3.4 生产科根据生产计划表要求投产并严格按照本文件要求包装。
3.5 品质科负责根据本文件要求严格进行成品发货检验。
4 工作程序4.1接头盒类型4.1.1数分为:芯、12芯、24芯、48芯、72芯、96芯、144芯、288芯;4.1.2接头盒按类型分为:哈扶式、卡接式、帽式;4.2引用标准本技术规格书指定产品应遵循的规范和标准主要包括但不仅仅限于以下所列范围:GB/T 1034-1998 塑料吸水性实验方法GB/T 1037-1988 塑料薄膜和片材透水蒸汽性试验方法GB/T 1120-1992 不锈钢棒GB/T 1410-1989 固体绝缘材料体积电阻率和表面电阻率试验方法GB/T 1634-1979 塑料弯曲负载热变形温度实验方法GB/T 2423.10-1995 电工电子产品基本环境试验规程试验Fc:振动(正弦)试验方法GB/T 2423.14-1997 电工电子产品基本环境试验规程太阳辐射试验导则GB/T 2423.24-1995 电工电子产品基本环境试验规程试验Sa:模拟地面上的太阳辐射试验GB/T 2951.38-1996 电线电缆白蚁试验方法GB 3281-1982 不锈耐酸及耐热钢厚钢板技术条件GB/T 7424.2-2002 光缆总规范第2部分:光缆基本实验方法GB/T 13993.2-2002 通信光缆系列第2部分:核心网用室外光缆GB 3873-83 通信设备产品包装通用技术条件GB 5577-85 合成橡胶牌号规定YD/T 590.1-1992 通信电缆塑料护套接续套管第1部分:通用技术条件YD/T 590.2-1992 通信电缆塑料护套接续套管第2部分:热缩套管YD/T 1024-1999 光纤固定接头保护组件YD/T 629.1-93 光纤传输衰减变化的监测方法和传输功率检测法YD/T 638.2-2-93 光通信设备型号命名方法IEC 1073-1:1994 光纤光缆接头第一部分:总规范-构件和附件YD/T 814.1-2004 光缆接头盒第一部分:室外光缆接头盒YD/T 590.2-92 通信电缆塑料护套管第二部分热缩套管其它未列出的与本产品有关的规范和标准,供货商有义务主动向业主提供。
产品知识介绍一、光纤活动连接器简介:1、介绍:在安装任何光纤系统时,都必须考虑以低损耗的方法把光纤或光缆相互连接起来,以实现光链路的接续。
光纤链路的接续,可以分为永久性和活动性的两种。
永久性的接续,大多采用熔接法;活动性的接续,一般采用活动连接器来实现。
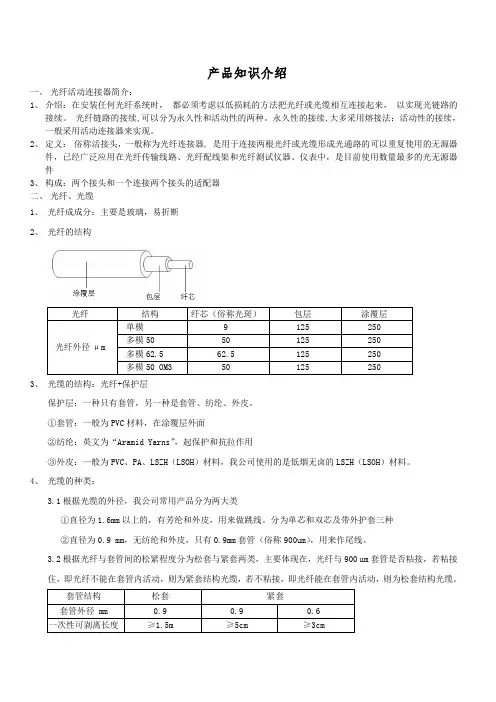
2、定义:俗称活接头,一般称为光纤连接器, 是用于连接两根光纤或光缆形成光通路的可以重复使用的无源器件,已经广泛应用在光纤传输线路、光纤配线架和光纤测试仪器、仪表中,是目前使用数量最多的光无源器件3、构成:两个接头和一个连接两个接头的适配器二、光纤、光缆1、光纤成成分:主要是玻璃,易折断2、光纤的结构光纤结构纤芯(俗称光斑)包层涂覆层光纤外径μm 单模9 125 250 多模50 50 125 250 多模62.5 62.5 125 250 多模50 OM3 50 125 2503、光缆的结构:光纤+保护层保护层:一种只有套管,另一种是套管、纺纶、外皮。
①套管:一般为PVC材料,在涂覆层外面②纺纶:英文为“Aramid Yarns”,起保护和抗拉作用③外皮:一般为PVC、PA、LSZH(LSOH)材料,我公司使用的是低烟无卤的LSZH(LSOH)材料。
4、光缆的种类:3.1根据光缆的外径,我公司常用产品分为两大类①直径为1.6mm以上的,有芳纶和外皮,用来做跳线。
分为单芯和双芯及带外护套三种②直径为0.9 mm,无纺纶和外皮,只有0.9mm套管(俗称900um),用来作尾线。
3.2根据光纤与套管间的松紧程度分为松套与紧套两类,主要体现在,光纤与900 um套管是否粘接,若粘接住,即光纤不能在套管内活动,则为紧套结构光缆,若不粘接,即光纤能在套管内活动,则为松套结构光缆。
套管结构松套紧套套管外径 mm 0.9 0.9 0.6一次性可剥离长度≥1.5m ≥5cm ≥3cm3.3根据光纤的传输模式分为单模(SM )和多模(MM ),0.9mm 的尾纤SM 通常为黄色,MM 50/125um 为橙色,62.5/125um 为兰色,但不同的客户也可以有不同的要求,如法国客户要求50/125um 为灰色,而62.5/125um 则为橙色。
ST、SC、FC、LC 光纤接头的区别简介:ST、SC、FC光纤接头时早期不同企业开发形成的标准,使用效果一样,各有优缺点。
ST、SC连接器接头常用于一般网络。
ST头插入后旋转半轴有一卡口固定,缺点是容易折断;SC连接头直接插拔,使用很方便,缺点是容易….ST、SC、FC光纤接头是早期不同企业开发形成的标准,使用效果一样,各有优缺点。
ST、SC连接器接头常用于一般网络。
ST头插入后旋转半周有一卡口固定,缺点是容易折断;SC连接头直接插拔,使用很方便,缺点是容易掉出来;FC连接头一般电信网采用,有一螺帽拧到适配器上,优点是牢靠、防灰尘,缺点是安装时间稍长。
MTRJ型光纤跳线由两个高精度塑胶成型的连接器和光缆组成。
连接器外部为精密塑胶件,包含推拉式插拔卡紧机构。
适用在电信和数据网络系统中的室内应用。
注释:SC接头也称为“大方”,LC接头成为“小方”;FC接头成为“大圆”。
光纤连接器,也就是接入光模块的光纤接头,也有好多种,且相互之间不可以互用。
不是经常接触光纤的人可能会误以为GBIC和SFP模块的光纤连接器是同一种,其实不是的。
SFP模块接LC光纤连接器,而GBIC接的是SC光纤连接器。
下面对网络工程中几种常用的光纤连接器进行详细的说明:(1)FC 型光纤连接器:外部加强方式是采用金属套,紧固方式为螺丝扣。
一般在ODF侧采用(光配线架上用的最多)(2)SC型光纤连接器:连接GBIC光模块的连接器,它的外壳呈矩形,紧固方式是采用插拔销闩式,不许旋转。
(路由器交换机上用的最多)(3)ST型光纤连接器:常用于光纤配线架,外壳呈圆形,紧固方式为螺丝扣。
(对于10BaseF连接来说,连接器通常是ST类型。
常用于光纤配线架)(4)LC型光纤连接器:连接SFP模块的连接器,它采用操作方便的模块化插孔(RJ)闩锁机理制成。
(路由器常用)(5)MTRJ:收发一体的方形光纤连接器,一头双纤收发一体各种光纤接口类型介绍:光纤接头FC 圆形带螺纹(配线架上用的最多)ST 卡接式圆形SC 卡接式方形(路由器交换机上用的最多)PC 微球面研磨抛光APC 呈8度角并做微球面研磨抛光MTRJ 方形,一头双纤收发一体(华为8850上有用)光纤模块:一般都支持热插拔GBIC Giga Bitrate Interface Converter, 使用的光纤接口多为SC 或ST型SEF 小型封装GBIC,使用的光纤为LC型使用的波长:单模:L, 波长1310; 单模长距离LH 波长:1310,1550多模:SM 波长850SX/LH 表示可以使用单模或多模光纤在表示尾纤接头的标注中,我们常能见到“FC/PC”,“SC/P C”等,其含义如下“/”前面部分表示尾纤的连接器型号“SC”接头是标准方型接头,采用工程塑料,具有耐高温,不容易氧化优点。