机械制图8套试卷及答案(1)
- 格式:doc
- 大小:5.35 MB
- 文档页数:85
《机械制图》试卷(卷1)一、判断题(每小题2分,共20分)1、比例为1 :5的是放大比例。
()2、在俯、左视图中,靠近主视图的一边,表示物体的前面。
()3、图样中的尺寸以毫米为单位时,不需标注计量单位的代号或名称。
()4、当直线平行于投影面时,则直线的投影反映实长。
()5、标注尺寸的起点称为尺寸基准。
()6、一张完整的装配图应具有下列内容:一组图形、必要的尺寸、技术要求、标题栏。
()7、表面粗糙度越高,零件的表面性能越高。
()8、选择零件的主视图时只需考虑零件的结构形状特征。
()9、相邻零件的接触面和配合面只用一条线表示。
()10、在装配图中若剖切平面通过螺栓、螺母、实心轴基本轴线时,这些零件应按不剖绘制。
()二.选择填空题(小题2分,共20分)1、物体的可见轮廓线用()绘制。
A. 粗实线B.虚线C.细实线2、局部剖视图一般用()分界。
A.粗实线B波浪线C.细点划线3、标注尺寸时,应尽可能使用符号和缩写词。
其符号“C”表示()。
A、45º倒角;B、60º倒角;C、90°倒角。
4、正等测轴测图的轴间角∠XOY=∠XOZ=∠YOZ=()。
A、120°B、90°C、45°5、用平行于圆柱轴线的平面截切圆柱,其截交线的形状是()。
A.圆B.矩形C.椭圆6、机件上的肋板纵向剖切时()剖面线。
A. 不画B.要画C.可画可不画7、形状公差()的项目符号为“○”。
A、圆度;B、圆柱度;C、平面度。
8、圆锥滚子轴承30312的内径为_____。
A、30 mm;B、12mm;C、60mm。
9.在绘制齿轮时其分度圆用()绘制。
A.粗实线B.细实线C.细点画线10.标准螺纹是()都符合国家标准的螺纹。
A.牙型、旋向、螺距B.牙型、直径、螺距C.直径、头数、螺距三.选择题(小题3分,共9分)1、打钩选择正确的左视图a( )b( )c( )d( )2、打钩选择正确的断面图3、打钩选择正确的剖视图四、作图题(共26分)2、补画剖视图中缺漏的线条(6分)五、识读端盖零件图并回答问题(24分)1.读标题栏:零件名称为端盖、材料____、比例____。
大学考试试卷(1) 答案一、已知点A距H面为12,距V面为15,距W面为10,点B在点A的左方5,后方10,上方8,试作A、B两点的三面投影。
二、作平面四边形ABCD的投影。
三、完成下列各形体的投影。
1.2.四、根据给出的视图,补画第三视图(或视图所缺的图线)。
1.2.五、在指定位置将主视图画成全剖视图。
六、在指定位置将主视图画成剖视图。
七、补全螺栓连接图中所缺的图线八、已知两平板齿轮啮合,m1=m2=4mm,z1=20,z2=35,分别计算其齿顶圆、分度圆、齿根圆直径,并画出其啮合图(比例1:2)。
九、读零件图,并回答问题。
1.该零件采用了哪些视图、剖视图和剖面图?2.指出该零件在长、宽、高三个方向的主要尺寸基准。
3.图中G1/2"表示:螺纹,1/2"表示,是螺纹(内、外),4.Φ36H8表示:Φ36是,H8是又是,H是,8是。
5.说明符号的含义。
6.试画出主视图的外形。
答案:1.该零件采用了哪些视图、剖视图和剖面图?说明数量和名称。
该零件采用主视图、俯视图和左视图三个视图,其中,主视图是全剖视图,左视图是局部剖视图,俯视图为半剖视图。
2.指出该零件在长、宽、高三个方向的主要尺寸基准。
高方向基准是零件的底面,长度方向基准是零件上Φ42孔的左端面,宽度基准是宽度方向的对称线。
3.图中G1/2"表示:非螺纹密封的管螺纹,1/2"表示公称直径,是内螺纹(内、外),4.Φ36H8表示:Φ36是基本尺寸,H8是公差带代号,其中,H是基本偏差代号,8是公差等级。
5.说明符号的含义。
前者表示用去除材料的方法获得的表面粗糙度,Ra的值为6.3μm.;后者表示,是由不去除材料的方法获得的零件表面。
6.试画出主视图的外形。
(图形从略)徐州师范大学试卷(3)答案机械工程系机械制造工艺与设备专业画法几何及机械制图课程一、在平面ABC内作一条水平线,使其到H面的距离为10mm。
(10分)二、作平面△ABC和平面△EFG的交线,并判别可见性。
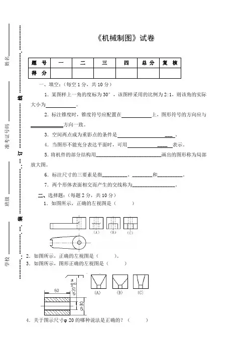
《机械制图》试卷题 号 一二三四总 分 复 核 得 分一、填空:(每空1分,共10分)1.某图样上一角的度标为30°,该图样采用的比例为2:1,则该角的实际大小为 。
2.标注锥度时,锥度符号应配置在 上,图形符号的方向应与 _____________方向一致。
3.空间两点成为重影点的条件是 ___ 。
4.当图形不能充分表达平面时,可用 ____ 表示。
5.将机件的部分结构用__________________________画出的图形称为局部放大图。
6.标注尺寸的三要素是指__________、________和__________。
7.两个形体表面相交而产生的交线称为_________________。
二、选择题:(每题2分,共10分) 1.如图所示,正确的左视图是( )2.如图所示,正确的左视图是( )。
3.如图所示,图形正确的左视图是( )4.关于图示尺寸φ20的哪种说法是正确的?( )学校 _____________ 班级 _____________ 准考证号码 ________________ 姓名_____________…………..………….…. 装 ………………………..… 订 ……………………… 线 …………………….……………A .公差为0B .公差为0.14C .偏差为±0.07D .公差为0.075.哪种符号表示表面可用任意方法获得?( )三、补图题:(40分)1.已知主、俯视图,画第三视图。
(5分) 2.根据组合体的两个视图,补画第三视图。
(5分)3.根据所给组合体的主、俯视图,构想三种不同的组合体并画其左视图。
(10分) 4.指出下列螺纹画法中的错误,并将正确的画在指定位置。
(10分) 5.在指定位置画出剖面图(键槽深为3mm)。
(10分)四、读图题(40分)(一)看懂起动轴零件图,并回答下列问题。
(共12分)1.主视图是____________剖视图,用于表达_________及__________的内部结构。
《机械制图》试卷 第1页 共4页 《机械制图》试卷 第2页 共4页《机械制图》试卷一答案一、求点A 、B 、C 的第三个投影并判别相对位置 (18分)。
点A 在点B 的_上_方、_右_方和_后_方。
二、分析形体,补视图中的漏线(13分)。
三、填空(每空3分,共15分)。
该螺纹是_梯形_螺纹 公称直径为__20mm___螺距为__9mm_____ 线数为__2____ 旋向为___左旋_____题 号 一 二 三 四 五 合计 得 分得分 评卷人得分评卷人得分评卷人四、选择题(每题3分,共18分)。
1、图样不论放大或缩小,在标注尺寸时,应标注( B )。
A放大或缩小后的图形尺寸B机件的实际尺寸C机件的设计要求尺寸2、产品图样中所标注的尺寸,未另加说明时,则指机件的(A )。
A最后完工尺寸B原坯料尺寸C加工中尺寸D参考尺寸3、当回转体零件上的平面在图形中不能充分表达时,可用一种特殊的符号表示这些平面,这种符号的画法是(B )。
A两条平行的细实线B两条相交的细实线C两条相交的细点画线D两条相交的粗实线4、按现行螺纹标准,特征代号G表示的螺纹,其名称是( A )。
A管螺纹 B 普通螺纹C梯形螺纹5、在装配图中,相邻零件的相邻表面处的画法是( A )A接触面及配合面只画一条线。
B应视具体情况区别对待,例如间隙配合的孔轴表面,为图示其间隙,也应画两条线C无论接触面或不接触面都应画两条线6、明细栏一般配置在装配图中标题栏的上方,其序号栏目的填写顺序是( B )A由上向下,顺次填写B由下向上,顺次填写C不必符合图形上的编排次序五、读装配图(每空4分,共36分)。
1、这个装配图的名称叫_千斤顶__,共由_4_个零件组成。
2、件3上的滚花起__增大摩擦__作用。
3、图中φ16H8/f8是表示零件间的配合,若零件图上用代号标注这些配合要求时,在孔的零件图上应注写__φ16H8 __,轴的零件图上应注写__φ16f8__。
1.已知点A距H面为12,距V面为15,距W面为10,点B在点A的左方5,后方10,上方8,试作A、B两点的三面投影。
XW二、作平面四边形ABCD的投影。
三、完成下列各形体的投影。
1.2.四、根据给出的视图,补画第三视图(或视图所缺的图线)。
1. 2五、在指定位置将主视图画成全剖视图。
六、在指定位置将主视图画成剖视图。
八、已知两平板齿轮啮合,m1=m2=4mm,z1=20,z2=35,分别计算其齿顶圆、分度圆、齿根圆直径,并画出其啮合九、读零件图,并回答问题。
1.该零件采用了哪些视图、剖视图和剖面图?,H是,8是。
1.该零件采用了哪些视图、剖视图和剖面图?说明数量和名称。
该零件采用主视图、俯视图和左视图三个视图,其中,主视图是全剖视图,左视图是局部剖视图,俯视图为半剖视图。
2.指出该零件在长、宽、高三个方向的主要尺寸基准。
Φ42孔的左端面,宽度基准是宽度方向的对称线。
1/2"表示公称直径,是内螺纹(内、外),是公差带代号,其中,H是基本偏差代号,8是公差等级。
1 已知点A距H面为12,距V面为15,距W面为10,点B在点A的左方5,后方10,上方8,试作A、B两点的三面投影。
(10分)二、作平面四边形ABCD的投影。
(10分)三、完成下列各形体的投影。
(12分,每题6分)1.2.四、根据给出的视图,补画第三视图(或视图所缺的图线)。
(12分,每题6分) 1.2.五、在指定位置将主视图画成全剖视图。
(10分)六、在指定位置将主视图画成剖视图。
(10分)七、补全螺栓连接图中所缺的图线。
(10分)八、已知两平板齿轮啮合,m1=m2=4mm,z1=20,z2=35,分别计算其齿顶圆、分度圆、齿根圆直径,并画出其啮合图(比例1:2)。
(10分)九、读零件图,并回答问题。
(16分)1.该零件采用了哪些视图、剖视图和剖面图?,是螺纹(内、外),H是,8是。
一、在平面ABC内作一条水平线,使其到H面的距离为10mm。
徐州师范大学考试试卷(1) 答案一、已知点A距H面为12,距V面为15,距W面为10,点B在点A的左方5,后方10,上方8,试作A、B两点的三面投影。
XZYY WOa aabbb二、作平面四边形ABCD的投影。
三、完成下列各形体的投影。
1.2.四、根据给出的视图,补画第三视图(或视图所缺的图线)。
1.2.五、在指定位置将主视图画成全剖视图。
六、在指定位置将主视图画成剖视图。
七、补全螺栓连接图中所缺的图线八、已知两平板齿轮啮合,m1=m2=4mm,z1=20,z2=35,分别计算其齿顶圆、分度圆、齿九、读零件图,并回答问题。
1.该零件采用了哪些视图、剖视图和剖面图?2.指出该零件在长、宽、高三个方向的主要尺寸基准。
,是螺纹(内、外),又是,H是,6.试画出主视图的外形。
答案:1. 该零件采用了哪些视图、剖视图和剖面图?说明数量和名称。
该零件采用主视图、俯视图和左视图三个视图,其中,主视图是全剖视图,左视图是局部剖视图,俯视图为半剖视图。
2. 指出该零件在长、宽、高三个方向的主要尺寸基准。
高方向基准是零件的底面,长度方向基准是零件上Φ42孔的左端面,宽度基准是宽度方向的对称线。
3.图中G1/2"表示: 非螺纹密封的管 螺纹,1/2"表示 公称直径 ,是 内 螺纹是 基本尺寸 ,是 公差带代号 ,其中,H 是 基本偏差代号 ,是 公差等级 。
5.说明符号 的含义。
前者表示用去除材料的方法获得的表面粗糙度,6.3徐州师范大学考试试卷(1)二、已知点A距H面为12,距V面为15,距W面为10,点B在点A的左方5,后方10,上方8,试作A、B两点的三面投影。
(10分)三、完成下列各形体的投影。
(12分,每题6分)1.2.四、根据给出的视图,补画第三视图(或视图所缺的图线)。
(12分,每题6分) 1.2.五、在指定位置将主视图画成全剖视图。
(10分)六、在指定位置将主视图画成剖视图。
(10分)七、补全螺栓连接图中所缺的图线。
《机械制图》考试试题姓名分数一、填空题(10分)1. 比例分为( )比例、 ( )比例、 ( )比例等三种。
其中为看图方便,尽可能采用( )比例。
2. 标注尺寸由( ) 、( )和( )三个要素组成。
3. 在标注尺寸时,应做到( ) 、( ) 、( )和合理。
4、机件的图形是用各种不同图线画成的,其中可见轮廓线用( )线画,不可见轮廓线用( )线画,尺寸线和尺寸界线用( )线画,而中心线和对称中心线则用( )线画。
5 、三视图之间的投影对应关系可以归纳为( ) 、( )长对正。
( ) 、( )高平齐。
( ) 、( )宽相等。
二、选择题(10分)1. 一张完整装配图的内容包括: (1)一组图形; (2) ( ); (3)必要的技术要求; (4)零件序号和明细栏; (5)标题栏。
A、正确的尺寸B、完整的尺寸C、合理的尺寸D、必要的尺寸2. 看装配图的第一步是先看( )A、尺寸标注B、表达方法C、标题栏D、技术要求3. 零件图的技术要求的标注必须符合( )的规定注法。
A 工厂B 行业C 部颁D 国家标准4. 零件图中注写极限偏差时,上下偏差小数点对齐,小数点后位数( ) ,零偏差必须标出。
A 不相同B 相同C 相同不相同均可D 依个人习惯5.局部剖视图用( )为剖与未剖部分的分界线。
A 粗实线B 细实线C 细点划线D 波浪线6. 绘制零件图对零件进行形体分析,确定主视图方向后,下一步是( )A、选择其他视图,确定表达方案 B 画出各个视图C 选择图幅,确定作图比例D 安排布图,画基准线7. 在机件的三视图中,机件上对应部分的主左视图应( )A 长对正B 高平齐C 宽相等D 高相等8. 三视图的投影规律是( )A 长相等高相等宽相等B 长对正高对正宽对正C 长对正高平齐宽相等D 长相等高平齐宽对正9. 国标规定,外螺纹的大径应画( )A 点划线B 粗实线C 细实线D 虚线10. 国标规定螺纹的牙顶用( )画出A 虚线B 细实线C 点划线D 粗实线三、判断题(10 分) ( ) 1、一张完整的装配图的内容包括:一组图形、必要的尺寸、必要的技术要求、零件序号和明细表、标题栏。
徐州师范大学考试试卷(1) 答案一、已知点✌距☟面为 ,距✞面为 ,距 面为 ,点 在点✌的左方 ,后方 ,上方 ,试作✌、 两点的三面投影。
XZYY WOa aabbb二、作平面四边形✌的投影。
三、完成下列各形体的投影。
. .四、根据给出的视图,补画第三视图(或视图所缺的图线)。
..五、在指定位置将主视图画成全剖视图。
六、在指定位置将主视图画成剖视图。
八、已知两平板齿轮啮合,❍ ❍ ❍❍, , ,分别计算其齿顶圆、分度圆、齿根圆直径,并画出其啮合图(比例 : )。
九、读零件图,并回答问题。
.该零件采用了哪些视图、剖视图和剖面图?.指出该零件在长、宽、高三个方向的主要尺寸基准。
.图中☝✂表示: 螺纹, ✂表示 ,是 螺纹(内、外),☟是 又 是 。
的含义。
答案:.该零件采用了哪些视图、剖视图和剖面图?说明数量和名称。
该零件采用主视图、俯视图和左视图三个视图,其中,主视图是全剖视图,左视图是局部剖视图,俯视图为半剖视图。
.指出该零件在长、宽、高三个方向的主要尺寸基准。
高方向基准是零件的底面,长度方向基准是零件上Φ 孔的左端面,宽度基准是宽度方向的对称线。
.图中☝✂表示: 非螺纹密封的管 螺纹, ✂表示 公称直径 ,是 内 螺纹(内、外),是 基本尺寸 ,☟是 公差带代号 ,其中,☟是 基本偏差代号 ,是 公差等级 。
.说明符号 的含义。
前者表示用去除材料的方6.3♋的值为 μ❍;后者表示,是由不去除材料的方法获得的零件表面。
试画出主视图的外形。
(图形从略)徐州师范大学考试试卷☎✆二、已知点✌距☟面为 ,距✞面为 ,距 面为 ,点 在点✌的左方 ,后方 ,上方 ,试作✌、 两点的三面投影。
☎分✆二、作平面四边形✌的投影。
☎分✆三、完成下列各形体的投影。
☎分,每题 分✆. .四、根据给出的视图,补画第三视图(或视图所缺的图线)。
机械制图试卷及答案第一部分:选择题(共20题,每题2分,共40分)1.在机械制图中,图形的等轴测投影方式有()。
A. 正立方体投影法. 正投影法. 立矩体投影法. 等角投影法2.下列哪个不属于基本制图命令? A. 线段. 圆弧. 多段线. 椭圆3.在AutoCAD软件中,实线命令的快捷键是()。
A. LI. L. P. E4.机械制图中通常采用的单位制是()。
A. 毫米制. 千米制. 英制. 分米制5.下列哪一种投影方法在机械制图中应用最广? A. 正投影. 斜投影. 等角投影. 透视投影…第二部分:填空题(共10题,每题2分,共20分)1.AutoCAD软件中,设置图层颜色为红色的命令是( ______)。
2.机械制图常用符号中,圆的符号为( ______)。
3.在机械制图中,侧视图通常用( ______)表示。
4.在机械制图中,线段的命令是( ______)。
5.在使用AutoCAD软件绘制图纸时,我们常用的绘制方式是( ______)。
…第三部分:简答题(共5题,每题10分,共50分)1.简述等轴测投影的特点及应用范围。
2.什么是AutoCAD软件中的图层?如何创建新的图层?3.简述机械制图中常用的几种尺寸标注方法。
4.在机械制图中,如何绘制一个圆弧?5.机械制图中由三个视图组成的正投影图的投影方向规定如何?…第四部分:分析题(共2题,每题20分,共40分)1.一张图纸上需要绘制一个正方形和一个圆,用AutoCAD软件绘制。
2.下图是一台机械设备的侧视图,请根据侧视图绘制该机械设备的顶视图和正视图。
…答案第一部分答案:1. D2. D3. B4. A5. A …第二部分答案:1.COLOR2.○3. B4.LINE5.绘制线段、圆弧等命令…第三部分答案:1.等轴测投影是一种具有等角度特点的图形投影方法,可以真实、清晰地表示物体的外观。
应用范围广泛,常用于机械制图、建筑设计等领域。
2.图层是AutoCAD中用于组织和管理绘图对象的一种方式。
徐州师范大学考试试卷(1)机械工程系机电一体化专业画法几何及机械制图课程班级姓名学号得分题号 一 二 三 四 五 六 七 八 九 总分得分阅卷人一、 已知点A距H面为12,距V面为15,距W面为10,点B在点A的左方5,后方10,上方8,试作A、B两点的三面投影。
(10分)二、作平面四边形ABCD的投影。
(10分)三、完成下列各形体的投影。
(12分,每题6分)1. 2.1.五、在指定位置将主视图画成全剖视图。
(10分)六、在指定位置将主视图画成剖视图。
(10分)七、补全螺栓连接图中所缺的图线。
(10分)八、已知两平板齿轮啮合,m1=m2=4mm,z1=20,z2=35,分别计算其齿顶圆、分度圆、齿根圆直径,并画出其啮合图(比例1:2)。
(10分)九、读零件图,并回答问题。
(16分)1.该零件采用了哪些视图、剖视图和剖面图?2.指出该零件在长、宽、高三个方向的主要尺寸基准。
,是 螺纹(内、外),H 是 ,8徐州师范大学考试试卷(1) 答案机械系机电一体化专业画法几何及机械制图课程 班级姓名学号得分题号 一 二 三 四 五 六 七 八 九 总分得分阅卷人二、 已知点A距H面为12,距V面为15,距W面为10,点B在点A的左方5,后方10,上方8,试作A、B两点的三面投影。
XY HY W二、作平面四边形ABCD的投影。
三、完成下列各形体的投影。
1.2.四、根据给出的视图,补画第三视图(或视图所缺的图线)。
1.2.五、在指定位置将主视图画成全剖视图。
六、在指定位置将主视图画成剖视图。
七、补全螺栓连接图中所缺的图线八、已知两平板齿轮啮合,m1=m2=4mm,z1=20,z2=35,分别计算其齿顶圆、分度圆、齿九、读零件图,并回答问题。
1.该零件采用了哪些视图、剖视图和剖面图?2.指出该零件在长、宽、高三个方向的主要尺寸基准。
,是螺纹(内、外),又是,H是,6.试画出主视图的外形。
答案:1. 该零件采用了哪些视图、剖视图和剖面图?说明数量和名称。
1.已知点A距H面为12,距V面为15,距W面为10,点B在点A的左方5,后方10,上方8,试作A、B两点的三面投影。
XW二、作平面四边形ABCD的投影。
三、完成下列各形体的投影。
1.2.四、根据给出的视图,补画第三视图(或视图所缺的图线)。
1. 2五、在指定位置将主视图画成全剖视图。
六、在指定位置将主视图画成剖视图。
八、已知两平板齿轮啮合,m1=m2=4mm,z1=20,z2=35,分别计算其齿顶圆、分度圆、齿根圆直径,并画出其啮合九、读零件图,并回答问题。
1.该零件采用了哪些视图、剖视图和剖面图?,H是,8是。
1.该零件采用了哪些视图、剖视图和剖面图?说明数量和名称。
该零件采用主视图、俯视图和左视图三个视图,其中,主视图是全剖视图,左视图是局部剖视图,俯视图为半剖视图。
2.指出该零件在长、宽、高三个方向的主要尺寸基准。
Φ42孔的左端面,宽度基准是宽度方向的对称线。
1/2"表示公称直径,是内螺纹(内、外),是公差带代号,其中,H是基本偏差代号,8是公差等级。
1 已知点A距H面为12,距V面为15,距W面为10,点B在点A的左方5,后方10,上方8,试作A、B两点的三面投影。
(10分)二、作平面四边形ABCD的投影。
(10分)三、完成下列各形体的投影。
(12分,每题6分)1.2.四、根据给出的视图,补画第三视图(或视图所缺的图线)。
(12分,每题6分) 1.2.五、在指定位置将主视图画成全剖视图。
(10分)六、在指定位置将主视图画成剖视图。
(10分)七、补全螺栓连接图中所缺的图线。
(10分)八、已知两平板齿轮啮合,m1=m2=4mm,z1=20,z2=35,分别计算其齿顶圆、分度圆、齿根圆直径,并画出其啮合图(比例1:2)。
(10分)九、读零件图,并回答问题。
(16分)1.该零件采用了哪些视图、剖视图和剖面图?,是螺纹(内、外),H是,8是。
一、在平面ABC内作一条水平线,使其到H面的距离为10mm。
1已知点A距H面为12,距V面为15,距W面为10,点B在点A的左方5,后方10,上方8,试作A、B两点的三面投影二、作平面四边形ABCD的投影。
三、完成下列各形体的投影。
1. 2.四、根据给出的视图,补画第三视图(或视图所缺的图线)1.五、在指定位置将主视图画成全剖视图。
卜二丄七、补全螺栓连接图中所缺的图线六、在指定位置将主视图画成剖视图。
1 1 i ( i J iHTM?1 TT 1fV1 1rL L1八、已知两平板齿轮啮合,m i=m2=4mm, z i=20, Z2=35,分别计算其齿顶圆、分度圆、齿根圆直径,并画出其啮合图(比例1:2 )。
九、读零件图,并回答问题。
1 •该零件采用了哪些视图、剖视图和剖面图?2.指出该零件在长、宽、高三个方向的主要尺寸基准。
3.图中G1/2"表示:螺纹,1/2"表示,是螺纹(内、外),4.①36H8表示:①36是,H8是又是_____________ ,H是________ , 8是5.说明符号的含义。
6.试画出主视图的外形。
答案:1.该零件采用了哪些视图、剖视图和剖面图?说明数量和名称。
该零件采用主视图、俯视图和左视图三个视图,其中,主视图是全剖视图,左视图是局部剖视图,俯视图为半剖视图。
2.指出该零件在长、宽、高三个方向的主要尺寸基准。
高方向基准是零件的底面,长度方向基准是零件上①42孔的左端面,宽度基准是宽度方向的对称线。
3.图中G1/2"表示:非螺纹密封的管螺纹,1/2"表示公称直径是—内—螺纹(内、外),4.①36H8表示:①36是基本尺寸,H8是—公差带代号其中,H是—基本偏差代号8是—公差等级_5.说明符号62 'O 的含义。
前者表示用去除材料的方法获得的表面粗糙度,Ra的值为6.3 [1 m.;后者表示,是由不去除材料的方法获得的零件表面。
6.试画出主视图的外形。
(图形从略)1已知点A 距H 面为12,距V 面为15,距W 面为10,点B 在点A 的左方5,后方10,上方8,试作A 、B 两点的三 面投影。
文档来源为:从网络收集整理.word 版本可编辑.欢迎下载支持.1机械制图综合试卷一.选择题1 、在尺寸标注中,尺寸界线为(C )A 粗实线B 点画线C 细实线D 任意线2、 平面图形中的尺寸分为( C )A 定形尺寸和圆弧尺寸B 定位尺寸和直线尺寸C 定形尺寸和定位尺寸D 圆弧尺寸和直线尺寸3 、当直线、平面与投影面垂直时,其在该投影面上的投影具有( A )。
A 积聚性B 真实性C 类似收缩性D 收缩性。
4、绘制斜二轴测图时的轴间角是( B )A 都是90︒ B90︒,135︒,135︒C 都是120︒ D90︒,90︒,135︒。
5、在圆柱面上取点( D )A 不用辅助圆法求B 都要用辅助素线法求;C 都必须作辅助线求D 在最外轮廓素线上时可直接求 6、已知三线螺纹,螺距为1,则它的导程为( C )。
A.1 B.2 C.3 D.4 7.、齿轮的分度圆的直径d=( C )。
A.2(m+Z)B.2mZC.MZD. 1/2(a1+a2) 8、两等直径圆柱轴线正交相贯,其相贯线是(B ) A.空间曲线 B.椭圆 C.直线 D.圆9、已知圆柱切割的主俯视图,正确的左视图是( C )10、将投影中心移至无限远处,则投影线视为互相(A )。
A 、平行B 、交于一点C 、垂直D 、交叉 11、两圆柱齿轮中心线之间的距离称为( D )。
A 、全齿高B 、齿距C 、分度圆直径D 、中心距 12、下面四组螺孔的画法中,正确的是图( )13、图样中书写汉字字体号数,即为字体(B )。
A 、宽度B 、高度C 、长度D 、厚度14、在绘制图样时,应采用机械制图国家标准规定的(C )种图线。
A 、4 B 、6 C 、8 D 、10 15、投影的要素为投影线、(B )、投影面。
A 、观察者 B 、物体 C 、光源 D 、画面 16、两圆柱齿轮中心线之间的距离称为(D )。
A 、全齿高B 、齿距C 、分度圆直径D 、中心距17、在斜二等轴测图中,取二个轴的轴向变形系数为l 时,另一个轴的轴向变形系数为(A ) A 、0.5 B 、0.6 C 、I.22 D 、0.82 18、将投影中心移至无限远处,则投影线视为互相(A )。
机械制图考试试卷及答案(1)一、作平面四边形ABCD的投影。
b'二、已知点A距H面为12,距V面为15,距W面为10,点B在点A的左方5,后方10,上方8,试作A、B两点的三面投影。
三、完成下列各形体的投影。
1.2.四、根据给出的视图,补画第三视图(或视图所缺的图线)。
1.2.五、在指定位置将主视图画成全剖视图。
六、在指定位置将主视图画成剖视图。
八、已知两平板齿轮啮合,m1=m2=4mm,z1=20,z2=35,分别计算其齿顶圆、分度圆、齿根圆直径,并画出其啮合图(比例1:2)。
九、读零件图,并回答问题。
1.该零件采用了哪些视图、剖视图和剖面图?2.指出该零件在长、宽、高三个方向的主要尺寸基准。
,是螺纹(内、外),又是,H是,答案:1.该零件采用了哪些视图、剖视图和剖面图?说明数量和名称。
该零件采用主视图、俯视图和左视图三个视图,其中,主视图是全剖视图,左视图是局部剖视图,俯视图为半剖视图。
2.指出该零件在长、宽、高三个方向的主要尺寸基准。
高方向基准是零件的底面,长度方向基准是零件上Φ42孔的左端面,宽度基准是宽度方向的对称线。
3.图中G1/2"表示:非螺纹密封的管螺纹,1/2"表示公称直径,是内螺纹是公差带代号,其中,H是基本偏差!!徐州师范大学考试试卷(1)机械工程系机电一体化专业画法几何及机械制图课程班级姓名学号得分题号 一 二 三 四 五 六 七 八 九 总分得分阅卷人一、已知点A距H面为12,距V面为15,距W面为10,点B在点A的左方5,后方10,上方8,试作A、B两点的三面投影。
(10分)二、作平面四边形ABCD的投影。
(10分)三、完成下列各形体的投影。
(12分,每题6分)1.2.四、根据给出的视图,补画第三视图(或视图所缺的图线)。
(12分,每题6分) 1.2.五、在指定位置将主视图画成全剖视图。
(10分)六、在指定位置将主视图画成剖视图。
(10分)七、补全螺栓连接图中所缺的图线。
《机械制图》试卷八
试题 1 2 3 4 5 6 7 8 9 10 合计得分
阅卷人
一、完成五边形ABCDE的V面投影(AE//BC)。
(15分)
二、已知直线为AC为正平线,试补全平行四边形ABCD的水平投影。
(10分)
三、用1:1的比例画出下面平面立体的轴测图(15分)
五、按规定画法将主视图改画成全剖视图(15分)
七、已知用M10的螺柱、螺母、弹簧垫圈连接以下两零件,下方零件的材料为钢,试用比例作图法画出主视图(可不画出倒角)(1:1)(15分)
《机械制图》试卷八答案
阅卷人
一、成五边形ABCDE的V面投影(AE//BC)(15分)。
分)。
a
d
a
c
d
c
b
三、用1:1的比例画出下面平面立体的轴测图(15分)
六、按规定画法将主视图改画成全剖视图(15分)
钢,试用比例作图法画出主视图(可不画出倒角)(1:1)(15分)。
徐州师范大学考试试卷(1) 答案一、已知点A距H面为12,距V面为15,距W面为10,点B在点A的左方5,后方10,上方8,试作A、B两点的三面投影。
X YW二、作平面四边形ABCD的投影。
三、完成下列各形体的投影。
1. 2.四、根据给出的视图,补画第三视图(或视图所缺的图线)。
1.2.五、在指定位置将主视图画成全剖视图。
六、在指定位置将主视图画成剖视图。
七、补全螺栓连接图中所缺的图线八、已知两平板齿轮啮合,m1=m2=4mm,z1=20,z2=35,分别计算其齿顶圆、分度圆、齿根圆九、读零件图,并回答问题。
1.该零件采用了哪些视图、剖视图和剖面图?2.指出该零件在长、宽、高三个方向的主要尺寸基准。
,是螺纹(内、外),又是,H是,6.试画出主视图的外形。
答案:1.该零件采用了哪些视图、剖视图和剖面图?说明数量和名称。
该零件采用主视图、俯视图和左视图三个视图,其中,主视图是全剖视图,左视图是局部剖视图,俯视图为半剖视图。
2.指出该零件在长、宽、高三个方向的主要尺寸基准。
高方向基准是零件的底面,长度方向基准是零件上Φ42孔的左端面,宽度基准是宽度方向的对称线。
3.图中G1/2"表示:非螺纹密封的管螺纹,1/2"表示公称直径,是内螺纹是公差带代号,其中,H是基本偏差代徐州师范大学考试试卷(1)二、已知点A距H面为12,距V面为15,距W面为10,点B在点A的左方5,后方10,上方8,试作A、B两点的三面投影。
(10分)二、作平面四边形ABCD的投影。
(10分)三、完成下列各形体的投影。
(12分,每题6分)1. 2.四、根据给出的视图,补画第三视图(或视图所缺的图线)。
(12分,每题6分) 1.2.五、在指定位置将主视图画成全剖视图。
(10分)六、在指定位置将主视图画成剖视图。
(10分)七、补全螺栓连接图中所缺的图线。
(10分)八、已知两平板齿轮啮合,m1=m2=4mm,z1=20,z2=35,分别计算其齿顶圆、分度圆、齿根圆直径,并画出其啮合图(比例1:2)。
徐州师范大学考试试卷(1) 答案一、已知点A距H面为12,距V面为15,距W面为10,点B在点A的左方5,后方10,上方8,试作A、B两点的三面投影。
二、作平面四边形ABCD的投影。
三、完成下列各形体的投影。
1.2.四、根据给出的视图,补画第三视图(或视图所缺的图线)。
1.2.五、在指定位置将主视图画成全剖视图。
六、在指定位置将主视图画成剖视图。
七、补全螺栓连接图中所缺的图线八、已知两平板齿轮啮合,m1=m2=4mm,z1=20,z2=35,分别计算其齿顶圆、分度圆、齿根圆直径,并画出其啮合图(比例1:2)。
九、读零件图,并回答问题.1.该零件采用了哪些视图、剖视图和剖面图?2.指出该零件在长、宽、高三个方向的主要尺寸基准。
3.图中G1/2"表示: 螺纹,1/2”表示,是螺纹(内、外),4.Φ36H8表示:Φ36是,H8是又是,H是,8是。
5.说明符号的含义。
6.试画出主视图的外形.答案:1.该零件采用了哪些视图、剖视图和剖面图?说明数量和名称。
该零件采用主视图、俯视图和左视图三个视图,其中,主视图是全剖视图,左视图是局部剖视图,俯视图为半剖视图。
2.指出该零件在长、宽、高三个方向的主要尺寸基准.高方向基准是零件的底面,长度方向基准是零件上Φ42孔的左端面,宽度基准是宽度方向的对称线。
3.图中G1/2”表示:非螺纹密封的管螺纹,1/2”表示公称直径,是内螺纹(内、外),4.Φ36H8表示:Φ36是基本尺寸,H8是公差带代号,其中,H是基本偏差代号,8是公差等级。
5.说明符号的含义。
前者表示用去除材料的方法获得的表面粗糙度,Ra的值为6。
3μm。
;后者表示,是由不去除材料的方法获得的零件表面。
6。
试画出主视图的外形。
(图形从略)徐州师范大学考试试卷(1)二、已知点A距H面为12,距V面为15,距W面为10,点B在点A的左方5,后方10,上方8,试作A、B两点的三面投影。
(10分)二、作平面四边形ABCD的投影。
班级姓名 学号 得分题号一二三四五六>七八 九 总分得分,阅卷人^一、 已知点A 距H面为12,距V 面为15,距W 面为10,点B 在点A 的左方5,后方10,上方8,试作A 、B 两点的三面投影。
XZY Y WOaaabbb二、作平面四边形ABCD 的投影。
~三、完成下列各形体的投影。
1. 2.~:四、根据给出的视图,补画第三视图(或视图所缺的图线)。
1.2.\五、在指定位置将主视图画成全剖视图。
六、在指定位置将主视图画成剖视图。
八、已知两平板齿轮啮合,m1=m2=4mm,z1=20,z2=35,分别计算其齿顶圆、分度圆、齿根圆直径,并画出其啮合图(比例1:2)。
}九、读零件图,并回答问题。
1.该零件采用了哪些视图、剖视图和剖面图2.指出该零件在长、宽、高三个方向的主要尺寸基准。
,是螺纹(内、外),又是,H是,答案:1. 该零件采用了哪些视图、剖视图和剖面图说明数量和名称。
该零件采用主视图、俯视图和左视图三个视图,其中,主视图是全剖视图,左视图是局部剖视图,俯视图为半剖视图。
2. 指出该零件在长、宽、高三个方向的主要尺寸基准。
高方向基准是零件的底面,长度方向基准是零件上Φ42孔的左端面,宽度基准是宽度方向的对称线。
3.图中G1/2"表示: 非螺纹密封的管 螺纹,1/2"表示 公称直径 ,是 内 螺纹(内、外),是 基本尺寸 ,是 公差带代号 ,其中,H 是 基本偏差代号 ,是 公差等级 。
5.说明符号 的含义。
前者表示用去除材料的方法获得的表面粗糙度, Ra 的值为μm.;后者表示,是由不去除材料的方法获得的零件表面。
¥6.3徐州师范大学考试试卷(1)机械工程系机电一体化专业画法几何及机械制图课程…班级姓名学号得分10,上方8,试作A、B两点的三面投影。
(10分)二、作平面四边形ABCD的投影。
(10分)【三、完成下列各形体的投影。
(12分,每题6分)1.2.四、根据给出的视图,补画第三视图(或视图所缺的图线)。
(12分,每题6分) 1.;2.五、在指定位置将主视图画成全剖视图。
(10分)六、在指定位置将主视图画成剖视图。
(10分)@七、补全螺栓连接图中所缺的图线。
(10分)八、已知两平板齿轮啮合,m1=m2=4mm,z1=20,z2=35,分别计算其齿顶圆、分度圆、齿根圆直径,并画出其啮合图(比例1:2)。
(10分)、九、读零件图,并回答问题。
(16分)1.该零件采用了哪些视图、剖视图和剖面图2.指出该零件在长、宽、高三个方向的主要尺寸基准。
,是螺纹(内、外),H是,8] ·徐州师范大学试卷(3)答案机械工程系机械制造工艺与设备专业画法几何及机械制图课程班级姓名学号得分题号一二三、四五六七八九总分得分>阅卷人:一、在平面ABC内作一条水平线,使其到H面的距离为10mm。
(10分)*二、作平面△ABC和平面△EFG的交线,并判别可见性。
(10分)三、根据给出的视图,补画第三视图或视图中所缺的图线。
(14分,每题7分)1.四、在指定位置将主视图画成剖视图。
(12分)五、补画视图中的缺线。
(12分)$六、指出下列螺纹画法中的错误,并将正确的画在指定位置。
(8分)八、解释轴承304的含义,并在图中画出其与孔和轴的装配结构。
(8分) ^304:向心球轴承,04表示滚动轴承内径为20mm,3表示尺寸系列。
九、读零件图,并回答问题。
(18分)1.该零件采用了哪些视图、剖视图或其它表达方法的含义。
B-B、C-C断面图及D-D局部剖视图。
45孔的轴线3.Φ40H7表示:基本尺寸为Φ40的孔,H7为公差带代号,H为基本偏差代号,7为公差等级。
4. M68╳2表示,公称直径为68mm的普通细牙螺纹,M为螺纹代号,2为螺距。
5.左视图外形略6. 前者表示用去除材料的方法获得的表面粗糙度,Ra的值为μm.;后者表示,是由不去除材料的方法获得的零件表面。
—徐州师范大学试卷(3)机械工程系机械制造工艺与设备专业画法几何及机械制图课程班级姓名学号得分@题号一二三四五六七八九]总分得分~ 阅卷人:一、在平面ABC内作一条水平线,使其到H面的距离为10mm。
(10分)二、作平面△ABC和平面△EFG的交线,并判别可见性。
(10分)三、根据给出的视图,补画第三视图或视图中所缺的图线。
(14分,每题7分) `1.2.…四、在指定位置将主视图画成剖视图。
(12分)五、补画视图中的缺线。
(12分)^六、指出下列螺纹画法中的错误,并将正确的画在指定位置。
(8分)七、在指定位置画出剖面图(键槽深为3mm)。
(8分)>八、解释轴承304的含义,并在图中画出其与孔和轴的装配结构。
(8分)九、读零件图,并回答问题。
(18分)1.该零件采用了哪些视图、剖视图或其它表达方法说明数量和名称。
{*徐州师范大学考试试卷(5)答案机械工程系机电技术应用专业画法几何及机械制图课程班级姓名学号得分)一、已知直线AB的两面投影,设直线AB上一点C将AB分成2:3,求C点的三面投影。
(12分)二、已知平面的两面投影,完成其第三面投影。
(10分)三、已知两视图,求作第三视图。
(15分)】四、求作立体的相贯线。
(12分)五、根据两视图补画第三视图。
(12分)六、分析下列螺纹画法的错误,正确的打“√”, 错误的打“×”。
(8分)。
(×) (√) (×) (×)七、在指定位置将主视图画成全剖视图。
(16分)八、读端盖零件图,回答下列问题。
(15分)(1)表面Ⅰ的表面粗糙度代号为,表面Ⅱ的表面粗糙度代号为*表面Ⅲ的表面粗糙度代号为。
(2)尺寸Φ70d11,其基本尺寸为___Φ70____,基本偏差代号为___ d ____,标准公差等级为___11级____。
徐州师范大学考试试卷(5)机械工程系机电技术应用专业画法几何及机械制图课程班级姓名学号得分二、,三、已知直线AB的两面投影,设直线AB上一点C将AB分成2:3,求C点的三面投影。
(12分)二、已知平面的两面投影,完成其第三面投影。
(10分)三、已知两视图,求作第三视图。
(15分)[四、求作立体的相贯线。
(12分)五、根据两视图补画第三视图。
(12分)六、分析下列螺纹画法的错误,正确的打“√”, 错误的打“×”。
(8分))( ) ( ) ( ) ( )七、在指定位置将主视图画成全剖视图。
(16分)八、读端盖零件图,回答下列问题。
(15分)(1)表面Ⅰ的表面粗糙度代号为_______,表面Ⅱ的表面粗糙度代号为_______,#表面Ⅲ的表面粗糙度代号为_______。
(2)尺寸Φ70d11,其基本尺寸为_______ ,基本偏差代号为_______,标准公差等级为_______。
'徐州师范大学考试试卷(7)答案>机械工程系数控技术应用专业画法几何及机械制图课程班级姓名学号得分一、已知直线AB的两面投影。
(1)完成其第三面投影;(2)设直线AB上一点C距H面25,完成点C的三面投影。
(10分)二、作一直线MN,使MN20f20fZ"2.指出该零件在长、宽、高三个方向的主要尺寸基准。
3.说明Φ40H7的意义。
4.说明M8—7H的含义。
5.完成A-A剖视图。
6.说明符号的含义。
]答案:1.该零件图中,主视图采用了局部剖视,左视图采用半剖视图,俯视图采用全剖视图2.长度方向的基准是长度对称线,高度方向基准是零件底边,宽度方向是宽度对称线。
3.Φ40H7表示:基本尺寸为Φ40的孔,H7为公差带代号,H为基本偏差代号,7为公差等级。
4. M8—7H表示,公称直径为8mm的普通螺纹,M为螺纹代号,7H为中径的公差带代号。
5.(图略)6.表示主视图中右侧Φ40H7孔的中心轴线相对于左侧Φ40孔的中心轴线的同轴度公差为Φ)徐州师范大学考试试卷(2)机械工程系机电产品营销与外贸专业画法几何及机械制图课程班级姓名学号得分六七八总分题号一二三四|五得分]阅卷人$一、作水平线AB的三面投影。
已知点A距H面为15,距V面为5,距W面为10,AB与V 面夹角为30°,实长为30,点B在点A的左前方。
(10分)Z|oX Y WY H二、已知直线为AC为正平线,试补全平行四边形ABCD的水平投影。
(12分)·三、根据已知视图补画第三视图或视图中所缺的图线。
(16分,每题8分)1.2.:五、在指定位置画出剖面图(键槽深3mm)。
(8分)六、改正双头螺柱连接中的错误画法。
(12分),七、画出齿轮的两个视图,已知m=3mm,z=20,写出主要计算式。
(10分)八、读零件图并回答下列问题。
(20分)1.该零件采用了哪些视图、剖视图和剖面图2.指出该零件在长、宽、高三个方向的主要尺寸基准。
3.说明Φ40H7的意义。
4.说明M8—7H 的含义。
'5.标出各剖视图的剖切平面位置。
6.说明符号;。