钢结构课程设计word版
- 格式:doc
- 大小:1.44 MB
- 文档页数:25
绪论教学目的了解钢结构的发展,掌握钢结构的特点及设计方法重点设计方法难点设计方法参考书目《钢结构原理与设计》王国固——清华《钢结构基本原理》王肇尼——同济《钢结构》张耀春——哈工大㈠纪律要求㈡考核方法1.作业要求2.出勤要求㈢学习方法介绍第一章概述一节钢结构的特点和应用㈠.特点㈡.应用范围二节钢结构的建造过程和内在缺陷→㈠建造过程:钢才验收→放样(划线,下料)→加工→ 装配→除锈,涂漆工地安装:现场拼装→吊装就位→相互连接临时固定→调整精度最后固定㈡初始缺陷1.尺寸偏差2.初弯曲→拉杆压杆三节钢结构设计方法㈠ 极限状态1 .承载能力极限 ⑴强度破坏⑵过大变形不是于继续承载⑶形成塑性铰⑷失稳⑸疲劳2 . 正常使用极限状态 ⑴变形⑵振动0 s R㈡设计表达式(按荷载规范采用)设计表达式1sRRE㈢荷载组合1. 承载力极限可变荷载控制nSGSGK Q1SQ1KQiciSQiKi 22. 永久荷载控制SGSGK Qi ciSQiK3. 简化组合可变SGSGK Q1SQiKSGSGK0.9 *QiSQiK注意: 分项系数的取值㈣ 正常使用极限一般只用标准组合SSGKSQ1 K ciSQik㈤ 结构的荷载效应分析1 .一阶分析:变形与构件尺寸相比微不足道,忽略变形影响。
2 .二阶分析:考虑变形影响,非线性分析。
四节钢结构的发展㈠采用高性能钢材㈡开发新的结构形式㈢提高制造工业技术水平第一章钢结构的材料教学目的掌握钢材性能及其影响因素,掌握建筑用钢要求重点钢材的性能及其影响因素难点塑性韧性性能教学后记由于学生无弹性力学,塑性力学基础,应先使学生产生感性认识,逐渐接受其塑性性能教学过程㈠强调建筑结构对钢材性能的要求,再后面内容中关注以上要求的变化㈡重点讲述疲劳性能,强调桥梁钢结构特点第二章钢结构的材料一节.对钢结构用材的要求㈠较高的强度㈡足够的变形能力㈢良好的加工性能二节钢才的主要性能及其鉴定㈠单向拉伸时的工作性能1.比例极限p -----视为弹性极限,弹性阶段OA2.屈服点y⑴作为结构计算中材料强度标准⑵形成理想弹塑性体模型,为计算理论提供基础名义屈服点3.抗拉强度:作为安全储备,强屈比u 1.2y4.伸长率代表断裂前具有的塑性变形的能力㈡.冷弯性能⑴塑性变形能力符合要求⑵冶金质量符合要求表示钢材在复杂应力状态下的塑性变形能力㈢.冲击韧性⑴吸收能量的量度⑵衡量钢材抗脆断的性能⑶受温度的影响㈣.可焊性㈤.钢材性能的鉴定三节影响钢材性能的因素㈠化学成分1.碳:含量提高,钢材强度提高,塑性韧性,冷弯性能,可焊性,抗锈性降低含碳量0.25%低碳钢0.6% 高碳钢钢结构含碳量0.22% 焊接结构0.2%2.锰:提高强度,塑性,韧性降低不多,消除硫的热脆影响,过多降低可焊性3.硅:强度提高,塑性,韧性,冷弯性,可焊性不显著影响,过多恶化可焊性,锈蚀性4.钒,铌,钛:强度提高,塑性韧性良好5.铝,铬,:铝补充脱氧,细化晶粒,铬用于Q390,Q4206.硫:热脆,降低韧性,影响疲劳性能,抗锈蚀能力0.045% ~ 0.05% Q345E,0.025% Z向板 0.01%7.磷:冷脆,但强度提高,抗锈蚀提高8.氧,氮:化学成分含量见附表9㈡.成材过程的影响1.冶炼;2.浇铸:形成沸腾钢,镇静钢,冶金缺陷( 1 偏析 2 非金属夹杂 3 气孔 4 裂纹)、3.扎制:薄,厚钢板→强度不同,缺陷撕裂4.热处理㈢.影响钢材性能的其他因素1.冷加工硬化:提高屈服点,降低塑韧性——应变硬化时效硬化2.温度影响:正温: 200o C 以内无变化, 250 o C 兰脆, 260o C ~ 320o C 徐变, 430 o C ~ 540 o C 强度急剧下降600 o C 强度很低,不能承载负温: f y, f u提高,塑性降低,变脆,韧性降低3.应力集中:在缺陷或截面变化处附近应力线曲折密集出现高峰应力的现象产生应力集中的情况:相成双向应力场→阻碍塑性发展→脆性破坏四节钢材延性破坏,非延性破坏,循环加载,快速加载的效应㈠延性破坏,非延性破坏1.塑性材料,脆性材料2.钢材的塑性破坏,脆性破坏㈡:循环荷载的效应1.疲劳断裂的概念⑴疲劳断裂的过程,缺陷(类裂纹)→扩展→应力集中→形成宏观裂纹→断裂⑵应力幅maxmin1.n 曲线2.疲劳验算及容许应力幅⑴ n 5 * 10 4时,应进行疲劳验算(容许应力法)⑵按可变荷载标准值进行,荷再不乘吊车动力⑶㈢快速加荷的效应1. 能量吸收曲线——吸收同等量能量 2. 韧性影响曲线五节 钢材的类别及选用㈠建筑钢材的类别A f y , f u ,21%B f y , f u , 20% A K 27% 冷弯合格,含量c, s, p1. 碳素结构钢—— Q235 f y , f u , 0 27% 冷弯合格, 含量Cc, s, p D f y , f u , 20 冷弯合格,含量27% c, s,p 2. 低合金结构钢 Q345 , Q390 , Q420AB - 20o CC - 0o C A J 34JD - 20 o CE 40o C3. 高强钢丝和钢索材料 ㈡钢材的选择考虑因素 P43沸腾钢使用范围:不采用: 1. 焊接结构⑴直接承受动荷载或震动荷载且需验算疲劳结构。
钢结构课程设计专业:土建系班级: 08级建工(2)班姓名:邵文凡目录一设计资料 (3)二结构形式与布置 (3)三荷载计算 (4)四内力计算 (5)五杆件设计 (6).六节点设计 (14)一、设计资料1、根据任务书的已知条件:梯形钢屋架跨度27m ,长度90m ,柱距6m 。
该车间内设有两台20/5 t 中级工作制吊车 ,两端铰支于钢筋混凝土阶梯柱上,上柱采用截面为400 mm×400 mm,混凝土标号为C30。
屋面采用1.5m×6m 预应力混凝土大型屋面板,板面以上依次为:三毡四油防水层、20mm 厚水泥砂浆找平层、80mm 厚泡沫混凝土保温层,卷材屋面,屋面坡度i =1/10。
屋面活荷载标准值为0.5 kN/m 2,雪荷载标准值为0.4 kN/m 2,积灰荷载标准值为0.3 kN/m 2。
屋架铰支在钢筋混凝土柱上,上柱钢材采用Q235B 级,焊条采用E43型。
2、屋架计算跨度:l o =27-2×0.15=26.7m 。
3、跨中及端部高度:本次设计为无檩体系屋盖,采用缓坡梯形屋架,取屋架在27m 轴线处的端部高度h ’o =2000mm ,屋架的中间高度h=2844mm ,屋架在26.7m 处,两端高度为h o = 2005m 。
屋架跨中起拱按l o /500考虑,取53mm 。
二、结构形式与布置屋架型式及几何尺寸如图1-1所示。
20051508150815091508150815081508150813500229025903040334012951520260825352869208720872249224918832027150828503000300045002859325115013501990A KJH GFE gedcfDCBba 101图1-1梯形屋架的形状和几何尺寸根据厂房长度(90m>60m )、跨度及荷载情况,设置三道上、下弦横向水平支撑。
《钢结构》课程设计指导书普通钢屋架设计河南工程学院土木工程学院2015年12月普通钢屋架设计指导书本指导书根据设计任务书提出的设计内容和要求指出了设计中应考虑的原则和应注意的问题,对其中某些问题作了必要的说明。
更为一般的设计原理、方法及参考数据,可查阅相关设计手册和规程规范。
第一部分:设计及计算与设计说明书的编制普通钢屋架是由普通角钢和节点板焊接而成。
这种屋架受力性能好,构造简单,施工方便,广泛应用于工业和民用建筑的屋盖结构中,一般是用于大型钢筋混凝土屋面板等重型屋面,将屋面板直接放在屋架或天窗架上,普通屋架所用的等边角钢不小于∟45×4,不等边角钢不小于∟56×36×4。
屋架钢材一般采Q235BF(3号沸腾钢)钢材,冬季计算温度等于或低于-30℃时的屋架宜采用Q235B(3号镇静钢),荷载较大的大跨度屋架可采用Q345(16Mn钢)或Q390(15MnV 钢)。
一、屋架的形式及主要尺寸(一)普通梯形钢屋架概述普通梯形钢屋架通常用于屋面坡度较为平缓的大型屋面板或长尺压型钢板的屋面,跨度一般为15~36m,柱距6~12m,跨中经济高度为(1/8~1/10)l。
梯形屋架外形比较接近弯矩图,因而弦杆内力沿跨度分布比较均匀,用料较经济,且可以和柱刚接或铰接,且刚接可使建筑物横向刚度提高。
与柱刚接的梯形屋架,端部高度一般为(1/12~1/16)l,通常取2.0~2.5m;与柱铰接的梯形屋架,端部高度1.5~2.0m,此时,跨中高度可根据端部高度和上弦坡度确定。
在多跨房屋中,各跨屋架的端部高度应尽可能相同。
当采用大型屋面板时,为使荷载作用在节点上,上弦杆的节间长度宜等于板的宽度,即1.5m 或3.0m。
当采用压型钢板屋面时,也应使檩条尽量布置在节点上,以免上弦杆受弯。
对于跨度较大的梯形屋架,为了保证荷载作用于节点,并保持腹杆有适宜的角度和便于节点构造处理,可沿屋架全长或只在屋架跨中部分布置再分式腹杆。
目录一、设计资料 (1)二、屋架的形式及尺寸的确定 (1)三、屋架、支撑及檩条布置 (2)1.屋架、支撑布置情况 (2)2.檀条的布置与计算 (3)四、荷载组合与内力计算 (4)1 .永久荷载 (4)2 .可变荷载 (4)3 .屋架荷载计算 (4)4.屋架杆件的内力计算 (5)(1)上弦杆在节点荷载下的局部弯矩 (5)(2)屋架杆件内力计算 (5)五、杆件的截面设计 (6)1.上弦杆 (6)(1)弯矩作用平面内的稳定验算 (7)(2)弯矩作用表面外的稳定验算 (7)2.下弦杆选择 (7)3.腹杆选择 (8)六、节点设计 (12)1.屋脊节点F (12)2.节点K (13)3.下弦节点H (14)4.上弦节点B (15)5. 上弦节点C (15)6.支座节点A (16)钢结构课程设计一、设计资料某车间芬克式三角形普通钢屋架,车间为单跨厂房,全长120m 。
屋架支承在钢筋混凝土柱上,柱距6m ,上柱截面尺寸为400×400mm ,混凝土强度等级为C20。
车间内设有一台起重量30t 的中级工作制桥式吊车,吊车轨顶标高为+12.00m 。
屋架跨度: 21m 屋面坡度:1:2.5屋面材料:波形石棉瓦 (0.2kN/m 2↓ ) 木丝板保温层 (0.24kN/m 2↓ )[10槽钢檀条 (0.1kN/m ) (檀条间距700~800mm ) 屋面活荷载:0.3kN/m 2(↓) 屋面雪载:0.70 kN/m 2(↓)屋架材料:采用Q235-A ·F 或Q235-A 钢材(要求附加:保证冷弯试验性能和碳的极限含量),焊条采用E43系列型,手工焊。
二、屋架的形式及尺寸的确定根据屋面所采用的屋面材料的排水需要采用芬克式三角形屋架(屋架形式如图1所示),屋面坡度i=2.5,屋面倾角(=arctan 5.21=21(48(, sin(=0.3714,cos(=0.9285.屋架跨度:L=21000mm 计算跨度:mm L L 206004000=-=图一 屋架杆件屋架跨中高度: 取n=5 H=n 20600=4120mm.屋架上弦总长L=LO/(cos(×2)=20600/(2×0.9285)=11093.16mm. 根据构造要求上弦檀条的间距为700~800mm ,为尽量使屋架受节点荷载,将上弦划分为5个节间,节间长度s=516.11093=2218.6mm. 节间水平投影长度为Q=S •cos(=1848.86×0.9285=1716.67mm . 屋架各杆的几何尺寸如下表1所示:表1 各杆件的几何尺寸杆件n=5杆件长度(mm)L=k •H长度系数k1~5 0.539 2220.68 6,7 0.215 885.8 8,90.602 2480.24 10,11, 13,140.580 2389.6 12,150.8703584.416 1.050 432617 1.000 4120三、屋架、支撑及檩条布置1、屋架、支撑布置情况根据厂房总长为120mm,超过伸缩缝的最大间距100mm,需在厂中部设置伸缩缝一道。
钢结构课设门式刚架厂房设计计算书一、设计资料单层单跨双坡门式刚架厂房,厂房横向跨度15m,柱顶高度6.3m,共有8榀刚架。
柱距6 m,屋面坡度1/10,柱底铰接。
取中间跨刚架(GJ-1)进行计算,刚架梁柱截面均采用等截面焊接工字形。
屋面及墙面均为带100mm厚岩棉夹层的双层压型钢板;檩条(墙梁)采用薄壁卷边C型钢,间距为1.5m。
钢材采用Q235B,焊条E43型。
抗震设防烈度为6度。
二、荷载1、屋面恒载标准值(按水平投影面): a 0.35kN/㎡b 0.4kN/㎡c 0.5kN/㎡2、屋面活载标准值(按水平投影面): a 0.5kN/㎡b 0.4kN/㎡c 0.3kN/㎡3、屋面雪荷载: a 0.3kN/㎡b 0.35kN/㎡c 0.5kN/㎡4、风荷载(基本风压): a 0.35kN/㎡(地面粗糙度系数按C类) b 0.45kN/㎡c 0.35kN/㎡三、结构平面柱网及支撑布置该厂房长度42m,跨度15m,柱距6m,共有8榀刚架,由于纵向温度区段不大于300m、横向温度区段不大于150m,因此不用设置伸缩缝。
檩条间距为1.5m。
厂房长度<60m,因此在厂房两端和中部设置屋盖横向水平支撑;并在屋盖相应部位设置檩条、斜拉条、拉条和撑杆;同时应该在与屋盖横向水平支撑相对应的柱间设置柱间支撑,由于柱高>柱距,因此柱间支撑需要分层布置。
(布置图详见施工图)四、荷载的计算1、计算模型选取取一榀刚架进行分析,柱脚采用铰接,刚架梁和柱采用等截面设计。
厂房柱高为6.3m ;屋面坡度为1:10。
因此得到刚架计算模型:2、荷载计算2.1荷载取值计算:(1)屋盖永久荷载标准值(对水平投影面) 0.352kN m (2)屋面可变荷载标准值 ①屋面活荷载:0.52kN m 。
②屋面雪荷载:0.3 2kN m 。
③本工程不考虑积灰荷载。
所以屋面可变荷载取Max {}=活荷载,雪荷载0.52kN m 。
(3)轻质墙面及柱自重标准值(包括柱、墙骨架等):0.352kN m (4)风荷载标准值基本风压:0ω=0.352kN m ;根据地面粗糙度类别为C 类,查得风荷载高度变化系数:当高度小于10m 时,按10m 高度处的数值采用,z μ=0.74。
《钢结构设计》课程设计一、课程目标知识目标:1. 让学生掌握钢结构设计的基本原理,理解钢结构在建筑中的应用优势。
2. 使学生了解并掌握钢结构材料的力学性能、连接方式及构造要求。
3. 帮助学生了解钢结构设计的相关规范和标准,熟悉设计流程。
技能目标:1. 培养学生运用专业知识进行钢结构设计计算和分析的能力。
2. 提高学生运用CAD等软件绘制钢结构施工图的能力。
3. 培养学生解决实际工程中钢结构问题的能力,提高创新意识和团队协作能力。
情感态度价值观目标:1. 培养学生对钢结构设计学科的兴趣,激发学习热情。
2. 引导学生关注钢结构在建筑行业中的发展,提高环保意识和责任感。
3. 培养学生严谨、认真、负责的工作态度,树立正确的价值观。
课程性质:本课程为专业核心课程,旨在培养学生的钢结构设计能力,提高学生在实际工程中的应用水平。
学生特点:学生具备一定的力学基础和建筑结构知识,对钢结构设计有一定了解,但缺乏实际操作经验。
教学要求:结合理论教学与实践操作,注重培养学生的动手能力和解决实际问题的能力。
通过课程学习,使学生能够独立完成钢结构设计任务,具备一定的创新意识和团队协作能力。
教学过程中,关注学生的个体差异,因材施教,确保每位学生都能达到课程目标。
二、教学内容1. 钢结构基本概念:包括钢结构的特点、分类及在建筑中的应用。
教材章节:第一章 钢结构概述2. 钢结构材料:介绍常用钢材的力学性能、化学成分及加工工艺。
教材章节:第二章 钢结构材料3. 钢结构连接:讲解钢结构连接方式、构造要求及计算方法。
教材章节:第三章 钢结构连接4. 钢结构设计原理:阐述钢结构设计的基本原则、设计流程及规范要求。
教材章节:第四章 钢结构设计原理5. 钢结构构件计算:分析梁、柱、桁架等常见钢结构构件的计算方法。
教材章节:第五章 钢结构构件计算6. 钢结构施工图绘制:教授CAD等软件在钢结构施工图绘制中的应用。
教材章节:第六章 钢结构施工图7. 钢结构工程实例分析:通过实际工程案例,培养学生解决实际问题的能力。
建筑钢结构课程设计(doc 40页)建筑钢结构课程设计专业班级学号姓名指导老师完成时间2 建筑设计2.1建筑设计指导思想1)设计满足生产工艺的要求,这是对设计的基本要求。
2)应创造良好的操作环境,有利于保证工人健康和提高劳动生产率。
3)应满足有关技术要求:(1) 厂房应具有必要的坚固耐久性能,使在外力、温湿度变化、化学侵蚀等各种不利因素作用下可以确保安全;(2) 厂房建筑应具有一定的灵活应变能力,在满足当前使用的基础上,适当考虑到以后设备更新和工艺改革的需要,使远近期结合,提高通用性,并为以后的厂房改造和扩建提供条件;(3) 设计厂房时应遵守国家颁布的有关技术规范与规程。
4)设计要注意提高建筑的经济、社会和环境的综合效益,三者间不可偏废。
5)工业建筑在适用、安全、经济的前提下,把建筑美与环境美列为设计的重要内容,美化室内外环境,创造良好的工作条件。
2.2建筑布置考虑工艺、结构和经济三方面要求,按照设计规范,厂房可不设置伸缩缝。
2.3构造简要说明1)屋面及墙面构造屋面板和墙面板采用75mm厚岩棉夹芯彩板,在其纵横向搭接处均应设置连续密封胶条。
屋面的坡度为1:12的双坡屋面,采用内天沟有组织排水。
2)地面构造厂房的地面用素土夯实后铺80厚C10混凝土,然后用20厚1:2水泥砂浆抹面。
室内地坪标高为0.000,室外地坪为-0.3m,进厂房门的室内外做成斜坡。
3)刚架防锈处理用各色硼钡酚醛防锈漆F53-9打底,在选用各色醇酸磁漆C04-42作面漆。
3 结构设计计算书3.1结构体系本设计结构体系为横向单跨双坡门式刚架承重体系,跨度24米,门式刚架斜梁坡度为1:12。
纵向为檩条支撑体系,24跨,柱距5.1米。
屋面板和墙面板采用75mm厚岩棉夹芯彩板,在其纵横向搭接处均应设置连续密封胶条。
3.2结构布置1.柱网布置综合考虑工艺、结构及经济三个方面的要求,确定厂房柱网布置为:纵向24跨,跨度5.1米,横向单跨,跨度24米。
钢结构课程设计word文档一、课程目标知识目标:1. 让学生理解钢结构的基本概念、分类和特点;2. 掌握钢结构的设计原理、构造要求和连接方式;3. 了解钢结构在建筑领域的应用和发展前景。
技能目标:1. 培养学生运用理论知识进行钢结构设计和计算的能力;2. 提高学生运用CAD软件绘制钢结构施工图的能力;3. 培养学生分析、解决钢结构施工过程中常见问题的能力。
情感态度价值观目标:1. 培养学生对钢结构工程的兴趣和热情,激发学生探索建筑领域新技术的欲望;2. 培养学生严谨、务实的学习态度,树立正确的工程观念;3. 增强学生的团队协作意识,培养学生的沟通、交流能力。
本课程针对高中年级学生,结合课程性质、学生特点和教学要求,将目标分解为具体的学习成果。
在教学过程中,注重理论与实践相结合,充分调动学生的主观能动性,培养他们独立思考和解决问题的能力。
通过本课程的学习,期望学生能够掌握钢结构的基本知识,具备一定的设计和施工技能,为未来从事相关工作打下坚实基础。
二、教学内容1. 钢结构基本概念:介绍钢结构的概念、分类及特点,让学生了解钢结构在建筑行业中的应用。
教材章节:第一章 钢结构概述2. 钢结构设计原理:讲解钢结构设计的基本原理,包括材料性能、构件截面、连接方式等。
教材章节:第二章 钢结构设计原理3. 钢结构构造要求:分析钢结构的构造要求,包括构件布置、节点设计、抗震措施等。
教材章节:第三章 钢结构构造要求4. 钢结构连接方式:介绍钢结构常用的连接方式,如焊接、螺栓连接等,并分析其优缺点。
教材章节:第四章 钢结构连接方式5. 钢结构施工图绘制:教授学生如何运用CAD软件绘制钢结构施工图,包括平面图、立面图、剖面图等。
教材章节:第五章 钢结构施工图绘制6. 钢结构施工过程中问题分析:分析钢结构施工过程中常见问题,并提出解决方案。
教材章节:第六章 钢结构施工过程中问题分析7. 钢结构应用与发展前景:介绍钢结构在建筑领域的发展趋势,激发学生对行业前景的关注。
1.1.1设计资料某机床加工车间,厂房跨度21m或24m,长度96m.设计对象为厂房内的钢操作平台,其平面尺寸为27.0m×22.5m,室内钢结构操作平台建筑标高为4.500m。
房屋安全等级为二级,设计使用年限50年,耐火等级二级,拟采用钢平台。
(1)钢平台楼面做法:采用花纹钢板或防滑带肋钢板。
(2)楼面活荷载标准值:根据工艺要求取为7.3KN/m(3)钢平台结构连接方式:平台板与梁采用焊接(角焊接);次梁与主梁采用高强度螺栓连接;主梁与柱采用焊接或高强度螺栓连接,定位螺栓采用粗制螺栓。
(4)材料选用:型钢、钢板采用Q235- A. F;焊条采用E43 ××型。
粗制螺栓采用Q235钢材。
(5)平台柱基础混凝土强度等级C25。
试对铺板、次梁、主梁、钢柱以及次梁与主梁、主梁与柱上端、柱脚及钢楼梯进行设计。
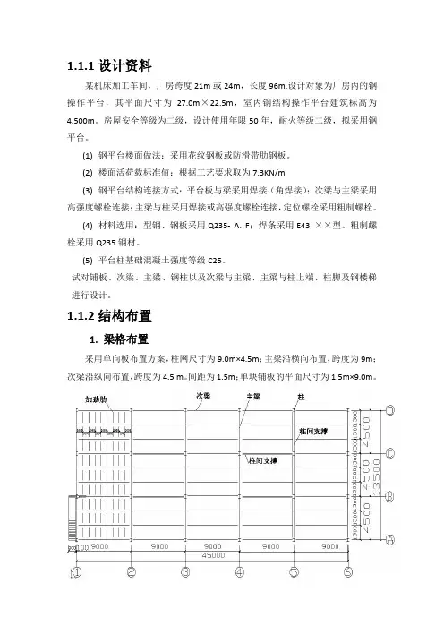
1.1.2结构布置1. 梁格布置采用单向板布置方案,柱网尺寸为9.0m×4.5m;主梁沿横向布置,跨度为9m;次梁沿纵向布置,跨度为4.5 m。
间距为1.5m;单块铺板的平面尺寸为1.5m×9.0m。
2.连接方案次梁与主梁采用高强螺栓侧面铰接连接,次梁与主梁的上翼缘平齐;主梁与柱采用侧向铰接连接;柱与基础采用铰接连接;平台板与主(次)梁采用焊接(角焊缝)连接。
3. 支撑布置钢平台柱的两端均采用铰接连接,并设置柱间支撑,以保证结构几何不变。
在轴线②、⑤和轴线○B 处分别布置纵、横向支撑,采用双角钢,如图1-2所示。
图1-2 1-1剖面因无水平荷载,支撑磕按构造要求选择角钢型号。
受压支承的最大计算长度mm mm l 9750)2009000()2804500(220=-+-=,受压支撑的允许长细比[λ]=200,要求回转半径i ≥,75.48200/9750]/[0mm mm l ==λ选用2L125×8(节点板厚度6mm ,mm i y 4.35=,y 为对称轴)。
一、课程设计(论文)目的《钢结构基本原理》是土木工程专业的重要专业课,为了加强学生对基本理论的理解和《钢结构》设计规范条文的应用,培养学生独立分析问题和解决问题的能力,必须在讲完有关课程内容后,安排1周的课程设计,以提高学生的综合运用能力。
课程设计又是知识深化、拓宽的重要过程,也是对学生综合素质与工程实践能力的全面锻炼,是实现本科培养目标的重要阶段。
通过课程设计,着重培养学生综合分析和解决问题的能力以及严谨、扎实的工作作风。
为学生将来走上工作岗位,顺利完成设计任务奠定基础。
课程设计的任务是,通过进一步的设计训练,使学生熟悉钢结构基本构件的设计和构造设计的基本原理和方法,具备一般钢结构设计的基本技能;能够根据不同情况,合理地选择结构、构造方案,熟练地进行结构设计计算,并学会利用各种设计资料。
二、已知技术参数和条件某厂房总长度90m,跨度根据不同的组号从附表中取,屋盖体系可从以下所给的类型中选取。
纵向柱距6m。
1.结构形式:钢筋混凝土柱,梯形钢屋架。
柱的混凝土强度等级为C30,屋面坡度i=L/10;L为屋架跨度。
地区计算温度高于-200C,无侵蚀性介质,地震设防烈度为7度,屋架下弦标高为18m;厂房内桥式吊车为2台150/30t(中级工作制),锻锤为2台5t。
2. 屋架形式及荷载:屋架形式、几何尺寸及内力系数(节点荷载P=1.0作用下杆件的内力)如附图所示。
屋架采用的钢材、焊条为:组号为单号的同学用Q235钢,焊条为E43型;双号的同学用Q345钢,焊条为E50型。
3.屋盖结构及荷载无檩体系:采用1.5×6.0m预应力混凝土屋板(考虑屋面板起系杆作用)荷载:①屋架及支撑自重:按经验公式q=0.12+0.011L,L为屋架跨度,以m为单位,q为屋架及支撑自重,以kN/m2为单位;②屋面活荷载:施工活荷载标准值为0.6kN/m2,雪荷载的基本雪压标准值为S0=0.45kN/m2,施工活荷载与雪荷载不同时考虑,而是取两者的较大值;积灰荷载根据不同组号按附表取。
-、设计资料1、某工厂车间,采用梯形钢屋架无檩屋盖方案,厂房跨度取27m,长度为102m,柱距6m。
采用1.5m×6m预应力钢筋混凝土大型屋面板,保温层、找平层及防水层自重标准值为1.3kN/m2。
屋面活荷载标准值为0.5kN/m2,雪荷载标准值0.5kN/m2,积灰荷载标准值为0.6kN/m2,轴线处屋架端高为1.90m,屋面坡度为i=1/12,屋架铰接支承在钢筋混凝土柱上,上柱截面400mm×400mm,混凝土标号为C25。
钢材采用Q235B级,焊条采用E43型。
2、屋架计算跨度:Lo=27m-2×0.15m=26.7m3、跨中及端部高度:端部高度:h′=1900mm(端部轴线处),h=1915mm(端部计算处)。
屋架中间高度h=3025mm。
二、结构形式与布置屋架形式及几何尺寸如图一所示:2、荷载组合设计桁架时,应考虑以下三种组合:①全跨永久荷载+全跨可变荷载 (按永久荷载为主控制的组合) :全跨节点荷载设计值:F=(1.35×3.12+1.4×0.7×0.5+1.4×0.9×0.6) ×1.5×6=49.122kN图三桁架计算简图本设计采用程序计算结构在单位节点力作用下各杆件的内力系数,见表一。
1、上弦杆:整个上弦杆采用相等截面,按最大设计内力IJ 、JK 计算,根据表得: N = -1139.63KN ,屋架平面内计算长度为节间轴线长度,即:ox l =1355mm ,本屋架为无檩体系,认为大型屋面板只起刚性系杆作用,不起支撑作用,根据支撑布置和内力变化情况,取屋架平面外计算长度oy l 为支撑点间的距离,即:oy l =3ox l =4065mm 。
根据屋架平面外上弦杆的计算长度,上弦截面宜选用两个不等肢角钢,且短肢相并,如图四所示:图四 上弦杆腹杆最大内力N =-574.7KN ,查表可知,中间节点板厚度取12mm ,支座节点板厚度取14mm 。
《钢结构》课程设计一、教学目标本节课的教学目标是使学生掌握钢结构的基本概念、特点和应用范围;掌握钢结构的设计原理和计算方法;培养学生对钢结构的认知兴趣和工程实践能力。
具体目标如下:1.了解钢结构的定义、分类和特点;2.掌握钢结构的基本设计原理和计算方法;3.熟悉钢结构在工程中的应用范围。
4.能够运用钢结构的基本原理进行简单的设计和计算;5.能够分析钢结构的特点和优势,并进行合理的选型和设计;6.能够运用钢结构的设计方法,进行工程实践中的应用。
情感态度价值观目标:1.培养学生对钢结构的认知兴趣,提高学生对工程技术的热爱;2.培养学生团队合作意识和工程实践能力;3.使学生认识到钢结构在现代工程中的重要地位和作用。
二、教学内容根据教学目标,本节课的教学内容主要包括以下几个部分:1.钢结构的基本概念:介绍钢结构的定义、分类和特点,使学生了解钢结构的基本情况。
2.钢结构的设计原理:讲解钢结构的设计原理,包括荷载、内力和应力的概念,以及设计的基本方法。
3.钢结构的设计计算:介绍钢结构的设计计算方法,包括强度计算、稳定性计算和刚度计算等。
4.钢结构的应用范围:讲解钢结构在工程中的应用范围,包括建筑结构、桥梁结构和机械结构等。
三、教学方法为了实现本节课的教学目标,采用多种教学方法进行教学,包括:1.讲授法:讲解钢结构的基本概念、设计原理和计算方法,使学生掌握基本知识。
2.案例分析法:分析实际工程中的钢结构案例,使学生了解钢结构的实际应用和设计方法。
3.实验法:学生进行钢结构设计实验,培养学生的实践能力和团队合作意识。
4.讨论法:学生进行课堂讨论,激发学生的思考和兴趣,提高学生的参与度。
四、教学资源为了支持本节课的教学内容和教学方法的实施,准备以下教学资源:1.教材:选用权威、实用的钢结构教材,作为学生学习的主要参考资料。
2.参考书:提供相关的钢结构设计手册和论文,为学生提供更多的学习资料。
3.多媒体资料:制作钢结构教学PPT,展示钢结构的设计原理和计算方法。
1.1.1设计资料某机床加工车间,厂房跨度21m或24m,长度96m.设计对象为厂房内的钢操作平台,其平面尺寸为27.0m×22.5m,室内钢结构操作平台建筑标高为4.500m。
房屋安全等级为二级,设计使用年限50年,耐火等级二级,拟采用钢平台。
(1)钢平台楼面做法:采用花纹钢板或防滑带肋钢板。
(2)楼面活荷载标准值:根据工艺要求取为7.3KN/m(3)钢平台结构连接方式:平台板与梁采用焊接(角焊接);次梁与主梁采用高强度螺栓连接;主梁与柱采用焊接或高强度螺栓连接,定位螺栓采用粗制螺栓。
(4)材料选用:型钢、钢板采用Q235- A. F;焊条采用E43 ××型。
粗制螺栓采用Q235钢材。
(5)平台柱基础混凝土强度等级C25。
试对铺板、次梁、主梁、钢柱以及次梁与主梁、主梁与柱上端、柱脚及钢楼梯进行设计。
1.1.2结构布置1. 梁格布置采用单向板布置方案,柱网尺寸为9.0m×4.5m;主梁沿横向布置,跨度为9m;次梁沿纵向布置,跨度为4.5 m。
间距为1.5m;单块铺板的平面尺寸为1.5m×9.0m。
2.连接方案次梁与主梁采用高强螺栓侧面铰接连接,次梁与主梁的上翼缘平齐;主梁与柱采用侧向铰接连接;柱与基础采用铰接连接;平台板与主(次)梁采用焊接(角焊缝)连接。
3. 支撑布置钢平台柱的两端均采用铰接连接,并设置柱间支撑,以保证结构几何不变。
在轴线②、⑤和轴线○B 处分别布置纵、横向支撑,采用双角钢,如图1-2所示。
图1-2 1-1剖面因无水平荷载,支撑磕按构造要求选择角钢型号。
受压支承的最大计算长度mm mm l 9750)2009000()2804500(220=-+-=,受压支撑的允许长细比[λ]=200,要求回转半径i ≥,75.48200/9750]/[0mm mm l ==λ选用2L125×8(节点板厚度6mm ,mm i y 4.35=,y 为对称轴)。
1.1.3 铺板设计1.初选铺板截面在铺板的短跨方向设置8道加劲肋,间距m m 1000l 1=。
平板厚度m m 8t m m 03.8~67.6120l ~150l t 11==≥,取。
2.计算简图 因铺板区格长边之比5.10.1/5.1a b == 可作为多跨连续的双向板计算,加劲肋和次梁作为其支承边。
3.内力计算(1)荷载计算7mm 厚花纹钢板: 220.63K N/m 0.008K N /m 78.5=⨯ 平台板永久荷载标准值: 2k m /k 63.0g N =平台板可变荷载标准值: 2k m /k 3.7q N =平台板的荷载基本组合值:22k k m /k 054.10m /k 3.73.163.02.1q g N N P Q G =⨯+⨯=+=)(γγ平台板的荷载标准组合值:22k k k m /k 93.7m /k 3.763.0q g N N P =+=+=)( (2)内力计算平台板单位宽度最大弯矩:222max 0.829kN/m m /m k 1054.10081.0pa =∙⨯⨯==N M α注:根据b/a=1.5,查表4-1可得,均布荷载作用下四边简支板的弯矩系数α=0.081 平台板的最大挠度:m m 32.6m m 81006.21000107.93084.0Et f 354-334max =⨯⨯⨯⨯⨯==a q k β注:根据b/a=1.5,查表4-1可得,均布荷载作用下四边简支板的弯矩系数α=0.0844.截面设计(1)强度计算 铺板的强度按式(4-5) 计算(满足要求)222232m a x m a x mm /215f mm /76.64mm /82.110829.06t 6N N N M W M =<=⨯⨯⨯==γγ(2)挠度计算(满足要求)15011581100032.6a f <== 5.加劲肋设计(1)计算简图 加劲肋与铺板采用单面角焊缝,焊脚尺寸6mm ,每焊150mm 后跳开50mm 间隙(图1-3b )。
此连续构造满足铺板与加劲肋作为整体计算的条件。
加劲肋高度取h=80mm ,厚度8mm ,考虑有30t=240mm 宽度的铺板作为翼缘,按T 形截面计算,如图1-3c 所示。
加劲肋的跨度为1.5m ,计算简图如图1-3a 所示图1-3加劲肋的计算简图(2)荷载计算 铺板为四边支承板,较精确地计算可嘉定荷载按梯形分布,为简化计算,可安全地均布荷载考虑,即取加劲肋的负荷宽度1000mm 。
永久荷载标准值:平台板传来永久荷载 m N N /k 63.0m /k 163.0=⨯加劲肋自重 m /k 05024.0m /k 008.008.05.78M N =⨯⨯m /k 68.0g k N =可变荷载标准值: m /k 3.7m /k 13.7q k N N =⨯=荷载的基本组合值:mN N P Q G /k 306.10m /k 3.73.168.02.1q g k k =⨯+⨯=+=)(γγ 荷载的标准组合值m /kN 98.7m /kN 3.768.0q g k k k =+=+=)(P (3)内力计算跨中最大弯矩设计值m k 90.2m 5..1306.10818122max ∙=∙⨯⨯==N kN pl M 支座处最大剪力设计值kN kN pl V 73.75.1306.102121max =⨯⨯== (4)截面特性计算截面形心位置mm mm y c 158808240)840(88048240=⨯+⨯+⨯⨯+⨯⨯=截面惯性矩)(33.1280853)1548(880808121)415(8240824012142323mm I =-⨯⨯+⨯⨯+-⨯⨯+⨯⨯=支座处抗剪面积只计算铺板部分,偏于安全的仍取180mm 范围,则2219208240mmmm A v =⨯= (5)强度计算 受弯强度计算按式(4-7)计算,受拉侧应力最大截面塑性发展系数取1.2.226max /215/73.137)1588/(33.12808532.11090.2...mm N f mm N W M nx x =<=-⨯⨯==γσ(满足要求)受剪强度按式(4-8)计算:τ=VA V It S V max max 5.1= =2223/125m m 04.6m m /19201098.75.1mm N f N v =<=⨯⨯(满足要求) (6)变形计算 加劲肋的挠度按式(4-9)计算:1501752153.128091006.2384150056.453845533<=⨯⨯⨯⨯⨯==x k EI l p l f (满足要求) 1.1.4 次梁设计1.计算简图次梁与主梁铰接,按简支梁计算,跨度0l =9.0m ,如图1-4示。
`图1-4 次梁计算简图2.初选次梁截面次梁的荷载主要由铺板---加劲肋传来相隔1000mm 分布集中荷载,每个加劲肋传到次梁上的集中荷载设计值q BS =10.306KN/m ×0.1/5.1=15.459KN/mq BSK =7.98KN/m ×0.15.1=11.97KN/m次梁采用轧制普通工字钢,假定铺板不起刚性楼板作用。
跨中无侧向支撑,上翼缘受均匀布荷载,自由长度为9.0m 。
假定钢号为22~40之间,查《钢结构设计规范》(GB 50017-2003)附表B.2, =0.4。
次梁跨中弯矩设计值M max =281l q BS =81×15.459×9.0 ²KN ·m=156.62KN ·m 所需的截面抵抗矩W x fM b X ϕmax 02.1∙≥=362154.01062.15602.1mm ⨯⨯⨯=1856.4cm ³ 选用I 50c, h=500mm, b=162mm, t w =20mm, t=16mm, W x =2026cm ³, I x =50639cm 4,自重为109Kg/m=1.09KN/m3.内力计算包含自重在内的次梁均布荷载基本组合值q BS =(15.459+1.2×1.09)KN/m=16.77KN/m均布荷载标准组合值q BSK =(11.97+1.09)KN/m=13.06KN/m最大弯矩基本组合值M max ==281L q BS 80.169977.16812=⨯⨯KN ·m 最大剪力基本组合值V max =465.75977.162121=⨯⨯=L q BS KN 4.截面设计轧制型钢梁不需要验算局部稳定;正截面强度不起控制作用;连接处净截面抗剪强度见连接节点计算。
截面积算内容包括承载力极限状态的整体稳定和试用阶段极限状态的挠度。
(1)整体稳定性计算236m a x /2155.2091020264.01080.169mm N f W M x b =≤=⨯⨯⨯==ϕσ(满足要求) (2)挠度验算l f =2151841110506391006.2384900006.135********<=⨯⨯⨯⨯⨯⨯=x BSK EI l q (满足要求) 1.1.5主梁设计1、计算简图主梁与柱铰接,按简支梁计算,跨度0l =4.5m ,计算简图见图1-5。
图1-5主梁计算简图a )计算简图b )内力图c )截面尺寸2、初选主梁截面尺寸(1)梁腹板高度h w 梁承受次梁传来的集中荷载,主梁的负荷宽度为4.5m次梁传来集中荷载设计组合值:P=16.67KN/m ×4.5m = 75.01KN 次梁传来集中荷载标准组合值:P K =13.06KN/m ×4.5m = 58.77KN主梁的弯矩设计值近似按此梁端部反力计算 m KN p l pl M X ∙=⨯-≈48.135)62(2.1 注:系数1.2为考虑主梁自重后附加系数。
则所需的截面抵抗矩为Wnx ≥ f M x =135.48mm 3 ×106/215 =533,32cm 3按下式确定梁的经济高度:h e =73nx W —30cm=7×31560 -30cm=51.18cm或 cm cm W h nx e 80.561560335252=⨯==主梁的最小高度按刚度条件确定,梁的允许挠度为4000l ,其最小高度h min 必须满足: m i n h ≥ 150l =4500mm/15=300mm取梁的腹板高度h w =600mm ,满足最小高度要求,且接近经济高度。
(2)梁腹板厚度t w 梁腹板可按式(4-13)估算:t w =11w h =1160cm 0.7042cm =7.042mm 取t w =8mm,大于6mm 的最小要求。