收货单模板
- 格式:doc
- 大小:51.50 KB
- 文档页数:1
货物签收单
一、收货方、供货方信息
收货单位:供货单位:
联系人:销售人员:
电话:电话:
收货地址:
二、产品信息:
备注:
1、请仔细核对产品名称、规格型号、数量、金额是否与合同/订货单无误。
敬请在产品签收单上签字盖章回寄或扫描传回供货方。
2、本签收单经收货单位签字盖章后与对应的合同/订货单具有同等法律效力。
3、如果贵方在签收人处签字,我们将视为清单上所有货物贵方已完全无误地验收合格。
4、本签收单一式两份,双方各执一份。
收货单位盖章:供货单位盖章:
签收人(签字):发货人(签字):
日期:日期:。
手写收货单范文
收货单。
收货单位,XXX公司。
收货地址,XXX街道XXX号。
联系电话,XXX-XXXXXXX。
收货日期,XXXX年XX月XX日。
序号商品名称规格数量单价金额备注。
1 商品A 500g 10袋 10元/袋 100元保质期至XX年XX月XX 日。
2 商品B 1箱 5件 50元/件 250元保修期至XX年XX月XX 日。
3 商品C 1000ml 20瓶 8元/瓶 160元保质期至XX年XX月
XX日。
4 商品D 200g 30包 5元/包 150元保质期至XX年XX月XX 日。
5 商品E 2箱 10个 30元/个 600元保修期至XX年XX月XX 日。
合计,1260元。
收货人,____________________。
送货人,____________________。
备注,以上货物均已验收确认,如有问题请在收货后24小时内联系我们。
感谢您选择我们的产品,如有任何问题请随时联系我们,祝您生意兴隆!
XXX公司。
联系人,XXX。
联系电话,XXX-XXXXXXX。
收货单编号,XXX-XXXXXX。
以上是一份标准的手写收货单范文,希望对您有所帮助。
如果需要更多帮助,请随时联系我们。
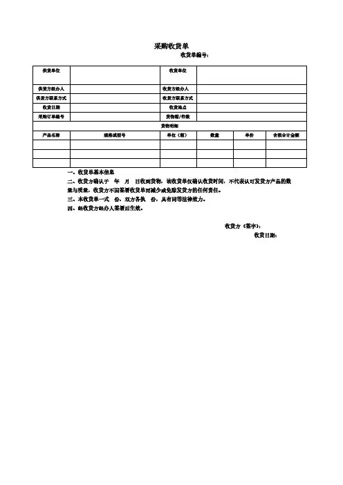
采购收货单
收货单编号:
供货单位收货单位
供货方经办人收货方经办人
供货方联系方式收货方联系方式
收货日期收货地点
采购订单编号货物箱/件数
货物明细
产品名称规格或型号单位(箱)数量单价含税合计金额
一、收货单基本信息
二、收货方确认于年月日收到货物,该收货单仅确认收货时间,不代表认可发货方产品的数
量与质量,收货方不因签署收货单而减少或免除发货方的任何责任。
三、本收货单一式份,双方各执份,具有同等法律效力。
四、经收货方经办人签署后生效。
收货方(签字):
收货日期:。
收货单
BOM单唯一号:表单编号:«收货单编号»来料名称:«来料名称»采购单号:«采购单号»
型号:«型_号_»采购单数量:«采购单数量»
零件编号:预计送货时间:«预计送货时间»
供应商:«供应商»本批交货数量:
实际送货时间:送货单数量:
到货数量:合格实收数量:
采购要求:
«要求»
来料检验
批量抽样数量
抽样依据GB/T2828一般检验水平Ⅱ,正常检验
一次抽样。
AQL CR 0 MA 0.4 MI 0.65
检验项目描述
品质允收水准
严重CR()主要MA()次要MI()
外观
性能
尺寸
包装
备注:
检验结果:合格□不合格□
IQC检验员:品质部审核:仓管员验收:仓库审核:
不合格物料处理
处理方法决策说明相关部门审核□改为他用(打折)采购部:
□供应商挑选技术部:
□生产部选用生产部:
□再加工后用品质部:
□全部退货副总:
□特采日期:
挑选后结果合格数:不合格数:IQC检验员:仓管员:
采购人员:送货人员:质检人员:仓库人员:第一联: 仓库( 白) 第二联: 财务( 黄) 第三联: 品质部( 红) 第四联: 采购部( 兰)。