电梯安装整机安装验收检验批质量验收记录
- 格式:xls
- 大小:28.00 KB
- 文档页数:2
电梯安全部件安装工程检验批质量验收记录一、项目概述名称:电梯安全部件安装工程施工单位:XXXXX公司验收单位:XXXXX单位检验时间:20XX年XX月XX日二、工程内容本次工程的主要内容为电梯的安全部件安装,包括钢丝绳、导轨、安全装置等。
三、施工情况1.施工遵循了相关法律法规和标准规范,材料采购符合要求。
2.施工人员具备相关资质和技术能力,并按照施工方案进行操作。
3.施工过程中,严格按照施工方案和技术要求进行操作,未发现违规行为。
4.施工现场整洁有序,安全措施得到落实。
四、质量验收1.钢丝绳:检查了钢丝绳的承载能力、直径等指标,并对磨损、断丝等进行了全面检查。
结果显示,钢丝绳达到了设计要求,质量合格。
2.导轨:检查了导轨的直线度、垂直度、焊缝质量等指标,并进行了视觉检查和测量。
结果显示,导轨达到了设计要求,质量合格。
3.安全装置:检查了安全装置的启动、刹车等功能,并进行了实际测试。
结果显示,安全装置达到了设计要求,质量合格。
五、存在问题与整改意见1.钢丝绳安装过程中,由于施工人员工作疏忽,导致钢丝绳与其他部件磨擦,造成局部磨损。
建议施工人员在安装过程中严格要求自己,避免类似情况发生。
2.导轨焊缝存在一定的气孔和夹渣现象,虽不影响使用,但还是建议施工单位加强焊接工艺控制,提高焊接质量。
3.安全装置调试时发现其中一个传感器灵敏度较低,建议更换或调整。
六、质量验收结论根据对电梯安全部件安装工程进行的质量验收,施工单位在施工过程中严格按照要求进行操作,达到了设计要求和标准规范,质量合格。
七、质量验收人员主持人:XXX验收单位:XXX以上是对电梯安全部件安装工程检验批质量验收的详细记录,希望能对相关工程的质量验收提供参考。
电梯安装工程检验批质量验收记录电梯安装工程检验批质量验收记录1. 项目信息- 项目名称:- 项目地点:- 承建单位:- 监理单位:- 开始日期:- 完成日期:2. 安装单位信息- 单位名称:- 联系方式:- 工程负责人:- 安装单位资质:3. 验收内容检验批号:[批号]设备名称:[设备名称]设备编号:[设备编号]本次验收包括以下内容:- 设备安装是否符合相关标准和规范的要求;- 设备各部件连接是否牢固可靠;- 设备电气系统是否正常运行;- 设备安全装置是否设置齐全并正常工作;- 设备运行是否平稳可靠。
4. 验收过程4.1 检查- 对设备进行外观检查,确认是否有明显损坏或缺陷;- 对设备各部件进行检验,确认连接是否牢固可靠;- 对设备的电气系统进行检查,确认是否正常运行;- 对设备的安全装置进行检查,确认是否设置齐全并正常工作;- 进行运行测试,观察设备是否运行平稳可靠。
4.2 测试- 进行设备负载测试,确认设备在负荷下的运行状态;- 进行应急停止测试,确认设备在紧急情况下的应急停止机制是否有效;- 检验设备的故障自诊断功能,确认是否能准确识别故障并采取相应措施。
4.3 记录- 记录每一项检查和测试的结果;- 对不合格的项进行说明和整改要求。
5. 验收结论- 经过检验批质量验收,对于以上述的项目和要求进行了全面的检查和测试;- 根据现场检查和测试结果,验收人员得出以下结论:- 合格:符合相关标准和规范要求,可以正常使用;- 不合格:存在不符合相关标准和规范要求的问题,需要整改;- 验收人员签字:- 日期:6. 整改要求- 如果存在不合格项,需要填写整改要求,并设定整改期限;- 整改人员:- 整改期限:7. 备注- 在此栏中可以填写额外的备注信息,如遇到的特殊情况等。
以上是本次电梯安装工程检验批质量验收记录的内容,供参考使用。
电梯整机安装工程检验批质量验收记录一、项目基本信息项目名称:电梯整机安装工程开工日期:XXXX年XX月XX日完工日期:XXXX年XX月XX日建设单位:XXX公司施工单位:XXX公司二、检验批信息检验批名称:电梯整机安装工程检验批编号:XXXX-XXX-XXX检验批数量:XX台检验批日期:XXXX年XX月XX日三、检验依据1.《电梯安装与验收规范》2.《电梯设计安装维修通用条件》3.《机电设备安装工程质量验收规范》4.相关设计图纸、技术文件和合同要求四、检验内容及结果1.安全装置检验1.1检查电梯安全钳的固定情况,松动、脱落情况结果:合格1.2检查断电限速器的设置和固定情况结果:合格1.3检查电梯上下行超速保护装置的设置情况结果:合格1.4检查制动器的可靠性和固定情况结果:合格2.乘客空间检验2.1检查电梯轿厢内按键的设置和标识情况结果:合格2.2检查司机室设施的合理性和人机工程学设计情况结果:合格2.3检查地面召唤按钮设置和标识情况结果:合格3.机房检验3.1检查电梯机房内电气设施的安装和接线情况结果:合格3.2检查电梯机房内电动机和齿轮箱的调整情况结果:合格五、质量问题整改情况1.对于出现的不合格项,施工单位采取了以下整改措施:1.1重新固定电梯安全钳,确保其牢固可靠;1.2重新设置和固定断电限速器,确保其正常工作;1.3调整电梯上下行超速保护装置的设置,确保其符合规范要求;1.4对制动器进行检修和固定,确保其可靠性。
六、质量验收结论根据检验结果和整改情况,经过现场验收和资料审核,电梯整机安装工程质量符合相关规范和要求,经验收合格。
七、存在问题及建议1.存在问题:电梯轿厢内按键标识不清晰。
建议:对电梯轿厢内按键标识进行清晰的标识,确保用户操作的准确性。
八、质量鉴定鉴定单位(盖章):XXXX单位鉴定日期:XXXX年XX月XX日以上是电梯整机安装工程的质量验收记录,总字数超过1200字。
记录了项目基本信息、检验批信息、检验依据、检验内容及结果、质量问题整改情况、质量验收结论、存在的问题及建议以及质量鉴定等内容。
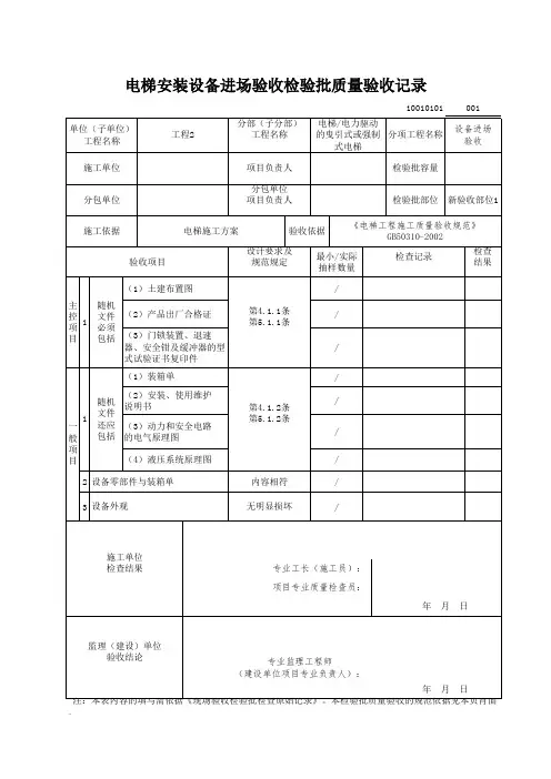
电梯设备进场检验批质量验收记录编号:日期:项目名称:批次号:工程部位:设备型号:制造单位:进场时间:验收时间:验收场所:一、验收依据:1.国家标准《电梯安全规范》GB7588-2003;3.设备合同和技术要求。
二、验收内容及结果:本次进场检验批质量验收内容主要包括:设备外观、材料检验、技术参数、安全保护装置、电气设备、运行试验等。
1.设备外观验收:设备外观应平整、光滑,无损坏、变形等现象,并符合合同要求。
经验收人员检查,设备外观无异常情况。
2.材料检验:(1)钢材:验收钢材应符合国家标准要求,检查了钢材的质量证明文件,符合要求。
(2)钢丝绳:验收钢丝绳符合国家标准要求,无锈蚀和严重磨损现象,并检查了质量证明文件,符合要求。
3.技术参数验收:检查了设备的技术参数,包括额定载荷、额定速度、机房高度、轿厢内部尺寸等,均符合合同约定和国家标准要求。
4.安全保护装置验收:检查了设备的安全保护装置,包括紧急停止装置、限速器、安全钳、缓冲器等,试验了其功能,均符合合同约定和国家标准要求。
5.电气设备验收:检查了设备的电气设备,包括电动机、控制器、按钮、显示屏等,试验了其功能,均符合合同约定和国家标准要求。
6.运行试验验收:对设备进行了运行试验,试验中观察设备运行状态、声音是否正常,无异常情况,并合格完成相关试验要求。
三、验收结论:根据本次进场检验批质量验收内容及所采取的检验方法和标准,经检验人员的认真检查和观察,现将质量验收结论如下:(1)本次电梯设备进场检验批质量验收合格;(2)电梯设备符合国家标准《电梯安全规范》GB7588-2003的要求;(4)电梯设备符合设备合同和技术要求的要求。
四、不合格项及处理意见:本次电梯设备进场检验批质量验收未发现不合格项。
五、其他事项:特此记录。
验收人员签字:日期:。
电梯电气装置安装工程检验批质量验收记录项目名称:电梯电气装置安装工程验收日期:XXXX年XX月XX日一、项目概述本电梯电气装置安装工程位于XXXXX(具体地址),总包单位为XXXXX公司,施工单位为XXXXX公司。
该工程的主要目标是安装电梯电气装置,确保其正常运行和使用。
二、项目验收人员本次验收由以下人员参与:1.验收单位代表:XXXXX公司2.施工单位代表:XXXXX公司3.监理单位代表:XXXXX公司三、实施方案及操作执行情况1.根据相关规范和设计要求,编制了电梯电气装置安装工程实施方案,并获得所有参与方的认可。
2.安装过程中,施工单位按照实施方案的要求进行操作,操作人员具备相关资格证书,并遵守安全操作规程。
3.安装过程中,监理单位进行了监督和检查,确保施工单位按照设计要求进行安装。
四、主要检查内容及结果1.检查项目一:电梯控制柜安装质量通过对控制柜安装的检查,发现控制柜的安装位置正确,固定牢固。
控制柜内的电气元件与电线连接良好,无松动现象。
控制柜的接地符合要求,接地电阻在规定范围内。
总体来说,电梯控制柜安装质量良好。
2.检查项目二:电梯电气线路敷设质量通过对电梯运行线路和控制线路的敷设进行检查,发现线路的敷设符合设计要求,线路管道与墙面连接稳固。
线路的绝缘性能良好,无破损和漏电现象。
线路标志清晰,易于维护和操作。
总体来说,电梯电气线路敷设质量良好。
3.检查项目三:电梯电气接地装置质量通过对电梯电气接地装置进行检查,发现接地装置的连接可靠,接地电阻符合要求,无松动现象。
接地装置的材料符合安全标准,无损坏和腐蚀现象。
总体来说,电梯电气接地装置质量良好。
五、存在的问题及整改要求在本次验收过程中,发现了以下问题:1.执行方案和操作过程中,存在一些操作人员的操作不规范情况,需要加强培训和督导,确保操作规范性。
2.部分接线存在松动现象,需要重新固定和连接,确保安全可靠。
针对上述问题,要求施工单位做出以下整改:1.做好工人的技术培训,提高操作规范性,确保施工质量。
自动扶梯自动人行道整机安装检验批质量验收记录1. 前言本文档是对自动扶梯自动人行道整机安装的检验批质量验收记录,目的是为了确保安装过程中符合相关技术规范和标准。
本次安装地点为某商场内,施工单位为某装饰公司。
2. 安装单位及人员•安装单位:某装饰公司•现场负责人:XXX•安装人员:– A– B– C3. 安装设备•自动扶梯 2 条•自动人行道 3 条4. 施工过程及结果4.1 设备安装前准备工作•根据图纸确认自动扶梯与自动人行道的设备位置及固定点•检查物料是否齐全•安装前确认设备外观是否有明显磨损、破损等情况4.2 设备安装过程•吊装安装设备主体;•安装设备平台固定点;•安装上、下部踏板板面;•安装设备盖板、踏板面板、插接盖板;•调整上、下部偏移量和水平度,确保无过大的偏差;•调整手、脚动轮的高度,确保符合规范;•确认设备外观整洁,无明显缺陷。
4.3 试运行•试运行前检查电气和机械装置是否牢固并合格;•冷态运转 2 小时;•热态运转 1 小时,确认无异常情况;•随机抽取样品进行负载试验,试验负载符合技术标准。
4.4 安装设备完工•安装设备配电箱及配电线路;•清理现场;•完成安装验收工作。
5. 安装设备验收情况序号项目质量验收情况1 安装位置、固定点合格2 外观质量、无明显磨损、破损等情况合格3 上下部踏板板面安装质量、插接盖板、盖板合格4 偏移量、水平度调整情况合格5 手、脚动轮的高度调整情况合格6 设备外观整洁,无明显缺陷合格7 试运行情况(包括冷态和热态试运行)及负载试验合格8 配电箱及配电线路安装情况合格经过本次安装设备的检查验收,各项指标均符合规范要求,验收合格。
6. 领导签字•检查单位负责人:XXX•科室负责人:XXX•验收人员:XXX7.验收记录是管理检验质量的重要手段,通过本次验收,可以确保自动扶梯自动人行道设备的安装符合相关技术规范和标准,能够保证安全使用。
在未来的维护管理中,将定期检查设备的质量状况,防止安装过程中出现的问题对设备使用产生不良影响。
电梯安装工程检验批质量验收记录项目信息
- 项目名称:[填写项目名称]
- 项目地址:[填写项目地址]
- 项目负责人:[填写项目负责人]
- 工程单位:[填写工程单位]
- 检验日期:[填写检验日期]
检验内容
1. 安装工程质量检查
- 检查电梯安装是否符合相关规范和标准要求。
- 检查电梯运行是否平稳、无异常噪音和异常振动。
- 检查电梯各部件是否牢固固定,无松动现象。
- 检查电梯门的开闭是否灵活,无卡阻现象。
- 检查电梯各控制按钮的功能是否正常。
- 检查电梯是否配置了紧急救援设备。
2. 安全设备检查
- 检查电梯是否配备了完备的安全装置,如限速器、缓冲器等。
- 检查安全装置是否正常运行,是否能够有效保护乘客的安全。
3. 使用说明书检查
- 检查电梯是否附带了详细的使用说明书。
- 检查使用说明书中是否包含了电梯的基本信息、安全注意事
项等内容。
4. 问题记录
- 如发现安装工程质量问题或安全隐患,请详细记录并标明具
体位置。
- 如发现使用说明书不全或有错误,请记录并提出改进意见。
检验结论
根据以上检查结果,确认本次电梯安装工程符合相关规范和标准要求,无明显质量问题和安全隐患。
签字
检验单位:_________________ 日期:
__________________
项目负责人:_________________ 日期:
__________________。
电梯安装门系统检验批质量验收记录
注:本表内容的填写需依据《现场验收检验批检查原始记录》。
本检验批质量验收的规范依据见本页背面。
填写说明
一、填写依据
1 《电梯工程施工质量验收规范》GB50310-2002。
2 《建筑工程施工质量验收统一标准》GB50300-2013。
二、检验批划分
可按设计区域、单元划分,一般一部电梯划分为一个检验批。
三、GB50310-2002规范摘要
主控项目
4.5.1 层门地坎至轿厢地坎之间的水平距离偏差为0~+3mm,且最大距离严禁超过35mm。
4.5.2 层门强迫关门装置必须动作正常。
4.5.3 动力操纵的水平滑动门在关门开始的1/3行程之后,阻止关门的力严禁超过150N。
4.5.4 层门锁钩必须动作灵活,在证实锁紧的电气安全装置动作之前,锁紧元件的最小啮合长度为7mm。
一般项目
4.5.5 门刀与层门地坎、门锁滚轮与轿厢地坎间隙不应小于5mm。
4.5.6 层门地坎水平度不得大于2/1000,地坎应高出装修地面2~5mm。
4.5.7 层门指示灯盒、召唤盒和消防开关盒应安装正确,其面板与墙面贴实,横竖端正。
4.5.8 门扇与门扇、门扇与门套、门扇与门楣、门扇与门口处轿壁、门扇下端与地坎的间隙,乘客电梯不应大于6mm,载货电梯不应大于8mm。
电梯安装土建交接检验检验批质量验收记录日期:XXXX年XX月XX日项目名称:XXXX电梯安装工程项目地点:XXXX市XXXX区XXXX路XX号一、检验目的本次检验旨在对电梯安装土建交接工作的质量进行验收,确保电梯安装工程符合相关标准和规范要求,从而确保电梯的安全和正常使用。
二、检验范围本次检验主要涉及电梯安装土建交接工作,包括土建设备基础的建设和电梯设备的安装。
三、检验内容1.基础施工质量的检验:(1)地基处理情况;(2)承重墙的浇筑情况;(3)地下室防水层的施工情况;(4)地下室排水系统的设置情况。
2.电梯设备安装质量的检验:(1)电梯轿厢、门和轿厢内装饰板的安装情况;(2)电梯井道墙壁、楼层门面以及轿厢内墙的装饰情况;(3)电梯机房内设备的安装情况;(4)电梯机房通风、排烟系统的设置情况;(5)电梯机房消防设施的设置情况。
四、检验过程1.检验前,由施工方提供相关的设计文件、施工图纸及有关土建和电梯设备的验收报告。
2.检验人员对电梯设备安装现场进行实地勘察,检查土建工程和电梯设备的具体施工情况。
3.对基础施工质量进行检查,包括地基处理、承重墙浇筑、地下室防水层和排水系统的施工情况等。
4.对电梯设备安装质量进行检验,包括轿厢、门和轿厢内装饰板的安装情况,井道墙壁、楼层门面以及轿厢内墙的装饰情况等。
5.检验人员对电梯机房内的设备安装情况、通风、排烟系统以及消防设施进行检查。
6.根据检验结果进行评定,结合相关标准和规范要求,对电梯安装工程进行质量验收。
五、检验结果根据检查,经过评定,对电梯安装土建交接工作的质量进行验收。
1.基础施工质量验收结果:(1)地基处理符合要求;(2)承重墙的浇筑质量良好;(3)地下室防水层施工到位;(4)地下室排水系统设置合理。
2.电梯设备安装质量验收结果:(1)电梯轿厢、门和轿厢内装饰板安装良好;(2)电梯井道墙壁、楼层门面以及轿厢内墙的装饰符合要求;(3)电梯机房内设备的安装到位;(4)电梯机房通风、排烟系统设置合理;(5)电梯机房消防设施设置到位。
电梯安装门系统检验批质量验收记录
注:本表内容的填写需依据《现场验收检验批检查原始记录》。
本检验批质量验收的规范依据见本页背面。
填写说明
一、填写依据
1 《电梯工程施工质量验收规范》GB50310-2002。
2 《建筑工程施工质量验收统一标准》GB50300-2013。
二、检验批划分
可按设计区域、单元划分,一般一部电梯划分为一个检验批。
三、GB50310-2002规范摘要
主控项目
4.5.1 层门地坎至轿厢地坎之间的水平距离偏差为0~+3mm,且最大距离严禁超过35mm。
4.5.2 层门强迫关门装置必须动作正常。
4.5.3 动力操纵的水平滑动门在关门开始的1/3行程之后,阻止关门的力严禁超过150N。
4.5.4 层门锁钩必须动作灵活,在证实锁紧的电气安全装置动作之前,锁紧元件的最小啮合长度为7mm。
一般项目
4.5.5 门刀与层门地坎、门锁滚轮与轿厢地坎间隙不应小于5mm。
4.5.6 层门地坎水平度不得大于2/1000,地坎应高出装修地面2~5mm。
4.5.7 层门指示灯盒、召唤盒和消防开关盒应安装正确,其面板与墙面贴实,横竖端正。
4.5.8 门扇与门扇、门扇与门套、门扇与门楣、门扇与门口处轿壁、门扇下端与地坎的间隙,乘客电梯不应大于6mm,载货电梯不应大于8mm。