移动电源原理图
- 格式:pdf
- 大小:48.99 KB
- 文档页数:1
充电宝电路原理及维修方法解析引言充电宝现在已经成为我们日常生活中不可或缺的设备,能够为手机、平板电脑等电子设备提供便携式的充电功能。
但随着使用时间的增加,充电宝的电路可能会出现故障。
了解充电宝的电路原理和维修方法,可以帮助我们快速解决充电宝故障问题。
本文将介绍充电宝的电路工作原理,并提供常见故障的维修方法。
充电宝电路原理充电宝的电路主要分为充电控制电路和供电输出电路两部分。
充电控制电路充电控制电路是用来管理电池充电过程的部分。
一般包括以下组件:1.充电芯片:负责控制电池的充电过程,并提供充电电流调整功能。
2.锂电池:作为储存能量的装置,供电输出时释放能量。
3.充电保护器:用于监控和保护充电宝的充电过程,包括过充保护、过放保护、过流保护等。
充电宝的充电控制电路一般都采用了先进的集成电路,通过集成电路内部的控制逻辑和电源管理功能来实现对充电过程的管理。
供电输出电路供电输出电路是充电宝为外部设备(如手机、平板电脑等)提供电能的部分。
主要包括以下组件:B输出接口:用于连接外部设备,提供电能输出。
2.DC-DC变换器:将充电宝的电池电压进行升压或降压,以适应外部设备的需求。
3.电流传感器:用于监测输出电流,以保证电流稳定,并避免过流问题。
充电宝的供电输出电路通过DC-DC变换器将电池电压调整到外部设备所需的电压,并通过USB输出接口将电能传输给外部设备。
充电宝常见故障及维修方法充电宝无法充电如果充电宝无法正常充电,可能是以下几个原因导致:1.充电线松动或损坏:检查充电线是否插紧,是否有损坏。
2.充电接口脏污:使用棉签擦拭充电接口,清除脏污。
3.充电芯片故障:如果排除了充电线和接口的问题,充电芯片可能出现故障。
可以找专业修理人员进行检修或更换。
充电宝无法正常供电如果充电宝无法正常为外部设备供电,可能是以下几个原因导致:1.充电宝电池电量耗尽:检查充电宝是否还有电量,如果没有电量则需要充电。
2.充电宝供电线路故障:检查充电宝的供电线路是否断开或损坏,可以找专业修理人员进行检修。
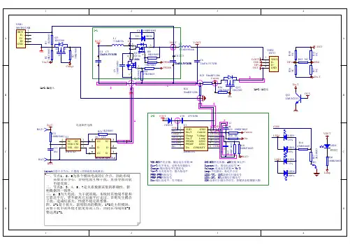
移动电源系统电路的设计与原理分析市面上移动电源中常使用2个电感,其中充电电路中,充电过程需要一个电感,Boost 电路放电过程中也需要一个电感。
充电电路的工作过程是通过5V的交流适配器给移动电源内部的锂电池充电;而Boost电路工作过程是将移动电源内部锂电池升压到5V进行输出,从而给移动设备供电。
但在移动电源实际工作中这两种电路通常情况不需要同时工作,也就是工作中两个电感只有一个电感处于工作状态,两个环路只需要一个工作。
芯片工作原理MT2011是一款高效率大电流单串联锂电池充电控制器。
它支持4.5V~6.5V输入电压,输出电压可以跟随锂电池电压,最大2A的充电电流,使用了高效率的同步整流结构,适合应用于便携式充电设备和移动电源充电。
整合电流采样电阻、高精度的电流与电压管理电路、满电自动停止充电。
MT2011工作频率为1.5MHz,使用同步整流结构,效率高达93%.带有充电电流软启动、防反相电流二极管、充电电流采样等功能,并带有完善的输出短路保护和过温保护功能。
使设备稳定性更高,单电感移动电源电路如图所示:(a)充电芯片外围电路(b)升压芯片外围电路(c)单片机外围电路图1.电路中芯片工作电路MT5036是来颉科技设计的一款95%高效的800KHz同步升压转换器,它为单节锂电池或多节锂电池组并联提供了良好的供电解决方案。
转换器通过设置芯片外部FB分压电阻或使用内部FB分压电阻来获得一个稳定输出电压。
芯片转换效率非常高,能提供足够的负载电流,当供电电压下降到3V时,仍能在输出电压为5V时,输出3A的负载电流,电感中的峰值电流被限制在6.6A.MT5036工作频率可达800KHz,这使得电感和输出电容都可以不用太大,并且带有轻载PSM功能,可以保证芯片在全负载范围内保持较高的转换效率。
拥有60uA 的静态电流,可以大大提高锂电池的寿命,带有低EMI工作模式,断续工作时,可以有效减少振铃,转换器可以避免电池过放电,在关断时负载可以完全与电池断开。
常见5种电源电路图及原理讲解!一、稳压电源1、3~25V电压可调稳压电路图此稳压电源可调范围在3.5V~25V之间任意调节,输出电流大,并采用可调稳压管式电路,从而得到满意平稳的输出电压。
工作原理:经整流滤波后直流电压由R1提供给调整管的基极,使调整管导通,在V1导通时电压经过RP、R2使V2导通,接着V3也导通,这时V1、V2、V3的发射极和集电极电压不再变化(其作用完全与稳压管一样)。
调节RP,可得到平稳的输出电压,R1、RP、R2与R3比值决定本电路输出的电压值。
元器件选择:变压器T选用80W~100W,输入AC220V,输出双绕组AC28V。
FU1选用1A,FU2选用3A~5A。
VD1、VD2选用6A02。
RP选用1W左右普通电位器,阻值为250K~330K,C1选用3300μF/35V 电解电容,C2、C3选用0.1μF独石电容,C4选用470μF/35V电解电容。
R1选用180~220Ω/0.1W~1W,R2、R4、R5选用10KΩ、1/8W。
V1选用2N3055,V2选用3DG180或2SC3953,V3选用3CG12或3CG80。
2、10A3~15V稳压可调电源电路图无论检修电脑还是电子制作都离不开稳压电源,下面介绍一款直流电压从3V到15V连续可调的稳压电源,最大电流可达10A,该电路用了具有温度补偿特性的,高精度的标准电压源集成电路TL431,使稳压精度更高,如果没有特殊要求,基本能满足正常维修使用,电路见下图。
其工作原理分两部分,第一部分是一路固定的5V1.5A稳压电源电路,第二部分是另一路由3至15V连续可调的高精度大电流稳压电路。
第一路的电路非常简单,由变压器次级8V交流电压通过硅桥QL1整流后的直流电压经C1电解电容滤波后,再由5V三端稳压块LM7805不用作任何调整就可在输出端产生固定的5V1A稳压电源,这个电源在检修电脑板时完全可以当作内部电源使用。
第二部分与普通串联型稳压电源基本相同,所不同的是使用了具有温度补偿特性的,高精度的标准电压源集成电路TL431,所以使电路简化,成本降低,而稳压性能却很高。
移动电源的讲解这段时间,关于移动电源的虚标以及各种安全问题,已经引起了消费者的强烈关注,作为设计师怎样才能设计出好的移动电源,而作为消费者我们又应该如何选择移动电源,请关注我们这篇关于移动电源的文章。
智能手机配置越来越高,耗电也越来越凶,像iPhone等部分手机电池更是不可更换,遇到缺电的情况下只有通过移动电源(也称作充电宝或外置电池等)来救急,因此造就了目前手机移动电源市场销售的火爆。
很多消费者在选择移动电源时,注意力只放在外观、容量以及价格上,往往很难了解到移动电源内部的状况,今天我们给大家介绍一下移动电源,首先从电源的电芯开始。
移动电源的内部构造首先简单了解一下移动电源的构成:1、外壳,主要是产品封装,以及实现造型美观、保护等作用,常见为塑胶和金属,一些较好的产品往往塑胶也是采用了防火材料;2、电芯,也就是我们常见的电池,是移动电源的电量储存仓库;3、电路板,主要用于实现电压、电流控制、输入和输出控制,以及实现其它各种功能。
电芯是移动电源中成本最高的组成部分,最常见的一种是18650电芯,另一种是聚合物电芯,这两种电芯统治了锂电池行业内绝大份额的市场。
18650电芯18650锂离子电池18650是行内叫法,指电池直径为18mm,长度为65mm,圆柱体型的电池,像国际大厂三洋,松下,三星、索尼等都有这块业务,而国内也有不少厂家在生产和销售18650电芯,市场上见到的移动电源,大多数采用18650电芯,而为了拼成本,基本都用的是国内产的产品,甚少有采用进口大厂的18650电芯。
采用18650电芯的移动电源18650的容量,一般最常见的有2200mAh、2400mAh和2600mAh三种规格,据介绍目前18650已可做到3400mAh最大单节容量。
采用18650电芯的移动电源,基本是以上几种规格并联实现。
18650一般采用圆柱钢壳包装,内部锂离子呈液态。
因为已经是行业标准规规格,18650只能为圆柱状,如果大家在购买移动电源看到又粗又大的造型,基本可确定采用的就是18650电芯。
移动电源系统电路的设计与原理分析市面上移动电源中常使用2个电感,其中充电电路中,充电过程需要一个电感,Boost 电路放电过程中也需要一个电感。
充电电路的工作过程是通过5V的交流适配器给移动电源内部的锂电池充电;而Boost电路工作过程是将移动电源内部锂电池升压到5V进行输出,从而给移动设备供电。
但在移动电源实际工作中这两种电路通常情况不需要同时工作,也就是工作中两个电感只有一个电感处于工作状态,两个环路只需要一个工作。
芯片工作原理MT2011是一款高效率大电流单串联锂电池充电控制器。
它支持4.5V~6.5V输入电压,输出电压可以跟随锂电池电压,最大2A的充电电流,使用了高效率的同步整流结构,适合应用于便携式充电设备和移动电源充电。
整合电流采样电阻、高精度的电流与电压管理电路、满电自动停止充电。
MT2011工作频率为1.5MHz,使用同步整流结构,效率高达93%.带有充电电流软启动、防反相电流二极管、充电电流采样等功能,并带有完善的输出短路保护和过温保护功能。
使设备稳定性更高,单电感移动电源电路如图所示:(a)充电芯片外围电路(b)升压芯片外围电路(c)单片机外围电路图1.电路中芯片工作电路MT5036是来颉科技设计的一款95%高效的800KHz同步升压转换器,它为单节锂电池或多节锂电池组并联提供了良好的供电解决方案。
转换器通过设置芯片外部FB分压电阻或使用内部FB分压电阻来获得一个稳定输出电压。
芯片转换效率非常高,能提供足够的负载电流,当供电电压下降到3V时,仍能在输出电压为5V时,输出3A的负载电流,电感中的峰值电流被限制在6.6A.MT5036工作频率可达800KHz,这使得电感和输出电容都可以不用太大,并且带有轻载PSM功能,可以保证芯片在全负载范围内保持较高的转换效率。
拥有60uA 的静态电流,可以大大提高锂电池的寿命,带有低EMI工作模式,断续工作时,可以有效减少振铃,转换器可以避免电池过放电,在关断时负载可以完全与电池断开。
移动电源充电原理
移动电源充电原理是通过将外部电源的电能转化为移动电源内部的储能电能,从而实现对移动电源的充电。
以下是移动电源充电的基本原理:
1. 交流充电:移动电源通常配备有交流充电器,该充电器将交流电源的电能转化为直流电能,并将其传输到移动电源中进行充电。
充电器中使用变压器将输入的交流电变压为合适的电压,然后经过整流电路将交流电转化为直流电。
直流电进入移动电源后,通过内部电路和电池管理系统进行电能储存和管理。
2. USB充电:许多移动电源还配备有USB接口,可以通过USB线将其他电子设备连接到移动电源进行充电。
USB充电
的原理与交流充电类似,只是充电器中的电压和电流输出会根据USB的标准进行调整,以适应设备的充电需求。
3. 太阳能充电:某些移动电源还可以通过太阳能进行充电。
这些移动电源通常内置有太阳能电池板,将太阳能转化为电能进行储存。
太阳能电池板采用光电转换原理,将太阳光能转化为电能,然后通过电池管理系统进行储存和管理。
无论是交流充电、USB充电还是太阳能充电,移动电源内部
都配备有电池管理系统。
该系统可以监测电池的充电情况,并根据充电需求对充电过程进行控制,以确保充电安全和充电效率。
总的来说,移动电源的充电原理是通过外部电源将电能转化为
储能电能,并经过电池管理系统进行储存和管理,以满足移动电源对电能的需求。