数字PID控制器设计制作答案
- 格式:doc
- 大小:361.50 KB
- 文档页数:13
第六章试题一、填空1. 在一般工业过程控制系统中常用的经典控制规律是PID 控制规律,即比例积分微分控制规律。
2. 采用类似于模拟调节规律的设计方法来设计数字调节规律的前提条件是采样周期足够短。
3. 位置式PID 调节规律的数学表达式为D 0I (){()()[()(1)]}n p j T T u n K e n e j e n e n T T==++--∑ 4. 增量式PID 调节规律的数学表达式为D I (){()(1)()[()2(1)(2)]}p T T u n K e n e n e n e n e n e n T T∆=--++--+- 5. 偏差平均型改进PID 算法可以提高数字PID 控制系统对偏差信号中混入的高频干扰信号的抑制能力。
6. 数字PID 算法参数整定的内容包括比例度、积分时间常数、微分时间常数和控制周期。
~二、选择1. 采用类似于模拟调节规律的设计方法来设计数字调节规律的前提条件是(A )。
(A )采样周期足够短 (B )采样周期足够长(C )用差分方程代替微分方程 (D )先将系统离散化三、判断。
1. 在利用临界比例度PID 参数整定法进行整定时,应使系统工作于开环状态。
(×)应使系统工作于闭环状态,以便产生临界振荡。
1. 在利用临界比例度PID 参数整定法进行整定时,应使系统工作于闭环状态。
(√)2. 在利用衰减曲线PID 参数整定法进行整定时,应使系统工作于开环状态。
(×) 衰减曲线PID 参数整定法进行整定时系统应处于闭环工作状态。
—2. 在利用衰减曲线PID 参数整定法进行整定时,应使系统工作于闭环状态。
(√)33. 在利用响应曲线法进行PID 参数整定时,应使系统工作于开环状态。
(√)3. 在利用响应曲线法进行PID 参数整定时,应使系统工作于闭环状态。
(×) 系统应处于开环。
4. 所谓积分饱和指的是数字PID 算法中,积分项的运算结果超出了计算机对数据的表示能力。
A BC(余)D(商)(1)算法模型(2)数据处理单元(框图)A B CR流水线操作结构:T S1=18*100+(256-1)*100=2.73*104(ns) 顺序算法结构:T S2=256*18*100=4.608*105(ns) 显然流水线操作时间短。
(若系统输入数据流的待处理数据元素为m 个,每一元素运算共计L 段,每段历经时间为Δ,则流水线操作算法结构共需运算时间为:T=L ·Δ+(m-1) Δ而顺序算法(或并行算法)结构所需运行时间为:m ·L ·Δ) 2.30、(1).DFF 状态编码A —000B —001C —010D —011E —100001101100010---XQ 1Q 0Q 201001101100100---XQ 1Q 0Q 20100110110000---Q 1Q 0Q 201D 2D 1D 0ZZ输出:XSETOU DOUT COUT BOUT AOUT QQ Q QQ QQQ QQQ Q QQ Q1212121212=====(2)“一对一”状态分配Q Q Q Q QE D C B A 4321-----次态表:激励方程:XZ XZ ZXX Z QQ D Q D QQ D QD Q Q QD 43413212142+==+==++=输出:X SETOU DOUT COUT BOUT AOUT Q Q Q Q Q=====3.2、试给出一位全减器的算法描述和数据流描述x—被减数y—减数bi—低位向本位的借位d—差bo—本位向高位的借位LIBRARY IEEE;USE IEEE.Std_Logic_1164.ALL;ENTITY full_sub ISPORT(x, y,bi : IN Std_Logic;d,bo : OUT Std_Logic);END full_sub;算法描述:ARICHITECTURE alg_fs OF full_sub ISBIGINPROCESS(x,y,bi)BEGINIF (x=…0‟ AND y=…0‟ AND bi=…0‟ OR x=…1‟ AND y=…0‟AND bi=…1‟ OR x=…1‟ AND y=…1‟ AND bi=…0‟ ) THENbo<=…0'; d<=…0‟;ELSIF (x=…1‟ AND y=…0‟ AND bi=…0‟ ) THENbo<=…0'; d<=…1‟;ELSIF (x=…0‟ AND y=…1‟ AND bi=…1‟ ) THENbo<=…1'; d<=…0‟;ELSEbo<=…1'; d<=…1‟;END IF;END PROCESS c1;END alg_fs;数据流描述:(d=x⊕y⊕bi bo=x’y+x’bi+ybi)ARICHITECTURE dataflow_fs OF full_sub ISBEGINd<=x XOR y XOR bi;bo<=(NOT x AND y) OR (NOT x AND bi)OR (y AND bi);END dataflow_ha;3.4、(1).十进制-BCD码编码器,输入、输出均为低电平有效。
数字PID 及其算法主要内容:1、PID 算法的原理及数字实现2、数字PID 调节中的几个实际问题3、几种发展的PID 算法4、PID 参数的整定方法一、概述几个概念:1、程序控制:使被控量按照预先规定的时间函数变化所作 的控制,被控量是时间的函数。
2、顺序控制:是指控制系统根据预先规定的控制要求,按 照各个输入信号的条件,使过程的各个执行机构自动地按预 先规定的顺序动作。
3、PID 控制:调节器的输出是输入的比例、积分、微分的 函数。
4、直接数字控制:根据采样定理,先把被控对象的数学模 型离散化,然后由计算机根据数学模型进行控制。
5、最优控制:是一种使控制过程处在某种最优状态的控制。
6、模糊控制:由于被控对象的不确定性,可采用模糊控制。
二、PID 算法的原理及数字实现PID 调节的实质:根据系统输入的偏差,按照PID 的函数 关系进行运算,其结果用以控制输出。
PID 调节的特点:PID 的函数中各项的物理意义清晰,调节灵活,便于程序化实现。
三、 PID 算法的原理及数字实现PID 调节器是一种线性调节器,他将设定值w 与实际值y 的偏差:按其比例、积分、微分通过线性组合构成控制量1、比例调节器:比例调节器的微分方程为:)(*y t e Kp =y 为调节器输出,Kp 为比例系数,e(t)为调节器输入偏差。
由上式可以看出比例调节的特点:调节器的输出与输入偏差成正比。
只要偏差出现,就能及时地产生与之成比例的调节作用,使被控量朝着减小偏差的方向变化,具有调节及时的特点。
但是,Kp 过大会导致动态品质变坏,甚至使系统不稳定。
比例调节器的阶跃响应特性曲线如下图yw e -=sd *K s Ki pK 对象 we + - + + + u y2、积分调节器:积分作用是指调节器的输出与输入偏差的积分成比例的作用,其作用是消除静差。
积分方程为:TI 是积分时间常数,它表示积分速度的大小,TI 越大,积分速度越慢,积分作用越弱。
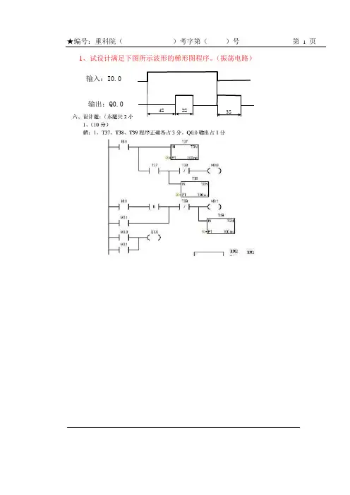
★编号:重科院( )考字第( )号 第 1 页1、试设计满足下图所示波形的梯形图程序。
(振荡电路)输入:输出:Q0.0专业班级: 姓 名: 学 号:★编号:重科院()考字第()号第3页5、S7 200系列PLC编程实现楼梯灯控制,控制要求:上楼梯时,按下按钮SB1,灯HL1亮,2分钟后自动熄灭;下楼梯时,按下按钮SB2,灯HL1也亮2分钟后再熄灭。
(基本延时应用)★编号:重科院()考字第()号第4页6、有三台电动机,按下启动接钮后,M1启动,延时30秒后,M2启动,延时40秒后,M3启动;运行30分钟后三台电动机全部停车;在运行过程中按下停止接钮,三台电动机全部停车。
试用S7-200PLC机型设计其:(1) P LC硬件接线原理图(7分)(2) P LC控制程序(8分)7、用一个按钮开关(I0.0)控制三盏灯(Q0.1 、Q0.2 、Q0.3),按钮按三下第一盏灯Q0.1亮,再按三下第二盏灯Q0.2亮,再按三下第三盏灯Q0.3亮,再按一下全灭。
(计数器的基本应用)8、试设计满足下图所示波形的梯形图程序。
(基本延时)输入I0.0:输出Q0.0:9、I0.0、I0.1、I0.2、I0.3四个输入端,每当有两个输入“1”,另两个输入“0”时,输出Q0.0就接通。
设计梯形图。
(触点比较电路)10、用S7 200系列PLC实现对I0.0的一个二分频的程序。
(10分)★编号:重科院( )考字第( )号 第 5 页11、试用S7-200PLC 设计满足下图所示波形的梯形图程序。
(定时器计数器的基本应用)I0.1Q0.0★编号:重科院()考字第()号第6页12、试设计满足下图所示波形的梯形图程序。
(基本延时)★编号:重科院()考字第()号第7页13、用两个计数器设计一个定时电路,在I0.0按下10小时后将Q0.0接通。
试用S7-200PLC机型编程(定时器的延时扩展)★编号:重科院()考字第()号第8页14、试用S7-200PLC机型设计一个计50000次的计数器,输入脉冲信号从I0.0输入,计数满Q0.0动作,Q0.0动作10分钟后复位。
2021年PLD习题集(含参考答案)数字系统设计第1章习题 1.1 名词解释PROM CPLD FPGA ASICJTAG边界扫描 FPGA/CPLD编程与配置逻辑综合PAL EDA GAL IP-CORE ISP ASIC RTL FPGA SOPC CPLD IP-CORE SOC和SOPC EDA/CAD 1.2 现代EDA技术的特点有哪些?采用HDL描述、自顶向下、开放标准、具有完备设计库 1.3 什么是Top-down设计方式?(P4)1.4 数字系统的实现方式有哪些?各有什么优缺点?74LS系列/4000系列常规逻辑门设计:设计难度大、调试复杂采用CPLD/FPGA等可编程器件来设计:用HDL描述、设计难度小、调试仿真方便,开发费用低,但单位成本较高,适合小批量应用专用集成电路设计:设计掩模成本高,适合大批量应用1.5 什么是IP复用技术?IP核对EDA技术的应用和发展有什么意义?(P5)IP可重复使用的一种功能设计,可节省设计时间、缩短开发周期,避免重复劳动为大规模SOC设计提供开发基础、和开发平台。
1.6 用硬件描述语言设计数字电路有什么优势?优势:可进行行为级、RTL级、门级多层面对电路进行描述、可功能仿真时序分析,与工艺无关。
1.8 基于FPGA/CPLD的数字系统设计流程包括哪些步骤?(P8 图1.7)1.9 什么是综合?常用的综合工具有哪些?HDL?RTL?门级?网表的描述转换过程ALTERA:MAX-PLUSII,Quartus, Xilinx:ISE , Lattice: ispLERVER1.10 功能仿真与时序仿真有什么区别?功能仿真不考虑器件延时,而时序分析必须考虑在不同器件中的物理信号的延时1.11 数字逻辑设计描述分哪几个层级,各有什么特点。
1.12、为何任意组合逻辑电路可用通用的与阵列、或阵列组合来实现。
可表示为布尔代数方程,由乘积项的和表示 1.13 FPGA与CPLD在实现方式或内部结构上的主要区别查表、与或阵列1.14 VerilogHDL与计算机程序设计语言主要区别(描述并行电路行为或结构、描述的串行指令流)1.15 简述“逻辑综合”功能作用。
第一讲1、什么是计算机数字控制系统?一般由哪几部分组成?请用框图形式给出实例,并简单说明其工作原理。
计算机控制系统就是利用计算机(通常称为工业控制机)来实现生产过程自动控制的系统;一般由计算机和生产过程两部分组成;计算机控制系统由工业控制计算机主体(包括硬件、软件与网格结构)和生产过程两大部分组长。
其中硬件系统有主机、输入输出通道、外部设备、检测与执行机构组成;三个步骤原理:①实时数据采集:对来自测量变送装置的被控量的瞬时值进行检测和输入。
②实时控制决策:对采集到的被控量进行分析和处理,并按已定的控制规律,决定将要采取的控制行为。
③实时控制输出:根据控制决策,适时地对执行机构发出控制信号,完成控制任务。
2、实时、在线方式、离线方式的含义是什么?实时:指信号的输入、计算和输出都要在一定的时间范围内完成,亦即计算机对输入信息,以足够快的速度进行控制,超出了这个时间,就失去了控制的时机,控制也就失去了意义。
在线方式:在线方式亦称为联机方式,是指生产过程和计算机直接连接,并受计算机控制的方式称为。
离线方式:离线方式亦称为脱机方式,是指生产过程不和计算机相连,且不受计算机控制,而是靠人进行联系并做相应操作的方式。
3、简述计算机数字控制系统的发展趋势。
计算机数值控制系统的发展趋势有控制系统的网络化、扁平化、只能化、综合化。
第二讲1、简述计算机控制系统中过程通道的基本类型及其作用。
数字量输入通道:接受外部装置或产生过程的状态信号,同时将状态信号经转换、保护、滤波、隔离等措施转换成计算机能够接收的逻辑信号;数字量输出通道:把计算机输出的微弱数字信号转换成能对生产过程进行控制的数字驱动信号;模拟量输入通道:把被控对象的过程参数如温度、压力、流量、液位重量等模拟信号转换成计算机可以接收的数字量信号;模拟量输出通道:把计算机处理后的数字量信号转换成模拟量电压或电流信号,去驱动相应的执行器,从而达到控制的目的。
2、简述计算机控制系统抗干扰技术的基本措施。
实验三数字PID控制一、实验目的1.研究PID控制器的参数对系统稳定性及过渡过程的影响。
2.研究采样周期T对系统特性的影响。
3.研究I型系统及系统的稳定误差。
二、实验仪器1.EL-AT-III型计算机控制系统实验箱一台2.PC计算机一台三、实验容1.系统结构图如3-1图。
图3-1 系统结构图图中 Gc(s)=Kp(1+Ki/s+Kds)Gh(s)=(1-e-TS)/sGp1(s)=5/((0.5s+1)(0.1s+1))Gp2(s)=1/(s(0.1s+1))2.开环系统(被控制对象)的模拟电路图如图3-2和图3-3,其中图3-2对应GP1(s),图3-3对应Gp2(s)。
图3-2 开环系统结构图1 图3-3开环系统结构图2 3.被控对象GP1(s)为“0型”系统,采用PI控制或PID控制,可系统变为“I型”系统,被控对象Gp2(s)为“I型”系统,采用PI控制或PID控制可使系统变成“II型”系统。
4.当r(t)=1(t)时(实际是方波),研究其过渡过程。
5.PI调节器及PID调节器的增益Gc(s)=Kp(1+K1/s)=KpK1((1/k1)s+1) /s=K(Tis+1)/s式中 K=KpKi , Ti=(1/K1)不难看出PI调节器的增益K=KpKi,因此在改变Ki时,同时改变了闭环增益K,如果不想改变K,则应相应改变Kp。
采用PID调节器相同。
6.“II型”系统要注意稳定性。
对于Gp2(s),若采用PI调节器控制,其开环传递函数为G(s)=Gc(s)·Gp2(s)=K(Tis+1)/s·1/s(0.1s+1)为使用环系统稳定,应满足Ti>0.1,即K1<107.PID递推算法如果PID调节器输入信号为e(t),其输送信号为u(t),则离散的递推算法如下:u(k)=u(k-1)+q0e(k)+q1e(k-1)+q2e(k-2)其中 q0=Kp(1+KiT+(Kd/T))q1=-Kp(1+(2Kd/T))q2=Kp(Kd/T)T--采样周期四、实验步骤1.连接被测量典型环节的模拟电路(图3-2)。
【分析和概述】在工程实际中,应用最为广泛的调节器控制规律为比例、积分、微分控制,简称PID控制,又称PID调节。
PID控制器问世至今已有近70年历史,它以其结构简单、稳定性好、工作可靠、调整方便而成为工业控制的主要技术之一。
当被控对象的结构和参数不能完全掌握,或得不到精确的数学模型时,控制理论的其它技术难以采用时,系统控制器的结构和参数必须依靠经验和现场调试来确定,这时应用PID控制技术最为方便。
即当我们不完全了解一个系统和被控对象,或不能通过有效的测量手段来获得系统参数时,最适合用PID控制技术。
PID控制,实际中也有PI和PD控制。
PID控制器就是根据系统的误差,利用比例、积分、微分计算出控制量进行控制的。
【PID的解释】比例(P)控制比例控制是一种最简单的控制方式。
其控制器的输出与输入误差信号成比例关系。
当仅有比例控制时系统输出存在稳态误差(Steady-state error)。
积分(I)控制在积分控制中,控制器的输出与输入误差信号的积分成正比关系。
对一个自动控制系统,如果在进入稳态后存在稳态误差,则称这个控制系统是有稳态误差的或简称有差系统(System with Steady-state Error)。
为了消除稳态误差,在控制器中必须引入“积分项”。
积分项对误差取决于时间的积分,随着时间的增加,积分项会增大。
这样,即便误差很小,积分项也会随着时间的增加而加大,它推动控制器的输出增大使稳态误差进一步减小,直到等于零。
因此,比例+积分(PI)控制器,可以使系统在进入稳态后无稳态误差。
微分(D)控制在微分控制中,控制器的输出与输入误差信号的微分(即误差的变化率)成正比关系。
自动控制系统在克服误差的调节过程中可能会出现振荡甚至失稳。
其原因是由于存在有较大惯性组件(环节)或有滞后(delay)组件,具有抑制误差的作用,其变化总是落后于误差的变化。
解决的办法是使抑制误差的作用的变化“超前”,即在误差接近零时,抑制误差的作用就应该是零。
仪表工PID控制算法试题集一、简答题1. 什么是PID控制算法?PID控制算法是一种经典的自动控制算法,它通过比较被控系统的实际输出和期望输出,计算出误差,并根据比例、积分和微分三个参数来调节输出的控制量,以实现系统的稳定控制。
2. PID控制算法的工作原理是什么?PID控制算法的工作原理基于三个基本部分:比例(P)、积分(I)和微分(D),分别对应于误差的当前值、历史累积误差和误差变化率。
比例项用来响应当前误差,积分项用来消除累积误差,微分项用来预测误差的未来变化趋势,并通过调节PID参数的大小和相互作用来实现系统稳定。
3. PID控制算法的优点和缺点分别是什么?PID控制算法的优点包括简单易实现、广泛适用于各类系统、响应速度快以及调节性能较好。
缺点则包括对系统的动态特性要求较高、参数调节相对复杂以及在某些复杂系统中表现不佳等。
4. 为什么在实际应用中常常需要对PID算法进行改进?尽管PID控制算法在许多控制系统中都有较好的表现,但某些特殊应用场景中需要进一步改进PID算法,以应对更高的控制要求。
改进PID算法可以通过引入先进的控制策略、优化参数调节方法、增加模型预测等方式来实现。
5. 请简述模糊PID控制算法的原理及其应用领域。
模糊PID控制算法结合了模糊控制和PID控制的特点,通过使用基于模糊集合和模糊规则的模糊推理引擎,来实现自适应控制。
该算法适用于控制对象参数变化较快、非线性程度较高、难以建立精确模型等复杂系统。
二、计算题1. 对于一个PID控制器,其比例参数为Kp,积分参数为Ki,微分参数为Kd。
假设系统的输出为y(t),期望输出为r(t),则它们之间的误差e(t)定义为e(t) = r(t) - y(t)。
请给出PID控制器的计算公式,并说明Kp、Ki、Kd在控制器中的作用。
答案:PID控制算法的计算公式为u(t) = Kp * e(t) + Ki * ∫e(τ)dτ + Kd * de/dt,其中u(t)为PID控制器的输出,e(t)为误差,Kp、Ki、Kd分别为比例、积分和微分参数。
数字PID控制器设计设计任务:设单位反馈系统的开环传递函数为:设计数字PID控制器,使系统的稳态误差不大于0.1,超调量不大于20%,调节时间不大于0.5s。
采用增量算法实现该PID控制器。
具体要求:1.采用Matlab完成控制系统的建立、分析和模拟仿真,给出仿真结果。
2.设计报告内容包含数字PID控制器的设计步骤、Matlab仿真的性能曲线、采样周期T的选择、数字控制器脉冲传递函数和差分方程形式。
3.设计工作小结和心得体会。
4.列出所查阅的参考资料。
数字PID控制器设计报告一、设计目的1 了解数字PID控制算法的实现;2 掌握PID控制器参数对控制系统性能的影响;3 能够运用MATLAB/Simulink 软件对控制系统进行正确建模并对模块进行正确的参数设置;4 加深对理论知识的理解和掌握;5 掌握计算机控制系统分析与设计方法。
二、设计要求1采用增量算法实现该PID控制器。
2熟练掌握PID设计方法及MATLAB设计仿真。
三、设计任务设单位反馈系统的开环传递函数为:设计数字PID控制器,使系统的稳态误差不大于0.1,超调量不大于20%,调节时间不大于0.5s。
采用增量算法实现该PID控制器。
四、设计原理1.数字PID原理结构框图2. 增量式PID 控制算法()()()()()01P I D i u k K e k K e i K e k e k ∞==++--⎡⎤⎣⎦∑=u(k-1)+Kp[e(k)-e(k-1)]+Kie(k)+Kd[e(k)-2e(k-1)+e(k-2)] =u(k-1)+(Kp+Ki+Kd)e(k)-(Kp+2Kd)e(k-1)+Kde(k-2) 所以Δu(k)=u(k)-u(k-1)=Kp[e(k)-e(k-1)]+Kie(k)+Kd[e(k)-2e(k-1)+e(k-2)] =(Kp+Ki+Kd)e(k)-(Kp+2Kd)e(k-1)+Kde(k-2) 整理:Δu(k)= Ae(k)-Be(k-1)+Ce(k-2)A= Kp+Ki+Kd B=-(Kp+2Kd ) C=Kd五、Matlab 仿真选择数字PID 参数(扩充临界比例度法/扩充响应曲线法 具体整定步骤)利用扩充临界比例带法选择数字PID 参数,扩充临界比例带法是以模拟PID 调节器中使用的临界比例带法为基础的一种数字PID 参数的整定方法。
数字PID控制器设计
设计任务:
设单位反馈系统的开环传递函数为:
设计数字PID控制器,使系统的稳态误差不大于0.1,超调量不大于20%,调节时间不大于0.5s。
采用增量算法实现该PID控制器。
具体要求:
1.采用Matlab完成控制系统的建立、分析和模拟仿真,给出仿真结果。
2.设计报告内容包含数字PID控制器的设计步骤、Matlab仿真的性能曲线、采样周期T的选择、数字控制器脉冲传递函数和差分方程形式。
3.设计工作小结和心得体会。
4.列出所查阅的参考资料。
数字PID控制器设计报告
一、设计目的
1 了解数字PID控制算法的实现;
2 掌握PID控制器参数对控制系统性能的影响;
3 能够运用MATLAB/Simulink 软件对控制系统进行正确建模并对模块进行正确的参数设置;
4 加深对理论知识的理解和掌握;
5 掌握计算机控制系统分析与设计方法。
二、设计要求
1采用增量算法实现该PID控制器。
2熟练掌握PID设计方法及MATLAB设计仿真。
三、设计任务
设单位反馈系统的开环传递函数为:
设计数字PID控制器,使系统的稳态误差不大于0.1,超调量不大于20%,调节时间不大于0.5s。
采用增量算法实现该PID控制器。
四、设计原理
1.数字PID原理结构框图
2. 增量式PID 控制算法
()()()()()01P I D i u k K e k K e i K e k e k ∞
==++--⎡⎤⎣⎦∑
=u(k-1)+Kp[e(k)-e(k-1)]+Kie(k)+Kd[e(k)-2e(k-1)+e(k-2)] =u(k-1)+(Kp+Ki+Kd)e(k)-(Kp+2Kd)e(k-1)+Kde(k-2) 所以Δu(k)=u(k)-u(k-1)
=Kp[e(k)-e(k-1)]+Kie(k)+Kd[e(k)-2e(k-1)+e(k-2)] =(Kp+Ki+Kd)e(k)-(Kp+2Kd)e(k-1)+Kde(k-2) 整理:
Δu(k)= Ae(k)-Be(k-1)+Ce(k-2)
A= Kp+Ki+Kd B=-(Kp+2Kd ) C=Kd
五、Matlab 仿真选择数字PID 参数
(扩充临界比例度法/扩充响应曲线法 具体整定步骤)
利用扩充临界比例带法选择数字PID 参数,扩充临界比例带法是
以模拟PID 调节器中使用的临界比例带法为基础的一种数字
PID 参数的整定方法。
其整定步骤如下:;
1)选择合适的采样周期T;
2)在纯比例的作用下,给定输入阶跃变化时,逐渐加大比例作用
Kp(即减小比例带δ),直至系统出现等幅震荡,记录比例增益Kc,及振荡周期Tc 。
Kc成为临界振荡比例增益(对应的临界比例带δ),Tc成为临界振荡周期。
=1/150S^3+6/25S^2+37/30S+1
在MATLAB下输入如下程序:
num=[1];
den=[1/150,6/25,37/30,1];
sys=tf(num,den);
p=[20:2:45];
for i=1:length(p)
Gc=feedback(p(i)*sys,1);
step(Gc)
hold on
end;
grid
title('Kp变化时系统的阶跃响应曲线')
axis([0,3,0,2.3])
仿真阶跃响应如下图:
调整参数:p=[35:2:45]
程序如下:
num=[1];
den=[1/150,6/25,37/30,1]; sys=tf(num,den);
p=[35:2:45];
for i=1:length(p)
Gc=feedback(p(i)*sys,1); step(Gc)
hold on
end;
grid
title('Kp变化时系统的阶跃响应曲线')
axis([0,3,0,2.3])
仿真阶跃响应如下图:
由图像可知:当Kp在40~45之间时,系统会出现等幅振荡。
为进一步得到准确的Kp,调整程序参数p=[40:1:45],程序如下:
num=[1];
den=[1/150,6/25,37/30,1];
sys=tf(num,den);
p=[40:1:45];
for i=1:length(p)
Gc=feedback(p(i)*sys,1);
step(Gc)
hold on
end;
grid
title('Kp变化时系统的阶跃响应曲线')
axis([0,3,0,2.3])
仿真阶跃响应如下图:
由图像进一步精确得Kc约为43时,系统出现等幅震荡,震荡周期Tc 约为0.5s。
扩充临界比例带法选择数字PID参数的计算公式如下表所示:3)选择控制度。
控制度的定义为数字调节器和模拟调节所对应
的过度过程的误差平方积分之比,即控制度=
2
2
D
e dt
e dt
∞
∞
⎰
⎰
式中,
D
e为
数字调节器的控制误差;e为模拟调节器的控制误差.当控制度为
1.05时,数字调节器鱼模拟调节器的控制效果相当;当控制度为2时,数字调节器比模拟调节器的控制效果差一倍;在此选控制度为1.05。
按选择的控制度指标及Tc,Kc实验测得值,由查表选择相应的计算公式计算采样周期:T=0.007,Kp=27,Ti=0.245,Td=0.07; P
I i
I
K T
K K T
T
===0.77,d P D
D
K K T
K
T T
===270,Ki=0.23 Tc=0.5
则T=Tc*0.014=0.5*0.014=0.007;
Kp=Kc*0.63=43*0.63=27.09;
Ti=Tc*0.49=0.5*0.49=0.245;
Td=Tc*0.14=0.5*0.14=0.07;
Kp=27.09;
Ki=Kp*T/Ti=27.09*0.007/0.245=0.774;
Kd=Kp*Td/T=27.09*0.07/0.007=270.09;
六、Matlab/Simulink 控制系统建模
1.控制器
ΔU(Z)=(Kp+Ki+Kd)E(Z)-(Kp+2Kd)/Z*E(Z)+Kd/Z^2*E(Z)
则D(Z)=ΔU(Z)/E(Z)=(Kp+Ki+Kd)-(Kp+2Kd)/Z+Kd/Z^2
=[(Kp+Ki+Kd)Z^2-(Kp+2Kd)Z+Kd]/Z^2
2.仿真模型图
将Kp=27.09;
Ki=Kp*T/Ti=27.09*0.007/0.245=0.774;
Kd=Kp*Td/T=27.09*0.07/0.007=270.09带入,得:Kp+Ki+Kd=27.09+0.774+270.09=297.95
Kp+2Kd=27.09+2*270.09=567.27
Kd=270.09
即D(Z)=[297.95*Z^2-567.27*Z+270.09]/Z^2
G0(S)=43/[0.00667S^3+0.24S^2+1.2333S+1]
3.输出阶跃响应曲线
Scope中得到阶跃响应曲线如下所示:
4、试凑法微调参数
由阶跃响应图像可得:
Y(∞)=0.96,则稳态误差Ess=1-0.96=0.04
超调量
=(1.1-0.96)/0.96*100%=14.6%
调整时间Ts=0.27s
系统有少量的稳态误差,则适当增大KI参数,使得KI参数由0.774变为1.774;
Scope中得到阶跃响应曲线如下所示:
由图像可知:此时稳态误差Ess减为1-0.98=0.02,超调量=(1.1-1)/1*100%=10%,调整时间减少为Ts=0.15s,但该曲线不够平滑,调整:Kp=36.08,Ki=2.770,Kd=270.08,降低传递函数的K值为36
Scope中得到阶跃响应曲线如下所示:
此时稳态误差几乎为0,调整时间Ts为0.3s,超调量为(1.05-1)/1*100%=5%,基本符合要求
5.最终PID参数及输出响应曲线
当Kp=36.08
Ki=2.770
Kd=270.08时
最终输出阶跃响应曲线为:
七、设计心得体会
通过这次设计,重新认识了计算机控制系统的数字PID控制,基本掌握了数字PID控制的基本规律,也认识到计算机控制系统的复杂性,检验了我所学的知识,体会了控制系统三大指标“稳,准,快”的意义.加深了我对自动控制系统的了解,同时也对比例、积分、微分控制有了更进一步的认识。
比例系数的加大,将使系统的响应速度加快,在系统稳定的前提下,加大比例系数可以减少稳态误差。
但不能消除稳态误差。
积分控制通常影
响系统的稳定性,有助于消除稳态误差,提高系统的控制精度。
而微分作
用的增加则可以改善系统的动态特性,但也可能降低系统的抗干扰能力。
比例+积分控制器可以使系统进入稳态后无稳态误差。
而比例+微分控制器
能改善系统在调节过程中的动态特性。
这次设计过程让我们把理论知识付诸于实践,这对以后的学习带来了
更大的帮助!
八、参考文献
1.陈怀琛.MATLAB及在电子信息课程中的应用.北京:电子工业出版社,2009 2.赵广元.MATLAB与控制系统仿真实践.北京:北京航空航天大学出版社,2009。