电机绝缘等级与防护等级
- 格式:doc
- 大小:38.00 KB
- 文档页数:4
防护等级和绝缘等级
一、防护等级
IP等级(防尘防水)定义中一项:IP65 IP是Ingress Protection的缩写,IP等级是针对电气设备外壳对异物侵入的防护等级,如:防爆电器,防水防尘电器,来源是国际电工委员会的标准IEC 60529,这个标准在2004年也被采用为美国国家标准。
在这个标准中,针对电气设备外壳对异物的防护,IP等级的格式为IPXX,其中XX为两个阿拉伯数字,第一标记数字表示接触保护和外来物保护等级,第二标记数字表示防水保护等级,具体的防护等级可以参考下面的表格。
IP是国际用来认定防护等级的代号Ip等级由两个数字所组成,第一个数字表示防尘;第二个数字表示防水,数字越大表示其防护等级越佳。
防尘等级
号码防护程度定义
参照标准:GB 4208 2008 《外壳防护等级(IP代码)》
IPxx
二、绝缘等级
人们根据不同绝缘材料耐受高温的能力对其规定了7个允许的最高温度,按照温度大小排列分别为:Y、A、E、B、F、H和C。
它们的允许工作温度分别为:90、105、120、130、155、180和180℃以上。
因此,B级绝缘说明的是该发电机采用的绝缘耐热温度为130℃。
使用者在发电机工作时应该保证不使发电机绝缘材料超过该温度才能保证发电机正常工作。
介绍电机的绝缘等级分类和IP防护等级电机的绝缘等级分类和IP防护等级都是电机产品的重要参数,对于电机的使用、维护和保护都有着重要的意义。
下面将详细介绍电机的绝缘等级分类和IP防护等级。
一、电机的绝缘等级分类电机的绝缘等级是指电机所使用的绝缘材料和绝缘结构的耐受能力,用于衡量电机绝缘能力的级别。
绝缘等级通常由字母和数字组成,表示电机的耐压水平和耐温能力。
1.N级绝缘:N级绝缘是指电机绝缘所能耐受的最低等级。
N级绝缘适用于永磁同步电机等不需要求高绝缘性能的电动机。
2.E级绝缘:E级绝缘是指电机绝缘能耐受的一定温度和电压等级。
E 级绝缘适用于一般的工业电机和家用电机。
3.B级绝缘:B级绝缘是指电机绝缘能耐受的较高温度和电压等级。
B 级绝缘适用于需要高温、高电压工作的电机。
4.F级绝缘:F级绝缘是指电机绝缘能耐受更高温度和电压等级。
F 级绝缘适用于需要更高温度、更高电压等级的电机。
5.H级绝缘:H级绝缘是指电机绝缘能耐受最高温度和电压等级。
H 级绝缘适用于需要极高温度、极高电压等级的特殊电机。
IP防护等级是指电机外壳对各种固体物体和液体的防护能力。
IP等级由两个数字组成,第一个数字表示对固体的防护等级,第二个数字表示对液体的防护等级。
1.对固体的防护等级(第一个数字):-0级:没有防护。
- 1级:防护物体的直径大于50mm。
- 2级:防护物体的直径大于12.5mm。
- 3级:防护物体的直径大于2.5mm。
- 4级:防护物体的直径大于1.0mm。
-5级:彻底防止灰尘进入。
-6级:完全防止灰尘进入。
2.对液体的防护等级(第二个数字):-0级:没有防护。
-1级:防止垂直滴水入侵。
-2级:防止斜向滴水入侵。
-3级:防止喷溅入侵。
-4级:防止溅水入侵。
-5级:防止喷水入侵。
-6级:防止大波浪冲击。
-7级:防止短时间的急剧浸泡。
-8级:防止长时间的浸泡。
综上所述,电机的绝缘等级和IP防护等级对于电机的使用、维护和保护都具有重要意义。
一、电机防爆等级由3部分构成二、1) 在爆炸性气体区域(0区、1区、2区)不同电气设备使用安全级别的划分。
如旋转电机选型分为隔爆型(代号d)、正压型(p)、增安型(e)、无火花型(n)三、2)气体或蒸气爆炸性混合物等级的划分,分为ⅡA、ⅡB、ⅡC三种,这些等级的划分主要是依照最大试验安全间隙(MESG)或最小点燃电流(MICR)来区分的。
四、3)引燃某种介质的温度分组的划分。
主要分为T1-450℃<T、T2-300<T≤ 450℃、 T3-200<T≤300℃、 T4-135<T≤200℃、T5-100<T≤135 、 T6-85<T≤100℃.五、详情请参考《爆炸和火灾危险环境电力装置设计规范》GB50058-92六、七、八、九、make001 2008-02-04 16:43十、爆炸的概念十一、爆炸是物质从一种状态,经过物理或化学变化,突然变成另一种状态,并放出巨大的能量。
急剧速度释放的能量,将使周围的物体遭受到猛烈的冲击和破坏。
十二、爆炸必须具备的三个条件:十三、1)爆炸性物质:能与氧气(空气)反应的物质,包括气体、液体和固体。
(气体:氢气,乙炔,甲烷等;液体:酒精,汽油;固体:粉尘,纤维粉尘等。
)2 )氧气:空气。
3 )点燃源:包括明火、电气火花、机械火花、静电火花、高温、化学反应、光能等。
十四、为什么要防爆十五、易爆物质:很多生产场所都会产生某些可燃性物质。
煤矿井下约有三分之二的场所有存在爆炸性物质;化学工业中,约有80%以上的生产车间区域存在爆炸性物质。
氧气:空气中的氧气是无处不在的。
点燃源:在生产过程中大量使用电气仪表,各种磨擦的电火花、机械磨损火花、静电火花、高温等不可避免,尤其当仪表、电气发生故障时。
十六、客观上很多工业现场满足爆炸条件。
当爆炸性物质与氧气的混合浓度处于爆炸极限范围内时,若存在爆炸源,将会发生爆炸。
因此采取防爆就显得很必要了。
十七、仪表防爆的原理十八、危险场所危险性划分:十九、爆炸性物质区域定义中国标准北美标准二十、0 区:气体(CLASS Ⅰ) 在正常情况下 , 爆炸性气体混合物连续或长时间存在的场所二十一、1 区:在正常情况下爆炸性气体混合物有可能出现的场所 1 区二十二、2 区:在正常情况下爆炸性气体混合物不可能出现 , 仅仅在不正常情况下 , 偶尔或短时间出现的场所二十三、10 区:粉尘或纤维(CLASS Ⅱ/Ⅲ)在正常情况下 , 爆炸性粉尘或可燃纤维与空气的混合物可能连续 , 短时间频繁地出现或长时间存在的场所二十四、11 区:在正常情况下 , 爆炸性粉尘或可燃纤维与空气的混合物不能出现 , 仅仅在不正常情况下 , 偶尔或短时间出现的场所二十五、防爆方法对危险场所的适用性:二十六、序号防爆型式代号国家标准防爆措施适用区域二十七、1 隔爆型 d 隔离存在的点火源 Zone1,Zone2二十八、2 增安型 e 设法防止产生点火源 Zone1,Zone2二十九、3 本安型 ia 限制点火源的能量 Zone0-2三十、本安型 ib 限制点火源的能量 Zone1,Zone2三十一、4 正压型 p 危险物质与点火源隔开 Zone1,Zone2三十二、5 充油型 o 危险物质与点火源隔开 Zone1,Zone2三十三、6 充砂型 q 危险物质与点火源隔开 Zone1,Zone2三十四、7 无火花型 n 设法防止产生点火源 Zone2三十五、8 浇封型 m 设法防止产生点火源 Zone1,Zone2三十六、9 气密型 h 设法防止产生点火源 Zone1,Zone2三十七、防爆对危险场所的适用性:三十八、爆炸性危险气体分类三十九、根据可能引爆的最小火花能量,我国和欧洲及世界上大部分国家和地区将爆炸性气体分为四个危险等级,如下表:四十、工况类别气体分类代表性气体最小引爆火花能量四十一、矿井下Ⅰ甲烷四十二、矿井外的工厂ⅡA 丙烷四十三、ⅡB 乙烯四十四、ⅡC 氢气四十五、美国和加拿大首先将散布在空气中的爆炸性物体分成三个CLASS(类别):CLASSⅠ气体和蒸气;CLASS Ⅱ尘埃;CLASS Ⅲ纤维。
第一个数字是防固体异物.第二个数字是防水.通常所说的电机的等级有两个,一个是防护等级,一个是绝缘等级。
电动机的绝缘等级是指其所用绝缘材料的耐热等级,分A、E、B、F、H级。
允许温升是指电动机的温度与周围环境温度相比升高的限度。
绝缘的温度等级A级E级B级F级H级最高允许温度(℃)105 120 130 155 180绕组温升限值(K)60 75 80 105 125IP防护等级及测试方式方法说明(按照EN60529/IEC529)防护等级IP54,IP为标记字母,数字5为第一标记数字,4为第二标记数字第一标记数字表示接触保护和外来物保护等级,第二标记数字表示防水保护等级;接触保护和外来物保护等级(第一个数字) 防水保护等级( 第二个数字)第一个数字防护范围第二个数字防护范围名称说明名称说明0 无防护- 0无防护-1 防护50mm直径和更大的固体外来体探测器,球体直径为50mm,不应完全进入2 防护12.5mm直径和更大的固体外来体探测器,球体直径为12.5mm,不应完全进入3 防护2.5mm直径和更大的固体外来体探测器,球体直径为2.5mm,不应完全进入4 防护1.0mm直径和更大的固体外来体探测器,球体直径为1.0mm,不应完全进入5 防护灰尘不可能完全阻止灰尘进入,但灰尘进入的数量不会对设备造成伤害6 灰尘封闭柜体内在20毫巴的低压时不应进入灰尘0 无防护电机无专门防护1 防滴电机垂直滴水应无有害影响2 15度滴电机当电机从正常位置向任何方向倾斜至15度以内任一角度时,垂直滴水应无有害影响3 防淋水电机与垂直线成60度角范围内的淋水应无有害影响4 防溅水电机承受任何方向的溅水应无有害影响5 防喷水电机承受任何方向的喷水应无有害影响6 防海浪电机承受猛烈的海浪冲击或强烈喷水时,电机的进水量应不达到有害的程度。
7 防浸水电机当电机浸入规定压力的水中经规定时间后,电机的进水量应不达到有害的程度8 防护长期浸水可以在特定的条件下浸入水中,不应有能引起损害的水量浸。
电机防爆等级、防护等级、绝缘等级一、电机防爆等级由3部分构成1) 在爆炸性气体区域(0区、1区、2区)不同电气设备使用安全级别的划分。
如旋转电机选型分为隔爆型(代号d)、正压型(p)、增安型(e)、无火花型(n)2)气体或蒸气爆炸性混合物等级的划分,分为ⅡA、ⅡB、ⅡC三种,这些等级的划分主要是依照最大试验安全间隙(MESG)或最小点燃电流(MICR)来区分的。
3)引燃某种介质的温度分组的划分。
主要分为T1-450℃<T、T2-300<T≤ 450℃、T3-200<T≤300℃、T4-135<T≤200℃、T5-100<T≤135 、T6-85<T≤100℃.详情请参考《爆炸和火灾危险环境电力装置设计规范》GB50058-92二、三、四、make001 2008-02-04 16:43爆炸的概念爆炸是物质从一种状态,经过物理或化学变化,突然变成另一种状态,并放出巨大的能量。
急剧速度释放的能量,将使周围的物体遭受到猛烈的冲击和破坏。
爆炸必须具备的三个条件:1)爆炸性物质:能与氧气(空气)反应的物质,包括气体、液体和固体。
(气体:氢气,乙炔,甲烷等;液体:酒精,汽油;固体:粉尘,纤维粉尘等。
)2 )氧气:空气。
3 )点燃源:包括明火、电气火花、机械火花、静电火花、高温、化学反应、光能等。
为什么要防爆易爆物质:很多生产场所都会产生某些可燃性物质。
煤矿井下约有三分之二的场所有存在爆炸性物质;化学工业中,约有80%以上的生产车间区域存在爆炸性物质。
氧气:空气中的氧气是无处不在的。
点燃源:在生产过程中大量使用电气仪表,各种磨擦的电火花、机械磨损火花、静电火花、高温等不可避免,尤其当仪表、电气发生故障时。
客观上很多工业现场满足爆炸条件。
当爆炸性物质与氧气的混合浓度处于爆炸极限范围内时,若存在爆炸源,将会发生爆炸。
因此采取防爆就显得很必要了。
仪表防爆的原理危险场所危险性划分:爆炸性物质区域定义中国标准北美标准0 区:Div.1 气体(CLASS Ⅰ) 在正常情况下, 爆炸性气体混合物连续或长时间存在的场所1 区:在正常情况下爆炸性气体混合物有可能出现的场所1 区2 区:Div.2 在正常情况下爆炸性气体混合物不可能出现, 仅仅在不正常情况下, 偶尔或短时间出现的场所10 区Div.1:粉尘或纤维(CLASS Ⅱ/Ⅲ)在正常情况下, 爆炸性粉尘或可燃纤维与空气的混合物可能连续, 短时间频繁地出现或长时间存在的场所11 区Div.2:在正常情况下, 爆炸性粉尘或可燃纤维与空气的混合物不能出现, 仅仅在不正常情况下, 偶尔或短时间出现的场所防爆方法对危险场所的适用性:序号防爆型式代号国家标准防爆措施适用区域1 隔爆型d GB3836.2 隔离存在的点火源Zone1,Zone22 增安型e GB3836.3 设法防止产生点火源Zone1,Zone23 本安型ia GB3836.4 限制点火源的能量Zone0-2本安型ib GB3836.4 限制点火源的能量Zone1,Zone24 正压型p GB3836.5 危险物质与点火源隔开Zone1,Zone25 充油型o GB3836.6 危险物质与点火源隔开Zone1,Zone26 充砂型q GB3836.7 危险物质与点火源隔开Zone1,Zone27 无火花型n GB3836.8 设法防止产生点火源Zone28 浇封型m GB3836.9 设法防止产生点火源Zone1,Zone29 气密型h GB3836.10 设法防止产生点火源Zone1,Zone2防爆对危险场所的适用性:爆炸性危险气体分类根据可能引爆的最小火花能量,我国和欧洲及世界上大部分国家和地区将爆炸性气体分为四个危险等级,如下表:工况类别气体分类代表性气体最小引爆火花能量矿井下Ⅰ甲烷0.280mJ矿井外的工厂ⅡA 丙烷0.180mJⅡB 乙烯0.060mJⅡC 氢气0.019mJ美国和加拿大首先将散布在空气中的爆炸性物体分成三个CLASS(类别):CLASSⅠ气体和蒸气;CLASS Ⅱ尘埃;CLASS Ⅲ纤维。
电器的绝缘等级和防护等级电器的绝缘等级和防护等级一、1、电机绝缘等级划分依据是按电动机所用绝缘材料的允许极限温度划分的。
有Y、A、E、B、F、H、C等几个等级,各级的允许极限温度如下表。
所谓允许极限温度是指电机绝缘材料的允许最高工作温度,它反应绝缘材料的耐热性能。
2、表:绝缘材料的绝缘等级允许极限温度绝缘材料按耐热能力分为 Y、A、E、B、F、H、C 7个等级,其极限工作温度分别为90、105、120、130、155、180℃、及180℃以上。
所谓绝缘材料的极限工作温度,系指电机在设计预期寿命内,运行时绕组绝缘中最热点的温度。
根据经验,A级材料在105℃、B级材料在130℃的情况下寿命可达10年,但在实际情况下环境温度和温升均不会长期达设计值,因此一般寿命在15~20年。
如果运行温度长期超过材料的极限工作温度,则绝缘的老化加剧,寿命大大缩短。
所以电机在运行中,温度是寿命的主要因素之一。
二、IP防护等级 IP(INTERNATIONAL PROTECTION)防护等级系统是由IEC (INTERNATIONAL ELECTROTECHNICAL COMMISSION)所起草。
将灯具依其防尘防湿气之特性加以分级。
这里所指的外物含工具,人的手指等均不可接触到灯具内之带电部分,以免触电。
IP防护等级是由两个数字所组成,第1个数字表示灯具离尘、防止外物侵入的等级,第2个数字表示灯具防湿气、防水侵入的密闭程度,数字越大表示其防护等级越高,两个标示数字所表示的防护等级如表一及表二。
表一:第一个标示特性号码(数字)所指的防护程度[-S第一个标示数字防护等级定义0 没有防护对外界的人或物无特殊防护1 防止大于50mm的固体物体侵入防止人体(如手掌)因意外而接触到灯具内部的零件。
防止较大尺寸(直径大于50mm)的外物侵入。
2 防止大于12mm的固体物体侵入防止人的手指接触到灯具内部的零件防止中等尺寸(直径大12mm)的外物侵入。
一、电机防爆等级由3部分构成1) 在爆炸性气体区域(0区、1区、2区)不同电气设备使用安全级别的划分.如旋转电机选型分为隔爆型(代号d)、正压型(p)、增安型(e)、无火花型(n)2)气体或蒸气爆炸性混合物等级的划分,分为ⅡA、ⅡB、ⅡC三种,这些等级的划分主要是依照最大试验安全间隙(MESG)或最小点燃电流(MICR)来区分的.3)引燃某种介质的温度分组的划分。
主要分为T1-450℃<T、T2-300<T≤ 450℃、T3-200<T≤300℃、T4-135<T≤200℃、T5-100<T≤135 、T6-85<T≤100℃.详情请参考《爆炸和火灾危险环境电力装置设计规范》GB50058-92make001 2008—02—04 16:43爆炸的概念爆炸是物质从一种状态,经过物理或化学变化,突然变成另一种状态,并放出巨大的能量。
急剧速度释放的能量,将使周围的物体遭受到猛烈的冲击和破坏。
爆炸必须具备的三个条件:1)爆炸性物质:能与氧气(空气)反应的物质,包括气体、液体和固体.(气体:氢气,乙炔,甲烷等;液体:酒精,汽油;固体:粉尘,纤维粉尘等。
)2 )氧气:空气.3 )点燃源:包括明火、电气火花、机械火花、静电火花、高温、化学反应、光能等。
为什么要防爆易爆物质:很多生产场所都会产生某些可燃性物质。
煤矿井下约有三分之二的场所有存在爆炸性物质;化学工业中,约有80%以上的生产车间区域存在爆炸性物质。
氧气:空气中的氧气是无处不在的。
点燃源:在生产过程中大量使用电气仪表,各种磨擦的电火花、机械磨损火花、静电火花、高温等不可避免,尤其当仪表、电气发生故障时. 客观上很多工业现场满足爆炸条件。
当爆炸性物质与氧气的混合浓度处于爆炸极限范围内时,若存在爆炸源,将会发生爆炸。
因此采取防爆就显得很必要了.仪表防爆的原理危险场所危险性划分:爆炸性物质区域定义中国标准北美标准0 区:Div。
1 气体(CLASS Ⅰ)在正常情况下, 爆炸性气体混合物连续或长时间存在的场所1 区:在正常情况下爆炸性气体混合物有可能出现的场所1 区2 区:Div.2 在正常情况下爆炸性气体混合物不可能出现,仅仅在不正常情况下,偶尔或短时间出现的场所10 区Div.1:粉尘或纤维(CLASS Ⅱ/Ⅲ) 在正常情况下,爆炸性粉尘或可燃纤维与空气的混合物可能连续,短时间频繁地出现或长时间存在的场所11 区Div.2:在正常情况下, 爆炸性粉尘或可燃纤维与空气的混合物不能出现,仅仅在不正常情况下, 偶尔或短时间出现的场所防爆方法对危险场所的适用性:序号防爆型式代号国家标准防爆措施适用区域1 隔爆型d GB3836。
绝缘等级和防护等级一、绝缘等级1、电机绝缘等级划分依据是按电动机所用绝缘材料的允许极限温度划分的。
有Y、A、E、B、F、H、C等几个等级,各级的允许极限温度如下表。
所谓允许极限温度是指电机绝缘材料的允许最高工作温度,它反应绝缘材料的耐热性能。
2、表:绝缘材料的绝缘等级允许极限温度绝缘材料按耐热能力分为Y、A、E、B、F、H、C 7个等级,其极限工作温度分别为90、105、120、130、155、180℃、及180℃以上。
所谓绝缘材料的极限工作温度,系指电机在设计预期寿命内,运行时绕组绝缘中最热点的温度。
根据经验,A级材料在105℃、B级材料在130℃的情况下寿命可达10年,但在实际情况下环境温度和温升均不会长期达设计值,因此一般寿命在15~20年。
如果运行温度长期超过材料的极限工作温度,则绝缘的老化加剧,寿命大大缩短。
所以电机在运行中,温度是寿命的主要因素之一。
二、IP防护等级IP(INTERNATIONAL PROTECTION)防护等级系统是由IEC(INTERNATIONAL ELECTROTECHNICAL COMMISSION)所起草。
将灯具依其防尘防湿气之特性加以分级。
这里所指的外物含工具,人的手指等均不可接触到灯具内之带电部分,以免触电。
IP防护等级是由两个数字所组成,第1个数字表示灯具离尘、防止外物侵入的等级,第2个数字表示灯具防湿气、防水侵入的密闭程度,数字越大表示其防护等级越高,两个标示数字所表示的防护等级如表一及表二。
表一:防护程度防护等级定义0 没有防护对外界的人或物无特殊防护1 防止大于50mm的固体物体侵入防止人体(如手掌)因意外而接触到灯具内部的零件。
防止较大尺寸(直径大于50mm)的外物侵入。
2 防止大于12mm的固体物体侵入防止人的手指接触到灯具内部的零件防止中等尺寸(直径大12mm)的外物侵入。
3 防止大于2.5mm的固体物体侵入防止直径或厚度大于2.5mm的工具、电线或类似的细节小外物侵入而接触到灯具内部的零件。
电器的绝缘等级和防护等级电器的绝缘等级和防护等级一、1、电机绝缘等级划分依据是按电动机所用绝缘材料的允许极限温度划分的。
有Y、A、E、B、F、H、C等几个等级,各级的允许极限温度如下表。
所谓允许极限温度是指电机绝缘材料的允许最高工作温度,它反应绝缘材料的耐热性能。
2、表:绝缘材料的绝缘等级允许极限温度绝缘材料按耐热能力分为 Y、A、E、B、F、H、C 7个等级,其极限工作温度分别为90、105、120、130、155、180℃、及180℃以上。
所谓绝缘材料的极限工作温度,系指电机在设计预期寿命内,运行时绕组绝缘中最热点的温度。
根据经验,A级材料在105℃、B级材料在130℃的情况下寿命可达10年,但在实际情况下环境温度和温升均不会长期达设计值,因此一般寿命在15~20年。
如果运行温度长期超过材料的极限工作温度,则绝缘的老化加剧,寿命大大缩短。
所以电机在运行中,温度是寿命的主要因素之一。
二、IP防护等级 IP(INTERNATIONAL PROTECTION)防护等级系统是由IEC (INTERNATIONAL ELECTROTECHNICAL COMMISSION)所起草。
将灯具依其防尘防湿气之特性加以分级。
这里所指的外物含工具,人的手指等均不可接触到灯具内之带电部分,以免触电。
IP防护等级是由两个数字所组成,第1个数字表示灯具离尘、防止外物侵入的等级,第2个数字表示灯具防湿气、防水侵入的密闭程度,数字越大表示其防护等级越高,两个标示数字所表示的防护等级如表一及表二。
表一:第一个标示特性号码(数字)所指的防护程度[-S第一个标示数字防护等级定义0 没有防护对外界的人或物无特殊防护1 防止大于50mm的固体物体侵入防止人体(如手掌)因意外而接触到灯具内部的零件。
防止较大尺寸(直径大于50mm)的外物侵入。
2 防止大于12mm的固体物体侵入防止人的手指接触到灯具内部的零件防止中等尺寸(直径大12mm)的外物侵入。
一、电机防爆等级由3部分构成1) 在爆炸性气体区域(0区、1区、2区)不同电气设备使用安全级别的划分。
如旋转电机选型分为隔爆型(代号d)、正压型(p)、增安型(e)、无火花型(n)2)气体或蒸气爆炸性混合物等级的划分,分为ⅡA、ⅡB、ⅡC三种,这些等级的划分主要是依照最大试验安全间隙(MESG)或最小点燃电流(MICR)来区分的。
3)引燃某种介质的温度分组的划分。
主要分为T1-450℃<T、T2-300<T≤ 450℃、T3-200<T≤300℃、T4-135<T≤200℃、T5-100<T≤135 、T6-85<T≤100℃.详情请参考《爆炸和火灾危险环境电力装置设计规范》GB50058-92二、三、四、make001 2008-02-04 16:43爆炸的概念爆炸是物质从一种状态,经过物理或化学变化,突然变成另一种状态,并放出巨大的能量。
急剧速度释放的能量,将使周围的物体遭受到猛烈的冲击和破坏。
爆炸必须具备的三个条件:1)爆炸性物质:能与氧气(空气)反应的物质,包括气体、液体和固体。
(气体:氢气,乙炔,甲烷等;液体:酒精,汽油;固体:粉尘,纤维粉尘等。
)2 )氧气:空气。
3 )点燃源:包括明火、电气火花、机械火花、静电火花、高温、化学反应、光能等。
为什么要防爆易爆物质:很多生产场所都会产生某些可燃性物质。
煤矿井下约有三分之二的场所有存在爆炸性物质;化学工业中,约有80%以上的生产车间区域存在爆炸性物质。
氧气:空气中的氧气是无处不在的。
点燃源:在生产过程中大量使用电气仪表,各种磨擦的电火花、机械磨损火花、静电火花、高温等不可避免,尤其当仪表、电气发生故障时。
客观上很多工业现场满足爆炸条件。
当爆炸性物质与氧气的混合浓度处于爆炸极限范围内时,若存在爆炸源,将会发生爆炸。
因此采取防爆就显得很必要了。
仪表防爆的原理危险场所危险性划分:爆炸性物质区域定义中国标准北美标准0 区:Div.1 气体(CLASS Ⅰ) 在正常情况下, 爆炸性气体混合物连续或长时间存在的场所1 区:在正常情况下爆炸性气体混合物有可能出现的场所1 区2 区:Div.2 在正常情况下爆炸性气体混合物不可能出现, 仅仅在不正常情况下, 偶尔或短时间出现的场所10 区Div.1:粉尘或纤维(CLASS Ⅱ/Ⅲ)在正常情况下, 爆炸性粉尘或可燃纤维与空气的混合物可能连续, 短时间频繁地出现或长时间存在的场所11 区Div.2:在正常情况下, 爆炸性粉尘或可燃纤维与空气的混合物不能出现, 仅仅在不正常情况下, 偶尔或短时间出现的场所防爆方法对危险场所的适用性:序号防爆型式代号国家标准防爆措施适用区域1 隔爆型d GB3836.2 隔离存在的点火源Zone1,Zone22 增安型e GB3836.3 设法防止产生点火源Zone1,Zone23 本安型ia GB3836.4 限制点火源的能量Zone0-2本安型ib GB3836.4 限制点火源的能量Zone1,Zone24 正压型p GB3836.5 危险物质与点火源隔开Zone1,Zone25 充油型o GB3836.6 危险物质与点火源隔开Zone1,Zone26 充砂型q GB3836.7 危险物质与点火源隔开Zone1,Zone27 无火花型n GB3836.8 设法防止产生点火源Zone28 浇封型m GB3836.9 设法防止产生点火源Zone1,Zone29 气密型h GB3836.10 设法防止产生点火源Zone1,Zone2防爆对危险场所的适用性:爆炸性危险气体分类根据可能引爆的最小火花能量,我国和欧洲及世界上大部分国家和地区将爆炸性气体分为四个危险等级,如下表:工况类别气体分类代表性气体最小引爆火花能量矿井下Ⅰ甲烷0.280mJ矿井外的工厂ⅡA 丙烷0.180mJⅡB 乙烯0.060mJⅡC 氢气0.019mJ美国和加拿大首先将散布在空气中的爆炸性物体分成三个CLASS(类别):CLASSⅠ气体和蒸气;CLASS Ⅱ尘埃;CLASS Ⅲ纤维。
绝缘等级编辑电动机的绝缘等级是指其所用绝缘材料的耐热等级,分A、E、B、比升高的限度。
中文名绝缘等级外文名Insulation Level绝缘温度等级A级E级B级最高允许温度105 120 130绕组温升限值60 75 80目录温度等级编辑温度等级A级E级B级F级H级C级N级R级最高温度105 120 130 155 180 200 220 240(℃)绕组温升限值60 75 80 105 125 135 150 170(K)性能参考温度80 95 100 120 145 155 170 190(℃)在发电机等电气设备中,绝缘材料是最为薄弱的环节。
绝缘材料尤其容易受到高温的影响而加速老化并损坏。
不同的绝缘材料耐热性能有区别,采用不同绝缘材料的电气设备其耐受高温的能力就有不同。
因此一般的电气设备都规定其工作的最高温度。
备注编辑根据GB 755-2008,F级绝缘下绕组温升限制应为105K,而不是100K。
一般电机的绝缘等级较多采用E级和B级绝缘。
词条标签:自然学科,科技,理学,工业产品,仪器IP防护等级编辑(INTERNATIONAL ELECTROTECHNICAL COMMISSION)所起草,将电器依其防尘防湿气之特性加以分级。
这里所指的外物含工具,人的手指等均不可接触到电器内之带电部分,以免触电。
IP防护等等级,第2个数字表示电器防湿气、防水侵入的密闭程度,数字越大表示其防护等级越高。
[1]中文名IP防护等级外文名INGRESS PROTECTION起草IEC组成两个数字第一个数字电器防尘、防止外物侵入的等级第二个数字电器防湿气、防水侵入的密闭程度特点数字越大表示其防护等级越高目录IP防护等级表示方法概述编辑防护等级多以IP后跟随两个数字来表述,数字用来明确防护的等级。
第一位数字表明设备抗微尘的范围,或者是人们在密封环境中免受危害的程度。
代表防止固体异物进入的等级,最高级别是6;第二位数字表明设备防水的程度。
绝缘等级和防护等级一、绝缘等级1、电机绝缘等级划分依据是按电动机所用绝缘材料的允许极限温度划分的。
有Y、A、E、B、F、H、C等几个等级,各级的允许极限温度如下表。
所谓允许极限温度是指电机绝缘材料的允许最高工作温度,它反响绝缘材料的耐热性能。
2、表:绝缘材料的绝缘等级允许极限温度绝缘材料按耐热能力分为Y、A、E、B、F、H、C 7个等级,其极限工作温度分别为90、105、120、130、155、180℃、及180℃以上。
所谓绝缘材料的极限工作温度,系指电机在设计预期寿命内,运行时绕组绝缘中最热点的温度。
根据经验,A级材料在105℃、B级材料在130℃的情况下寿命可达10年,但在实际情况下环境温度和温升均不会长期达设计值,因此一般寿命在15~20年。
如果运行温度长期超过材料的极限工作温度,那么绝缘的老化加剧,寿命大大缩短。
所以电机在运行中,温度是寿命的主要因素之一。
二、IP防护等级IP〔INTERNATIONAL PROTECTION〕防护等级系统是由IEC〔INTERNATIONAL ELECTROTECHNICAL COMMISSION〕所起草。
将灯具依其防尘防湿气之特性加以分级。
这里所指的外物含工具,人的手指等均不可接触到灯具内之带电局部,以免触电。
IP防护等级是由两个数字所组成,第1个数字表示灯具离尘、防止外物侵入的等级,第2个数字表示灯具防湿气、防水侵入的密闭程度,数字越大表示其防护等级越高,两个标示数字所表示的防护等级如表一及表二。
表一:防护程度防护等级定义0 没有防护对外界的人或物无特殊防护1 防止大于50mm的固体物体侵入防止人体〔如手掌〕因意外而接触到灯具内部的零件。
防止较大尺寸〔直径大于50mm〕的外物侵入。
2 防止大于12mm的固体物体侵入防止人的手指接触到灯具内部的零件防止中等尺寸〔直径大12mm〕的外物侵入。
3 防止大于的固体物体侵入防止直径或厚度大于的工具、电线或类似的细节小外物侵入而接触到灯具内部的零件。
一、电机防爆等级由3部分构成二、1 在爆炸性气体区域0区、1区、2区不同电气设备使用安全级别的划分;如旋转电机选型分为隔爆型代号d、正压型p、增安型e、无火花型n三、2气体或蒸气爆炸性混合物等级的划分,分为ⅡA、ⅡB、ⅡC三种,这些等级的划分主要是依照最大试验安全间隙MESG或最小点燃电流MICR来区分的;四、3引燃某种介质的温度分组的划分;主要分为T1-450℃<T、T2-300<T≤ 450℃、 T3-200<T≤300℃、 T4-135<T≤200℃、 T5-100<T≤135 、 T6-85<T≤100℃. 五、详情请参考爆炸和火灾危险环境电力装置设计规范GB50058-92六、七、make001 2008-02-04 16:43八、爆炸的概念九、爆炸是物质从一种状态,经过物理或化学变化,突然变成另一种状态,并放出巨大的能量;急剧速度释放的能量,将使周围的物体遭受到猛烈的冲击和破坏;十、爆炸必须具备的三个条件:十一、1爆炸性物质:能与氧气空气反应的物质,包括气体、液体和固体;气体:氢气,乙炔,甲烷等;液体:酒精,汽油;固体:粉尘,纤维粉尘等;2 氧气:空气;3 点燃源:包括明火、电气火花、机械火花、静电火花、高温、化学反应、光能等;十二、为什么要防爆十三、易爆物质:很多生产场所都会产生某些可燃性物质;煤矿井下约有三分之二的场所有存在爆炸性物质;化学工业中,约有80%以上的生产车间区域存在爆炸性物质;氧气:空气中的氧气是无处不在的;点燃源:在生产过程中大量使用电气仪表,各种磨擦的电火花、机械磨损火花、静电火花、高温等不可避免,尤其当仪表、电气发生故障时;十四、客观上很多工业现场满足爆炸条件;当爆炸性物质与氧气的混合浓度处于爆炸极限范围内时,若存在爆炸源,将会发生爆炸;因此采取防爆就显得很必要了;十五、仪表防爆的原理十六、危险场所危险性划分:十七、爆炸性物质区域定义中国标准北美标准十八、0 区:气体CLASS Ⅰ在正常情况下 , 爆炸性气体混合物连续或长时间存在的场所十九、1 区:在正常情况下爆炸性气体混合物有可能出现的场所 1 区二十、2 区:在正常情况下爆炸性气体混合物不可能出现 , 仅仅在不正常情况下 , 偶尔或短时间出现的场所二十一、10 区:粉尘或纤维CLASS Ⅱ/Ⅲ在正常情况下 , 爆炸性粉尘或可燃纤维与空气的混合物可能连续 , 短时间频繁地出现或长时间存在的场所二十二、11 区:在正常情况下 , 爆炸性粉尘或可燃纤维与空气的混合物不能出现 , 仅仅在不正常情况下 , 偶尔或短时间出现的场所二十三、防爆方法对危险场所的适用性:二十四、序号防爆型式代号国家标准防爆措施适用区域二十五、1 隔爆型 d 隔离存在的点火源 Zone1,Zone2二十六、2 增安型 e 设法防止产生点火源 Zone1,Zone2二十七、3 本安型 ia 限制点火源的能量 Zone0-2二十八、本安型 ib 限制点火源的能量 Zone1,Zone2二十九、4 正压型 p 危险物质与点火源隔开 Zone1,Zone2三十、5 充油型 o 危险物质与点火源隔开 Zone1,Zone2三十一、6 充砂型 q 危险物质与点火源隔开 Zone1,Zone2三十二、7 无火花型 n 设法防止产生点火源 Zone2三十三、8 浇封型 m 设法防止产生点火源 Zone1,Zone2三十四、9 气密型 h 设法防止产生点火源 Zone1,Zone2三十五、防爆对危险场所的适用性:三十六、爆炸性危险气体分类三十七、根据可能引爆的最小火花能量,我国和欧洲及世界上大部分国家和地区将爆炸性气体分为四个危险等级,如下表:三十八、工况类别气体分类代表性气体最小引爆火花能量三十九、矿井下Ⅰ甲烷四十、矿井外的工厂ⅡA 丙烷四十一、ⅡB 乙烯四十二、ⅡC 氢气四十三、美国和加拿大首先将散布在空气中的爆炸性物体分成三个CLASS类别:CLASSⅠ气体和蒸气;CLASS Ⅱ尘埃;CLASS Ⅲ纤维; 然后再将气体和尘埃分成 Group组:四十四、组名代表性气体或尘埃四十五、A 乙炔四十六、B 氢气四十七、C 乙烯四十八、D 丙烷四十九、E 金属尘埃五十、F 煤炭尘埃五十一、G 谷物尘埃五十二、气体温度组别划分:五十三、温度组别安全的物体表面温度常见爆炸性气体五十四、T1 ≤ 450℃氢气、丙烯腈等 46 种五十五、T2 ≤ 300℃乙炔、乙烯等 47 种五十六、T3 ≤ 200℃汽油、丁烯醛等 36 种五十七、T4 ≤ 135℃乙醛、四氟乙烯等 6 种五十八、T5 ≤ 100℃二硫化碳五十九、T6 ≤ 85℃硝酸乙酯和亚硝酸乙酯六十、仪表的防爆标志六十一、ExiaⅡC T6 的含义:六十二、标志内容符号含义六十三、防爆声明 Ex 符合某种防爆标准,如我国的国家标准六十四、防爆方式 ia 采用 ia 级本质安全防爆方法,可安装在 0 区六十五、气体类别ⅡC 被允许涉及ⅡC 类爆炸性气体六十六、温度组别 T6 仪表表面温度不超过 85℃六十七、ExiaⅡC 的含义六十八、标志内容符号含义六十九、防爆声明 Ex 符合欧洲防爆标准七十、防爆方式 ia 采用 ia 级本质安全防爆方法,可安装在 0 区七十一、气体类别ⅡC 被允许涉及ⅡC 类爆炸性气体七十二、注:该标志中无温度组别项 , 说明该仪表不与爆炸性气体直接接触七十三、防爆术语:七十四、七十五、有关防爆术语及标准七十六、安全栅安全参数定义:七十七、8226; 安全栅最高允许电压: Um七十八、保证安全栅本安端的本安性能,允许非本安端可能输入的最高电压七十九、8226; 安全栅最高开路电压: Uoc八十、在最高允许电压范围内本安端开路时电压最大值八十一、8226; 安全栅最大短路电流: Isc八十二、在最高允许电压范围内本安端短路时的电流最大值八十三、8226; 安全栅允许分布电容: Ca八十四、保证本质安全性能情况下本安端最大允许外接电容八十五、8226; 安全栅允许分布电感: La八十六、保证本质安全性能情况下本安端最大允许外接电感八十七、防爆标志格式说明:八十八、将工厂或矿区的爆炸危险介质,按其引燃能量,最小点燃温度以及现场爆炸性危险气体存在的时间周期进行科学分类分级,以确定现场防爆设备的防爆标志和防爆形式;八十九、防爆标志格式:九十、Ex ia ⅡC T4九十一、防爆标记防爆等级气体组别温度组别九十二、防爆等级说明:九十三、ia 等级:在正常工作、一个故障和二个故障时均不能点燃爆炸性气体混合物的电气设备;九十四、正常工作时,安全系数为;九十五、一个故障时,安全系数为;九十六、二个故障时,安全系数为 ;九十七、注:有火花的触点须加隔爆外壳、气密外壳或加倍提高安全系数;九十八、ib 等级 :九十九、在正常工作和一个故障时不能点燃爆炸性气体混合物的电气设备;一○○、正常工作时,安全系数为;一个故障时,安全系数为;一○一、正常工作时,有火花的触点须加隔爆外壳或气密外壳保护,并且有故障自显示的措施,一个故障时安全系数为;二、IP防护等级IPINTERNATIONAL PROTECTION防护等级系统是由IECINTERNATIONAL ELECTROTECHNICAL COMMISSION所起草的;将灯具依起防尘防湿之特性加以分级;这里所指的外物含工具,人的手指等均不可接触到灯具内之带电部分,以免触电;IP防护等级是由两个数字所组成,第一个数字表示灯具离尘、防止外物侵入的等级,第二个数字表示灯具防湿气、防水侵入的密闭程度,数字越大表示其防护等级越高,两个标示数字所表示的防护等级如表一及表二;第一个标示特性号码数字所指示的防护程度第一个标示数字防护等级定义0 没有防护对外界的人或无特殊防护1 防止大于50mm的固体物侵入防止人体如手掌因意外而接触到灯具内部的零件;防止较大尺寸直径大于50mm的外物侵入2 防止大于12mm的固体物侵入防止人的手指接触到灯具内部的零件防止中等尺寸直径大于 12mm外物侵入;3 防止大于的固体物侵入防止直径或厚度大于的工具、电线或类似的细节小外物侵入而接触到灯具内部的零件;4 防止大于的固体物侵入防止直径或厚度大于的工具、电线或类似的细节小外物侵入而接触到灯具内部的零件;5 防尘完全防止外物侵入,虽不能完全防止灰尘进入,但侵入的灰尘量并不会影响灯具的正常工作;6 防尘完全防止外物侵入,且可完全防止灰尘进入;第二个标示特性号码数字所指示的防护程度第二个标示数字防护等级定义0 没有防护没有防护1 防止滴水侵入垂直滴下的水滴如凝结水对灯具不会造成有害影响;2 倾斜15度时仍可防止滴水侵入当灯具由垂直倾斜至15度时,滴水对灯具不会造成有害影响3 防止喷洒的水侵入防雨,或防止与垂直的夹角小于60度的方向所喷洒的水进入灯具造成损害;4 防止飞溅的水侵入防止个方向飞溅而来的水进入灯具造成损害;5 防止喷射的水侵入防止来自各方向喷嘴射出的水进入灯具内造成损害;6 防止大浪的侵入装设于甲板上的灯具,防止因大浪的侵袭而进入造成损坏;7 防止浸水时水的侵入灯具浸在水中一定时间或水压在一定的标准以下能确保不因进水而造成损坏;8 防止沉没时水的侵入灯具无限期的沉没在指定水压的状况下,能确保不因进水而造成损坏;三、电机的绝缘等级电动机的绝缘等级是指其所用绝缘材料的耐热等级,分A、E、B、F、H级;允许温升是指电动机的温度与周围环境温度相比升高的限度;绝缘的温度等级 A级 E级 B级 F级 H级最高允许温度℃ 105 120 130 155 180绕组温升限值K 60 75 80 100 125性能参考温度℃ 80 95 100 120 145电机绝缘等级划分依据是按电动机所用绝缘材料的允许极限温度划分的;有Y、A、E、B、F、H、C等几个等级,各级的允许极限温度如下表;所谓允许极限温度是指电机绝缘材料的允许最高工作温度,它反应绝缘材料的耐热性能;绝缘材料按耐热能力分为 Y、A、E、B、F、H、C 7个等级,其极限工作温度分别为90、105、120、130、155、180℃、及180℃以上;。
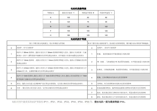
电机绝缘等级与防护等级
2009-10-28 15:11
一.绝缘等级
电动机的绝缘等级是指其所用绝缘材料的耐热等级,分A、E、B、F、H级。
允许温升是指电动机的温度与周围环境温度相比升高的限度。
绝缘的温度等级A级 E级 B级 F级 H级
最高允许温度(℃) 105 120 130 155 180
绕组温升限值(K) 60 75 80 100 125
性能参考温度(℃) 80 95 100 120 145
在发电机等电气设备中,绝缘材料是最为薄弱的环节。
绝缘材料尤其容易受到高温的影响而加速老化并损坏。
不同的绝缘材料耐热性能有区别,采用不同绝缘材料的电气设备其耐受高温的能力就有不同。
因此一般的电气设备都规定其工作的最高温度。
人们根据不同绝缘材料耐受高温的能力对其规定了7个允许的最高温度,按照温度大小排列分别为:Y、A、E、B、F、H和C。
它们的允许工作温度分别为:90、105、120、130、155、180和180℃以上。
因此,B级绝缘说明的是该发电机采用的绝缘耐热温度为130℃。
使用者在发电机工作时应该保证不使发电机绝缘材料超过该温度才能保证发电机正常工作。
绝缘等级为B级的绝缘材料,主要是由云母、石棉、玻璃丝经有机胶胶合或浸渍而成的。
二.防护等级
1. 电机外壳防护等级
GB4942.1-85《电机外壳防护分级》;IEC34-5
第一种防护:防止人体触及或接近壳内带电部分和触及壳内转动部件(光滑的旋转轴和类似部件除外),以及防止固体异物进入电机。
第二种防护:防止由于电机进水而引起的有害影响。
代号IP xx,含义见下表。
第一位表征数字
第一位表征数字防护等级
简述含义
0 无防护电机无专门防护
1 防护大于50mm固体电机能防止大面积的人体(如手)偶然或意外地触及或接近壳内带电或转动部件(但不能防止故意接触)
能防止直径大于50mm的固体异物进入壳体
2 防护大于12mm固体电机能防止手指或长度不超过80mm的类似物体触及或接近壳内带电或转动部件
能防止直径大于12mm的固体异物进入壳体
3 防护大于2.5mm固体电机能防止直径大于2.5mm的工具或导线触及或接近壳内带电或转动部件
能防止直径大于2.5mm的固体异物进入壳体
4 防护大于1mm固体电机能防止直径或厚度大于1mm的导线或片条触及或接近壳内带电或转动部件
能防止直径大于1mm的固体异物进入壳体
5 防尘电机能防止触及或接近壳内带电或转动部件
进尘量不足以影响电机的正常运行
6 尘密完全防止外物侵入,且可完全防止灰尘进入
第二位表征数字
第二位表征数字防护等级
简述含义
0 无防护电机无专门防护
1 防滴电机垂直滴水应无有害影响
2 15°防滴电机当电机从正常位置向任何方向倾斜15°以内任一角度时,垂直滴水应无有害影响
3 防淋水电机与垂直线成60°角范围内的淋水无有害影响
4 防溅水电机承受任何方向的溅水无有害影响
5 防喷水电机承受任何方向的喷水无有害影响
6 防海浪电机承受猛烈的海浪冲击或强烈喷水时,电机的进水量应不达到有害的程度
7 防浸水电机当电机浸如规定压力的水中经规定的时间后,电机的进水量应不达到有害的程度
8 潜水电机电机在制造厂规定的条件下能长期潜水。
电机一般为水密型,但对某些类型的电机也可允许水进入,但应不达到有害的程度
单表征数字:IP x5或IP5x
2. 低压电器的外壳防护等级
GB4942.2-1985《低压电器外壳防护等级》(International Protection)IP xx 第一位数字表示防止固体异物进入壳体内或触及壳内带电或运动部分的程度,
第二位数字表示防止液体进入壳内的程度。
当只需用一位数字表示某一防护等
级时,被省略的数字可用“x”代替。
如对防护内容需要加以说明,可用补充字母表示
W:表示可在特定的气候条件下使用的外壳防护等级
N:表示可在特定的尘埃环境下使用的外壳防护等级(放在第二位数字后)
L:表示可在规定的条件下,放在固体异物或试验探针触及壳内带电部分后运转部件使用的外壳防护等级(放在第一位数字2、3或4的后面)
低压电器常用的外壳防护等级
第一位表征数字及后缀字母第二位表征数字
0 1 2 3 4 5 6 7 8
防护等级IP
0 IP00
1 IP10 IP11 IP12
2L IP2L0 IP2L1 IP2L2 IP2L3
3 IP30 IP31 IP32 IP33 IP34
3L IP3L0 IP3L1 IP3L2 IP3L3
4 IP40 IP41 IP42 IP43 IP44
4L IP4L0 IP4L1 IP4L2 IP4L3
5 IP50 IP54 IP55
6 IP60 IP65 IP66 IP6
7 IP68
第一位表征数字及其补充字母含义
第一位表征数字及后缀字母表征符号防护等级
简述含义
0 IP0X 无防护电机无专门防护
1 IP1X 防护大于50mm固体异物能防止大面积的人体(如手)偶然或意外地触及或接近壳内带电或转动部件(但不能防止故意接触)
能防止直径大于50mm的固体异物进入壳体
2L IP2LX 防护大于12.5mm固体异物能防止手指或长度不超过80mm的类似物体触及或接近壳内带电或转动部件
能防止直径大于12.5mm的固体异物进入壳体
3 IP3X 防护大于2.5mm固体能防止直径大于2.5mm的工具或导线触及或接近壳内带电或转动部件
3L IP3LX 防护大于12.5mm固体异物和防止2.5mm的探针触及防护直径大于12.5mm固体异物进入壳体和防止长度不大于100mm直径为2.5mm的探针触及壳内带电或转动部件
4 IP4X 防护大于1mm固体异物能防止直径或厚度大于1mm进入壳体
4L IP4LX 防护大于12.5mm固体异物和防止1mm的探针触及防护直径大于12.5mm固体异物进入壳体和防止长度不大于100mm直径为1mm的探针触及壳内带电或转动部件
5 IP5X 防尘不能完全防止尘埃进入壳体,但浸尘量不足以影响电器的正常运行
6 IP6X 尘密无尘埃进入
第二位表征数字
第二位表征数字表征符号防护等级
简述含义
0 IPX0 无防护无专门防护
1 IPX1 防滴垂直滴水应无有害影响
2 IPX2 15°防滴当电机从正常位置向任何方向倾斜15°以内任一角度时,垂直滴水应无有害影响
3 IPX3 防淋水与垂直线成60°角范围内的淋水无有害影响
4 IPX4 防溅水承受任何方向的溅水无有害影响
5 IPX5 防喷水承受任何方向的喷水无有害影响
6 IPX6 防海浪承受猛烈的海浪冲击或强烈喷水时,电器的进水量应不达到有害的程度
7 IPX7 防浸水影响当电器浸如规定压力的水中经规定的时间后,电机的进水量应不达到有害的程度
8 IPX8 防潜水影响电器在规定的压力下长时间潜水时,水应不进入壳内
补充:
NEMA 防护等级(IP等级)分类
NEMA是由美国制造商们组织起来的,是制定电气设备标准化产品技术规格的一个组织机构。
NEMA所制定的标准和测试方法被应用到了UL(担保人试验室)测定、认定电气密封箱的基本方针。
括号里面是指相应的IP等级
NEMA 1 在室内使用,能对相接触的设备和落下的一定量的灰尘进行防护(IP30)
2 在室内使用,能对落下的灰尘和水进行防护(IP31)
3 室外使用,能对风刮起的灰尘,雨和雪花等进行防护,在设备外壳上形成了冰块也不会损坏设备(IP64)
3R 室外使用,能对降落的雨和雪花等进行防护,在设备外壳上形成了冰块也不会损坏(IP32)
3S 室外使用,能对风刮起的灰尘,雨和雪花等进行防护,在设备外壳上形成了冰块时也能正常的开机工作
4 室内或室外使用,能对溅起的水花,风吹起的灰尘和管道口直接出水进行防护,在设备外壳上形成了冰块也不会损坏(IP66)
4X 室内或室外使用,能对溅起的水花,风吹起的灰尘和管道口直接出水进行防护,在设备外壳上形成了冰块也不会损坏,具备防腐蚀能力(IP66)
6 设备被很短时间内浸入有限深度处不会进水,在设备外壳上形成了冰块也不会损坏设备
6P 设备被长时间的浸入有限深度处不会进水
11 在室内的油品浸入防护,附带的设备具有防止腐蚀性液体和气体腐蚀的能力12,12K 在室内使用,被用来防护灰尘,落下的泥土和滴落的非腐蚀性液体(IP65)
13 在室内使用,用来防护灰尘和水、油、非腐蚀性的冷却液等的雾壮物(IP65)。