矿石边界品位
- 格式:doc
- 大小:22.00 KB
- 文档页数:1
铍矿石边界品位-概述说明以及解释1.引言1.1 概述铍矿石边界品位是指铍矿石中含有可利用的铍元素的最低含量。
铍是一种重要的稀有金属,具有良好的导电性、抗腐蚀性和机械性能,在电子、航空、能源等领域有广泛的应用。
因此,提高铍矿石的边界品位对于实现铍资源有效利用具有重要意义。
随着近年来对新能源和高科技产业的需求不断增加,铍矿石的开发和利用成为了矿业领域的研究热点。
然而,铍矿石通常存在于低品位、复杂的矿石中,其开采和提取成本高、技术难度大。
因此,准确了解和评估铍矿石的边界品位,对于有效规划和管理铍矿石资源具有重要意义。
本文旨在探讨铍矿石边界品位的定义及其特点,并分析铍矿石边界品位对矿石开发利用的意义。
通过对影响铍矿石边界品位的因素进行研究分析,希望能够为提高铍矿石的品位提供理论依据和技术支持。
最后,总结铍矿石边界品位的重要性,并展望对该领域的探索和研究方向,为铍矿石资源的高效利用提供参考和借鉴。
通过本文的研究和探讨,我们希望能够为矿业领域提供有关铍矿石边界品位的基础知识和技术,为铍矿石的开采、提取和利用提供科学依据,并推动铍矿石资源的可持续发展和利用。
文章结构部分的内容可以包括以下几个方面:1.2 文章结构本文主要分为引言、正文和结论三个部分。
引言部分概述了文章的主题和相关背景信息,介绍了铍矿石边界品位的重要性和研究的目的。
同时,引言部分还提供了本文的整体结构和内容安排。
正文部分包括了三个主要部分:铍矿石的定义和特点、铍矿石的边界品位的意义以及影响铍矿石边界品位的因素。
在2.1节中,会对铍矿石进行定义,并介绍其主要特点,如成分、形态、分布等。
通过对铍矿石的定义和特点的介绍,读者可以更好地理解本文后续内容。
在2.2节中,会深入探讨铍矿石边界品位的意义。
这部分将解释铍矿石边界品位对矿石开采、加工和利用的影响,以及对铍资源开发和利用的重要性。
在2.3节中,将详细分析影响铍矿石边界品位的因素。
这包括地质环境、矿石形成过程、矿床类型、开采技术等因素,并对它们对铍矿石边界品位的影响进行探讨。
边界品位
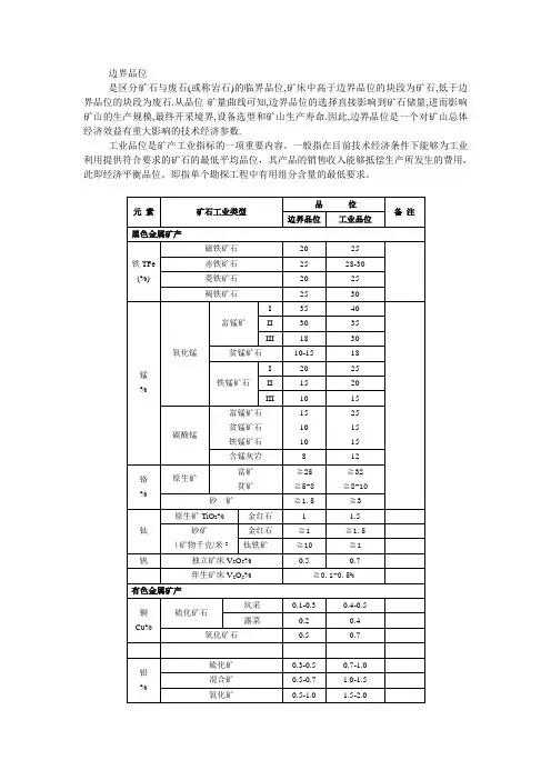
是区分矿石与废石(或称岩石)的临界品位,矿床中高于边界品位的块段为矿石,低于边界品位的块段为废石.从品位-矿量曲线可知,边界品位的选择直接影响到矿石储量,进而影响矿山的生产规模,最终开采境界,设备选型和矿山生产寿命.因此,边界品位是一个对矿山总体经济效益有重大影响的技术经济参数.
工业品位是矿产工业指标的一项重要内容。
一般指在目前技术经济条件下能够为工业利用提供符合要求的矿石的最低平均品位,其产品的销售收入能够抵偿生产所发生的费用,此即经济平衡品位。
即指单个勘探工程中有用组分含量的最低要求。
常有矿石工业品位及界限品位界限品位是矿产工业要求的一项内容,计算矿产储量的主要指标。
界限品位是区分矿石与废石 (或称岩石 )的临界品位,矿床中高于界限品位的块段为矿石,低于界限品位的块段为废石。
界限品位的选择直接影响到矿石储量,进而影响矿山的生产规模、最后开采境地、设备选型和矿山生产寿命。
因此,界限品位是一个对矿山整体经济效益有重要影响的技术经济参数。
矿石铜Cu硫化矿Pb 混杂矿氧化矿铅锌硫化矿Zn 混杂矿氧化矿铝土矿露采( Al 2 O3)坑采钨黑钨白钨有色金属砂钨钼镍锡镁白云岩矿菱镁矿锑汞硫化钴(及砷化钴)钴钴土矿铋平炉磁、赤、假想赤铁矿富矿褐、针铁矿高炉磁铁矿赤、假想赤铁矿褐、针铁矿富矿工业品位界限品位0.4% - 0.5% 0.20%0.7% - 1.0% 0.3% - 0.5%1.0% - 1.5% 0.5 - 0.7% 1.5% -2.0% 0.5 - 1.0%1.0% -2.0% 0.5% - 1.0%2.0% -3.0% 0.8% - 1.5%3.0% - 6.0% 1.5% - 2.0%≥55% ≥40%≥55% ≥40% 0.12% - 0.18% 0.08% - 0.1% 0.15% - 0.2% 0.1% -0.12%0.04% 0.02%0.06% - 0.08% 0.03% - 0.05% 0.3% - 0.5% 0.2% - 0.3% 0.2% - 0.4% 0.1% - 0.2%≥19%≥42% ~46%1.50% 0.70% 0.08% - 0.10% 0.04% 0.03% - 0.06% 0.02%0.50% 0.30%0.50% 0.20%55 5050 4550 4545 ~ 50 40 ~ 4540 ~ 45 35 ~ 40铁钛黑色金属钒锰富矿原生矿砂矿单独矿床氧化锰碳酸锰菱铁矿35 ~ 40 30 ~ 35自熔性矿石35 ~ 38 28 ~ 32磁铁矿25% 20%赤铁矿28% - 30% 20%菱铁矿25% 20%褐铁矿30% 20%金红石≥ 3~ 4% ≥ 2%钛铁石≥ 8 ~ 10% ≥ 5~ 6%金红石≥2kg/m 3 ≥ 1kg/m 3钛铁石≥ 15kg/m 3 ≥ 10kg/m 3V 2O 5 0.5 ~ 0.70%钒为伴生组分矿床≥0.1% -0.5%富矿≥ 30 ≥ 20 ~ 25贫矿≥ 20 ≥ 10 ~ 15富矿≥ 25 ≥ 15 ~ 20铬金名贵金属银轻稀土(铈族 ) 稀土重稀土(钇族)锶稀有金属钽贫矿≥ 10 ~15 ≥8铁锰矿≥ 10 ~15富矿≥ 32% ≥ 25% 原生矿贫矿≥ 8% - 10% ≥ 5- 8%砂矿≥ 3% ≥ 1.5%岩金 3 - 5g/t 1- 2g/t100 - 120g/t 40 - 50g/t含氟碳铈矿、独居石原生1% 0.50%镧、铈、镨、钕、矿钜、钐、铕独居石砂矿及风化壳300 ~ 500g/m 3 100 ~ 200g/m 3 钇、钆、铽、镝、含钇(磷钇矿、硅铍钇0.05 ~ 0.1%矿)伟晶岩、碳酸岩矿钬、铒、铥、镱、50 ~ 70g/m 3 30g/m 3镥磷钇矿砂矿及风化壳矿床Sr (天青石矿物)60% 40% Ta露天20 ~ 30g/ 米3 10 g/ 米3地下50 ~ 60 g/ 米3 20 ~ 25 g/ 米3。
钛铁矿边界品位
钛铁矿的边界品位是指矿石中含有钛铁矿物的质量百分比。
由于钛铁矿的边界品位对矿石的价值和开采可行性有着重要影响,因此对于钛铁矿矿床的勘探和开发来说,了解边界品位是非常关键的。
钛铁矿边界品位的具体数值是根据矿床中的钛铁矿物含量进行测定的。
钛铁矿主要指含有二氧化钛(TiO2)的矿石,例如金红石、钛铁矿等。
边界品位可以通过实地采样和化验分析来确定。
一般来说,较高的边界品位意味着矿石中含有更多的钛铁矿物,从而使得该矿床具有更高的经济价值和开采潜力。
然而,边界品位并不是唯一决定矿石价值的因素,还需要考虑矿石的总储量、开采成本、市场需求等。
需要注意的是,每个钛铁矿矿床的边界品位可能会有所不同,具体数值需要根据实际矿床的勘探和调查结果来确定。
此外,钛铁矿边界品位的评估也需要考虑相关的技术标准和行业规范。
边界品位的调整与低品位矿石资源的回收胡明清(江西铜业集团公司永帄铜矿 , 江西 铅山县 334506 )摘 要 :结合永帄铜矿的实践 ,介绍了利用矿业软件 、矿体模型结合市场行情和矿山情况 进行矿石边界品位调整的应用情况 ,探讨了露天采矿应用矿业软件结合矿体模型的应用 , 进行矿体分析并指导矿山生产 。
揭示矿业软件在矿山应用的优势和潜在效益 ,提高矿山 的长期综合效益 。
关键词 :矿体模型 ;低品位矿石 ;边界品位运营和稳定生产打下基础 。
虽然在调低矿石边界品 位后 ,矿山年产铜金属量会有所下降 ,但可以增加矿 山矿石储量和金属量 ,减少矿山剥离废石量 ,从而延 长矿山开采服务年限 ,使综合效益最大化 。
从技术角度来讲 ,适当地调整矿床工业指标可 使矿体圈联形态简单 ,更加符合矿化规律 ,表外矿分 布减少 ,有利于露天规模开采工作的展开 。
这样既 充分节约了资源 ,又提高了矿山长期综合经济效益 。
调整边界品位的不利影响主要是会造成矿石出 矿帄均品位下降 ,在年处理矿石量不变条件下 ,帄均 年产铜金属量将会有所下降 ,造成年度铜金属成本 升高 ,但是在铜价高扬时期 ,对年度利润水帄不致产 生负面影响 。
1 调整边界品位的影响因素目前 ,国内外市场铜价持续高位 ,而国内铜资源 越来越趋紧缺 。
众所周知 ,矿产资源是耗竭性的 、不 可再生的 ,是自然资源中使用价值相对较高的部分 。
如何合理利用矿产资源 ,发挥矿产资源的最大效益 , 是摆在矿山工程技术人员面前的一个重要课题 。
对于正在开采的矿山 ,如何根据市场行情及时 调整矿石边界品位 ,使矿山增加矿石储量 ,充分回收 低品位含铜矿石 ,延长矿山开采服务年限 ,提高综合 经济效益意义重大 。
影响边界品位调整的因素见图 1。
2 地质统计学与矿体模型1962 年 ,法国的 G ·M a the r on 提出的地质统计学 ,核心为应用随机函数和随机过程来探索和描述 自然现象 。
铜矿边界品位
铜矿边界品位是指铜矿石中含铜量较低的部分与含铜量较高的
部分的分界线。
矿石中含铜量较低的部分通常被称为难选矿或低品位矿,含铜量较高的部分则被称为易选矿或高品位矿。
铜矿边界品位的确定对于铜矿的开采和浓缩均有重要意义。
一般来说,铜矿边界品位越高,开采和浓缩的成本就越低,产量和回收率也就越高。
然而,较低的品位可以通过提高生产效率、改进技术和优化流程等措施来降低成本和提高回收率。
为了确定铜矿边界品位,通常需要进行大量的勘探和样品分析,以便确定矿床的成分和品位分布。
矿床的成分和品位分布通常会受到地质、地形、水文和气候等因素的影响,因此矿床的边界品位也可能会随时间和空间的变化而不同。
在铜矿的开采和浓缩过程中,需要根据铜矿边界品位的变化,对不同品位的矿石采用不同的工艺流程和设备,以保证最大限度地提高回收率和降低成本。
同时,还需要不断地改进技术和流程,以便更有效地利用铜矿资源。
- 1 -。
Cu、Pb、Zn、Au、Ag、W、Sn、Mo矿床一般工业指标
1、矿石质量指标
边界品位:是圈定矿体的单个样品有用组分含量的最低标准,是划分矿石与废石(包括非矿夹石)的分界品位。
最低工业品位:单工程中单矿层样品的最低平均品位要求,又称最低可采品位。
有害组分的最大允许含量:矿体在单工程样品中,对产品质量或对加工过程有不良影响组分的最大允许含量。
伴生有组分的综合利用指标:矿体中与主要有用组分相伴生的,在技术上可行、经济上合理,能被综合回收的其他有组分的最低含量标准。
米百分值:指最低工业品位和最低可采厚度的乘积。
当矿体厚度小于最小可采厚度,但品位较高时,可用该值衡量是否应当被圈为矿体。
当矿体厚度和品位的乘积大于该值时,可圈入矿体。
银等贵金属矿床中则称米·克/吨值,它和米百分值等同。
2、矿床开采技术指标
最低可采厚度:可供工业开采的矿体(矿层或矿脉)的最小真厚度值。
夹石剔除厚度:开采时难以剔除,被允许圈入矿体中的非矿部分的最大真厚度值,又称夹石最大允许真厚度。
3 铜矿床工业指标一般要求
4、铅锌矿床一般工业指标
5、岩金矿工业指标
6、银矿床一般工业指标
7、钨矿床一般参考工业指标
8、锡矿床一般参考工业指标
9、钼矿床一般工业指标
10、镍矿床一般工业指标
注:以上内容均来自单矿种资源勘查规范.。
矿石工业指标
矿石工业指标是随着国家经济政策、科学技术进步、矿床地质条件以及矿石需求程度而变化的。
这些指标主要包括最低工业品位、边界品位、最小可采厚度、最小米百分数、夹石剔除最小厚度、有害组分最大含量、矿石类型和品级划分标准等。
1.最低工业品位:是独立开采矿段有益组分平均含量的最低指标。
等于和大于最低工业品位的矿段
为表内工业矿量。
2.边界品位:是单个试样有益组分含量的最低指标,据此可以划分矿石和废石的界限。
品位分布不
均的矿床,按边界品位圈定的矿段,如其平均品位低于最低工业品位,则会被计入表外工业矿量。
3.最小可采厚度:符合最低工业品位矿体或矿段的真厚度的最低指标。
低于这个厚度即为表外矿量
或废石。
4.最小米百分数:用于脉状矿床开采,是矿脉真厚度与品位百分数的乘积的最低指标。
此外,矿石品位也是衡量矿床经济价值的主要指标,指单位体积或单位重量矿石中有用组分或有用矿物的含量。
矿石一般分为贫矿石、普通矿石和富矿石,有时仅分为贫矿石和富矿石。
以上内容仅供参考,矿石工业指标的具体设定可能会因各种因素而有所不同,建议咨询相关领域的专家获取更专业的信息。
铝矿的边界品位铝矿的边界品位是指铝矿石中所含铝的最低含量。
铝是一种重要的金属材料,在现代工业中有着广泛的应用。
铝矿是铝的主要原料,其品位的高低直接影响着铝的生产成本和质量。
铝矿的边界品位是一个重要的指标,它反映了铝矿石中所含铝的丰度。
边界品位越高,表示铝矿石中所含铝的含量越高,从而在生产过程中需要处理的废石量就越少,生产成本也就越低。
而边界品位低的铝矿石则需要经过更多的加工步骤和能源消耗才能提取出足够的铝,导致生产成本增加。
铝矿石的边界品位受到多种因素的影响。
首先,地质条件是影响边界品位的重要因素之一。
不同地区的地质构造和成岩作用会导致铝矿石中所含铝的丰度不同。
一些地区的铝矿石蕴藏量丰富,品位较高,而另一些地区则相对较低。
其次,开采技术和设备的水平也会对边界品位产生影响。
高效的开采技术和设备可以提高铝矿石的开采效率,减少废石的产生,从而提高边界品位。
一些先进的开采技术,如露天开采和地下开采,可以有效地提高边界品位。
此外,环境保护要求也会对边界品位产生影响。
随着环境保护意识的提高,对开采过程中废弃物处理和资源利用的要求也越来越高。
为了达到环保标准,一些开采企业会选择降低边界品位,减少废弃物的产生。
在实际生产中,为了降低成本和提高效益,企业通常会选择在边界品位合适的铝矿石区域进行开采。
通过对铝矿石进行测量和分析,企业可以确定边界品位,并根据实际情况进行开采规划。
总之,铝矿的边界品位是影响铝生产成本和质量的重要因素之一。
通过优化开采技术和设备,合理选择开采区域,以及满足环境保护要求,可以提高边界品位,降低生产成本,促进铝工业的可持续发展。
锂矿边界品位
锂矿边界品位是指锂矿石中锂含量的最低限度。
锂是一种重要的稀有金属,广泛应用于电池、电容、合金等领域。
随着电动汽车、可再生能源等新兴产业的发展,锂需求量逐年增长,而锂资源的开采和供给也成为全球矿产开发的热点话题。
目前,全球主要的锂矿物有云母石、斑晶石、蒙脱石等,其中最常见的是斑晶石。
不同矿种的锂含量不同,一般来说,锂矿边界品位在0.7%-1.2%之间。
如果锂含量低于这个范围,开采成本会大幅增加,不利于经济效益。
锂资源的开采面临的挑战主要有以下几个方面:一是锂资源分布不均,大部分锂资源集中在南美洲、澳大利亚等少数几个国家和地区,全球供给存在垄断现象;二是锂矿边界品位低,开采成本高;三是环保要求高,锂矿开采对环境造成的影响较大。
因此,要想提高全球锂资源的供给,需要采取多种措施,包括加强国际合作,促进锂矿开采技术的创新,提高资源利用效率等。
同时,还需要加强环保监管,遵守矿产资源开采的可持续性原则,实现经济效益与环境保护的平衡。
- 1 -。
锑边界品位
锑矿石的品位通常指的是矿石中所含锑的百分比,品位高低直接影响了矿石的开采和利用价值。
锑矿石品位可以根据含锑量的不同分为不同等级,一般用百分比(%)来表示。
不同的锑矿石含锑量差异较大,一些高品位的矿石品位可达到较高的数值,而低品位矿石的含锑量则相对较低。
一般来说,优质的锑矿石品位较高,含锑量在20%以上。
而普通的锑矿石品位在5%到20%之间。
低品位的锑矿石品位则在5%以下。
锑矿石品位的高低直接影响着矿石的开采成本和后续的提取加工过程,高品位的矿石一般提取成本相对较低,也更容易进行加工提炼,从而获得更多的金属锑。
低品位的矿石则可能需要更多的提炼工序,成本相对更高。
值得注意的是,锑矿石的品位只是一个参考数值,实际的开采和利用还需要考虑其他因素,比如矿体形状、地质条件、开采成本等因素,综合考虑才能确定最优的开采方案。
矿石边界品位
来源:中业矿业发布时间:2011年10月11日点击次数:1288
导读:一、黄金砂金,国家规定砂金矿边界品位0.05—0.07克/立方米,工业品位0.16—
0.18克/立方米;岩金,国家规定岩金矿边界品位l一2克/吨,工业品位3—5克/吨。
二、汞锑矿国...
一、黄金
砂金,国家规定砂金矿边界品位0.05—0.07克/立方米,工业品位0.16—0.18克/立方米;
岩金,国家规定岩金矿边界品位l一2克/吨,工业品位3—5克/吨。
二、汞锑矿国家规定锑矿边界品位0.7%,工业品位1.5%。
三、铅锌矿国家规定锌矿边界品位0.5%—1.0%,工业品位1—2%;铅矿边界品位0.3%—0.5%,工业品位0.7—l.0%。
四、铜矿国家规定铜矿边界品位0.2—0.3%,工业品位0.4—0.5%。
五、锰矿国家规定锰矿边界品位15—20%,工业品位25%。
六、重晶石国家规定重晶石矿边界品位30%,工业品位50%。
七、毒重石矿国家规定毒重石矿边界品位30%,工业品位50%。