梁场安全风险告知书
- 格式:doc
- 大小:31.50 KB
- 文档页数:3
梁板架设从业人员安全风险告知书尊敬的梁板架设从业人员:您好!在您投身于梁板架设行业之前,我们认为有必要向您介绍一些与该行业相关的安全风险。
梁板架设是一个高风险的行业,需要您具备一定的专业知识和技能。
为了确保您的安全健康,我们希望您详细阅读以下的安全风险告知书。
首先,梁板架设行业在工作环境方面存在一定的安全风险。
您可能需要在高处作业,例如在梁板上进行安装、维修和拆除工作。
由于工作高度较大,存在高空坠落的风险。
因此,您需要在高处作业时始终保持安全意识,正确使用安全带和安全绳等安全防护设备。
在进行高空作业时,请务必使用合适的安全网和防护栏杆,确保自身和他人的安全。
其次,梁板架设行业还存在一些危险因素,如天气条件、施工材料和机械设备等。
恶劣的天气条件,如强风、暴雨或雷电等,会增加梁板架设的危险性。
在这些情况下,您需要根据现场的具体情况做出相应的应对措施,避免发生意外事故。
此外,施工材料和机械设备的质量和安全性也是您需要关注的问题。
在使用和操作这些材料和设备时,请务必按照相关规定和操作说明进行,避免不当使用导致的伤害。
另外,梁板架设行业对身体素质和体力要求较高。
您可能需要长时间站立、搬运重物和进行体力劳动。
长时间的体力劳动可能导致疲劳和肌肉损伤等问题。
因此,您需要保持适当的体力训练和良好的体能状况,确保能够胜任相关工作。
此外,您还需要时刻保持专注和集中注意力,避免疏忽和错误,减少意外事故的发生。
最后,我们还需要提醒您注意相关法律法规和标准。
梁板架设行业涉及到的工程建设和安全标准是需要遵守的。
您需要了解并遵守相关法律法规,确保在工作中不违反相关规定,保护自身的合法权益和工作环境的安全。
总之,梁板架设行业存在一定的安全风险,需要您具备一定的专业知识、技能和安全意识。
我们希望您在投身于梁板架设行业之前,仔细考虑并充分了解这些风险,并做好相应的准备和防范措施。
只有保护好自身的安全健康,才能够更好地完成工作任务。
非常感谢您的合作和支持!祝您工作顺利,身体健康!梁板架设从业人员安全风险告知书(二)尊敬的梁板架设从业人员:为了确保您的人身安全和身体健康,特向您说明梁板架设工作中存在的安全风险,并告知您相关的安全措施和注意事项。
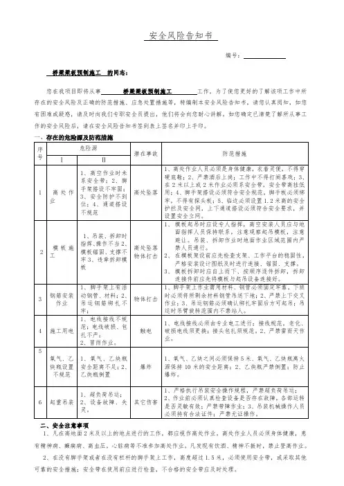
安全风险告知书编号:桥梁梁板预制施工的同志:您在我项目即将从事桥梁梁板预制施工工作,为了使您更好的了解该项工作中所存在的安全风险及正确的防范措施、应急处置措施等,特编制本安全风险告知书,请您认真阅知,如您有困难或疑惑,请及时向我们专职安全员提出,他们将会向您耐心讲解。
如您确定已清楚了解所从事工作的安全风险后,请在安全风险告知书签到表上签名并印上手印。
一、存在的危险源及防范措施二、安全注意事项1、凡在高地面2米及以上的地点进行的工作,都应视作高处作业。
高处作业人员必须身体健康,患有精神病、癫痫病、高血压,心脏病等不准参加高处作业。
凡发现有饮酒、精神不振时,禁止登高作业。
2、在没有脚手架或者在没有栏杆的脚手架上工作,高度超过1.5米,必须使用安全带,或采取其他可靠的安全措施;安全带在使用前应进行检查,不合格的安全带应及时处理。
3、高处工作应一律使用工具袋。
较大的工具应用绳拴在牢固的构件上,不准随便乱放,以防止从高空坠落发生事故。
4、上下层同时进行工作时,中间必须搭设严密牢固的防护隔板,罩棚或其他隔离设施,工作人员必须戴安全帽。
在进行高处工作时,除有关人员处,不准他人在工作地点的下面行走或逗留。
四、从业人员的权利和义务1、享有的权利⑴享受工伤保险待遇和人身伤害索赔权;⑵危险因素和应急措施的知情权;⑶安全管理的批评、检举、控告权;⑷拒绝违章指挥和强令冒险作业权;⑸危险情况下的停止作业和紧急撤离权;⑹获得符合国家标准和行业标准的劳动防护用品权;⑺获得安全生产教育和培训的权利;⑻对本单位安全生产工作的建议权。
2、应遵守的义务⑴自律遵规的义务,即从业人员在作业过程中,应当遵守本单位的安全生产规章制度和操作规程,服从管理,正确佩戴和使用劳动防护用品;⑵自觉学习安全生产知识的义务,要求掌握本职工作所需的安全生产知识,提高安全生产技能,增强事故预防和应急处理能力;⑶危险报告义务,即发现事故隐患或者其它不安全因素时,应当立即向现场安全生产管理人员或者本单位负责人报告。
从业人员安全风险告知书致先生:您在我项目即将从事梁板预制、吊装、架设施工工作,为了使您更好的了解该项工作中所存在的安全风险及正确的防范措施、应急处置措施等,特编制本安全风险告知书,请您认真阅知,如您有困难或疑惑,请及时向我们专职安全员提出,他们将会向您耐心讲解。
如您确定已清楚了解所从事工作的安全风险后,请在下方签上您的大名并盖上手印。
安全风险告知一、存在的危险源及防范措施二、安全注意事项1、患有高血压、心脏病、癫痫病、贫血病等高处作业禁忌症的人员,不得从事高处作业。
严禁酒后登高作业。
2、架桥机拼装后应进行吊重试吊运行,也可用混凝土梁试吊后,架桥机再运行到位开始安装作业。
架桥机移位前要做好一切准备工作,要求一次到位,不允许中途停顿。
3、在架桥机纵移或横移轨道两端,必须设置挡铁。
架桥机天车携带混凝土梁纵向运行时,前支腿部位要求用手拉葫芦(5t)与横移轨道拉紧固定,加强稳定性。
4、架桥机天车空车运行或停放时吊钩高度不得低于2米。
5、悬臂纵移时,上部两天车必须后退,前天车退至后支腿处;后天车退至后支腿和后顶高支腿中间。
中顶高支腿顶高时,前天车必须退至前支腿处;后天车必须退至后支腿处。
前支腿或后顶高支腿顶高时,两天车必须退至中腿附近。
前支腿顶高就位后,必须采用专用夹具将顶高行程段锁紧,以免千斤顶长时间受力。
6、架桥机吊装作业时,要经常注意安全检查,每安装一跨必须进行一次全面安全检查,发现问题要停止工作并及时处理后才能继续作业。
不允许机械电气带故障工作。
对架桥机设备、起吊钢绳、电力系统、液压系统、千斤顶等重要部位按规定进行保养、检查,使架桥机处于良好工作状态。
7、正确佩戴个人防护用品。
安全带应高挂低用,挂在牢固的结构上。
8、高处作业时,应配备工具袋,防止各种工具、零件、物料等坠落伤害他人。
四、从业人员的权利和义务1、享有的权利⑴享受工伤保险待遇和人身伤害索赔权;⑵危险因素和应急措施的知情权;⑶安全管理的批评、检举、控告权;⑷拒绝违章指挥和强令冒险作业权;⑸危险情况下的停止作业和紧急撤离权;⑹获得符合国家标准和行业标准的劳动防护用品权;⑺获得安全生产教育和培训的权利;⑻对本单位安全生产工作的建议权。
桥梁工程施工风险告知书全套
背景
在桥梁工程施工过程中,存在着各种各样的风险和隐患。
为了让施工方和参与方都能够了解并避免这些风险,本文档就桥梁工程施工风险进行了详细的说明和告知。
施工风险
在桥梁工程施工中,存在以下风险和隐患:
- 人员伤亡:包括高处坠落、被机械碾压等危险操作所带来的伤害风险。
- 环境风险:施工过程中可能会给周边环境带来噪音、污染等方面的风险和影响。
- 质量风险:施工材料、工艺等的质量问题会直接影响最终桥梁的品质和使用寿命。
- 进度风险:施工期间的天气、物流等会对施工进度带来不利影响,从而影响工程的交付时间和效益。
风险应对
为了有效应对桥梁工程的风险和隐患,我们做出了以下应对措施:
- 人员伤亡风险应对:加强施工安全意识培养与培训,鼓励安全施工及公开透明的安全操作流程。
- 环境风险应对:在施工前进行环境评估,并采取相应的防控措施,减少对周边环境的影响。
- 质量风险应对:开展前期验收工作,加强对工程的监督和检查,确保所使用的材料符合标准和要求。
- 进度风险应对:合理规划施工计划,制定应对恶劣天气的措施,提前做好物流准备等。
总结
本文档详细介绍了桥梁工程施工中存在的风险和隐患,以及应对策略,能够有效避免或应对施工过程中的风险事件。
我们希望所
有参与方都能够重视施工安全和质量问题,共同努力打造出高品质的桥梁工程。
2024年梁板架设从业人员安全风险告知书范文施工作业过程中所处位置:编号:亲爱的先生/女士:您在我项目即将从事梁板架设工作,为了使您更好的了解该项工作中所存在的安全风险及正确的防范措施、应急处置措施等,特编制本安全风险告知书,请您认真阅知,如您有困难或疑惑,请及时向我们专职安全员提出,他们将会向您耐心讲解。
如您确定已清楚了解所从事工作的安全风险后,请在下方签上您的大名并盖上手印。
安全风险告知一、存在的危险源及防范措施序号危险源潜在事故防范措施ⅠⅡ1架桥机违章作业违章指挥起重伤害非架桥机操作人员严禁控制桥机;起吊前应经过试吊可靠后方能作业;桥机停止工作应断电,将桥机锚定;架桥机每次起动之前必须发布示警信号,并设专人指挥。
架桥机移位时,应严格按照规定操作。
2起吊梁板违章作业物体打击吊运时应平稳起落;提升T梁时,不得同时提升或下落,一端提升时另一端应支稳、撑牢,起吊构件应绑扎牢固;禁止在构件上堆放物件。
不得超负荷运行,不得斜吊提升作业。
3高处使用的工具、零件放置不当人员不当行为物体打击在桥下设立警示标志牌。
高处作业平台上工具、零件不得随意堆放、散落,有条件时应设立工具箱、零件箱,不得向下抛扔工具、零件。
人员在平台移动时不得踢踏工具、零件。
4高处作业人员防护不当人员不当行为高处坠落机械伤害注意作业场所环境,特别是临边处,应系安全带,听从指挥人员指挥;注意避让移动机车、梁板;严禁通过非专业通道跨越临空区;雨雪天应有可靠防滑、防寒措施,遇6级以上大风,浓雾等恶劣气候不得进行高处作业。
二、安全注意事项1、患有高血压、心脏病、癫痫病、贫血病等高处作业禁忌症的人员,不得从事高处作业。
严禁酒后登高作业。
2、架桥机拼装后应进行吊重试吊运行,也可用混凝土梁试吊后,架桥机再运行到位开始安装作业。
架桥机移位前要做好一切准备工作,要求一次到位,不允许中途停顿。
3、在架桥机纵移或横移轨道两端,必须设置挡铁。
架桥机天车携带混凝土梁纵向运行时,前支腿部位要求用手拉葫芦(5t)与横移轨道拉紧固定,加强稳定性。
2023年梁板架设从业人员安全风险告知书尊敬的梁板架设从业人员:为了确保您在工作中的安全,提高您对梁板架设从业人员安全风险的认识,特向您发出此份告知书。
请您仔细阅读,并严格遵守相关规定。
一、梁板架设从业人员安全风险的认知1.1 工作环境风险:在从事梁板架设工作时,您会面临各种工作环境风险,如高空作业、狭窄空间、恶劣天气等,这些因素可能造成意外伤害甚至生命危险。
1.2 工作设备风险:在使用梁板架设相关设备时,如吊篮、脚手架等,需特别注意设备的安装、使用和维护,以免发生设备损坏、失控等意外。
1.3 工作操作风险:在梁板架设过程中,需要进行吊装、拆除、搬运等一系列操作,这些工作环节需要精确的动作和操作技巧,一旦操作不当,可能导致物体坠落、人员跌落等事故。
1.4 工作协作风险:梁板架设工作通常需要多人合作完成,所以工作协调和沟通是非常重要的,不良的协作和沟通可能导致工作中的安全事故。
二、安全风险防范措施2.1 使用个人防护装备:在梁板架设工作中,务必佩戴符合标准的个人防护装备,包括头盔、安全带、防滑鞋、防护手套等,以确保您在高空工作时的安全。
2.2 安全培训与技能提升:定期参加关于梁板架设工作安全的培训,提升自己的安全意识和技能水平,了解相关法律法规和操作规程,保持学习和更新知识的习惯。
2.3 安全检查与维护:在工作前、工作中和工作后,对所使用的设备进行安全检查和维护,确保设备的正常运行和安全使用,同时定期进行设备的维护保养,避免设备故障导致事故。
2.4 协作与沟通:与其他从业人员建立良好的工作协作和沟通,确保工作中的安全,并及时互相提醒和纠正不良行为,共同维护工作现场的整体安全。
三、紧急事故应急响应3.1 紧急避险与逃生:在遇到紧急情况时,要能够迅速寻找安全避险地点,并按照预定的逃生路线有序撤离,避免发生踩踏等意外。
3.2 紧急救援与急救:在事故发生后,要及时拨打应急电话,向相关部门求助,并与其他从业人员共同进行紧急救援和急救操作,尽量减少伤害。
施工安全风险告知书尊敬的桥梁下部上部施工人员:为了确保桥梁下部上部施工的顺利进行,并为施工人员的安全提供保障,特向各位施工人员提供施工安全风险告知书。
请每位施工人员仔细阅读并遵守以下安全事项,以确保您的健康和安全。
1.个人防护装备:施工过程中,每位施工人员必须配备适当的个人防护装备,如安全帽、安全鞋、安全手套、护目镜等。
个人防护装备的使用是防止意外伤害的基本要求,请务必佩戴。
2.施工现场管理:在施工现场,必须遵守现场管理规定,包括但不限于以下内容:- 请按照施工图纸和相关标准进行施工,严禁擅自更改施工方案,确保施工质量和安全。
- 施工过程中请遵守现场指挥人员的指示和命令,确保指挥的统一性和协调性。
- 严禁在没有相关许可的情况下进入或靠近施工现场,确保施工区域的安全。
3.高空作业风险控制:在进行高空作业时,施工人员必须严格遵守以下安全规定:- 在进行高空作业前,须进行相关安全培训,了解高空作业的风险和安全措施。
- 严禁在无安全保护措施的情况下进行高空作业,如扣上安全带、使用工作架等。
- 在高空作业过程中,不能随意放置工具和材料,以防止掉落伤人或损坏设备。
4.机械设备操作安全:在使用机械设备时,请严格按照以下安全操作规定进行操作:- 机械设备操作人员必须持有相关证书和资质,确保具备操作所需的技能和经验。
- 在操作机械设备前,必须检查设备是否正常运行,并确保设备有足够的稳定性。
- 在操作机械设备过程中,请遵循操作手册和相关安全规定,禁止超负荷操作。
5.爆破作业安全:在进行爆破作业时,请严格遵守以下安全规定:- 爆破作业必须由具备专业资质的人员进行,并且必须符合相关法律法规的规定。
- 在进行爆破作业前,必须制定详细的爆破方案,并严格按照方案执行,确保作业安全。
- 在爆破作业现场,请远离作业区域,并确保周围人员和设备的安全。
以上安全事项仅为桥梁下部上部施工的基本安全规定,具体工程还需根据实际情况进行详细的风险评估和安全措施制定。
梁板架设从业人员安全风险告知书范文尊敬的梁板架设从业人员:为了保障您的安全,我们向您提供以下安全风险告知书。
请您仔细阅读并遵守相关安全规定,以确保您在工作过程中的安全。
一、上岗前的安全准备在进行梁板架设工作之前,您需要进行必要的安全准备工作。
这包括:1. 熟悉工作环境:了解工作地点的地形、地势、通风情况等信息,以便根据具体情况选择安全措施和工作方法。
2. 对工作器具的检查和维护:确认所使用的工作器具符合标准要求,没有损坏或缺陷,并经过合适的维护保养。
3. 工作装备的准备:穿戴工作服和劳动防护用品(如安全帽、防护鞋、手套等),并确保其正常使用和适合自身尺寸。
对于高处作业,必须佩戴安全带和其他必要的防护设备。
二、高处作业的安全风险1. 高处坠落风险:梁板架设工作常常需要在高处进行,存在坠落风险。
请您严格按照操作规程和指导进行作业,确保安全带正确佩戴并正确连接到安全锚点,确保接受适当的训练和熟练掌握作业技巧。
2. 高处作业器具故障风险:高处作业所使用的脚手架、梯子等设备可能存在故障风险。
在作业前,您需要仔细检查这些设备的状态,确保其稳固可靠,并在使用过程中及时进行维护保养。
三、施工现场的安全风险1. 坍塌风险:在进行梁板架设过程中,建筑物结构和支撑稳定性可能存在风险。
请您在施工前,进行相关结构和地基的评估,并确保所使用的材料和设备符合质量标准。
2. 材料堆放风险:施工现场上堆放的横梁、脚手架、板材等材料存在滑倒和砸伤的风险。
请您合理安排材料堆放位置,保持施工现场的整洁,确保材料的稳定和固定。
四、恶劣天气及环境的安全风险1. 雨天作业风险:雨天梁板架设工作存在滑倒和摔落的风险,请您根据雨天的实际情况,采取安全防护措施,如采用防滑鞋底、增加抓地力等。
2. 强风风险:强风天气下进行梁板架设工作存在被风吹倒的风险。
请您及时关注天气预报,在强风天气到来时及时停工,并采取必要的防护措施。
五、紧急情况的应急处理在工作过程中,如果发生紧急情况(如火灾、地震等),您需要迅速冷静应对,采取适当的紧急处理措施。
从业人员安全风险告知书编号:SGJ-XYH-亲爱的箱梁架设队伍员工:您在我项目即将从事箱梁架桥机安装法施工工作,为了使您更好的了解该项工作中所存在的安全风险及正确的防范措施、应急处置措施等,特编制本安全风险告知书,请您认真阅知,如您有困难或疑惑,请及时向我们专职安全员提出,他们将会向您耐心讲解。
如您确定已清楚了解所从事工作的安全风险后,请在下方签上您的姓名并印上手印。
安全风险告知一、存在的危险源及防范措施二、安全注意事项1、患有高血压、心脏病、癫痫病、贫血病等高处作业禁忌症的人员,不得从事高处作业。
严禁酒后登高作业。
2、架桥机拼装后应进行吊重试吊运行,也可用混凝土梁试吊后,架桥机再运行到位开始安装作业。
架桥机移位前要做好一切准备工作,要求一次到位,不允许中途停顿。
3、在架桥机纵移或横移轨道两端,必须设置挡铁。
架桥机天车携带混凝土梁纵向运行时,前支腿部位要求用手拉葫芦(5t)与横移轨道拉紧固定,加强稳定性.4、架桥机天车空车运行或停放时吊钩高度不得低于2米.5、架桥机吊装作业时,要经常注意安全检查,每安装一跨必须进行一次全面安全检查,发现问题要停止工作并及时处理后才能继续作业。
不允许机械电气带故障工作。
对架桥机设备、起吊钢绳、电力系统、液压系统、千斤顶等重要部位按规定进行保养、检查,使架桥机处于良好工作状态。
6、正确佩戴个人防护用品。
安全带应高挂低用,挂在牢固的结构上。
7、高处作业时,应配备工具袋,防止各种工具、零件、物料等坠落伤害他人。
三、潜在突发安全事故及应急措施现场专业工程师及联系电话:专职安全员及联系电话:四、从业人员的权利和义务1、享有的权利⑴享受工伤保险待遇和人身伤害索赔权;⑵危险因素和应急措施的知情权;⑶安全管理的批评、检举、控告权;⑷拒绝违章指挥和强令冒险作业权;⑸危险情况下的停止作业和紧急撤离权;⑹获得符合国家标准和行业标准的劳动防护用品权;⑺获得安全生产教育和培训的权利;⑻对本单位安全生产工作的建议权。
安全风险告知书(钢箱梁拼装)各参建人员:你即将进入本工程从事钢箱梁拼装工作,为了使你更好的了解该项工作中所有存在的安全风险及正确的防范措施、应急处置措施等,特编写本安全告知书,请你认真阅读并学习,如有困难或疑虑,请及时向我们专职安全员提出,他们将会向你耐心讲解,如你确定已清楚了解从事工作的安全风险并已掌握基本安全防范措施及应急处置措施后,请在下方签认。
一、从业人员的权利和义务1、从业人员的人身保障权利①获得安全保障、工伤保险和民事赔偿的权利;②得知危险因素、防范措施和事故应急措施的权利;③对本单位安全生产的批评、检举和控告的权利;④拒绝违章指挥和强令冒险作业的权利;⑤紧急情况下停止作业和紧急撤离的权利。
2、从业人员的安全生产义务①遵章守法、服从管理的义务;②正确佩戴和使用劳动防护用品的义务;③接受安全培训,掌握安全生产技能的义务④发现事故隐患或者说其它不安全因素及时报告的义务。
二、存在的危险源三、安全注意事项为保证施工人员安全,施工人员必须遵守安全生产规章制度和安全纪律,严格按操作规程作业,正确佩戴劳动防护用品,杜绝违章指挥和违章作业。
若在现场发现安全隐患及时报告带班人员或安全部。
若发生事故拨打如下电话:(1)应急联系人:电话:(2)应急救援联系电话:公安:110 医院急救:120 火警消防:119五、告知签认本人已清楚了解所从事工作的安全风险及正确的防范措施、应急处置措施等,愿意承担此风险,并承诺遵守安全生产规章制度和安全纪律,严格按操作规程作业,正确佩戴劳动防护用品,杜绝违章指挥和违章作业,做到“四不伤害”(我不伤害自己、我不伤害他人、我不被他人伤害和我保护他人不受伤害)。
告知人签名:被告知人签名:日期:日期:。
梁板架设从业人员安全风险告知书尊敬的梁板架设从业人员:您好!在您从事梁板架设工作之前,为了确保您的安全和健康,我们向您提供此安全风险告知书,请仔细阅读并遵守以下内容。
1. 工作风险梁板架设属于高空作业,存在一定的工作风险。
您需要在高处操作,可能面临坠落、滑倒、电击、刺伤等危险。
因此,请务必遵守相关操作规程和安全标准,确保个人安全。
2. 安全防护在梁板架设期间,您需要正确佩戴安全帽、安全带、防护鞋等个人防护装备。
同时,您还需要使用工具、设备和材料时要保持其完好,确保其安全性能,并定期维护和检修。
3. 工作环境梁板架设工作通常在户外进行,可能受到自然环境的影响。
您需要做好针对天气、温度、光照等因素的防范工作,确保工作环境安全。
4. 培训与指导在进行梁板架设工作之前,您必须经过相关的安全培训,并具备相应的技能和知识。
请务必遵守培训规程和相关操作规定,在工作中遵循安全操作程序。
5. 紧急救援措施在梁板架设过程中,如果遇到突发状况,如事故、紧急情况等,您需要及时采取相应的救援措施,并向相关负责人和应急部门汇报,确保得到及时救助。
6. 健康保护由于梁板架设工作通常在高处进行,您可能长时间处于高空环境中。
请注意保护好眼睛、皮肤和呼吸系统,避免暴露于有害物质和污染的环境中。
7. 安全意识和责任作为从业人员,您需要时刻保持高度的安全意识,要有责任心和团队意识。
在工作中,您需要积极参与安全检查和风险评估,并提出改进建议,确保工作环境的安全。
在梁板架设工作中,我们将严格按照相关法律法规和规章制度,确保您的人身安全和劳动权益。
但是,作为从业人员,您也要充分意识到工作风险和责任,积极参与安全管理工作。
最后,我们重申梁板架设从业人员的安全风险告知书,请您仔细阅读并遵守以上内容,做到安全第一,保护好自己和他人的生命安全。
如有任何问题,请随时向相关负责人或安全管理人员咨询。
祝您工作顺利!此致敬礼。
梁板架设从业人员安全风险告知书尊敬的梁板架设从业人员:为了保障您的安全和健康,特向您提供本安全风险告知书。
在您从事梁板架设工作之前,请详细阅读并严格遵守以下内容。
一、工作环境安全风险1.1 高空作业风险梁板架设工作通常需要在高处进行,如搭设和拆除脚手架、安装和调整梁板等。
由于工作环境的特殊性,高空作业存在坠落、滑倒或者踩空等危险。
因此,您需要严格按照操作规程进行操作,正确佩戴安全带和安全帽,并确保梁板架设结构的牢固稳定。
1.2 物体打击风险在进行梁板架设过程中,可能存在物体从高处掉落的风险。
这些物体可能是建筑材料、工具设备或其他杂物。
因此,您需要在工作区域周围设置防护网、警示标识以及落地防护措施,以防止物体打击伤害。
1.3 环境污染风险梁板架设工作中,可能面临噪音、灰尘、有害气体等环境污染。
这些污染物可能对您的健康造成影响,如喉咙疼痛、呼吸困难等。
为此,请您佩戴适当的防护用品,如防尘口罩、耳塞等,以减少环境污染带来的危害。
二、操作工具和设备安全风险2.1 工具损坏或失效在梁板架设工作中,您可能会使用吊篮、脚手架、千斤顶等工具和设备。
然而,这些工具和设备存在损坏或失效的风险,可能导致意外事故的发生。
因此,在使用前,请仔细检查工具和设备是否完好,并严格按照操作规范进行使用。
2.2 不当操作引发事故如果您不按照正确的操作方法来使用工具和设备,将会引发安全事故。
因此,在使用工具和设备之前,请详细阅读相关的说明书,并接受专业培训,以确保您能正确操作并使用这些工具和设备。
三、个人防护与安全意识3.1 缺乏紧急避险意识面对意外事故,尤其是高空作业中的紧急情况,如果个人缺乏紧急避险意识,将会增加事故的发生几率和严重程度。
因此,您需要定期参加安全培训,提高紧急避险意识和应急处置能力,以确保能在危急时刻做出正确的决策和行动。
3.2 忽视个人防护个人防护装备的使用对于保障工作人员的安全至关重要。
然而,一些工作人员可能会忽视个人防护的重要性,不佩戴安全帽、防护眼镜等防护装备。
梁板架设从业人员安全风险告知书尊敬的梁板架设从业人员:为加强对梁板架设从业人员的安全风险告知,保障大家的人身安全和健康,我公司根据相关法规和规范制定了以下告知书,请仔细阅读并遵守。
1.工作环境安全:在进行梁板架设工作前,请先确保工作环境的安全性。
检查梁板架设区域的地面是否平整,有没有致伤物品,是否存在危险气体等。
同时,还需要检查梁板架设区域是否有良好的通风条件,以保证呼吸空气的质量。
2.个人防护措施:在进行梁板架设工作时,必须佩戴相关的个人防护用品,如安全帽、防护鞋、防护手套、防护眼镜等。
这些防护用品能有效地减少事故发生时对人身的伤害。
3.梁板架设危险源:在进行梁板架设工作时,需要特别注意一些潜在的危险源,如悬挂装置是否稳定,操作工具是否使用正确,梁板是否有裂缝或者变形现象等。
在发现潜在危险时,应立即采取相应的措施,以确保自身的安全。
4.高空作业安全:梁板架设工作通常需要在高空进行,所以高空作业的安全是非常重要的。
在进行高空作业时,请务必系好安全带,并正确使用安全绳,确保自身的防护。
同时,还需要评估高度和重心的平衡,避免过度倾斜造成不稳定。
5.交通安全:梁板架设工作通常需要从一个地点到另一个地点进行梁板运输,所以交通安全也是重中之重。
在进行梁板运输时,必须按照相关的交通规则,保持车辆的安全驾驶。
6.气象条件:梁板架设工作容易受到气象条件的影响。
在不利的气象条件下,如大风、雷电等天气情况下,必须停止梁板架设工作,以确保大家的安全。
7.应急措施:在梁板架设工作中,如果发生意外事故,应立即采取应急措施,并通知现场负责人。
同时,工作人员应具备相应的急救知识和技能,能够在紧急情况下提供有效的救助。
8.合理使用工具设备:在进行梁板架设工作时,应严格按照工具和设备的使用说明进行操作,并确保工具和设备的正常使用状态。
如发现工具或设备出现故障或损坏时,应及时报告维修或更换。
9.安全培训:梁板架设从业人员应接受必要的安全培训,在掌握相关安全知识和技能后方可从事相关工作。
T梁预制从业人员安全风险告知书:你在我项目部即将从事T梁预制工作,为了使你更好的了解该项工作中所有存在的安全风险及正确的防范措施、应急处置措施等,特编制本安全告知书,请你认真阅读,如有困难或疑虑,请及时向我们专职安全员提出,他们将会向你耐心讲解,如你确定已清楚了解从事工作的安全风险后,请在下方签上你的大名。
一、各工序施工主要危险存在的风险:坍塌、触电、高处坠落、物体打击、起重伤害二、安全预控措施1、现场应配备爬梯,使施工人员上下方便,便于预制梁施工、检查。
2、不得随意抛掷施工用具。
3、应严格按规定期限和程序拆卸模板,不得野蛮拆卸模板。
4、张拉平台及施工架应搭设结实牢固,在油泵运转不正常的情况下,应立即停止,进行检查。
在有压情况下,不得随意拧动油泵或千斤顶各部位的螺栓。
5、油管和千斤顶油嘴连接时应擦拭干净,防止砂砾堵管,新油管应检查有无裂紋、接头是否牢靠,高压油管接头应加防护套,以防喷油伤人。
6、千斤顶带压工作时,正面不能站人,不得拆卸液压系统中任何部件。
压浆泵使用应严格按安全操作规程进行。
7、每次压浆机停止时,应及时清洗泵及管道,防止下次使用堵管。
8、已张拉完而尚未压浆的梁,不得剧烈振动,防止预应力筋断裂而酿成事故。
9、梁片存放时应用方木支撑到位,斜撑应设于翼板根部,不得撑于翼板外缘,或使用特制的钢支撑架,防止倾覆,梁片堆放高度不应超过两层。
10、龙门吊司机必须严格按照操作规程操作,严禁违章作业、违章指挥。
11、龙门吊必须报相关部门检验合格后方可使用。
12、现场用电必须符合安全用电标准。
用电作业时要先查看周围环境能否因飞溅出的火花或其他器械造成火灾事故或其他伤人事故。
三、从业人员的人身保障权利1、获得安全保障、工伤保险和民事赔偿的权利;2、得知危险因素、防范措施和事故应急措施的权利;3、对本单位安全生产的批评、检举的权利;4、拒绝违章指挥和强令冒险作业的权利;5、紧急情况下的停止作业和紧急撤离的权利四、从业人员的安全生产义务1、遵章守法、服从管理的义务;2、正确佩戴和使用劳动防护用品的义务;3、接受安全培训,掌握安全生产技能的义务;4、发现事故隐患或者说其它不安全因素及时报告的义务。
梁板架设从业人员安全风险告知书模版尊敬的梁板架设从业人员:为了保障您的人身安全和健康,提醒您在进行梁板架设作业之前必须了解和认识到相关的安全风险,并严格按照相关的安全操作规范进行作业。
现将梁板架设从业人员的安全风险告知如下:一、高空作业风险梁板架设工作常常需要在高空进行,高空作业风险较大,极易造成人员坠落、受伤甚至致死事故。
这是由于梁板架设过程中使用的脚手架、吊篮等设备稳定性差、架设质量不合格、操作不当等原因引起的。
因此,在进行高空作业时,务必要提高自身的安全意识,严格遵守相关的操作规范,确保安全用具的稳定性、承重能力,并采取一切有效措施防止坠落事故的发生。
二、电器安全风险梁板架设作业中常常需要使用电器设备,包括电焊机、钻孔机、电锤等。
这些设备若使用不当,将会给作业人员带来极大的电击风险。
因此,在使用电器设备之前,务必要对设备进行全面检查,确保设备正常工作,同时要严格按照操作规范进行操作,避免因操作不当引起的电击事故。
三、物体落下风险梁板架设作业中,常常需要进行各种物体的提升和搬运,这其中包括各种材料、工具等。
如果操作不当,这些物体可能会从高空中落下,给作业人员带来伤害甚至生命危险。
因此,在进行搬运作业时,务必要提高警觉,遵守操作规范,使用稳固的吊具,并采取有效措施防止物体的意外落下。
四、施工现场安全风险梁板架设作业往往需要在复杂多变的施工现场进行,施工现场一般存在各种危险因素,如高空坠落、物体滚落、电气触电、施工区域狭窄等。
因此,在进入施工现场之前,务必要对现场进行全面的风险评估,遵守现场的安全操作规范,并采取一切有效措施保障自身的安全。
五、人员违章操作风险梁板架设作业中,人员的违章操作是引发事故的一大因素。
违章操作包括不佩戴安全帽、不佩戴安全带、超负荷作业、使用劣质工具等。
因此,梁板架设从业人员务必要严格遵守相关的作业规范,不得违反安全操作规程,确保作业过程中安全措施的有效使用。
以上仅是梁板架设从业人员常见的安全风险,具体的安全风险因不同工地、不同作业情况而异,您要随时关注和识别身边的安全风险,并采取相应的防范措施。
施工人员安全风险告知书
XX高速公路第X合同段项目部
你在我项目从事箱梁预制工作,为了使您更好的了解该项工作中所存在的安全风险及正确的防范措施、应急处置措施等,特编制次安全风险告知书,请您认真阅知,如您有困难或疑惑,请及时向我们专职安全员提出,他们将会向您耐心讲解。
如您确定已清楚了解所从事工作的安全风险后,请在下方签上姓名并盖上手印。
安全风险告知
二、安全注意事项
三、
1、患有高血压、心脏病、癫痫病、贫血病等高处作业禁忌症的人员,不得从事高处作业。
严禁酒后登高作业。
2、正确佩戴个人防护用品。
安全带应高挂低用,挂在牢固的结构上。
3、高处作业时,应配备工具袋,防止各种工具、零件、物料等坠落伤害他人。
4、起重吊装作业时,操作人员不得违规操作、违规指挥,严格做到“一、斜吊不吊;
二、超载不吊;三、散装物装的太满或捆扎不牢不吊;四、吊物边缘无防护措施不吊;
五、吊物上站人不吊;六、指挥信号不明不吊;七、埋在地下的构件不吊;八、安全装置失灵不吊;九、光线阴暗看不清吊物不吊;十、六级以上强风不吊”。
5、安全用电,要求做到“一机、一闸、一漏、一箱”,非电工人员不得动用电箱,电箱在使用中必须上锁。
6、在拆除废弃钢筋时,必须做到从上至下、由里至外的顺序使用长割刀进行切割,切割过程中严禁人员在拆除施工范围内。
7、特种作业人员必须持证上岗,不得无证操作,证件到期需及时复审。
专职安全员及联系电话:XX XXXXXXXXXXXXX
四、从业人员的权利和义务
1、享有的权利
⑴享受工伤保险待遇和人身伤害索赔权;⑵危险因素和应急措施的知情权;
⑶安全管理的批评、检举、控告权;⑷拒绝违章指挥和强令冒险作业权;
⑸危险情况下的停止作业和紧急撤离权;⑹获得符合国家标准和行业标准的劳动防护用品权;
⑺获得安全生产教育和培训的权利;⑻对本单位安全生产工作的建议权。
2、应遵守的义务
⑴自律遵规的义务,即从业人员在作业过程中,应当遵守本单位的安全生产规章制度和操作规程,服从管理,正确佩戴和使用劳动防护用品;
⑵自觉学习安全生产知识的义务,要求掌握本职工作所需的安全生产知识,提高安全生产技能,增强事故预防和应急处理能力;
⑶危险报告义务,即发现事故隐患或者其它不安全因素时,应当立即向现场安全生产管理人员或者本单位负责人报告。
承认
本人已清楚了解所从事工作的安全风险,愿意承担此风险,在工作中严格遵守、落实相关措施,关注自身安全。
签名(手印):日期:。