商品砂浆对照表
- 格式:doc
- 大小:25.00 KB
- 文档页数:1
预拌(商品)砂浆的品种、强度等级
1、预拌(商品)砂浆的标记方式
a、预拌砂浆标记方式:AB—CDE;
b、干粉砂浆标记方式:AB—C
A——砂浆种类,RM:预拌砌筑砂浆;RP:预拌抹灰砂浆;RS:预拌地面砂浆。
DM:干粉砌筑砂浆;DP:干粉抹灰砂浆;DS:干粉地面砂浆。
B——强度等级
C——水泥品种,PⅠ、PⅡ:硅酸盐水泥;PO:普通硅酸盐水泥;PS:矿渣硅酸盐水泥。
D——稠度(干粉砂浆有控制要求,无标注要求)
E——凝结时间(干粉砂浆无标注要求)
2
3、预拌(商品)砂浆标记示例
RM10—PS9012表示:
预拌砌筑砂浆、M10、矿渣硅酸盐水泥、稠度90 mm、凝结时间12 h。
4
5、上述内容摘自上海市工程建设规范
《预拌砂浆生产与应用技术规程》(DG/TJ08— 502 —2000),
《干粉砂浆生产与应用技术规程》(DG/TJ08—502A—2000)。
预拌(商品)砂浆的品种、强度等级
1、预拌(商品)砂浆的标记方式
a预拌砂浆标记方式:AB —CDE ;
b、干粉砂浆标记方式:AB —C
A――砂浆种类,RM :预拌砌筑砂浆;RP:预拌抹灰砂浆;RS :预拌地面砂浆。
DM :干粉砌筑砂浆;DP:干粉抹灰砂浆;DS :干粉地面砂浆。
B――强度等级
C——水泥品种,P I、P H:硅酸盐水泥;P0:普通硅酸盐水泥;PS:矿渣硅酸盐水泥。
D ――稠度(干粉砂浆有控制要求,无标注要求)
E ――凝结时间(干粉砂浆无标注要求)
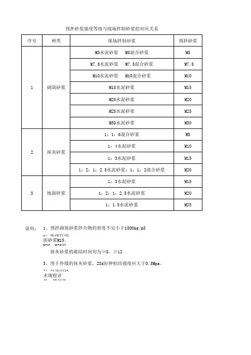
2、预拌(商品)砂浆的品种选择范围
3、预拌(商品)砂浆标记示例
RM10 —PS9012表示:
预拌砌筑砂浆、M10、矿渣硅酸盐水泥、稠度90 mm、凝结时间12 h 4、预拌、干粉砂浆与传统砂浆分类对应表:
5、上述内容摘自上海市工程建设规范
《预拌砂浆生产与应用技术规程》(DG/TJ08 —502 —2000),
《干粉砂浆生产与应用技术规程》(DG/TJ08 —502A —2000)。
水泥砂浆配合比强度对照表
1.M
2.5等级的砂浆,其稠度在70~90mm之间,主要原材料为水泥(32.5
级)、河砂和中砂。
每1㎡的材料用量为水泥200kg,河砂1450kg,水310~330kg,配合比例为7.25。
2.M5等级的砂浆,其稠度同样在70~90mm之间,主要原材料同样是水泥
(32.5级)、河砂和中砂。
每1㎡的材料用量为水泥210kg,河砂1450kg,水310~330kg,配合比例为6.9。
3.M7.5等级的砂浆,其稠度同样在70~90mm之间,主要原材料为水泥(32.5
级)、河砂和中砂。
每1㎡的材料用量为水泥230kg,河砂1450kg,水310~330kg,配合比例为6.3。
4.M10等级的砂浆,其稠度在70~90mm之间,主要原材料为水泥(32.5
级)、河砂和中砂。
每1㎡的材料用量为水泥275kg,河砂1450kg,水310~330kg,配合比例为15.27。
5.M15等级的砂浆,其稠度在70~90mm之间,主要原材料为水泥(32.5
级)、河砂和中砂。
每1㎡的材料用量为水泥320kg,河砂1450kg,水310~330kg,配合比例为4.53。
6.M20等级的砂浆,其稠度在70~90mm之间,主要原材料为水泥(32.5
级)、河砂和中砂。
每1㎡的材料用量为水泥360kg,河砂1450kg,水310~330kg,配合比例为4.03。
预拌(商品)砂浆的品种、强度等级
1、预拌(商品)砂浆的标记方式
a、预拌砂浆标记方式:AB—CDE;
b、干粉砂浆标记方式:AB—C
A——砂浆种类,RM:预拌砌筑砂浆;RP:预拌抹灰砂浆;RS:预拌地面砂浆。
DM:干粉砌筑砂浆;DP:干粉抹灰砂浆;DS:干粉地面砂浆。
B——强度等级
C——水泥品种,PⅠ、PⅡ:硅酸盐水泥;PO:普通硅酸盐水泥;PS:矿渣硅酸盐水泥。
D——稠度(干粉砂浆有控制要求,无标注要求)
E——凝结时间(干粉砂浆无标注要求)
2
3、预拌(商品)砂浆标记示例
RM10—PS9012表示:
预拌砌筑砂浆、M10、矿渣硅酸盐水泥、稠度90 mm、凝结时间12 h。
4
5、上述内容摘自上海市工程建设规范
《预拌砂浆生产与应用技术规程》(DG/TJ08— 502 —2000),《干粉砂浆生产与应用技术规程》(DG/TJ08—502A—2000)。
预拌(商品)砂浆的品种、强度等级
1、预拌(商品)砂浆的标记方式
a、预拌砂浆标记方式:AB—CDE;
b、干粉砂浆标记方式:AB—C
A——砂浆种类,RM:预拌砌筑砂浆;RP:预拌抹灰砂浆;RS:预拌地面砂浆。
DM:干粉砌筑砂浆;DP:干粉抹灰砂浆;DS:干粉地面砂浆。
B——强度等级
C——水泥品种,PⅠ、PⅡ:硅酸盐水泥;PO:普通硅酸盐水泥;PS:矿渣硅酸盐水泥。
D——稠度(干粉砂浆有控制要求,无标注要求)
E——凝结时间(干粉砂浆无标注要求)
2
3、预拌(商品)砂浆标记示例
RM10—PS9012表示:
预拌砌筑砂浆、M10、矿渣硅酸盐水泥、稠度90 mm、凝结时间12 h。
4
5
《预拌砂浆生产与应用技术规程》(DG/TJ08—502 —2000),
《干粉砂浆生产与应用技术规程》(DG/TJ08—502A—2000)。