全差分运算放大器设计
- 格式:doc
- 大小:548.50 KB
- 文档页数:17
全差分运算放大器设计岳生生(0126)一、设计指标以上华CMOS 工艺设计一个全差分运算放大器,设计指标如下:直流增益:>80dB单位增益带宽:>50MHz负载电容:=5pF相位裕量:>60度增益裕量:>12dB差分压摆率:>200V/us共模电压:(VDD=5V)差分输入摆幅:>±4V运放结构选择运算放大器的结构重要有三种:(a )简单两级运放,two-stage 。
如图2所示;(b )折叠共源共栅,folded-cascode 。
如图3所示;(c )共源共栅,telescopic 。
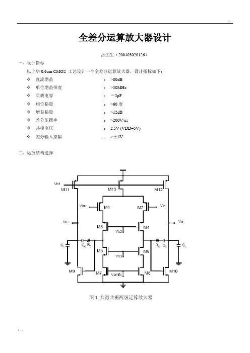
如图1的前级所示。
本次设计的运算放大器的设计指标要求差分输出幅度为±4V ,即输出端的所有NMOS 管的,DSAT NV之和小于,输出端的所有PMOS 管的,DSAT PV之和也必须小于。
对于单级的折叠共源共栅和直接共源共栅两种结构,都比较难达到该要求,因此我们采用两级运算放大器结构。
另外,简单的两级运放的直流增益比较小,因此我们采用共源共栅的输入级结构。
考虑到折叠共源共栅输入级结构的功耗比较大,故我们选择直接共源共栅的输入级,最后选择如图1所示的运放结构。
两级运算放大器设计必须保证运放的稳定性,我们用Miller 补偿或Cascode 补偿技术来进行零极点补偿。
性能指标分析差分直流增益 (Adm>80db)该运算放大器存在两级:(1)、Cascode 级增大直流增益(M1-M8);(2)、共源放大器(M9-M12)第一级增益 1351113571135135753()m m m o o o o o m m m m o o o o m m g g g g g g G A R r r r r g g r r r r=-=-=-+P第二级增益92291129911()m o o o m m o o g g G A R r r g g=-=-=-+P 整个运算放大器的增益:4135912135753911(80)10m m m m overallo o o o m m o o dB g g g gAA A g g g gr r r r ==≥++差分压摆率 (>200V/us )转换速率(slew rate )是大信号输入时,电流输出的最大驱动能力。
全差分运算放大器设计岳生生(6)一、设计指标以上华0.6um CMOS 工艺设计一个全差分运算放大器,设计指标如下:✧直流增益:>80dB✧单位增益带宽:>50MHz✧负载电容:=5pF✧相位裕量:>60度✧增益裕量:>12dB✧差分压摆率:>200V/us✧共模电压:2.5V (VDD=5V)✧差分输入摆幅:>±4V二、运放结构选择运算放大器的结构重要有三种:(a )简单两级运放,two-stage 。
如图2所示;(b )折叠共源共栅,folded-cascode 。
如图3所示;(c )共源共栅,telescopic 。
如图1的前级所示。
本次设计的运算放大器的设计指标要求差分输出幅度为±4V ,即输出端的所有NMOS 管的,DSAT NV之和小于0.5V ,输出端的所有PMOS管的,DSAT PV之和也必须小于0.5V 。
对于单级的折叠共源共栅和直接共源共栅两种结构,都比较难达到该要求,因此我们采用两级运算放大器结构。
另外,简单的两级运放的直流增益比较小,因此我们采用共源共栅的输入级结构。
考虑到折叠共源共栅输入级结构的功耗比较大,故我们选择直接共源共栅的输入级,最后选择如图1所示的运放结构。
两级运算放大器设计必须保证运放的稳定性,我们用Miller 补偿或Cascode 补偿技术来进行零极点补偿。
三、性能指标分析1、 差分直流增益 (Adm>80db)该运算放大器存在两级:(1)、Cascode 级增大直流增益(M1-M8);(2)、共源放大器(M9-M12) 第一级增益1351113571135135753()m m m o o o o o m m m m o o o o m m g g gg ggG A R r r r r g g r r r r=-=-=-+P第二级增益92291129911()m o o o m m o o gg G AR r r gg=-=-=-+P整个运算放大器的增益:4135912135753911(80)10m m m m overallo o o o m m o o dB g g g gAA A g g g gr r r r ==≥++2、 差分压摆率 (>200V/us )转换速率(slew rate )是大信号输入时,电流输出的最大驱动能力。
全差分运算放大器设计全差分运放(Fully-Differential Amplifier,简称FDA)是一种特殊的运放,它具有两个差动输入和两个差动输出。
全差分运放具有许多优点,包括良好的共模抑制和电源抑制比,适用于高精度传感器信号放大、功率放大和模拟信号处理等领域。
在这篇文章中,我将介绍全差分运放的设计原理和步骤。
首先,我们需要确定设计的要求和规范。
这包括增益要求、带宽要求、电源电压和输入输出电阻等参数。
根据这些要求,我们可以选择合适的运放器件和电路拓扑。
全差分运放的常见电路拓扑有两级差分放大器、共射共源放大器和增益交换放大器等。
在这里,我们以两级差分放大器为例进行设计。
第一步是选择运放器件。
我们需要根据设计要求选择适合的运放器件,可以根据其增益带宽积、供电电压范围和失调电流等参数进行选择。
一般来说,我们可以选择低失调电流、高增益带宽积和低电压噪声的器件。
第二步是确定电路拓扑。
在两级差分放大器中,第一级是差分放大器,第二级是共射共源放大器。
差分放大器的作用是提供高输入阻抗和共模抑制比,共射共源放大器的作用是提供电流放大和驱动能力。
由于这两级放大器要分别满足不同的要求,我们可以选择不同的放大倍数和器件参数来优化电路性能。
第三步是确定偏置电路。
偏置电路的作用是提供恒定的工作电流,这可以通过电流源和电阻网络来实现。
偏置电流的选择要根据运放器件的要求和特点,可以使用恒流源或电流反馈等方法来实现。
第四步是确定反馈电路。
反馈电路的作用是控制放大倍数和增益稳定性,可以使用电阻、电容或者电流源等元件来实现。
选择适当的反馈方式可以减小失调电压和非线性,提高性能。
第五步是进行电路仿真和优化。
通过电路仿真,我们可以验证设计的性能和满足要求。
优化可以通过调整电路参数和进行迭代仿真来实现,以达到设计要求。
第六步是进行电路布局和线路板设计。
在设计布局时,要注意分离放大器电路和干扰源,减少电源和信号线的串扰。
线路板设计要保证差分信号走线的对称性和阻抗匹配,以提高传输性能。
综合课程设计研究报告课题名称:全差分两级运放研究人员:指导教师:王向展宁宁201 年1月1日微电子与固体电子学院目录一、绪论 (1)(一)研究工作的背景与意义 (1)(二)国内外现状分析 (1)二、研究目标、研究内容与技术指标 (1)(一)研究目标 (2)(二)研究内容 (2)(三)关键技术 (2)(四)技术指标 (3)三、电路工作原理 (3)(一)电路结构理论 (4)(二)关键电路模块 (4)(三)非理想效应 (5)四、电路设计与仿真 (6)(一)电路设计方案 (6)(二)电路设计结构 (9)(三)电路仿真及结果 (10)五、全文总结与展望 (12)参考文献 (13)一、绪论(一)研究工作的背景与意义随着模拟集成电路技术的发展,高速、高精度运算放大器得到广泛应用。
全差分运算放大器在输入动态范围、抑制共模信号和噪声的能力等方面,较单端输出运放有很大优势,成为应用很广的电路单元。
另外,全差分输出时的输出电压信号幅度比单端输出时增大一倍,这对低电源电压供电的现代CMOS电路尤为重要,因为这可以扩大输出信号的动态范围。
因此,本文讨论并设计了满足一定要求的全差分运算放大器。
(二)国内外现状分析从第一颗运算放大器IC问世到现在,运算放大器技术已经在半导体制造工艺和电路设计两方面取得了巨大进展。
在大约40年的发展过程中,IC制造商们利用上述先进技术设计出了近乎“完美”的放大器。
虽然什么是理想放大器很难有一个精确定义,但它却为模拟设计工程师提供了一个目标。
理想放大器应该无噪声、具有无穷大增益、无穷大输入阻抗、零偏置电流以及零失调电压,它还应该不受封装尺寸限制,不占用空间。
上述这些,都是许多教科书为了得到简单的传递函数而做出的种种假设。
未来放大器市场增长的驱动力主要有三方面:其一,便携式应用的低功耗要求将推动具有低操作电源电压/电流的放大器增长;其二,高分辨率应用需要能降低噪声和失真度的放大器;其三,由于性能和价格压力持续上扬,因此能够集成其他功能的放大器前景乐观。
综合课程设计研究报告课题名称:全差分两级运放研究人员:指导教师:王向展宁宁201 年1月1日微电子与固体电子学院目录一、绪论 (1)(一)研究工作的背景与意义 (1)(二)国内外现状分析 (1)二、研究目标、研究内容与技术指标 (1)(一)研究目标 (2)(二)研究内容 (2)(三)关键技术 (2)(四)技术指标 (3)三、电路工作原理 (3)(一)电路结构理论 (4)(二)关键电路模块 (4)(三)非理想效应 (5)四、电路设计与仿真 (6)(一)电路设计方案 (6)(二)电路设计结构 (9)(三)电路仿真及结果 (10)五、全文总结与展望 (12)参考文献 (13)一、绪论(一)研究工作的背景与意义随着模拟集成电路技术的发展,高速、高精度运算放大器得到广泛应用。
全差分运算放大器在输入动态范围、抑制共模信号和噪声的能力等方面,较单端输出运放有很大优势,成为应用很广的电路单元。
另外,全差分输出时的输出电压信号幅度比单端输出时增大一倍,这对低电源电压供电的现代CMOS电路尤为重要,因为这可以扩大输出信号的动态范围。
因此,本文讨论并设计了满足一定要求的全差分运算放大器。
(二)国内外现状分析从第一颗运算放大器IC问世到现在,运算放大器技术已经在半导体制造工艺和电路设计两方面取得了巨大进展。
在大约40年的发展过程中,IC制造商们利用上述先进技术设计出了近乎“完美”的放大器。
虽然什么是理想放大器很难有一个精确定义,但它却为模拟设计工程师提供了一个目标。
理想放大器应该无噪声、具有无穷大增益、无穷大输入阻抗、零偏置电流以及零失调电压,它还应该不受封装尺寸限制,不占用空间。
上述这些,都是许多教科书为了得到简单的传递函数而做出的种种假设。
未来放大器市场增长的驱动力主要有三方面:其一,便携式应用的低功耗要求将推动具有低操作电源电压/电流的放大器增长;其二,高分辨率应用需要能降低噪声和失真度的放大器;其三,由于性能和价格压力持续上扬,因此能够集成其他功能的放大器前景乐观。
第28卷 第2期2005年6月电 子 器 件Chinese Journal of Elect ron Devices Vol.28 No.2J un.2005Analysis and Design of Fully Differential G ain 2Boosted OpampW A N G J i n 1,Q I U Yu 2li n 1,T I A N Ze21.I nstit ute of Microelect ronic of Chinese A cadem y of S ciences ,Bei j ing 100029,China;2.Depart ment of Elect ronic Science ,N ort hwestern Universit y ,X i ’an 710069,ChinaAbstract :The gain 2boosting technology is presented and analyzed.Wit h gain 2boosting ,a f ully differential gain 2boo sted telescopic cascode opamp is propo saled and designed.The main opamp is a f ully differential telescopic opamp and has a switched capacitor CM FB circuit.The boo sting opamp is a f ully differential fol 2ded cascode opamp and has a co ntinuous time CM FB circuit.The opamp is designed in SM IC 0.35μmixed 2signal CMOS p rocess wit h 3.3V power supply and achieved a dc gain of 129dB wit h a 161M Hz unity gain f requency.K ey w ords :f ully differential ,gain 2boo sted ;opamp EEACC :1220全差分增益提高运算放大器的分析与设计王 晋1,仇玉林1,田 泽21.中国科学院微电子研究所,北京,100029;2.西北大学电子科学系,西安,710069收稿日期:2004212203作者简介:王 晋(19732)男,博士研究生,主要从事模拟集成电路和混合集成电路设计,wangjin0215@ ;仇玉林(19422)男,研究员、博士生导师,wangjin0215@摘 要:通过增益提高技术,一个全差分增益提高套筒式共源共栅运算放大器被提出和设计。
全差分运算放大器设计岳生生(200403020126)一、设计指标以上华0.6um CMOS 工艺设计一个全差分运算放大器,设计指标如下:✧直流增益:>80dB✧单位增益带宽:>50MHz✧负载电容:=5pF✧相位裕量:>60度✧增益裕量:>12dB✧差分压摆率:>200V/us✧共模电压:2.5V (VDD=5V)✧差分输入摆幅:>±4V二、运放结构选择运算放大器的结构重要有三种:(a )简单两级运放,two-stage 。
如图2所示;(b )折叠共源共栅,folded-cascode 。
如图3所示;(c )共源共栅,telescopic 。
如图1的前级所示。
本次设计的运算放大器的设计指标要求差分输出幅度为±4V ,即输出端的所有NMOS 管的,DSAT NV之和小于0.5V ,输出端的所有PMOS管的,DSAT PV之和也必须小于0.5V 。
对于单级的折叠共源共栅和直接共源共栅两种结构,都比较难达到该要求,因此我们采用两级运算放大器结构。
另外,简单的两级运放的直流增益比较小,因此我们采用共源共栅的输入级结构。
考虑到折叠共源共栅输入级结构的功耗比较大,故我们选择直接共源共栅的输入级,最后选择如图1所示的运放结构。
两级运算放大器设计必须保证运放的稳定性,我们用Miller 补偿或Cascode 补偿技术来进行零极点补偿。
三、性能指标分析1、 差分直流增益 (Adm>80db)该运算放大器存在两级:(1)、Cascode 级增大直流增益(M1-M8);(2)、共源放大器(M9-M12) 第一级增益1351113571135135753()m m m o o o o o m m m m o o o o m m g g gg gg G A R r rr r g g r r r r=-=-=-+第二级增益92291129911()m o o o m m o o gg G AR r rgg=-=-=-+整个运算放大器的增益:4135912135753911(80)10m m m m overallo o o o m m o o dB g g g gAA A g g g gr r r r ==≥++2、 差分压摆率 (>200V/us )转换速率(slew rate )是大信号输入时,电流输出的最大驱动能力。
目录1 引言 (1)2 软件介绍 (3)3 运算放大器设计基础 (5)3.1运放的主要性能指标 (5)3.2运算放大器的基本结构 (6)3.2.1全差分运放 (6)3.2.2套筒式结构 (7)3.2.3折叠式结构 (8)4 系统总体设计 (10)4.1电路设计的整体结构 (10)4.2 主放大电路设计 (11)4.3 偏置电路的设计 (13)4.4 输出级的设计 (13)4.5 共模反馈的设计 (14)4.6 总体布局 (15)5 仿真与分析 (17)5.1运放直流与交流特性 (17)5.2噪声特性分析 (19)5.3电源抑制比 (19)5.4设计指标 (20)5.5放大器参数 (21)6 版图设计与分析 (22)6.1 L-Edit介绍 (22)6.2版图设计规则 (22)6.3基本器件版图设计 (23)6.3.1 NMOS版图设计 (23)6.3.2 电容电阻版图设计 (24)6.4版图的总体设计 (26)6.4.1主电路模块版图 (26)6.4.2偏置模块版图 (27)6.4.3输出模块版图 (27)6.4.4整体模块版图 (28)6.5 LVS版图比对 (29)7 结论 (31)谢辞 ................................................................................................... 错误!未定义书签。
参考文献 .. (32)附录1 (33)附录2 (35)1 引言集成运算放大器(Integrated Operational Amplifier)简称集成运放,是由多个CMOS管与电容电阻通过耦合方式实现提高增益的模拟集成电路[1]。
集成运放具有增益高、输入阻抗大、输出阻抗低、共模抑制比高和失调与漂移性小等优点,而且当输入电压值为零时,输出值也为零。
集成运放是构成常用集成电路系统的通用模块[2] [3]。
收稿日期:2009202216 作者简介:翁 迪(1983—),男,硕士研究生.通信联系人:叶 凡,男,讲师,E 2mail :fanye @f .文章编号:042727104(2009)0420465205一种高性能低功耗两级全差分运算放大器设计翁 迪,范明俊,叶 凡,任俊彦(复旦大学专用集成电路与系统国家重点实验室,上海201203)摘 要:分析并设计了一种高速、高增益、低功耗的两级全差分运算放大器.该运算放大器用于高速高精度模数转换器中.运算放大器第一级采用增益自举cascode 结构获得较大的直流增益,采用2个新的全差分运算放大器替代传统的4个单端运算放大器作为增益自举结构.该放大器采用SMIC 0.18μm CMOS 工艺设计,电源电压1.8V ,直流增益125dB ,单位增益带宽300M Hz (负载3p F ),功耗6.3mW ,输出摆幅峰峰值达2V.关键词:运算放大器;增益自举;2级;全差分;高增益中图分类号:TN 492 文献标志码:A运算放大器(op amp )作为关键的模拟模块,广泛应用于开关电容滤波器、Σ2Δ调制器以及模数转换器等.在这些电路中,速度和精度两大重要因素都是由运算放大器的各种性能来决定的.例如在精度10bit 速度20M Hz 以上的高速高精度流水线模数转换器设计中,高的直流增益和大的单位增益带宽会降低运算放大器闭环工作时的增益误差和线性建立时间引起的误差,而大的输出摆幅可以有效的提高性噪比,从而可以在较小的电容负载的情况下达到较高的信噪失真比,有效地实现高速高精度和低功耗的目标;流水线模数转换器中功耗主要来自于运算放大器,所以低功耗运算放大器会使整个模数转换器功耗显著降低.一般而言,长沟道、低偏置电流、多级运算放大器可以实现高增益,然而会导致多个极点,难以达到高速大带宽的要求.共源共栅(cascode )结构的运算放大器具备频率特性好、主极点由负载电容决定、功耗最低等优点,但是输出摆幅比较小,特别在低电源电压情况下,这种缺点就更加显得突出.综合考虑,2级运算放大器可以在高增益、大输出摆幅和带宽间达到较好的平衡;高增益可以采用带增益自举的第1级实现,而带宽和速度可以在功耗允许的情况下尽量加大电流来实现.本文提出了带有增益自举结构的两级全差分运算放大器设计方案.由于这种方案目前在国内还属首次采用,所以本文对电路性能作了全面详细的分析.1 运算放大器总体结构和性能分析运算放大器应用于高性能流水线模数转换器时,运算放大器的增益要满足模数转换器中采样保持的增益误差要求和线性度要求,为达到14位精度,要求运算放大器开环直流增益大于100dB [1],而一般的2级运算放大器增益大概在80dB 左右.为了提高增益,本文提出的方案是第1级采用带有小运算放大器OPN 和O PP 增益自举的套筒式共源共栅(telescopic cascode )结构,第2级采用一般的共源放大器,电路结构如图1所示.为了保证运算放大器的稳定性,采用Miller 补偿技术进行零极点补偿,采用开关电容共模反馈以调节稳定工作点.1.1 直流增益分析该运算放大器存在2级:第1级是带增益自举的cascode 级;第2级是共源放大级.第1级增益:A 1=-G mI R OI =-g m1(R O11∥R O12),其中R O11=[1+(1+A n )g m6r o6]r o8,R O12=[1+(1第48卷 第4期2009年8月复旦学报(自然科学版)Journal of Fudan University (Natural Science )Vol.48No.4Aug.2009图1 带有增益自举的2级全差分运算放大器总体结构Fig.1 Overall structure of t he fully differential gain 2boosted two 2stage op amp+A p )g m4r o4]r o2,A n ,A p 是自举运算放大器OPN 、OPP 的直流增益,在A n ≈A p µ1的情况下,A 1≈A n [-G m (g m6r o6r o8∥g m4r o4r o2)]=A n ・A 1′,其中A 1′=-G m (g m6r o6r o8∥g m4r o4r o2)为不带增益自举的第1级的增益.第2级增益:A 2=-G mII R OII =-g m2(R 10∥R 12).总增益:A =A 1・A 2≈A n ・A 1′・A 2.(1)由上述分析可以看出,电路总的直流增益等于主电路cascode 级(m 1~m 8)、主电路输出级(m 9~m 12)和增益自举电路(OPN 或O PP )3者直流增益之积.这样设计时就可以把总增益分配到各级电路中去.每一级只要达到所指定的增益目标,总增益就能满足要求[223].1.2 单位增益带宽该运算放大器结构符合标准两级运算放大器性能分析方法[3],电路中负载电容C L ,补偿电容为C c ,主极点产生于第1级的输出端,其大小等于从m 4和m 6(或m 3,m 5)的漏端看进去的输出电阻和电容乘积的倒数:P 1=1/(R OI R OII G mII C c );次主极点位于第2级的输出端:P 2=G mII /C L ;单位增益带宽:GB m =G mI /C c ;从上面可以看出增益自举电路对整个电路的次主极点和单位增益带宽没有影响,只是会减小主极点频率.采用Miller 电容补偿会在右半平面产生一个零点:Z 0=1/(C c (1/G mII -R Z )),采用调零电阻R Z 控制零点的位置把零点从右半平面移到左半平面的次主极点P 2上,当R Z =(C c +C L )/(G mII C c )时,Z 0=1/(C c (1/G mII -R Z ))=-G mII /C L ,这样输出负载电容引起的极点就去除掉了,当然由于温度,工艺和电压等的变化会导致R Z ,C c 和C L 以及G mII 发生变化,但是在设计中,这些变量都有一定的裕度,在设计中也充分考虑,所以,也就避免了调节后的负零点位于GB W 内的现象.要满足60°相位裕度,则电路的次主极点至少要大于2.2GB m [3].即:G mII /C L >2.2G mI /C c ,若零点G mII /C L =10GB m =10G mI /C ,则C c >2.2C L G mI /G mII =0.22C L .1.3 增益自举电路与主电路的匹配传统的增益自举技术如图2所示需要额外实现4个单输入单输出的运算放大器,这样就增加了线路的复杂性、功耗和面积,同时在利用电流镜进行双端转单端输出的过程中,也消耗了运算放大器的动态幅度,不利于电路的设计和实现.这里采用2个全差分输入输出的运算放大器作为增益自举电路,由于左右两端完全对称的结构,从而可以减小相应的晶体管间由于不匹配所引入的噪声.增益自举电路主要起增加664复旦学报(自然科学版)第48卷cascode 级输出电阻的作用,因此可以将起功耗和面积尽量减小,设计时将其管子的宽长比和电流取为外部主电路的1/3左右比较合宜[2].图2 传统的增益自举技术Fig.2 Traditional gain 2boosted technology自举放大器OPN 、O PP 与主电路M 5、M 6和M 3、M 4形成闭环反馈,可以自动调整,而OPN 和OPP 输入端也有用来控制输入的共模电平.如果OPN 、O PP 速度太快,就会导致运算放大器稳定性方面问题[4].为了系统稳定,O PN 、OPP 单位增益带宽GB sub 必须满足:P 1<GB sub <P 2.(2)同时自举电路的加入有可能在GB sub 的地方产生一个极零点对(pole 2zero ),而极零点对会严重影响运算放大器建立时间,为了防止GB sub 处产生的极零点对对运算放大器闭环工作时的影响,GB sub 还必须满足:βGB <GB sub <P 2,(3)β为运算放大器闭环工作时的反馈因子,在高精度流水线模数转换器中,采样保持器采用电荷重分布形式,反馈因子为1/2,所以只要满足:1/2GB <GB sub <P 2,系统稳定性和建立时间方面要求都可以满足.增益自举小电路所选择的结构是折叠共源共栅结构如图1所示.使用这种结构主要考虑到速度和输入、输出电平的需要[5].输入级中间2个管子是用来稳定输入级尾电流源漏端电压. 偏置电路和共模反馈电路增益自举电路和主电路使用相同的偏置电压,通过折中调节最后整个电路只需要2路偏置电压,选用共[5],增大电流镜输出电阻,使输出电压更稳定并且电路结构简单,如图3所示.全差分运算放大器需要共模反馈电路确定其共模电平.共模反馈的电路多种多样,不过在这里开关电容共模反馈[5]电路相比其他电路来说具有独特的优势.首先它相对于连续时间共模反馈电路具有更高的动态范围,其次,它不会引入附加的极点且其线性度也非常好,另外,运算放大器应用在开关电容电路中无需增加额外的时钟,应用比较方便.为了保证系统能够稳定而又快速地进入工作,在第1、第2级分别采用了共模反馈.2 性能分析表1列出了带有增益自举和不带增益自举结构两级全差分运算放大器以及2个用来增益自举的辅助运算放大器OPN 、OPP 各项性能情况.可以看到,仿真结果与上述推理基本相符.带有增益自举的两级全差分运算放大器直流增益等于辅助运算放大器和没有增益自举的两级全差分运算放大器直流增益之和(都以dB 形式表示).总电路的单位增益带宽基本上与不带增益自举两级全差分运算放大器带宽相等.在辅助运算放大器OPP 、OPN 带宽满足(3)式时运算放大器建立时间20ns ,与不带增益自举时18ns 差不764 第4期翁 迪等:一种高性能低功耗两级全差分运算放大器设计图3 偏置电路和开关电容共模反馈电路Fig.3 Bias and switched 2capacitor CMFB多,当不满足(3)式只满足(2)式时运算放大器建立时间延长到39ns ,如表1中所示.可见OPP 和OPN 的带宽影响整个运算放大器建立时间比较明显.表1 运算放大器及其各子模块电路性能比较Tab.1 Op amp and other sub 2module performanceamplifierG DC /dB f B /M Hz C L /p F t set /ns φ/(°)P /μW OPN 39.5290(>321/2)19.2(<321/2)0.12.0——76.090.6 456OPP 45 251(>321/2)16.5(<321/2)0.12.0——74.389.2 375wit hout gainenhancement104.0321.0 3.01869.05470wit h gainenhancement 141.0320.0 3.0203969.06430 最后,运算放大器通过SM IC 0.18μm CMOS 工艺实现,经过流片测试,在电源电压1.8V 的情况下,增益达到125dB ,单位增益带宽300M Hz.表2详细列举了本运算放大器各项指标性能在仿真和测试后的结果比较,图4给出了用Hspice 仿真的幅频和相频特性;图5则是测试时的大信号阶跃响应.从中可以看出仿真和测试结果的总体性能差异在比较合理的范围内,而差异也主要是由于版图,寄生参数和工艺原因导致的偏差,也就是在于仿真的理想性和电路流片实现之间的差异,证明了这种运算放大器设计方案在现实应用中的可行性.并且,从流片测试结果看,总体设计也基本满足高精度低功耗电路对运算放大器的要求,而且在后期的ADC 的流片测试结果也显示该放大器设计保证了ADC 的性能.表2 运算放大器仿真、测试结果Tab.2 Simulation and testing resultsperformanceA out /V G /dB f B /M Hz t set /ns S R /(V ・μs ∃1)P /mW φ/(°)simulation214132020207 6.3469measured 212529931198 6.30—864复旦学报(自然科学版)第48卷本文提出了一种高性能低功耗的两级全差分运算放大器设计,采用0.18μm CMOS 工艺实现.利用增益自举技术,运算放大器开环增益可达到125dB ,主运算放大器为2级结构,输出摆幅在电源电压1.8V 情况下峰峰值可达到2V ,电压转换率约200V/μs.文中详细阐述了主运算放大器与辅助运算放大器之间匹配问题,在保证运算放大器其他性能不变的情况下,合理缩减辅助运算放大器的功耗,总功耗仅有6.3mW.该运算放大器被应用于低功耗14位32.5M Hz 流水线模数转换器的采样保持电路中.参考文献:[1] Yang W ,Kelly D ,Mehr I ,et al .A 32V 340mW 142b 752Msps CMOS ADC with 852dB SFDR at Nyquistinput [J ].J ournal of S oli d 2S tate Ci rcuits ,2001,36(12):193121936.[2] 柳 逊,闫 娜,吴晓铁,等.一种高性能运算放大器的设计[J ].微电子学与计算机,2005,22(6):28233.[3] Allen P E ,Holberg D R.CMOS Analog Circuit Design [M ].2版.冯 军,李智群,译.北京:电子工业出版社,2000.[4] Bult K ,G eelen G J G M.A fast 2settling CMOS op amp for SC circuits with 902dB DC gain [J ].J ournalof S oli d 2S tate Ci rcuits ,1990,25(6):137921384.[5] Lloyd J ,Lee Hae 2Seung.A CMOS op amp with fully 2differential gain 2enhancement [J ].T ransactions onCi rcuits A nd S ystems ,1994,41(3):2412243.[6] Recoules H ,Bouchakour R ,Loumeau P.A Comparative study of two SC 2CMFB networks used in fullydifferential O TA [C]∥Proceedings of 1998IEEE International Conference on Electronics ,Circuits and Systems.Portugal :IEEE Press ,1998.Design of a High 2Performance and Low 2Pow erTwo 2Stage OP AmpWE NG Di ,FAN Ming 2jun ,YE Fan ,RE N J un 2yan(A S IC &S ystem S tate Key L aboratory ,Fudan Universit y ,S hanghai 201203,China )Abstract :A high 2gain low 2power high 2speed fully differential two 2stage operational amplifier wit h a DC 2gain of 125dB and a gain 2bandwidt h of 300M Hz is analyzed and designed in a 0.18μm SMIC CMOS process.Its output swing reaches 2V and power consumption is only 6.3mW.the high DC 2gain is reached t hrough gain 2enhancement at t he first pared wit h t he traditional gain 2enhancement technology wit h four single 2ended output amplifiers ,two new fully differential amplifiers are utilized here for gain 2enhancement.The DC 2gain ,output swing and power consumption are better than t hat of t he traditional operational amplifier.K eyw ords :operational amplifier ;gain 2enhancement ;two 2stage ;fully 2differential ;high DC 2gain 964 第4期翁 迪等:一种高性能低功耗两级全差分运算放大器设计。
全差分CMOS运算放大器的设计全差分CMOS运算放大器(Fully Differential CMOS Operational Amplifier)是一种常用于模拟、混合信号和通信电路中的放大器。
全差分运算放大器结合了差分放大器和普通运算放大器的优点,具有更好的共模抑制、抗干扰能力和更高的增益。
1.设计差动放大器:差动放大器是全差分CMOS运算放大器的核心部分,其一般由两个输入差分对和一个负载电阻组成。
在设计差动放大器时,首先需要确定放大器的增益、带宽和功耗等要求。
然后,选择适当的晶体管尺寸和偏置电流来满足这些要求。
2.设计电流镜:电流镜主要用于稳定差动放大器的工作点。
常用的电流镜电路有P型电流镜和N型电流镜。
在设计电流镜时,需要考虑放大器的输入阻抗、输出阻抗和功耗。
3.设计共模反馈电路:共模反馈电路主要用于提高全差分CMOS运算放大器的共模抑制比。
在设计共模反馈电路时,需要确定合适的电压分压比例和电容值,以及选择合适的晶体管尺寸和偏置电流。
4.偏置电流源设计:5.电源设计:6.输入和输出接口设计:7.稳定性分析和优化:在设计全差分CMOS运算放大器时,还需要进行稳定性分析和优化。
常用的稳定性分析技术有迭代法、校正法和频率响应法。
稳定性优化技术有补偿电容法、极点分布法和增益调整法。
8.仿真和验证:最后,设计完成的全差分CMOS运算放大器需要进行仿真和验证。
常用的仿真和验证工具有SPICE软件、电路仿真器和实验测量仪器。
通过仿真和验证,可以评估放大器的性能和电路的可靠性。
最后,需要注意的是,在进行全差分CMOS运算放大器的设计时,应遵循设计规范和标准,如功耗规范、电压规范和噪声规范,以确保设计的可靠性和一致性。
同时,应密切关注工艺制程、温度变化等因素对电路性能的影响,并进行相应的校准和补偿。
最完整的全差分运算放大器设计全差分运算放大器是一种特殊的运算放大器,它采用了差模输入和差模输出的电路结构,能够获得更高的共模抑制比和更好的抗干扰能力。
在本文中,我们将详细介绍全差分运算放大器的设计步骤和关键考虑因素。
首先,我们需要确定设计的目标和规格。
这包括放大器的增益、带宽、输入和输出阻抗等参数。
在设计全差分运算放大器时,通常需要考虑放大器的直流特性和交流特性。
接下来,我们将详细介绍全差分运算放大器的设计步骤。
1.选择工作点:为了实现差模输入和差模输出,我们需要选择适当的工作点。
一个常用的方法是将输入差模信号的平均值调整到放大器的线性工作区域,这可以通过调整偏置电流源和电阻来实现。
2.设计输入级:输入级通常采用差模对称结构,包括差模差分放大电路和公模放大电路。
在设计差模差分放大电路时,需要选择合适的晶体管,并确定电流增益。
公模放大电路的设计要考虑与差模放大电路的匹配。
3.设计输出级:输出级通常采用差模共源结构。
在设计输出级时,需要确定合适的负载电阻和电流源,并考虑稳定性和功率消耗等因素。
4.频率补偿:全差分运算放大器的频率响应通常需要进行补偿。
一种常用的方法是使用频率补偿电容和电阻,以提高放大器的带宽和稳定性。
5.抑制共模信号:全差分运算放大器的一个重要特性是能够抑制共模信号。
为了实现更好的共模抑制比,我们可以采用一些技术,如共模反馈、差模共源结构等。
在设计全差分运算放大器时,需要考虑一些关键因素。
首先是热噪声和干扰的抑制。
由于全差分运算放大器的输入端采用了差模输入,它能够抑制共模干扰和热噪声。
其次是功耗的控制,尽量减小功耗,提高能效。
还要注意防止震荡和保证放大器的稳定性。
综上所述,全差分运算放大器设计需要考虑许多因素,包括放大器的增益、带宽、输入和输出阻抗等参数。
在设计过程中,需要选择合适的工作点、设计合适的输入级和输出级、实施频率补偿,并考虑共模抑制和稳定性等因素。
通过合理的设计和优化,我们可以获得一个高性能的全差分运算放大器。
全差分运算放大器结构框图解析常见的全差分运算放大器电路分析全差分(运算放大器)就是一种具有差分输入,差分输出结构的运算(放大器)。
(差分放大器)相对于单端输出的放大器具有如下一些优势。
首先,由于随着CMOS 工艺尺寸不断缩小,从0.5μm 减小至0.35μm,0.18μm,90nm,(芯片)的(供电)电压也不断减小从5V降到3.5V,1.8V,1.2V甚至更低。
在如此低的供电电压的情况下,单端输出的运算放大器很难能理想地工作,为了保证电路能够得到足够大的(信号)摆幅,我们需要采用全差分的运算放大器结构。
其次,全差分运算放大器能够有效抑制电路的共模信号,并且能够减小电路的偶次谐波失真。
但是为了得到这些性能,全差分运算放大器需要一个共模反馈环路来控制输出的共模电平。
理想情况下,这个共模反馈控制环路会使得输出的共模电平稳定在VDD/2。
所以,一个全差分放大器通常由主放大器和共模反馈环路两部分组成,它在现代的(电路设计)中应用非常广泛。
1.全差分运算放大器结构框图共模反馈的基本思想就是由一个共模采样电路取得电路的输出共模信号,然后把共模信号与一个参考信号相比较,将比较后的误差信号放大后再输入主放大器以调节输出共模电压。
对于输入的差分信号来说,共模反馈环路不会对交流信号产生影响,相当于说共模环路对于交流是开路的。
所以,电路的差分增益和相位就由主放大器决定。
但是,对于输入的共模信号,共模反馈环路决定了输出的共模电平,这时,共模环路的增益和相位就会对电路的输出共模电平的精度和稳定性产生影响。
全差分放大器在应用中的一种电路形式,差分输出的信号摆幅vO1-vO2 为单端信号vO1(vO2)摆幅的两倍,所以在输出端可以有较大的输出动态范围,相对于单端输出提高了处理信号的幅度能力。
2. 常见的全差分运算放大器电路(a)是普通的全差分放大器电路,通常作为一个放大器的输入级部分。
图7-3(b)是折叠式全差分运算放大器电路,它的增益会比较大,可以达到60~70dB,但同时会消耗比较大的功耗,因为它有四条支路需要(电流)。
0中国集成电路设计♦China lntegrated Circult一种具有高增益和超带宽的全差分跨导运算放大器罗杨贵1,曾以成1,邓欢2,唐金波21.湘潭大学物理与光电工程学院;2.湖南毂梁微电子有限公司摘要:基于GSMC0.18um CM OS工艺,设计了一种应用于12位ADC的全差分运算放大器。
为了提高增益,在套筒式共源共栅结构上运用了增益提高技术。
为了提高输入跨导,采用隔离效果更好的深N阱CMOS作为输入端,从而提升增益带宽。
为了降低功耗,利用单端放大器作为辅助运放。
整体电路结构简单优化。
仿真结果表明,运算放大器直流开环增益大于100dB,单位增益带宽大于800M H z,相位裕度大于70毅,完全满足目标ADC的性能要求,是一种新型且质量较高的运放,也可应用于其它场合。
关键词:增益提高;套筒式共源共栅;高增益带宽;深N阱中图分类号:TN432文献标识码:AA Fully Differential Transconductance Operational Amplifierwith high Gain and ultra GBWLUO Yang-gui,ZENG YirCheng1,DENG Huan2,TANG Jn-bo21.SchoolofPhysicsand Opibe]ectronics,X iangtan University;2.H unan Greai-Leo M icroe]ectronicsCO.LTDAbstract:Based on theGM SC0.18um CM OS process,a fuUy differentialoperationalam plifierlbr12-bitADC is designed.In orderto increase the gain,a gain-enhancing technique is used on the te]escopic cascode structure.In order to increase input transconductance,the deep N-W elltansistorwith better isolation function was used as the input,thereby to enhance the gain bandwidth.In order to reduce power consumption,a single-ended amplifier is used as an auxiliary operational amplifier.The overall circuit structure is simple and optimized.The simulation results show that the operational amplifier DC open-loop gain is greater than100dB,the unity gain bandwidth is greater than800MHz, and the phase margin is greater than70毅,which fully meets the performance requirements of ADC.It is a new and high-quality operational amplifier that can also be applied to other applications.Keywords:Gain enhancement;Telescopic cascode;High gain bandwidth;Deep N_well0引言模数转换器作为连接模拟信号与数字信号的桥梁,越来越显示出其重要性。
全差分运算放大器设计岳生生(200403020126)一、设计指标以上华0.6um CMOS 工艺设计一个全差分运算放大器,设计指标如下:✧直流增益:>80dB✧单位增益带宽:>50MHz✧负载电容:=5pF✧相位裕量:>60度✧增益裕量:>12dB✧差分压摆率:>200V/us✧共模电压:2.5V (VDD=5V)✧差分输入摆幅:>±4V二、运放结构选择运算放大器的结构重要有三种:(a )简单两级运放,two-stage 。
如图2所示;(b )折叠共源共栅,folded-cascode 。
如图3所示;(c )共源共栅,telescopic 。
如图1的前级所示。
本次设计的运算放大器的设计指标要求差分输出幅度为±4V ,即输出端的所有NMOS 管的,DSAT NV之和小于0.5V ,输出端的所有PMOS管的,DSAT PV之和也必须小于0.5V 。
对于单级的折叠共源共栅和直接共源共栅两种结构,都比较难达到该要求,因此我们采用两级运算放大器结构。
另外,简单的两级运放的直流增益比较小,因此我们采用共源共栅的输入级结构。
考虑到折叠共源共栅输入级结构的功耗比较大,故我们选择直接共源共栅的输入级,最后选择如图1所示的运放结构。
两级运算放大器设计必须保证运放的稳定性,我们用Miller 补偿或Cascode 补偿技术来进行零极点补偿。
三、性能指标分析1、 差分直流增益 (Adm>80db)该运算放大器存在两级:(1)、Cascode 级增大直流增益(M1-M8);(2)、共源放大器(M9-M12) 第一级增益1351113571135135753()m m m o o o o o m m m m o o o o m m g g gg gg G A R r rr r g g r r r r=-=-=-+第二级增益92291129911()m o o o m m o o gg G AR r rgg=-=-=-+整个运算放大器的增益:4135912135753911(80)10m m m m overallo o o o m m o o dB g g g gAA A g g g gr r r r ==≥++2、 差分压摆率 (>200V/us )转换速率(slew rate )是大信号输入时,电流输出的最大驱动能力。
定义转换速率SR :1)、输入级: max1max|2|Cc out DS CCd SR dtI v I CC===单位增益带宽1m uCg C ω=,可以得到1m CugC ω=所以 11111112222DS DS DS u ueff uDS Cm eff SR I I IV g I CVωωω====其中1eff GS th VV V =-=因此提高两级运算放大器转换速率的可以尽可能增大管子M1的有效电压1eff V。
2)、输出级:max9max|2|Cc out DS CCLd SR dtIv I CC C===+该运算放大器的转换速率139min ,2DS DS C C L SR I I C C C ⎧⎫⎪⎪=⎨⎬+⎪⎪⎩⎭3、 静态功耗:该运放没有功耗指标,这里我们以15mW 为例简单分析。
运放的静态功耗()()91013staticDS DS DS dd ss V V PI I I =-++静态功耗确定了整个电路的静态电流最大值:15350staticDC ddssmwmA V VPI VV ==≈--我们将该电流分配到电路的不同地方。
例如,100ua 给偏置电路,2900ua 归两级放大电路。
4、 相位裕度 >60度,单位增益带宽>40MHz假设运放只有两个极点P1、P2。
(实际上,会有更多的极点,同时还会在右半平面或者左半平面的零点)。
由于密勒补偿电容Cc 的存在, P1和P2将会分开很远。
假设12p p ωω,这样在单位增益带宽频率uω处第一极点引入-90度相移,整个相位裕度是60度。
所以第二极点在单位增益带宽频率处的相移为-30度。
22212160,90,18030tan 300.577 1.73,2p p u p uuPM PM ϕϕϕωωωωωω≥≈=--≤≤=⇒≥取=另外,主极点235713573553901195399011()()(1)o o o o o o o m m m m o p Cm m m m Co g g g g ggggg gr rr r g g g g CC g gω++≅≅++o1+,开环增益1359135753911m m m m oo o o o m m o o g g g g A g g g gr r r r =++110m up CgA Cωω==为得到高的单位增益带宽,应该使非主极点2p 最大化。
5、 共模负反馈:CMFB对于全差分运放,为了稳定输出共模电压,应加入共模负反馈电路。
在设计输出平衡的全差分运算放大器的时候,必须考虑到以下几点:✧ 共模负反馈的开环直流增益要求足够大,最好能够于差分开环直流增益相当; ✧ 共模负反馈的单位增益带宽也要求足够大,最好接近差分单位增益带宽; ✧ 为了确保共模负反馈的稳定,一般情况下要求进行共模回路补偿; ✧ 共模信号监测器要求具有很好的线性特性;✧ 共模负反馈与差模信号无关,即使差模信号通路是关断的。
该运算放大采用连续时间方式(Continuous-Time Approach )来实现共模负反馈功能。
如图4所示。
该结构共用了共模放大器和差模放大器的输入级中电流镜及输出负载。
这样,一方面降低了功耗;另一方面保证共模放大器与差模放大器在交流特性上保持一致。
因为共模放大器的输出级与差模放大器的输出级可以完全共用,电容补偿电路也一样。
只要差模放大器频率特性是稳定的,则共模负反馈也是稳定的。
这种共模负反馈电路使得全差分运算放大器可以像单端输出的运算放大器一样设计,而不用考虑共模负反馈电路对全差分放大器的影响。
6、电压偏置电路:宽摆幅电流源(如图5所示)在共源共栅输入级中需要三个电压偏置,为了使得输入级的动态范围大一些,图中的宽摆幅电流源来产生所需要的三个偏置电压。
根据宽摆幅电流源的设计要求,必须满足:12356137814410111244B B B B B B B B B B B B B W W W L L L W W W W W W W L L L L L L L W W W L L L ⎛⎫⎛⎫⎛⎫== ⎪ ⎪ ⎪⎝⎭⎝⎭⎝⎭⎛⎫⎛⎫⎛⎫⎛⎫⎛⎫⎛⎫⎛⎫====== ⎪ ⎪⎪ ⎪ ⎪ ⎪ ⎪⎝⎭⎝⎭⎝⎭⎝⎭⎝⎭⎝⎭⎝⎭⎛⎫⎛⎫⎛⎫== ⎪ ⎪ ⎪⎝⎭⎝⎭⎝⎭ 7、 Miller 补偿电阻电阻Rc 可以单独用来控制零点的位置,主要有以下几种方法: I 、 将零点搬移到无穷远处,消除零点,Rc 必须等于91/m g 。
II 、 把零点从右半平面移动到左半平面,并且落在第二极点2p ω上。
这样,输出负载电容引起的极点就去除了。
这样做必须满足以下条件:291911()m z p LC Cm gCC R gωω=→=--得到电阻值为91(1)L C Cm C R g C=+III 、 把零点从右半平面移动到左半平面,并且使其稍微大于单位增益带宽频率uω。
比如超过20%1.2zu ωω>因为21911,m Cp u u CCLm g Rg CCR ωωω→≈=-并且得到电阻值为111.2C m R g≈四、手工计算在0.6um 工艺库文件中得到工艺参数:22,,119/,51.7/,0.73, 1.02oxoxTH N TH P npA V A V V V CCV V μμμμ====-1、 确定Miller 补偿电容为了保证相位裕量有60度,我们要求第二极点2p ω和零点zω满足以下两个条件:9191210,210,2m m m m z u p u ccLcg g g g CC CCωωωω≥≥→≥≥则,0.20.251CL pF pF CC ≥=⨯=.这里,我们取Cc =2PF 。
2、 确定两级放大器中的工作电流共模负反馈的输入端电流与差模输入端相同,因此输入级的工作电流()1222100/2133.3333DS C SR V us pf uA C I ⎛⎫=⋅=⋅= ⎪⎝⎭ 由于有一些寄生电容,预留一些余量,我们取1200DS uA I=,则,14,13400DS DS uA I I ==。
输出级工作电流为,()11100/88002DS CL CMFB SRV us pf uA C C C I =++=⋅=。
同样,由于一些寄生电容,预留一些余量取11900DS uA I=。
3、 计算放大管的跨导mg根据全差分Slew Rate 要求,111111131.523322DS DS u DS u eff uDS Cm eff SR I I I V gI CVωωω=⨯===M1管的有效电压,6122200/0.42533 6.285010eff u SR V usV V ω⨯===⨯⨯⨯ M2管的跨导1111222000.9420.425DS m eff uAm VI gV-⨯===Ω()1216621210.94286um42.9,2um251.71020010m m W W W W L L L L g ---=Ω⎛⎫⎛⎫⎛⎫⎛⎫→==== ⎪ ⎪ ⎪ ⎪⨯⨯⨯⨯⎝⎭⎝⎭⎝⎭⎝⎭取=。
根据第二极点是单位增益带宽的两倍,91222m m u Lcgg pCCω=→=M9管的跨导 31190.94210225 4.712m Lm cpf m pfg g C C--⨯=⨯⨯=⨯⨯=Ω()216699 4.71103.621191090010m m W L g ---Ω⎛⎫=→== ⎪⨯⨯⨯⨯⎝⎭。
取91001W umL um ⎛⎫= ⎪⎝⎭,M9管的有效电压9199229000.3824.71DS eff m uA V m I V g-⨯===Ω 4、 电流源偏置管和Cascode 管的尺寸假定电流源偏置管M13、M11、M12、M7和M8,和Cascode 管M3-M6的有效电压Veff =0.3V ,这样可以计算出所有管子的尺寸参数。
假定130.3eff V V =,则613621313240010174251.7100.32DS eff oxW L p I Cu V--⨯⨯⎛⎫=== ⎪⨯⨯⎝⎭ 11111112131112131399390391.5,441DS DS W W W W W W um L W L L L L L um L I I⎛⎫ ⎪⎛⎫⎛⎫⎛⎫⎛⎫⎛⎫⎝⎭==→=====⎪ ⎪ ⎪ ⎪ ⎪⎛⎫⎝⎭⎝⎭⎝⎭⎝⎭⎝⎭ ⎪⎝⎭ M11-M12管子的有效电压,11120.3eff eff V VV ==假定70.3eff V V =,则676277872300106056.0,2119100.312DS eff oxW W W um L L L um n I C V μ--⨯⨯⎛⎫⎛⎫⎛⎫===== ⎪ ⎪ ⎪⨯⨯⎝⎭⎝⎭⎝⎭ 假定50.3eff V V =,则656255652300106056.0,2119100.312DS eff oxW W W um L L L um n IC V μ--⨯⨯⎛⎫⎛⎫⎛⎫===== ⎪ ⎪ ⎪⨯⨯⎝⎭⎝⎭⎝⎭ 假定30.3eff V V =,则63623343230010129128.9,51.7100.3122DS eff oxW W W umL L L um p I C V μ--⨯⨯⎛⎫⎛⎫⎛⎫=====⎪ ⎪ ⎪⨯⨯⎝⎭⎝⎭⎝⎭ Cascode 管M3的跨导为,61333223001020.3DS m eff m I gV--⨯⨯===Ω5、 Miller 补偿电阻Rc 的确定我们将零点从右半平面移到左半平面,并且使其为单位增益带宽频率uω的1.2倍,则118851.2C m R g==Ω6、 偏置电路的管子尺寸根据所有MOS 的有效电压,我们可以计算出配置电压Vb1-Vb4的值。