导轨油技术参数
- 格式:doc
- 大小:48.50 KB
- 文档页数:2
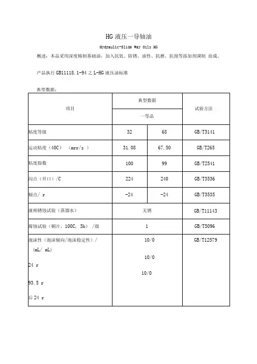
H G液压—导轴油
Hydraulic-Slide Way Oils HG
概述:本品采用深度精制基础油,加入抗氧、防锈、油性、抗磨、抗泡等添加剂调制而成。
产品执行GB11118.1-94之L-HG液压油标准
典型数据:
主要性能:具有良好的抗氧化性、防锈性、抗磨防粘性和粘一滑性能。
用途:适用于精密机床液压一导轨润滑,也可用于其它要求油有良好粘一滑性能机械润滑部位
注意事项:
使用及贮运过程中要防止异物及水混入;
主要性能:
号油用
不要与其他油品混合,防止性能变差。
包装规格:18L塑桶、170Kg铁桶包装。
与国外同类油品对照。
导轨油安全技术说明书(MSDS)一、物品与厂商资料物品中文名称:导轨油物品英文名称: SAGAWA SL IDEWAY OIL T SERIES型号:物料号:批次号:二、成分辨别资料组成部份:由矿物油及极压剂、防锈剂、粘附剂、抗泡剂等组成产品性能:具有良好的润滑性、抗极压性和粘附性。
广泛用于机械设备之多用途导轨及其它各部位润滑。
危害物质成份(成成份百分比):无三、危害辨识资料主要危害效应:危害之程度取决于接触时间之长短、接触量及急救速度与彻底的处理措施吸入:无显著危害效应资料皮肤接触:皮肤不适眼睛接触:刺激眼睛食入:呼吸危害、肠胃不适环境影响:无此有效资料物理性及化学性危害:高热产生有害油雾蒸气之危害效应的报告物品危害分类:无四、急救措施不同暴露途径之急救方法:吸入:停止操作,置于通风良好的环境中。
皮肤接触:用清洗剂清洗干净即可。
眼睛接触:立即用大量清水冲洗,再用消炎药水清洗,并马上送去医院吞食:清洗肠胃。
对急救人员之防护:无此有效资料对医师之提示:无此有效资料五、灭火措施适用灭火剂:火灾用干粉(ABC或BC)、二氧化碳、泡沫及水雾。
大型火灾用泡沫或使用大量微细水雾减火灭火时可能遭遇之特殊危害:完全燃烧产生CO2、H2O、未完全燃烧会产生CO。
蒸气空气混合物高于闪火点可能引起火灾。
特殊灭火程序:1、救火人员须穿戴防护具及呼吸器,在上风处救火。
2、停止油料的外泄与流动并使用减火剂,隔离外泄区所有的火源3、如果没有发生危害的可能,进入灾区尽量移开储存容量。
4、用水雾冷却灾区附近之容器,直至火扑灭减。
5、请注意此油料易与氧化剂反应。
6、避免吸入高温燃烧产生之有害气体。
7、注意不得以高压水柱直接喷射泄露之油料8、尽量使用自动或固定式减火设备减火,人员避免进入灾区消防人员之特殊防护设备:发生火灾时,应携带适当防护装置或个人自携式呼吸设备六、泄露处理方法个人应注意事项:1、在污染区尚未完全清理干净前,限制人员接近区2、确定清理工作是由受过训练的人员负责。
HG液压一导轴油Hydraulic-Slide Way Oils HG概述:本品采用深度精制基础油,加入抗氧、防锈、油性、抗磨、抗泡等添加剂调制而成。
产品执行GB11118.1-94之L-HG液压油标准典型数据:主要性能:具有良好的抗氧化性、防锈性、抗磨防粘性和粘一滑性能。
用途:适用于精密机床液压一导轨润滑,也可用于其它要求油有良好粘一滑性能机械润滑部位注意事项:使用及贮运过程中要防止异物及水混入;不要与其它液压油一导轨油混用;保持油箱的清洁,换油时,油箱及油路要清洗干净。
包装形式:18L塑桶、170Kg铁桶包装。
导轨油Slide Way Oils概述:本产品采用深度精制基础油,加入油性、抗氧、防锈、抗泡等多种添加剂经科学配制而成。
产品执行SH 0361-92标准主要性能:优良的粘-滑特性,防止导轨爬行,满足机床的精密加工要求。
良好的润滑性、防锈性、抗氧性。
对铜、铝金属均无腐蚀。
良好的极压抗磨性,氧化安定性和金属湿润性。
用途:适用于润滑各种精密机床导轨、密封齿轮、拖板、定位器等滑动部位。
以及冲击振动摩擦点,尤其是工作台导轨。
适合环境温度0C以上,其中32号油可用于镗床、坐标镗床、磨床、万能工具磨床;68号油用于内圆磨床、万能磨床、滚齿机床、坐标镗床;100号油用于光学坐标镗床;150号油用于坐标镗床、落地镗床等。
注意事项:根据设备用油规定,选用不同牌号的油。
在使用及贮运过程中要防止杂物污染,严防杂质及水混入。
不要与其他油品混合,防止性能变差。
包装规格:18L塑桶、170Kg铁桶包装。
与国外同类油品对照。
最新斯卡兰68号导轨油参数导轨油是导轨专用的润滑油,也可以叫导轨液压油常用在高碳钢材质,和轴承钢材质机械设备配件当中,能够减少机械之间的损耗和摩擦,具有防锈,防氧化,润滑,粘附作用。
斯卡兰-斯耐特级导轨油:高质量机床滑轨润滑。
采用深度精制的矿物基础油、极压添加剂增黏(胶黏)剂、减摩剂和防锈防腐防腐蚀精制而成。
斯卡兰导轨油重要特定参数斯卡兰68号导轨油适用范围:·机床滑轨、导轨·水平滑轨(ISO 68)·轻到中型就用场合(ISO68)·竖直滑轨(ISO 220)·更恶劣的场合(ISO 220)·适用于Bijurr润滑亮剂自动释放系统·其他要求采用黏附性强、无腐蚀性极压类润滑剂的工业应用场合。
斯卡兰68号导轨油性能标准:·Cincinnati Milacron标准P-47:中重质导轨滑润油(ISO 68)·Cincinnati Milacron标准P-50:重质导轨滑润油(ISO 220)斯卡兰68号导轨油特点:·平稳、无振动的运行:本产品含有特殊的减摩剂,润滑性能好,可以减少摩擦及拖曳、防止出现黏滑运动和机床撮动进而提高了机床加工件的表面光洁度。
·提高定位精度:特殊的减摩剂的增黏剂使得本产品能形成一层厚厚的高强度油膜,从而保证了刀具盘的定位精度,防止了系统中备零部件的磨损。
·减少故障:本产品含有特殊的极压添加剂,即使在重载荷下也能形成一有效的保护膜,从而防止滑轨和导轨的划伤。
有效的防锈防腐蚀剂可以保护机床的零部件不生锈,不被腐蚀。
·减少润滑剂流失:本产品含有特殊的增黏剂,可防止润滑剂从润滑面尤其是从竖直滑轨面上的流失此外,本产品黏附性好,润滑膜强度高,即使在重载荷油轨上也不易被挤掉,也不会被乳化切削液冲掉。
机械导轨油一、定义:机械导轨油(又称:轨道油)是优异品质的精密机械加工润滑油,由高度精炼石蜡基矿物油、导轨油复合添加剂、粘附剂、抗泡剂等精心调制而成,不含硫化物,具有良好的的抗磨损、防爬行、防锈、抗氧化等特性。
适用于各类设备金属导轨的润滑,亦可用于机床工作台液压系统和齿轮箱等。
二、机械导轨油的特点:1.优秀的防锈性能,防止机床免受锈蚀;2.抗磨损性能强,延长导轨油泵及零部件的使用寿命;3.附着力强,能防止接触面的磨损及滑动阻滞,防止机床导轨出现“爬行”现象;4.适用于各种速度和载荷下的加工机械导轨润滑。
能满足机床因高度精确及慢速运转及震动等现象的要求。
▲产品符合以下规格:符合SH/T 0361-1998、ISO/TR 10481-1993四、机械导轨油的型号应用比较普遍的是下面4种:●T32号推荐用于小型机床也适合大型机床作为浸没式应用。
●T68推荐用中小型机床;●T100推荐用于轨道与齿轮润滑系统;●T220推荐用于导轨压力高,或精度要求高的大型机床。
也适合于有留泄问题的垂直和倾斜导轨润滑。
综上:机械导轨油适用于各类金属设备导轨的润滑作用,T32,T68属于低粘度的导轨油,适用于水平导轨的润滑。
T150、T220属于高粘度的导轨油,适用于垂直导轨的润滑。
五、机械导轨油更换周期:导轨油使用一段时间后,由于本身的氧化以及使用过程中外来因素影响会逐渐变质,性能下降或改变,必须适时更换。
那么:换油时间如何确定?(1)根据检验评定的结果确定换油时间;但目前困难的是还比较缺乏各种油品的报费标准。
(2)根据润滑油制造商和设备制造厂家的推荐结合实际使用经验定期更换。
导轨油安全技术说明书MSDS精品管理制度、管理方案、合同、协议、一起学习进步导轨油安全技术说明书(MSDS)一、物品与厂商资料物品中文名称:导轨油物品英文名称: SAGAWA SL IDEWAY OIL T SERIES型号:物料号:批次号:二、成分辨别资料组成部份:由矿物油及极压剂、防锈剂、粘附剂、抗泡剂等组成产品性能:具有良好的润滑性、抗极压性和粘附性。
广泛用于机械设备之多用途导轨及其它各部位润滑。
危害物质成份(成成份百分比):无三、危害辨识资料主要危害效应:危害之程度取决于接触时间之长短、接触量及急救速度与彻底的处理措施吸入:无显著危害效应资料皮肤接触:皮肤不适眼睛接触:刺激眼睛食入:呼吸危害、肠胃不适环境影响:无此有效资料物理性及化学性危害:高热产生有害油雾蒸气之危害效应的报告物品危害分类:无四、急救措施不同暴露途径之急救方法:吸入:停止操作,置于通风良好的环境中。
皮肤接触:用清洗剂清洗干净即可。
眼睛接触:立即用大量清水冲洗,再用消炎药水清洗,并马上送去医院吞食:清洗肠胃。
对急救人员之防护:无此有效资料对医师之提示:无此有效资料五、灭火措施适用灭火剂:火灾用干粉(ABC或BC)、二氧化碳、泡沫及水雾。
大型火灾用泡沫或使用大量微细水雾减火灭火时可能遭遇之特殊危害:完全燃烧产生CO2、H2O、未完全燃烧会产生CO。
蒸气空气混合物高于闪火点可能引起火灾。
特殊灭火程序:1、救火人员须穿戴防护具及呼吸器,在上风处救火。
2、停止油料的外泄与流动并使用减火剂,隔离外泄区所有的火源3、如果没有发生危害的可能,进入灾区尽量移开储存容量。
4、用水雾冷却灾区附近之容器,直至火扑灭减。
5、请注意此油料易与氧化剂反应。
6、避免吸入高温燃烧产生之有害气体。
7、注意不得以高压水柱直接喷射泄露之油料8、尽量使用自动或固定式减火设备减火,人员避免进入灾区消防人员之特殊防护设备:发生火灾时,应携带适当防护装置或个人自携式呼吸设备六、泄露处理方法个人应注意事项:1、在污染区尚未完全清理干净前,限制人员接近区2、确定清理工作是由受过训练的人员负责。
导轨油安全技术说明书MSDS一、化学品及企业标识化学品名称:导轨油生产企业名称:_____地址:_____邮编:_____联系电话:_____应急电话:_____二、成分/组成信息主要成分:基础油、添加剂(抗磨剂、防锈剂、抗氧化剂等)三、危险性概述危险性类别:可燃液体侵入途径:吸入、食入、经皮吸收健康危害:长期接触或吸入导轨油的蒸气可能会引起呼吸道刺激、头晕、头痛等症状。
皮肤接触可能导致过敏、红肿等不良反应。
环境危害:对环境有一定危害,可能会污染土壤和水体。
燃爆危险:可燃,其蒸气与空气可形成爆炸性混合物,遇明火、高热有燃烧爆炸的危险。
四、急救措施皮肤接触:立即脱去污染的衣着,用大量流动清水冲洗至少 15 分钟。
就医。
眼睛接触:立即提起眼睑,用大量流动清水或生理盐水彻底冲洗至少 15 分钟。
就医。
吸入:迅速脱离现场至空气新鲜处。
保持呼吸道通畅。
如呼吸困难,给输氧。
如呼吸停止,立即进行人工呼吸。
就医。
食入:饮足量温水,催吐。
就医。
五、消防措施危险特性:可燃,遇明火、高热可燃。
有害燃烧产物:一氧化碳、二氧化碳等。
灭火方法:消防人员须佩戴防毒面具、穿全身消防服,在上风向灭火。
尽可能将容器从火场移至空旷处。
喷水保持火场容器冷却,直至灭火结束。
处在火场中的容器若已变色或从安全泄压装置中产生声音,必须马上撤离。
灭火剂:泡沫、干粉、二氧化碳、砂土。
六、泄漏应急处理应急处理:迅速撤离泄漏污染区人员至安全区,并进行隔离,严格限制出入。
切断火源。
建议应急处理人员戴自给正压式呼吸器,穿防毒服。
尽可能切断泄漏源。
防止流入下水道、排洪沟等限制性空间。
小量泄漏:用砂土或其它不燃材料吸附或吸收。
也可以用大量水冲洗,洗水稀释后放入废水系统。
大量泄漏:构筑围堤或挖坑收容。
用泵转移至槽车或专用收集器内,回收或运至废物处理场所处置。
七、操作处置与储存操作注意事项:密闭操作,注意通风。
操作人员必须经过专门培训,严格遵守操作规程。
建议操作人员佩戴自吸过滤式防毒面具(半面罩),戴化学安全防护眼镜,穿防毒物渗透工作服,戴橡胶耐油手套。
46#导轨油
46#导轨油优良的减摩性能,可使机床在低速下将振动或间断滑动(粘-滑)减为最小;优良的抗氧防锈性能,延长设备使用寿命;优良的抗泡性和空气释放性,保证液压系统工作灵敏、准确、平稳与各种常规密封材料均有良好的适应性。
一、46#导轨油参数:
产品名称46#导轨油
品牌美科润滑油
适用设备磨床、镗床、数控机床
负荷等级重负荷
包装18L(塑料桶),200L(大铁桶)
二、46#导轨油相关推荐:
MP220机床导轨油MP220机床导轨油用于所有机械工具的金属导轨,负荷重、精密高的磨床、铣床、镗床、数控机床及重型导轨的润滑减磨。
油膜强度高,能满足机床因高度精确及慢速而必须爬行及震颤等现象的要求。
三、46#导轨油知识分享:
切削液添加
添加时,应在单独的干净液槽内按建议浓度配置好补充液,搅拌后加入机床液槽,不能只补充水。
补充液的建议浓度为:
全合成切削液1-2%
半合成切削液2-3%
乳化切削液3-4%。
导轨油安全技术说明书(MSD)S一、物品与厂商资料物品中文名称:导轨油物品英文名称:SAGAWA SL IDEWAY OIL T SERIES型号:物料号:批次号:二、成分辨别资料组成部份:由矿物油及极压剂、防锈剂、粘附剂、抗泡剂等组成产品性能:具有良好的润滑性、抗极压性和粘附性。
广泛用于机械设备之多用途导轨及其它各部位润滑。
危害物质成份(成成份百分比):无三、危害辨识资料主要危害效应:危害之程度取决于接触时间之长短、接触量及急救速度与彻底的处理措施吸入:无显著危害效应资料皮肤接触:皮肤不适眼睛接触:刺激眼睛食入:呼吸危害、肠胃不适环境影响:无此有效资料物理性及化学性危害:高热产生有害油雾蒸气之危害效应的报告物品危害分类:无四、急救措施不同暴露途径之急救方法:吸入:停止操作,置于通风良好的环境中。
皮肤接触:用清洗剂清洗干净即可。
眼睛接触:立即用大量清水冲洗,再用消炎药水清洗,并马上送去医院吞食:清洗肠胃。
对急救人员之防护:无此有效资料对医师之提示:无此有效资料五、灭火措施适用灭火剂:火灾用干粉(ABC或BC)、二氧化碳、泡沫及水雾。
大型火灾用泡沫或使用大量微细水雾减火灭火时可能遭遇之特殊危害:完全燃烧产生CO2、H2O、未完全燃烧会产生CO。
蒸气空气混合物高于闪火点可能引起火灾。
特殊灭火程序:1 、救火人员须穿戴防护具及呼吸器,在上风处救火。
2 、停止油料的外泄与流动并使用减火剂,隔离外泄区所有的火源3 、如果没有发生危害的可能,进入灾区尽量移开储存容量。
4 、用水雾冷却灾区附近之容器,直至火扑灭减。
5 、请注意此油料易与氧化剂反应。
6 、避免吸入高温燃烧产生之有害气体。
7 、注意不得以高压水柱直接喷射泄露之油料8 、尽量使用自动或固定式减火设备减火,人员避免进入灾区消防人员之特殊防护设备:发生火灾时,应携带适当防护装置或个人自携式呼吸设备六、泄露处理方法个人应注意事项:1 、在污染区尚未完全清理干净前,限制人员接近区2、确定清理工作是由受过训练的人员负责。
产品名称导轨油68#企业识别略成分/组分信息➢配方说明:高度精炼的矿物油及添加剂危害识别➢危害说明:未被列为有害物质、未被列为健康危害物质、未被列为环境危害物质。
➢预防措施:无预防用语➢事故响应:无预防用语➢安全储存:无预防用语➢废弃处置:无预防用语➢不影响分类的其它危害:未被评为可燃物,但会燃烧。
长期或持续接触皮肤,而不适当清洗,可能会阻塞皮肤毛孔,导致油脂性粉刺/毛囊炎等疾病。
用过的油可能包含有害杂质。
急救措施➢一般信息:在正常条件下使用不应会成为健康危险源。
➢吸入:于正常使用状况下,不需要治疗。
若症状仍存在,应获取医疗建议。
➢接触皮肤:脱去污染衣物。
用水冲洗暴露的部位,并用肥皂(如有)进行清洗。
如刺激持续,请求医。
➢接触眼睛:用大量的水冲洗眼睛。
如刺激持续,请求医。
➢吞食:除非吞服量大,一般无医疗的必要,但仍应求医。
➢最重要的症状/作用(急性和慢性):油脂性粉刺/毛囊炎征兆及症状可能包括曝露的皮肤出现黑色脓包及斑点。
若摄入,可能会导致恶心、呕吐及/或腹泻。
➢立即治疗,特殊看护:对症治疗。
消防措施➢使所有非急救人员撤离火区。
➢化学品引发的特殊危害:危险燃烧物品可能包括:气载固体与液体微粒及气体(烟)的复杂混合物。
一氧化碳。
未被识别的有机、无机化合物。
➢适当的灭火介质:泡沫,洒水或喷雾。
干化学灭火粉、二氧化碳、沙或泥土仅宜用于小规模火灾。
➢不适用的灭火物:切勿喷水。
➢消防人员防护设备和防范:合适的保护装置包括在密封空间内接近起火点时必需配戴的呼吸装置。
泄漏应急处理➢个人防范、保护设备及紧急措施:避免沾及皮肤及眼睛。
➢环保防范:使用合适的防扩散措施, 以免污染环境。
用沙、泥土或其它适合的障碍物来防止扩散或进入排水道、阴沟或河流。
➢密封及清理方法和材料: 溢出后,地面非常光滑。
为避免事故,应立即清洁。
用沙、泥土或其它可用来栏堵的材料设置障碍,以防止扩散。
直接回收液体或存放于吸收剂中。
用粘土、沙或其它适当的吸附材料来吸收残余物,然后予以适当的弃置。
导轨油技术参数范文
导轨油是一种用于润滑机械设备导轨的润滑油,它主要用于减少运动部件之间的摩擦和磨损,同时提高设备的工作效率和寿命。
导轨油的技术参数包括粘度、油膜厚度、极压性能和耐久性等方面。
首先,粘度是导轨油的重要技术参数之一、粘度描述了导轨油在不同温度下的流动特性,通常用动力粘度来表示。
导轨油的粘度应根据设备的工作条件和要求来选择,通常采用ISO粘度等级进行标示。
其次,导轨油的油膜厚度是衡量其润滑效果的关键参数之一、油膜厚度决定了导轨油在摩擦表面上形成的油膜的厚度,从而减少摩擦和磨损。
导轨油的油膜厚度应根据设备的负荷和速度要求进行选择,通常使用磨损测试和油膜观察等方法来评估油膜厚度。
极压性能也是导轨油的重要技术参数之一、在一些高负荷和高温条件下,导轨油需要具有良好的极压性能,以防止机械设备在工作过程中产生过大的摩擦和磨损。
常用的极压性能评价方法有四球试验和Timken试验等。
此外,导轨油的耐久性也是考虑的重要因素。
耐久性主要指导轨油在使用寿命内能否保持其润滑性能和稳定性。
耐久性测试通常包括氧化稳定性测试、粘度指数测定和油的清洁度等方面。
最后,还可以考虑导轨油的环境友好性。
环境友好型导轨油应具有低挥发性、低毒性和生物降解性等特点,以减少对环境的污染和危害。
总而言之,导轨油的技术参数包括粘度、油膜厚度、极压性能、耐久性和环境友好性等方面。
在选择导轨油时,应综合考虑设备的工作条件和要求,以及导轨油的性能参数,以保证设备的正常运行和寿命。
220#导轨油
220#导轨油优良的减摩性能,可使机床在低速下将振动或间断滑动(粘-滑)减为最小;优良的抗氧防锈性能,延长设备使用寿命;优良的抗泡性和空气释放性,保证液压系统工作灵敏、准确、平稳与各种常规密封材料均有良好的适应性。
一、220#导轨油参数:
产品名称220#导轨油
品牌美科润滑油
适用设备磨床、镗床、数控机床
负荷等级重负荷
包装18L(塑料桶),200L(大铁桶)
二、220#导轨油相关推荐:
MP32机床导轨油MP32机床导轨油用于所有机械工具的金属导轨,负荷重、精密高的磨床、铣床、镗床、数控机床及重型导轨的润滑减磨。
油膜强度高,能满足机床因高度精确及慢速而必须爬行及震颤等现象的要求。
三、220#导轨油知识分享:
切削液的防锈性能和抗泡性能
切削液的防锈性能:金属工件加工后的工件表面都是材料的新鲜表面,没有任何保护,极易受环境的攻击而被损害,一是空气中的氧和潮湿会使表面的金属生成氧化物或造成锈蚀;二是切削液中的添加剂特别是极压添加剂中,很多含较活泼的硫或氯,也可与金属生成质地疏松的硫化物或氯化物。
所以要求切削液需要具有一定的保护性能,使金属工件在工序间有防锈性,加工处理的金属工件得到保护。
导轨油安全技术说明书(MSDS)一、物品与厂商资料物品中文名称:导轨油物品英文名称: SAGAWA SL IDEWAY OIL T SERIES型号:物料号:批次号:二、成分辨别资料组成部份:由矿物油及极压剂、防锈剂、粘附剂、抗泡剂等组成产品性能:具有良好的润滑性、抗极压性和粘附性。
广泛用于机械设备之多用途导轨及其它各部位润滑。
危害物质成份(成成份百分比):无三、危害辨识资料主要危害效应:危害之程度取决于接触时间之长短、接触量及急救速度与彻底的处理措施吸入:无显着危害效应资料皮肤接触:皮肤不适眼睛接触:刺激眼睛食入:呼吸危害、肠胃不适环境影响:无此有效资料物理性及化学性危害:高热产生有害油雾蒸气之危害效应的报告物品危害分类:无四、急救措施不同暴露途径之急救方法:吸入:停止操作,置于通风良好的环境中。
皮肤接触:用清洗剂清洗干净即可。
眼睛接触:立即用大量清水冲洗,再用消炎药水清洗,并马上送去医院吞食:清洗肠胃。
对急救人员之防护:无此有效资料对医师之提示:无此有效资料五、灭火措施适用灭火剂:火灾用干粉(ABC或BC)、二氧化碳、泡沫及水雾。
大型火灾用泡沫或使用大量微细水雾减火灭火时可能遭遇之特殊危害:完全燃烧产生CO2、H2O、未完全燃烧会产生CO。
蒸气空气混合物高于闪火点可能引起火灾。
特殊灭火程序:1、救火人员须穿戴防护具及呼吸器,在上风处救火。
2、停止油料的外泄与流动并使用减火剂,隔离外泄区所有的火源3、如果没有发生危害的可能,进入灾区尽量移开储存容量。
4、用水雾冷却灾区附近之容器,直至火扑灭减。
5、请注意此油料易与氧化剂反应。
6、避免吸入高温燃烧产生之有害气体。
7、注意不得以高压水柱直接喷射泄露之油料8、尽量使用自动或固定式减火设备减火,人员避免进入灾区消防人员之特殊防护设备:发生火灾时,应携带适当防护装置或个人自携式呼吸设备六、泄露处理方法个人应注意事项:1、在污染区尚未完全清理干净前,限制人员接近区2、确定清理工作是由受过训练的人员负责。
液压导轨油——简介
液压导轨油适用于各类设备金属导轨的润滑,低粘度的导轨油(32、68)适用于水平导轨的润滑,高粘度的导轨油(150、220)适用于垂直导轨的润滑。
黑田润滑油的液压导轨油的参数如下
典型数据
项目典型数据
ISO粘度等级32 68 150 220
运动粘度,(40℃)30.46 63.42 143.43 215.54 闪点,℃226 238 240 242
倾点,℃-18 -18 -15 -12
静/动摩擦系数比0.77 0.77 0.71 0.71
性能特点
1.品质优良,经济耐用。
2.抗泡性能好,能确保系统之速度及定位准确有良好的抗乳化性,避免水份进入产生乳化液和腐蚀机体。
3.加有特种抗粘—滑添加剂,在低速重载运动下使振动或间断滑动减为最小良好的粘温特性,保证高低温情况下正常使用。
黑田润滑油的液压导轨油按照40℃运动粘度分为32、46、68、100、150等牌号,采用三次加氢技术提炼的优质矿物油,特别添加抗粘滑添加剂精制而成,具有防锈、抗氧化、抗磨性能,而且具备优异的抗粘滑性,适用于液压和导轨润滑合用的一个油路系统的精密机床上,也适用于其它要求有良好黏附性的机械润滑部位。
导轨油安全技术说明书(MSDS)一、物品与厂商资料物品中文名称:导轨油物品英文名称: SAGAWA SL IDEWAY OIL T SERIES型号:物料号:批次号:二、成分辨别资料组成部份:由矿物油及极压剂、防锈剂、粘附剂、抗泡剂等组成产品性能:具有良好的润滑性、抗极压性和粘附性。
广泛用于机械设备之多用途导轨及其它各部位润滑。
危害物质成份(成成份百分比):无三、危害辨识资料主要危害效应:危害之程度取决于接触时间之长短、接触量及急救速度与彻底的处理措施吸入:无显著危害效应资料皮肤接触:皮肤不适眼睛接触:刺激眼睛食入:呼吸危害、肠胃不适环境影响:无此有效资料物理性及化学性危害:高热产生有害油雾蒸气之危害效应的报告物品危害分类:无四、急救措施不同暴露途径之急救方法:吸入:停止操作,置于通风良好的环境中。
皮肤接触:用清洗剂清洗干净即可。
眼睛接触:立即用大量清水冲洗,再用消炎药水清洗,并马上送去医院吞食:清洗肠胃。
对急救人员之防护:无此有效资料对医师之提示:无此有效资料五、灭火措施适用灭火剂:火灾用干粉(ABC或BC)、二氧化碳、泡沫及水雾。
大型火灾用泡沫或使用大量微细水雾减火灭火时可能遭遇之特殊危害:完全燃烧产生CO2、H2O、未完全燃烧会产生CO。
蒸气空气混合物高于闪火点可能引起火灾。
特殊灭火程序:1、救火人员须穿戴防护具及呼吸器,在上风处救火。
2、停止油料的外泄与流动并使用减火剂,隔离外泄区所有的火源3、如果没有发生危害的可能,进入灾区尽量移开储存容量。
4、用水雾冷却灾区附近之容器,直至火扑灭减。
5、请注意此油料易与氧化剂反应。
6、避免吸入高温燃烧产生之有害气体。
7、注意不得以高压水柱直接喷射泄露之油料8、尽量使用自动或固定式减火设备减火,人员避免进入灾区消防人员之特殊防护设备:发生火灾时,应携带适当防护装置或个人自携式呼吸设备六、泄露处理方法个人应注意事项:1、在污染区尚未完全清理干净前,限制人员接近区2、确定清理工作是由受过训练的人员负责。
cnc导轨油
cnc导轨油优良的减摩性能,可使机床在低速下将振动或间断滑动(粘-滑)减为最小;优良的抗氧防锈性能,延长设备使用寿命;优良的抗泡性和空气释放性,保证液压系统工作灵敏、准确、平稳;与各种常规密封材料均有良好的适应性。
一、cnc导轨油参数:
产品名称cnc导轨油
品牌美科润滑油
适用设备磨床、铣床、镗床、数控机床
负荷等级重负荷
包装18L(塑料桶),200L(大铁桶)
二、cnc导轨油相关推荐:
铝合金切削液东莞美科铝合金切削液专为铝合金加工而研制,润滑性好,适用于加工难度高的加工工艺,如飞机制造业及汽车制造业中使用的铝合金,其独特配
方能有效抑制细菌,使用寿命极长。
三、cnc导轨油知识分享:
在使用微量润滑系统的过程中应密切关注热量向部件传输的现象。
为准确控制部件升温,必须观察详尽的过程参数,优化工序在气缸头加工中也非常重要。
微量润滑系统专家Michael Knauf说:“为确保实现所需精度,必须深入考量所有的工艺步骤,力求通过有针对性的流程控制体系改善部件的生产品质。
最终,热量应该主要通过切屑排出,而不再通过冷却剂。
我们非常清楚各个工序里热量向部件传输的情况。
导轨油安全技术说明书(MSDS)一、物品与厂商资料物品中文名称:导轨油物品英文名称:SAGAWA SL IDEWAY OIL T SERIES型号:物料号:批次号:二、成分辨别资料组成部份:由矿物油及极压剂、防锈剂、粘附剂、抗泡剂等组成产品性能:具有良好的润滑性、抗极压性和粘附性。
广泛用于机械设备之多用途导轨及其它各部位润滑。
危害物质成份(成成份百分比):无三、危害辨识资料主要危害效应:危害之程度取决于接触时间之长短、接触量及急救速度与彻底的处理措施吸入:无显著危害效应资料皮肤接触:皮肤不适眼睛接触:刺激眼睛食入:呼吸危害、肠胃不适环境影响:无此有效资料物理性及化学性危害:高热产生有害油雾蒸气之危害效应的报告物品危害分类:无四、急救措施不同暴露途径之急救方法:吸入:停止操作,置于通风良好的环境中。
皮肤接触:用清洗剂清洗干净即可。
眼睛接触:立即用大量清水冲洗,再用消炎药水清洗,并马上送去医院吞食:清洗肠胃。
对急救人员之防护:无此有效资料对医师之提示:无此有效资料五、灭火措施适用灭火剂:火灾用干粉(ABC或BC)、二氧化碳、泡沫及水雾。
大型火灾用泡沫或使用大量微细水雾减火灭火时可能遭遇之特殊危害:完全燃烧产生CO2、H2O、未完全燃烧会产生CO。
蒸气空气混合物高于闪火点可能引起火灾。
特殊灭火程序:1、救火人员须穿戴防护具及呼吸器,在上风处救火。
2、停止油料的外泄与流动并使用减火剂,隔离外泄区所有的火源3、如果没有发生危害的可能,进入灾区尽量移开储存容量。
4、用水雾冷却灾区附近之容器,直至火扑灭减。
5、请注意此油料易与氧化剂反应。
6、避免吸入高温燃烧产生之有害气体。
7、注意不得以高压水柱直接喷射泄露之油料8、尽量使用自动或固定式减火设备减火,人员避免进入灾区消防人员之特殊防护设备:发生火灾时,应携带适当防护装置或个人自携式呼吸设备六、泄露处理方法个人应注意事项:1、在污染区尚未完全清理干净前,限制人员接近区2、确定清理工作是由受过训练的人员负责。
HG液压—导轴油
Hydraulic-Slide Way Oils HG
概述:本品采用深度精制基础油,加入抗氧、防锈、油性、抗磨、抗泡等添加剂调制而成。
产品执行GB11118.1-94之L-HG液压油标准
主要性能:具有良好的抗氧化性、防锈性、抗磨防粘性和粘一滑性能。
用途:适用于精密机床液压一导轨润滑,也可用于其它要求油有良好粘一滑性能机械润滑部位
注意事项:
使用及贮运过程中要防止异物及水混入;
不要与其它液压油—导轨油混用;
保持油箱的清洁,换油时,油箱及油路要清洗干净。
包装形式:18L塑桶、170Kg铁桶包装。
导轨油
Slide Way Oils
概述:
本产品采用深度精制基础油,加入油性、抗氧、防锈、抗泡等多种添加剂经科学配制而成。
产品执行SH 0361-92标准
主要性能:
优良的粘-滑特性,防止导轨爬行,满足机床的精密加工要求。
良好的润滑性、防锈性、抗氧性。
对铜、铝金属均无腐蚀。
良好的极压抗磨性,氧化安定性和金属湿润性。
用途:
适用于润滑各种精密机床导轨、密封齿轮、拖板、定位器等滑动部位。
以及冲击振动摩擦点,尤其是工作台导轨。
适合环境温度0℃以上,其中32号油可用于镗床、坐标镗床、磨床、万能工具磨床;68号油用于内圆磨床、万能磨床、滚齿机床、坐标镗床;100号油用于光学坐标镗床;150号油用于坐标镗床、落地镗床等。
注意事项:
根据设备用油规定,选用不同牌号的油。
在使用及贮运过程中要防止杂物污染,严防杂质及水混入。
不要与其他油品混合,防止性能变差。
包装规格:18L塑桶、170Kg铁桶包装。