船舶内装作业指导书
- 格式:doc
- 大小:28.00 KB
- 文档页数:2
船体合拢装配施工作业指导书一、本工艺适用范围本工艺仅针对船台合拢阶段提出的具体要求和规定,以确保船体建造质量。
二、主要内容船体分段从下料至分段建造完工进行船台合拢,由于分段精度、施工过程或转运过程中产生变形,错位等一些问题,而需要对分段结构进行校正,挖补,开调等修补工作,为加强合拢阶段质量过程控制,规范施工作业行为,现作如下工艺要求:1、分段型材结构断缝及挖换工艺:由于分段内部结构相互穿插,分段合拢口型材对接存在偏差等,为方便分段合拢定位,需要对构件增加断缝处理,还有些构件变形严重需进行局部挖换,原则上是按图纸上挑开原始板缝施工,考虑到构件的原始接缝较长,受舱室空间狭小不利条件影响,不利于施工现场作业,根据型材分类进行增加断缝及挖换处理的工艺要求:a)平直型材:根据IACS和CSQS的标准,对型材构件增加断缝或挖换,长度最短不得小于300mm,但为了型材整体美观性,江苏金陵设计公司要求长度不得小于3×H(H为型材高度),相邻型材接缝应互相错开200以上。
b)曲度型材:对于有线型的型材,增加断缝及挖换长度同平直型材尺寸,下料后开好坡口,将型材放在铁平台上加工线型,并划出所需加工型材的线型,并在线型上标出所加工型材的起止位置,板缝位置、纵桁及平台安装位置,肋号等标记,现场装配时参照这些标记进行定位。
c)T型材:T型构件挖换长度不得小于腹板的高度且要大于300,装配前T型构件需预制妥当后方可装配,T型构件相对接时面板与腹板接头应错开150mm。
2、分段结构焊接接头的装配:对于下边舱卷龙板,外板线型较大区域,结构较密集区域,经过精控检测后发现构件错位需开调,开调长度不得少于错位偏差值的50倍,并按如下表格规范要求施工:a)角接接头偏差及装配要求:b)对接接头偏差及装配要求:3、分段主板工艺挖换:对于分段主板需要挖换,需及时向相关部门反馈,由技术部门出挖换方案,经船东船检认可后方可施工,严禁私自动割刀挖换。
1.目的为了更好地加强舾装件制作管理,规范舾装件制作流程,确保舾装件油漆、镀锌质量及配送保护。
2.适用范围适用于车间内业科舾装件制作及管理。
3.制作程序及要求3.1领料3.1.1规格与数量要和领料单位相应,不可多领少领或错领,如原材料数量与制作图不符时,应通知下料员重新开票。
3.1.2领料时要注意把好质量关,外观光滑不可有明显麻坑等缺陷。
3.1.3领用薄板时要注意原材料是否变形不平整,同时充分利用平板车防止铲运变形。
3.2下料及加工3.2.1小型材(钢管、扁钢、角钢、圆钢等)下料时要用切割机,要做到尺寸精准、角尺,确保外端头光滑、平整,同时也要考虑大料大用小料小用的原则。
3.2.2如需手工下料时必须使用仿形或靠模切割,图纸要求钻孔的不得使用割刀手工开孔。
3.2.3管件加工时要严格控制角度,确保符合图纸要求。
要充分理解图之后方可施工,如图纸有疑问不可盲目操作,要与下料员、工艺核对后再制作。
装配过程中要注意做到横平竖直,尺寸要与图纸相符,左右是否对称,同时也要注意反变形控制,减少后续校正工作量。
坡口的开设必须按照图纸要求。
制作人员要做好自检、互检,严格遵守“三级报验”制度。
焊前要了解图纸要求,严格遵守焊接工艺要求施工。
焊后校正在可用加工设备条件下,尽量不用火工校正。
如遇特殊工件不能独立操作的,不要盲目施工,应与加工班探讨后再操作,避免人工、材料浪费及工期滞后。
所有成品舾装件必须有图号标牌,栏杆的堆放要防止挤压变形,按大小顺序堆放整齐。
3.4 油漆、镀锌镀锌件的表面不能有油脂油漆和清漆,此类油漆无法酸洗,如有此类油漆必须冲砂后方可镀锌。
每件材料镀锌是悬挂高低倾斜入池,管类(含方管)材料需在每根管件下方入锌,上方出气,达到管件内锌能全部覆盖,不能存有空气防止爆裂,入锌孔在每根管件下方距离焊缝5mm处开设,出气孔在每根管件上方距焊缝5mm处开设,如管件有圆角的需在圆角中部下方开设防爆孔。
为了进出锌流畅,达到镀锌的满意效果。
船舶内装工程施工计划一、工程概况船舶内装工程是指在船舶建造或改建过程中,对船舶内部空间进行装饰、装修和设备安装的工作。
本工程为XX型船舶的内装施工项目,主要包括船舱、走廊、卫生间、厨房、客厅、卧室等区域的装修和设备安装。
二、施工目标1. 确保工程质量:严格遵守船舶内装工程施工标准,确保施工质量符合设计要求和船舶运营安全要求。
2. 保证工程进度:按照施工计划合理安排施工流程,确保工程按时完成。
3. 控制工程成本:合理利用资源,降低施工成本,提高工程效益。
4. 保障施工安全:加强施工现场安全管理,确保施工人员的人身安全及设备完好。
三、施工准备1. 技术准备:熟悉施工图纸和相关技术规范,组织技术人员进行施工方案设计和工艺培训。
2. 材料准备:根据施工图纸和材料清单,提前采购所需的装修材料、设备及配件。
3. 设备准备:配置足够的施工设备,如电钻、切割机、打磨机等。
4. 人员准备:组织施工队伍,进行技能培训和安全教育。
5. 现场准备:确保施工现场清洁、平整,满足施工条件。
四、施工流程1. 船舱装修:先进行船舱基层处理,包括去除旧漆、打磨、除尘等,然后进行防腐、防潮、防火处理,最后进行舱内墙面、天花板和地面的装修。
2. 卫生间施工:按照设计要求进行防水处理,然后施工卫生间墙面、地面和天花板的装修。
3. 厨房施工:进行厨房基层处理,安装厨房设备,如炉灶、水池、橱柜等。
4. 客厅和卧室装修:按照设计要求进行墙面、地面和天花板的装修,安装家具和电器设备。
5. 走廊施工:施工走廊墙面、地面和天花板,安装照明、通风等设备。
6. 设备安装:安装船舶动力系统、导航系统、通讯系统等设备。
五、施工进度计划1. 施工前期:10天内完成施工准备。
2. 施工期:按照施工流程合理安排工期,确保工程按时完成。
3. 施工后期:10天内完成施工收尾工作,包括清理现场、验收工程等。
六、施工质量控制1. 施工过程中,严格执行施工方案和工艺要求,确保工程质量。
装船作业指导书一、目的安全、效率等。
二、适用范围公司装船作业等。
三、职责划分司机、值班长、巡视、技术人员、维修人员、清煤人员……等相关人员在该作业中的主要职责分别是什么。
四、作业程序1、作业前准备解除锚固、检查设备状态及作业环境、接通电源……,以及这些工作的方法、要求和注意事项等。
2、装船作业2.1 作业开始前与中控、舱口指挥……之间的作业确认指令、程序、相关标准等;2.2 对舱、装舱等作业前后及过程中的程序、注意事项和相关要求、标准等;2.3 移舱作业前后及过程中的指令、程序、注意事项和相关要求、标准等;2.4 其他正常作业的程序、注意事项和相关要求、标准等;2.5 停机作业前后及过程中的指令、程序、注意事项和相关要求、标准等;2.6 装船机锚固的程序、注意事项和相关要求、标准等;2.7 以上作业过程中发现问题时的汇报、处理程序等。
……注:编写以上内容要求发送、接收指令的岗位人员明确,指令清晰,程序叙述简洁明了。
3、装船作业流程图:参考附件1流程图举例,要求流程清晰,每一个环节的责任人清楚,并如附件1做好流程图说明。
4、作业后要求设备的停放状态、位置要求、闭锁方式等,以及人员离开时的相关其他要求等。
五、设备操作说明1、操作前的准备设备操作前的检查内容、操作方式的选择及其他准备工作等。
2、各种操作说明2.1 行走2.2 臂架俯仰2.3 臂架回转(SL7、SL8)2.4 悬臂伸缩2.5 溜筒旋转2.6 溜筒摆动……以上装船机的各种主要动作的操作方式、动作范围或标准、操作注意事项等。
六、装船作业效率提升措施根据长期作业的经验,认真总结出可能影响作业效率的不同作业条件下提升作业效率的有效方案、措施。
在涉及原因分析或者影响因素等时,可以利用故障树或者鱼刺图的方式进行,鱼刺图参考附件2鱼刺图举例。
七、常见问题和特殊情况的处理措施1、常见问题的处理方法认真总结多年作业过程中堵斗、打滑、冻煤、粘煤、着火煤……等常见在线故障和其他问题的处理方法。
船舶内装工艺1 适用范围本指导书适用于绝缘材料敷设工艺、甲板敷料敷设工艺、木质家具制作及安装、木作舱室内装工艺。
2 工艺内容2.1 陶瓷棉敷设工艺2.1.1 施工前准备(1)防火分隔绝缘材料敷设前,有关结构的焊接、切割、火工校正等工作均应结束,一般不允许在绝缘材料施工后再进行明火作业;(2)防火分隔及防潮型矿物棉板的固定形式按已确定的设计图纸施工。
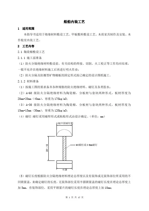
2.1.2 材料准备(1)按施工图的要求备齐各种规格的防火绝缘材料、碰钉及各类胶水;(2)A-60级防火分隔绝缘材料为陶瓷棉,分板材与套块两种形式,板材厚度为20mm+20mm(40mm),容重为170kg/m3;(3)A-30级防火分隔绝缘材料为陶瓷棉,分板材与套块两种形式,板材厚度为15mm+15mm(30mm),容重为120kg/m3;(4)碰钉:碰钉采用碰焊形式或粘贴形式由设计确定。
(单位:mm)(5)碰钉长度根据防火分隔绝缘材料理论总厚度以及有装饰或无装饰部位所采用的不同锁紧盖,来确定碰钉的长度,无装饰部位采用半圆锁紧盖的碰钉长度在理论总厚度上加5mm,有装饰部位,采用平锁紧片的碰钉长度在理论总厚度上加10mm;(6)胶水(由防火分隔绝缘材料生产厂配套供应);(7)耐高温碰钉粘结剂,用于碰钉与船体钢结构之间的粘结;(8)MPV-20型粘结剂(单组份),用于绝缘材料与船体钢结构之间的粘结。
2.1.3 工具准备手提式风动搅拌器或搅拌棒(用于各种胶水的搅拌),切割刀,剪刀,带齿形刮板,油漆刷、尺等。
2.1.4 环境准备(1)需敷设绝缘的钢板和型材,均应按油漆工艺涂刷或二层底漆。
施工时底漆表面应干净无油渍、锈斑。
如有不洁必须打磨干净,并补上底漆,然后方可敷设绝缘材料;(2)凡施工现场均应有良好的通风环境,以保证施工的安全性;(3)在施工现场,环境温度低于-10℃时不得施工。
2.1.5 施工步骤及安全(1)碰钉粘结a.碰钉胶应用搅拌器或搅拌棒搅拌、并按说明书要求进行;b.在需粘碰钉处划好线(纵、横线要求垂直,水平);c.将碰钉底部圆铁片的油污、锈斑清除干净然后蘸上碰钉胶,将其粘贴在所需的部位(胶的厚度不大于2mm)。
38000吨级自航半潜船建造方案(初稿)目录:一.建造方案(1-4)二.船坞建造方针(4-12)三.壳、舾、涂作业要领(12-15)四.出坞技术完成量的要求(舾装)(16-17)五.焊接工艺要领(18-20)六.涂装要求(21-24)七.分段组合要领(25-30)一、建造方案38000吨级自航半潜船的建造方案的总目标是在400T门吊的基础上保证在安全、生产质量的前提下,采用:下料→加工→小装配→补涂→组件→框架→补涂→分段→密试预装涂装→平面总组→密试、补装、涂装→立体总组→密试、补装、涂装→大合拢→密试、安装、涂装→码头舾装→交船的建造法,开工至交船总周期12-18个月。
(一).建造原则:1.分段划分、总组划分(附图)2.本船的阶段区域划分为5个区域①货舱②机舱③首部④艉部⑤上建。
其计划安排必须按①~⑤顺序进行安排。
3.内业加工原则按照以下3点:(批次按计划顺序进行可以3-4个段进行套料)①内部结构:肋板、纵桁、舷侧的肋板、管弄、T型结构件、有线型的强肋骨T型材等以及要装在构件上的扁钢、凡需拼接的板材。
②内部板材:内底板、甲板、平台、纵壁、横壁。
③外壳板材:直接拼板。
④型钢分两大类:A、与内部板材需安装的型钢、扁钢(个别装在内部结构的型钢应配在内部结构的范围内)。
B、外壳板材需安装的型钢、扁钢。
以上内容分线布置、分类进行专业化生产,尽可能减少内场重复运输。
4.船体分段制造按成组技术的原理进行归类,分线进行专业化生产。
①底部:肋板、拼板部件→平面组件→立体组件→底部分段②舷侧:强肋骨、拼板部件→舷侧分段③纵舱壁:舱壁扶强材、拼板部件→平面组件→立体组件→纵舱壁分段④横舱壁:舱壁扶强材、拼板部件→横舱壁分段⑤甲板:横隔板、纵隔板、拼板部件→平面组件→立体组件→甲板分段⑥上建:平面、拼板部件→T型材、壁板部件→平面分段→上建分段5.总组原则:①机舱区域分为3个区域,机舱底部、花钢板平台以下、花钢板平台以上,各层形成盆舾装;②上建区域③艉部④艏部⑤货舱区域以底部左、中、右3个分段进行环向总组,甲板区域分为左、中、右4个分段进行总组。
船舶内装工程施工方案前言船舶内装工程是指对船舶进行内部布局设计和装饰装修以及船舶内部管舵、动力、通讯、供应等设备以及生活用品和装置的安装工程。
船舶内装工程是船舶设计、建造的重要组成部分之一,它的质量直接影响船舶的使用性能、外观形象和性价比。
为了保证船舶内装工程的施工质量,我们制定了以下船舶内装工程施工方案。
施工前准备施工计划为确保船舶内装工程能按时、按质、按量完成,需要制定施工计划,明确工期、工程量、施工内容、用料、技术要求以及人力、财力等资源情况。
施工安全船舶内装工程施工主要集中在船舱室内进行,空间狭小,通风条件不佳,易引发火灾、中毒和职业病等事故。
因此,施工前需要制定施工安全规划,严格遵守安全操作规程,合理设置防护和救生设备。
施工场地船舶内装工程施工场地需要满足以下要求:1.良好的采光和通风条件。
2.平坦、结实、干燥、无杂物的地面。
3.能满足施工需要的各种设施设备和材料。
4.保证不影响其他船舶的航行和停泊。
施工流程基础处理船舶内装工程施工前需要对船底、基础进行处理,主要包括清洗、除锈、防腐等工作,以确保基础能达到使用要求。
船舱隔舱根据内装设计方案,需要在船舱内设置隔舱,用以满足船员、货物、设备等的使用需求。
隔舱需要按照设计要求安装隔舱板、隔舱门等隔舱设备,同时设置必要的通风、照明和消防设备。
内装装修根据内装设计方案,对船舱、通道、卫生间、厨房等不同部位进行内装装修。
内装需要按照设计方案进行木工、电工、水暖工等作业,包括地面、墙面、天花板、灯具、暖气、通风、给排水等。
设备安装船舶内装工程中还需要安装管舵、动力、通讯、供应等设备,这些设备需要按照设计方案进行安装、接线、调试,确保能够有效运行且符合相关标准和规定。
清洁验收船舶内装工程施工完成后需要进行清洁验收,确保施工质量达到要求,并对施工现场进行彻底清理,消除施工垃圾。
报告验收施工完成后,需要进行报告验收,输出验收报告,包括施工的过程、使用的材料、设备等信息,并提供施工保证书。
船舶建造内装作业指导书1 目的本指导书对船舶内装施工过程的作业要求提出的规定,以确保船舶产品质量满足规定的要求。
2 适用范围适用于船舶建造内装施工的过程控制。
3 职责3.1内装部门根据生产管理部门计划科下达的月度计划,编制详细的生产作业计划,并对质量按工艺标准进行现场监控。
3.2质管部门负责质量检验,确保质量符合船检、船东要求。
3.3技术部门负责提供内装工作图和房间设备布置图等相关图纸。
4 实施4.1分段或总段碰钉的划线及焊接4.1.1 熟悉图纸,了解绝缘分隔的级别:A级、B级、C级,彻底了解A-60级绝缘及隔热绝缘区域的所在位置,掌握图纸的技术要求;4.1.2 明确各部位所用碰钉的长度及型号,进行准确的焊接。
使绝缘合理安装;4.1.3 根据绝缘布置图对各区域进行碰钉的划线及焊接。
并注意:a.所焊碰钉需排列整齐;b.所焊碰钉固定坚固;c.所用碰钉的密度,一般每平方米不少于16只。
4.2房间内钢构架件的划线及装配焊接4.2.1 熟悉图纸,掌握房间内各部位尺寸,以便准确地焊接构架件;4.2.2 对房间内空调管及生活水管的净空高度进行全面确认,是否影响房间的最后净空高度及对房间内钢围壁上的电缆托架及各种管系是否影响房间的围壁深度;4.2.3 根据复合岩棉板布置图对各房间进行钢构架件划线,装配及焊接并注意:a.房间单尺寸及净空高度必须符合图纸要求;b.顶构架件及底构架件对角线需相等;c.所焊钢构架件焊接需牢固,外表美观;d.顶槽及中吊的吊挂件尽量焊在结构的加强材上;e.底槽垫块高度需满足敷设施工要求,且所有施焊位于底槽外侧。
4.3对以上项目进行交验,转至涂装进行喷涂及检验。
4.4绝缘的敷设4.4.1 敷设前对电缆托件,接地线罗柱,管系及拦水扁铁等完整性检查,交验合格后方可施工;4.4.2 根据《绝缘布置图》,确定所用材料的规格型号进行敷设并注意:a.延伸区的敷设,无漏敷,少敷或在接缝处留有间隙等现象;b.绝缘敷设层应平整,构架外部拱出部分的边缘,接缝均应整齐;c.碰钉弯起方向需一致,围壁需上弯;d.绝缘需固定牢固,表面无破损。
装船作业指导书一、目的为提高装船司机作业技能与安全意识,确保装船作业安全、高效完成,操作、点检、维修、清煤等工作的顺利进行,特编制本作业指导书。
二、适用范围本指导书适用于国投曹妃甸港口有限公司装船部装船作业工作。
三、职责划分1司机职责(1)按时听取作业计划,明确本班工作任务、技术要求、质量要求和安全注意事项。
(2)严格按装船机司机口令标准正确使用对讲机(车载台),做到口令明确、清晰,严格遵守附属口令的规定。
(3)接班后15分钟按点检规定进行点检,检查机械设备周围、空中、轨道两侧有无障碍物,按交接班程序进行交接,履行签字手续,并向值班长汇报。
(4)向值班长报岗后及时与中控联系,接到中控装船指令后,即与舱口指挥工联系,在舱口指挥工的指挥下对舱作业,对舱完毕后向中控室报告。
(5)接受中控装船指导员指令后,启动悬臂皮带机,发现问题及时向中控室和值班长汇报。
(6)服从中控调度指挥,与装船指导员密切配合,按装船作业程序在装船指导员指挥、监护下完成各种作业动作。
(7)接受中控移舱指令后,发出移舱信号,并立即与装船指导员联系,做好移舱准备。
待悬臂皮带机上的煤走净后,向中控室报告,将装船机悬臂涨到安全角度,在舱口指挥工的指挥下移舱。
移舱后复核舱位是否正确,向中控室报告后,启动悬臂皮带机继续作业。
(8)中控室下达停机指令后,待悬臂皮带机上的煤走净后,BM皮带机停止后,停止悬臂皮带机。
并对机械各部位进行检查。
(9)在大风、大雾天气等恶劣气候作业时,应与装船指导员密切联系,防止因船体摆动或视线不清发生碰撞。
(10)作业结束后,在装船指导员的指挥下,将悬臂收至规定角度,移出船体开到指定停放位置后,向值班长报告。
(11)按规定做好设备的例行检查工作。
(12)下岗前,若非重载交接,则将司机室内控制台上所有按钮开关恢复零位,将司机室清扫干净,物品摆放整齐,等接班人前来接班。
(13)认真填写运行日志,点检卡,及时上缴点检卡,交清当班生产情况、设备运行情况、故障及排除情况、领导指示及遗留问题,履行交接班手续。
船舶主要设备安装作业指导书1、目的本指导书阐述了船舶主要设备(主机,轴系,锚、绞机,舵机)及水下系统安装作业及控制要求,旨在确保施工者在安装过程中能按照要求和规范正确安装,使设备正常、可靠地运行。
2、范围本指导书适用于本公司船舶建造中船舶主要设备的安装过程。
3、职责3.1 船研所负责提供辅机、锚绞机、舵机、主机轴系的安装要求和相应的工艺及技术数据。
3.2 机装工区负责船舶主要设备的安装施工。
3.3 检验科负责对主要设备安装中各道工序实施监视和检查。
4、实施本节按辅机、锚绞机、舵机、主机及水下系统四个部分对安装实施的作业控制要求进行阐述。
4.1 辅机安装4.1.1 安装前的准备工作a. 发电机基座与船体结构的焊接工作全部结束。
b. 发电机基座拉毛、油漆工作结束,并交船东检查验收合格。
c. 根据安装图布置垫块并焊接,保证固定垫块的斜度为1:100,倾斜方向沿发电机中心向外倾斜。
d.机座焊接垫块用研磨平板拂配,色油应均匀,倾斜度不变。
4.1.2 发电机的安装a. 发电机吊装上船,应按发电机编号对号入座;b. 利用发电机的调整螺钉,支撑发电机组,根据供方提供的安装工艺进行调整,使发电机组的重量全部由调整螺钉支撑;c. 在发电机公共底座两侧中部放置两只柜架水平仪,利用调整螺钉来调整副机确保在同一水平面上,误差不超过0.1mm, 用拐挡表测量曲臂差应在误差范围内;d. 现场拂配调整垫板,确保垫块与副机基座和固定垫块之间的接触点均匀,0.05mm塞尺插入深度不得超过5mm。
e. 钻调整垫块至规定尺寸;f. 按实际尺寸与材质要求配制螺栓,并按要求力矩紧固,复测拐挡差,合格后交验。
4.1.3 对于有减振器的发电机安装,另有工艺补充要求a. 安装时,先将减振器固定在基座上,吊至船上规定的位置,使其处于自由状态,测量减振器平面与公共底座的间隙,保证在变形值相近的情况下受力均匀,可用卡尺测量。
b. 现场测量调整垫块,加工后必须保证减振器与基座承面的贴合情况,要求0.1mm塞尺插不进,个别地方允许0.2mm,但不得超过减振器底面周长的35%,深度不超过20 mm。
小艇收放装置总装作业指导书1 、安装工艺流程图制动器安装调整2、作业方法及要求2.1 连接底座安装(适用于安装在舰船对接底座、钢结构试验平台上的T 型槽连接)2.1.1 作业方法2.1.1.1 按图纸设计的位置、高程安装对接底座、对接底座安装前,应对连接法兰的上平面平面度、连接孔的位置度和扭曲进行检查,合格后方可安装。
安装前应确定对接底座的安装基准线,对接底座的安装基准线宜为甲板平面的定位基线作参考。
2.1.1.2 钢梁上铺设轨道结构的,轨道的实际中心线对钢梁实际中心线的位置偏差不应大于10mm,且不大于钢梁腹板厚度的一半。
2.1.1.3 轨道铺设在钢梁上,轨道底面应与钢梁顶面贴紧。
当有间隙、且长度超过200mm时,应加垫板垫实,垫板长度不应小于100 mm,宽度应大于轨道底面10--20 mm,每组垫板不应超过3层,垫好后与钢梁焊接固定。
2.1.1.4 轨道的实际中心线对安装基准线的水平位置的偏差,对于通用的门式起重机不应大于5 mm2.1.1.5 起重机轨道跨度小于或等于10m时,轨道跨距允许偏差为±3.0 mm。
2.1.1.6 当起重机跨度大于10m时,偏差按下式计算,但最大不应超过±15 mm。
△S=±[3+0.25(S-10)] 式中: △S—起重机跨度的允许偏差(mm) S—起重机轨道跨度(m)2.1.1.7 轨道顶面对其设计位置的纵向倾斜度,通用门式起重机不应大于3/1000,每2m测一点,全行程内高低差不应大于10 mm。
2.1.1.8 轨道顶面基准点的标高相对于设计标高的允许偏差,对于通用门式起重机为±10 mm。
同一截面两平行轨道的标高相对差,对于通用门式起重机为±10 mm。
2.1.1.9 两平行轨道的接头位置应错开,其错开距离不应等于起重机前后轮的基距。
2.1.1.10 轨道接头应符合下列要求:1)轨道接头采用焊接时,焊条应符合钢轨母材的要求,焊接质量应符合电熔焊的有关规定,接头顶面及侧面焊缝处,均应打磨平整。
1 概述本工艺根据《钢质海船入级规范》(CCS-2009版)、《材料与焊接规范》(CCS-2009版)、中国船舶工业集团公司第七O八研究所38000吨级自航半潜船以及详细设计“船体焊接规格表”(见附件1)和生产设计的工艺要领(见附件2)结合本企业具体情况而编制。
2 目的本工艺对焊接过程进行有效的控制,确保该船的焊接质量能满足上述规范和技术文件规定的质量要求。
3 工艺要求:3.1 焊工资格审查:焊工必须经培训、考核合格后持证上岗。
3.2 焊接设备:现场采用的焊接设备应能保证焊接参数的稳定性、调节灵活、安全可靠。
焊工对所使用的焊接设备应进行认真检查、确保焊接设备的完好。
3.3 焊接方法:3.3.1 本船采用手工电弧焊、CO2气体保护焊、埋弧自动焊等三种焊接方法。
其中,内底板、甲板板、平台板、纵横舱壁、外板平直部分等板材的拼板对接采用埋弧自动焊,主甲板内底板、小分段合拢组装焊采用CO2衬垫焊打底埋弧自动焊盖面;外板及构架对接,构架与板平角,立角,构件平角,构件合拢垂直角,中、大组立板材对接,总组立中合拢对接,总组立中合拢旁板,纵、横舱壁的垂直对接采用CO2气体保护焊(CO2气体纯度不低于99.5%);全位臵角焊,部分补焊采用手工电弧焊。
3.3.1.1 主体结构焊接①甲板部分为一般结构钢,甲板板平直拼接缝采用焊接方法为埋弧自动焊:焊丝JW-2、焊剂JF-A。
与纵骨、纵桁、纵壁、舷顶列板等角接焊缝采用CO2气体保护焊:TWE-711、衬垫采用JN或HS01系列。
CO2气体纯度不低于99.5%。
可以少部分点焊或补焊采用手工电弧焊:焊条NJ507或NJ502。
②除主甲板以外全部结构为高强度钢,所以采用的埋弧自动焊为适用高强度的:焊丝JW-1、焊剂JF-B。
CO2气体保护焊:TWE-711、衬垫采用JN或HS01系列。
CO2气体纯度不低于99.5%。
可以少部分点焊或补焊采用手工电弧焊:焊条NJ507。
3.3.1.2 上建结构拼板采用埋弧自动焊。
船舶内装工程方案一、项目概述船舶内装工程是船舶建造中的重要环节,它涉及到船舶内部空间的设计、装修和布局。
在这个阶段,船舶内装工程主要包括船舱、艙外公共区域、厨房、机舱、船舶餐饮厅等。
其主要任务是在满足船舶功能需求的同时,为船员和乘客提供一个安全、舒适的生活和工作环境。
二、技术要求1. 船舱内装设计方案为了确保船舶内部空间的合理布局和高效利用,船舶内装设计相关技术要求如下:(1)确保船舶内部空间的合理布局和高效利用,满足船员和乘客的基本生活和工作需求。
(2)选择符合船舶结构要求的内装材料和设备,考虑到在海上环境中的使用安全性和耐久性。
(3)根据船舶的使用功能、载客量和航行条件等要素,确定船舱内装的设计方案,确保船舶内部空间的安全性和舒适性。
2. 内装工程施工要求船舶内装工程施工是船舶建造中的关键环节,其施工要求如下:(1)按照标准规范和船级社的相关要求,对船舶内装工程进行施工,确保施工质量和船舶的环境友好性。
(2)选用符合船舶安全标准的内装材料和设备,并按照相关规范进行安装和固定,确保施工质量和船舶的使用安全性。
(3)在施工过程中,应注意保护船舶的结构和设备,避免施工过程中对船舶造成损坏。
(4)在施工完成后,应进行相关的验收和试航,确保船舶内装工程的质量和使用性能符合要求。
三、流程方案1. 内装设计阶段在船舶内装设计阶段,项目组应根据船舶的使用功能、需求和环境条件等要素,制定船舶内装的设计方案。
其流程如下:(1)调研分析:对船舶的使用需求和环境条件进行调研和分析,确定船舱内装的基本要求和设计方案。
(2)方案设计:结合船舶的航行条件、载客量和使用功能等要素,制定船舱内装的设计方案,包括内部空间的布局、装修材料和设备的选择等内容。
(3)方案评审:将设计方案进行评审,确保设计方案符合相关规范和船级社的要求,满足船舶的实际使用需求。
2. 施工阶段在船舶内装工程施工阶段,项目组应按照设计方案和相关规范,进行施工和验收工作。
船舶工程作业指导书一、前言本指导书旨在为船舶工程相关人员提供操作指导和安全要求,确保船舶工程作业的顺利进行和人员安全。
用户在进行工程作业前应仔细阅读本指导书,并按照指导书的要求进行操作。
二、安全要求1. 人员安全在进行船舶工程作业时,必须确保人员的安全。
所有工程人员必须佩戴合适的个人防护装备,包括安全帽、安全鞋、护目镜等。
严禁在未掌握相应操作技能或没有合格培训的情况下从事相关作业。
2. 设备安全所有用于船舶工程作业的设备必须经过检查和维护,并符合相关的安全标准。
在使用设备前,必须对其进行全面的检测和试运行,确保设备的正常工作。
维修及保养过程中,必须断开设备的电源,并确保设备安全可靠。
3. 环境安全船舶工程作业环境必须保持清洁、整洁,确保没有危险物品或障碍物。
工程现场必须设置警示标志,并明确指示工程范围和相关安全事项。
三、作业流程船舶工程作业的流程通常包括以下几个步骤:1. 准备工作在进行任何船舶工程作业之前,必须进行充分的准备工作。
这包括对工作目标的明确和详细的计划,工程所需的材料和设备的准备,以及作业现场的清理和准备。
2. 工作安排根据工程的具体要求和角色分工,对工作进行详尽的安排和分配。
确保每个人员明确自己的任务和责任,并按照计划进行工作。
3. 操作流程根据船舶工程作业的不同类型和具体要求,制定相应的操作流程。
操作流程应包括详细的步骤、操作方法、安全注意事项和设备使用说明。
4. 检查和监控在整个作业过程中,必须进行定期的检查和监控,确保工程的顺利进行。
对设备、材料和作业现场进行检查,发现异常情况及时处理,并及时上报相关负责人。
5. 完工验收当船舶工程作业完成后,必须进行完工验收。
验收应根据工程目标和相关标准进行,确保工程的质量和安全。
四、常见问题处理在船舶工程作业中,常常会遇到一些问题,下面列举一些常见问题及其处理方法:1. 设备故障如果在作业过程中出现设备故障,操作人员应立即暂停作业,并将故障情况上报给维修人员。
《船舶内装生产设计一体化实训指导书》一、生产设计的任务书(1)设计课题ⅩⅩⅩ船的内装生产设计(2)设计任务①要求学生按照《国际海上人命安全公约》和相关规范法规,在考虑了各处所的失火危险的基础上,通过耐热和结构性分隔将该船划分成若干处所。
根据基本结构图,特别是上层建筑结构图、舱室布置图等,结合已决定采用的保护方式绘制耐火分割图。
该图应采用合适的图例标明分隔各类处所的舱壁和甲板,包括防火门应达到的等级。
②要求学生借助艺术和技术的手段创造经营者希望展示给消费者的,以及符合《公约》及《规范》的复合岩棉板舱室壁板系统,绘制壁板系统排板图,完成舱室壁板的材料统计表。
通过对所学的理论知识的具体地运用,培养解决生产实际问题的能力,成为船舶内装技术的应用者、实施者和实现者。
(3)完成内容①舱室耐火分隔设计;②舱室复合岩棉板壁系统设计二、设计指导书(1)360人沿海客货船舱室耐火分隔设计1、客船的结构防火要求(1)防火区域的划分和耐火分隔 36人以上的国际航行客船,其船体、上层建筑和甲板室以A-60级分隔,分成若干个主竖区,如在主竖区分隔一侧的处所为开敞甲板、卫生间及类似处所、极少或没有失火危险的舱(柜)、空舱及辅机处所或在主竖区两侧均为燃油舱,则该主竖区限界面可降低为A-0级分隔。
36人及以下的国际航行客船或500人及以上的国内航行客船,其用作起居处所、服务处所的船体上层建筑应以A级分隔分层若干主竖区。
客人数少于500人或航行时间不超过4h且未设置卧席的国内航行客船,不要求设置主竖区。
每一主竖区在任一层甲板上的平均长度一般不超过40m,如为了使主竖区的端壁与水密分舱舱壁相一致,或者为了提供一个大型公共处所,允许将主竖区的长度和宽度放宽至48m,但任何一层甲板上主竖区的面积不得大于1600㎡。
对于为特殊用途设计的船舶,若设置主竖区舱壁会影响船舶的预定用途时,可设置水平区作为等效措施。
此种水平区限界面的耐火等级应与相应船舶主竖区耐火等级相同。
40 总则:舱室的布置和设计应与船东合作进行.402 家具家具和设备应按服务要求设计全船家具总体上应是复塑钢板或薄板(制成)外观和质量应适用于船用标准衣柜:舱室衣柜应装配成可锁单元,锁应包括在船用锁系列中.船员舱室的衣柜内部尺寸最小1800x500x600mm,一个衣柜内装挂衣杆和衣钩,另一个有搁架,衣柜应是复塑钢板或硬纸板/镶片(制成).床.床尺寸-2000x900mm 船长,轮机长房间-2000x800mm 高级船员,普通船员,引水员房间所有床有4个抽屉,最小总尺寸0.1m3 ,每个人底板有通气孔,油漆钢板基座床垫有2-3cm覆面的弹簧床垫沙发和椅子所有沙发和椅子用泡沫塑料并用皮革或纺织品装饰.桌子餐厅,会客室,高级船员的,普通船员的和驾驶员的桌子和写字台应覆有镶片.写字台所有舱室的写字台都应有抽斗墩,抽斗应配有碰珠和锁.锁应在船用锁系列中,抽斗墩应是复塑钢板的.书架在高级船员和普通船员舱室的写字台上方应放置一(吊)柜包含一个有档杆的书架,书架应由复塑钢板或硬纸板镶片制成.403 模拟舱室一个模拟舱室应与船东合作制造.41 居住处所410 总则舱室容量参见Part1 item 125和127围壁应使用复合岩棉板,总厚25-50mm,或者用0.7mm,复塑钢板带15mm厚岩棉在背面作声绝缘,舱室应考虑最大限度的降噪,船上舱室与走道间空气噪音绝缘最小35Db(A),衬板条可作为墙壁节点使用.舱室和走道间的围壁与WC/浴室的结构和PVC膜色调是相同的.天花板的结构与壁板有一边板的结构相似,玻璃棉绝缘.15-30mm厚,如果需要,天花板是自支撑的.舱室应安装在钢甲板上.411 驾驶员舱室壁板:PVC复塑钢板, 参见4521天花板: PVC复塑钢板或油漆钢板,参见4531地板:胶粘乙烯基地板所有舱室是相似的双人间1---双层床2---床垫1---小沙发1---桌子2---衣柜带挂衣杆1--衣架,有4个钩子1---扶手椅1---废纸篓1---成两部分的帘子,1个滚筒式帘子412 洗澡单元,驾驶员舱室这个单元应全部配备所有卫生间附件,电气安装件,管系和其它如下设备1--瓷质洗脸盆或带ORAS362混合器的烤磁漆钢质洗脸盆(或相似的).1---瓷质座便器,在EUAC真空系统中或相似的,坐高450mm.壁挂式.1---有ORAS2414,温控,手动淋浴器1---浴帘(塑料)1---镜子1---镜前灯,带括胡刀插座1---杯架1---手纸架Hacek238型或相似的.1---肥皂架Hacek238型或相似的.2---衣钩4---毛巾钩1---废纸篓1---烟灰缸单元门下有通风栅,空气从舱室进,从单元出地板: 3mm防蚀钢板复乙烯基地板,足够的斜度至落水口,应予以布置.墙壁: 230mm复合岩棉板,所有结点都须水密,且壁板间结点无可见螺钉.天花板: PVC复塑钢板衬板,参见4531可见的管子镀铬414 船员舱室壁板:PVC复塑衬板参见4521天花板: PVC复塑板衬板参见4531地板: PVC地板高级船员和普通船员舱室的窗子应安装窗帘和卷帘(遮光) 4141 船长和轮机长室家具表面应由仿木镶片制成.1---2000x900mm (内部)床带四个抽斗和床垫1---衣柜1---镜子(1200x400mm)1---桌子1---椅子1---挂衣钩会客室1---双墩写字台1800x800mm带挂文件抽屉1---书柜, 船长的带一个保险柜1---转角沙发1---扶手椅1---写字台椅子1---茶几600x800mm1---茶具柜, 带40L冰箱1---广播,电视1---衣钩1---废纸篓洗澡间单元与船员房间一致,参见4154142 带单独卧室的高级船员舱室卧室1---2000x80mm床带4个抽斗和床垫1---镜子1---桌子1---椅子1---衣钩会客室1---带抽屉写字台1---椅子1---沙发1---茶几1---组合柜, 顶上有电视1---扶手椅1---衣柜1---衣钩洗澡间与船员舱室一致4143 高级船员舱室舱室:1---2000x800mm床,带4个抽屉和床垫1---镜子1---有抽屉的写字台1---椅子1---沙发1---茶几1---衣柜1---衣钩洗澡间与船员舱室相似参见4154144 普通船员舱室和引水员舱室舱室:1---2000xmm 床,4个抽斗1---衣柜1---带抽斗写字台,镶片台面1---塑面椅子1---书架1---衣钩1---镜子100x300mm415 船员舱室,洗澡间单元单元应是预装的单元应全部配备卫生间附件,电气安装件,管系和其它设备如下:1---瓷质洗脸盆或钢质烤磁漆带ORAS362混合器的洗脸盆或相似的. 1---EV AC真空系统中瓷质坐便器或坐高约450mm的坐便器1---ORAS2141,温控,手动淋浴器1---塑料浴帘1---杯架1---手纸架,Haceka238 或相似的.1---HAXEKA210皂盒架或相似的.1---镜前灯,带刮胡刀插座2---衣钩2---毛巾钩1---烟灰缸门上有通风栅,空气从舱室到单元外地板,3mm防蚀钢板,复乙烯基地板,足够的斜度向落水.墙壁:30mm厚复岩板,所有结点水密并无明螺钉.天花: PVC钢衬板参见4531可见管系镀铬416 船员居住区走道墙壁: PVC钢衬板参见4521开花: PVC钢衬板参见4531地板:乙烯基地板42.公共处所420.总则:容量和面积,参见Part1、Item1262提供通路以便于检查关闭装置等阀中心技术设备.总体布置图、详细家具图、色彩方案、装饰、家俱、五金件选择等由船厂制作,船东认可。
拖轮内装技术质量作业指导书
一、绝缘施工
1、在船体结构交验后,并喷一度漆后,按照图纸开始施焊绝缘碰钉。
2、首先要用直杆划出绝缘尺寸,离地面留50mm空隙。
每平方米不得少于26
个钉。
绝缘接缝两端不得大于100mm,离钢梁为100mm。
要横平竖直,烧焊牢固。
3、烧焊过程,要检查一下,已焊的碰钉,是否有漏焊或没焊牢固的情况。
有
掉的碰钉要及时补焊完整。
4、绝缘施工,现场材料摆放整齐,减少损坏现象。
5、绝缘安装表面平整,不得有凹凸现象,接缝严实。
6、所有绝缘割刀处,不得露岩棉,表面平滑、美观。
7、绝缘要离甲板50mm,不得大于或小于。
A60区域延伸要保证450mm,岩棉区
域延伸要保证380mm。
8、包扶强材、钢梁碰钉要保证间距为250mm。
9、绝缘安装过程中,发现有掉的碰钉,要及时补焊并涂油漆。
不得干完绝缘
后再补焊碰钉。
10、压片、压帽要压实、压牢不得松动。
11、铝箔布安装要表面平整、光滑。
不得有皱纹。
钢丝网铺设时,表面要严实
牢固,不得松动,接缝要严密,表面要美观平整。
12、报验前要自检、互检、发现没有问题方可对外报验。
二、内装板施工
1、首先按图纸上各层甲板内围壁板及天花板布置图的尺寸要求划出每个舱室壁
板的位置,并且参考天花板布置图和舱室布置图,进行最准确的确认。
2、划线时,若发现钢结构有误差,一般应先保证舱室内部空间的净尺寸,误差
为±3。
3、安装底槽型材在甲板上,底槽必须保持平直,水平坡度为±5。
4、上槽安装要与底型材相应尺寸保持垂直,不得上下歪斜。
5、上槽固定时,要留有10-15mm的余量,便于上装饰板时能装进去。
6、上槽烧焊角钢时,要拉线,保持平直,烧焊坚固,上槽完工后要用胶带纸对
上槽进行保护,以防止表面漆划伤及粘上油污等。
7、上槽相交的内角处与外角处碰角,要保证内角、外角处严实平整,不得有缝
隙。
8、天棚吊挂件,焊装间距约为700-800mm。
9、壁板安装前,流水沟及档平铁之间内杂物必须清理干净,方可进行。
10、凡舱室安装第一块壁板时,上下必须用螺钉或拉铆钉固定,方可进行。
下面壁板安装,并且在每隔4-5块时,在用螺钉或拉铆钉上下固定,以达到板与板之间无缝隙,严密靠实。
11、壁板安装结束后,尤其要对走廊及梯道等处围壁板进行保护,以防止人为划伤及碰损现象。
天花板施工
1、在确认管系磅压完工,电装敷设完工后,方可进行天花板安装。
2、按图纸排版方向进行施工,每安装一块,必须用螺钉固定一块,方可进行下
块板,以此类推,为保证端头缝隙两面尺寸一致,必须用标杆卡住一面,以达到端头板面平直、一条线。
3、灯及布风器开孔,要在下面施工,按图纸尺寸及方位开孔,安装上去。
4、收尾板安装,首先要把收尾板型材,按板面长短,截好后,用螺钉固定在顶
型材上,方可量出切割尺寸,进行安装。
5、天花板安装美观,调节天花龙骨很重要,纵横向必须在一条线上。
6、不论壁板或天花板,在靠实时,不得用铁器,直接敲打板材,要用木块,垫
实、靠严、以防止板材出现凹凸现象。
7、天花板堆放在舱室时,要摆放整齐,以防止人为踩伤。
8、天花板在切割或开孔时,电动工具下面平板必须用胶带纸粘平,以防在切割
时,划伤天花板表面。
总之,要求天花板、围壁板安装齐整,顺花色,无间隙,无串角,无污迹。
甲板地面平整,无鼓包,无坑洼,地布敷设平整,接缝平直,无气泡,无破损。
地毯敷设,也要平直,靠家具处要切割,靠严表面,不得有污迹,施工完后,地面及时保护好,以防止人为损坏。
在施工过程中,要求每位员工,严把质量关,不得出现返工现象和浪费材料现象,或大材小用等,要把责任落实到人头上,实行岗位责任制,对质量不重视出现问题,要处罚。
对于重视质量,干得好的,要给予奖励,最终达到船东满意,按期交船。
让我们齐心协力,共同奋斗,把各项工作做好。