甲苯生产苯工艺流程模拟
- 格式:pdf
- 大小:147.82 KB
- 文档页数:2
化工过程及CAD课程设计任务书项目一、CAD1.题目化工单元操作设备CAD 图(以化工原理课程设计手工图纸为基础)2.提交材料1)电子版图纸(图幅:A1;文件格:*.dwg;CAD 版本:2010及以前的版本)2)纸质材料:将电子版A1 图纸用A3 制进行打印。
项目二、化工过程设计(工作间:330d/a)题目4)苯、甲苯、二甲苯分离过程设计(进料:苯含量20‐40%;甲苯:15‐30%;分离后苯的纯度不小于98%;甲苯纯度不小98%;二甲苯纯度不小97%)。
2.要求1)查阅文献资料,完成工艺流程设计,按化工制图中对流程图的要求绘制工艺流程图;2)采用流程模拟软件,进行全流程流程模拟;3)编辑得到流程模拟的物料平衡表、热量平衡表;4)对其中一个精馏塔进行塔体工艺尺寸计算,以及敏感性分析;5)编制工艺设计报告应报包括:文献调研情况,设计依据——年工作时间、原料规格、加热蒸汽机冷却水规格等、工艺流程设计——工艺流程图及工艺流程简述,全流程模拟结果——物料平衡与热量平衡,塔设备工艺尺寸结果,塔设备敏感性分解结果图表。
6)格式与排版要求:见附件年处理量万吨三苯分离项目工艺设计说明书第一章总论1.1 项目概况本项目为在任务书的要求下设计一个简单的三苯分离工艺。
由于苯、甲苯、二甲苯之间沸点温差相差明显,存在较大温差,故可用传统精馏操作即可分离,无需太过复杂的工艺要求。
对于三元混合物的分离,应采用连续精馏流程。
连续精馏具有生产能力大,产品质量稳定等优点。
采用全凝器为主,以使于准确的控制回流比。
利用液体混合物中各组分挥发度的不同并借助于多次部分汽化和部分冷凝达到轻重组分的分离。
1.2 设计依据化工过程及CAD课程设计任务书;1.3 生产工艺及全厂总流程1.3.1 生产工艺蒸馏是利用液体混合物中各组分挥发的不同并借助于多次不分汽化和部分冷凝达到轻,重组分分流的方法。
蒸馏操作在化工,石油化工,轻工等工业生产中占有重要的地位。
化工过程分析和概念设计甲苯加氢脱烷基化制苯院系:化工学院专业:化学工程学生:李荷华指导教师:钱宇教授陆恩锡教授2001.6.1概念设计概念设计是依据开发性基础研究的结果、文献的数据、现有类似装置的操作数据和工程经验,按照所开发的新技术工业化规模而做出的预想设计。
其目标是寻找最佳工艺流程和估算最佳设计条件。
由于任何过程都可提出许多方案,而并非所有的方案都可行,所以在那么多方案中找到可行方案是一件很困难的任务。
分层次决策就是针对这个问题提出的,它能从众多方案中排除大量无意义的方案。
分层次决策法的做法是把设计问题简化为多层次的决策,借助这种方式可以把一个庞大而复杂的问题分解成许多小问题,处理起来回简单的多。
注意力集中在每一层次里所必须做的决策上,就可以辨明可用于解决该问题的已有技术,而无须排除某些新技术或许能提供的更好解决方法。
此外,通过列举我们所能提出的每一决策方案,就可以系统地产生出一张工艺替代的清单。
这种方法的要点是运用某种手段区分问题空间的重要信息和细节,借助于抽象空间的分层次规划法,逐级引入不同的细节,可以显著提高解决问题的能力。
此概念随时可以延伸到分层次的空间,每一级所处理的细节对只它下面的是层空间为少,又都比它上面的空间为多。
只有在较高层次的空间里,成功的规划充分地证明了它的重要性时,才考虑它的细节,这种分层次的搜索过程可以大大减少所需搜索空间的份额。
案例分析本例是甲苯的加氢脱烷基化制苯,有关的化学反应:反应条件:反应器进口的温度变化范围是1150℉(低于此温度时反应速度太慢)到1300oF(高于此温度时会产生大量的加氢裂化),而且反应器的压力=500psia 。
需要用过量的氢(比值为5/1)来防止结焦,而且反应后的气体必须迅速冷至1150oF ,以免反应器后续的换热器内的结焦。
首先考虑该反应的选择性问题,所谓选择性指的是每转化一摩尔的甲苯能生成的苯的量,我们将选择性记为S 。
由文献知,该反应过程的选择性和转化率的关系如下表:1.用回归的方法处理以上这些数据,可得到转化率X 与选择性S 之间的关系:条件:气相、无催化剂。
苯甲苯工艺流程图苯甲苯(Benzyltoluene)是一种可用于合成等离子聚合物的有机溶剂,也可以用于制备染料、香料等化工产品。
下面是苯甲苯的工艺流程图。
一、原料准备:苯甲苯的原料主要是苯乙烯和苯乙烯类似的化合物。
苯乙烯是一种无色液体,可以通过乙炔合成、乙烯水化和苯乙烯分离等工艺得到。
二、苯甲苯合成:1. 原料提纯:将苯乙烯通过蒸馏等工艺进行提纯,以确保反应的纯度和质量。
2. 反应装置:苯甲苯的合成可以使用连续流动反应器或批量反应器。
连续流动反应器适用于大规模生产,而批量反应器适用于小规模生产。
3. 反应条件:苯甲苯的合成反应需要高温和高压条件下进行。
通常反应温度在100-150℃之间,压力在10-20MPa之间。
此外,聚合物产物还需要适当的稀释剂,以保持反应体系的流动性。
4. 反应过程:苯乙烯在高温和高压条件下与催化剂发生加成反应,形成苯甲苯。
反应过程中要注意控制反应速率和反应温度,以避免产生副反应和降低产率。
5. 反应产品分离:苯甲苯的合成反应后,需要进行产品的分离和纯化。
常用的分离方法包括蒸馏、萃取和结晶。
通过这些分离工艺,可以获得高纯度的苯甲苯。
三、产品储存和包装:苯甲苯的合成产品需要进行储存和包装,以确保产品的质量和安全性。
常见的储存容器有钢罐和塑料桶,要防止产品受潮和曝光于阳光下。
苯甲苯的工艺流程图如下:原料准备 --> 反应装置 --> 原料提纯 --> 反应条件调节 --> 反应过程控制 --> 反应产品分离 --> 产品储存和包装以上是苯甲苯的工艺流程图。
在实际生产中,还需要根据具体的工艺条件、设备和原料质量等因素进行优化和调整,以达到最佳的生产效益和产品质量。
苯甲苯精馏塔工艺流程图苯甲苯精馏塔工艺流程图苯甲苯精馏是一种常见的化工工艺,用于生产纯苯和纯甲苯。
以下是一份苯甲苯精馏塔工艺流程图。
1. 原料- 原料: 包括混合苯和甲苯的混合液,其中苯的含量约为60-70%,甲苯的含量约为30-40%。
2. 预处理- 进料预热: 将原料混合物通过加热器预热至适宜的温度,以促进后续分离操作。
- 换热器: 利用换热器从产品流出的废气中回收热量,提高能源利用率。
3. 分离操作- 首次分离: 将预热后的混合物进入塔底以进行首次分离。
在塔底,重质组分如苯会凝结,而轻质组分如甲苯会保持气态。
- 塔底提取: 从塔底提取的物料中分离苯和甲苯,以得到较纯的苯和甲苯。
- 塔顶冷凝: 轻质组分从塔顶进入冷凝器,冷却并凝结成液态,然后收集。
4. 后处理- 产品分离: 通过洗涤和蒸馏过程,对分离出的苯和甲苯进行进一步提纯,得到高纯度的苯和甲苯产品。
- 副产物处理: 处理塔底的副产物,如废液和杂质,以确保环境友好和资源回收利用。
5. 产品收集- 苯收集: 将纯苯产品收集至储罐,以备后续包装和销售。
- 甲苯收集: 将纯甲苯产品收集至储罐,以备后续包装和销售。
苯甲苯精馏塔工艺流程图可视化显示了上述工艺步骤的各个环节的流动和相互作用。
它帮助工程师和操作员了解整个工艺的流程,以及如何控制各个操作参数,以达到预期的产品纯度和产量。
苯甲苯精馏工艺是一个重要的工业过程,在化工行业中广泛应用。
通过优化工艺流程和增加设备效率,可以实现更高的产品纯度和产量,从而提高经济效益和资源利用效率。
化工过程及CAD课程设计任务书项目一、CAD1.题目化工单元操作设备CAD 图(以化工原理课程设计手工图纸为基础)2.提交材料1)电子版图纸(图幅:A1;文件格:*.dwg;CAD 版本:2010及以前的版本)2)纸质材料:将电子版A1 图纸用A3 制进行打印。
项目二、化工过程设计(工作间:330d/a)题目4)苯、甲苯、二甲苯分离过程设计(进料:苯含量20‐40%;甲苯:15‐30%;分离后苯的纯度不小于98%;甲苯纯度不小98%;二甲苯纯度不小97%)。
2.要求1)查阅文献资料,完成工艺流程设计,按化工制图中对流程图的要求绘制工艺流程图;2)采用流程模拟软件,进行全流程流程模拟;3)编辑得到流程模拟的物料平衡表、热量平衡表;4)对其中一个精馏塔进行塔体工艺尺寸计算,以及敏感性分析;5)编制工艺设计报告应报包括:文献调研情况,设计依据——年工作时间、原料规格、加热蒸汽机冷却水规格等、工艺流程设计——工艺流程图及工艺流程简述,全流程模拟结果——物料平衡与热量平衡,塔设备工艺尺寸结果,塔设备敏感性分解结果图表。
6)格式与排版要求:见附件年处理量18.86万吨三苯分离项目工艺设计说明书第一章总论1.1 项目概况本项目为在任务书的要求下设计一个简单的三苯分离工艺。
由于苯、甲苯、二甲苯之间沸点温差相差明显,存在较大温差,故可用传统精馏操作即可分离,无需太过复杂的工艺要求。
对于三元混合物的分离,应采用连续精馏流程。
连续精馏具有生产能力大,产品质量稳定等优点。
采用全凝器为主,以使于准确的控制回流比。
利用液体混合物中各组分挥发度的不同并借助于多次部分汽化和部分冷凝达到轻重组分的分离。
1.2 设计依据化工过程及CAD课程设计任务书;1.3 生产工艺及全厂总流程1.3.1 生产工艺蒸馏是利用液体混合物中各组分挥发的不同并借助于多次不分汽化和部分冷凝达到轻,重组分分流的方法。
蒸馏操作在化工,石油化工,轻工等工业生产中占有重要的地位。
化工过程分析和概念设计甲苯加氢脱烷基化制苯院系:化工学院专业:化学工程学生:李荷华指导教师:钱宇教授陆恩锡教授2001.6.1概念设计概念设计是依据开发性基础研究的结果、 文献的数据、 现有类似装置的操作数据和工程 经验, 按照所开发的新技术工业化规模而做出的预想设计。
其目标是寻找最佳工艺流程和估 算最佳设计条件。
由于任何过程都可提出许多方案, 而并非所有的方案都可行, 所以在那么 多方案中找到可行方案是一件很困难的任务。
分层次决策就是针对这个问题提出的, 它能从 众多方案中排除大量无意义的方案。
分层次决策法的做法是把设计问题简化为多层次的决 策,借助这种方式可以把一个庞大而复杂的问题分解成许多小问题,处理起来回简单的多。
注意力集中在每一层次里所必须做的决策上, 就可以辨明可用于解决该问题的已有技术, 而 无须排除某些新技术或许能提供的更好解决方法。
此外, 通过列举我们所能提出的每一决策 方案,就可以系统地产生出一张工艺替代的清单。
这种方法的要点是运用某种手段区分问题空间的重要信息和细节, 借助于抽象空间的分 层次规划法, 逐级引入不同的细节, 可以显著提高解决问题的能力。
此概念随时可以延伸到 分层次的空间, 每一级所处理的细节对只它下面的是层空间为少, 又都比它上面的空间为多。
只有在较高层次的空间里, 成功的规划充分地证明了它的重要性时, 才考虑它的细节, 这种 分层次的搜索过程可以大大减少所需搜索空间的份额。
案例分析本例是甲苯的加氢脱烷基化制苯,有关的化学反应:联苯反应条件: 反应器进口的温度变化范围是 1150℉(低于此温度时反应速度太慢) 到 1300oF (高 于此温度时会产生大量的加氢裂化 ) ,而且反应器的压力 =500psia 。
需要用过量的氢(比值 为 5/1 )来防止结焦,而且反应后的气体必须迅速冷至 1150oF ,以免反应器后续的换热器内的结焦。
首先考虑该反应的选择性问题, 所谓选择性指的是每转化一摩尔的甲苯能生成的苯的量, 我 们将选择性记为S 。
苯-甲苯的分离过程连续板式精馏塔设计书第一章绪论1.1 精馏塔设计任务常压操作的连续板式精馏塔分离苯-甲苯混合物,间接蒸汽加热,生产时间为300/年,每天24小时,生产能力为18万吨/年,原料组成为0.46,塔顶组成为0.98,塔底组成为0.02 [1]。
1.1.1 操作条件塔顶压力:常压冷却水入塔温度:25℃冷却水出塔温度:45℃回流比:2.268单板压降:0.7KPa水蒸汽加热温度:120~160℃设备形式:筛板浮阀塔厂址:地区1.2 精馏与筛板塔简介在工业生产中,广泛应用精馏方法分离液体混合物,从石油工业、酒精工业直至焦油分离,基本有机合成,空气分离等等,特别是大规模的生产中精馏的应用更为广泛。
蒸馏按操作可分为简单蒸馏、平衡蒸馏、精馏、特殊精馏等多种方式。
按原料中所含组分数目可分为双组分蒸馏及多组分蒸馏。
按操作压力则可分为常压蒸馏、加压蒸馏、减压(真空)蒸馏。
此外,按操作是否连续分为连续蒸馏和间歇蒸馏。
工业生产中的蒸馏多为多组分精馏,本设计着重讨论常压下的双组分精馏,即苯-甲苯体系。
在化学工业和石油工业中广泛应用的诸如吸收,解吸,精馏,萃取等单元操作中,气液传质设备必不可少。
塔设备就是使气液两相通过紧密接触达到相际传质和传热目的的气液传质设备之一。
塔设备一般分为阶跃接触式和连续接触式两大类。
前者代表是板式塔,后者代表则为填料塔。
筛板塔在十九世纪初已应用于工业装置上,但由于对筛板的流体力学研究很少,被认为操作不易掌握,没有被广泛采用。
五十年代来,由于工业生产实践,对筛板塔作了较充分的研究并且经过了大量的工业生产实践,形成了较完善的设计方法。
筛板塔板简称筛板,结构持点为塔板上开有许多均匀的小孔。
根据孔径的大小,分为小孔径筛板(孔径为3-8mm)和大孔径筛板(孔径为10-25mm)两类。
工业应用以小孔径筛板为主,大孔径筛板多用于某些特殊场合(如分离粘度大、易结焦的物系)。
筛板的优点足结构简单,造价低;板上液面落差小,气体压降低,生产能力较大;气体分散均匀,传质效率较高。
四川理工学院毕业论文Aspen-plus模拟甲苯脱烷基制苯过程学生:***学号:1****专业:化学工程与工艺班级:*****指导老师:****四川理工学院材料与化学工程学院二〇一五年六月本文基于甲苯加氢热解法(HDA)脱烷基制苯工艺,建立了Aspen Plus全流程模拟模型。
模型包括混合器、预热器、反应器、精馏塔等模块。
设定操作参数后,通过灵敏度分析工具对操作参数进行优化,提高了产品质量,降低了能耗。
通过对全流程模拟分析,提出了增加变压吸附(PSA)过程来回收循环气中氢气。
采用该过程后,循环气中甲烷含量大大减少,循环气中氢气质量分数达95%,高于原料氢气质量分数。
苯塔是分离工段能耗最大的塔,通过对苯塔进行热泵精馏技术的模拟应用,考察了热泵精馏的节能效果。
采用以塔顶气相为换热介质的塔顶气相压缩式热泵节能效果达74%。
采用以循环水为换热介质的闭式热泵节能效果达68%。
结果表明热泵精馏技术是很有应用前景的节能措施。
关键词:HDA;Aspen Plus;优化;流程改造Based on the pyrolysis (HDA) process, the establishment of Aspen Plus simulation model of the whole process. The model includes a mixer, a preheater, reactor, distillation and other modules. After setting the operating parameters, sensitivity analysis tool to optimize the operating parameters, improve product quality and reduce energy consumption.Through the whole process simulation analysis, the increase in pressure swing adsorption (PSA) process to be recycled and the hydrogen gas. With this process, the cycle gas methane content significantly reduced cycle gas hydrogen mass fraction of 95%, higher than the hydrogen content of raw materials.Benzene tower is the most energy intensive separation section column by benzene distillation tower heat pump technology analog applications, investigated heat distillation energy savings. Using the heat transfer medium to the overhead vapor overhead vapor compression heat pump energy-saving effect of 74%. The use of water as a heat transfer medium to circulate in a closed heat pump energy-saving effect of 68%. The results show that energy-saving measures heat pump distillation technology is very promising.Keywords:HDA;Aspen Plus;Optimization;Process reform目录第一章绪论 (1)1.1苯和甲苯在石油化工工业中的地位 (1)1.2甲苯和苯的来源以及利用 (2)1.3甲苯脱烷基制苯的生产方法 (2)1.3.1典型工艺过程 (2)1.3.1催化法脱烷基 (2)1.3.2热解法脱烷基 (3)1.3.3催化法和热解法工艺对比 (4)1.4Aspen Plus在化工生产中的运用 (5)1.5本文研究内容 (6)第二章 HDA工艺流程模拟 (7)2.1组分分析 (7)2.2工艺流程 (7)2.2.1进料组成 (8)2.2.2物性方法选择 (8)2.3反应工段模型建立 (9)2.3.1预热器HX模拟 (9)2.3.2加热炉FUR模拟 (10)2.3.3反应器RX模拟 (10)2.3.4急冷器QUENCHER模拟 (11)2.4预分离工段模型建立 (11)2.4.1终冷器COND模拟 (11)2.4.2气液分离器SEP模拟 (11)2.4.3输送设备模拟 (12)2.5分离工段模型建立 (12)2.5.1精馏塔的模拟 (12)2.5.2稳定塔C1模拟 (13)2.5.3苯塔C2模拟 (14)2.5.4甲苯塔C3模拟 (14)2.6流程模拟结果 (15)第三章 HDA工艺过程优化 (16)3.1.1稳定塔C1优化 (16)3.1.2苯塔C2优化 (19)3.1.3甲苯塔C3优化 (22)3.2优化结果 (24)第四章 HDA工艺过程改造 (25)4.1模拟结果分析 (25)4.2改造后模拟流程 (25)4.3变压吸附过程 (25)4.3.1变压吸附原理 (25)4.3.2预处理装置PRESEP流程 (26)4.3.3变压吸附装置PSA流程 (27)4.3.4 PSA过程工艺参数 (27)4.3.5 模拟结果比较 (28)4.4热泵精馏技术模拟 (28)4.4.1塔顶气相压缩式热泵模拟 (29)4.4.2闭式热泵模拟 (30)4.4.3热泵精馏模拟结果 (31)第五章结论 (33)参考文献 (34)致谢 (35)第一章绪论1.1苯和甲苯在石油化工工业中的地位苯和甲苯是石油化工工业的重要基础原料。
分离苯--甲苯混合液的浮阀板式精馏塔工艺设计专 业: 化学工程与工艺 学 号: ********* * 名: * * 指导教师: 谭志斗 周红艳 日 期: 二零一一年四月十六日目录Context第一章前言1.1苯和甲苯在工业中的用途1.2精馏原理及其在工业生产中的应用1.3精馏操作的特点及其对塔设备的要求1.4常用板式塔的类型及本设计的选型1.5本设计所选塔的特性1.6相关物性参数说明第二章设计题目及设计任务书第三章工艺条件的确定和说明3.1确定操作压力3.2确定进料状态3.3确定加热剂和加热方式3.4确定冷却剂及其进出口温度第四章流程的确定和说明4.1流程4.2流程说明第五章精馏塔的设计计算5.1全塔的物料衡算5.1.1料液及塔顶底产品含苯的摩尔分率 5.1.2料液及塔顶底产品平均摩尔质量 5.1.3料液及塔顶底产品摩尔流率5.2回流比的确定5.3塔板数的确定5.4气液负荷计算5.4.1平均压强5.4.2平均分子量5.4.3液体的平均粘度5.4.4液体的平均密度5.4.5体积流量5.5 精馏塔的塔体工艺尺寸计算5.5.1 塔径的计算5.5.2精馏塔有效高度的计算5.6 塔板工艺结构尺寸的设计与计算5.6.1溢流装置计算5.7 浮阀的布置5.7.1 阀孔速度5.7.2 开孔率5.7.3 阀孔总面积5.7.4 浮阀总数5.7.5 塔板上布置浮阀的有效操作面积5.7.6 浮阀的排列5.8 塔板流动性能校核5.8.1液沫夹带量校核5.8.2 塔板阻力校核5.8.3 降液管液泛校核5.8.4 液体在降液管中停留时间校核5.8.5严重漏液校核5.9 塔板负荷性能图5.9.1漏液线5.9.2 液沫夹带线5.9.3 液相负荷下限线5.9.4 液相负荷上限线5.9.5液泛线5.9.6塔板性能负荷图5.9.7浮阀塔的工艺设计计算结果总表第六章塔的机械设计6.1、设计条件6.2、按计算压力计算塔体和封头厚度6.3、塔设备质量载荷计算6.4、风载荷和风弯矩计算6.5、地震弯矩计算6.6、各种载荷引起的轴向应力6.7、塔体和裙座危险截面的强度及稳定校核6.8、塔体水压试验和吊装时的应力校核6.9、基础环设计6.10、地脚栓设计第七章设计结果的讨论及说明第八章参考文献第九章课程设计总结致谢中文摘要:目前用于气液分离的传质设备主要采用板式塔,对于二元混合物的分离,应采用连续精馏过程。
甲苯加氢制苯工艺流程
嘿,朋友们!今天咱就来聊聊这神奇的甲苯加氢制苯工艺流程,哇塞,这可真是个超有意思的事儿呢!
你想想看呀,甲苯就像是一个小淘气,等着我们去给它施魔法。
而加氢呢,就像是给它注入了一股神奇的力量。
咱先来说说这第一步,甲苯被送进反应釜里啦,就好像小淘气进了个大魔法屋。
然后呢,氢气也欢快地跑了进来,这氢气就像是小淘气的好伙伴,要和它一起玩个大变样的游戏。
“哗啦”一声,反应就开始啦!就如同一场精彩绝伦的化学反应大派对。
在这过程中,甲苯在氢气的陪伴下,一点点地发生着变化,这不就是我们见证奇迹的时刻嘛!
然后呢,经过一系列的奇妙反应后,苯就诞生啦!哇,是不是感觉很神奇呀!就像是小淘气一下子变成了乖巧的小精灵。
你说,这不是很了不起嘛!我们就像一群神奇的魔法师,用我们的智慧和技术,让甲苯完成了这样一次华丽的变身。
而且哦,这个工艺流程可不简单呢,需要我们的工作人员精细操作,就像呵护宝贝一样对待每一个环节。
他们时刻关注着,不能有一丝马虎,稍有不慎可能就会影响最终的成果呢!这就好比我们精心培养一盆花,得细心浇水、施肥、照顾。
总之啦,甲苯加氢制苯工艺流程真的是超级有趣又超级重要的呀!这就是我的观点,它展现了人类的智慧和技术的魅力,让我们能创造出这么神奇的东西呢!。
甲苯热解法临氢脱烷基制苯工艺流程下载提示:该文档是本店铺精心编制而成的,希望大家下载后,能够帮助大家解决实际问题。
文档下载后可定制修改,请根据实际需要进行调整和使用,谢谢!本店铺为大家提供各种类型的实用资料,如教育随笔、日记赏析、句子摘抄、古诗大全、经典美文、话题作文、工作总结、词语解析、文案摘录、其他资料等等,想了解不同资料格式和写法,敬请关注!Download tips: This document is carefully compiled by this editor. I hope that after you download it, it can help you solve practical problems. The document can be customized and modified after downloading, please adjust and use it according to actual needs, thank you! In addition, this shop provides you with various types of practical materials, such as educational essays, diary appreciation, sentence excerpts, ancient poems, classic articles, topic composition, work summary, word parsing, copy excerpts, other materials and so on, want to know different data formats and writing methods, please pay attention!甲苯热解法临氢脱烷基制苯工艺流程引言在化工领域,苯是一种广泛应用的化工原料,其制备方法多种多样。
苯甲苯工艺流程cad苯甲苯工艺流程CAD一、准备工作1. 原料准备:准备苯和甲苯两种原料,确保原料的纯度和质量。
2. 设备准备:准备加热设备、搅拌设备和冷却设备。
3. CAD绘图准备:准备CAD绘图软件,确定绘图尺寸和比例。
二、工艺步骤1. 反应槽装载:将反应槽安装在加热设备上,并用CAD绘图软件确认反应槽的尺寸和位置。
2. 原料投料:通过CAD绘图软件确认原料的投料位置和流量,将苯和甲苯按照一定的比例投入反应槽中。
3. 加热反应:将反应槽加热至一定温度,通过CAD绘图软件记录加热过程的时间和温度变化。
4. 搅拌反应:启动搅拌设备,将反应槽内的原料进行搅拌,通过CAD绘图软件绘制搅拌过程的速度和时间变化曲线。
5. 冷却:在反应结束后,使用冷却设备将反应槽内的温度降低至一定程度,通过CAD绘图软件记录冷却过程的时间和温度变化。
6. 产物收取:将反应槽中得到的苯甲苯产物进行收取,并通过CAD绘图软件记录收取的产物量和质量。
7. 反应槽清洗:清洗反应槽,确保其干净无残留物质。
三、CAD绘图记录在整个工艺流程中,通过CAD绘图软件记录了反应槽的尺寸和位置、投料位置和流量、加热过程的时间和温度变化、搅拌过程的速度和时间变化、冷却过程的时间和温度变化以及产物的量和质量。
这些绘图记录能够提供工艺流程的可视化信息,有助于对工艺进行分析和优化。
四、工艺优化通过CAD绘图记录,可以对苯甲苯工艺流程进行优化。
可以通过对加热时间和温度、搅拌速度和时间、冷却时间和温度等参数的调整,提高反应效率和产物质量,并减少能源消耗和资源浪费。
五、安全注意事项在进行苯甲苯工艺流程时,需要注意以下安全事项:1. 加热设备和冷却设备的选用应符合安全标准,确保设备的正常运行和操作安全。
2. 原料的投料顺序和流量要按照工艺要求进行,避免原料的混合和反应不完全。
3. 在加热和冷却过程中,要控制温度的变化速度,避免温度波动过大引发安全事故。
4. 在使用搅拌设备时,要确保设备的正常运行和操作安全,避免发生搅拌器失效或损坏导致的事故。
甲苯生产工艺
甲苯是一种重要的有机化工原料,广泛应用于涂料、胶粘剂、染料、塑料、农药等行业。
下面将介绍甲苯的生产工艺。
甲苯的主要生产工艺有乙苯氧化法、乙烯甲酸酯法和甲烷苯键技术。
其中乙苯氧化法是目前最常用的工艺。
乙苯氧化法是将乙苯与氧气在催化剂作用下进行氧化反应,产生苯乙烯和一氧化碳的混合物,随后经过返流冷凝和洗涤两步处理,使苯乙烯和一氧化碳得以分离。
分离后的苯乙烯再经蒸馏、重整和裂解等步骤得到甲苯。
乙烯甲酸酯法是以乙烯和甲酸酯为原料,在催化剂作用下进行反应,生成甲苯。
这种工艺具有简化工艺流程、节约能源和资源的优点,但由于乙烯甲酸酯的制备技术相对较为复杂,目前在甲苯生产中尚未得到广泛应用。
甲烷苯键技术是将甲烷与苯经过烷基化反应得到甲苯。
这种技术具有废水和废气排放少的优点,但是由于甲烷参与反应需要高温和高压条件,使得工艺工作条件复杂且能耗较高,目前应用较少。
综上所述,乙苯氧化法是目前主要的甲苯生产工艺。
该工艺具有原料易得、工艺简单、产能高等优点,能较好地满足对甲苯的需求。
此外,乙烯甲酸酯法和甲烷苯键技术也在不断地改进和研究中,有望在未来的甲苯生产中起到更加重要的作用。
甲苯在化工行业中有着广泛的应用,其生产工艺的发展和改进对于提高产能、降低能耗、保护环境都具有重要意义。
随着技术的不断发展,未来甲苯的生产工艺将越来越高效、环保。
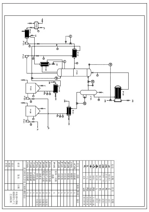
甲苯生产苯工艺流程模拟
下图所示为甲苯转化为苯的工艺流程图,试确定所得产品苯的量。
习题附表(1)给出了工艺流程的进料条件,附表(2)给出了工艺流程中单元模块的操作条件。
主反应为:
副反应为:
附图(1) 进料条件
组分FEED(kmol/h)RECYCLE(kmol/h)GAS-
RECY(kmol/h)氢——928
甲烷——1370
苯— 1.5419.4
甲苯12537.5 2.4
联苯—0.45—
温度2412119.5
压力392339233923
附图(2) 单元模块的操作条件
单元模块压力/kPa温度/o C
FURNACE入口3923538
FURNACE出口3406649
REACTOR出口3406687
PUMP出口3406—
HEATER出口331082
PLASH3310—反应器的出口物流4与物流QUENCH混合后的温度为621o C,甲苯的转化率是75%,副反应中苯的转化率为2%,换热器的总传热系数为340.7W/(m2•K)。